停炉保护
- 格式:doc
- 大小:30.00 KB
- 文档页数:3
锅炉停炉保护的方法简介一、停炉保护的方法防止锅炉停炉腐蚀的方法较多,但基本原则是不让外界空气进入停用锅炉的水系统;保持停用锅炉水系统金属表面干燥;使金属内表面浸泡在含有除氧剂或其他保护剂的溶液中;在金属表面上涂上防锈层。
停炉保护方法可分为干法和湿法两大类。
(一)干法1.干燥剂法干燥剂法就是在锅炉停用后,当锅炉水的温度降至100~120℃时,将锅炉内的水全部放掉,利用炉内余热,将金属表面烘干,并清除沉积在锅炉水系统内的水垢和水渣。
然后在锅炉内放入干燥剂,保持金属表面干燥,防止腐蚀。
常用的干燥剂有三种无水氯化钙(CaCl2) 常用量 1.0~1.5kg/M3 生石灰(Cao) 常用量3~5kg/M3 硅胶常用量1.5~3.0kg/M3 干燥剂的放置方法:将药品分盛在若干个塘瓷盘内,分别放入汽泡、泥包和各联箱内。
装入的数量和位置应在锅炉保养记录内,以免投入运行时忘记取出。
干燥剂放入炉内后应立即关闭各汽水阀门,防止外界空气进入。
干燥剂放入一个月后应进行第一次检查。
如发现潮解,应立即更换或烘干。
以后可每三个月检查一次。
此法适用于较长时间的停炉保养。
汽包容积占整个锅炉水容积的比例越大,此法越方便。
2.烘干法此法就是在停炉时,当锅炉水的温度降至100~120℃时,进行放水。
当水放尽后,利用炉内余热,点微火或引入炉膛热风,将锅炉内表面烘干。
此法只适用于锅炉在检修期间的防腐。
3.充氮法充氮法就是将氮气充入锅炉水系统内,并保持一定的正压,以阻止空气进入。
由于氮气很不活泼,无腐蚀性,所以可以防止锅炉的停炉腐蚀。
其方法是:在停炉前,将充氮管路接好。
当炉内压力降至0.5表压时,开始由氮气瓶经临时管路向锅炉汽包和省煤器等处送氮气,具体要求是(1)氮气纯度应在99%以上。
电厂锅炉、汽轮机、电气、水处理等热电行业技术交流(2)空炉充氮时,炉内氮气压力应为0.5表压以上。
带水充氮(锅炉内水不放掉)时,充氮前最好在锅炉存水中加入一定量的联氨,并用联氨将水的PH值调至10以上。
锅炉停用的保护方法常用的有两大类,即湿法保护和干法保护:1、湿法保护此类方法是将具有保护性的水溶液充满锅炉,杜绝空气中的氧进入锅内,从而避免或减缓锅炉因停炉而发生的腐蚀。
由于保护性水溶液配制的不同,具体有如下几种方法:(1)联氨法它是将化学除氧剂联氨和氨水以及催化剂硫酸钴配成的保护性水溶液打入锅炉中,使整个锅炉充满保护液。
联氨的加入量应使炉水的过剩联氨浓度在150~200mg/L 范围内。
加氨水的目的是为了使炉水的pH值达到10以上,加硫酸钴是起催化作用。
当注入保护性溶液前炉水的pH值已在10以上时,可不加氨水。
在注入保护性水溶液前,应关闭所有水系统的阀门和通路。
避免药液泄漏和氧气侵入炉水中。
维持锅内水压大于大气压力(如0.05MPa),封闭锅炉。
联氨法适用于停用时间较长或者备用锅炉。
采用此法保养的锅炉,在启动前应排尽保护性水溶液并用水冲洗干净,排放前应予以稀释。
应注意,联氨具有毒性。
(2)氨液法它是将氨水配制成800mg/L以上的稀溶液,打入党锅炉中,使锅内水压略大于大气压力。
在保养期间应定期5~10天检查一次含氨量,若有下降应及时予以补充。
此法适用于长期保养性锅炉。
(3)保持给水压力法它是用给水泵将锅炉给水(除过氧的水)充满锅炉的水、汽系统,维持锅内水压在0.05MPa以上,关闭全部阀门,防止空气渗入炉内。
要注意保持锅内压力,当压力下降时,可用给水泵再顶压。
每天要测定炉水的溶解氧,溶解氧超过规定值时,应更换炉水。
此法最好加入亚硫酸钠,随给水一起进入锅炉,以提高防腐效果。
此法适用于短期停用的锅炉。
(4)保持蒸汽压力法用间断升大的办法保持锅炉蒸汽压力在0.1MPa以上,防止空气渗入锅炉的水、汽系统内。
此法适用于锅炉热备用。
(5)碱液法它是向炉内加添碱液(NaOH和Na3PO4),使炉水pH值达10以上,以抑制锅水中溶解氧对锅炉的腐蚀。
保养期间,每天检查,不得泄漏,保证锅水碱度。
此法适用于较长时间停用的锅炉。
一期锅炉机组的停止及保护3.1 压火停炉在锅炉运行中接到班长停炉指令或因供热超温需要暂时停运某台锅炉,待适当时候再启动运行,保持炉内存火不熄灭,叫压火停炉。
压炉停炉操作方法:1.适当减弱炉内燃烧强度,然后依次停止鼓、引风机,并关闭各小风室风门及引风风门。
为了停炉期间存火不熄灭,可适当加厚煤层(一般不超过150mm),炉排向前行走1-2米远,使炉排前面布一层生煤(备用时间越长,应越加厚煤层),之后停止分层给煤和炉排转动。
2.压火期间要定期检查炉膛,防止生煤自燃起火,烧坏煤闸板或剩余煤火因压火时间过长自然熄灭。
如停炉超过30小时以上时,可适当开启鼓、引风机进行缓慢吹火,缓火后,重新按以上操作方法压好火。
3.压火锅炉在做完上述压火程序后,要适当调整锅炉的窜水量,一般压火锅炉的流量调整为100~200t/h即可,流量过小锅炉产生汽化,流量过大影响运行锅炉窜量,在调整锅炉的流量时,要操作电动闸阀进行流量调整(要求开关回水阀门),不允许用手动球阀操作调整锅炉流量等。
3.5 紧急停炉当锅炉发生严重事故以及管网严重泄漏时,为防止事故扩大而采取的停炉。
1.锅炉运行中有下列情况,应紧急停炉。
1)循环水泵突然停止运行,又不能立即启动备用泵(停电或停水)。
2)锅炉冷却水突然失压,不能及时恢复。
3)锅炉和炉体受热面、管束泄露、变形。
4)锅炉前后拱突然局部脱落,还有继续发展扩大现象。
5)锅炉主要运行指示仪表全部失灵,无法监视安全运行。
6)锅炉燃烧设备或辅机设备严重损坏,炉墙倒塌,严重威胁运行安全,或无法运行时。
7)锅炉发生火警或附近发生火警,可能蔓延到锅炉房时。
8)热网管道阀门突然严重泄露,造成热网水迅速泄出。
2.紧急停炉操作1)循环泵由于机械或电气原因突然停泵或泵进出口减震器突然严重损坏泄漏,造成泵无法运行,同时备用循环泵又因某种原因不能迅速启动,锅炉无法运行,必须停炉。
停炉操作参照突然停电操作执行。
2)无冷却水停炉,依次停止鼓、引风机,停止炉排,熄火,按压火停炉操作。
锅炉停炉保护十二种常用保养法锅炉是工业的心脏,也是高价值的固定资产。
供暖结束以后,锅炉保养工作十分重要。
大量现实案例中,锅炉停用期间的腐蚀比运行时的腐蚀更为严重;锅炉穿孔腐蚀所造成的严重的、大规模的损坏往往不是发生在运行中,而是发生在停用期间。
据辽宁省锅炉检验研究所统计,在检查在用的800台采暖锅炉中,有755台发生了不同程度的腐蚀和结垢,其中较严重的占20%,与国外相比我国的锅炉寿命仅为设计寿命的1/3-1/2,锅炉汽水系统管网的寿命更短。
为防止锅炉汽水系统金属内表面受到空气或水中溶解氧的腐蚀,为防止锅炉设备及管网系统金属的电化学腐蚀加剧,采取相适应的保护措施来确保安全延长锅炉的运行使用寿命,具有重要的意义。
常用的锅炉停炉保养方法有十二种,分为干法保养和湿法保养两类。
常用的锅炉停炉干法保养有七种:这类方法是防止潮湿空气进入炉内,防止空气中水分和氧气对锅炉的腐蚀。
锅炉停炉保养方法一、干燥剂法干燥剂法就是在锅炉停用后,当锅炉水的温度降至100~120℃时,将锅炉内的水全部放掉,利用炉内余热,将金属表面烘干,并清除沉积在锅炉水系统内的水垢和水渣。
然后在锅炉内放入干燥剂,保持金属表面干燥,防止腐蚀。
常用的干燥剂有:无水氯化钙(CaCl2)、生石灰(CaO)、硅胶。
干燥剂的放置方法:将药品分盛在若干个塘瓷盘内,分别放入锅炉不同位置。
然后应立即关闭各汽水阀门,防止外界空气进入。
缺点:此法仅有吸潮作用,干燥剂放入后应进行检查,需要经常注意药剂潮解现象,如发现潮解,应立即更换。
锅炉停炉保养方法二、烘干法此法就是在停炉时,当锅炉水的温度降至100~120℃时,进行放水。
当水放尽后,利用炉内余热,点微火或引入炉膛热风,将锅炉内表面烘干。
缺点:此法只适用于锅炉在检修临时的保护。
锅炉停炉保养方法三、充氮法充氮法就是将氮气充入锅炉水系统内,并保持一定的正压,以阻止空气进入。
由于氮气很不活泼,无腐蚀性,所以可以防止锅炉的停炉腐蚀。
机组停炉保护方案按照DLT956-2005《火力发电厂停备用热力设备防锈蚀导则》1.11.2 机组停炉保护技术监督1.2.1 防锈蚀保护工作要求及方法选择1.2.1.1 化学专业负责制定防锈蚀保护方案,检查防锈蚀药剂,进行加药和保护期间的化学监督,并对保护效果进行检查、评价、总结。
1.2.1.2 锅炉、汽机专业负责防锈蚀设备和系统的安装、操作和维护,值长负责保护方案的实施。
热力设备防锈蚀方法的选择。
1.2.1.3 机组参数和类型、机组给水、炉水处理方式;停、备用条件;可操作性和经济性。
1.2.1.4 当地大气条件,机组停备用期间是否存在冻结的可能性。
1.2.1.5 是否有废液处理设施,废液排放能否符合当地环保排放标准。
1.2.1.6 停、备用所采用的化学条件和运行期间化学水工况之间的兼容性。
1.2.1.7 防锈蚀保护方法不会破坏运行中所形成的保护膜。
1.2.1.8 防锈蚀保护方法不应影响机组按电网要求随时启动运行。
1.2.1.9 防锈蚀保护方法不影响检修工作和检修人员的安全。
1.2.1.10 防锈蚀保护期间监督指标的可监测性和发电企业本身的监测能力。
1.2.1.11 防锈蚀保护措施的具体执行方法可参照标准DL/T 956,结合本厂设备的具体情况执行。
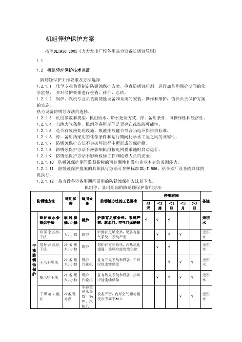
1.2.1.12 热力设备停备用期间常用的防锈蚀保护方法见下表。
机组停、备用期间的防锈蚀保护常用方法防锈蚀方法适用状态适用设备防锈蚀方法的工艺要求停用时间备注≤3天<1周<1月<3月>3月干法防锈蚀保护热炉放水余热烘干法临时检修、小修锅炉炉膛有足够余热,系统严密,放水门、空气门无缺陷√√√无积水负压余热烘干法大、小修锅炉炉膛有足够余热,配备有抽气系统,系统严密√√√无积水邻炉热风烘干法冷备用大、小修锅炉邻炉有富裕热风,有热风连通道,热风应能连续供给√√无积水干风干燥法冷备用大、小修锅炉汽轮机备有干风系统和设备,干风应能连续供给√√√无积水热风吹干法冷备用大、小修锅炉汽轮机备有热风系统和设备,热风应能连续供给√√√√无积水干燥剂去湿法冷备用、封存小容量和低参数锅炉、汽轮机设备严密,内部空气相对湿度应不高于60%√√无积水防锈蚀方法适用状态适用设备防锈蚀方法的工艺要求停用时间备注≤3天<1周<1月<3月>3月气相缓蚀剂法冷备用、封存锅炉,高、低压加热器要配置热风气化系统,系统应严密,锅炉,高、低压加热器应基本干燥√√√无积水氨、联氨钝化烘干法冷备用大、小修锅炉、给水系统停炉前2h,无铜系统加氨提高给水pH:9.4~10.0,有铜系统给水pH:9.0~9.2,联氨浓度加大到0.5mg/L ~500mg/L,热炉放水,余热烘干√√√√无积水氨水碱化烘干法冷备用大、小修锅炉、无铜给水系统停炉前4h加氨提高给水pH:9.4~10.0,热炉放水,余热烘干√√√√无积水吹灰排烟通干风法冷备用、封存锅炉烟气侧配备吹灰、排烟气设备和干风设备√√√无积水通风干燥法冷备用大、小修凝汽器水侧备有通风设备√√√√应无积水湿法防锈保护蒸汽压力法热备用锅炉锅炉保持一定压力√√给水压力法热备用锅炉及给水系统锅炉保持一定压力,给水水质保持运行水质。
浅谈小型工业锅炉的停炉保护方法作者:刘立山来源:《科学与财富》2016年第25期摘要:目前锅炉运行中的腐蚀,已经得到各方面的高度重视。
工业锅炉的腐蚀分为运行腐蚀和停炉腐蚀两种。
下面将对锅炉停炉的腐蚀原因、特点、及管理方法作进一步的分析和探讨,希望能够引起广大锅炉使用单位的重视。
1、停炉腐蚀的原因和特点锅炉停炉后对锅水的处理一般有两种方式:一是让锅炉水自然冷却;二是停炉后将锅炉水放干净,不同的方式引起的停炉腐蚀状态也不同。
第一种方式:由于锅炉水为碱性,且已经除氧,当锅炉内残余压力大于大气压力时,不会发生停炉腐蚀,当锅炉自然冷却到锅炉内压力低于大气压力时,空气开始侵入,停炉腐蚀开始发生,当锅炉水中有较高浓度的氯离子、硫离子时,腐蚀加剧,其特点一般为:在液位线附近发生局部氧腐蚀和电化学腐蚀,对于卧式内燃锅壳锅炉第一第二排烟管鼓泡状氧腐蚀最为常见,因为氧化铁垢下部以及水垢破损处腐蚀最容易发生,且分布没有规律,如果停炉时间长,腐蚀会向下部扩散;第二种方式:停炉腐蚀最容易发生在锅炉内的锅筒底部,水管锅炉下集箱以及水管连接部位易积水处,如果这些部位有氧化铁垢,也可能发生垢下腐蚀。
另外,锅壳锅炉的锅壳部位容易结露,特别是人孔、空气阀处结露,其水滴落到烟管、炉胆上部,易产生腐蚀,而且在烟管、炉胆上面可能产生点腐蚀。
2、停炉保护方法停炉保护的原则,主要是防止金属表面的潮湿和空气侵入,只要采取下列措施即可实现防腐:(1)防止空气进入停用的锅炉内;(2)保持停用锅炉的金属表面充分干燥;(3)在金属表面形成具有防腐作用的薄膜;(4)使金属表面侵泡在含有氧化剂或其他保护剂的水溶液中。
2.1 湿法保护(1)加碱法:此法是将锅炉内充满一定浓度的碱性溶液,使金属钝化造成阳极极化达到防止腐蚀的目的,这种方法适用于较长时期停用锅炉的保护。
具体方法如下:①清除锅炉内的水垢和水渣;②锅炉各阀门应保证严密,与运行系统连接的管路应加装堵板,拆除锅炉与碱性溶液接触的全部铜件,以免被碱性溶液腐蚀;③在锅炉最高位置安装一个小型碱液箱用以补充锅炉内碱性溶液损失,及保证锅炉被碱性溶液充满;④所用的碱性济为氢氧化钠、磷酸钠或氢氧化钠和磷酸钠的混合液,配置时用凝结水或软化水不得用生水。
锅炉停炉注意事项
锅炉停炉是指在某段时间内不再使用锅炉,需要对锅炉进行停炉处理。
以下是锅炉停炉的注意事项:
1. 清洁锅炉:在停炉前,应先关闭水和气源,然后用清洁工具清理锅炉内部的灰尘和污物,确保锅炉内部清洁。
2. 排空水位:停炉前应将锅炉内的水位排空,避免锅炉内水位过高导致冷凝水倒灌。
3. 断电和关闭燃烧器:停炉前应切断电源,关闭燃烧器,确保锅炉不再供给电力和燃料。
4. 停炉保护:停炉后,应使用防锈剂对锅炉进行保护,避免锅炉内部受到腐蚀。
5. 定期检查:停炉期间,应定期检查锅炉的外部和附属设备,确保安全可靠。
6. 停炉记录:停炉前应做好停炉记录,包括停炉时间、停炉原因和停炉措施等信息,以备后期参考。
总之,锅炉停炉需要做好清洁、排空水位、断电和关闭燃烧器等工作,同时注重停炉后的保护和定期检查,以确保锅炉在停炉期间安全可靠。
停炉保护措施
1.机组停止运行不超过14天时,可采用“热炉放水常压余热烘干法”保护。
放水时应控制锅炉汽包上下壁温差不超过制造厂规定的允许值。
在此条件下,应充分利用炉膛余热烘干受热面上的残留水分。
放水后打开各部位的空气门和放水门,通过自然通风带走锅内的湿蒸汽。
有可能时,应辅以负压抽干或鼓入邻炉热风烘干。
2.机组停止运行14天以上时,可选用下列方法对热力设备进行保护:
(a)在除盐水中加入200mg/L~300mg/L联氨溶液,用氨水调整pH值为10.0~10.5,充满热力设备进行湿法保护。
宜辅助充入纯度大于99.5%的氮气,维持氮气压力为0.02MPa~0.05MPa,密闭。
应隔离铜管热交换器。
(b)采用整炉充氮保护时,当汽压降至0.5MPa时,在保持0.3MPa~0.5MPa氮气压力的条件下,微开放水门,向热力设备内充入纯度大于99.5%的氮气,利用氮气压力排尽锅炉水。
维持氮气压力在0.02MPa~0.05MPa,密闭。
(c)锅炉热炉放水后,向锅炉内充入气化后的气相缓蚀剂,待气相缓蚀剂分布均匀,检测排出气体中缓蚀剂浓度达到预定值后,密闭锅炉。
(d)锅炉热炉放水后,向锅炉内充入干风进行保护,出口相对湿度应小于50%。
3.汽轮机停用期间应采用热风干燥等方法进行保护。
4.凝汽器管保护:当循环水泵停止运行3天以上时应放尽凝汽器内循环水;当循环水泵停止运行时间较长时,应放尽凝汽器内循环水,开凝汽器人孔门,用清水冲洗凝汽器管水侧,并用无油压缩空气将管内吹干。
停炉保护技术综述发布时间:2023-03-17T07:23:40.372Z 来源:《中国建设信息化》2023年1期作者:陈晓兰1 杨甘霖2[导读] 本文从实际出发阐述了停炉保护的重要性,并在理论上分析了停炉期间锅炉发生腐蚀的原因和机理陈晓兰1 杨甘霖21.中冶南方都市环保工程技术股份有限公司,湖北武汉4302002.武汉市经济和信息化局,湖北武汉430023摘要:本文从实际出发阐述了停炉保护的重要性,并在理论上分析了停炉期间锅炉发生腐蚀的原因和机理,最后结合实践有针对性的总结了现有的各类停炉保护方法。
关键词:停炉保护;腐蚀机理;保护方法1停炉保护的重要性工业锅炉的腐蚀有运行腐蚀和停炉腐蚀两种。
运行腐蚀是指锅炉运行阶段,锅炉给水中的杂质和水分子在高温高压下浓缩、分解、氧化、还原,对金属材料造成伤害;停炉腐蚀是锅炉停备用期间,空气中的氧、水蒸气侵入锅炉内部引起氧腐蚀和电化学腐蚀。
停炉腐蚀比运行腐蚀更严重。
停用锅炉内部腐蚀的危害不仅会短时间内使锅炉金属发生大面积严重损伤,在锅炉投入运行后还会继续产生危害。
首先,停用锅炉由于内部腐蚀,破坏金属表面保护膜,锅炉投入运行后其腐蚀介质极易侵入而加剧腐蚀。
其次,锅炉停用时温度低,生成较疏松腐蚀产物高价氧化铁,极易被水流转到炉水中,增大炉水含铁量,加剧炉管中沉积物的形成。
另外,高价氧化铁的阴极去极化作用所生成的腐蚀产物亚铁化合物,在锅炉下次停用时又会被氧化成高铁化合物,致使腐蚀过程反复进行。
据不完全统计,我国每年因锅炉腐蚀而报废的锅炉达千台之多,造成严重的经济损失。
因此对停用锅炉的保护应给予足够重视。
加强锅炉管理,进行正确维护十分重要[1]。
2 停炉腐蚀原因及机理2.1停炉腐蚀的原因近些年来,工业锅炉及其应用发生了许多根本性的变化,与此同时,停炉腐蚀现象也有加剧的趋势,对锅炉设备造成的损害十分严重。
通过查证资料可将锅炉停炉腐蚀加剧的因素大致归纳分析如下:(1)停炉期间缺乏有效保护措施的影响。
停炉保护的常用方法停炉保护是指在炉子停产或停用的情况下,采取一系列措施,以确保炉子的运行和设备的安全性。
停炉保护的目的是保护炉子的各个部件免受腐蚀、氧化和其他损伤,延长设备的寿命,降低维护成本,并确保炉子在重启时能够顺利运行。
1.清洁炉子:在停炉之前,需要对炉子进行彻底的清洁,特别是炉膛和燃烧区域。
清除炉膛中的残留物质,并使用合适的清洁剂清洁燃烧器、火箭、风扇等设备。
2.切断供应:在停炉前,确保燃料和电力供应已经切断,并确保炉子完全冷却。
切断燃料供应可以避免发生意外点火或爆炸的风险,同时切断电力供应可以防止电器部件过热或电弧火花引起的事故。
3.清空炉子:将炉子中的熔融物质和残留物质排出,以防止其附着在炉子的内壁上,形成堵塞。
对于液态物质,可以使用抽吸或排水设备将其排出。
对于固体物质,可以采取清扫或真空清理的方法将其清空。
4.防腐保护:在停炉后,应对炉子的内部进行防腐保护。
可以使用特殊的防腐涂层或防腐材料覆盖炉子的内壁,以防止腐蚀或氧化。
这些防腐涂层或材料应根据炉子的材料和操作环境的特点进行选择。
5.封闭炉门:将炉门和其他开口进行密封,防止灰尘、杂质或湿气进入炉子内部。
可以使用密封材料,如垫片、胶水或密封胶带进行封闭。
6.定期检查:定期对停炉的炉子进行检查和维护,以确保其状态良好。
可以检查炉子的内部和外部,包括炉膛、燃烧室、炉管、风扇、烟囱等,检查有无腐蚀、损坏或异物。
7.保持通风:确保停炉的炉子内部保持良好的通风,以防止湿气、腐蚀性气体或异味积聚。
可以使用通风设备,如通风扇或排气管道,来保持空气的流通。
8.防雷措施:在停炉后,应采取必要的防雷措施,以防止雷电引起的设备损坏或事故。
可以使用避雷针、接地装置或避雷器等设备,确保炉子和周围设备的安全。
9.记录和报告:在停炉过程中,要及时记录停炉的操作、维护和检查情况,并生成相应的停炉报告。
停炉报告可以包括停炉开始和结束的时间、炉子的状态、采取的措施和发现的问题等信息。
山东洁泉环保科技有限公司
锅炉停炉保护剂
◆性能与用途
停炉保护剂也叫DAK防锈剂,是由高分子成膜缓蚀剂及其它一些提高成膜均匀性和抑制局部腐蚀等的药剂复配而成。
复配药剂不仅改进了单纯成膜胺的水
溶性能;同时考虑到了胺盐型阳离子表面活性剂在某些工况下可能会产生局部点腐蚀,所以在此类药剂中还复配了抗点腐蚀的有效成份,以增强表面防锈膜质的成分。
加入停炉保护剂后,在高温高压下金属试片能形成良好的气相与液相保护膜,这些膜均具有良好的耐酸性硫酸铜试液点滴的能力。
停炉保护剂能提高炉管及设备表面耐大气腐蚀性能;加药停机后,在机组再启动时,水汽品质合格较快,缩短了启动时间,特别是铁含量在启动阶段的条件下降速度很快。
在有条件时,可增设专用的停用防锈剂的加药系统(配备较大出力的加药泵和溶液箱)。
在无条件增设专用加药系统时,可利用原有的给水加联氨系统和炉水加磷酸盐系统。
具体使用操作程序:1)在机组滑参数停机操作前,停止向炉水加磷酸盐以及停止向给水加联氨;2)在确定机组滑停操作开始,滑停止合适的热力参数,汽包压力8-9MPa,相应饱和温度300℃左右,过热蒸汽温度不高于500℃时,启动相关加药泵或相关阀门,向给水及炉水同时加入停炉保护剂,并在预定时间内加完药液;3)药液加完后,用除盐水冲洗溶液箱及加药系统管道。
尽可能在次热力参数下稳定运行两小时。
机组按正常停机过程滑停,并热炉排放
炉水;4)按水汽系统的水容积计算,150-200mg/L(按有效浓度计算)。
◆包装与保存
25kg或50kg的塑料桶包装;在阴凉干燥处存放,并远离氧化剂和酸性物质。
停炉保护剂在运输与存储过程中,必须严格防止受污染和混入杂质,室温存储12月以内。
锅炉停炉保护剂执行标准
锅炉停炉保护剂的执行标准应根据具体产品的性质和用途而定,
以下为常见的一些执行标准:
1. GB/T 3293-2001《锅炉停炉保护剂》:适用于一般工业锅炉
的停炉保护剂,规定了产品的技术要求、检验方法和标志、包装、运输、储存要求等。
2. GB/T 26538-2011《工业锅炉锅停炉保护用高效清洁剂》:适
用于高温高压工业锅炉的停炉保护剂,规定了产品的技术要求、试验
方法、检验规定、标志、包装、运输和贮存等。
3. GB/T 38051-2019《冷凝锅炉停炉保护剂》:适用于冷凝锅炉
的停炉保护剂,规定了产品的分类、技术要求、试验方法、检验规定、标志、包装、运输和贮存等。
以上是常见的锅炉停炉保护剂执行标准,具体选择应根据锅炉类型、工作条件以及产品的实际需求进行决定,确保产品的质量和使用
效果。
停炉保护1 保护目的热力设备在停(备)用期间如不采取保护措施或保护措施不当,外界空气会大量进入水汽系统,整个热力系统金属内表面会遭到溶解氧的腐蚀,其腐蚀速度一般远大于运行期间的腐蚀速度。
因此,设备停运期间应采取有效的保护措施,以减小热力设备停(备)用期间的腐蚀危害,提高设备运行安全性,延长设备使用寿命。
成膜胺停(备)用保护方法是在机组停机进行过程中,当锅炉压力、温度降至适当条件时,向热力系统加入有机胺类成膜药剂,药剂随着汽水进行循环,药剂分子紧密吸附在金属表面并依次有方向的排列,形成具有“屏蔽作用”的分子保护层,阻止电荷和腐蚀性物质(氧、二氧化碳、水分)在金属表面的迁移,从而达到阻止金属腐蚀的目的。
具有保护周期长、保护范围广、适用于开放式检修和操作简便等特点,能够有效减缓机组停备用期间热力设备的腐蚀,提高机组的运行安全性和经济性,延长设备使用寿命。
2 编制依据DL/T 956-2005《火力发电厂停(备)用热力设备防锈蚀导则》GB/T 12145-1999《火力发电机组及蒸汽动力设备水汽质量》DL/T 561-1995 《火力发电厂水汽化学监督导则》3 机组概况 3.1锅炉系统过热蒸汽额定压力:17.22MPa 过热蒸汽额定温度:541℃过热蒸汽额定流量:1062.6t/h 3.2 汽轮机系统型号:N350-16.67/538/538 型式:亚临界、一次中间再热、双缸双排汽、冷凝反动式主蒸汽额定流量:1062t/h 高缸排汽温度:325.9℃汽轮机级数:37级4 停运保护工艺确定4.1 机组运行控制要求为保证达到良好的保护效果,机、炉、化学等运行部门应熟悉保护工艺,并结合本厂机组状况和运行规程制定相应的停运保护操作措施。
加药时应同时满足如下两个技术要求:I. 机组采用滑参数停机的方式,主蒸汽温度降低到500℃以下(温度过高会导致药剂部分分解,温度越低越有利于提高成膜效果,条件具备时宜将加药时的主汽温度降低到450~250℃);II. 加药开始后机组继续进行滑参数停运,然后打闸停机、锅炉熄火,在此期间保护药剂通过汽水循环形成保护膜。
为保证成膜效果,开始加药至打闸停机的时间间隔控制在2.5±0.5小时。
4.2 保护范围与加药位置保护范围可包括:锅炉本体(包括水冷壁、汽包、过热器、再热器)、汽机本体、高低压加热器、省煤器、除氧器、凝汽器、给水泵、凝结水泵以及相关水汽管道等。
本次加药采用停机前一定工况条件下,向给水中加药并进行循环成膜的方法。
加药位置在除氧器下降管的给水加药点。
4.3 保护药剂及加药量确定本次保护采用YKED-2型停运保护剂,该药剂主要成分为以十八烷基胺为主的高纯直链烷烃类成膜胺,同其它有机胺衍生物类或复配的成膜胺药剂相比,具有药剂成分明确、成膜效果好、无点蚀和腐蚀危害性、分解产物单一等特点。
依据机组容量、额定蒸发量及保护范围,结合停运时间,确定本次保护药品用量为500kg。
4.4 加药装置 4.4.1 专用加药装置采用专用加药泵和临时药箱实施加药,该套加药装置暂由试验院临时提供。
加药泵基本参数如下:加药泵流量:0~2400L/h;加药泵出口压力:0~4MPa;安装条件:加药现场应具备除盐水水源(配备连接软管,可向配药箱供除盐水)及约3kW的动力电源。
连接方式:提前足够时间在给水加药泵出口母管上焊接不锈钢针形阀门,并利用专用接头连接加药泵与针型阀(或加工可与专用加药泵配套连接的临时带法兰管节)。
其中加药示意图如图1所示。
去给水临时加药门临时连接管#2氨泵#1氨泵专用加药泵图1 临时加药泵连接示意图注意事项:利用专用大流量加药泵加药,加药泵连接点可以选择在联胺泵或氨泵出口,如果选择连接在氨泵出口管时,开始加药前应将加药管路中的氨液排放干净,避免加药时给水pH快速升高。
4.4.2 备用加药装置将给水以及炉水加药系统作为本次加药保护的备用加药装置,以防止在专用加药泵故障情况下能够完成加药。
应有足够多的柱塞式或隔膜式加药泵能满负荷工作(2~4台,单台泵最大流量约40或80L/h)。
5 停运保护前应具备的条件 5.1 至少在机组确定停机前一天将加药装置、药品运放到加药现场(给水加药间)。
连接好电源、水源,并进行加药装置试运行,正常后备用。
5.2 加药前的水质调整与准备:计划停机前4~8小时,停止磷酸盐加药,增大锅炉排污量,使磷酸盐含量、炉水电导率保持在较低水平。
炉水pH保持在9.0~9.5之间(必要时向炉水中添加少量氢氧化钠以提高pH),给水pH控制在9.0左右,联胺浓度控制在正常水平。
5.3 加药前的系统隔离措施:严格隔断被保护机组与其它机组的水、汽联系,防止药品进入其它机组水汽系统;凝结水精处理装置退出运行;锅炉定排、连排关闭;将生活用汽从停运机组完全断开;切断停运机组的所有对外抽汽(如灰斗加热用汽等),以减少药品损失和减少锅炉补水量。
5.4 其它准备工作:注意控制煤仓煤量和粉仓粉位,使可供燃烧时间与方案要求时间吻合(不再供粉,粉仓粉量正好可以维持2.5小时时通知开始启泵加药);在线仪表除PH、电导率表外其余表计(钠表、硅表、磷表、溶氧表等)一律停运;滑参数停运前,水汽指标调整到正常范围后,将磷酸盐泵、氨泵、联胺泵停运。
6 停运保护实施程序6.1 保护药剂的配制所用保护药剂为流动较好的混悬浊液,可以与水以任意比例搅拌稀释,可以直接加药或稀释后通过加药装置加药。
药剂的配制在开始加药前半小时或加药过程中完成。
专用加药装置配药:专用加药装置自身带有药箱(或外置塑料药桶),其加药速度可调且富裕量较大,可直接加药,或将药品与水以适当比例(1~5倍)混合并搅拌均匀后加药。
备用加药装置配药:若采用正式系统中的加药装置时(氨泵、联胺泵或磷酸盐泵),由于加药泵速度很慢,稀释比例不宜过大,应根据加药泵的流量和数量,以预定时间内药品能够加完来确定稀释后的总药量。
6.2 给水中加药 6.2.1 加药方法具备以上条件,且机组达到运行控制要求的情况下,按照值长指令,由加药操作人员启动加药泵,将稀释搅拌均匀的保护药剂加入到给水中。
加药时间:全部药剂在1.5小时左右加完,加药过程中根据加药速度和水质情况可以间歇进行。
加药完成后进行药箱和加药管路水冲洗。
根据加药管路长度冲洗水量一般不少于100升除盐水。
6.2.2 机组运行与控制要求加药开始后按照加药需要的温度和时间要求及时对机组运行状态进行调整。
除氧器排气门尽量保持小开度;汽包水位保持在正常水位或较低水位;给水尽量控制在较低流量,给水泵再循环回水量尽量控制在最低水平;根据水质变化情况,必要时在加药开始30分钟后进行一次定排或适当的连排,排污期间可暂停加药。
加药完成后循环运行30分钟,之后尽快完成打闸停机操作(宜控制在30分钟内),期间防止主汽温度大幅度回升的情况出现。
6.3 监督化验与水质调节6.3.1 监督化验项目停运过程中应对给水、炉水、凝结水、饱和、过热蒸汽的pH、电导率和氢电导率进行化验,记录频率为每15~30分钟1次;可以手工取样化验或通过在线pH、电导率表进行监测。
(注:通过在线表监测pH和电导率时,使用后需对电导率表的氢离子交换柱树脂进行更换;使用后的电极用温热的无水乙醇清洗干净)根据需要,在实施保护期间对给水、炉水、凝结水、饱和蒸汽、过热蒸汽的铜、铁、硅含量取样化验。
监测频率如下:每1小时取样化验一次(现场无法即时化验时可准备足够的取样瓶取样事后化验);取样时尽量保持各个取样管具有较高的流速且流量接近。
开始加药后记录机组滑停过程中的主要参数,包括:机组负荷,给水流量,主蒸汽(或过热蒸汽)温度、压力。
频率为15分钟1次。
同时记录热炉时各主要设备(汽包、锅炉、除氧器、凝汽器等)的放水时间、温度等数据。
6.3.2 水质调节加药开始后立即进行以上监督化验,必要时对给水或炉水pH进行调节。
调节方法:炉水pH出现降低时向炉水中加入0.2~0.5%浓度的氢氧化钠溶液以提高pH值;给水、凝结水pH值出现降低时向给水中加入氨溶液以提高pH值;水、汽pH值升高速度较快时应减慢加药速度或暂停加药一段时间;炉水电导率显著升高时(超过加药前指标50%以上),暂停加药进行一次定排;饱和蒸汽指标出现显著变化时根据需要适当打开连排排污10~20分钟。
以上调节由技术指导人员或监督化验人员根据实际水质状况汇报值长,由值长安排进行操作。
6.4 热炉放水停炉后锅炉系统尽量保证严密,当汽包压力降至0.6~1.6MPa 时(温度尽量高于130℃),迅速放尽炉水。
操作中应尽量将相关设备的疏水、存水放净并尽量烘干。
放水过程中全开空气门、排气门和放水门,自然通风排出锅内湿气,直至锅炉内空气相对湿度达到70%以下。
尽量放空凝汽器热井中存水。
记录各设备(锅炉、除氧器、凝汽器等)放水时间、放水时温度、压力及湿度。
6.5 废液处理本次所用保护药剂成分为直链烷基胺类化合物(CnH2n+1NH2,n=12~21),该类化合物为弱碱性有机胺化合物,药品本身无毒、无腐蚀性;研究检测表明该类型药剂最终分解产物为CH4、NH3、CO、H2等,且药剂使用浓度很低(有效成分浓度低于0.01%)因此使用该保护药剂后对水质影响很小,不会对环境产生不良影响。
可按正常操作进行热炉放水,无须对排放水进行额外的处理。
7 保护效果检查与评价可采取以下方法中的一种或几种进行保护效果的检查评价。
7.1 成膜外观检查对相关设备除氧器、凝汽器、高(低)加、汽包、凝结水泵、给水泵、水冷壁、省煤器及过热器、再热器进行成膜外状及憎水性检查(在表面相对光洁的金属表面,良好的成膜应具有明显的憎水性和一定的光泽),并在设备停用过程中检查是否有停用腐蚀发生。
7.2 耐蚀性检查7.2.1 耐腐蚀性试验按上述方法制取的水冷壁、省煤器、过热器管样,与比对管样(没有保护膜的同材质管样)一起放置在除盐水或自然环境中(可增加温度、湿度以加速腐蚀)进行试验观察,记录管样表面出现锈蚀点的时间、数量和状态。
出现锈蚀点的时间越晚,或同等时间后锈蚀点数量和面积约小,表示膜的耐腐蚀性能越好。
7.2.2 酸性硫酸铜试验对水冷壁、省煤器割管截取50mm长的短节并剖开,采用酸性硫酸铜溶液对管样进行滴定,根据管样耐腐蚀时间长短对保护膜层进行耐蚀性评价。
一般保护后管样耐腐蚀能力提高5~10倍以上。
标准酸性硫酸铜溶液成分:0.4mol/L CuSO4 溶液:10%NaCl溶液:0.1mol/L 盐酸=8:4:3 7.3 再启动水质评价停运后启动过程中(包括冷、热态冲洗,冲转及正常运行阶段),监测给水、凝结水、炉水或蒸汽的汽水品质(包括铁含量最高值和合格时间)较未保护情况下的变化。
采用该方法能较为直观地反映整个热力系统的防腐蚀效果。