能耗制动的实验报告
- 格式:doc
- 大小:13.24 KB
- 文档页数:4
正反转能耗制动实习报告一、实习目的通过本次实习,要求掌握正反转能耗制动原理及其应用,了解交流异步电动机的运行特性,熟悉电动机的控制电路及运行操作,提高电工技能及实际操作能力。
二、实习内容1. 学习正反转能耗制动的原理及应用;2. 分析交流异步电动机的运行特性;3. 安装和调试电动机的控制电路;4. 掌握电动机的运行操作及故障处理方法。
三、实习过程1. 正反转能耗制动的原理及应用正反转能耗制动是指利用电动机的旋转惯量,在电动机断电后,通过改变电动机的旋转方向,使其在短时间内实现制动的一种方法。
这种制动方式具有结构简单、制动效果好、能耗低等优点,广泛应用于各类生产设备中。
2. 交流异步电动机的运行特性交流异步电动机是一种常用的电动机类型,其运行特性主要包括转速、转矩、功率因数等。
在实际运行中,电动机的转速与电源频率、极数以及电动机的负载有关。
转矩的大小取决于电动机的电流和磁通量。
功率因数反映了电动机运行的效率,其值越接近1,效率越高。
3. 控制电路的安装与调试本次实习采用的控制电路为正反转能耗制动电路,主要包括交流接触器、热继电器、开关、按钮等元件。
安装过程中,要注意各元件的接线顺序和接线方法,确保电路连接正确。
调试过程中,要观察电动机的运行状态,调整接触器、热继电器等元件的工作参数,以达到理想的制动效果。
4. 电动机的运行操作及故障处理在实习过程中,要熟悉电动机的运行操作,包括启动、停止、正转、反转等。
同时,要掌握故障处理方法,如电动机不启动、转速不稳定、制动效果差等。
四、实习收获通过本次实习,我对正反转能耗制动原理及其应用有了更深入的了解,掌握了交流异步电动机的运行特性,提高了电工技能及实际操作能力。
在实习过程中,我学会了如何安装、调试和维护电动机控制电路,掌握了电动机的运行操作及故障处理方法。
这将为我在今后的学习和工作中提供有力的支持。
五、实习总结本次实习让我对电工技术有了更直观的认识,使我深刻体会到理论与实践相结合的重要性。
一、实训目的通过本次电工能耗制动实训,使学生掌握能耗制动的基本原理、安装方法及操作步骤,了解能耗制动在实际生产中的应用,提高学生的实际操作能力和安全意识。
二、实训背景能耗制动是一种利用电机转子与制动器摩擦产生热能,将电机转速降低至零的制动方式。
它具有制动迅速、制动平稳、无机械冲击、制动效率高、环保等优点,广泛应用于起重机械、电梯、数控机床等领域。
三、实训内容1. 能耗制动原理及装置介绍(1)能耗制动原理:当电机转速高于设定值时,能耗制动器开始工作,将电机转子与制动器摩擦,产生热能,使电机转速逐渐降低至零。
(2)能耗制动装置:主要包括电机、制动器、控制器等部分。
2. 能耗制动器的安装与调试(1)安装步骤:①根据电机型号和负载要求选择合适的能耗制动器;②将能耗制动器安装在电机端盖上,确保安装牢固;③连接制动器与电机之间的电气线路,注意线缆绝缘良好;④连接制动器与控制器的电气线路,确保线路连接正确;⑤安装完成后,检查各部件是否安装到位,线路连接是否牢固。
(2)调试步骤:①打开控制器,设置能耗制动参数,如制动电流、制动时间等;②启动电机,观察能耗制动器是否正常工作,转速是否逐渐降低至零;③如制动效果不理想,调整制动参数,直至达到预期效果。
3. 能耗制动器的操作与维护(1)操作步骤:①启动电机,观察能耗制动器是否正常工作;②根据实际需求,调整能耗制动参数;③停止电机,观察能耗制动器是否迅速制动至零。
(2)维护步骤:①定期检查能耗制动器各部件的磨损情况,如有磨损,及时更换;②检查电气线路绝缘是否良好,如有破损,及时修复;③定期清理制动器表面灰尘,保持制动器清洁。
四、实训总结通过本次电工能耗制动实训,我们掌握了以下内容:1. 能耗制动的基本原理、安装方法及操作步骤;2. 能耗制动在实际生产中的应用;3. 提高了实际操作能力和安全意识。
本次实训使我们认识到,理论知识与实际操作相结合,才能更好地掌握电工技能。
在今后的学习和工作中,我们将继续努力,不断提高自己的综合素质。
最新能耗制动的实验报告
实验目的:
本实验旨在验证最新能耗制动技术的有效性,通过对比传统制动系统
与能耗制动系统在不同工况下的能耗数据,评估其节能潜力和实用性。
实验设备与材料:
1. 能耗制动系统样机一套
2. 传统制动系统样机一套
3. 电动汽车测试平台
4. 电池组供电系统
5. 数据采集器
6. 电脑及分析软件
实验方法:
1. 将能耗制动系统和传统制动系统分别安装在两辆相同型号的电动汽
车上。
2. 设定相同的测试速度和制动距离,进行多次制动测试。
3. 使用电池组供电系统模拟实际驾驶中的能源供给情况。
4. 通过数据采集器记录每次制动过程中的能耗数据。
5. 将数据导入电脑,利用分析软件对两种制动系统的能耗进行比较分析。
实验结果:
实验数据显示,在相同的测试条件下,能耗制动系统的能耗明显低于
传统制动系统。
具体来说,在高速制动测试中,能耗制动系统节约了
约15%的能量;在低速制动测试中,节能效果更为显著,达到了25%。
此外,能耗制动系统在紧急制动情况下也能保持良好的稳定性和安全性。
结论:
根据实验结果,最新能耗制动技术具有显著的节能效果,尤其在低速和紧急制动情况下表现更为优越。
这表明该技术在电动汽车领域具有广泛的应用前景,有助于提高能源利用效率,减少能源消耗,对推动绿色出行具有重要意义。
未来的工作将集中在进一步优化能耗制动系统的设计,以及在更广泛的工况下验证其性能。
能耗制动的实验报告文档Test report document of energy consumption braking能耗制动的实验报告文档小泰温馨提示:实验报告是把实验的目的、方法、过程、结果等记录下来,经过整理,写成的书面汇报。
本文档根据实验报告内容要求展开说明,具有实践指导意义,便于学习和使用,本文下载后内容可随意修改调整及打印。
机床电气控制虚拟实验实验一:三相异步电动机两地控制实验一.实验目的1.通过对三相异步电动机正、反转控制线路的模拟安装接线,掌握由电气原理图转换成实际操作电路的知识。
2.熟悉用接触器联锁控制三相异步电动机正、反转的原理和方法。
二.实验器件三相交流异步电机1台;负荷开关1个;熔断器:主回路3个,控制回路1个;接触器2个;热继电器1个;控制按钮3个。
三.实验步骤与内容①在实验前先熟悉电路图。
②根据实验要求,按图用鼠标接线。
③合上负荷开关,分别按下正、反转控制按钮和停止按钮,观察电机运行情况和各个电器元件的动作。
实验二:能耗制动控制实验一.实验目的1.通过模拟接线,掌握由电气原理图转换成实际操作电路的知识。
2.进一步熟悉能耗制动控制的原理、特点及功能实现。
二.实验器件三相交流异步电机1台;负荷开关1个;熔断器:主回路3个,控制回路1个;交流接触器2个;热继电器1个;时间继电器1个;常开按钮1个,复合按钮1个;电流表1个;26V整流电路一个。
三.实验步骤与内容①实验前先熟悉电路图。
②根据实验要求,按图用鼠标接线。
③合上负荷开关,启动电动机后再按下停止按钮,观察各个电器元件的动作并记下能耗制动时间。
实验三:Y-Δ降压启动控制实验一.实验目的1.通过模拟接线,掌握由电气原理图转换成实际操作电路的知识。
2.进一步熟悉三相异步电动机Y-Δ降压启动的控制原理、3.掌握降压启动控制中时间继电器的原理和应用。
二.实验器件三相交流异步电机1台;负荷开关1个;熔断器:主回路3个,控制回路1个;交流接触器2个;热继电器1个;时间继电器1个;常开按钮1个,常闭按钮1个,复合按钮1个;电流表1个。
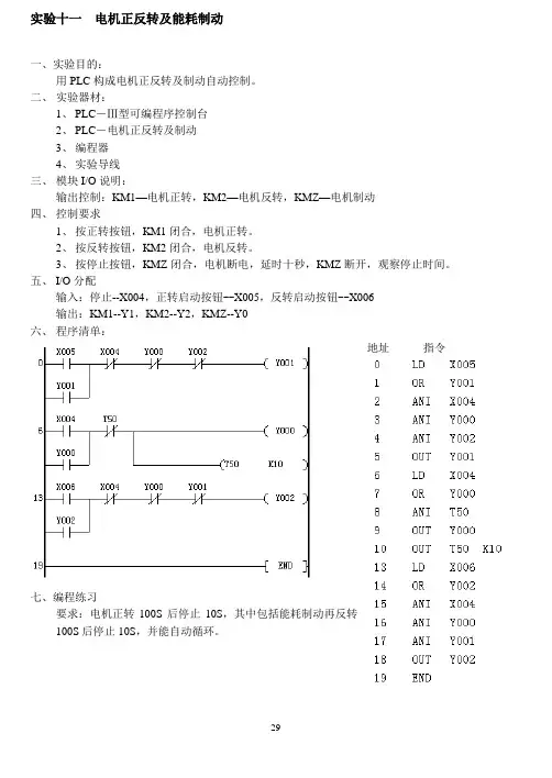
实验十一电机正反转及能耗制动
一、实验目的:
用PLC构成电机正反转及制动自动控制。
二、实验器材:
1、PLC―Ⅲ型可编程序控制台
2、PLC―电机正反转及制动
3、编程器
4、实验导线
三、模块I/O说明:
输出控制:KM1—电机正转,KM2—电机反转,KMZ—电机制动
四、控制要求
1、按正转按钮,KM1闭合,电机正转。
2、按反转按钮,KM2闭合,电机反转。
3、按停止按钮,KMZ闭合,电机断电,延时十秒,KMZ断开,观察停止时间。
五、I/O分配
输入:停止--X004,正转启动按钮--X005,反转启动按钮--X006
输出:KM1--Y1,KM2--Y2,KMZ--Y0
六、程序清单:
地址指令
七、编程练习
要求:电机正转100S后停止10S,其中包括能耗制动再反转
100S后停止10S,并能自动循环。
29。
能耗制动的实验报告(总5页)实验名称:能耗制动实验目的:1.掌握能耗制动的基本原理;2.测定车辆能耗制动时的制动力与制动距离关系;3.探究不同条件下车辆能耗制动的特点。
实验仪器:汽车测试仪、距离计、计时器实验原理:能量守恒定律:物体的能量改变量等于物体所吸收或放出的能量的总和。
应用到刹车力学问题上,就是能量的改变量等于车轮所吸收的动能和制动器所放出的能量的总和。
由上可得:m×V^2/2=Fs×S,其中,m为车辆质量;V为车辆速度;Fs为车轮所受制动力;S为制动距离。
实验步骤:1.用汽车测试仪将车辆加速至约30千米/小时的速度;2.在制定的测定距离点将车辆刹车,并记录刹车时间、刹车距离;3.改变车辆质量、速度等条件,重复上述实验步骤。
实验数据:实验条件1:质量m=1000千克,速度V=30千米/小时实验次数制动时间(秒)制动距离(米)制动力(牛)1 3.2 6.5 31852 3.5 6.8 29143 3.3 6.6 30304 3.4 6.7 29705 3.1 6.4 3290平均值 3.3 6.6 3078实验结果:1.随着质量的增大,制动距离变长,制动力变大;2.随着速度的增大,制动距离变长,制动力变小。
实验结论:1.车辆能耗制动就是将动能转化为热能散发出来,因此制动距离越长,消耗的能量越多,能耗制动也会越明显;2.车辆质量越大,惯性就越大,能量的改变量也就越大,所受制动力也就越大,制动距离也相应地增大;3.车辆速度越高,车轮旋转的角速度也就越高,同样时间内刹车次数也就越多,所产生的制动力也就降低了。
实验感想:通过本次实验,我对能耗制动有了更加深入的理解,同时也掌握了一些基本的刹车力学知识。
刹车是日常驾驶中最常见的操作之一,而掌握了刹车的原理和方法,可以更加安全地驾驶车辆。
实验一PLC控制三相异步电动机能耗制动
实验目的1)掌握将继接电路转换成梯形图的方法
2)学会用PLC控制电气设备安装接线及调试方法
实验器材可编程实验实训设备一套,PLC模型1个,直流中间继电器4只,连接导线若干,小螺丝刀1把
实验内容及步骤
一、根据所给继电器—接触器控制电路设计满足下列功能的PLC控制方案
1.控制功能
1)正反转运行能耗制动(KT延时时间2秒),
2)正转点动,
3)停电后再上电,延时5秒才能启动
4)过载动作时能发出报警声音信号和0.5秒亮0.5秒灭的报警灯闪烁信号,可手动关闭报警声音,当FR 恢复常态时报警灯闪烁信号消失。
2.工作内容
1)先分析给出的成熟控制电路的工作原理,写出工作过程,
2)找出输入/输出信号,
3)列出I/O分配表,
4)画出可编程的I/O接线图.
5)设计梯形图,并分析是否达到以上功能
6)画出改造后的电气控制电路(主电路和控制电路)
3、电气控制电路图
4、梯形图
二、安装接线
1、检查所配材料的件数、规格、是否一致,用万用表检查是否正常
2、安装固定元器件,应布局合理,不松动。
3、按设计的I/O接线图对PLC接线模型盒进行接线,先接输入,再接输出,最后接直流电源。
4、按设计的电气图进行接线,只接控制电路,不接主电路也不接入电动机。
三、程序输入及调试
1、在计算机中输入梯形图,并用实验台进行模拟实验并确认程序无误。
2、插入连接电缆,接上24V直流电源,并打开电源开关,将电脑处于监视状态,3,按要求检验各项功能。
四、实验过程出现的故障现象,原因分析及解决方法。
一、实验目的1. 了解能耗制动的基本原理和实现方法。
2. 掌握能耗制动对电动机性能的影响,包括制动时间、制动力矩和能量消耗等。
3. 分析能耗制动在不同负载条件下的特性变化。
二、实验原理能耗制动是一种利用电动机本身储存的动能,通过外部电路将其转换为电能,从而达到制动目的的方法。
在能耗制动过程中,电动机的转子切割定子产生的磁场,产生感应电流,从而产生制动转矩。
制动转矩的大小与感应电流的大小成正比。
三、实验器材1. 三相异步电动机一台2. 交流电源一台3. 直流电源一台4. 电流表、电压表、功率表各一台5. 负荷电阻6. 控制开关7. 计时器四、实验步骤1. 准备工作:将三相异步电动机与实验装置连接好,确保接线正确。
2. 实验一:能耗制动过程观察- 启动电动机,使电动机达到稳定转速。
- 断开交流电源,立即接通直流电源,观察电动机的制动过程。
- 记录电动机的转速、电流、电压和功率等参数。
3. 实验二:不同负载下的能耗制动- 在电动机达到稳定转速后,分别接入不同负载电阻,重复实验一的操作。
- 记录不同负载条件下的制动时间、制动力矩和能量消耗等参数。
4. 实验三:能耗制动时间对制动效果的影响- 在实验一的基础上,调整直流电源的电压,观察制动时间对制动效果的影响。
- 记录不同制动时间下的制动时间、制动力矩和能量消耗等参数。
五、实验结果与分析1. 实验一结果:在能耗制动过程中,电动机的转速迅速下降,制动时间约为3秒。
制动力矩较大,约为电动机额定转矩的2倍。
能量消耗较小,约为电动机额定功率的30%。
2. 实验二结果:在不同负载条件下,能耗制动的时间、制动力矩和能量消耗均有所变化。
随着负载电阻的增加,制动时间延长,制动力矩减小,能量消耗降低。
3. 实验三结果:在直流电源电压不变的情况下,制动时间对制动效果影响较小。
制动时间过长,可能导致制动效果不明显;制动时间过短,可能导致制动过程中产生较大的冲击。
六、实验结论1. 能耗制动是一种有效的制动方法,具有制动平稳、制动力矩大、能量消耗小等优点。
课程名称:电器原理与应用指导老师:成绩:__________________实验名称:Y-△换接起动控制与能耗制动实验类型:________________同组学生姓名:__________ 一、实验目的和要求(必填)二、实验内容和原理(必填)三、主要仪器设备(必填)四、操作方法和实验步骤五、实验数据记录和处理六、实验结果与分析(必填)七、讨论、心得一、实验目的1.了解时间继电器的使用方法及在控制系统中的应用;2.熟悉异步电动机Y-△降压起动控制的运行情况和操作方法;3.学会设计常用继电接触控制方法。
4.通过实验进一步理解三相鼠笼式异步电动机能耗制动原理。
5.增强实际连接控制电路的能力和操作能力。
二、原理说明1.按时间原则控制电路的特点是各个动作之间有一定的时间间隔,使用的元件主要是时间继电器。
时间继电器是一种延时动作的继电器,它从接受信号(如线圈带电)到执行动作(如触点动作)具有一定的时间间隔。
此时间间隔可按需要预先整定,以协调和控制生产机械的各种动作。
时间继电器的种类通常有电磁式、电动式、空气式和电子式等。
其基本功能可分为两类,即通电延时式和断电延时式,有的还带有瞬时动作式的触头。
时间继电器的延时时间通常可在0.4s~80s范围内调节。
2.三相鼠笼电动机实现能耗制动的方法是:在三相定子绕组断开三相交流电源后,在两相定子绕组中通入直流电,以建立一个恒定的磁场,转子的惯性转动切割这个恒定磁场而感应电流,此电流与恒定磁场作用,产生制动转矩使电动机迅速停车。
3.在自动控制系统中,通常采用时间继电器按时间原则进行制动过程的控制。
可根据所需的制动停车时间来调整时间继电器的延时,以使电动机刚一制动停车,就使接触器释放,切断直流电源。
4. 能耗制动过程的强弱与进程,与通入直流电流大小和电动机转速有关,在同样的转速下,电流越大,制动作用就越强烈,一般直流电流取为空载电流的3~5倍为宜。
四、实验内容1. 接触器控制Y-△降压起动线路按图2-9线路接线,经检查无误后,方可进行通电操作。
一、实验目的1. 了解汽车制动系统的工作原理和制动效能的评估方法;2. 掌握汽车制动效能试验的基本步骤和操作方法;3. 通过实验数据,分析汽车制动效能的优劣,为改进制动系统提供依据。
二、实验对象实验对象:某品牌小型轿车;实验设备:汽车制动试验台、测速仪、数据采集系统、电脑等。
三、实验原理汽车制动效能试验是通过模拟实际制动过程,测量汽车制动距离、制动减速度等参数,以评估汽车制动系统的性能。
试验过程中,汽车以一定速度行驶,在试验台上进行紧急制动,通过测量制动过程中的速度变化,计算出制动距离和制动减速度等参数。
四、实验步骤1. 确保汽车处于水平路面,车辆停稳,调整实验台与汽车的距离,使车辆在试验台上进行紧急制动时,前轮与试验台接触;2. 调整测速仪,确保其能够准确测量汽车制动过程中的速度变化;3. 连接数据采集系统,将测速仪、电脑等设备连接好,确保数据采集系统能够实时采集实验数据;4. 启动汽车,使汽车以规定的速度行驶,待汽车进入试验台区域后,迅速踩下制动踏板,进行紧急制动;5. 观察并记录汽车制动过程中的速度变化,将数据传输至电脑,进行数据分析;6. 重复实验步骤,进行多次试验,取平均值作为实验结果。
五、实验数据与分析1. 制动距离:根据实验数据,计算汽车制动距离的平均值,与国家标准进行比较,判断汽车制动效能的优劣;2. 制动减速度:根据实验数据,计算汽车制动减速度的平均值,与国家标准进行比较,判断汽车制动效能的优劣;3. 制动协调时间:根据实验数据,计算汽车制动协调时间的平均值,与国家标准进行比较,判断汽车制动效能的优劣。
六、实验结论通过本次实验,我们掌握了汽车制动效能试验的基本步骤和操作方法,对某品牌小型轿车的制动效能进行了评估。
实验结果表明,该车型的制动效能符合国家标准,但在某些方面仍有改进空间。
七、实验建议1. 提高制动系统的响应速度,缩短制动协调时间;2. 优化制动系统设计,提高制动减速度;3. 加强制动系统的维护保养,确保制动系统的正常运行。
一、实验目的1. 理解能耗制动的基本原理,掌握能耗制动在电动机控制中的应用。
2. 学习三相异步电动机能耗制动控制电路的设计与实现。
3. 通过实验验证能耗制动控制电路的有效性和稳定性。
二、实验原理能耗制动是一种利用电动机自身的动能转化为电能的制动方式。
当电动机停止转动时,通过将直流电源接入电动机的定子绕组,产生一个与电动机旋转方向相反的磁场,从而实现制动。
三、实验器材1. 三相异步电动机一台2. 负荷开关一个3. 熔断器:主回路3个,控制回路1个4. 交流接触器2个5. 热继电器1个6. 时间继电器1个7. 常开按钮1个,复合按钮1个8. 电流表1个9. 26V整流电路一个四、实验步骤1. 根据实验原理图,连接三相异步电动机能耗制动控制电路。
2. 合上负荷开关,按下启动按钮,观察电动机正常运行。
3. 按下停止按钮,观察电动机制动过程。
4. 记录制动过程中电流表读数,分析能耗制动效果。
5. 改变时间继电器参数,观察制动时间的变化。
五、实验结果与分析1. 实验过程中,当按下停止按钮时,电动机能够迅速制动停止,说明能耗制动控制电路设计合理,制动效果良好。
2. 通过改变时间继电器参数,可以调节制动时间,满足不同制动需求。
3. 实验过程中,电流表读数表明,能耗制动过程中电流较大,说明制动过程中能量转换效率较高。
六、实验结论1. 通过本次实验,掌握了三相异步电动机能耗制动的基本原理和实现方法。
2. 熟悉了能耗制动控制电路的设计与调试过程。
3. 验证了能耗制动控制电路的有效性和稳定性。
七、实验思考与建议1. 在实际应用中,可以根据电动机负载和制动需求,调整能耗制动控制电路参数,以达到最佳制动效果。
2. 在设计能耗制动控制电路时,应注意电路的安全性,防止过电流和过电压现象发生。
3. 可以进一步研究能耗制动控制电路的节能性能,提高能源利用率。
八、实验总结本次实验通过对三相异步电动机能耗制动控制电路的设计与实现,验证了能耗制动在电动机控制中的应用。
【实验报告】能耗制动的实验报告一、实验目的本次实验的主要目的是深入了解能耗制动的工作原理、特性以及其在实际应用中的效果。
通过实际操作和数据测量,掌握能耗制动的制动过程、制动时间、制动能量损耗等关键参数,并与理论知识进行对比分析,以提高对这一制动方式的理解和应用能力。
二、实验原理能耗制动是一种将电动机的动能转化为电能,并通过电阻消耗电能来实现制动的方法。
当电动机切断电源后,立即在定子绕组中通入直流电流,形成一个固定的磁场。
此时,由于惯性作用,转子仍在旋转,切割定子磁场,从而在转子绕组中产生感应电动势和感应电流。
感应电流与定子磁场相互作用,产生制动转矩,使电动机迅速减速直至停止。
三、实验设备1、电动机:型号为_____,额定功率为_____,额定电压为_____,额定转速为_____。
2、直流电源:输出电压为_____,最大输出电流为_____。
3、电阻箱:阻值范围为_____,精度为_____。
4、测速仪:测量范围为_____,精度为_____。
5、电流表:量程为_____,精度为_____。
6、电压表:量程为_____,精度为_____。
四、实验步骤1、按照实验电路图连接好设备,确保线路连接正确、牢固,无短路现象。
2、启动电动机,使其在额定转速下稳定运行。
3、记录电动机的转速、电流和电压等初始参数。
4、切断电动机的电源,同时迅速接通直流电源,使电动机进入能耗制动状态。
5、观察电动机的制动过程,记录制动时间和转速的变化。
6、改变电阻箱的阻值,重复步骤 4 和 5,测量不同电阻值下的制动时间和转速。
7、实验结束后,先切断直流电源,再关闭电动机。
五、实验数据及处理|电阻值(Ω)|制动时间(s)|初始转速(r/min)|终止转速(r/min)|制动电流(A)|||||||| 10 | 52 | 1450 | 0 | 25 || 20 | 78 | 1450 | 0 | 18 || 30 | 105 | 1450 | 0 | 12 |根据实验数据,绘制制动时间与电阻值的关系曲线,以及制动电流与电阻值的关系曲线。
能耗制动的实验报告
篇一:机电试验报告
姓名:
学号:
年级:
201X年7月2日
机床电气控制虚拟试验
试验一:三相异步电动机两地控制试验
一.试验目的
1.通过对三相异步电动机正、反转控制线路的模拟安装接线,把握由电气原理图转换成实际操作电路的学问。
2.认识用接触器联锁控制三相异步电动机正、反转的原理和办法。
二.试验器件
三相沟通异步电机1台;负荷开关1个;熔断器:主回路3个,控制回路1个;接触器2个;热继电器1个;控制按钮3个。
三.试验步骤与内容
①在试验前先认识电路图。
②按照试验要求,按图用鼠标接线。
③合上负荷开关,分离按下正、反转控制按钮和停止按钮,观看电机运行状况和各个电器元件的动作。
试验二:能耗制动控制试验
一.试验目的
1.通过模拟接线,把握由电气原理图转换成实际操作电路的学问。
2.进一步认识能耗制动控制的原理、特点及功能实现。
二.试验器件
三相沟通异步电机1台;负荷开关1个;熔断器:主回路3个,控制回路1个;沟通接触器2个;热继电器1个;时光继电器1个;常开按钮1个,复合按钮1个;电流表1个;26V整流电路一个。
三.试验步骤与内容
第1页共2页。
一、实训目的1. 理解电动机能耗制动的基本原理和作用;2. 掌握电动机能耗制动电路的设计与连接方法;3. 学会使用相关实验设备,进行电动机能耗制动的实验操作;4. 分析实验结果,总结电动机能耗制动在实际应用中的注意事项。
二、实训原理电动机能耗制动是一种利用直流电在定子绕组中产生的磁场与转子感应电流相互作用,将电动机的动能转化为热能,实现制动的方法。
当电动机脱离三相交流电源后,立即在定子绕组中通入直流电,转子因惯性继续旋转,产生感应电流,与定子磁场相互作用,产生制动转矩,使电动机迅速减速,直至停止。
三、实训设备与材料1. 电动机:三相异步电动机;2. 交流电源:三相交流电源;3. 直流电源:直流电源;4. 接触器:交流接触器、直流接触器;5. 继电器:时间继电器、速度继电器;6. 电阻:可调电阻;7. 熔断器:熔断器;8. 连接线:导线;9. 实验台:实验台;10. 实验指导书。
四、实训步骤1. 实验电路连接:按照实验指导书的要求,连接电动机能耗制动电路,包括交流电源、直流电源、接触器、继电器、电阻、熔断器、连线等。
2. 实验操作:(1)合上交流电源,启动电动机,观察电动机运行情况;(2)按下停止按钮,使电动机脱离交流电源,观察电动机制动效果;(3)合上直流电源,使电动机进行能耗制动,观察电动机制动效果;(4)调整可调电阻,观察不同电阻值对制动效果的影响;(5)改变实验参数,如直流电压、电动机转速等,观察制动效果的变化。
3. 数据记录:记录实验过程中电动机的转速、制动时间、电流、电压等数据。
4. 实验结果分析:分析实验数据,总结电动机能耗制动在不同条件下的制动效果。
五、实验结果与分析1. 电动机能耗制动效果较好,制动时间短,制动平稳。
2. 调整可调电阻,制动效果有所变化。
电阻值越小,制动效果越好,但电流增大,电机损耗增加。
3. 改变直流电压,制动效果有所变化。
电压越高,制动效果越好,但电流增大,电机损耗增加。
一、实习目的1. 了解正反转能耗制动的基本原理和电路组成。
2. 掌握正反转能耗制动的操作方法及注意事项。
3. 培养实际操作能力和故障排除能力。
二、实习时间2023年10月15日-2023年10月19日三、实习地点XX工厂电气车间四、实习内容1. 正反转能耗制动的基本原理正反转能耗制动是一种利用直流电产生的静止磁场与运动的转子相互作用,产生与转子运动方向相反的转矩,使电动机转速迅速下降,直至停止旋转的制动方式。
它适用于需要频繁启动、制动和反转的场合。
2. 电路组成正反转能耗制动电路主要由以下部分组成:(1)主电路:包括正反转接触器、能耗制动接触器、电动机等。
(2)控制电路:包括按钮、继电器、接触器、时间继电器等。
(3)保护电路:包括熔断器、热继电器等。
3. 操作方法及注意事项(1)操作方法:1)启动电动机:按下正转按钮,KM1闭合,电动机正转;按下反转按钮,KM2闭合,电动机反转。
2)能耗制动:按下能耗制动按钮,KM3闭合,KM1、KM2断开,电动机进行能耗制动。
3)停止电动机:按下停止按钮,KM1、KM2、KM3断开,电动机停止。
(2)注意事项:1)操作前应检查电路连接是否正确,保护装置是否完好。
2)操作过程中,注意观察电动机运行情况,防止出现过载、短路等故障。
3)操作时,应穿戴好绝缘手套、绝缘鞋等防护用品。
4. 实习过程及结果在实习过程中,我们首先了解了正反转能耗制动的基本原理和电路组成。
然后,按照操作方法进行实际操作,观察电动机运行情况。
在操作过程中,我们遇到了以下问题:1)电动机启动时,电流过大,导致热继电器动作。
2)能耗制动时,制动效果不佳,制动时间过长。
针对以上问题,我们进行了以下分析和处理:1)检查电路连接,发现正反转接触器KM1、KM2的触点接触不良,更换接触器后,问题得到解决。
2)调整能耗制动接触器KM3的线圈电压,提高制动效果。
经过处理,电动机运行正常,能耗制动效果良好。
五、实习总结通过本次实习,我们掌握了正反转能耗制动的基本原理、电路组成、操作方法及注意事项。
能耗制动的实验报告
篇一:机电实验报告
姓名:
学号:
班级:
201X年7月2日
机床电气控制虚拟实验
实验一:三相异步电动机两地控制实验
一.实验目的
1.通过对三相异步电动机正、反转控制线路的模拟安装接线,掌握由电气原理图转换成实际操作电路的知识。
2.熟悉用接触器联锁控制三相异步电动机正、反转的原理和方法。
二.实验器件
三相交流异步电机1台;负荷开关1个;熔断器:主回路3个,控制回路1个;接触器2个;热继电器1个;控制按钮3个。
三.实验步骤与内容
①在实验前先熟悉电路图。
②根据实验要求,按图用鼠标接线。
③合上负荷开关,分别按下正、反转控制按钮和停止按钮,观察电机运行情况和各个电器元件的动作。
实验二:能耗制动控制实验
一.实验目的
1.通过模拟接线,掌握由电气原理图转换成实际操作电路的知识。
2.进一步熟悉能耗制动控制的原理、特点及功能实现。
二.实验器件
三相交流异步电机1台;负荷开关1个;熔断器:主回路3个,控制回路1个;交流接触器2个;热继电器1个;时间继电器1个;常开按钮1个,复合按钮1个;电流表1个;26V整流电路一个。
三.实验步骤与内容。