JIS G 3101:2015一般结构用轧制钢材(成分标准)
- 格式:doc
- 大小:186.50 KB
- 文档页数:8
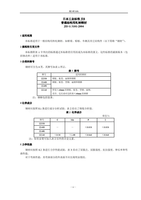
日本工业标准普通结构用轧制钢材JIS G3101-19951适用范围本标准适用于桥梁、船舶、车辆及其它结构件用一般结构用热轧钢材〈以下称钢材)。
2种类及牌号钢材种类分四种,其牌号如表1所示。
3化学成分钢材按7.1款进行分析试验,其熔炼分析值如表2所示。
4力学性能钢材按7.2款进行性能试验,其屈服点或屈服强度、抗拉强度、伸长率及弯曲要求如表3所示.但弯曲时,其外侧不得出现裂纹.但弯曲时,其外侧不得出现裂纹。
5形状、尺寸、重量及允许偏差钢材的形状、尺寸、重量及允许偏差,按下列标准:JIS G3191(热轧棒钢和盘条的形状、尺寸、重量及其允许偏差)JIS G3192(热轧型钢的形状、尺寸、重量及其允许偏差)JIS G3193(热轧钢板和钢带的形状、尺寸、重量及其允许偏差)JIS G3194(热轧扁钢的形状、尺寸、重量及其允许偏差)此时,钢板及钢带的长度及切边宽度的允许偏差,如无特别规定,JIS G3193按允许偏差A。
6外观钢材的外观,按JIS G3191中第8条、JIS G3192中第9条、JIS G3193中第6条及JIS G3194中第8条规定。
7试验7.1分析试验分析试验按列标准进行。
(1)钢材的化学成分采用熔炼分析;分析试验一般事项及取祥方法,按JIS G0303(钢材检验的一般规则)中第3条进行。
7.2力学性能7.2.1试验力学试验一般事项,按JIS G0303的第4条规定。
此时,取样方法按A类进行。
试样数量及取样位置规定如下。
(1)拉伸试样及弯曲试样数量:(a)钢板和扁钢属于同一炉钢,其最大厚度为最小厚度2倍以内者为一批,一批各取1个试样。
但超过50吨时,每批取2个试样。
〈e〉经热处理的钢材的试样数量经过热处理的钢材试样数量,属于同一炉钢和同一截面形状,并按每一相同热处理条件的各按(a)的规定取样。
(2)拉伸试样和弯曲试样取样部位。
(a)钢板、钢带及扁钢试样轴线在离板宽度边缘板宽l/4的位置上采取。
日本工业标准JIS G3101:2017一般结构用轧制钢材1.适用范围本标准是桥梁,船舶,车辆及其它结构件使用的一般结构用热轧钢材(以下称钢材)的标准。
2.引用标准付表1所示的标准是该标准的引用标准,是该标准规定的构成部分,这些引用标准均适用最新版本(包含补充内容)。
JIS G0320 钢材的炼钢化学成分分析方法JIS G0404 钢材的一般交货条件JIS G0415 钢及钢制品——检查文件JIS G0416 钢及钢制品——机械试验用试验材料及试样的选取位置和制备JIS G3191 热轧制钢棒及盘条的形状、尺寸、质量及其允许偏差JIS G3192 热轧型钢的形状、尺寸、质量及其允许偏差JIS G3193 热轧制钢板及钢带的形状、尺寸、质量及其允许偏差JIS G3194 热轧制扁钢的形状、尺寸、质量及其允许偏差JIS Z2241 金属材料拉伸试验方法JIS Z2248 金属材料弯曲试验方法3.种类及牌号钢材的种类分4种,其牌号及适用尺寸如表1所示4.化学成分钢材按8.1进行试验,其熔炼分析值如表2所示.5.机械性质钢材按8.2进行性能试验,其屈服点或屈服强度,抗拉强度,延伸率及弯曲要求如表3所示。
但是,边不满40mm的型钢及宽度不满40mm的扁钢的机械性能依据附录JA。
但弯曲时,其弯曲试样外侧不得出现裂纹。
注实施弯曲性能测试时,参照8.2.1。
mm=1MPa注1N/2注)a:型钢时,钢材厚度为试样采取位置的厚度。
棒钢时,圆钢为直径,角钢为边,六角钢为对边距离的作为厚度的尺寸。
)b厚度>90mm钢板的4号试样的伸长率为,厚度每增加25.0mm或其零头,表3中的伸长率则减少1,.但减少的限度为3。
.)c厚度≤5mm的钢材做弯曲试验时,可以选用3号试样。
6.形状、尺寸、质量及允许偏差形状、尺寸、质量及允许偏差按以下标准的规定执行。
JIS G3191,JIS G3192,JIS G3193,JIS G3194此时,钢板及钢带切边时的宽度,和钢板长度的允许偏差,如无特别规定,按JIS G3193的允许偏差表7(宽度的允许偏差)之A及表8(钢板长度允许偏差A)的规定执行。
钢铁标准对照表详细钢铁标准对照表棒钢、型钢、钢板 标准号标准名称标准号 标准名称 JIS G 3101 一般结构用轧制钢材ASTM A 36-94 结构用钢材 ASTM A 283-93a 低中强度碳素钢 JIS G 3106 焊接结构用轧制钢材JIS G 3136 建筑结构用轧制钢材 ASTM A 529-94 结构用钢(屈服点 30kg. 厚度 12.7mm ) ASTM A 570-95 结构用热轧碳素钢钢板及钢带 ASTM A 572-94C 结构用高强度低合金铌-钒钢 ASTM A 573-93a 结构用韧性改善碳素钢钢板 ASTM A 633-95 结构用正火低合金高强度钢 ASTM A 678-94a 结构用淬火、回火碳素钢钢板 ASTM A 709-95a 桥梁结构用钢材BS EN 10025-93 非合金结构及交货技术条件 DIN EN 10025-93 NF EN 10025-93BS EN 10025-90(旧标准) 非合金结构钢及交货技术条件 DIN EN 10025-91(旧标准)NF EN 10025-90(旧标准)BS 4360-90(旧标准) 焊接结构用钢材 BS 4360-86(旧标准) 焊接结构用钢材 DIN 17100-80(旧标准) 一般结构用钢材 DIN 17102-83(旧标准) 焊接细晶粒钢 NF A 35-501-87(旧标准) 结构用钢材 ISO 630-95 结构用钢材ISO 4950/2-95 高强度钢钢板(正火或CR 处理) ISO 4950/3-95 高强度钢板(淬火回火) ISO 4951-79 高强度钢棒及型钢 ISO 4995-93 结构钢热轧薄板 ISO 4996-91 结构钢高强度热轧薄板 ISO 6316-93 结构钢热轧钢带JIS G 3128 焊接结构用高强度钢钢板ASTM A 514-94a焊接性调质高强度合金钢ASTM A 517-93压力容器用低合金淬火、回火高强度钢 ASTM A 709-95a桥梁结构用钢材 ISO 9328/4-91压力用途钢板焊接性高强度细晶粒钢(N 或QT ) JIS G 3114 焊接结构用耐候性热轧钢材ASTM A 588-94低合金高强度结构钢钢材 ASTM A 709-95a桥梁结构钢钢材 BS EN 10155-93耐候性结构钢DIN EN 10155-93NF EN 10155-93BS 4360-90(旧标准) 焊接结构用钢材 VDEhSEW087-81耐候性结构钢 NF A 35-502-84(旧标准) 耐候性结构钢 ISO 4952-81 耐候性结构钢 ISO 5952-83 耐候性结构用热轧薄板 JIS G 3125 高耐候性轧制钢材ASTM A242-93a 低合金高强度结构钢钢材 BS EN 10155-93 耐候性结构钢 DIN EN 10155-93NF EN 10155-93 BS 4360-90(旧标准) 焊接结构钢钢材 NF-A 35-502-84(旧标准) 耐候性结构钢 ISO 4952-81 耐候性结构钢 ISO 5952-83耐候性结构用热轧薄板 JIS G3103锅炉及压力容器用碳素钢及钼钢钢板 ASTM A 204-93 压力容器用钼钢钢板ASTM A 285-90 压力容器用低中强度碳素钢钢板 JIS G3115 压力容器用薄钢板 ASTM A 414-92 压力容器用碳素钢薄钢板 JIS G3115-1压力容器用厚钢板ASTM A515-92中、高温压力容器用碳素钢钢板 JIS G3116 高压气容器用钢板及钢带ASTM A 516-90中、低温压力容器用碳素钢钢板 JIS G3118中、常温压力容器用碳素钢钢板 ASTM A 612-90 中、低温压力容器用高强度碳素钢钢板 ASTM A 662-93 中、低温压力容器用碳-锰钢钢板 BS EN 10028-2-93压力容器用钢板 DIN EN 10028-2-93非合金钢及合金钢 NF EN 10028-2-92BS EN 10028-3-93 压力容器用钢板 DIN EN 10028-3-93 焊接性细晶粒钢(N) NF EN 10028-3-92JIS G 3118 常温压力容器用钢板BS 1501/1-80(旧标准) 有火及无火压力容用钢板 DIN 17155-83(旧标准) 锅炉用钢板 NF A 36-205-82(旧标准)锅炉、压力容器用 非合金钢钢板 ISO 9328/2-91 压力容器用钢板 非合金钢及低合金钢ISO 9328/4-91 焊接性高强度细晶粒钢(N 或 QT) ISO 4978-83 焊接气体容器用钢板 JIS G 3124中、常温压力容器用高强度钢钢板 BS EN 10028-2-93 压力容器用钢板 DIN EN 10028-2-93非合金钢及合金钢BS 1501/2-88有火及无火压力容器用钢板(合金钢钢板) DIN 17102-83(旧标准)焊接用细晶粒钢 ISO 9328/4-91压力用途钢板焊接性高屈服点细晶粒钢(N 或 EQ) JIS G 3119锅炉、压力容器用锰-钼、锰-钼-镍钢钢板 ASTM A 302-93压力容器用锰-钼、锰-钼镍钢钢板ASTM A 533-93压力容器用锰-钼、锰-钼-镍淬火、回火钢钢板JIS G 3120 压力容器用调质型锰-钼、锰-钼-镍钢钢板ASTM A 734-87a压力容器用淬火、回火高强度低合金钢钢板 JIS G 4109锅炉及压力容器用铬-钼钢钢板 ASTM A 387-92 压力容器用铬-钼合金钢钢板 BS EN 10028-2-93 压力容器用钢板 DIN EN 10028-2-93 非合金钢及合金钢 NF EN 10028-2-92BS 1501/2-88有火及无火压力容器用钢板(合金钢) DIN 17155-83(旧标准)锅炉用钢板NF A 36-206-83(旧标准) 锅炉、压力容器用钢板 钼、锰-钼、铬-钼合金钢 ISO 9328/2-91 压力用途用钢板 非合金及低合金钢 ISO 9328/3-91低温用镍合金钢JIS G 4110高温压力容器用高强度铬、钼钢钢板 ASTM A 542-95压力容器用淬火、回火、铬-钼、铬-钼-钒合金钢钢板 ASTM A 832-95压力容器用铬-钼-钒钢钢板 JIS G 3126 低温压力容器用碳素钢钢板ASTM A 516-90 常温及低温压力容器用碳素钢钢板 ASTM A 537-95 压力容器用热处理碳-锰-硅钢 ASTM A 662-93 中、低温压力容器用碳-锰钢 ASTM A 841-95 压力容器用TMCP 钢 BS EN 10028-3-93 压力容器用钢板 DIN EN 10028-3-93焊接性细晶粒钢(N) NF EN 10028-3-93BS EN 10113-2-93焊接细晶粒结构用钢交货条件(正火及正火钢材) DIN EN 10113-2-93NF EN 10113-2-93 BS 1051/1-80(旧标准) 有火及无火压力容器用钢板 DIN 17102-83(旧标准) 焊接细晶粒钢NF A 36-208-82 低温压力容器用非合金及镍合金钢钢板 ISO 9328/4-91 压力用途用钢板焊接性高强度细晶粒钢(N 或 QT) JIS G 3127低温压力容器用镍钢钢板 ASTM A 203-93 镍合金钢钢板ASTM A 353-93 二次正火回火9%镍合金钢钢板 ASTM A 553-95淬火回火8镍、9镍合金钢钢板 ASTM A 844-93直接淬火9%镍合金钢钢板BS 1501/2-88(旧标准)有火无火压力容器用钢板(合金钢) DIN 17280-85 低温用钢NF A 36-208-82 低温压力容器用非合金及镍合金钢钢板 ISO 9328/3-91 压力用途用钢板、低温用镍合金钢 JIS G 3104 铆钉用圆钢ASTM A 31-95锅炉用铆钉钢钢材 ASTM A 502-93 结构用铆钉DIN 17111-80 螺钉、螺帽及铆钉用低碳非合金钢 JIS G 3112 钢筋混凝土用钢棒ASTM A 615-94混凝土加强用小钢环钢钢棒 ASTM A 706-93a 混凝土加强用低合金导形钢棒 BS 4449-88 混凝土加强用热轧钢棒 DIN 488/1-84钢筋混凝土用钢棒NF A 35-015-84 混凝土加强用圆钢NF A 35-016-86 混凝土加强用高附着性钢棒 JIS G 3199 钢板及扁钢的厚度方向特性BS EN 10164-93 与表面垂直方向的性能改善钢材 DIN EN 10164-93 NF EN 10164-93BS 6780-86(旧标准) 钢板及扁钢厚度方向深冲值VbEh*SEL096-88厚度方向应力改善钢板、扁钢注*表示VdEh 为法国钢铁协会的标准NFA 36-202-81(旧标准) 与表面垂直方向的特性钢板 ISO 7778-83钢板及扁钢的厚度方向特性 JIS G 3353 一般结构用焊接轻量H型钢ASTM A 769-94电阻焊接型钢 JIS E 1101 普通钢轨ASTM A 1-92碳素钢T 型轨 BS 11-85 轨道用钢轨ISO 5003-80 非合金钢轨道用及支线用平底钢轨 JIS G 3131 热轧软钢钢板及钢带 ASTM A 569 一般用热轧碳素钢钢板及钢带 /A 569M-91a ASTM A 621 深冲用热轧碳素钢钢板及钢带 /A621M-92 ASTM A 622 深冲用特殊镇静钢热 /A622M-92 轧碳素钢钢板及钢带 BS 1449 Part1 碳素钢、碳锰钢薄钢板 SEC 1.2:91加工用热轧宽幅薄钢板1.4:91规定最低强度的热轧宽幅薄钢板 1.8:91 加工用热轧窄幅薄钢板1.10:91 规定最低强度的热轧窄幅薄钢板 1.14:91 热处理用一般用途热轧窄幅薄钢板 DIN 1614/1-86 非合金钢热轧钢板、钢带 NF A 36-102-93 合金钢、非合金钢热轧钢板NF A 36-301-92 弯曲深冲加工用热连轧钢板(钢板、板卷) ISO 3573-86 一般用、深冲用热轧碳素钢钢板 ISO 6317-82 一般用、深冲用热轧碳素钢钢带 JIS G 3141 冷轧钢板及钢带ASTM A 109-93 冷轧碳素钢钢带ASTM A 109M-91 冷轧碳素钢钢带(公制) SATM A 366 一般用冷轧碳素钢钢板 /A 366M-91 ASTM A 619深冲用碳素钢钢板/A 619M-92 ASTM A 620 深冲用特殊镇静钢冷轧碳素钢钢板 /A 620M-92 BS 1449:Part1 碳素钢、碳锰钢薄钢板 SEC 1.3:91 加工用冷轧宽幅薄钢板1.5:91规定最低强度的冷轧宽幅薄钢板1.9:91 加工用冷轧窄幅薄钢板 1.11:91 规定最低强度的窄幅薄钢板 1.15:91 热处理用一般用途窄幅薄钢板 BS EN 10130:91 加工用冷轧低碳钢薄钢板 DIN 1624-87 冷轧软钢带(宽度<650mm ) DIN EN 10130:91 加工用冷轧低碳钢薄钢板 DIN 1623/2-86 结构用冷轧钢板及钢带 NF EN 10130:91 加工用冷轧低碳钢薄钢板 ISO 3574-86 一般用、深冲用冷轧碳素钢钢板 ISO 5954-84保证硬度的冷轧碳素钢钢板 JIS G 3133 搪瓷用脱碳钢板及钢带ASTM A 424-92搪瓷用钢板ISO 5001-93搪瓷用冷轧碳素钢钢板 DIN 1623/3-87搪瓷用冷轧钢板及钢带JIS G 3452 配管用碳素钢钢管ASTM A 53-95 配管用焊接及无缝钢管(黑管、白管) API 5L-95 管线管BS 1387-85(90)适用于BS21带螺纹的钢管 DIN 1615-84 无特别规定的非合金钢焊接钢管 DIN 2440-78 中等壁厚带螺纹钢管 DIN 2441-78 厚壁带螺纹钢管 ISO 65-81 带螺纹钢管ISO 559-91 水管、排水管、气体输送用钢管 JIS G 3454压力配管用碳素钢钢管 ASTM A 135-93 配管用电阻焊钢管 ASTM A 53-95 配管用焊管及无逢钢管 API 5L-95 管线管BS 3601-87(93) 压力配管用碳素钢钢管(普通级) BS 3602(1)-87(93)压力配管用碳素钢钢管(高级) DIN 1626-84 有特别规定的非合金钢焊接钢管 DIN 1629-84有特别规定的非合金钢无缝钢管DIN 2442-63 公称压力为1-100kg/cm 用带螺纹的无缝钢管 ISO 2604(II)-75 压力用无缝钢管 ISO 2604(III)-75 压力用电阻焊钢管 ISO 9329(I)-89 压力用无缝钢管/非合金钢 ISO 9330(I)-90 压力用焊接钢管/非合金钢 JIS G 3455高夺配管用碳素钢钢管 DIN 1628-84优质非合金钢焊接钢管 DIN 1630-84优质非合金无缝钢管 ISO 2604(II)-75压力用无缝钢管ISO 9329(I)-89 压力用无缝钢管/非合金钢 JIS G 3456高温配管用碳素钢钢管 ASTM A 106-94a 高温配管用碳素钢无缝钢管 DIN 17175-79无缝耐热钢钢管 DIN 17177-79电阻焊耐热钢钢管BS 3602(1)-87(93)压力配管用碳素钢钢管(对高温强度有规定) ISO 2604(II)-75 压力用无缝钢管 ISO 2604(III)-75压力用电阻焊钢管JIS G 3457 配管用电弧焊碳素钢ASTM A 134-93a配管用电焊、电弧焊钢管(>= 16")钢管 ASTM A 139-93a 配管用电焊、电弧焊钢管(>= 4") DIN 1626-84 有特别规定的非合金钢焊接钢管 ISO 559-91 水管、排水管、气体输送用钢管 JIS G 3458 配合用合金钢钢管 ASTM A 335 高温配管用无缝铁素体钢钢管 /A 335M-94 BS 3604 压力配管用铁素体合金钢钢管 (1)-90(1)无缝钢管(S) (1)-91 (2)电弧焊管(W) DIN 17175-79 无缝耐热钢钢管 DIN 17177-79 电阻焊耐热钢钢管 ISO 2604(II)-75 压力用无缝钢管 ISO 2604(III)-75 压力用电阻焊钢管JIS G 3459 配管用不锈钢钢管 ASTM A 312 配管用无缝及焊接奥氏体不锈钢钢管 /A 312M-94b ASTM A 358 高温配管用焊接奥氏体铬-镍钢钢管 /A 358M-94a ASTM A 376 Central-station 高温配管用奥氏体钢钢管 /A 376M-93 ASTM A 790配管用无缝及焊接铁素体/奥氏体不锈钢钢管 /A 790M-94 BS 3605 压力配管用奥氏体不锈钢钢管 (1)-91 (1)无缝钢管(S) (2)-92 (2)电弧焊钢管(W) DIN 17455-85 一般不锈钢焊接钢管 DIN 17456-85 一般不锈钢无缝钢管DIN 17457-85 有特别规定的不锈钢焊接钢管 DIN 17458-85 有特别规定的不锈钢无缝钢管 JIS G 3460 低温配管用钢管 ASTM A 333 低温配管用无缝及焊接钢管 /A 333M-94 BS 3603-91低温压力配管用钢管 DIN 17174-85 低温用焊接钢管 DIN 17173-85 低温用无缝钢管 ISO 2604(II)-75 压力用无缝钢管 ISO 2604(III)-75 压力用电阻焊钢管 JIS G 3468配管用焊接大口径不锈钢钢管 ASTM A 358 高温焊接奥氏体钢钢管/A 358M-94a ASTM A 409耐蚀热用焊接大口径奥氏体钢钢管 /A 409M-92 BS 3605(2)-92压力配管用奥氏体不锈钢钢管 DIN 17455-85 一般用途不锈钢焊接钢管 DIN 17457-85 有特别规定的不锈钢焊接钢管 ISO 2604(V)-78压力用焊接奥氏体钢钢管 JIS G 3461锅炉、热交换器用碳素钢钢管 ASTM A 178锅炉用电阻焊碳素钢钢管/A 178M-90aASTM A 179 热交换器及冷凝器用冷轧无缝低碳钢钢管 /A 179M-90a ASTM A 192 高压锅炉用碳素钢无缝钢管 /A 192M-91 ASTM A 210 锅炉及过热器用无缝中碳钢钢管 /A 210M-91 ASTM A 214 热交换器及冷凝器用电阻焊碳素钢钢管 /A 214M-90a ASTM A 226 高压锅炉及过热器用电阻焊碳素钢钢管 /A 226M-90a BS 3059 锅炉及过热器用钢管 (1)-93, (2)-90BS 3606-92 热交换器用钢管 DIN 17175-79 高温用无缝钢管 DIN 17177-79 高温用电阻焊钢管 ISO 2604(II)-75 压力用无缝钢管 ISO 2604(III)-75 压力用电阻焊钢管JIS G 3462锅炉、热交换器用合金钢管 ASTM A 199 热交换器及冷凝器用冷轧无缝中合金钢钢管 /A 199M-92 ASTM A 209 锅炉及过热器用无缝碳-钼合金钢钢管/A 209M-91 ASTM A 213 锅炉、过热器及热交换器用铁素体及奥氏体合金钢无钢管 /A 213M-94b ASTM A 250锅炉及过热器用电阻焊碳-钼合金钢钢管 /A 250M-91ASTM A 423无缝及电阻焊低合金钢钢管 /A 423M-91 BS 3059(2)-90 锅炉及过热器用钢管 BS 3606-92 热交换器用钢管 DIN 17175-79 高温用无缝钢管 DIN 17177-79 高温用电阻焊钢管 ISO 640(II)-75 压力用无缝钢管 ISO 2604(III)-75 压力用电阻焊钢管JIS G 3463 锅炉、热交换器用不锈钢钢管ASTM A 213 锅炉、过热器及热交换器用铁素体及奥氏体合金钢无缝钢管 /A 213M-94b ASTM A 213 锅炉、过热器及热交换器用铁素体称奥氏体合金钢无缝钢管 /A 213M-94bASTM A 249 锅炉、过热器、热交换器及冷凝器用奥氏体不锈钢焊接钢管 /A 249M-94aASTM A 268一般用途铁素体、马氏体不锈钢无缝及焊接钢管 /A 268M-94 ASTM A 269-94a 一般用途奥氏体不锈钢钢无缝及焊接钢管 ASTM A 789 一般用途铁素体/奥氏体钢无缝及焊接钢管/A 789M-94BS 3059(2)-90 锅炉及过热器用钢管 BS 3606-92 热交换器用钢管DIN 17455-85 一般用途不锈钢焊接钢管 DIN 17456-85 一般用途不锈钢无缝钢管 DIN 17457-85 有特殊规定的不锈钢焊接钢管 DIN 17458-85 有特殊规定的不锈钢无缝钢管 ISO 2604(II)-75 压力用无缝钢管 ISO 2604(III)-75 压力用电阻焊钢管 ISO 2604(V)-78 压力用奥氏体钢焊接钢管JIS G 3464 低温热交换器用钢管 ASTM A 334 低温用碳素钢、合金钢无缝及焊接钢管 /A 334M-91 BS 3603-91低温压力用碳素钢及合金钢钢管 DIN 17174-85低温用焊接钢管 DIN 17173-85 低温用无缝钢管 DIN 2604(II)-75 压力用无缝钢管 ISO 2604(III)-75 压力用电阻焊钢管JIS G 3467 加热炉用钢管ASTM A 161-94石油精炼用低碳及碳-钼钢无缝钢管 ASTM A 200-94 石油精炼用合金钢无缝钢管 ASTM A 271-94 石油精炼用奥氏体铬-镍钢无缝钢管 JIS G 3444 一般结构用碳素钢钢管ASTM A 500-93 结构用冷轧焊接及无缝碳素钢圆管及方管 ASTM A 501-93结构用热轧焊接及无缝碳素钢钢管 DIN 17120-84一般结构用焊接钢管 DIN 17121-94一般结构用无缝钢管 DIN 17123-86 结构用焊接细晶粒钢钢管DIN 17124-86结构用无缝细晶粒钢钢管 JIS G 3445 机械结构用碳素钢钢管 ASTM A 512-94机械结构用冷锻碳素钢钢管JIS G 3472 汽车结构用电阻焊碳素钢钢管 ASTM A 513-94机械结构用电阻焊碳素钢及合金钢钢管 JIS G 3473 汽缸筒用碳素钢钢管ASTM A 519-94 机械结构用碳素钢及合金钢无缝钢管 BS 1717-83(1989)自行车及摩托车用钢管JIS G 3441机械结构用合金钢钢管 ASTM A 519-94 机械结构用碳素钢及合金钢无缝钢管 BS 1717-83(1989) 自行车及摩托车用钢管 JIS G 3446 机械结构用不锈钢钢管 ASTM A 511-90机械结构用不锈钢无缝钢管JIS G 3466 不锈钢方形钢管 ASTM A 500-93 机械结构用碳素钢冷轧焊接及无缝管圆管及方管 JIS G 3447 不锈钢民用钢管ASTM A 270-90卫生工业无缝及焊接奥氏体不锈钢钢管 JIS G 4903 配管用镍铬合金钢无缝钢管ASTM B 167-94a镍-铬-铁合金无缝钢管 ASTM B 407-95镍-铁-铬合金无缝钢管 ASTM B 423-95 镍-铁-铬-钼-铜合金无缝钢管JIS G 4904 热交换器用镍铬合金钢无缝钢管ASTM B 163-95a冷凝器、热交换器用镍及镍合金钢无缝钢管 ASTM B 167-94a镍-铬-铁合金无缝钢管 ASTM B 407-95镍-铁-铬合金无缝钢管ASTM B 423-95 镍-铁-铬-钼-铜合金无缝钢管JIS A 5525 钢管桩ASTM A 252-93 焊接及无缝钢管桩JIS C 8305 钢制电线管BS 31-40(1988) 电气配线用钢制配线管及连接件ANSI C 80.1-9 镀锌钢制电线管ANSI C 80.3-95 镀锌金属电线管UL *6-93 金属制电线管1. 机构结构用碳素钢、合金钢标准号及名称牌号ISO 683/1,10,11AISISAEBS 970Part 1,3BS EN10083-1,2DIN 17210 DIN EN 10083-1,2NF A35 -551 NFEN 10083-1,2TOCT 4543JIS G 4051S10C C10 1010 040A10 Ck10XC10 -机械结构用碳素钢045A10 C10045M10S12C 1012 040A12 - XC12 -S15C C15E41015 055M15Ck15- - C15M2 C15S17C - 1017 - - XC18 -S20C - 1020 070M20 1C22 1C22- 1C22 2C22 2C222C22 3C22 3C223C22S22C - 1023 - - - -S25C C2510251C25 1C25 1C25- C25E4 2C25 2C25 2C25C25M2 3C25 3C25 3C25S28C - 1029 - - - 25GS30C C301030080A30 1C30 1C3030G C30E4 080M30 2C30 2C30C30M2 1C30 3C30 3C302C303C30S33C - - - - - 30GS35C C3510351C35 1C35 1C3535G C35E4 2C35 2C35 2C35C35M2 3C35 3C35 3C35S38C 1038 - - 35GS40C C40 1039 080M40 1C40 1C4040G C40E4 1040 1C40 2C40 2C40C40M2 2C40 3C40 3C403C40S43C 1042080A42 - 40G 1043S45C C45 1045 1C45 1C45 1C45 45GC45E4 1046 2C45 2C45 2C45C45M2 3C45 3C45 3C45S48C 080A47 - 45GS50C C501049080M50 1C50 1C5050G C50E4 1C50 2C50 2C50C50M2 2C50 3C50 3C503C50S53C 1050- - - 50G 1053S55C C551055070M55 1C55 1C55- C55E4 1C55 2C55 2C55C55M2 2C55 3C55 3C553C55S58C C60 1059 1C60 1C60 1C6060G C60E4 1060 2C60 2C60 2C60C60M2 3C60 3C60 3C60S09CK - - 045A10Ck10 XC10 - 045M10S15CK - - - Ck15 XC12 -S20CK - - - - XC18 -JIS G 4102 SNC236 - - - - - 40XH 镍铬钢SNC415 - - - - - - SNC631 - - - - - 30XH3ASNC815 15NiCr13 - 655M13 - -SNC836 - - - - - -JIS G 4103SNCM220 20NiCrMo2 8615 805A20 21NiCrMo220N C D2 -镍铬钼钢20NiCrMoS2 8617 805M20 21NiCrMoS28620 805A228622 805M22SNCM240 41CrNiMo2 8637- - - - 41CrNiMoS2 8640SNCM415 - - - - - -SNCM420 - 4320 - - - 20XH2M (20XHM)SNCM431 - - - - - - SNCM439 - 4340 - - - - SNCM447 - - - - - - SNCM616 - - - - - - SNCM625 - - - - - - SNCM630 - - - - - - SNCM815 - - - - - -JIS G 4104SCr415 16MnCr5- - - 16MC515X铬钢16MnCrS5 15XA SCr420 20Cr4 5120 - 20CrS4 20MC 5 20X20CrS4SCr430 34Cr4 5130 34Cr4 34Cr4 34Cr430X 34CrS4 5132 34CrS4 34CrS4 34CrS4SCr435 34Cr4513237Cr4 37Cr4 37Cr435X 34CrS4 37CrS4 37CrS4 37CrS437Cr437CrS4SCr440 37Cr45140530M40 41Cr4 41Cr440X 37CrS4 41Cr4 41CrS4 41CrS441Cr4 41CrS441CrS4SCr445 - - - - - 45X JIS G 4105 SCM415 - - - - - -铬钼钢SCM418 18CrMo4- - - - 20XM 18CrMoS4SCM420 - - 708M20 - - 20XM SCM421 - - - - - -SCM430 - 4131 - - - 30XM 30XMASCM432SCM435 34Cro4413734CrMo4 34CrMo4 34CrMo435XM 34CrMoS4 34CrMoS4 34CrMoS4 34CrMoS4SCM440 42CrMo4 4140 708M40 42CrMo4 42CrMo4- 42CrMoS4 4142 709M40 42CrMoS4 42CrMoS442CrMo442CrMoS4SCM445 - 4145- - - - 4147SCM822 - - - - - - JIS G 4106 SMn420 22Mn6 1522 150M19 - - -机械结构用锰钢及铬锰钢SMn433 - 1534 150M36 - -30G235G2SMn438 36Mn6 1541 150M36 - - 35G2 40G2SMn443 42Mn6 1541 - - - 40T2 45T2SMnC420 - - - - - -SMnC443 - - - - - - JIS G 4202SACM645 41CrA1-Mo74 -- - - - 铝铬钼钢JIS G 4052 SMn420H 22Mn6 1522H - - - - 保证淬透性结构钢SMn433H - - - - - - SMn438H 36Mn6 1541H - - - -SMn443H 42Mn6 1541H - - - - SMnC420H - - - - - - SMnC443H - - - - - -SCr415H 16MnCr5- - - 16MC5 15X 16MnCrS5SCr420H 20Cr45120H - 20Cr4 20MC5 20X 20CrS4SCr430H 34Cr4 5130H 34Cr4 34Cr4 34Cr430X 34CrS4 5132H 34CrS4 34CrS4 34CrS4SCr435H 34Cr45135H37Cr4 37Cr4 37Cr435X 34CrS4 37CrS4 37CrS4 37CrS437Cr437CrS4SCr440H 37Cr45140H41Cr4 41Cr4 41Cr440X 37CrS4 41CrS4 41CrS4 41CrS441Cr441CrS4SCM415H - - - - - -SCM418H 18CrMo4- - - - - 18CrMoS4SCM420H - - 708H20 - - -SCM435H 34CrMo4 4135H 34CrMo4 34CrMo4 34CrMo4- 34CrMoS4 4137H 34CrMoS4 34CrMoS4 34CrMoS4SCM440H 42CrMo4 4140H 42CrMo4 42CrMo4 42CrMo4 42CrMoS4 4142H 42CrMoS4 42CrMoS4 42CrMoS4SCM445H - 4145H- - - - 4147HSCM822H - - - - - - SNC415H - - - - - - SNC631H - - - - - - SNC815H 15NiCr13 - 655H13 - - -SNCM220H 20NiCrMo2 8617H 805H17- 20N C D2 - 20NiCrMoS2 8620H 805H208622H 805H22SNCM420H - 4320H - - - - JIS G 4107 SNB5 - 501 - - - -高温用合金钢螺栓材SNB7 - 4140 708M4042CrMo4 - - 4142 709M404145 630-860SNB16 - - 670-860 40CrMo - V47 42CDV4 - JIS G 4108 SNB21-1~5 - - 670-860 40CrMo - V47 42CDV4 - 特殊用途合金钢螺栓用棒钢SNB22-1~5 - 4142H - 42CrMo4 - -SNB23-1~5 - E4340H - - - - SNB24-1~5 -4340----注 1) BS 15062) DIN 17240, DIN 1654 Part4 3) NF A35-558 2. 不锈钢、耐热钢 标准号及名称 JISISO美国 英国 德国 法国 原苏 联 欧洲标准 UNS AISI BS DIN NFGOCTENJIS G4303~4305SUS 201 A-2S20100 201 Z12CMN17-07Az Z12CrMnNiN1不锈钢棒 SUS 202 A-3 S20200 202 284S16 12X17T9AH4 X12CrMnNiN1热轧不锈钢钢板及钢带 SUS 301 l4 S30100301301S21X12CrNi7 7Z11CN17-0807X16H6X10CrNi18-8冷轧不锈钢钢板及钢带 SUS 301LX12CrNi18-7 X2CrNiN18-7SUS 301J1X12CrNiN17 7 JIS G4308~4309 SUS 302 12,10(1) S30200 302 302S25 Z12CN18-09 12X18H9 不锈钢线材SUS 302BS30215 302B不锈钢丝 SUS 303 17 S30300 303 303S21 X10CrNiS18 9 Z8CNF18-09 X8CrNiS18-9 SUS 303Se17aS30323 303Se 303S4112X18H10EJIS G4313~4315 SUS 304 11 S30400 304 304S31 X5CrNi18 10 Z7CN18-09 08X18H10 X4CrNi18-10弹簧用不锈钢带 SUS 304L 10 S30403 304L 304S11 X2CrNi9 11 Z3CN19-1103X18H11X2CrNi19-11弹簧用不锈钢丝 SUS 304N1 S30451 304N Z6CN19-09Az 冷镦用不锈钢丝 SUS304N2 S30452SUS 304LN 10N S30453 304LN X2CrNiN18 10 Z3CN18-10Az X2CrNiN18-1JIS G 4317~4320 SUS304J1热轧不锈钢等边角钢 SUS 304J2冷轧不锈钢钢棒SUS304J3S30431 S30431不锈钢锻件用钢坯SUS 305 13 S30500 305 305S19 X5CrNi18 12 Z8CN18-12 06X18H11 X4CrNi18-12冷成形不锈钢等边角钢SUS305J1SUS309S13(1) S30908 309S Z10CN24-13SUS310S 16(1) S31008 310S 310S31 Z8CN25-20 10X23H18 X6CrNi25-20 SUS 316 20 S31600 316 316S31 X5CrNiMo17 12 2 Z7CND17-12-02 X4CrNiMo17-20a X5CrNiMo17 13 3 Z6CND18-12-03 X4CrNiMo17-SUS316L19 S31603 316L 316S11 X2CrNiMo17 13 2 Z3CND17-12-02 X2CrNiMo17-19a X2CrNiMo17 14 3 Z3CND17-13-03 03X17H14M3 X2CrNiMo17-SUS316NS31651 316N X2CrNiMo18-SUS316LN19N S31653 316LN X2CrNiMoN17 12 2 Z3CND17-11Az X2CrNiMoN17 19aN X2CrNiMoN17 13 3 Z3CND17-12Az X2CrNiMoN17 SUS316TiS31635 X6CrNiMoTi17 12 2 Z6CNDT17-12 08X17H13M2T X6CrNiMoTi1 SUS316J1SUS316J1LSUS 317 S31700 317 317S16SUS317L24 S31703 317L 317S12 X2CrNiMo18 16 4 Z3CND19-15-04 X2CrNiMo18-SUS317LNS31753 Z3CND19-14Az X2CrNiMoN18 SUS317J1X2CrNiMoN17 SUS317J2SUS317J3LSUS317J4LN08367SUS317J5LA-4 N08904 N08904 904S14 Z2NCDU25-20 N1CrNiMoCuN SUS 321 15、11(1) S32100 321 321S31 X6CrNiTi18 10 Z6CNT18-10 08X18H10T X6CrNiTi18-SUS 347 16、12(1) S34700 347 347S31 X6CrNiNb18-10 Z6CNNb18-10 08X18H12B X6CrNiNb18-SUS 384 D25(2) S38400 384 Z6CN18-16SUS XM7 D26(2) S30430 304Cu 394S17 Z2CNU18-10 X3CrNiCu18-XUS S38100 Z15CNS20-12 X1CrNiSi18-XM15J1SUSS32900 329329J1SUSS39240 S31803 Z3CNDU22-05Az 08X21H6M2T X2CrNiMoN22 329J3LSUSS39275 S31260 Z3CNDU25-07Az X2CrNiMoCuN 329J4LSUS 405 2 S40500 405 405S17 X6CrA113 Z8CA12 X6CrA113SUSZ3C14410LSUS 429 S42900 429SUS 430 8,4(1) S43000 430 430S17 X6Cr17 Z8C17 12X17 X6Cr17SUS8a S43020 430F X7CrMoS18 Z8CF17 X6CrMoS17 430FSUS8b S43035 X6CrTI17,X6CrNb17 Z4CT17 X3CrTi17 430LXX2CrTi17SUSZ4CNb17 X3CrNb17 430J1LSUS 434 9c S43400 434 434S17 X6CrMo17 1 Z8CD17-01 X6CrMo17-1SUSS43600 436 X1CrMoTi16-436LSUS436J1LSUS 444 F1 S44400 444 Z3CDT18-02 X2CrMoTi18-SUSS44700447J1SUSS44627 Z1CD26-01XM27SUS 403 S40300 403SUS 410 3 S41000 410 410S21 X10Cr13 Z13C13 X12Cr13SUS1 S41008 410S 403S17 X6Cr13 Z8C12 08X13 X6Cr13410SSUS410F2SUSS41025410J1SUS 416 7 S41600 416 416S21 Z11CF13 X12CrS13SUS4 S42000 420 420S29 X20Cr13 Z20C13 20X13 X20Cr13 420J1SUS5 S42000 420 420S37 X30Cr13 Z33C13 30X13 X30Cr13 420J2SUSS42020 420F Z30CF13 X29CrS13 420FSUS420F2SUS429J1SUS 431 9b S43100 431 431S29 X20CrNi17 2 Z15CN16-02 20X17H2 X19CrNi17-2 SUS440AS44002 440A Z70C15 X70CrMo15 SUS440BS44003 440BSUS440CA-1b S44004 440C Z100CD17 95X18 X105CrMo17 SUS440FS44020 S44020SUS 630 1(3) S17400 S17400 Z6CNU17-04 X5CrNiCuNb1 SUS 631 2(3) S17700 S17700 X7CrNiA1 17 7 Z9CNA17-07 09X17H7 IO X7CrNiA1 17 SUS632J1JIS G4311~4315SUH 31 331S42 Z35CNWS14-14 45X14H14B2M耐热钢棒 SUH 35 X53CrMnNi214 349S52 Z52CMN21-09耐热钢板-4SUH 36 S63008 349S54 X53CrMnNi21 9 Z55CMN21-09AZ 55X20G9AH4SUH 37 S63017 381S34SUH 38SUH 309 13(1) S30900 309 309S24 Z12CN24-13SUH 310 17(1) S31000 310 310S24 CrNi2520 Z12CN25-20 20X25H20C2SUH 330 18(1) N08330 N08330 Z12NCS35-16SUH 660 S66286 Z6NCTV25-20SUH 661 12(4) R30155SUH 21 CrA11205SUH 409 1Ti,1(1) S40900 409 409S19 X6CrTi12 Z6CT12SUH409LZ3CT12 X2CrTi12 SUH 446 7(1) S44600 446 Z12C25 15X28SUH 1 X4CrSi9 3(4) S65007 401S45 X45CrSi9 3 Z45CS9SUH 3 Z40CSD10 40X10C2MSUH 4 X85CrMoV182(4)443S65 Z80CSN20-02SUH 11 X85CrSi82(4)40X9C2SUH 600 20X12BHMB(I)PSUH 616 S42200注:1. ISO是根据ISO 683/13对照。
日本工业标准JIS简介JIS(Japanese Industrial Standards)是日本工业标准的代号。
JIS的制定对象是矿业品及工业制品。
但在工业制品中具有特殊标准体系的药品、农药、化肥以及农业物资不作为JIS的制订对象。
JIS 标准是由日本工业标准调查会JISC(Japanese Industrial Standards Committe)所制订的标准,该组织是日本官方机构,由通产省大臣和副大臣任JISC的正、副会长。
办事机构是日本通产省工业技术院,成员包括各方面专家、学者、政府部门及消费者代表,主要任务是审批、发布JIS标准。
这样的建制是由1949年7月1日实施《工业标准化法》后实施的。
JIS标准按其标准对象分类。
目前共有“土木建筑”、“汽车”、“钢铁”、“有色金属”等18类部门,各用英文字母表示(标于标准号中的“JIS”和“××××(标准号)”之间)。
与我们相关的钢铁→G;化学→K;其他(包括试验方法、焊接等)→Z。
按JIS标准内容的性质分为:①产品标准②试验方法标准③基础标准。
JIS标准制定过程有着标准化的程序,并保持透明度。
从制订项目的确立、标准草案的制定、标准审议等过程均在官方标准化杂志上发布官方公告,供任何有兴趣有意见者有机会提出自己的意见。
目前,JIS共计有8000多个标准,其中钢铁标准有320多个,JIS钢铁标准的特点是除机械结构钢外,标准中“钢”与“钢产品”是统一的,并且用途特点比较突出,在使用上比较方便。
除试验方法以标准外,不存在标准引用标准的复杂情况。
同时,标准指标比较粗线条,同一标准可供制造厂在生产产品时具有较大自由度。
日本于1952年参加ISO,1953年参加IEC,为了达到WTO/TBT协定(世贸组织标准守则)的要求,日本积极参加ISO标准的制定工作并任多个技术委员会的秘书国,并于1995年3月制定了“JIS与ISO 整合化”的三年计划,目前已在多个JIS标准后附上相应ISO标准内容,并尽量也其靠拢。
J I S G般结构用轧制钢材成分标准The latest revision on November 22, 2020日本工业标准 JIS G3101:2015一般结构用轧制钢材1.适用范围本标准是桥梁,船舶,车辆及其它结构件使用的一般结构用热轧钢材(以下称钢材)的标准。
2.引用标准付表1所示的标准是该标准的引用标准,是该标准规定的构成部分,这些引用标准均适用最新版本(包含补充内容)。
JIS G0320 钢材的炼钢化学成分分析方法JIS G0404 钢材的一般交货条件JIS G0415 钢及钢制品——检查文件JIS G0416 钢及钢制品——机械试验用试验材料及试样的选取位置和制备JIS G3191 热轧制钢棒及盘条的形状、尺寸、质量及其允许偏差JIS G3192 热轧型钢的形状、尺寸、质量及其允许偏差JIS G3193 热轧制钢板及钢带的形状、尺寸、质量及其允许偏差JIS G3194 热轧制扁钢的形状、尺寸、质量及其允许偏差JIS Z2241 金属材料拉伸试验方法JIS Z2248 金属材料弯曲试验方法3.种类及牌号钢材的种类分4种,其牌号及适用尺寸如表1所示表1—种类牌号及适用尺寸4.化学成分钢材按进行试验,其熔炼分析值如表2所示.表2 化学成分单位:%备注:根据需要可添加表2以外的合金元素5.机械性质钢材按进行性能试验,其屈服点或屈服强度,抗拉强度,延伸率及弯曲要求如表3所示。
但是,边不满40mm的型钢及宽度不满40mm的扁钢的机械性能依据附录JA。
但弯曲时,其弯曲试样外侧不得出现裂纹。
注实施弯曲性能测试时,参照。
表3-机械性质表3 机械性质(续)注 1N/2mm=1MPa注)a:型钢时,钢材厚度为试样采取位置的厚度。
棒钢时,圆钢为直径,角钢为边,六角钢为对边距离的作为厚度的尺寸。
)b厚度>90mm钢板的4号试样的伸长率为,厚度每增加或其零头,表3中的伸长率则减少1,.但减少的限度为3。
18 JIS G 3101: 2015普通结构用轧制钢材简介本日本工业标准是基于2011发布的第一版ISO 63I-1和的ISO 630-2发表的技术内容的修改。
给予连续的间隙或点下划线的部分是相应的国际标准的内容已被修改的事项。
修改列表见附件JC 。
1 适用范围本标准适用于桥梁、船舶、车辆及其它结构件使用的一般结构用热轧钢材(以下简称钢材)。
热挤压型材的质量要求见附件JB注:本标准所对应的国际标准和对应度符号如下ISO 630-1 : 2011 结构钢-第1部分:热轧产品的一般技术交货条件ISO 630-2 : 2011 结构钢-第2部分:一般用途结构钢的技术交货条件(评定:修改)此外,根据ISO IEC 21 – 1要求:符号表示相关的国际标准和日本之间在内容的符合程度是IDT (相同),MOD (修改),NEQ (非等效)2 引用标准下列标准被本标准引用而成为本标准的一部分,这些引用标准的最新版本(包括修改版)也适用于本标准。
JIS G 0320 钢材的熔炼分析方法 JIS G 0404 钢材的一般交货技术要求 JIS G 0415 钢及钢制品 检查文件JIS G 0416 钢及钢制品 力学性能取样位置及试样制备JIS G 3191 热轧钢棒和盘条的形状、尺寸、质量及其允许偏差 JIS G 3192 热轧型钢的形状、尺寸、质量及其允许偏差JIS G 3193 热轧钢板及钢带的形状、尺寸、质量及其允许偏差 JIS G 3194 热轧平钢的形状、尺寸、质量及其允许偏差 JIS Z 2241 金属材料-拉伸实试验-室温测试方法 JIS Z 2248 金属材料-弯曲试验3 分类、牌号及适用尺寸钢材分为 4 种,其牌号及适用尺寸如表 1 所示。
表1 牌号及适用尺寸受控4 化学成分钢材按 8.1 条的规定进行分析试验,其熔炼成分应符合表 2 的规定。
表2 化学成分单位:%5 力学性能钢材应按 8.2 的要求进行性能试验,其屈服点或屈服强度、抗拉强度、伸长率及弯曲性能应符合表3的规定。
JIS G 3101-2004 普通结构用轧制钢材(可编辑)(文档可以直接使用,也可根据实际需要修改使用,可编辑推荐下载)日本工业标准普通结构用轧制钢材JIS G3101-2004序言本标准是根据标准化法第14条按照第12条第1项的规定,由社团法人日本钢铁联盟(JISF)提出依据原工业标准修订日本工业标准的申请,经日本工业标准调查委员会的审议,经济产业大臣修改的日本工业标准。
经过以上程序,JISG3101-1995被本标准所代替。
本标准的一部分,有与具有技术性质的专利权、申请公开后的专利申请、实用上的发明权、或申请公开后实用上的发明注册申请相抵触的可能性,希望引起注意。
对于证实与具有技术性质的专利权、申请公开后的专利申请、实用上的发明权、或申请公开后实用上的发明注册申请有关的问题,经济产业大臣和日本工业标准化调查委员会不负责任。
JISG3101标准有以下所示附录。
附录1(标准附录)试样的采取位置1. 适用范围本标准适用于一般结构用桥梁、船舶、车辆及其他结构件用的热轧钢材(以下称钢材)。
2. 引用标准附表1中所示的标准通过本标准的引用而构成本标准规定的一部分。
这些引用标准的最新版本(包含增补内容)适用于本标准。
3. 种类及牌号钢材的种类分为4种,其牌号如表1。
表1 牌号4. 化学成分钢材按照8.1条进行分析试验,其熔炼分析值应符合表2的规定。
表2 单位:%备注:根据需要,可以添加表2以外的合金元素。
5. 力学性能钢材按照8.2条进行试验,其屈服点或屈服强度、抗拉强度、伸长率及弯曲性能应符合表3的规定。
另外,进行弯曲性能试验时,试样外侧不应产生裂纹。
表3 力学性能注(1)对于棒钢而言,圆形棒钢为直径、方形棒钢为边长(或宽度)、六角钢为对边距离的尺寸。
备注1. 厚度大于90mm钢板的4号试样的伸长率,厚度每增长25.0mm或其零数,则从表3的伸长率值减去1%,但是减少限度为3%。
2. 厚度不大于5mm钢板,其弯曲试验可以采用3号试样。
日本工业标准JIS简介JIS(Japanese Industrial Standards)是日本工业标准的代号。
JIS的制定对象是矿业品及工业制品。
但在工业制品中具有特殊标准体系的药品、农药、化肥以及农业物资不作为JIS的制订对象。
JIS标准是由日本工业标准调查会JISC(Japanese Industrial Standards Committe)所制订的标准,该组织是日本官方机构,由通产省大臣和副大臣任JISC的正、副会长。
办事机构是日本通产省工业技术院,成员包括各方面专家、学者、政府部门及消费者代表,主要任务是审批、发布JIS标准。
这样的建制是由1949年7月1日实施《工业标准化法》后实施的。
JIS标准按其标准对象分类。
目前共有“土木建筑”、“汽车”、“钢铁”、“有色金属”等18类部门,各用英文字母表示(标于标准号中的“JIS”和“××××(标准号)”之间)。
与我们相关的钢铁→G;化学→K;其他(包括试验方法、焊接等)→Z。
按JIS标准内容的性质分为:①产品标准②试验方法标准③基础标准。
JIS标准制定过程有着标准化的程序,并保持透明度。
从制订项目的确立、标准草案的制定、标准审议等过程均在官方标准化杂志上发布官方公告,供任何有兴趣有意见者有机会提出自己的意见。
目前,JIS 共计有8000多个标准,其中钢铁标准有320多个,JIS钢铁标准的特点是除机械结构钢外,标准中“钢”与“钢产品”是统一的,并且用途特点比较突出,在使用上比较方便。
除试验方法以标准外,不存在标准引用标准的复杂情况。
同时,标准指标比较粗线条,同一标准可供制造厂在生产产品时具有较大自由度。
日本于1952年参加ISO,1953年参加IEC,为了达到WTO/TBT协定(世贸组织标准守则)的要求,日本积极参加ISO标准的制定工作并任多个技术委员会的秘书国,并于1995年3月制定了“JIS与ISO整合化”的三年计划,目前已在多个JIS标准后附上相应ISO标准内容,并尽量也其靠拢。
日本工业标准普通结构用轧制钢材JIS G3101-2004序言本标准是根据标准化法第14条按照第12条第1项的规定,由社团法人日本钢铁联盟(JISF)提出依据原工业标准修订日本工业标准的申请,经日本工业标准调查委员会的审议,经济产业大臣修改的日本工业标准。
经过以上程序,JISG3101-1995被本标准所代替。
本标准的一部分,有与具有技术性质的专利权、申请公开后的专利申请、实用上的发明权、或申请公开后实用上的发明注册申请相抵触的可能性,希望引起注意。
对于证实与具有技术性质的专利权、申请公开后的专利申请、实用上的发明权、或申请公开后实用上的发明注册申请有关的问题,经济产业大臣和日本工业标准化调查委员会不负责任。
JISG3101标准有以下所示附录。
附录1(标准附录)试样的采取位置1. 适用范围本标准适用于一般结构用桥梁、船舶、车辆及其他结构件用的热轧钢材(以下称钢材)。
2. 引用标准附表1中所示的标准通过本标准的引用而构成本标准规定的一部分。
这些引用标准的最新版本(包含增补内容)适用于本标准。
3. 种类及牌号钢材的种类分为4种,其牌号如表1。
表1 牌号4. 化学成分钢材按照8.1条进行分析试验,其熔炼分析值应符合表2的规定。
表2 单位:%备注:根据需要,可以添加表2以外的合金元素。
5. 力学性能钢材按照8.2条进行试验,其屈服点或屈服强度、抗拉强度、伸长率及弯曲性能应符合表3的规定。
另外,进行弯曲性能试验时,试样外侧不应产生裂纹。
表3 力学性能注(1)对于棒钢而言,圆形棒钢为直径、方形棒钢为边长(或宽度)、六角钢为对边距离的尺寸。
备注1. 厚度大于90mm钢板的4号试样的伸长率,厚度每增长25.0mm或其零数,则从表3的伸长率值减去1%,但是减少限度为3%。
2. 厚度不大于5mm钢板,其弯曲试验可以采用3号试样。
6. 形状、尺寸、重量及其允许偏差形状、尺寸、重量及其允许偏差应符合下列标准的规定。
JIS G3191、JIS G3192、JIS G3193、JIS G3194无特别指定的情况,切边钢板及钢带的宽度和钢板长度的允许偏差应符合JIS G3193标准中的允许偏差A。
18 JIS G 3101: 2015普通结构用轧制钢材简介本日本工业标准是基于2011发布的第一版ISO 63I-1和的ISO 630-2发表的技术内容的修改。
给予连续的间隙或点下划线的部分是相应的国际标准的内容已被修改的事项。
修改列表见附件JC 。
1 适用范围本标准适用于桥梁、船舶、车辆及其它结构件使用的一般结构用热轧钢材(以下简称钢材)。
热挤压型材的质量要求见附件JB注:本标准所对应的国际标准和对应度符号如下ISO 630-1 : 2011 结构钢-第1部分:热轧产品的一般技术交货条件ISO 630-2 : 2011 结构钢-第2部分:一般用途结构钢的技术交货条件(评定:修改)此外,根据ISO IEC 21 – 1要求:符号表示相关的国际标准和日本之间在内容的符合程度是IDT (相同),MOD (修改),NEQ (非等效)2 引用标准下列标准被本标准引用而成为本标准的一部分,这些引用标准的最新版本(包括修改版)也适用于本标准。
JIS G 0320 钢材的熔炼分析方法 JIS G 0404 钢材的一般交货技术要求 JIS G 0415 钢及钢制品 检查文件JIS G 0416 钢及钢制品 力学性能取样位置及试样制备JIS G 3191 热轧钢棒和盘条的形状、尺寸、质量及其允许偏差 JIS G 3192 热轧型钢的形状、尺寸、质量及其允许偏差JIS G 3193 热轧钢板及钢带的形状、尺寸、质量及其允许偏差 JIS G 3194 热轧平钢的形状、尺寸、质量及其允许偏差 JIS Z 2241 金属材料-拉伸实试验-室温测试方法 JIS Z 2248 金属材料-弯曲试验3 分类、牌号及适用尺寸钢材分为 4 种,其牌号及适用尺寸如表 1 所示。
表1 牌号及适用尺寸受控4 化学成分钢材按 8.1 条的规定进行分析试验,其熔炼成分应符合表 2 的规定。
表2 化学成分单位:%5 力学性能钢材应按 8.2 的要求进行性能试验,其屈服点或屈服强度、抗拉强度、伸长率及弯曲性能应符合表3的规定。
JISG3101:2017一般结构用轧制钢材日本工业标准JIS G3101:2017一般结构用轧制钢材1.适用范围本标准是桥梁,船舶,车辆及其它结构件使用的一般结构用热轧钢材(以下称钢材)的标准。
2.引用标准付表1所示的标准是该标准的引用标准,是该标准规定的构成部分,这些引用标准均适用最新版本(包含补充内容)。
JIS G0320 钢材的炼钢化学成分分析方法JIS G0404 钢材的一般交货条件JIS G0415 钢及钢制品——检查文件JIS G0416 钢及钢制品——机械试验用试验材料及试样的选取位置和制备JIS G3191 热轧制钢棒及盘条的形状、尺寸、质量及其允许偏差JIS G3192 热轧型钢的形状、尺寸、质量及其允许偏差JIS G3193 热轧制钢板及钢带的形状、尺寸、质量及其允许偏差JIS G3194 热轧制扁钢的形状、尺寸、质量及其允许偏差JIS Z2241 金属材料拉伸试验方法JIS Z2248 金属材料弯曲试验方法3.种类及牌号钢材的种类分4种,其牌号及适用尺寸如表1所示表1—种类牌号及适用尺寸种类牌号适用范围适用尺寸SS330 钢板、钢带、扁钢及棒钢—SS400钢板、钢带、型钢、扁钢及棒钢—SS490SS540 钢板、钢带、型钢、及扁钢厚度a)在40mm以下棒钢直径、边或对边距离在40mm以下注:棒钢包括软钢线材。
注a)型钢的厚度为,JIS G 3192的表3(角钢、I型钢、槽钢、球扁钢及T型钢的形状及尺寸的允许偏差)的厚度t或t2及表4(H 型钢的形状及尺寸的允许偏差)的厚度t2。
4.化学成分钢材按8.1进行试验,其熔炼分析值如表2所示.表2 化学成分单位:% 种类牌号 C Mn P SSS300- - 0.050以下0.050以下SS400SS490SS540 0.30以下1.60以下0.040以下0.040以下备注:根据需要可添加表2以外的合金元素5.机械性质钢材按8.2进行性能试验,其屈服点或屈服强度,抗拉强度,延伸率及弯曲要求如表3所示。
日本工业标准JIS G3101:2015
一般结构用轧制钢材
1.适用范围本标准是桥梁,船舶,车辆及其它结构件使用的一般结构用热轧钢材(以下称钢材)的标准。
2.引用标准付表1所示的标准是该标准的引用标准,是该标准规定的构成部分,这些引用标准均适用最新版本(包含补充内容)。
JIS G0320 钢材的炼钢化学成分分析方法
JIS G0404 钢材的一般交货条件
JIS G0415 钢及钢制品——检查文件
JIS G0416 钢及钢制品——机械试验用试验材料及试样的选取位置和制备
JIS G3191 热轧制钢棒及盘条的形状、尺寸、质量及其允许偏差
JIS G3192 热轧型钢的形状、尺寸、质量及其允许偏差
JIS G3193 热轧制钢板及钢带的形状、尺寸、质量及其允许偏差
JIS G3194 热轧制扁钢的形状、尺寸、质量及其允许偏差
JIS Z2241 金属材料拉伸试验方法
JIS Z2248 金属材料弯曲试验方法
3.种类及牌号钢材的种类分4种,其牌号及适用尺寸如表1所示
4.化学成分钢材按8.1进行试验,其熔炼分析值如表2所示.
5.机械性质钢材按8.2进行性能试验,其屈服点或屈服强度,抗拉强度,延伸率及弯曲要求如表3所示。
但是,边不满40mm的型钢及宽度不满40mm的扁钢的机械性能依据附录JA。
但弯曲时,其弯曲试样外侧不得出现裂纹。
注实施弯曲性能测试时,参照8.2.1。
mm=1MPa
注1N/2
注)a:型钢时,钢材厚度为试样采取位置的厚度。
棒钢时,圆钢为直径,角钢为边,六角钢为对边距离的作为厚度的尺寸。
)b厚度>90mm钢板的4号试样的伸长率为,厚度每增加25.0mm或其零头,表3中的伸长率则减少1,.但减少的限度为3。
.
)c厚度≤5mm的钢材做弯曲试验时,可以选用3号试样。
6.形状、尺寸、质量及允许偏差形状、尺寸、质量及允许偏差按以下标准的规定执行。
JIS G3191,JIS G3192,JIS G3193,JIS G3194
此时,钢板及钢带切边时的宽度,和钢板长度的允许偏差,如无特别规定,按JIS G3193的允许偏差表7(宽度的允许偏差)之A及表8(钢板长度允许偏差A)的规定执行。
对JIS G3193中没规定的厚板的允许偏差,按供需双方的协商规定。
7.外观
钢材的外观依据JIS G3191的9.(外观),JIS G3192的9.(外观),JIS G3193之7(外观)及JIS G3194的10.(外观)的规定。
8. 试验
8.1 分析试验
a)分析试验的一般事项分析试验的一般事项及炼钢分析试验的采取方法按
JIS G0404的8.(化学成分)规定。
b) 分析方法炼钢分析方法按JISG0320的规定执行.
8.2机械试验
8.2.1 一般试验机械试验的一般事项按JIS G0404之7(一般要求)及9.(机械性质)规定.但取样方法按JISG0404之7.6(试样采取条件及试样)A类规定进行.且,弯曲性试验,没有定购者特别要求的可以省略)1。
但如果需方有要求时,则必须要进行试验。
注1)依据生产厂家的判断可以省略试验,但是弯曲性能必须满足规定。
8.2.2 拉伸试样及弯曲试样的数量拉伸试样及弯曲试样的数量按以下规定。
a)钢板及扁钢属于同一炉钢,其最大厚度为最小厚度2倍以内者为一组,每组各取1个试样。
但一组的重量超过50t时,每组取2个试样。
每张钢板的重量超过50t时,每张钢板取1个试样。
b)钢带及钢带切割的板属于同一炉钢,同一厚度者为一组,每组各取1个试样。
但一组的重量超过50t时,每组取2个试样。
c)型钢属于同一炉钢及同一截面形状,其最大厚度为最小厚度2倍以内者
为一组,每组各取1个试样。
但一组的重量超过50t时,每组取2个试样。
d)棒钢属于同一炉钢及同一截面形状,其最大直径(边长及对边距离)为最小直径(边长及对边距离)2倍以内者为一组,每组各取1个试样。
但一组的重量超过50t时,每组取2个试样。
e)经热处理的钢材的试样数量经热处理的钢材的试样数量,属于同一炉钢和同一热处理,则按a),b),c)及d)的规定执行。
8.2.3 拉伸试样及弯曲试样的选取位置拉伸试样及弯曲试样的选取位置按JIS G0416的规定。
但是,钢板、钢带及平钢宽度方向的试样中心为宽度边缘离宽度四分之一处或与此较近的位置。
8.2.4 试样拉伸试样及弯曲试样按以下规定
a) 抗拉试样为JIS Z2201的1A号,2号,4号,5号或14A试样
b) 弯曲试样为JIS Z2248之1号,2号或3号试样
8.2.5 试验方法拉伸试验及弯曲试验方法按以下规定
a) 抗拉试验方法按JIS Z2241的规定执行。
b) 弯曲试验方法按JIS Z2248的规定执行。
删除
9. 检验
检验按以下规定
a) 检验的一般事项按JIS G0404的规定
b) 化学成分应必须符合4.的规定
c) 机械性质应必须符合5.的规定
d) 形状、尺寸及质量必须符合6.的规定
e) 外观必须符合7.的规定
10. 复检拉伸试验及弯曲试验不合格的钢材,可按JIS G0404的9.8(再检验)进行复验,以决定其合格与否。
11.表示经检验合格的钢材,应逐件或逐捆用适当的方法标明下列各项内容。
但在供需双方协商同意下,可以省略其部分事项。
a) 种类牌号
注为了便于需方识别,有时在合同或供需双方协议中规定的符号追加在末
尾处进行表示。
b) 熔炼编号或检验编号
c) 尺寸。
尺寸表示按JIS G3191之4.(尺寸的表示方法),JISG3192之4(尺寸的表示方法),JISG3193之3.(尺寸的表示方法)及JISG3194之4.(尺寸的表示方法)的相关规定执行。
d) 每捆的数量或质量(钢板和钢带时)
e) 生产厂名或其简称
12.报告报告按JIS G0404的13.(报告)规定。
如需方无特别说明,检验文件的种类按JISG0415之表1(检验文件总括表)之符号2.3(交货试验报告书)或3.1.B (检查证明书3.1.B)的规定执行。
另,如添加表2以外的合金元素时,则须在检验报告中填写添加的合金元素的含有率。
附录JA
(规定)
边不满40mm的型钢及宽不满40mm的扁钢的机械性能
JA.1机械性能
边不满40mm的型钢及宽不满40mm的扁钢,依据8.2进行测试,其屈服点或屈服强度、抗拉强度、延伸率及弯曲性能依据表JA.1。
JA.1-边不满40mm的型钢及宽不满40mm的扁钢的机械性能
附录JB
(规定)
热挤压型钢的品质规定(略)。