通信协议(ASCII)
- 格式:doc
- 大小:126.70 KB
- 文档页数:11
ASCII协议ASCII(American Standard Code for Information Interchange,美国信息交换标准代码)是一种常用的字符编码方式,用于将字符与二进制数值相互映射。
它是最早的字符编码标准之一,广泛应用于计算机系统和通信设备中。
背景在计算机发展的早期,美国的计算机制造商和通信设备制造商之间存在一些不兼容的问题。
为了解决这个问题,美国国家标准学会(ANSI)于1963年开始制定统一的字符编码标准,最终于1967年发布了ASCII标准。
ASCII标准定义了128个字符,包括英文字母、数字、标点符号、控制字符等。
ASCII编码规则ASCII编码使用7位二进制数(0-127)来表示128个字符。
每个字符对应一个唯一的二进制数值。
例如,字母“A”对应的ASCII码为65,字母“a”对应的ASCII码为97。
ASCII编码规则如下:•控制字符(0-31)用于控制计算机设备的行为,如换行、回车、退格等。
•可显示字符(32-127)包括英文字母、数字、标点符号等。
ASCII编码只使用了7位二进制数,而计算机系统通常使用8位二进制数(字节)来存储数据。
因此,ASCII编码的字符在存储时需要使用一个字节,高位补0。
扩展ASCII随着计算机技术的发展,ASCII编码逐渐无法满足其他语言字符的表示需求。
为了解决这个问题,扩展ASCII标准被引入。
扩展ASCII使用了8位二进制数(0-255),可以表示更多的字符。
扩展ASCII中,128-255的字符称为扩展字符,包括不同语言的字母、符号、图形字符等。
但是,扩展ASCII没有统一的标准,不同的计算机制造商和操作系统开发商可以自定义扩展字符集。
ASCII协议的应用ASCII协议在计算机和通信领域有着广泛的应用,包括但不限于以下几个方面:文本文件存储ASCII编码可以用于存储文本文件。
在ASCII编码中,每个字符占用一个字节的存储空间,便于计算机读取和处理。
M o d b u s通讯协议R T U A S C I I T C P详细介绍集团标准化办公室:[VV986T-J682P28-JP266L8-68PNN]Modbus通讯协议RTU ASCII TCP详细介绍Modbus协议最初由Modicon公司开发出来,在1979年末该公司成为施耐德自动化(Schneider Automation)部门的一部分,现在Modbus已经是工业领域全球最流行的协议。
此协议支持传统的RS-232、RS-422、RS-485和以太网设备。
许多工业设备,包括PLC,DCS,智能仪表等都在使用Modbus协议作为他们之间的通讯标准。
有了它,不同厂商生产的控制设备可以连成工业网络,进行集中监控。
当在网络上通信时,Modbus协议决定了每个控制器须要知道它们的设备地址,识别按地址发来的消息,决定要产生何种行动。
如果需要回应,控制器将生成应答并使用Modbus协议发送给询问方。
Modbus协议包括ASCII、RTU、TCP等,并没有规定物理层。
此协议定义了控制器能够认识和使用的消息结构,而不管它们是经过何种网络进行通信的。
标准的Modicon控制器使用RS232C实现串行的Modbus。
Modbus的ASCII、RTU 协议规定了消息、数据的结构、命令和就答的方式,数据通讯采用Maser/Slave方式,Master端发出数据请求消息,Slave端接收到正确消息后就可以发送数据到Master端以响应请求;Master端也可以直接发消息修改Slave端的数据,实现双向读写。
Modbus协议需要对数据进行校验,串行协议中除有奇偶校验外,ASCII模式采用LRC校验,RTU模式采用16位CRC校验,但TCP模式没有额外规定校验,因为TCP协议是一个面向连接的可靠协议。
另外,Modbus采用主从方式定时收发数据,在实际使用中如果某Slave站点断开后(如故障或关机),Master端可以诊断出来,而当故障修复后,网络又可自动接通。
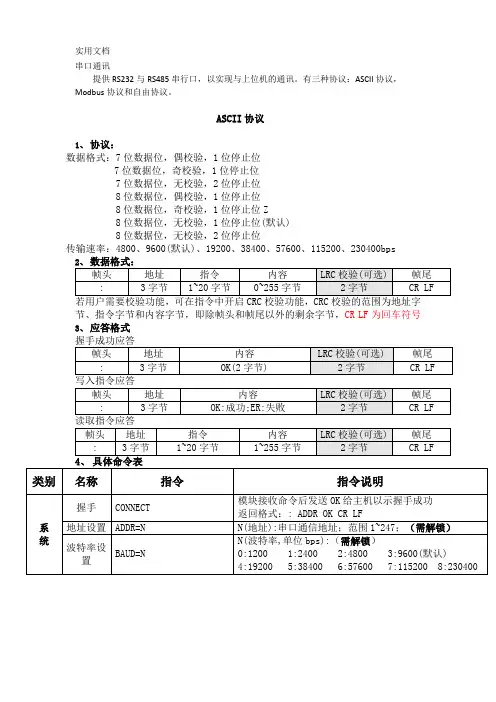
串口通讯提供RS232与RS485串行口,以实现与上位机的通讯。
有三种协议:ASCII协议,Modbus 协议和自由协议。
ASCII协议1、协议:数据格式:7位数据位,偶校验,1位停止位7位数据位,奇校验,1位停止位7位数据位,无校验,2位停止位8位数据位,偶校验,1位停止位8位数据位,奇校验,1位停止位Z8位数据位,无校验,1位停止位(默认)8位数据位,无校验,2位停止位传输速率:4800、9600(默认)、19200、38400、57600、115200、230400bps节、指令字节和内容字节,即除帧头和帧尾以外的剩余字节,CR LF为回车符号3、应答格式详细的指令集说明如下列章节所述。
5.1 握手指令格式::001CONNECT (001为放大器地址,客户根据自己设定的地址输入。
)返回格式::001OK握手指令主要用于判断设备是否上电初始化、通信是否正常和是否在线状态等。
※握手失败建议检查以下问题:1.线路是否连接正确;2.核实串口号是否与放大器连接串口号一致(放大器串口号怎么看,右击我的电脑,打开管理,选择设备管理器,双击端口,然后看到USB serial port+串口号),;3.电脑上波特率设置是否和放大器一致;4.数据格式是否正确;5.ASC码协议时不要选用十六进制;6.串口是否打开。
5.2地址设置客户可通过2种途径设置地址,一种是通过拨码开关设定,最多可设定63种,具体设置方法已在1.2.4中说明,拨码开关需在通电前拨好位置,第二种通过软件设置,将SW1到SW6的拨码开关都上拨到”off”档。
拨码开关通电前拨才有效。
指令格式::001ADDR=002(使用前需解锁)返回格式::001OK5.3波特率设置放大器出厂时默认波特率为9600,修改为115200,输入格式如下指令格式::001BAUD=7,手动发送指令后将系统波特率选择到115200(使用前需解锁)返回格式::001OK(应答的数据是在变送器切换成新的波特率后返回的,如果上位机未及时切换到新的波特率,则无法收到数据)5.4数据帧格式放大器出厂时默认为5(8位数据位,无校验,1位停止位)选项格式,修改为4(8位数据位,奇校验,1位停止位)选项时指令格式::001FRAME=4,手动发送指令后将校验位、数据位、停止位在上位机上设置成4中内容(使用前需解锁)返回格式::001OK(应答的数据是在变送器切换成新的数据帧格式后返回的,如果上位机未及时切换到新的数据帧格式,则无法收到数据)5.5协议类型设置协议可通过拨码开关设置,参考1.2.4,也可通过软件设置指令格式::001PROCOTOL=1返回格式::001OKPROCOTOL=N,N可以是0(自由协议),1(Modbus 协议),2(ASC协议),协议类型切换后,数字帧格式将恢复成默认值。
通信协议(Modbus ASCII)2013.4.12(V1.02)此文档是对本公司生产的逆变电源,电力专用不间断电源及应急电源等智能设备接入用户集中监控网络提供的一种通信协议,符合Modbus规约.一、硬件规范1、通信接口:RS485接口2、数据格式:1位起始位,8位数据位,1位停止位,无奇偶校验3、波特率:2400 bps4、接线端子:RS485+,RS485-5、设备地址选择拨码开关设备地址3 2 1OFF OFF OFF 07HOFF OFF ON 06HOFF ON OFF 05HOFF ON ON 04HON OFF OFF 03HON OFF ON 02HON ON OFF 01HON ON ON 00H二、协议内容1、ASCII帧结构起始位设备地址功能代码数据长度数据LRC校验结束符1个字符2个字符2个字符2个字符N个字符2个字符2个字符2 命令帧2.1 读取数据帧结构起始位设备地址功能代码数据长度数据校验结束符下行(RTU)下行(ASCII) :(3AH)30H,3XH 30H,33H 30H,30H NC LRC-H,LRC-L 0DH,0AH 上行(RTU)上行(ASCII) :(3AH)30H,3XH 30H,33H 32H,34H * LRC-H,LRC-L 0DH,0AH注:*数据包含数据段为:MMM.M NNN.N PPP.P QQQ RR.R S.SS TT.T每个数据段之间有一个空格符分开.每段数值的含义如下:交流输入电压:MMM.M(V)输入异常电压:NNN.N(V) (不用)交流输出电压:PPP.P(V)交流输出电流:QQQ(%)相对于最大电流值交流输入频率:RR.R(Hz)直流输入电压:S.SS*电池节数(换算成2V电池)机内温度:TT.T(℃)2.2读取状态帧结构起始位设备地址功能代码数据长度数据校验结束符下行(RTU)下行(ASCII) :(3AH)30H,3XH 30H,37H 30H,30H NC LRC-H,LRC-L 0DH,0AH 上行(RTU)上行(ASCII) :(3AH)30H,3XH 30H,37H 30H,38H * LRC-H,LRC-L 0DH,0AH注:*数据包含一个二进制信息的字节,例如:<B7B6B5B4B3B2B1B0>这个的Bn是一个ASCII码字符“0”或“1”状态列表位序描述7 1 : 交流输入异常(即时)6 1 : 直流输入欠压5 1 : 旁路/ 正在升压或正在降压(不用)4 1 : UPS故障(损坏)3 1 : UPS类型是离线式(0是在线式) (不用)2 1 : 正在测试(不用)1 1 : 正在关机或处于关机状态(不用)0 1 : 蜂鸣器打开(不用)2.3读取信息I帧结构起始位设备地址功能代码数据长度数据校验结束符下行(RTU)下行(ASCII) :(3AH)30H,3XH 31H,37H 30H,32H 34H,39H LRC-H,LRC-L 0DH,0AH 上行(RTU)上行(ASCII) :(3AH)30H,3XH 31H,.37H 32H,35H * LRC-H,LRC-L 0DH,0AH 注:*此功能是设备的生产厂家,机器型号和产品版本的信息上行数据内容:#Company_Name Model V ersion每段内容的长度要求如下:厂商名称(Company_Name):15个字符,不足15个字符用空格加满机器型号(Mode):10个字符,不足10个字符用空格加满产品版本(V ersion):10个字符,不足10个字符用空格加满每段内容之间用空格分开2.3读取信息F帧结构起始位设备地址功能代码数据长度数据校验结束符下行(RTU)下行(ASCII) :(3AH)30H,3XH 31H,37H 30H,32H 34H,36H LRC-H,LRC-L 0DH,0AH 上行(RTU)上行(ASCII) :(3AH)30H,3XH 31H,37H 31H,34H * LRC-H,LRC-L 0DH,0AH注:*1、此功能返回设备的额定信息,在每段内容之间用空格分开.2、上行数据内容为:MMM.M QQQ SS.SS RR.R每段的内容如下:a. 额定电压:MMM.M(V)b. 额定电流:QQQ(A)c. 额定电池电压:SS.SS or SSS.S(V)d. 频率:RR.R(Hz)三、说明1. 本规约符合Modbus通信协议,相关定义参考附录(Modbus通信协议).2. 下行指控制器向其他设备传送指令, 上行指设备向控制器回应数据.四、LRC举例(ASCII)读取数据:遥测下行:3AH 30H 31H 30H 33H 30H 30H 32H 34H 0DH 0AH32H 34H为LRC校验码遥测上行:(:01 03 24 220.0 210.0 222.0 005 50.0 2.05 17.5 41H 39H 0DH 0AH)3AH 30H 31H 30H 33H 32H 34H 32H 32H 30H 2EH 30H 20H 32H 31H 30H 2EH 30H20H 32H 32H 32H 2EH 30H 20H 30H 30H 35H 20H 35H 30H 2EH 30H 20H 32H 2EH30H 35H 20H 31H 37H 2EH 35H 41H 39H 0DH 0AHLRC=30H+31H+30H+33H+32H+34H+32H+32H+30H+2EH+30H+20H+32H+31H+30H +2EH+30H+20H+32H+32H+32H+2EH+30H+20H+30H+30H+35H+20H+35H+30H+2EH+30H+20H+32H+2EH+30H+35H+20H+31H+37H+2EH+35H=07A9H取LRC=A9H。
modbus通讯协议格式详解Modbus是一种常用的通信协议,用于在工业自动化系统中不同设备之间进行通信。
下面是Modbus通信协议的详解。
1. Modbus协议类型:- Modbus ASCII:使用ASCII字符进行数据传输,每个字节使用两个ASCII字符表示。
- Modbus RTU:使用二进制编码进行数据传输,每个字节使用8个二进制位表示。
2. Modbus通信格式:- 帧起始符:通常为冒号(ASCII字符)或启动位(RTU模式)。
- 地址字段:定义要与之通信的设备地址。
- 功能码:指示所需执行的操作类型。
- 数据域:包含要传输或接收的数据。
- 校验和:用于验证帧数据的完整性,通常是通过计算和比较CRC校验值或校验和字节来实现的。
3. Modbus功能码:- 读取数据:用于读取设备的状态或数据。
- 功能码0x01(读取线圈状态):用于读取数字输出或线圈的状态。
- 功能码0x02(读取输入状态):用于读取数字输入或线圈的状态。
- 功能码0x03(读取保持寄存器):用于读取设备的保持寄存器的值。
- 功能码0x04(读取输入寄存器):用于读取设备的输入寄存器的值。
- 写入数据:用于写入设备的状态或数据。
- 功能码0x05(写单个线圈):用于写入单个数字输出或线圈的状态。
- 功能码0x06(写单个寄存器):用于写入单个保持寄存器的值。
- 功能码0x0F(写多个线圈):用于写入多个数字输出或线圈的状态。
- 功能码0x10(写多个寄存器):用于写入多个保持寄存器的值。
4. Modbus数据格式:- 线圈状态:用于表示开关状态的数据,以位为单位(0表示关,1表示开)。
- 输入状态:用于表示输入设备状态的数据,以位为单位。
- 保持寄存器:用于存储设备状态或数据的数据,以字为单位。
- 输入寄存器:用于存储输入设备状态或数据的数据,以字为单位。
总结:Modbus通信协议定义了一套通用的格式,用于在工业自动化系统中进行设备之间的通信。
modbus ascii通信协议06功能码报文格式详解Modbus ASCII通信协议是一种基于ASCII码的Modbus通信协议。
它使用ASCII字符来表示数据,以 ASCII 字节对数据进行传输。
Modbus ASCII协议支持常见的数据读取、写入、寄存器写入和寄存器写入多个值等操作。
Modbus ASCII协议的功能码06是用于写单个寄存器的功能码。
下面是该功能码的报文格式的详细解释:1. 起始符:每个Modbus ASCII报文以":"作为起始符,表示报文的开始。
2. 从站地址:接下来的两个ASCII字符表示从站的地址。
从站地址是指要接收或响应该报文的目标从站的地址。
3. 功能码:接下来的两个ASCII字符表示功能码,即06,表示写单个寄存器。
4. 寄存器地址:接下来的四个ASCII字符表示要写入的寄存器的地址。
该地址通常以十六进制表示。
5. 数据值:接下来的四个ASCII字符表示要写入到寄存器的数据值。
该值通常以十六进制表示。
6. 校验和:接下来的两个ASCII字符表示校验和。
校验和是用于检测数据的正确性的一种校验方法。
它是将从站地址到数据值的全部ASCII字符的二进制值相加,然后取结果的低8位。
7. 终止符:每个Modbus ASCII报文以回车符和换行符作为终止符。
表示报文的结束。
总结:Modbus ASCII通信协议的06功能码报文格式如下:起始符 + 从站地址 + 功能码 + 寄存器地址 + 数据值 + 校验和+ 终止符注意:在ASCII通信中,每个ASCII字符都由两个字节表示,因此每个十六进制数需要四个ASCII字符来表示。
串口通信协议文件后缀一、串口通信协议简介串口通信协议,又称串行通信协议,是一种在计算机系统之间进行数据传输的通信协议。
它通过串行端口进行数据传输,具有传输速率快、传输距离远、传输成本低等优点。
常见的串口通信协议有RS-232、RS-485、USB等。
二、串口通信协议文件后缀的常见类型在串口通信中,文件后缀用于表示数据的编码格式。
常见的串口通信文件后缀有以下几种:1.ASCII:美国标准信息交换码,适用于文本数据传输。
2.UTF-8:一种跨平台的多国语言编码格式,适用于文本和图像数据传输。
3.binary:二进制数据格式,适用于数字和图像数据传输。
三、如何选择合适的串口通信协议文件后缀选择合适的串口通信协议文件后缀,需要考虑以下几个方面:1.数据类型:根据传输的数据类型,选择相应的文件后缀。
例如,传输文本数据时,可选择ASCII或UTF-8编码;传输数字和图像数据时,可选择二进制编码。
2.平台兼容性:确保发送方和接收方使用相同的操作系统和编程语言,以保证数据传输的顺畅。
3.传输速率:根据实际需求,选择合适的传输速率。
高速传输时,可选择RS-485协议;中低速传输时,可选择RS-232或USB协议。
4.传输距离:根据实际应用场景,选择合适的传输距离。
长距离传输时,可选择RS-485协议,并通过中继器扩展传输距离;短距离传输时,可选择RS-232或USB协议。
四、常见问题及解决方法1.数据传输过程中出现乱码:可能是编码格式不匹配或传输速率不稳定导致的。
解决方法:检查发送方和接收方的编码格式是否一致,调整传输速率至稳定范围。
2.无法识别文件后缀:可能是操作系统或软件不支持该文件后缀导致的。
解决方法:更新操作系统或软件,或更换为其他支持的文件后缀。
3.传输速率受限:可能是通信线路或设备性能受限导致的。
解决方法:优化通信线路,提高设备性能,或更换更高速的通信协议。
五、总结串口通信协议文件后缀的选择,关系到数据传输的稳定性和可靠性。
ASCII码通讯协议ASCII (American Standard Code for Information Interchange)是一种常见的字符编码方式,用于将字符、数字和特殊符号转换为二进制数进行传输和存储。
ASCII码通讯协议是基于ASCII编码的一种通信协议,它定义了如何传输和解析ASCII字符。
本文将详细介绍ASCII码通讯协议的原理、应用和优缺点。
ASCII码通讯协议的原理是通过将ASCII字符转换为二进制数据进行传输。
ASCII码使用7位二进制数来表示一个字符,共可表示128个不同的字符。
ASCII码通讯协议使用定长数据包进行通信,每个数据包由固定长度的二进制序列组成。
通信双方通过事先约定好的规则来解析和处理收发的数据包。
ASCII码通讯协议可以用于各种通信场景,包括串行通信、网络通信和文件传输等。
在串行通信中,ASCII码通讯协议常用于传输文本数据,如控制命令和传感器数据。
在网络通信中,ASCII码通讯协议可以通过TCP/IP协议进行数据传输,并通常与其他协议(如HTTP)一起使用。
在文件传输中,ASCII码通讯协议用于将文本文件转换为可传输的二进制数据。
ASCII码通讯协议的优点之一是它的易于实现和解析。
ASCII码是一个简单而广泛使用的字符编码方式,几乎所有的编程语言和操作系统都内置了ASCII码转换函数。
因此,开发人员可以方便地编写代码来处理ASCII码通讯协议。
另外,ASCII码通讯协议的数据包长度固定,这样可以确保通信双方能够准确地解析和处理数据包。
然而,ASCII码通讯协议也存在一些缺点。
首先,ASCII码通讯协议只能传输有限的字符集。
ASCII码只能表示128个不同的字符,包括数字、字母、标点符号和控制字符等。
对于一些特殊字符和非ASCII字符,ASCII码通讯协议无法完全表示和传输。
其次,ASCII码通讯协议的数据包长度固定,这可能会导致数据包长度不一致的问题。
单片机ASCⅡ码协议进行多机串行口通信单片机ASCII码协议是一种常用的通信协议,用于实现多机串行口通信。
它通过将数据以ASCII码的形式进行传输,从而实现各个单片机之间的数据交换与通信。
在下面的1200字以上的文章中,我将详细介绍单片机ASCII码协议的原理、实现方法以及其在多机串行口通信中的应用。
首先,我们来了解一下单片机ASCII码协议的原理。
ASCII码是一种标准的字符编码方式,它将字符映射为7位或8位的二进制代码。
在单片机ASCII码协议中,使用一字节的数据进行传输,其中包含了一个ASCII码字符。
这种协议的优点是传输速度较快,且数据可靠传输,但是需要进行数据的解码和编码操作。
在实现单片机ASCII码协议的过程中,我们首先需要通过串行口将数据发送出去,并在接收端接收数据。
发送过程中,我们需要将要发送的数据进行ASCII码的转换,将字符转换成对应的ASCII码,并发送出去。
接收过程中,我们需要将接收到的ASCII码进行解码,将其转换为对应的字符。
通过解码后的数据,我们就可以进行后续的处理和分析。
在多机串行口通信中,单片机ASCII码协议扮演了重要的角色。
它能够实现多个单片机之间的数据交换和通信,可以用于传输各种类型的数据,如传感器数据、控制指令等。
具体的应用场景包括无线通信、物联网、嵌入式系统等。
单片机ASCII码协议在无线通信中的应用是一种常见的情况。
通过使用无线模块与单片机进行连接,可以实现距离较远的通信。
在通信的过程中,数据需要进行编码和解码操作。
发送端将要发送的数据进行ASCII码转换,并通过无线模块发送出去。
接收端接收到数据后,进行解码操作,并将解码后的数据进行处理或者显示。
在物联网领域,单片机ASCII码协议也有广泛的应用。
物联网系统中常常包含多个传感器和执行器,这些设备需要进行数据交换和通信。
通过使用单片机ASCII码协议,可以方便地实现各个设备之间的数据传输。
传感器可以将采集到的数据通过ASCII码协议进行编码,并发送给控制中心。
串口通讯提供RS232与RS485串行口,以实现与上位机的通讯。
有三种协议:ASCII协议,Modbus协议和自由协议。
ASCII协议1、协议:数据格式:7位数据位,偶校验,1位停止位7位数据位,奇校验,1位停止位7位数据位,无校验,2位停止位8位数据位,偶校验,1位停止位8位数据位,奇校验,1位停止位Z8位数据位,无校验,1位停止位(默认)8位数据位,无校验,2位停止位传输速率:4800、9600(默认)、19200、38400、57600、115200、230400bps节、指令字节和内容字节,即除帧头和帧尾以外的剩余字节,CR LF为回车符号3、应答格式详细的指令集说明如下列章节所述。
5.1 握手指令格式::001CONNECT (001为放大器地址,客户根据自己设定的地址输入。
)返回格式::001OK握手指令主要用于判断设备是否上电初始化、通信是否正常和是否在线状态等。
※握手失败建议检查以下问题:1.线路是否连接正确;2.核实串口号是否与放大器连接串口号一致(放大器串口号怎么看,右击我的电脑,打开管理,选择设备管理器,双击端口,然后看到USB serial port+串口号),;3.电脑上波特率设置是否和放大器一致;4.数据格式是否正确;5.ASC码协议时不要选用十六进制;6.串口是否打开。
5.2地址设置客户可通过2种途径设置地址,一种是通过拨码开关设定,最多可设定63种,具体设置方法已在1.2.4中说明,拨码开关需在通电前拨好位置,第二种通过软件设置,将SW1到SW6的拨码开关都上拨到”off”档。
拨码开关通电前拨才有效。
指令格式::001ADDR=002(使用前需解锁)返回格式::001OK5.3波特率设置放大器出厂时默认波特率为9600,修改为115200,输入格式如下指令格式::001BAUD=7,手动发送指令后将系统波特率选择到115200(使用前需解锁)返回格式::001OK(应答的数据是在变送器切换成新的波特率后返回的,如果上位机未及时切换到新的波特率,则无法收到数据)5.4数据帧格式放大器出厂时默认为5(8位数据位,无校验,1位停止位)选项格式,修改为4(8位数据位,奇校验,1位停止位)选项时指令格式::001FRAME=4,手动发送指令后将校验位、数据位、停止位在上位机上设置成4中内容(使用前需解锁)返回格式::001OK(应答的数据是在变送器切换成新的数据帧格式后返回的,如果上位机未及时切换到新的数据帧格式,则无法收到数据)5.5协议类型设置协议可通过拨码开关设置,参考1.2.4,也可通过软件设置指令格式::001PROCOTOL=1返回格式::001OKPROCOTOL=N,N可以是0(自由协议),1(Modbus 协议),2(ASC协议),协议类型切换后,数字帧格式将恢复成默认值。
串口协议数据报文格式1. ASCII码格式:ASCII码格式是一种常见的串口通信协议,它使用可打印字符来表示数据。
每个数据字节都被转换成对应的ASCII字符发送。
通常,一个数据报文由起始位、数据位、校验位和停止位组成。
例如,一个典型的ASCII码格式的数据报文可能如下所示:起始位 + 数据位 + 校验位 + 停止位。
其中,起始位和停止位通常使用逻辑高电平表示,而数据位和校验位则使用ASCII字符进行表示。
2. 二进制格式:二进制格式是另一种常见的串口通信协议,它直接将数据以二进制形式传输。
在二进制格式中,一个数据报文通常由起始位、数据位、校验位和停止位组成。
不同于ASCII码格式,二进制格式中的数据位直接以二进制形式发送,而不是转换成可打印字符。
例如,一个典型的二进制格式的数据报文可能如下所示:起始位 + 数据位 + 校验位 + 停止位。
起始位和停止位通常使用逻辑高电平表示,而数据位和校验位则使用二进制形式。
3. 帧格式:帧格式是一种更加复杂的串口通信协议,它将数据划分为多个字段,并在数据报文中使用特定的标识符来标识每个字段。
帧格式通常包括起始标识符、地址字段、控制字段、数据字段、校验字段和结束标识符等。
起始标识符和结束标识符用于标识一个数据报文的开始和结束,地址字段用于指示数据报文的目标设备,控制字段用于指示数据报文的类型或操作,数据字段用于携带实际的数据,校验字段用于验证数据的完整性。
不同的协议可能会有不同的帧格式定义。
总之,串口协议数据报文格式可以根据具体的协议而有所不同,常见的格式包括ASCII码格式、二进制格式和帧格式等。
在实际应用中,选择合适的数据报文格式需要考虑到通信需求、数据传输效率、数据完整性和易于解析等因素。
以上是对串口协议数据报文格式的多角度全面完整的回答,希望能对你有所帮助。
ModbusASCII 是一种用于串行通信的协议,它通常用于工业自动化领域。
在实际应用中,我们经常需要发送和接收 ModbusASCII 报文,下面我们就来看几个实际的报文实例,以便更好地理解和应用ModbusASCII 协议。
1. 单个功能码读取输入寄存器假设我们需要读取一个设备的输入寄存器,并且该设备的位置区域为01,寄存器的起始位置区域为 0000,需要读取的寄存器数量为 10。
那么对应的 ModbusASCII 报文为:```发送:01 04 00 00 00 0A 3A C4解释:- 01:设备位置区域- 04:功能码,表示读取输入寄存器- 00 00:起始位置区域- 00 0A:寄存器数量- 3A C4:CRC 校验```2. 多个功能码写入多个保持寄存器假设我们需要向设备写入多个保持寄存器的数值,并且该设备的位置区域为 02,寄存器的起始位置区域为 1000,需要写入的寄存器数量为 4,数据分别为 1234、5678、xxx、1213。
那么对应的ModbusASCII 报文为:```发送:02 10 03 E8 00 04 08 9B 13 88 23 40 CA解释:- 02:设备位置区域- 10:功能码,表示写入多个保持寄存器- 03 E8:起始位置区域- 00 04:寄存器数量- 08 9B 13 88 23 40:要写入的数值- CA:CRC 校验```3. 单个功能码读取离散输入假设我们需要读取一个设备的离散输入,并且该设备的位置区域为03,输入的起始位置区域为 0000,需要读取的数量为 8。
那么对应的ModbusASCII 报文为:```发送:03 02 00 00 00 08 84 0B解释:- 03:设备位置区域- 02:功能码,表示读取离散输入- 00 00:起始位置区域- 00 08:数量- 84 0B:CRC 校验```通过以上实例,我们可以看到不同功能码对应的 ModbusASCII 报文结构,以及如何根据具体需求来构建报文。
ASCII码是一种常见的字符编码标准,由美国国家标准协会制定。
它用于计算机和通信设备中,以使它们能够在相互通信的过程中正确地显示文本。
在ASCII码中,包含了大小写字母、数字和其他特殊字符。
本文将对ASCII码中的大小写字母和数字进行比较,并探讨它们的特点和应用。
一、ASCII码是什么?ASCII码,全称是美国信息交换标准代码(American Standard Code for Information Interchange)。
它是一个用来将数字、字母、标点符号和其他字符与数字之间的一种标准编码系统。
在ASCII码中,每个字符都有一个特定的数值与之对应。
二、大小写字母和数字在ASCII码中的表示1. 大写字母:在ASCII码中,大写字母从65开始,到90结束。
大写字母A的ASCII码值为65,B为66,C为67,以此类推,一直到Z 的值为90。
2. 小写字母:小写字母在ASCII码中是从97开始,到122结束。
小写字母a的ASCII码值为97,b为98,c为99,一直到z的值为122。
3. 数字:在ASCII码中,数字0到9分别对应的是48到57。
即数字0的ASCII码值为48,1为49,一直到9的值为57。
三、大小写字母和数字的应用场景1. 在计算机编程和数据传输中,ASCII码被广泛应用。
它可以确保不同的计算机和设备之间能够正确地读取和显示文本信息。
2. 在密码和账户系统中,大小写字母和数字通常被结合使用,以增加密码的复杂度和安全性。
3. 在打印和显示设备中,ASCII码被用来代表不同的字符和图形,使得它们能够正确地显示文本和图像。
四、大小写字母和数字的比较1. 大小写字母和数字在ASCII码中都有其独特的数值表示。
这些数值的不同可以确保它们在计算机和设备之间的正确传输和显示。
2. 在实际应用中,大小写字母和数字可以被用来表示不同的信息和数据。
其不同的编码可以满足不同的需求和技术规范。
3. 在密码学中,大小写字母和数字的组合可以增加密码的复杂度和安全性,从而有效地保护用户的隐私和数据安全。
组态王与单片机协议1.通讯口设置:通讯方式:RS-232,RS-485,RS-422均可。
波特率:由单片机决定(2400,4800,9600and19200bps)。
字节数据格式:由单片机决定。
注意:在组态王中设置的通讯参数如波特率,数据位,停止位,奇偶校验必须与单片机编程中的通讯参数一致2.在组态王中定义设备地址的格式格式:##.#前面的两个字符是设备地址,范围为0-255,此地址为单片机的地址,由单片机中的程序决定;后面的一个字符是用户设定是否打包,“0”为不打包、“1”为打包,用户一旦在定义设备时确定了打包,组态王将处理读下位机变量时数据打包的工作。
3.在组态王中定义的寄存器格式斜体字dd代表数据地址,此地址与单片机的数据地址相对应。
注意:在组态王中定义变量时,一个X寄存器根据所选数据类型(BYTE,UINT,FLOAT)的不同分别占用一个、两个,四个字节,定义不同的数据类型要注意寄存器后面的地址,同一数据区内不可交叉定义不同数据类型的变量。
为提高通讯速度建议用户使用连续的数据区。
例如,1、在单片机中定义从地址0开始的数据类型为BYTE型的变量:则在组态王中定义相应的变量的寄存器为X0、X1、X2、X3、X4。
,数据类型为BYTE,每个变量占一个字节2、在单片机中定义从地址100开始的数据类型为UINT型的变量:则在组态王中定义相应的变量的寄存器为X100、X102、X104、X106、X108。
,数据类型UINT,每个变量占两个字节3、在单片机中定义从地址200开始的数据类型为FLOAT型的变量:则在组态王中定义相应的变量的寄存器为X200、X204、X208、X212。
,数据类型FLOAT,每个变量占四个字节3.组态王与单片机通讯的命令格式:读写格式(除字头、字尾外所有字节均为ASCII码)说明;字头:1字节1个ASCII码,40H设备地址:1字节2个ASCII码,0—255(即0---0x0ffH)标志:1字节2个ASCII码,bit0~bit7,bit0= 0:读,bit0= 1:写。
Modbus通讯协议RTU-ASCII-TCP 详细介绍Modbus通讯协议RTU ASCII TCP详细介绍Modbus协议最初由Modicon公司开发出来,在1979年末该公司成为施耐德自动化(Schneider Automation)部门的一部分,现在Modbus已经是工业领域全球最流行的协议。
此协议支持传统的RS-232、RS-422、RS-485和以太网设备。
许多工业设备,包括PLC,DCS,智能仪表等都在使用Modbus协议作为他们之间的通讯标准。
有了它,不同厂商生产的控制设备可以连成工业网络,进行集中监控。
当在网络上通信时,Modbus协议决定了每个控制器须要知道它们的设备地址,识别按地址发来的消息,决定要产生何种行动。
如果需要回应,控制器将生成应答并使用Modbus协议发送给询问方。
Modbus协议包括ASCII、RTU、TCP等,并没有规定物理层。
此协议定义了控制器能够认识和使用的消息结构,而不管它们是经过何种网络进行通信的。
标准的Modicon控制器使用RS232C实现串行的Modbus。
Modbus的ASCII、RTU协议规定了消息、数据的结构、命令和就答的方式,数据通讯采用Maser/Slave方式,Master端发出数据请求消息,Slave端接收到正确消息后就可以发送数据到Master端以响应请求;Master端也可以直接发消息修改Slave端的数据,实现双向读写。
Modbus协议需要对数据进行校验,串行协议中除有奇偶校验外,ASCII模式采用LRC校验,RTU模式采用16位CRC校验,但TCP模式没有额外规定校验,因为TCP协议是一个面向连接的可靠协议。
另外,Modbus采用主从方式定时收发数据,在实际使用中如果某Slave站点断开后(如故障或关机),Master 端可以诊断出来,而当故障修复后,网络又可自动接通。
因此,Modbus协议的可靠性较好。
下面我来简单的给大家介绍一下,对于Modbus的ASCII、RTU和TCP协议来说,其中TCP和RTU协议非常类似,我们只要把RTU协议的两个字节的校验码去掉,然后在RTU协议的开始加上5个0和一个6并通过TCP/IP网络协议发送出去即可。
终端通信协议一:双方通信全为可见的ascii字符串,为0 –9 a-z A-Z双方通信包括5大部分,起始字符、md5哈稀验证字符串(不加密,定长32位)、终端号部分(不加密,定长20位)、数据区(一串字符串,加密,长度为变长。
双方约定以chr(13)来拆分字符串,拆分后各个段代表的意思由双方约定)、结束字符二:双方通信3大部分中的“md5哈稀验证字符串”,约定md5密钥:kA^d&%20%2Fkeymd5密钥的用法:md5(终端号部分+加密后的数据区部分+md5密钥),得出32位的哈稀字符串,用于验证数据串的正确性。
功能,对于整个指令的签名,保证整个指令的完整性三:双方通信3大部分中的“终端号部分”,初始终端号为20个0“00000000000000000000”。
出厂时每个终端的终端号都是一样的,在本机注册时,本机把初始终端号发送给服务器,服务器接收到初始终端号后,以初始的3des密钥解密数据区,若解密出是双方约定的数据,则服务器分配一个不重复且唯一的终端号,加3des密钥给终端,终端收到后,便将此终端号和3des密钥进行保存,以后以此终端号作为双方通信的“终端号部分”,并且双方通信的“数据区”部分用新的3des密钥加密。
(此处可以参考注册小节),其实说得通俗一点,注册就相当于我们去银行开户一样,银行办理完手续以后,发给我们银联卡,而我们注册之后发给客户终端机;银行的卡号就是客户的账户,我们的终端号就是商家的帐户。
终端号理论上可以使用大于0x20且小于0x7f的asccii码,为了统一我们规定终端号使用0-9,a-z和A-Z的asccii码。
20位的这种字符组合已经非常庞大了!黑客如果想能破解出3des,再破解出md5已经是非常不容易了,再想在这20位字符组合中找到一个有存款的终端号就如大海捞针了。
四:双方通信3大部分中的“数据区”以3des加密,以保证数据的安全性,初始的3des密钥为“epos00000000000000000000”即:epos每个子的首字母+初始终端号五:从终端到服务器的数据。
组态王与单片机协议1.通讯口设置:通讯方式:RS-232,RS-485,RS-422均可。
波特率:由单片机决定(2400,4800,9600and19200bps)。
注意:在组态王中设置的通讯参数如波特率,数据位,停止位,奇偶校验必须与单片机编程中的通讯参数一致2.在组态王中定义设备地址的格式格式:##.#前面的两个字符是设备地址,范围为0-255,此地址为单片机的地址,由单片机中的程序决定;后面的一个字符是用户设定是否打包,“0”为不打包、“1”为打包,用户一旦在定义设备时确定了打包,组态王将处理读下位机变量时数据打包的工作。
注意:在组态王中定义变量时,一个X寄存器根据所选数据类型(BYTE,UINT,FLOAT)的不同分别占用一个、两个,四个字节,定义不同的数据类型要注意寄存器后面的地址,同一数据区内不可交叉定义不同数据类型的变量。
为提高通讯速度建议用户使用连续的数据区。
例如,1、在单片机中定义从地址0开始的数据类型为BYTE型的变量:则在组态王中定义相应的变量的寄存器为X0、X1、X2、X3、X4。
,数据类型为BYTE,每个变量占一个字节2、在单片机中定义从地址100开始的数据类型为UINT型的变量:则在组态王中定义相应的变量的寄存器为X100、X102、X104、X106、X108。
,数据类型UINT,每个变量占两个字节3、在单片机中定义从地址200开始的数据类型为FLOAT型的变量:则在组态王中定义相应的变量的寄存器为X200、X204、X208、X212。
,数据类型FLOAT,每个变量占四个字节3.组态王与单片机通讯的命令格式:读写格式(除字头、字尾外所有字节均为ASCII码)字头:1字节1个ASCII码,40H设备地址:1字节2个ASCII码,0—255(即0---0x0ffH)标志:1字节2个ASCII码,bit0~bit7,bit0= 0:读,bit0= 1:写。
bit1= 0:不打包。
bit3bit2 = 00,数据类型为字节。
bit3bit2 = 01,数据类型为字。
bit3bit2 = 1x,数据类型为浮点数。
数据地址:2字节4个ASCII码,0x0000~0xffff数据字节数:1字节2个ASCII码,1—100,实际读写的数据的字节数。
数据…:为实际的数据转换为ASCII码,个数为字节数乘2。
异或:异或从设备地址到异或字节前,异或值转换成2个ASCII码CR:0x0d。
BYTE数据通讯尝试恢复命令(COMERROR),请求地址为0的一个例1:读15号仪表,数据地址为15的数据。
其中数据为100,数据类型为字节,不打包。
组态王所发数据为:例2:读15号仪表,数据地址为15的数据。
其中数据为100,数据类型为字节,打包。
组态王所发数据为:例1:写15号仪表,数据地址为15。
写数据255,数据类型为字,不打包。
组态王所发数例2:写15号仪表,数据地址为15。
写数据65535,数据类型为浮点型,打包。
组态王所5.浮点数格式:4字节浮点数= 第一字节高4位ASCII码+第一字节低4位ASCII码+第二字节高4位ASCII码+第二字节低4位ASCII码+第三字节高4位ASCII码+第三字节低4位ASCII码+第四字节高4位ASCII码+第四字节低4位ASCII码第3字节低4位第4字节低4位第1字节低4位第2字节低4位★四字节浮点数格式:(1)第一字节(2)第二字节(3)第三字节(4)第四字节注:数符=0——正,数符=1——负阶符=0——正,阶符=1——负D7 D6 D5 ~D0 ★浮点数可表示范围:-1×232~1×232★数符:1位阶符:1位阶码:6位例:流量积算控制仪表瞬时流量测量值数据=100.210转换成浮点数:100.210=27⨯0.7828125=0716+C816+6616+6616=30ASCII+37ASCII+43ASCII+38ASCII+36ASCII+36ASCII+36ASCII+36ASCII小数部份:0.7828125 ⇒ 0.7828125⨯256=200.4⇒ 0.4⨯256=102.4⇒0.4⨯256=102.410进制:第一字节第二字节第三字节第四字节十六进制:ASCII码:第一字节第二字节第三字节第四字节传输格式如下:小数部分乘以256整数部份为第二字节(200)第二字节小数部分乘以256整数部份为第三字节(102)第三字节小数部分乘以256整数部份为第四字节(102)第1字节低4位第2字节低4位第3字节低4位第4字节低4位第1字节高4位第2字节高4位第3字节高4位第4字节高4位3、注:仪表内部数据为十六进制表示的十进制数。
如:实时测量值为500,则用十六进制表示为1F4H。
仪表通讯传输是将上述十六进制数据转化为标准ASCII码(即一字节的16进制数转化为2个ASCII码──高4位ASCII码+低4位ASCII码)。
如:上述数据1F4H(16进制),传输时,转化为ASCII码则为30H、31H、46H、34H。
6.此浮点数格式的转换:1)ASCII码到浮点数:/*in:char* c要转化的ASII码字符,应为4个字符。
Return :转换后的浮点数。
*/float C4toD(char * c){BYTE Hd[30], Jiema[30];float DTc[30];float Decimal = 0;memset(Hd, 0, sizeof(Hd));memset(Jiema, 0, sizeof(Jiema));memset(DTc, 0, sizeof(DTc));float returnflo = 0;BOOL ShuFU = FALSE, JieFU = FALSE;if((c[7] > 0x40) && (c[7] < 0x47))Hd[7] = ((c[7] - 0x37) & 0x0f);else if((c[7] > 0x60) && (c[7] < 0x67))Hd[7] = ((c[7] - 0x57) & 0x0f);elseHd[7] = ((c[7] - 0x30) & 0x0f);if((c[6] > 0x40) && (c[6] < 0x47))Hd[6] = ((c[6] - 0x37) & 0x0f);else if((c[6] > 0x60) && (c[6] < 0x67))Hd[6] = ((c[6] - 0x57) & 0x0f);elseHd[6] = ((c[6] - 0x30) & 0x0f);DTc[2] = (float)(((float)(Hd[6] * 16.0) + (float)(Hd[7])) / 256.0);if((c[5] > 0x40) && (c[5] < 0x47))Hd[5] = ((c[5] - 0x37) & 0x0f);else if((c[5] > 0x60) && (c[5] < 0x67))Hd[5] = ((c[5] - 0x57) & 0x0f);elseHd[5] = ((c[5] - 0x30) & 0x0f);if((c[4] > 0x40) && (c[4] < 0x47))Hd[4] = ((c[4] - 0x37) & 0x0f);else if((c[4] > 0x60) && (c[4] < 0x67))Hd[4] = ((c[4] - 0x57) & 0x0f);elseHd[4] = ((c[4] - 0x30) & 0x0f);DTc[1] = (float)((((float)(Hd[4] * 16.0) + (float)Hd[5]) + DTc[2]) / 256.0); if((c[3] > 0x40) && (c[3] < 0x47))Hd[3] = ((c[3] - 0x37) & 0x0f);else if((c[3] > 0x60) && (c[3] < 0x67))Hd[3] = ((c[3] - 0x57) & 0x0f);elseHd[3] = ((c[3] - 0x30) & 0x0f);if((c[2] > 0x40) && (c[2] < 0x47))Hd[2] = ((c[2] - 0x37) & 0x0f);else if((c[2] > 0x60) && (c[2] < 0x67))Hd[2] = ((c[2] - 0x57) & 0x0f);elseHd[2] = ((c[2] - 0x30) & 0x0f);Decimal = (float)(((float)(Hd[2] * 16) + (float)(Hd[3]) + DTc[1])/ 256.0); if((c[1] > 0x40) && (c[1] < 0x47))Jiema[1] = ((c[1] - 0x37) & 0x0f);else if((c[1] > 0x60) && (c[1] < 0x67))Jiema[1] = ((c[1] - 0x57) & 0x0f);elseJiema[1] = ((c[1] - 0x30) & 0x0f);if((c[0] > 0x40) && (c[0] < 0x47))Jiema[0] = ((c[0] - 0x37) & 0x0f);else if((c[0] > 0x60) && (c[0] < 0x67))Jiema[0] = ((c[0] - 0x57) & 0x0f);elseJiema[0] = ((c[0] - 0x30) & 0x0f);ShuFU = ((Jiema[0] & 0x08) >> 3) > 0;JieFU = ((Jiema[0] & 0x04) >> 2) > 0;Jiema[2] = (Jiema[0] & 0x03) * 16 + Jiema[1];if(JieFU)returnflo = (float)pow(2, (-1) * Jiema[2]) * Decimal;elsereturnflo = (float)pow(2, Jiema[2]) * Decimal;if(ShuFU)returnflo = (-1) * returnflo;return returnflo;}2)浮点数到ASCII码:/*in:char * c:存储浮点数转换后的ASCII码字符。