旋风除尘器性能试验
- 格式:doc
- 大小:621.00 KB
- 文档页数:8
旋风除尘器-实验报告册
实验报告
实验目的:了解并验证旋风除尘器的工作原理和效果。
实验材料:
1. 旋风除尘器
2. 空气污染源(例如灰尘、烟尘等)
3. 实验室和安全装备(如眼镜、手套等)
实验步骤:
1. 将旋风除尘器放置在实验台上,并连接电源线。
2. 使用合适的方法将空气污染源(如灰尘)向旋风除尘器中喷射。
3. 打开旋风除尘器的电源,观察灰尘被除尘器吸入的情况。
4. 观察除尘器底部或集尘罐中的灰尘收集情况。
实验结果:
1. 旋风除尘器启动后,能够将灰尘吸入除尘器内部。
2. 除尘器底部或集尘罐中能够收集到被吸入的灰尘。
实验讨论及结论:
旋风除尘器利用离心力和重力的作用原理,将空气中的灰尘等污染物分离出来。
通过观察实验结果,可以看到除尘器能够有效吸入并收集灰尘,证明了其工作原理的有效性。
然而,需要注意的是,旋风除尘器虽然可以有效去除大颗粒的
污染物,但对于细微的颗粒物或污染物无法很好地处理。
此外,除尘器的清洁和维护也需要定期进行,以确保其正常运行和去除污染物的效果。
总结:旋风除尘器是一种简单且实用的除尘设备,能够有效去除空气中的大颗粒污染物。
在实际应用中,可以根据需要选择合适的除尘器型号和安装位置,以达到更好的除尘效果。
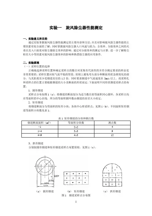
实验一旋风除尘器性能测定一、实验意义和目的通过实验掌握旋风除尘器性能测定的主要内容和方法,并且对影响旋风除尘器性能的主要因素有较全面的了解,同时掌握旋风除尘器入口风速与阻力、全效率、分级效率之间的关系以及入口浓度对除尘器除尘效率的影响。
通过对分级效率的测定与计算,进一步了解粉尘粒径大小等因素对旋风除尘器效率的影响和熟悉除尘器的应用条件.二、实验原理(一)采样位置的选择正确地选择采样位置和确定采样点的数目对采集有代表性的并符合测定要求的样品是非常重要的。
采样位置应取气流平稳的管段,原则上避免弯头部分和断面形状急剧变化的部分,与其距离至少是烟道直径的1.5倍,同时要求烟道中气流速度在5m/s以上。
而采样孔和采样点的位置主要根据烟道的大小及断面的形状而定。
下面说明不同形状烟道采样点的布置。
1.圆形烟道采样点分布如图1(a)。
将烟道的断面划分为适当数目的等面积同心圆环,各采样点均在等面积的中心在线,所分的等面积圆环数由烟道的直径大小而定。
2.矩形烟道将烟道断面分为等面积的矩形小块,各块中心即采样点,见图1(b)。
不同面积矩形烟道等面积小块数见表1。
3.拱形烟道分别按圆形烟道和矩形烟道采样点布置原则,见图1(c)。
(a)圆形烟道(b)矩形烟道(c)拱形烟道图1 烟道采样点分布图(二)空气状态参数的测定旋风除尘器的性能通常是以标准状态(P =l.013⨯l05Pa ,T =273K )来表示的。
空气状态参数决定了空气所处的状态,因此可以通过测定烟气状态参数,将实际运行状态的空气换算成标准状态的空气,以便于互相比较。
烟气状态参数包括空气的温度、密度、相对湿度和大气压力。
烟气的温度和相对湿度可用干湿球温度计直接测的;大气压力由大气压力计测得;干烟气密度由下式计算:TPT R P g ⋅=⋅=287ρ (1) 式中:ρg 一一烟气密度,kg/m ; P —一大气压力,Pa ; T —一烟气温度,K 。
实验过程中,要求烟气相对湿度不大于75%。
旋风除尘器性能测定组员:戚锎1020320215朱鹏志1020320219彭文林1020320220汪超1020320222谢显宇1020320224肖林峰1020320226杨合详1020320235向强1020320134杨斌1020320126欧琳1020320102 指导老师:赵素芬旋风除尘器性能测定实验一、实验目的1、了解除尘器性能测定实验台的结构及工作原理,掌握除尘器性能测试的基本方法。
2、了解除尘器运行工况及其效率和阻力的影响。
3、掌握旋风除尘器的除尘机理以及使用方法。
4、测定旋风除尘器处理风量、压力损失和除尘效率二、实验原理如图所示为一个旋风除尘器,废气从(1)进入,然后经过(4)旋风除尘器作用除去粉尘颗粒,再从出气口排出净化后的气体。
经过旋风除尘器除去的粉尘颗粒由(5)灰斗收集。
旋风除尘器除沉机理是使含尘气流作旋转运动,借助于离心力降尘粒从气流中分离并捕集于器壁,再借助重力作用使尘粒落入灰斗。
废气在旋风除尘器中的运动如下图所示1.气体流速的测定:本实验用毕托管和微压计测定管道中各测点的动压Pd,从而可求得气体的流速。
由于气体流速在风管断面上的分布式不均匀的,可在同一断面上进行多点测量,求出该断面的平均流速。
毕托管所测得的断面Φ90mm,故可以分为两环。
微压计测出动压平均值,相应的空气流速为式中Pd——测得的平均动压值,ρ——空气密度kg/m3,2.风量的测定:根据断面的气流速度确定风量Q=A3.除尘器压力损失测定:除尘器的压力损失(Hz)即除尘器入排风侧的全能量差,依下式求出:4.旋风除尘器的除尘效率:η=x100%—入口处粉尘浓度,---进口处粉尘浓度,三、实验仪器毕托管、倾斜式微压计、尺子、双头粉尘采样器、MD-1型粉尘度分析仪、离心通风机、DFS-3型多功能防尘实验装置、DKS-3型多功能空气动力学实验装置、滤膜、万分之一天平等。
四、实验步骤1.进气量测定:先用尺子测量进气口的直径,算出进气口的面积。
指导老师:余阳小组成员:孙扬雨、王健、王玉佳、马莉、王玥丽一、实验目的1. 通过实验掌握旋风除尘器性能测定的主要内容和方法,并且对影响旋风除尘器性能的主要因素有较全面的了解,同时掌握旋风除尘器人口风速与阻力、全效率、分级效率之间的关系以及人口浓度对除尘器除尘效率的影响。
2. 进一步了解流量大小等因素对旋风除尘器效率的影响和熟悉除尘器的应用条件。
二、实验原理旋风除尘器是利用旋转气流所产生的离心力将尘粒从合尘气流中分离出来的除尘装置。
旋转气流的绝大部分沿器壁自圆简体,呈螺旋状由上向下向圆锥体底部运动,形成下降的外旋含尘气流,在强烈旋转过程中所产生的离心力将密度远远大于气体的尘粒甩向器壁,尘粒一旦与器壁接触,便失去惯性力而靠入口速度的动量和自身的重力沿壁面下落进入集灰斗。
旋转下降的气流在到达圆锥体底部后.沿除尘器的轴心部位转而向上.形成上升的内旋气流,并由除尘器的排气管排出。
自进气口流人的另一小部分气流,则向旋风除尘器顶盖处流动,然后沿排气管外侧向下流动,当达到排气管下端时,即反转向上随上升的中心气流一同从排气管排出,分散在其中的尘粒也随同被带走。
实验设备如下图:实验原理相关问题:1.如何通过测定进风口静压值计算气体流量?ρgP 23600φA Q j ⨯⨯=式中:Q——除尘器进出风口流量 m 3/h P j ——测压环感测静压 mmH 2Oρ——进风口空气的密度 kg/m 3 ,现取1.299 g/m 3φ——速度校正系数 φ=0.97 A——测压环所在断面面积 m 2 ,经测量得进出口半径都为15cmA = π × R 12 = 3.14 × 0.152 = 0.0707 m 22. 影响旋风除尘器除尘效率的主要因素有哪些?(1)进气口旋风除尘器的进气口是形成旋转气流的关键部件,是影响除尘效率和压力损失的主要因素。
切向进气的进V1面积对除尘器有很大的影响.进气口面积相对于筒体断面小时,进入除尘器的气流切线速度大,有利于粉尘的分离。
实验八 旋风除尘实验1. 实验目的和意义a) 观察含粉尘的气流在旋风分离器内的运动状况。
b) 了解旋风分离器的除尘原理。
通过本实验,要求同学们掌握旋风除尘器性能测定的主要内容和方法,并且对影响旋风除尘器性能的主要因素有较全面的了解。
2. 实验原理含尘气体由旋风分离器上部沿切线方向的长方形通道进入,形成一个绕筒体中心向下作螺旋运动的外旋流,外旋流达到器底后又形成一个向上的内旋流,内、外旋流气体旋转方向相同。
在此过程中,颗粒在惯性离心力作用下被抛向器壁与气流分离,并沿壁面落入锥底排灰口。
净化后的气体沿内旋流由顶部排气管排出。
进分离m m =η3.实验工艺流程图:4. 实验参数a)分离器由有机玻璃制成,便于观察物系在分离器内的运动情况及它的组成;粉尘加入瓶、进风管等均由不锈钢制成;b)风机:CRZ-70型离心式中压风机,风量480m3/h,风压1300Pa,功率250W,转速2800r/min。
c)用于分离的粉尘:滑石粉或粉末硅胶。
d)框架与控制屏均为不锈钢材质,结构紧凑,外形美观,流程简单,操作方便。
e)外形尺寸:1100×450×1600mm。
5. 实验步骤a)了解该实验的工艺流程,称量粉尘的重量m以及产品接受瓶的空瓶重量m0。
b)打开电源开关再开风机开关。
c)打开粉尘入口,将粉尘加入后盖好(加料时的速度较慢可以轻轻拍打粉尘加入口外表面);观察其在旋风分离器内的运动形态。
d)将产品接受瓶与里面的粉尘一同称重,记下所得的读数。
e)若细小的硅胶粒子无法被分离与净化气一起从顶部排气口排出,加深学生对最临界粒径的理解。
6. 试验数据的记录与整理实验时间年月日计算旋风除尘器的除尘效率并记入表1。
表1 除尘器效率测定结果记录表。
旋风除尘器性能测试实验报告旋风除尘器性能测试实验报告篇一:旋风除尘器性能测定实验旋风除尘器性能测定一、实验目的通过实验掌握旋风除尘器性能测定的主要内容和方法,并且对影响旋风除尘器性能的主要因素有较全面的了解,同时掌握旋风除尘器人口风速与阻力、全效率、分级效率之间的关系以及人口浓度对除尘器除尘效率的影响。
通过对分级效率的测定与计算,进一步了解粉尘粒径大小等因素对旋风除尘器效率的影响和熟悉除尘器的应用条件.二、实验原理(一)采样位置的选择正确地选择采样位置和确定采样点的数目对采集有代表性的并符合测定要求的样品是非常重要的。
采样位置应取气流平稳的管段,原则上避免弯头部分和断面形状急剧变化的部分,与其距离至少是烟道直径的1.5倍,同时要求烟道中气流速度在5m/s以上。
而采样孔和采样点的位置主要根据烟道的大小及断面的形状而定。
(二)空气状态参数的测定旋风除尘器的性能通常是以标准状态(P=l.013?l05Pa,T=273K)来表示的。
空气状态参数决定了空气所处的状态,因此可以通过测定烟气状态参数,将实际运行状态的空气换算成标准状态的空气,以便于互相比较。
烟气状态参数包括空气的温度、密度、相对湿度和大气压力。
(三)除尘器处理风量风量计算、流速计算(四)除尘器进、出口浓度计算(五)除尘效率计算三、实验装置、流程和仪器(一)实验装置、流程含尘气体通过旋风除尘器将粉尘从气体中分离,净化后的气体由风机经过排气管排入大气。
所需含尘气体浓度由发尘装置配置。
(二)仪器分析天平分度值0.0001gl台托盘天平分度值1gl台四.实验方法和步骤1.用托盘天平称出发尘量(G j),分别为150g和300g 两组。
2.控制气流的阀门为全开状态,通过发尘装置均匀地加人发尘量(Gj),记下发尘时间(?),计算出除尘器入口气体的含尘浓度(Cj)。
时间分别为3min和5min。
3.称出收尘量(Gs),计算出除尘器出口气体的含尘浓度(Cz)。
实验旋风除尘器性能测定试验,十二周大气实验内容旋风除尘器性能测定试验一、实验目的1、了解除尘器性能测定实验台的结构及工作原理,掌握除尘器性能测试的基本方法。
2、了解除尘器运行工况及其效率和阻力的影响。
二、实验内容设定并测量除尘器的处理风量。
2测定除尘器阻力与处理风量的关系。
2. 3测定除尘器效率与处理风量的关系。
三、实验仪器设备除尘器性能测定实验装置1套四、实验原理含尘空气由除尘器的进口切线方向进入除尘器的内外筒之间,由上向下作旋转运动(形成外涡旋),逐渐到锥体底部。
气流中的灰尘在离心力的作用下被甩向外壁,由于重力作用以及向下气流的带动而落入底部集尘斗。
向下的气流到达锥体的底部后,沿除尘器的轴心部位转而向上,形成旋转上升的内涡旋,并由除尘器的出口排出。
旋风除尘器性能测定实验装置1-发尘装置;2―进气口;3-进气管;4-旋风除尘器;5-灰斗;6-排气管。
五、实验内容(一)除尘器处理风量测定实验1、除尘器通电之前,先将面板功能开关置于“不定时”档,风机转速调节旋钮逆时针调至最小位置,自动发尘装置开关置于“关”的位置;2、接通电源,打开电源开关。
3、按顺时针方向缓缓调节风机转速调节旋钮至某一位置以获得某一对应风速风量;4、将风速仪置于方管敞开式进风口(150×150mm)大约5~10厘米处,读取风速数值;5、重复3~4的操作,测得一系列对应风速下的处理风量。
(二)除尘器实验条件下的进风阻力、进风流量与进出风管静压差三者对应关系测定实验1、按前述开机顺序完成开机,将风机转速调节至某一位置以获得对应的风速风量;2、在U型管压差计上读取与该风量对应的进出风管静压差,则该静压差值正相关于旋风除尘器阻力及进风量;3、重复上述操作,可获得一系列相关数据,然后按有关公式计算出除尘器的阻力。
(三)除尘器平均进出口粉尘浓度的测定实验1、按前述开机顺序完成开机;2、将风机调速电位器调至某固定位置,然后用风速计测定进口风速,并算出相应的进风量。
实验4 旋风除尘器性能测定一、实验意义和和目的通过实验掌握旋风除尘器性能测定的主要内容和方法,并且对影响旋风除尘器性能的主要因素有较全面的了解,同时掌握旋风除尘器入口风速与阻力、总除尘效率之间的关系,进一步熟悉除尘器的应用条件。
二、实验原理 1. 除尘效率计算%100⨯=icm m η 式中:η-- 除尘效率,%; m c —捕集的粉尘量,g ; m i —入口粉尘量,g 。
2.除尘器阻力的测定和计算由于实验装置中除尘器进、出口管径相同,故除尘器阻力可用B 、C 两点(见实验装置图3)静压差(扣除管道沿程阻力与局部阻力)求得。
除尘器阻力系数按下式计算:dlNP P ∆=ε 式中:ξ——除尘器阻力系数,无因次; △P N ——除尘器阻力,Pa ;P dl ——除尘器内入口截面处动压,Pa 。
3. 旋风除尘器入口风速的测定和计算采用皮托管和压差计联用测定动压,计算烟气流速。
皮托管分为L 型(标准型)皮托管和S 型皮托管。
图1 标准型皮托管外形图图2 标准型皮托管A放大图S型皮托管适用于含尘浓度较大的烟道中。
皮托管是由两根不锈钢管组成,测端作成方向相反的两个相互平行的开口,如下图所示,测定时,一个开口面向气流测得全压,另一个背向气流测得静压,两者之差便是动压.图3 S型皮托管示意图当干烟气组分同空气近似,露点温度在35~55℃之间,烟气绝对压力在(0.99~1.03)×105Pa时,可用下列公式计算烟气流速。
式中:K p――皮托管的校正系数,本实验中K p=0.84;t――烟气温度,℃;H d――烟气动压值,mmH2O;图4 动压测流速仪器安装三、实验装置和仪器1.装置与流程本实验装置如图5所示。
含尘气体通过旋风除尘器将粉尘从气体中分离,净化后的气体由风机经过排气管排入大气。
所需含尘气体浓度由发尘装置配置。
图5 旋风除尘器性能测定装置2.仪器(1) U形管压差计:500-1000mm,2个。
实验二旋风式除尘器(合集5篇)第一篇:实验二旋风式除尘器实验二旋风除尘器一、实验目的1、了解旋风除尘器的除尘原理及特点;2、观察含粉尘气流在旋风除尘器内的运动状况;3、管道中气体流量和旋风除尘器除尘效率的测定。
二、实验原理含尘空气由除尘器的进口切线方向进入除尘器的内外筒之间,由上向下作旋转运动(形成外涡旋),逐渐到锥体底部。
气流中的灰尘在离心力的作用下被甩向外壁,由于重力作用以及向下气流的带动而落入底部集尘斗。
向下的气流到达锥体的底部后,沿除尘器的轴心部位转而向上,形成旋转上升的内涡旋,并由除尘器的出口排出。
旋风除尘器具有结构简单、造价低、设备维护修理方便的优点,而且可用于高温含尘烟气的净化,也可用其回收有价值的粉尘。
三、主要技术参数及指标风量:300~700m3/h;入口气体含尘浓度:<50g/ m3 除尘效率:70%~80%;压力降:<2000 Pa;四、旋风除尘实验系统组成及作用:旋风除尘实验系统如图所示,从右向左系统情况如下:1、透明有机玻璃进气管段1副,配有动压测定环,与微压计配合使用可测定进口管道流速和流量;2、自动粉尘加料装置(采用调速电机),用于配置不同浓度的含灰气体;3、入口管段采样口,用于入口气体粉尘采样;也可利用比托管和微压计在此处测定管道流速;4、除尘器入口、出口测压环,与U型压差计一起用来测定旋风除尘器的压力损失;5、有机玻璃旋风除尘器主体(底部为法兰连接可拆卸卸灰装置);6、出口管段采样口,用于出口气体粉尘采样;也可利用比托管和微压计在此处测定管道流速;7、风量调节阀,用于调节系统风量;8、高压离心通风机,为系统运行提供动力;9、仪表电控箱,用于系统的运行控制。
五、实验装置系统操作1、首先检查设备系统外况和全部电气连接线有无异常(如管道设备无破损,U型压力计内部水量适当等),一切正常后开始操作;2、打开电控箱总开关,合上触电保护开关;3、在风量调节阀关闭的状态下,启动电控箱面板上的主风机开关;4、调节风量调节开关至所需的实验风量(即调节连接入口端动压测定环的微压计显示的动压值,动压值可按试验时的温度和湿度和所需的试验入口风速计算而得,也可通过比托管测定入口管段的动压和流速、流量);5、将一定量的粉尘加入到自动发尘装置灰斗,然后启动自动发尘装置电机,并可调节转速控制加灰速率;6、对除尘器进出口气流中的含尘浓度进行测定,并通过U型压差计记录下该工况下的旋风除尘器压力损失,也可通过计量加入的粉尘量和捕集的粉尘量(卸灰装置实验前后的增重)来估算除尘效率;7、实验完毕后依次关闭发尘装置、主风机,并清理卸灰装置;8、关闭控制箱主电源;9、检查设备状况,没有问题后离开。
指导老师:余阳小组成员:孙扬雨、王健、王玉佳、马莉、王玥丽一、实验目的1. 通过实验掌握旋风除尘器性能测定的主要内容和方法,并且对影响旋风除尘器性能的主要因素有较全面的了解,同时掌握旋风除尘器人口风速与阻力、全效率、分级效率之间的关系以及人口浓度对除尘器除尘效率的影响。
2. 进一步了解流量大小等因素对旋风除尘器效率的影响和熟悉除尘器的应用条件。
二、实验原理旋风除尘器是利用旋转气流所产生的离心力将尘粒从合尘气流中分离出来的除尘装置。
旋转气流的绝大部分沿器壁自圆简体,呈螺旋状由上向下向圆锥体底部运动,形成下降的外旋含尘气流,在强烈旋转过程中所产生的离心力将密度远远大于气体的尘粒甩向器壁,尘粒一旦与器壁接触,便失去惯性力而靠入口速度的动量和自身的重力沿壁面下落进入集灰斗。
旋转下降的气流在到达圆锥体底部后.沿除尘器的轴心部位转而向上.形成上升的内旋气流,并由除尘器的排气管排出。
自进气口流人的另一小部分气流,则向旋风除尘器顶盖处流动,然后沿排气管外侧向下流动,当达到排气管下端时,即反转向上随上升的中心气流一同从排气管排出,分散在其中的尘粒也随同被带走。
实验设备如下图:实验原理相关问题:1. 如何通过测定进风口静压值计算气体流量?ρgP 23600φA Q j ⨯⨯=式中:Q ——除尘器进出风口流量 m 3/h P j ——测压环感测静压 mmH 2Oρ——进风口空气的密度 kg/m 3 ,现取1.299 g/m 3φ——速度校正系数 φ=0.97A ——测压环所在断面面积 m 2 ,经测量得进出口半径都为15cmA = π × R 12 = 3.14 × 0.152 = 0.0707 m 22. 影响旋风除尘器除尘效率的主要因素有哪些?(1)进气口旋风除尘器的进气口是形成旋转气流的关键部件,是影响除尘效率和压力损失的主要因素。
切向进气的进V1面积对除尘器有很大的影响.进气口面积相对于筒体断面小时,进入除尘器的气流切线速度大,有利于粉尘的分离。
《环工综合实验(2)》(旋风除尘器性能试验)
实验报告
专业环境工程(卓越班)
班级
姓名
指导教师
成绩
东华大学环境科学与工程学院实验中心
二0一三年 3 月
实验题目旋风除尘器性能试验实验类别综合
实验室环境学院2133 实验时间2013年3 月24 日13 时~ 16 时
实验环境温度:14.5℃湿度:59% 同组人数 6 本实验报告由我独立完成,绝无抄袭!承诺人签名
一、实验目的
1、通过实验掌握旋风除尘器性能测定的主要内容和方法,并且对影响旋风除尘器性能的主要因素有较全面的了解,同时掌握旋风除尘器入口风速与阻力、全效率之间的关系以及人口浓度对除尘器除尘效率的影响。
2、进一步了解流量大小等因素对旋风除尘器效率的影响和熟悉除尘器的应用条件.
二、实验仪器及设备
实验仪器
1.微压计1个;
2.电子微压计;
3.秒表;
5.电子称;
袋式除尘器性能实验流程图
1一粉尘定量供给装置;2一粉尘分散装置;3—喇叭形均流管;4一静压测孔;5一除尘器进口测定断面;6-袋式除尘器;7一微压计;
三、实验原理
旋风除尘器是利用旋转气流所产生的离心力将尘粒从合尘气流中分离出来的除尘装置。
旋转气流的绝大部分沿器壁自圆简体,呈螺旋状由上向下向圆锥体底部运动,形成下降的外旋含尘气流,在强烈旋转过程中所产生的离心力将密度远远大于气体的尘粒甩向器壁,尘粒一旦与器壁接触,便失去惯性力而靠入口速度的动量和自身的重力沿壁面下落进入集灰斗。
旋转下降的气流在到达圆锥体底部后.沿除尘器的轴心部位转而向上.形成上升的内旋气流,并由除尘器的排气管排出。
自进气口流人的另一小部分气流,则向旋风除尘器顶盖处流动,然后沿排气管外侧向下流动,当达到排气管下端时,即反转向上随上升的中心气流一同从排气管排出,分散在其中的尘粒也随同被带走。
实验原理必答题
1.如何通过测定进风口静压值计算气体流量?( )
因为气体势能很小可以忽略不计,所以上式变为p+(1/2)*ρv^2=C,分别测出静压能就可以得出流速,进而算出流量
2.如何求除尘效率?影响旋风除尘器除尘效率的主要因素有哪些?
计算分割直径是求效率的基础,我们在计算旋风除尘器的效率时,通常考虑在斯托克区,并且二力平衡,可以得出以下公式,从公式可以看出v to越大,效率越高,所以流量越大,除尘效率越高。
若要求分级效率可以使用公式
影响因素:
1、入口流速
在一定范围内提高进气管流速,可以提高除尘效率。
但入口流速太高,会把已分离的某些尘粒卷入内旋流重新带走,导致除尘效率下降。
另外,压力损失与入口速度的平方成正比,入口流速过大,压力损失上升。
因而。
从技术和经验综合考虑,入口流速的合适范围,一般取12-20m/s,不宜低于10m/s,以防止入口管道积灰。
2、除尘器的结构尺寸
桶体直径愈小,在同样切线速度下,尘粒所受离心力愈大,尺寸效率愈高。
桶体高度的变化对除尘效率影响不明显,而适当加长椎体的高度,有利于提高除尘效率。
3、粉尘粒径与密度由于尘粒所受离心力与粒径的三次方成正比,而所受径向气体阻力仅与粒径的一次方成正比,因而大粒径比小粒径更易捕集。
除尘效率随着尘粒真密度的增大而提高,密度小难分离,除尘效率下降。
4、气体温度和粘度
气体粘度随温度升高而增大,而分割粒径又与粘度的平方根成正比,因而旋风除尘器的除尘效率随气体温度与粘度的增加而降低。
5、除尘设备下部的气密性
除尘器内部静压从外壁向中心逐渐降低,即使除尘在正压下运行,锥体底部也可能处于负压状态。
若除尘器下部不严而漏入空气,会把已落入灰斗的粉尘重新带走,使除尘效率明显下降。
6、二次效应
即被捕粒子重新进入气流。
在较小粒径区间内,理应逸出的粒子由于聚集或被较大的粒子撞向壁面而已脱离气流被捕捉;在较大范围内,理应进入灰斗的尘粒随净化后的气流一起排走。
可以通过环形雾化器喷淋在旋风除尘器的内壁上,减少二次效应。
3.旋风除尘器的压力损失如何求?
压力损失的测定:
△P=P进口全压-P出口全压
因为进出风管面积相等,所以进出口动压相等,
所以△P=P进口静压-P出口静压
四、实验步骤
随机选取三个流量运行旋风除尘器,分别测进风口和出风口的静压,然后在进风口2分钟内均匀送入M0克滑石粉(木屑粉尘),停机称量灰斗中收集的滑石粉的质量M1,计算该除尘装置的除尘效率。
1.测除尘效率。
2.气流量的测定(静压法)
式中:Ps——进口处气流平均静压;
φ——流量系数,0.99;
ρ——空气密度,1.299g/m3;
A——阀管截面积(内径)。
压力损失的测定:
△P=P进口全压-P出口全压
因为进出风管面积相等,所以进出口动压相等,
所以△P=P进口静压-P出口静压
注意事项:
1、实验前注意进风管道和旋风除尘器内部不要有粉尘残留。
2、发尘要尽量均匀。
3、发尘完毕后,主要将旋风除尘器内部器壁上残留粉尘敲击震落灰斗中。
五、实验记录及原始数据
项目
序号进口静
压(Pa)
出口静
压(Pa)
压力损失
△P (Pa)
气体流
量
Q(m3/h)
进尘
量(g)
捕集量
(g)
除尘效
率(%)
1木屑16 -410 426
10114.1
46 45 97.8
2木屑15 -375 390
9792.9
40 39 97.5
3面粉14 -340 354
9460.8
55 50 90.9
4面粉-18 -350 332
10727.6
40 38 95 内径=15.1cm S=0.0179m2
六、数据处理及结论
结论:按照大致走势可以推断出,流量越大,除尘效率越高,相应的压力损失越大越小,说明除尘效果越好,性能越小,所以反推出流量越大,除去的粒径越小。
但是随着流速的增大,压力损失越大,所以必须存在经济流速
97.8%97.5%90.9%+95%
95.3%
4η++=
=
七、思考题
1.试分析旋风除尘器流量与压力损失、除尘效率之间的关系 ?并请解释原因。
原因:1.在旋风除尘器中,粒子的沉降主要取决于离心力和向心运动气流作用于尘粒上的阻力,我们在计算旋风除尘器的效率时,通常考虑在斯托克区,并且二力平衡,可以得出以下公式, 从公式可以看出v to 越大,效率越高,所以流量越大,除尘效率越高。
2、实验表明旋风除尘器的压力损失一般与气体入口速度的平方成正比,即: ∆P=ε 1/2 ρv^2 从公式可以看出流量越大,相应的压力损失越大。
2.某乡镇木材加工厂车间需要进行环保除尘治理,你会选择旋风除尘器吗?为什么?试对某乡镇木材加工厂车间环保除尘治理方案进行设计,并阐述理由
我会选择旋风除尘器,因为木材比较轻,容易随风飘,对环境造成污染,所以选用的除尘器必须满足排放标准规定的排放要求。
对于运行状况不稳定的系统,要注意烟气处理量变化对除尘效率和压力损失的增加。
旋风除尘器的除尘效率和压力损失,随处理烟气量的增加而增加,而木材加工车间会产生很多木屑和混合碎料,旋风除尘器结构简单,易于制造、安装和维护管理,设备投资和操作费用都较低,在机械式除尘器中,旋风式除尘器是效率最高的一种,它适用于非黏性及非纤维性粉尘的去除,大多用来去除5μm 以上的粒子,并联的多管旋风除尘器装置对3μm 的粒子也具有80~85%的除尘效率,所以旋风除尘器适用于木材厂。