多联机空调工程安装指导手册
- 格式:doc
- 大小:14.10 MB
- 文档页数:40
格力多联机组设计安装手册(内部资料)安装规程1、绘制规范的工程图纸............................................................................................................... 11.1熟悉多联机组的性能及其安装要求....................................................................... 11.1.1 机组外形尺寸和室内机配管尺寸....................................................................... 11.1.2 连接管管材的选择............................................................................................... 31.1.3分歧管规格和分歧管之间连接管管径的选择.................................................... 41.1.4连接管允许长度和落差........................................................................................ 51.1.5 确定排水管的管路图........................................................................................... 71.1.6 确定保温管........................................................................................................... 81.1.7风管机的特殊要求................................................................................................ 91.1.8追加制冷剂的计算............................................................................................ 111.2绘制规范的工程图纸........................................................................................... 121.2.1绘制制冷系统管路和排水管工程图................................................................ 121.2.2 绘制制冷系统管路工程图和排水管路图....................................................... 121.2.3绘制电源线和通讯线连接工程图.................................................................... 152、工程安装............................................................................................................................... 182.1 材料采购和设备检查........................................................................................ 222.1.1电源线的采购.................................................................................................... 222.1.2 电源线的规格................................................................................................. 242.1.3空气开关的选择................................................................................................ 252.1.4 制冷剂连接管的采购....................................................................................... 252.1.5 检查机组设备................................................................................................... 252.2 室内机的安装...................................................................................................... 262.2.1 风管式室内机的安装..................................................................................... 262.2.2天井式室内机的安装........................................................................................ 342.2.3挂壁式室内机的安装........................................................................................ 402.2.4落地式室内机的安装........................................................................................ 422.3 管道的安装.......................................................................................................... 442.3.1制冷剂连接管的安装........................................................................................ 442.3.1.1制冷剂管的焊接............................................................................................. 452.3.1.2喇叭管加工..................................................................................................... 492.3.1.3 分歧管的安装................................................................................................ 512.3.1.4、吹洗.............................................................................................................. 572.3.1.5 连接管的保压检漏...................................................................................... 592.3.1.6 保温.............................................................................................................. 612.3.2排水管的安装.................................................................................................... 622.3.2.1 风管式和天井式室内机排水管的安装...................................................... 622.3.2.2挂壁式和落地式室内机排水管的安装......................................................... 622.4接线....................................................................................................................... 642.4.1 通讯线的连接和室内机地址拨码................................................................... 642.4.1.1 通讯线的连接................................................................................................ 642.4.1.2 线控器的安装和地址拨码............................................................................ 662.4.2 电源线的连接................................................................................................... 682.5室外机的安装....................................................................................................... 692.5.1 室外机的基础................................................................................................... 692.5.2 机身的安装空间尺寸....................................................................................... 702.5.3 避免气流短路................................................................................................. 722.5.4 搬运室外机....................................................................................................... 732.5.5 安装室外机....................................................................................................... 742.6 连接上室内外机、保压检漏............................................................................ 742.6.1. 连接室内、外机.............................................................................................. 742.6.1.1 连接室外机.................................................................................................... 752.6.1.2 连接室内机.................................................................................................... 762.6.2 保压检漏(将连接管连接上室内外机后的保压检漏) ............................... 762.7抽真空、追加制冷剂........................................................................................... 772.7.1 抽真空............................................................................................................... 782.7.1.1抽真空目的..................................................................................................... 782.7.1.3 抽真空............................................................................................................ 782.7.2 追加制冷剂....................................................................................................... 802.7.3 打开室外机的大、小阀门............................................................................... 811、绘制规范的工程图纸绘制规范的工程图纸在安装多联机组前期准备工作中是非常重要的。
多联机及附属管道安装作业指导书(技术交底)多联机及附属管道安装作业指导书一、适用范围本施工工艺标准适用于民用建筑工程中多联机系统设备及附属管道安装。
二、编制依据2.1《通风与空调工程施工质量验收规范》GB50243-2022;2.2《通风与空调工程施工规范》GB/T50738-2022。
三、施工准备3.1材料要求3.1.1所采用的多联机及铜管材料应具有出厂合格证明书或质量鉴定文件。
3.1.2内外机壳体完好无损伤,配件齐全,冷媒管外包装完好,管口封堵严密。
3.1.3设备安装所使用的主料和辅助材料规格、型号应符合设计规定,并具有出厂合格证。
3.2主要机具3.2.1电锤、手电钻、活扳手、套筒扳手、砂轮切割机、手锤、气焊工具、活动式脚手架、钢丝绳、拖板车、手工焊焊机、氮气瓶。
3.2.2主要检测机具:线坠、水平尺、卷尺等。
3.3作业条件3.3.1安装所需支架、横担、丝杆的集中加工点应设置在具有开敞,明亮、洁净、地面平整、不潮湿的地方。
3.3.2作业地点要有相应的加工工艺的必备工具、设施及电源和可靠的安全防护装置,并有消防器材。
3.3.3管道、设备安装应有批准的图纸,经审查的大样图,系统图,并有施工员书面的技术质量及安全交底。
熟悉图纸,明确管道、设备安装的标高、走向。
四、操作工艺4.1施工流程室内机安装→管道支架安装→铜管加工→管道安装→管道吹污→室外机安装→管道试压4.2室内机安装(1)根据图纸,明确室内机位置,核对室内机型号、尺寸,确定定位点足够牢靠。
(2)放线打孔,制作安装室内机螺纹吊杆(φ10mm或φ12mm),吊杆长度根据吊顶高度以及室内机尺寸来确定。
吊杆采用丝杆,以便调节室内机高度及水平。
(3)打开包装,检查室内机外表无损后,可进行吊装,依据设计标高,用水平仪校正水平度(±1°以内),采用上下对夹定位法紧固固定螺栓,吊杆下方需采用双螺母锁紧。
在吊顶房间安装高度需与吊顶平齐,在吊顶安装前施工,安装后做好成品保护,使用塑料膜包裹。
GMV多联空调机组安装与维修1目录第一部分:安装第二部分:安装的案例分析第三部分:维修保养2第一部分安装1安装注意事项☆ 时,同时运使用行的室内机总容量不得大于室外机容量。
否则,会导致各室内机制冷(制热)量不足。
☆ 各室内机的供电方式必须为统一供电,室内机不能有单独的电源开关,所有室内机只能由一个总电源开关控制,用户要清洗室内空调机组之前必须先切断所有室内机的总电源。
☆ 为了使空调机组启动顺利,应在开始运行前8小时就把空调机组的总电源开关预先打在“开”状态。
[压缩机底部电加热带上电工作,加热润滑油,保证压缩机曲轴工作的时候有足够的润滑。
]☆每台室内机接收停机信号后,该室内机的风机将继续工作20~70秒以利用换热器的余冷或余热,也为下一次使用做准备工作,这是正常现象。
☆在安装时通讯线和电源线不能交织在一起,必须分开走线,其最小间距应大于15厘米,否则可能导致机组通讯不正常。
☆启动电容给室外机电器组件提供高压电,在维修机组之前,一定要排除启动电容中的高压电,一个充满高压电的变容可能会导致电击事件发生。
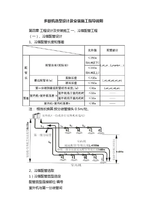
32工程安装准备本节重点介绍连接管路的设计、分歧管的选择、追加制冷剂计算三个问题42.1连接管允许长度和落差第一分歧的最远配管相当长度L ≤50m室内机之间的落差h ≤15m 室内机和室外机之间的落差H ≤50m 相当长度是按分歧头0.5m 一个,分歧集管1.0m 一个设计。
f室内机g h i第一分歧部室外机ed c b a最远配管相当长度L ≤125m 室内机分歧集管制冷剂管允许长度/高度差 允许值 配管部分 配管总长(单程实际长)250m L 1+L 2+L 3+L 4+L 5+L 6+L 7+a+b+…+i+j实际长度 100m单程最远配管长(m ) 等效长度 125mL 1+L 3+L 4+L 5+L 6+j第一分歧管到最远配管 等效长度L (m ) 50m L 3+L 4+L 5+L 6+ j室外机在上 50m —— 室内机-室外机落差 室外机在下 40m —— 室内机-室内机落差 15m—— 5请绘制工程图纸的工程师在确定室外机和室内机的安装位置时注意连接管允许的长度和高度差。
多联机安装施工规范手册,收藏备用~~一、工程安装质量的重要性冷媒不足、系统管道泄露、冷媒管道脏堵引起系统过热,出现压缩机故障。
冷媒管道潮湿,节流部件冰堵、水份跟冷媒发生化学反应生成物导致压缩机电机绝缘性能破坏。
安装位置不合理,外机散热效果不好、室内机换热效果下降、内外机维护检修困难,导致内外机非正常的保护。
电源线与信号线串通导致电器元件损坏,信号线连接错误,导致通讯故障。
二、施工工序图纸审核:核对冷量设计、铜管尺寸、分歧管布置、冷凝水走向是否符合要求。
管路安装:按照技术资料要求进行安装(《多联机安装手册》安装使用说明书》)。
室内机安装:按照图纸及现场实际情况吊装室内机及送回风管。
排水管安装:按照图纸设计合理安装排水管。
室外机安装:按照技术资料要求进行安装。
电源、信号线安装:电源线线径满足设备运行负荷,信号线连接正确。
设备调试:以上工序完成后可对系统进行调试。
三、主要施工步骤1、图纸审核:校对房间冷量是否符合要求,确认室内机(机型)选择能否满足设计要求,室内外机是否匹配。
校对管路设计尺寸、分歧管选型能否满足技术要求。
校对管路总长、第一分歧与最后一台室内机距离是否符合技术要求。
校对信号线连接方式是否正确。
校对排水管路设计走向是否符合要求。
2、室内机安装图纸核对:确认机组规格型号及安装方向与图纸一致。
吊装强度:悬挂吊杆必须足以承受室内机的2倍重量,保证机组运转不会发生异常的振动和噪音。
室内机安装应保证电子节流部件、冷凝水管的安装空间和坡度。
水平:水平度保持在±1°之内。
(错误做法的隐患:a.漏水;b.机身产生异常震动和噪)与装潢提前沟通,保证送风回风管的安装空间,保持足够的维护保养空间(留足够大的检修口,一般400×400mm)。
室内机安装(简易安装图纸)3、室外机安装1)外机吊装吊装时禁止拆除任何包装,应用两根绳索在有包装状态下吊运,保持机器平衡,安全平稳地上升。
在无包装或包装已损坏搬运时,应用垫板或包装物进行保护。
多联机空调工程安装指导手册第一章多联机工程安装基本规定1.多联机空调的验收应符合设计图纸、合同约定和相关技术标准的规定,并且必须有设计变更通知书或技术核定签证。
2.多联机空调工程所使用的材料、成品、半成品和设备必须经过验收,并应形成相应的质量记录,经监理工程师或业主认可。
3.施工企业应承担通风与空调工程施工图纸深设计及质量管理体系,并应取得原设计单位的书面同意或签字认可。
4.通风与空调工程的施工应按照规定的程序进行,并与土建及其他的专业工种互相配合。
土建工程施工完毕后,应由建设或总包、监理、设计及施工单位共同会检,会检的组织宜由建设、监理或总承包单位负责。
5.通风与空调工程中的隐蔽工程,在隐蔽前必须经监理人员验收及认可签证。
6.施工过程应符合国家安全施工规范。
第二章施工准备一、技术准备1.绘制图纸:施工图纸应完整、齐全,符合相应厂家技术要求、国家标准和规范,并符合现场施工条件的要求。
图纸中的管线、管路设计应合格,符合建筑施工规范的要求。
2.图纸会审:施工图纸应在有关监理人员或业主以及土建、装潢、水电等专业工种共同参与下进行会审。
施工图纸修改必须有原设计单位的设计变更通知书,并经有关监理人员或业主签证确认。
3.技术交底:在施工过程中发现设计文件有差错,应及时提出修改或更正建议,并经设计师认可,有关监理人员或业主签证确认,并及时形成书面文件归档。
安装施工应按照规定的程序进行,并与土建、装潢、水电等专业工种互相配合。
在多联中央空调工程的安装结束后,装潢工程开始时,应进行一次隐蔽工程验收,有空调安装负责人、装潢施工负责人、业主与监理人员一起验收及认可签字。
通风与空调工程中从事管道焊接施工的焊工必须持有相应类别管道焊接的考核合格证书和操作资格证书。
在冷媒配管焊接时,需要充分保护,减少氧化皮的产生。
使用氮气减压阀将压力控制在0.2~0.3kgf/cm2,焊接完毕后持续通入氮气直至管道完全冷却为止。
铜管与分歧管之间连接采用承插焊接,其套管插入深度需根据铜管外径进行选择。
多联机安装图⽂教程,⼀看就懂!⼀、现场材料堆放材料堆放应整齐有序,两端必须封⼝,确保清洁。
铜管应放置在通风⼲燥,离地⾯300MM以上的架⼦上⼆、室外机安装1、室外机安装位置选取空调室外机离墙必须⼀⽶以上,保证散热,并且有⾜够维修空间2、基础制作基础必须参照设备的安装尺⼨制作且有⾜够的承载能⼒,基础必须要⽔平3、室外机就位吊机室外机时,要保持机器⽔平,机⾝与吊绳接触部位应加软垫以免磨损或刮花机器室外机在与基础接触的安装孔和受⼒点处垫上减震垫,⽤螺母固定三、室内机安装1、吊码制作和选⽤根据室内机吊装⾼度和楼⾯⾼度确定吊杆长度后切料2、室内机安装采⽤红外线定位仪确定室内机吊杆安装位置,并做好记号,⽤电钻打孔室内机吊装位置应确保空调冷凝⽔能排出,风管安装⽅便且送风顺畅必须采⽤全螺纹吊杆,并⽤双螺母固定室内机,确保机器吊挂牢固室内机吊好后,⼀定要调⽔平节流部件安装时必须垂直向上⽔平安装,禁⽌倾斜、倒置,并且连接时注意连接⽅向室内机包裹防尘罩,防⽌⼤量灰尘进⼊机器内部,影响机器运⾏效果保证室内机周围有⾜够的安装和维修空间,合理的送回风⽓流组织四、冷媒管施⼯1、⽀架安装架距离不宜过⼤,安装好的⽀架必须排列整齐2、冷媒配管敷设安装⽤割⼑切割相应规格长度的铜管将端⼝处的⽑刺、管内的铜管屑处理⼲净3、冷媒管保护配管如不能及时与内外机相连,必须封⼝,防⽌灰尘、⽔分等侵⼊;配管穿墙时需加套管及时做封⼝保护4、分歧管安装分歧管不能⽤三通代替,只能⽔平或垂直安装。
铜管转弯处与相邻分歧管间的⽔平直管段≥1M;相邻两分歧管间的⽔平只管段距离≥1M;分歧管后连接室内机的⽔平直管段距离≥0.5M 5、胀管连接铜管径冷媒管连接,必须采⽤胀管⽅式,禁⽌⽤扩喇叭⼝⽅式连接6、扩喇叭⼝⽤扩⼝器扩喇叭⼝,管⼝应平整⽆⽑刺,喇叭⼝应⽆变形和裂纹螺母连接,必须采⽤两个活动扳⼿进⾏操作7、冷媒管充氮焊接为确保施⼯安全,氮⽓瓶需连接减压阀,焊接时氮⽓压⼒控制在0.2-0.3KGF/CM2确定氮⽓路径,将氮⽓管插⼊到要实施焊接的冷媒管⼊⼝处并封⼝,打开氮⽓瓶阀门,通过减压阀调节好氮⽓的⽓流⼤⼩,最后实施焊接8、冷媒管⽓密性试验将⽓液管连到⼀起,引出⼀接管压⼒表,且将此接⼝封焊好。
多联机选型设计及安装施工指导说明第四章工程设计及安装施工一、冷媒配管工程(一)、冷媒配管设计1、冷媒配管长度和落差注:相当长换算:按分歧管接头0.5m/处、2、冷媒配管选取1)冷媒配管类型选定配管类型连接部位编号室外机与第一分歧管间1、2主配管分歧管与分歧管间支配管分歧管与室内机间 32)单模块室外机配管尺寸和连接方法机型气侧液侧MDV-D252(8)W/S-830Φ28.6(焊接)Φ12.7(扩口螺母)MDV-D280(10)W/S-830Φ28.6(焊接)Φ12.7(扩口螺母)MDV-D335(12)W/S-830Φ28.6(焊接)Φ12.7(扩口螺母)MDV-D400(14)W/S-830Φ38(焊接)Φ15.9(扩口螺母)MDV-D450(16)W/S-830Φ38(焊接)Φ15.9(扩口螺母) 3)多台模块机并联的连接主管尺寸并联机组能力A(HP)配管尺寸(气/液)18≤A≤24 Φ38.0/Φ19.026≤A≤32 Φ45.0/Φ22.034≤A≤48 Φ54.0/Φ25.050≤A≤64 Φ67.0/Φ28.6★注意:多台模块机并联时,必须处于同一水平面,不得出现高差。
4)主配管尺寸选定A (HP) 配管尺寸 (气/液) 适用分歧管备注0<A≤12 Φ28.6/Φ12.7 MDV-BY101分流冷媒到下一分歧管或室内机12<A≤16 Φ38.0/Φ15.9MDV-BY102分流冷媒到下一分歧管或室内机16<A≤24 Φ38.0/Φ19.024<A≤32Φ45.0/Φ22.0 MDV-BY103分流冷媒到下一分歧管或室内机32<A≤48 Φ54.0/Φ25.0 MDV-BY104分流冷媒到下一分歧管48<A≤64 Φ67.0/Φ28.6 MDV-BY105分流冷媒到下一分歧管说明:① A表示:配管下游内机(从该段配管的至最后一台内机之间所有内机)的马力数之和。
② 第一分歧管以外机总能力为准,其他分歧管不得大于第一个分歧管。
多联机施工手册(文字版)多联机室外机施工要求一.室外机基础1.室外机基础最好采用混凝土基础,也可以采用型钢基础,采用型钢基础要做好防腐工作。
2.基础高度要考虑到雪埋深度、排水、保温层厚度等,一般应高出地面150-200mm。
3.基础表面应水平,承重不低于机组重量的四倍以上。
4.基础四周应留有排水沟,以利于室外机化霜水的排放。
5.室外机基础设在屋顶时应协调土建方作好防水工作。
二.室外机安装位置选择1.安装位置应足以承受外机的重量和振动,特别是外机集中放置时,要考虑到其运转时产生振动对建筑结构产生的影响。
2.机组噪声和振动不会对居民和环境造成影响。
3.机组周围应尽量满足进风、出风需要,通风顺畅,散热良好,机组上方2m内不应有障碍物,否则应加设导风管。
4.机组周围应留有0.5米以上的维修空间,四周障碍物高度不得超过800mm。
5.机组周围没有易燃、易爆及腐蚀性气体;没有热源及排油烟口;无高压线、变压器、发射塔等电磁干扰源。
三.室外机安装1.机组吊装运输时应保持直立,不得倾倒,否则会导致机组损坏。
2.机组开箱检查是否有漏油和损伤现象,检查随机附件和技术资料是否齐全并交专人保管。
3.室外机应摆放整齐,面板朝向一致。
4.机组与基础之间加10mm厚的减振橡胶,机组与基础用螺栓固定。
5.同一行外机间距在20mm以上,施工现场条件允许,考虑到散热效果和检修方便可适当增大到200mm。
两行外机间应留有1000mm以上的维修空间。
6.外机与冷媒管焊接时,对机组截止阀采取冷却措施,防止焊接的高温损坏阀体内的密封材料。
7.机组上方2米内有障碍物时,加装导风管将排风引出。
8.室外机原则上不允许安装在有百叶窗封闭的空间内,若必须安装的话,则叶片间距应≥30mm以上,百叶倾斜角在0—15度内,且尽量加大百叶窗的面积。
四.室外机汇总管、分歧管安装1.室外机汇总管、分歧管应采用随机附带的合格产品,绝对不允许使用三通配件和现场焊接三通。
多联机安装施工方案
一、概述
多联机作为家用空调系统的一种形式,能够实现一个室外机连接多个室内机的
供暖与制冷功能。
本文将介绍多联机安装的施工方案,包括准备工作、安装步骤和验收标准。
二、准备工作
1.确定安装位置:根据用户需求和室内空间布局,确定室内机和室外机
的合适位置。
2.确定管道路径:测量管道长度,确定管道穿墙位置,考虑管道的走向
和美观性。
3.准备工具材料:包括各种尺寸的螺丝刀、扳手、钳子,以及管线、绝
缘材料等。
三、安装步骤
1.安装室外机:先确定室外机的位置,用螺丝将其固定在合适位置上,
并连接电源线。
2.安装室内机:按照预先确定的位置,固定室内机,并连接室内机与室
外机的管道。
3.接通电源:将室内机和室外机的电源线接通,测试各项功能是否正常。
4.调试系统:调整空调系统的运行参数,确保制冷和供暖功能正常运作。
四、验收标准
1.供暖和制冷功能:确保系统能够正常切换制冷和供暖模式,并保持设
定温度稳定。
2.管道连接:检查各个管道连接处是否牢固,无漏水现象。
3.电气连接:检查所有电线连接是否牢固,无漏电现象。
4.面板操作:确认遥控器和面板操作正常,各种功能按键灵敏。
5.噪音水平:运行系统时,检查噪音水平是否在合理范围内。
五、总结
多联机的安装施工既需要专业技术,又需要细心认真,确保系统稳定运行。
有
效的施工方案能够提高系统的运行效率和使用寿命,为用户提供舒适的室内环境。
多联机空调系统安装【整编】第一节多联机空调系统安装一、冷媒管安装(一)冷媒管管径大于20mm时,支吊架的间距不应大于1.5m;冷媒管管径小于20mm时,支吊架的间距不应大于1m。
(二)铜管切割必须采用专用切割刀具,避免管口产生毛刺。
(三)必须保证冷媒管内的清洁干燥、需用氮气吹净。
(四)为避免空气里杂质对冷媒管的氧化作用,在采用钎焊时应对冷媒管用氮气吹净,使用氮气替换冷媒管内的空气。
(五)在冷媒管与设备连接时,应对冷媒管进行包扎封盖,防止水份、脏物或灰尘等杂质进入冷媒管内。
(六)封盖冷媒管可采用未端钎焊的方法或PVC带子包扎的方法。
(七)冷媒管必须选用满足JIS标准要求的去氢磷铜无缝管。
(八)冷媒管的钎焊方法应采取向下或水平侧向进行,应尽可能避免仰焊。
(九)液管和气管端管必须注意装配方向和角度,以免油的回流或积蓄。
(十)冷媒管的联接形式可采用扩口联接和法兰联接。
(十一)冷媒管道的长度不得超过300m。
(十二)室外机高于室内机时最大高度差不得超过50m。
室内机高于室外机时最大高度差不得超过40m。
(十三)室内机相互之间最大高度差不得超过15m。
系统第一级分支距最远室内机的最远距离不得超过40m。
二、室外机的安装(一)有关设备要汇同有关人员共同对设备进行开箱点件,办理移交手续。
检查设备在运输过程中是否受到损伤。
(二)检查设备尺寸和基础预留尺寸是否相符,确认无误后按土建预留标记对基础标高和中心线进行确认划线。
(三)设备二次搬运过程中一定要避免损伤。
室外机务必固定牢固,室外机与基础垫橡胶减振,室外机的位置应便于维护。
(四)为便于室外机散热及减少噪音传播方向,室外机风扇吹出侧背向建筑立面。
三、室内机安装(一)安装前核对设备型号。
(二)悬挂室内机的吊架要稳定牢固,留下足够的安装空间以供检修,检修口应不小于450*450mm。
(三)相对于天花板表面保持水平,水平度在±1mm之内。
机身必须与天花板可见接处呈平行线。
多联机空调安装工程施工方案及技术措施一、前言多联机空调是一种新型的中央空调系统,它具有节能环保、舒适节能、安全可靠等特点,被广泛应用于各种场合。
在实际应用过程中,正确的安装和调试对于多联机空调的工作效果和使用寿命具有至关重要的影响。
因此,本文将介绍多联机空调安装工程的施工方案和技术措施,以期为广大使用者提供参考和帮助。
二、施工前准备2.1 工具准备在施工前,要做好工具准备。
根据施工情况,准备相应的工具,如钳子、扳手、扩钳、螺丝刀等常规工具,以及压力表、温度计、漏气检测仪等专业工具。
2.2 材料准备材料准备是施工前的关键步骤。
要根据设计方案准确计算所需材料,包括空调主机、室内机、配管、电缆、绝缘材料、接头管等。
三、施工方案3.1 室外机安装1.室外机选址室外机的选址是施工的关键步骤。
要根据实际情况进行选址,考虑室外机的露天、距离、高度等因素。
在选择位置时,应尽可能选择环境良好的区域。
2.安装底座在选择好室外机的位置后,要根据土地坚实程度进行底座的施工。
底座的高度要与安装位置相适应。
3.固定室外机室外机通过膨胀螺栓或膨胀螺帽固定在底座上,确保其牢固可靠。
3.2 室内机安装1.安装天花板机安装天花板机要先选择好位置,再按照设计方案进行布管,保证布管的美观和合理。
根据设计方案连接电缆和配管。
2.安装挂壁机安装挂壁机时,先安装支架、钩子等,再通过布管、电缆连接室内机和室外机。
3.3 配管布置在进行配管布置时,要根据设计方案进行,布置过程中要保证管路的直线性,避免出现弯折,以免影响制冷效果。
3.4 电缆连接电缆连接是安装的重要步骤,必须保证连接的牢固可靠。
在连接前,先检查电缆的长度和电缆的搭配,再连接到电源和控制线。
四、安装后调试在安装过程中,要时刻注意质量,确保安装工作顺利完成。
在安装后要进行调试,以保证空调设备的正常工作。
4.1 室内机漏水问题如果室内机存在漏水问题,首先要检查是否安装不当、布管不到位等人为因素造成的漏水,如果是则进行修正,否则检查机内部出现的泄漏情况,进行维修或更换。
格力GMV多联机安装及维修手册格力GMV多联机安装及维修手册一、安装步骤1、确定安装位置:选择通风良好、环境湿度较低、阳光直射不到的地方,如室内墙角或门口。
确保安装面的稳固性和水平度。
2、组装机体:将室内、室外机体分别组装好,注意机体应垂直于地面,垂直度应保证在1‰以内。
3、连接电源线:根据随机附带的电气接线图接好电线,注意电线不要用力拉扯,也不要交叉。
4、连接水管:根据随机附带的管道连接图,接好冷媒管,并用保温材料包裹。
5、安装排水管:根据实际情况,安装排水管,注意排水管应低于室内机高度。
6、安装遥控器:根据说明书安装遥控器,并确保电池正确安装。
二、调试步骤1、通电前检查:检查电源接线是否正确,检查排水管是否畅通,检查所有手动阀门是否处于打开状态。
2、通电试验:接通电源,打开电源开关,观察室内机是否正常运行,是否有异常声音。
3、遥控器操作:根据说明书操作遥控器,检查各项功能是否正常。
4、自检功能:根据说明书操作自检功能,检查各项指标是否正常。
三、维修步骤1、故障判断:根据故障现象,判断故障部位和原因。
2、拆机检查:在拆机前,先关闭电源,拆下外壳,然后进行观察和检测。
3、更换部件:根据需要更换故障部件,注意选用正确型号的配件。
4、重新安装:将机体重新组装,并按照安装步骤重新安装。
5、调试:接通电源,进行调试,确保设备正常运行。
四、注意事项1、在安装、维修前,必须先切断电源。
2、定期清洗过滤网,保证设备正常运行。
3、在维修时,不要用力拉扯电线,以免损坏电线。
4、注意保持设备清洁、干燥,避免设备受潮。
5、在使用遥控器时,不要用力按压按键,以免损坏遥控器。
以上是格力GMV多联机安装及维修手册,希望能对大家有所帮助。
多联机空调设备安装方案一、概述多联机空调设备是一种可以同时连接多个室内机和一个室外机的空调系统,适用于大型居住区、商业建筑和办公场所等场合。
本文档旨在提供一个安装多联机空调设备的方案,确保设备的正确安装和运行。
二、准备工作在安装多联机空调设备之前,需要进行以下准备工作:1. 确定适当位置:选择一个安装位置,确保室外机能够有足够的空间,并且不会受到遮挡或阻碍。
2. 确保电力供应:确保能够为多联机空调设备提供稳定的电力供应,并符合相关的电气安全标准。
3. 确定管道布线:设计合适的管道布线方案,确保室内机和室外机之间的连接顺畅。
4. 准备需要的工具和材料:包括管道、管件、电缆、保险丝等安装所需的工具和材料。
三、安装步骤以下是多联机空调设备的安装步骤:1. 安装室外机:将室外机安装在预定位置上,确保它稳固且垂直。
2. 安装室内机:根据设计方案,将室内机安装在相应的位置上,并确保室内机与管道连接正确。
3. 连接管道:根据管道布线方案,将室内机与室外机之间的管道连接起来。
4. 连接电源:将室内机和室外机分别连接到稳定的电源上,并确保电气连接正确。
5. 测试运行:完成安装后,进行测试运行,确保多联机空调系统正常工作,并对各项功能进行检查和调试。
四、安全注意事项在安装多联机空调设备时,需要注意以下安全事项:1. 请确保所有安装人员都具备相关的资质和技能,遵守相关的安全操作规程。
2. 在进行电气连接时,请务必遵守相关的电气安全标准,确保电力供应稳定和安全。
3. 在安装过程中,请注意操作的稳定性和安全性,避免对现有结构和装置造成损坏。
4. 如果遇到任何安全问题或疑虑,请立即停止安装,并寻求专业人士的帮助。
五、维护和保养多联机空调设备的维护和保养是确保设备正常运行的关键。
定期进行以下维护活动可以延长设备的使用寿命和减少故障的发生:1. 清洁滤网:定期清洁和更换室内机的滤网,以确保空气质量和设备的效果。
2. 检查管道连接:定期检查管道连接,确保没有漏水或松动现象。
三菱重工海尔施工安装规范编制部门:顾客服务部2007-7-26第一篇定频机、变频多联机部分目录第一章工程施工流程及规范第一节安装工作的重要性第二节安装工艺流程第三节工程安装前准备第四节冷媒管道的安装第五节室内、外机的安装第六节冷凝排水工程施工第七节保温第八节电气工程的施工第九节排污、保压第十节抽空加氟、开机调试第二章MHAQ产品知识引言●为加强安装工程质量管理,统一空调工程安装方法,特制定本手册。
●安装应以正规的设计图纸为依据,未经允许,不得随意改动。
●施工中采用的工程技术文件、承包合同文件对施工质量的要求不得低于本手册规定。
●安装前应仔细学习本手册的有关规定。
●若本手册中有未尽事项,请参照有关国家及地方规范或行业标准。
本手册如有与国家及地方规范或行业标准要求不一致处,以后者为准。
●若其中涉及相关机器参数及要求的更改,以我公司最新技术通知单为准,恕不另行通知。
●违反本手册的有关技术要求而产生的一切后果,我公司不承担任何责任。
第一章工程施工流程及规范第一节安装工作的重要性多联式空调系统是由一台或一组含变容式压缩机的室外机,连接多台室内机而组成的单一制冷回路系统。
它可以通过对变容式压缩机和电子膨胀阀的控制,调节系统和室内侧换热器的制冷剂流量来实现系统的变容节能运行,并较精确地满足室内供冷和供暖要求。
一般由室内机组、室外机组、制冷剂管道系统以及电气、自控系统组成。
多联机的运行工质是各种高效制冷剂,室内机和室外机使用专用铜管连接,通过通讯线进行控制。
制冷剂管道内部进入灰尘、杂质、水分或存在渗漏都将会导致系统不能正常运行甚至瘫痪。
正是因为多联机设计精密、控制灵活,所以对安装质量的要求就特别高。
安装过程中,经常会出现的问题及影响见下表。
为保证安装工程质量,要求安装商具有相应的专业工程施工资质。
否则,在安装前,必须经过厂家的技术人员培训。
工程施工中从事特种作业的焊工、电工、制冷工等必须具备操作上岗证及相应的职业技能资格证书。
GMV多联空调机组安装与维修目录第一部分:安装第二部分:安装的案例分析第三部分:维修保养第一部分安装1安装注意事项☆ 时,同时运使用行的室内机总容量不得大于室外机容量。
否则,会导致各室内机制冷(制热)量不足。
☆ 各室内机的供电方式必须为统一供电,室内机不能有单独的电源开关,所有室内机只能由一个总电源开关控制,用户要清洗室内空调机组之前必须先切断所有室内机的总电源。
☆ 为了使空调机组启动顺利,应在开始运行前8小时就把空调机组的总电源开关预先打在“开”状态。
[压缩机底部电加热带上电工作,加热润滑油,保证压缩机曲轴工作的时候有足够的润滑。
]☆每台室内机接收停机信号后,该室内机的风机将继续工作20~70秒以利用换热器的余冷或余热,也为下一次使用做准备工作,这是正常现象。
☆在安装时通讯线和电源线不能交织在一起,必须分开走线,其最小间距应大于15厘米,否则可能导致机组通讯不正常。
☆启动电容给室外机电器组件提供高压电,在维修机组之前,一定要排除启动电容中的高压电,一个充满高压电的变容可能会导致电击事件发生。
2工程安装准备本节重点介绍连接管路的设计、分歧管的选择、追加制冷剂计算三个问题制冷剂管允许长度/高度差允许值 配管部分配管总长(单程实际长)250m L1+L2+L3+L4+L5+L6+L7+a+b+…+i+j实际长度 100m 单程最远配管长(m) 等效长度 125mL1+L3+L4+L5+L6+j第一分歧管到最远配管 等效长度L(m) 50m L3+L4+L5+L6+ j室外机在上 50m —— 室内机-室外机落差室外机在下 40m —— 室内机-室内机落差 15m ——请绘制工程图纸的工程师在确定室外机和室内机的安装位置时注意连接管允许的长度和高度差。
特别注意格力多联机组的最大配置率为135%,即室内机的总容量为室外机容量的135%,最大配置率不允许超过135%。
(室内机全开几率较大时推荐配置率100%)。
1目录第一章多联机工程安装基本规定第二章施工准备第三章工程施工材料要求第四章空调工程施工流程第一节配管施工第二节室内机与室外机的安装第三节风管安装第四节排水管路的安装第五节电器配线敷设第五章水系统安装第六章调试验收工作第一节管道气密性试验(增加水系统管道试压)第二节抽真空、冷媒追加、开机调试(增加水系统调试报告)第七章竣工验收第八章工程图片对比2第一章多联机安装基本规定1、多联机空调验收,除了要符合本规范的的要求外,还要按照被批准的设计图纸、合同约定的内容和相关技术标准的规定进行。
施工图纸修改必须有设计变更通知书或技术核定签证。
2、多联机空调工程使用的主要材料、成品、半成品和设备的进场,必须要对其进行验收。
验收应经监理工程师(或业主)认可,并应形成相应的质量记录。
3、施工企业承担通风与空调工程施工图纸深设计及质量管理体系,并应取得原设计单位的书面同意或签字认可。
4、通风与空调工程的施工应按照规定的程序进行,并与土建及其他的专业工种互相配合;与通风与空调系统有关的土建工程施工完毕后,应由建设或总包、监理、设计及施工单位共同会检。
会检的组织宜建设、监理、或总承包单位负责。
5、通风与空调工程中的隐蔽工程,在隐蔽前必须经监理人员验收验收及认可签证。
6、施工过程应符合国家安全施工规范3第二章施工准备一、技术准备1、绘制图纸①、施工图纸完整、图纸齐全,符合相应厂家技术要求和相应国家标准和规范②、图纸应符合现场施工条件的要求,施工图纸中管线、管路设计合格,符合建筑施工规范的要求。
2、图纸会审①、在有关监理人员(或者业主)以及土建、装潢、水电等专业工种共同参与下进行施工图纸会审。
②、施工图纸修改必须有原设计单位的设计变更通知书,并经有关监理人员(或业主)签证确认。
3、技术交底①、在施工过程中发现设计单位的设计文件有差错,应及时提出修改或更正建议,经设计师认可,有关监理人员(或业主)签证确认,并及时形成书面文件归档。
4②、安装施工应按照规定的程序进行,并与土建、装潢、水电等专业工种互相配合。
在多联中央空调工程的安装结束后,装潢工程开始时,应进行一次隐蔽工程验收。
有空调安装负责人、装潢施工负责人、业主与监理人员一起验收及认可签字。
4、明确施工重点及安装质量要求,根据工程进度要求,及时制定进度计划表二、工程文件管理1、多联冷媒型空调工程的所有文件(包含系统的设计方案、竣工图纸资料、安装说明书、使用说明书、各项试验数据报告和隐蔽工程验收报告等书面文档资料)应由资料员按项目进行文件的分类整理,并统一归档管理。
三、材料、设备要求1、通风、空调使用的材料及配件等按照设计要求向公司工程部监理员办理报验手续。
2、安装使用的工具齐全、型号标准符合安装及技术要求。
仪器表经过检测或鉴定,量程精度满足要求。
第三章施工材料要求一、连接中央空调器室内机与室外机的制冷剂配管应具有一定的强度和韧度,与器具使用的制冷剂类型相适应。
5材质应符合国家标准要求。
铜管材料要符合如下要求:1、铜管必须是磷酸脱氧无缝铜管,内壁应清洁、干燥、杂质含量≤30mg/10m。
2、使用铜管具有出厂合格证、质量证明书。
铜管的壁厚要以下的标准:3、如果是R410A冷媒系统,铜管必须进过脱油处理(R22冷媒除外)二、连接管的气、液管路路以及排水管应进行良好保温和防露措施,气、液管路以及排水管不应有凝露,材料必须使用耐热性超过120℃的材料;使用难燃B1级或防火等级跟高的绝热材料。
1、铜管保温材料要求如下表:62、保温材料表面干净无污脏。
三、室内机排水管应使用符合国家标准的PVC、PPR、镀锌管等。
排水管要保温,表面不得产生凝露四、空调器的电源线、室内机和室外机的连机信号线和电器控制应符合国家标准(GB 4706.26-2004)第四章空调工程施工流程第一节配管施工1、空调器内外机制冷剂配管的规格应满足安装说明书的要求,配管长度尽量的短,施工中确保配管的清洁、干燥和密封,分歧管保证水平、竖直配管不得变形。
2、通风与空调工程从事管道焊接施工的焊工,必须具备操作资格证书和相应类别管道焊接的考核合格证书。
①冷媒配管焊接时,需要充保护,减少氧化皮的产生。
使用氮气减压阀将压力控制在0.2~0.3kgf/cm2,焊接完毕持续通入氮气直至管道完全冷却为止。
7铜管与分歧管之间连接采用承插焊接,其套管插入深度见下表②冷媒铜管搬入施工工地需要注意避免弯曲变形。
③保存中与施工中的铜管必须用端盖或胶带封口。
④配管在施工现场须放置在专门架、台上,在指定场所专门保管。
⑤管路固定间距合理制冷剂管道的吊架或托架支撑间距8立管固定一般,应将气管与液管并行悬挂,支撑点的间隔距离根据皮管的管径来选择,由于流动的冷会随运转和工况的变化而发生温度温差差异导致冷媒配管产生热胀冷缩现象,所以不能将保温后的配管完全夹紧,否则可能造成铜管应为力集中而开裂。
3、分歧管应选择空调器生产厂家规定的型号,个分歧管型号的确定方法按照安装说明书的要求进行。
①、必须按照施工图纸和安装说明书确认分歧管组件的型号以及连接的主管和支管的管径,内、外机分歧管安装要水平,左右不得倾斜;竖直安装,可以向上或者向下,但是不允许偏斜;分歧管尽量靠近室内机,分歧管的制冷剂入口端的直管长度不小于800mm,吊架离分歧管的焊接距离应大于300mm94、空调系统中气管、与液管要分开套保温管,禁止将气管与液管包裹在同一根保温管里面第二节室内机与室外机的安装一、中央空调器室内机的安装应充分考虑室内空间位置和布局,使气流组织合理、通畅,同时综合考虑下述因素定位安装:1、按照施工图纸完成室内机吊装,位置应正确,并保持水平。
安装时,室内机吊杆螺母必须有防松措施,保证安装安全牢固,吊杆应具有足够的承重量,在室内机电控盒及铜管接头下方,必须留有检修口,室内机安装位置必须便于安装与维修;2、使用随机附带的安装纸板进行室内机的吊装孔定位,保证吊挂竖直,设备平稳。
3、现场安装位周围有强热源和其他设备排气口、蒸汽户可燃气体、存在气流短路等情况时,应与设计人员及时联系予以调整。
4、当天花板强度不够时,则在安装室内机之前应采取措施进行加固,确保安装的可靠、安全性;5、室内机如安装在天花板为水泥现浇板时,则可采用埋头螺栓或膨胀螺栓等到安装悬吊螺栓来吊装室内机;106、对于暗装形式的室内机,应留有维修口,维修口的尺寸应符合设备安装说明书要求。
7、室内机吊装完成后做好防尘、防杂物,应对室内机进行保护。
二、空调器室外机组的安装应考虑环保、市容的有关要求,特别是在名优建筑物和古建筑物、城市主要街道两侧建筑物上安装空调器,应遵守城市市容的有关规定。
房间空调器应根据用户的环境状况并综合考虑下述因素定位安装:1、避开易燃气体发生泄漏的地方或有强烈腐蚀气体的环境;2、避开人工强电、磁场直接作用的地方;3、避开易产噪声、振动的地点,室外机安装基础牢靠,室外机与安装基础之间要设有减震措施。
4、避开自然条件恶劣(如油烟重、风沙大、阳光直射或有高温热源)的地方;5、避开儿童易触及的地方;6、缩短室内机和室外机连接的长度;选择便于维护、检修方便和通风的地方进行安装。
第三节风管的安装1、防火风管的本体、框架与固定材料、密封垫料必须为不燃材料,其耐火等级应符合设计的规定。
112、复合材料风管的覆面材料必须为不燃材料,内部的绝热材料应为不燃或难燃B1级,且对人体无害的材料。
3、风管、静压箱及其他部件,必须擦拭干净,做到无油污和浮尘,当施工停顿或完毕时,端口应封好。
4、风管安装前应清除内、外杂物,并做好清洁和保护工作;5、风管的位置、标高、走向,应符合设计要求。
现场风管接口的配置,不得缩小其有效截面积6、连接法兰的螺栓应均匀拧紧,器螺母宜在同一侧;7、风管接口的连接应严密、牢固。
风管法兰的垫片应符合系统功能的要求,厚度不应小于3mm。
垫片不应凸入管内,亦不宜突出法兰外。
8、可伸缩性金属或非金属软风管的长度不宜超过2m,并不有死弯或塌凹。
9、风管及设备保温应在风管系统漏风试验和质量检查合格后进行。
风管的支、吊、托架应设置于保温层外部,并在支、吊、托架与风管间镶入垫木。
10、保温层厚度①敷设在非空调房间里的松、回风管、采用离心玻璃棉保温时保温层的厚度为40mm。
12②敷设在空调房间里的送、回风管,采用离心玻璃保温时保温层厚度为25mm。
③采用橡塑材料或其它材料时应根据设计要求或计算得出。
第四节排水管路的安装1、在安装空调器是,冷凝水管应有适当的保护措施,避免摆动。
冷凝水管应该具有相应的避免老化措施,达到适当延长排水管使用寿命的目的。
2、空调器冷凝水的排放不得妨碍他人的正常生活、工作。
在道路和公共通道两侧建筑物安装的空调器,不宜将冷凝水排放到建筑物墙面上和室外路面上3、排水管固定在建筑结构上的管道支、吊架,不得影响结构的安全。
排水管道穿墙体或楼板处应设套管,管道接口不得置于套管内。
4、在排水管路上增设通气口,通气口间距10m,并使通气口朝下,使冷凝水排除顺畅。
5、冷凝水管吊架间距:横管0.8~1米,立管1.5~2.0米,每支立管不得少于两个,横管间距过大会产生挠曲,而产生气阻。
136、空调机排水管必须同建筑中其它污水管、雨水管、排水管分开安装。
排水管之间避免出现对冲现象,以免出现倒坡和排水不畅。
7、对静压比较大,自然排水(如高静压风管机)的室内机,排水管必须做存水弯,避免内机运行时产生的负压,导致排水不畅或者把水吹出风口。
8、对室内机排水带有提升泵机型排水管路的安装,排水管也室内机连接时,必须采用随机附带的管箍固定,不得用胶水粘接,以保证日后的检修。
为了确保斜度1/100,排水管的提升高度应符合厂家技术规定高度,垂直向上后必须马上下斜放置,否则会造成水泵水位开关误动作。
9、室内机冷凝水管排水要顺畅,倾斜度不小于1%,冷凝水管安装结束后,应进行通水及存水试验。
10、冷凝水管必须要做保温,保温材料接缝处,必须用转用胶粘接,然后缠橡塑胶带,橡塑胶带宽度不小于50mm,保证牢固,防止凝露。
第五节电器配线敷设1、空调器的电源线、室内机和室外机的连机的信号线和电气控制线连接应符合GB 4706.32的有关要求,其互连14电缆线和控制电缆线的接线端子应有清晰明了的颜色和字符对应标识(可用颜色、字符或结构进行标识),电源线、信号线与控制线相互间不应交叉、缠绕。
2、空调器使用的电源一般应为频率50HZ、电压在额定电压值的90%~110%范围以内的单相220V或三相380V交流电源。
用户应具备与待装空调器铭牌标示一致的合格电源,如电源容量足够、接地可靠和便于安装等。
3、空调的电气连接一般应用专用分支电路,其容量应大于空调器最大电流值的1.5倍,其接户电线和进户电线的线径(或横截面积)应按用户使用电量的最大值选取。