超前小导管预注浆施工工艺
- 格式:doc
- 大小:29.50 KB
- 文档页数:2
注:1、本表一式五份,产权单位、建设单位、运营单位、施工单位、档案馆保存。
2、当做分项工程施工技术交底时,应填写“分项工程名称“栏,其他技术交底可不填工程名称技术交底记录表C2-4资料编号或二维码交底日期 2023年08月31日施工单位 交底提要交底内容: 1、施工工艺〔1〕施工流程分项工程名称 超前小导管马头门拱顶打设超前小导管、注浆技术交底竖井开挖临时封底后,马头门拱顶打设马头门拱顶180°范围打设双排小导管并注浆。
施工内容主要包括:钻孔、打设小导管、注浆、效果检验等工序,初支背后注浆随施工预埋背后注浆管,其施工工艺流程见以以下图。
审核人交底人承受交底人注:1、本表一式五份,产权单位、建设单位、运营单位、施工单位、档案馆保存。
2、当做分项工程施工技术交底时,应填写“分项工程名称“栏,其他技术交底可不填工程名称技术交底记录表C2-4资料编号或二维码交底日期 2023年08月31日施工单位 交底提要交底内容: 2、预备工作(1) 浆液配置分项工程名称 超前小导管马头门拱顶打设超前小导管、注浆技术交底六~学区间初支支护土体注浆加固施工承受水泥水玻璃双浆液,小导管注浆材料及协作比依据地质不同状况和要求配制;水泥-水玻璃双浆液是分别配置的水泥浆和水玻璃浆,用双液注浆泵压注,在孔口进展混合。
①注浆原材料:水泥:一般硅酸盐水泥,强度等级为42.5; 水玻璃:模数 2.2-2.8,浓度不低于 35Be”; ②协作比水泥浆:水灰比 1 :1; 水玻璃浆:35Be”;双液浆协作比:水泥浆:水玻璃=1∶1,依据地层条件添加调整浆液分散时间和可注性外加剂; 水泥浆配制在搅拌机内进展,其投料挨次为在放水的同时,待水加至设计量后连续搅拌 1min ,然 后投入水泥,再搅拌 3min ;水玻璃稀释承受边加水边搅拌边用波美计测量方法进展;配制浆液即用即配,剩余浆液倒掉,并清洗储浆桶配,严防杂物混入; 配制浆液操作工人戴胶手套、护目镜、防护帽,穿长筒胶鞋。
超前小导管预注浆施工工艺方法
1)小导管制作
小导管采用φ42mm的钢管制成,沿杆体每20cm钻前φ8mm孔,四周梅花型布置出浆孔,端封闭并制成尖状,以便顺利插入已钻好的导管孔内,当围岩松软时,用锤击直接打入。
2)注浆材料
双浆液:水灰比:0.8:1~1:1,水玻璃浓度35Be',水泥浆与水玻璃体积比为1:0.6~1:1,在施工中,根据地质情况现场试验调整参数。
3)小导管安设步骤
用风钻开孔,开孔直径为42~50mm,并用吹管将砂石吹出。
用带冲击的风钻将小导管顶入孔中,也可直接用锤击插入钢管。
用塑胶泥(35Be'水玻璃拌合MC型超细水泥或R42.5水泥即可)封堵导管周围及孔口,工作面上的裂缝也同时封堵。
导管外露20cm,以安装注浆管路。
4)注浆施工时注意事项
注浆口最高压力严格控制在0.5MPa以内,以防压裂工作面。
控制进浆速度,一般每根导管双液总进量控制在30L/min以内。
每根导管内注浆量由计算确定,若压力上升,流量减少,虽然注浆量未达到计算值,但孔口压力已达到0.5MPa也应结束注浆。
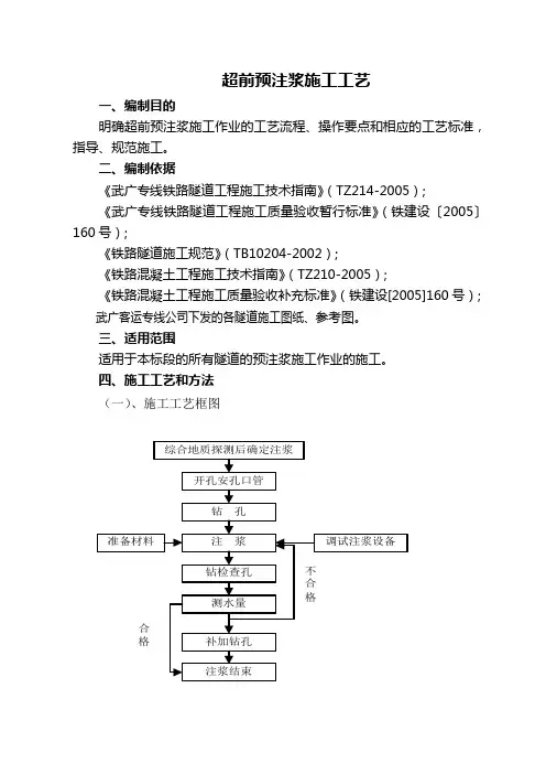
超前预注浆施工工艺一、编制目的明确超前预注浆施工作业的工艺流程、操作要点和相应的工艺标准,指导、规范施工。
二、编制依据《武广专线铁路隧道工程施工技术指南》(TZ214-2005);《武广专线铁路隧道工程施工质量验收暂行标准》(铁建设〔2005〕160号);《铁路隧道施工规范》(TB10204-2002);《铁路混凝土工程施工技术指南》(TZ210-2005);《铁路混凝土工程施工质量验收补充标准》(铁建设[2005]160号);武广客运专线公司下发的各隧道施工图纸、参考图。
三、适用范围适用于本标段的所有隧道的预注浆施工作业的施工。
四、施工工艺和方法(一)、施工工艺框图(二)施工方法⑴孔口管安装:先用管棚钻机钻引导孔,再将直径φ108mm孔口管插入,外露20~30cm,管壁与孔口处用麻丝填塞,再向孔内注双液浆固结,孔口管起着导向作用,钻孔安装时要控制好外插角,要求安装牢固,固结密实,不漏浆,不窜浆。
对无水地段采用干硬性早强砂浆堵塞定位,涌水地段孔口管的埋设采用增强型防水剂和水泥配制的固管混合料来定位固管(见图),埋设时将固管增强型防水剂与水泥按比例掺合拌搅均匀,装入数个塑料袋,将装有拌和料的塑料袋塞入出水孔内,再将孔口管前端用从孔口能拖出的堵塞物堵住,顶入孔内,将孔内混合料塑料袋挤破,固管混合物遇水成浆,窜入管与孔壁之间,瞬间凝固将孔口管固定。
孔口管在压力水中固位一定时间后即可钻孔或注浆。
图孔口管示意图⑵钻孔:钻孔要点:先在掌子面用红油漆按设计标定孔位,再移动钻机,将钻头对准孔位,并按该孔偏角调整钻机角度后固定,开孔时做到轻加压,速度慢。
钻孔记录:按表格填写,主要内容有按孔号、进尺、起始时间、岩石裂隙发育情况、出现涌水位置、涌水量和涌水压力等。
出水量与钻孔:钻进过程中若单孔出水量小于30L/min,可继续钻进,若单孔出水量大于30L/min,立即停钻进行注浆。
⑶制浆、注浆:根据选定浆液的配合比参数拌好浆液,其中水泥浆拌好后用1×1mm 网筛过滤,放入叶片立式搅拌机进行二次搅拌,确保浆液均匀。
矿山法隧道工艺工法超前支护篇(超前小导管、管棚)超前支护在矿山法隧道施工中扮演着至关重要的角色,它是一种前瞻性的安全保障策略,在开挖面对围岩实施之前或进行过程中,对即将暴露的地质结构进行预加固处理。
该技术通过注入高强度浆液或者设置管棚等手段强化围岩的物理力学性能,从而有效抑制因开挖引发的应力变化所导致的围岩松动、变形甚至塌方等风险事件。
在实际操作中,超前支护的核心内容主要体现在小导管超前支护和大管棚超前支护这两种主流工法上:1.1小导管超前支护(1)钻孔测量人员利用全站仪将超前小导管设计位置绘制于已安装好的拱架肋板端,利用三臂凿岩台车或YT-28气腿式凿岩机钻孔,开孔直径为φ50,采用吹孔法清孔。
(2)小导管制作及安装小导管由钢加工厂集中加工,采用42mm热轧无缝钢花管制成。
在小导管前端做成30cm长锥形,尾部焊接钢筋箍且距端部30cm内不开孔作为止浆段,剩余部分按10-20cm梅花形布设直径6-8mm的溢浆孔,小导管设计环向间距V级围岩地段取40cm,Ⅳ级围岩地段50cm,单车道IV级围岩地段不设超前支护;外插角一般为10°~15°,可根据实际情况作调整,小导管单根长度为3-5m,纵向搭接长度不小于1m;要求孔深偏差为+50mm/方向角2°/孔口距±50mm。
现场由锤击打入或钻机顶入安装完成后用塑胶泥封堵孔口及周边,必要时在小导管附近及工作面喷射混凝土,以防止工作面坍塌。
小导管规格型号、长度、设计位置、搭接长度每循环检验3根。
(2)小导管注浆小导管尾端孔口安装注浆快速接头及止浆阀,采用水泥浆或水泥砂浆当围岩破碎,地下水发育时,部分可采用水泥-水玻璃双液浆,要求浆液强度等级不小于M10,注浆顺序为由下至上,注浆压力0.5-1.01MPa,浆液采用专用的搅拌机搅拌。
当出现有串孔和漏浆现象时,采用塞孔隔孔注浆。
注浆时,为防止管路堵塞,结束注浆后,应尽快卸开孔口接头,开清水泵冲洗管路,以免造成管路中的剩余浆液凝结、堵塞管路。
小导管注浆土体加固的技术要求小导管注浆是喷锚暗挖遂道超前支护的一种措施。
采用这种措施的地层,一般都很软弱或松散,如不采取措施,开挖时工作面极易坍塌。
小导管是受力杆件,因此两排小导管在纵向应有一定搭接长度(在条件允许时,也可在地面进行超前注浆加固;在有导洞时,也可在导洞后对遂道周边进行径向注浆加固)。
采用小导管加固时,为保证工作面稳定和掘进安全,应确保小导管安装位置正确和足够的有效长度,严格控制好小导管的钻设角度。
用作小导管的钢管钻有注浆孔,以便向土体进行注浆加固,也利于提高小导管自身钢度和强度,参与受力.小导管注浆支护的一般设计如下:钢管直径40~50mm,钢管长3~5m,钢管钻设注孔间距为100~150mm,钢管沿拱的环向布置间距为300~500mm,钢管沿拱的环向外插角为50~150,钢管沿遂道纵向的搭接长度为1m.小导管注浆宜采用水泥浆或水泥砂浆。
浆液必须充满钢管及周围空隙,注浆量和注浆压力由试验确定。
注浆施工中,在砂卵石地层中宜采用渗入注浆法;在砂层中宜采用劈裂注浆法;在黏土层中宜采用劈裂或电动硅化注浆法;在淤泥质软土层中宜采用高压喷射注浆法.注浆材料应具备:良好的可注性;固结后有强度、抗渗、稳定、耐久和收缩小;无毒。
注浆工艺简单、方便、安全等性能。
注浆材料的选用和配比的确定应根据工程条件,经试验确定。
注浆施工期应监测地下水是否污染,应该防止注浆浆液溢出地面或超出注浆范围。
1、喷锚暗挖法喷锚暗挖法包括全断面法、台阶法、台阶分部法、上下导洞法、单侧壁导洞法、双侧壁导洞法、漏斗棚架法、蘑菇法等.用新奥法原理施工的常用方法致分为:全断面法、台价法、分部开挖法三大类及若干变化方案。
○,1全断面法就是将全部设计断面一次开挖成型,再修筑衬砌。
一般适用于Ⅴ~Ⅵ类围岩,并配有钻孔台车和高效率运装机械的石质遂道。
开挖工作面较大,钻爆效率较高。
错误!台阶开挖法是全断面法的变化方案,是将设计断面分上半部断面和下半部断面二次开挖成型;或采用上弧形导洞超前开挖和中核开挖及下部开挖。
超前小导管施工规范篇一:超前小导管施工质量标准、施工工艺培训新建兰渝铁路LYS-3标木寨岭隧道大战沟斜井超前小导管施工质量标准、施工工艺培训编号:版号:审核:批准:日期:年月日日期:年月日生效日期:年月日新建兰渝铁路LYS-3标木寨岭隧道四工区二○○九年五月三日培训内容1 目的明确超前小导管施工作业的工艺流程,工艺标准,规范小导管作业施工,减少施工过程中的不安全因素。
2 编制依据⑴铁路隧道施工规范(TB10204-2002)⑵铁路隧道工程施工质量验收标准铁建设[2005]160号⑶新建铁路兰州至重庆线施工图设计文件3 适用范围适用于兰渝铁路木寨岭隧道大战沟斜井及正洞超前注浆小导管的施工。
4 超前注浆小导管设计木寨岭隧道大战沟斜井Ⅴ级围岩破碎段拱部设φ42超前注浆小导管,小导管长3.5m,外插角5~100,环向间距0.5米,纵向搭接长度不小于1.0米;正洞Ⅴ级围岩段拱部设φ42超前注浆小导管,小导管长3.5m,外插角5~10,环向间距0.4米,纵向搭接长度不小于1.0米。
5 超前小导管施工施工工艺流程见图1。
5.1.1 制作钢花管小导管采用φ42mm热轧无缝钢管,壁厚3.5mm,前端做成尖锥形,尾部焊接φ8mm钢筋加劲箍,管壁上每隔10~20cm梅花型钻眼,眼孔直径为6~8mm,尾部长度不小于30cm作为不钻孔的止浆段。
小导管构造见图2。
5.1.2 小导管安装⑴测量放样,在设计孔位上做好标记,用凿岩机或煤电钻钻孔,孔径较设计导管管径大20 mm以上。
⑵成孔后,将小导管按设计要求插入孔中,或用凿岩机直接将小导管从型钢钢架上20cm支撑于开挖面后方的钢架上,与钢架共同组成预支护体系。
5.1.3 注浆采用KBY-50/70注浆泵压注水泥浆或水泥砂浆。
注浆前先喷射混凝土5~10cm厚封闭掌子面,形成止浆盘。
注浆前先冲洗管内沉积物,由下至上顺序进行。
单孔注浆压力达到设计要求值,持续注浆10min且进浆速度为开始进浆速度的1/4或进浆量达到设计进浆量的80%及以上时 1 0 注浆方可结束。
超前小导管预注浆(1)施工方法:采用现场加工小钢管,喷射砼封闭岩面,用凿岩机钻孔再装钢管或用凿岩机直接将小钢管打入岩层,按设计要求注浆。
注浆顺序为先注无水孔,后注有水孔,从拱顶顺序向下进行。
工艺流程见下图:超前小导管预注浆工艺流程图(2)施工参数:超前小导管采用外径φ50mm,壁厚5mm的热轧无缝钢管加工制成,长500cm,钢管前端加工成锥形,尾部焊接钢筋加固箍,管壁四周每10-15cm交错钻眼,眼孔直径为φ8mm(梅花形布置)。
钢管沿隧道开挖轮廓线布置,外插角5-70打入围岩,环向间距0.5m,纵向前后两排小钢管搭接长度不小于1.5m。
超前小导管预注浆参数选择参考:注浆压力0.5~1.0Mpa,水泥浆水灰比1∶1,水泥标号为425号。
施工中每孔注浆量达到设计注浆量时,或注浆压力达到在1.0Mpa时,可以结束注浆。
超前小导管尾端焊于型钢支架腹部。
(3)施工注意事项:导管应在开挖轮廓线上按设计位置及角度打入,孔位误差不得大于10cm,角度误差不得大于3°,超过允许误差时,应在距离偏大的孔间补管后再注浆。
钢管每根实际打入长度不得短于设计长度,否则开挖1米后补管、注浆。
检查钻孔、打管质量时,应画出草图,以孔位编号、逐孔、逐根检查并认真填写记录。
单孔注浆量不得小于计算值的80%,超过偏差必须补管注浆。
在注浆过程中,如发生串浆现象时,则安装止浆塞或采用多台注浆机同时注浆。
水泥浆压力突然升高,则可能发生堵塞,应停机检查,泵压正常后再进行注浆。
进浆量很大,但压力长时间不升高,则应调整浆液浓度及配合比,缩短凝结时间,进行小泵量低压注浆或间歇注浆,使浆液在裂隙中有相对停留时间,以便凝胶。
注浆过程中要逐管填写记录,标明注浆压力,注浆量,发生情况及时处理。
固结效果检查宜在搭接范围内进行,主要检查注浆量偏少和有怀疑的钢管,要认真填写检查记录。
采用撬棍或小锤轻轻敲击钢管附近,判断固结情况,并配合风钻钻速测试,检查注浆范围,固结不良或厚度不够时要补管注浆。
小导管注浆施工方案目录一、编制依据 (1)二、工程简介 (1)三、注浆工艺参数确定 (4)四、主要施工方法 (5)五、质量保证措施 (6)六、安全环境措施 (7)一、编制依据1、初步设计阶段工程地质勘察报告及地质剖面图。
2、工程施工图设计。
3、暗涵穿越工程专项施工方案。
4、暗涵穿越工程小导管注浆工艺试验方案及工艺试验验证。
5、施工及验收规范一览表如下:二、工程简介1、拱顶超前小导管新建暗涵下穿,现状下埋有多条地下管线,为控制道路和地下管线沉降,拱部95°范围一衬外轮廓范围采用大管棚加小导管超前支护并预注浆加固地层,钢管棚和超前小导管间隔300mm径向交错布置。
受中隔墙位置限制,奇数洞、偶数洞大管棚数量有所不同,其中奇数洞26根、偶数洞22根。
小导管超前支护为注浆加固地层技术,是通过在大管棚之间沿暗涵开挖轮廓线仰角约10-20°打入,并注入1:1水泥浆液,达到超前加固土体的目的,同时小导管还可起到超前辅助管棚预支护作用。
超前小导管采用Φ32*3.25mm(公称直径*壁厚)的普通水煤气花管,环向间距0.3m,纵向间距0.5m,单根长度为2.5m,仰角10-20°打入。
下部1m范围设置为打孔花管,孔间距100-200mm梅花形布置。
2、钢格栅锁脚锚管在格栅榀架安装过程中,为防止钢格栅架立后产生下沉或收敛,在每处起拱线及竖向角钢位置打设2根L=3m的Φ42*3.5锁脚锚管,同样采用钢花管注入1:1水泥浆加固,打入角度在15~45°之间,根据实际情况调整。
锚管下部1.5m范围设置为打孔花管,孔间距100-200mm梅花形布置。
3、一衬后背回填灌浆1)在初支结构喷射混凝土前,沿隧道方向每2m埋设初支背后注浆管,隧道两侧交错布置。
初支喷混完毕后,由于混凝土的自重下沉,拱部初支混凝土与土体之间会出现自然缝隙,为控制拱部土体的沉降,及时对其初支背后进行注浆,填充初支背后空隙。
超前小导管注浆超前小导管,是隧道工程掘进施工过程中的一种工艺方法,主要用于自稳时间短的软弱破碎带、浅埋段、洞口偏压段、砂层段、砂卵石段、断层破碎带等地段的预支护。
一、支护原理(1)超前小导管是稳定开挖工作面的一种非常有效的辅助施工方法。
在软弱及破碎岩层施工中,超前小导管对松散岩层起到加固作用,注浆后增强了松散、软弱围岩的稳定性,有利于完成开挖后与完成初期支护时间内围岩的稳定,不至于围岩失稳破坏直至坍塌。
(2)超前小导管注浆适用于隧道拱部软弱围岩,松散、无粘结土层、自稳能力差的砂层及砂砾(卵)石层级破碎岩层。
(3)通过超前小导管注浆能改变围岩状况及稳定性,浆液注入软弱、松散地层或含水破碎围岩裂隙后,能与之紧密接触并凝固.浆液以充填,劈裂等方式,置换土颗粒间和岩石裂隙中的水分及空气后占据其位置,经过一定时间凝结,将原有的松散土颗粒或裂隙胶结成一个整体,形成一个结构新,强度大,防水性能良好的固结体,使得围岩松散破碎状况得到大幅度改善。
二、施工方法a 止浆岩盘(止浆墙):对掌子面及其后部3m范围内喷10cm厚的混凝土进行封闭。
b 注浆孔布置:沿开挖轮廓线单排布置。
孔距为30~50cm,外插角10°~15°。
c注浆孔:采用手风钻钻设,孔深3。
5m。
d 小导管:管径Φ42mm,采用热轧无缝钢管制成,前部钻注浆孔,孔径Φ6~8mm,孔间距10~20cm,呈梅花形布置。
前端加工成锥形,尾部长度不小于30cm。
其构造图如下所示:e入已钻好的眼孔,为充分发挥小导管的支护作用,将小导管尾部焊接在已架好的钢支撑上.然后,用锚固剂封堵导管周围孔口以及工作面上的裂缝.f 小导管注浆:采用纯水泥浆灌注,灌浆参数如下:注浆终压:1~2Mpa; 水泥浆浓度(水灰比):1.25:1~0.8:1;扩散半径:0.50m;导管间距:30~50cm;导管长度:4.00m;水泥标号:425#普通硅酸盐水泥;导管外插角:10~150;注浆范围:顶拱180°范围内.孔深:3.50m;g 注浆方式:全孔一次注入式。
word2.软弱地层中隧道围岩预加固之超前小导管加固一、加固原理超前小导管预注浆是沿开挖隧道或地下工程外轮廓线,以一定角度打入管壁带孔的小导管,并以一定的压力向管内压注浆液的施工措施。
它既能将洞室周围岩土体预加固,又能起超前预支护作用。
适用于自稳时间很短或无自稳能力的砂层、砂卵(砾)石层、断层破碎带、软弱围岩浅埋和处理塌方等地段。
小导管预注浆施工简单,且注浆时间短,达到加固、防渗、堵漏的目的,所以广为利用。
超前小导管注浆预加固围岩是对表土下风化破碎岩石及构造裂隙发育难以支护的破碎岩面,预先向其裂隙通道内注入固化材料(通常是水泥浆、水玻璃或聚氨酯等)充填裂隙,封堵涌水,胶结岩石,改善围岩力学性能,提高岩体自身整体强度,改变围岩支护状态。
主要作用是提高管体周围岩体的抗剪强度,达到加固围岩并扩散围岩压力的作用。
二、小导管注浆优点在软弱地层隧道围岩中采用小导管注浆具有许多优点:(1)形成了小导管与固结联合的超前支护体系,提高围岩的稳定性,抑制围岩松弛变形,增加了施工安全性。
(2)加固效果稳妥可靠,注浆质量易于控制。
(3)采用超前支护手段,通过调整浆液凝固时间,可大大缩短暗挖工序时间。
(4)采用小型机械施作,无需配备专用设备,工艺操作简单,一般工地都可施做。
三、适用范围(1)隧道洞口浅埋地段或软弱破碎围岩地段进洞施工。
(2)富水软弱破碎地质、砂砾地层、岩溶地质等不良地质地段的隧道开挖辅助措施。
(3)隧道坍方的处理。
四、施工准备及工艺流程1.超前小导管直径一般采用φ42mm,壁厚3.5mm的热轧无缝钢管。
超前小导管单节长度通常为3.5m或4.0m,超前小导管壁加工注浆花孔,孔径为φ6mm,间距为15cm呈梅花形排列,前端20cm 制作成蒜瓣状锥形,尾端30cm范围内不钻孔作为止浆段。
2.测量定位根据设计的超前小导管位置,用全站仪进行小导管位置的测量放样工作,并用红油漆在作业掌子面上作好小导管位置的标记。
钻孔直径应大于设计导管直径3~5mm,一般钻孔φ50mm,孔深大于设计长度10cm。
超前小导管施工工艺一工艺概述客运专线隧道采用超前支护方式对不良地质进行预加固。
对隧道自稳时间小于完成支护所需时间的地段进行超前支护。
对于隧道洞身V级围岩段一般采用小导管支护施工工艺进行超前支护。
对于隧道不良地质地段可适用于小导管支护施工工艺进行超前支护进行预加固。
一般情况下隧道洞身V级围岩地段可采用小导管超前支护。
二作业内容1小导管加工2 钻孔3 运输和安装4 注浆。
三施工准备1施工前必须根据施工图标示的工程及水文地质资料进行研究。
2根据工程进展情况,提前加工好小导管,并合理储放。
3根据现场的地质条件进行试验确定注浆液的各种参数,来指导现场施工。
4检查机具设备和风、水、电等管线路,并试运转,确保各项作业正常进行。
5小导管材料准备:按照设计规格采购钢管,并在加工场加工成型。
6注浆设备进场调试到位,并进行注浆工艺性试验,取得注浆参数。
7、水泥:普通32.5 水泥,砂子:中砂。
四工艺及质量控制流程小导管施工工艺及质量控制流程见下图:小导管施工工艺及质量控制流程框图五工艺步序说明1 按施工图小导管布设要求,测量放样小导管布设轮廓线,沿轮廓线在开挖面上准确画出本循环需要设的小导管孔位。
2钻孔移动多功能作业台架就位,采用气腿式凿岩机进行钻孔,用人工或凿岩机将小导管顶入,钢管尾端外露足够长度,超前小导管外插角严格按施工图要求施做,尾部与钢架焊接在一起。
超前小导管与线路中线方向大致平行。
孔位钻设偏差不超过5cm孔眼长大于小导管长。
3钢管加工及施工将小导管前端加工成尖锥状,尾部焊①6加肋筋。
除尾部1m外,管壁四周钻注浆孔。
4钢管插入及孔口密封处理,在小导管尾部安装止浆阀。
5钢管由专用顶头顶进,顶进钻孔长度玄90^管长。
钢管尾端除焊上挡圈外,再用胶泥麻筋缠箍成楔形,以便钢管顶进孔内后其外壁与岩壁间隙堵塞严密。
钢管尾端外露足够长度,并与钢支撑焊接在一起。
钢管顶进时,注意保护管口不受损变形,以便与注浆管路连接。
注浆前导管孔口先检查是否达到密封标准,以防漏浆。
超前小导管预注浆施工工艺
小导管制作:小导管采用φ42mm的钢管制成,沿管体每20cm钻φ8mm孔,四周梅花状布设出浆孔,前端封闭并制成尖状,以便顺利插入已钻好的导管孔内,当围岩松软时,用锤击直接打入。
小导管安设:用YT-28风钻开孔,开孔直径为50mm,并用吹管将砂石吹出。
用带冲击的YT-28风钻将小导管顶入孔中,或直接用锤击插入钢管。
用塑胶泥封堵导管孔口周围及工作面上的裂缝。
注浆:注浆口最高压力严格控制在0.5Mpa以内,以防压裂工作面。
控制进浆速度,一般每根导管双液总进量控制在30L/min以内。
每根导管内注浆量由计算确定,若压力上升,流量减少,虽然注浆量未达到计算值,但孔口压力已达到0.5Mpa,结束注浆
近年来,新奥法在我国铁路、公路、水下隧道及软弱地质层中的城市地下工程中也获得了比较广泛的应用。
基本的施工方法如下:
钻孔安装导管→双液注浆→开挖钻孔→吹孔装药→放炮→处理危石是否开挖够3.5米喷普通砼←打锚杆立钢拱架←喷钢纤维早强砼←出碴
首先是施工准备:充分利用工程开工前的时间及时做好一切准备工作,包括双液浆和喷射混凝土实际配合比选择,施工人员的技术培训,机械设备的安装及调试,注浆量与注浆压力的匹配试验,各种施工用材料的购进,洞口植被的清除,超前小导管和钢拱架等构件的制作等。
第二是洞口仰坡及截水沟施工:用挖掘机清除洞口比较松散的表层土及松动的千枚岩层,使仰坡外露,并清除坡面浮石,然后按设计要求打锚杆(采用3.0米长φ22螺纹钢,水平间距2米,垂直间距1米),为了确保洞口围岩稳定性加挂φ10间距200×200的钢筋网,再喷射10厘米厚混凝土使仰坡稳定,并及时做好仰坡上的截水沟,使山坡上雨水不冲刷洞口仰坡,排除了地表水对围岩稳定性的影响。
软弱围岩新奥法施工小结(下)
1:超前支护
采用双液注浆,布孔及小导管安装,为加固软弱围岩,将孔布在拱部开挖轮廓线外10厘米,孔深5.0米,环距30厘米,小导管与隧道顶纵向夹角5—10°。
小导管采用φ40×3.0热扎钢管长5.0米。
纵向相邻两排钢管的搭接长度不小于1.5米,管壁上每隔15 厘米交错钻直径为6~8毫米的眼。
注浆采用水泥:水玻璃=1:0.5的双浆液,水泥选用425#或525#普通硅酸盐水泥,水玻璃的模数为2.2~2.3,原液浓度为40Be。
注浆压力:初始压力为0.5~1Mpa,终压为2~2.5Mpa,最大不超3Mpa。