50t天车设计计算书
- 格式:doc
- 大小:266.00 KB
- 文档页数:22
50吨吊车车库顶板荷载计算
(原创版)
目录
1.引言
2.50 吨吊车的基本参数
3.计算车库顶板的荷载
4.结论
正文
1.引言
在工程设计中,对建筑物的荷载计算是非常重要的一个环节。
其中,车库顶板的荷载计算是结构设计中的关键部分。
本文以 50 吨吊车为例,介绍如何计算车库顶板的荷载。
2.50 吨吊车的基本参数
50 吨吊车是我国常见的一种吊车类型,其主要参数包括:载重量 50 吨,车轮数量 4 个,车轮间距等。
这些参数将在后续的计算中起到关键作用。
3.计算车库顶板的荷载
计算车库顶板的荷载,需要考虑到吊车的重量、车轮对地面的压力以及吊车行驶时对顶板的冲击等因素。
具体步骤如下:
(1)计算吊车的总重量:50 吨吊车的自重通常在 50 吨左右,需要将这个数值纳入计算。
(2)计算车轮对地面的压力:根据车轮数量和载重量,可以计算出车轮对地面的平均压力。
(3)计算行驶时对顶板的冲击:由于吊车在行驶时会产生震动,因
此需要根据行驶速度、车轮间距等因素,计算出对顶板的冲击力。
(4)综合以上因素,计算出车库顶板的荷载。
4.结论
通过对 50 吨吊车的荷载计算,可以得出车库顶板所需承受的荷载。
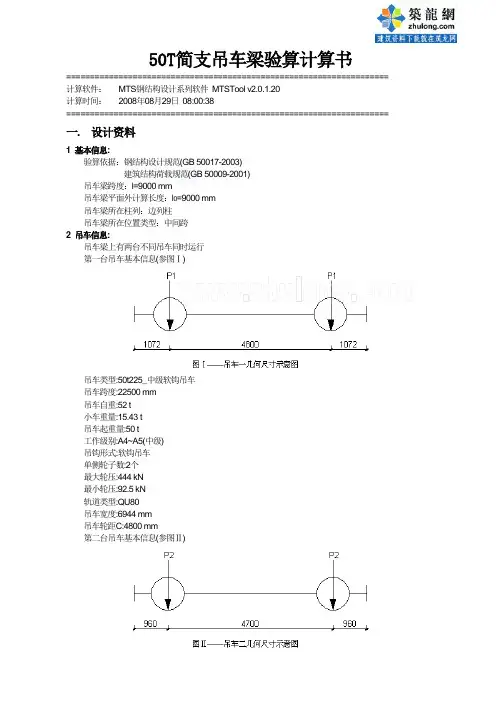
50T简支吊车梁验算计算书==================================================================== 计算软件:MTS钢结构设计系列软件MTSTool v2.0.1.20计算时间:2008年08月29日08:00:38====================================================================一. 设计资料1 基本信息:验算依据:钢结构设计规范(GB 50017-2003)建筑结构荷载规范(GB 50009-2001)吊车梁跨度:l=9000 mm吊车梁平面外计算长度:l0=9000 mm吊车梁所在柱列:边列柱吊车梁所在位置类型:中间跨2 吊车信息:吊车梁上有两台不同吊车同时运行第一台吊车基本信息(参图Ⅰ)吊车类型:50t225_中级软钩吊车吊车跨度:22500 mm吊车自重:52 t小车重量:15.43 t吊车起重量:50 t工作级别:A4~A5(中级)吊钩形式:软钩吊车单侧轮子数:2个最大轮压:444 kN最小轮压:92.5 kN轨道类型:QU80吊车宽度:6944 mm吊车轮距C:4800 mm第二台吊车基本信息(参图Ⅱ)吊车类型:32t225_中级软钩吊车吊车跨度:22500 mm吊车自重:39.84 t小车重量:10.88 t吊车起重量:32 t工作级别:A4~A5(中级)吊钩形式:软钩吊车单侧轮子数:2个最大轮压:289 kN最小轮压:75.9 kN轨道类型:QU70吊车宽度:6620 mm吊车轮距C:4700 mm3 荷载信息:吊车竖向荷载增大系数:ηv=1.04吊车荷载分项系数:γc=1.4当地重力加速度值:g=9.8附加竖向均布活载标准值:0 kN/m附加水平均布活载标准值:0 kN/m吊车一动力系数:μ1=1.05吊车一横向水平刹车力系数:β1=0.1吊车一摆动力系数:α1=0吊车二动力系数:μ2=1.05吊车二横向水平刹车力系数:β2=0.1吊车二摆动力系数:α2=04 验算控制信息:吊车梁竖向挠度允许值:l/1000吊车梁水平挠度允许值:l/22005 吊车梁截面信息:吊车梁示意图截面型号:H-1300*380(300)*10*16(12)用户自定义截面截面材料类型:Q345截面每米质量:175.84 kg/m截面几何参数如下:截面高度H=1300 mm上翼缘宽度B1 =380 mm下翼缘宽度B2 =300 mm腹板厚度T w =10 mm上翼缘厚度T f1=16 mm截面力学参数如下:x轴毛截面惯性矩I x =560571.754 cm4x轴净截面惯性矩I nx =537315.981 cm4x轴上翼毛截面抵抗矩W x =9658.726 cm3x轴上翼净截面抵抗矩W nx =8977.473 cm3x轴下翼净截面抵抗矩W nx1 =7659.702 cm3y轴上翼毛截面抵抗矩W y =527.73 cm3y轴上翼净截面抵抗矩W ny =355.597 cm3上翼缘有效净面积A ne =53.92 cm2净截面中和轴高度C ny =701.484 mm吊车梁截面为梯形渐变式变腹板高度截面:截面端部高度h d =950mm端部x轴毛截面惯性矩I d =270333.586 cm4端部x轴毛截面静矩S d =3271.354 cm3端部x轴上翼缘静矩S du =2475.036 cm3端部x轴下翼缘静矩S dd =1904.118 cm36 吊车梁制动结构信息:吊车梁采用制动桁架结构制动桁架宽度:800mm制动桁架节点间距:1000mm边弦杆截面选用:边弦杆面积:26 cm2边弦杆绕y轴惯性矩:298.01 cm4制动结构绕y轴毛截面惯性矩:I cy=124170.959 cm47 吊车梁截面焊缝信息:吊车梁腹板与上翼缘采用双面角焊缝上翼缘焊脚高度:h fu=8 mm吊车梁腹板与下翼缘采用双面角焊缝下翼缘焊脚高度:h fd=6 mm吊车梁腹板与翼缘焊缝采用:自动焊8 腹板加劲肋信息:横向加劲肋布置方式:两侧成对布置横向加劲肋端部焊接方式:断续回焊,断弧横向加劲肋选用:SB8_Q345横向加劲肋间距:a=900 mm变截面区段横向加劲肋间距:a'=900 mm横向加劲肋宽度:100 mm横向加劲肋端部到下翼缘距离:80 mm吊车梁不配纵向加劲肋和横向短加劲肋9 支座信息:吊车梁采用的支座类型:中间跨全突缘,端跨一边突缘,一边平板平板支座加劲肋选用:SB14_Q345平板支座加劲肋宽度:185 mm加劲肋焊缝焊脚高度:8 mm平板支座选用:SB30_Q345平板支座宽度:50 mm平板支座长度:300 mm突缘支座加劲肋选用:SB18_Q345突缘支座加劲肋宽度:300 mm与截面腹板焊脚高度:8 mm与截面上翼缘焊脚高度:6 mm与截面下翼缘焊脚高度:6 mm10 计算参数:梁截面材料屈服强度:f y=345 N/mm2梁截面材料转换系数:C F=(235/345)0.5=0.8253上翼缘截面抗拉强度:f t=310 N/mm2下翼缘截面抗拉强度:f b=310 N/mm2梁腹板截面抗剪强度:f v=180 N/mm2梁腹板端面承压强度:f ce=400 N/mm2吊车梁焊缝抗剪强度:f w=200 N/mm2二. 验算结果一览验算项数值限值结果受压(上)翼缘宽厚比11.56 最大12.4 满足腹板高厚比127.20 最大250.0 满足上翼缘受压强度比0.81 最大1.0 满足下翼缘受拉强度比0.88 最大1.0 满足端部腹板剪应力强度比0.91 最大1.0 满足腹板局部承压强度比0.54 最大1.0 满足腹板折算应力强度比0.60 最大1.0 满足整体稳定强度比设制动结构不需验算满足竖向挠度计算值(mm) 8.33 最大9.0 满足水平挠度计算值(mm) 0 不需验算满足上翼缘焊缝强度比0.67 最大1.0 满足上翼缘焊缝高度(mm) 8.00 最小6.0 满足上翼缘焊缝高度(mm) 8.00 最大12.0 满足下翼缘焊缝强度比0.47 最大1.0 满足下翼缘焊缝高度(mm) 6.00 最小6.0 满足下翼缘焊缝高度(mm) 6.00 最大12.0 满足区格Ⅰ局稳强度比0.90 最大1.0 满足区格Ⅱ局稳强度比0.86 最大1.0 满足区格Ⅲ局稳强度比0.83 最大1.0 满足区格Ⅳ局稳强度比0.90 最大1.0 满足区格Ⅴ局稳强度比0.97 最大1.0 满足区格Ⅵ局稳强度比0.99 最大1.0 满足加劲肋布置方式双侧成对轻/中级满足横向加劲肋间距(mm) 900.00 最大2544.0 满足横向加劲肋间距(mm) 900.00 最小636.0 满足横向加劲肋间距1(mm) 900.00 最大2544.0 满足横向加劲肋间距1(mm) 900.00 最小636.0 满足横向加劲肋外伸宽度(mm) 100.00 最小82.4 满足横向加劲肋厚度(mm) 8.00 最小6.7 满足无纵向加劲肋时ho/Tw 127.20 最大140.3 满足平板加劲肋稳定强度比0.55 最大1.0 满足平板加劲肋焊缝强度比0.31 最大1.0 满足突缘加劲肋稳定强度比0.58 最大1.0 满足突缘端面承压强度比0.52 最大1.0 满足突缘加劲肋焊缝强度比0.56 最大1.0 满足横向加劲肋厚度(mm) 14.00 最小12.3 满足平板加劲肋焊脚高度(mm) 8.00 最小6.0 满足平板加劲肋焊脚高度(mm) 8.00 最大12.0 满足突缘加劲肋外伸宽度(mm) 145.00 最小12.0 满足突缘加劲肋厚度(mm) 18.00 最小9.7 满足突缘加劲肋焊脚高度(mm) 8.00 最小7.0 满足突缘加劲肋焊脚高度(mm) 8.00 最大12.0 满足三. 吊车梁截面内力计算:1 吊车梁支座处最大剪力Vd计算(参图Ⅲ):竖向附加活载作用下端部剪力V da=0 kN吊车考虑动力系数后最大轮压标准值:P=1.05×444=466.2 kN吊车竖向荷载作用下端部剪力:V dc=1.4×1.04×466.2×(3×9000-2032-6732)/9000=1132.196 kN 端部最大剪力计算值:V d=1132.196 kN2 跨中最大竖向弯矩Mvm计算(参图Ⅳ):竖向附加活载作用下跨中弯矩M va=0 kN·m吊车考虑动力系数后单轮竖向作用力标准值:P=1.05×444=466.2 kN吊车荷载合力:F=466.2×2=769.65 kN左支座反力:R=769.65×4099.422/9000=350.569 kN吊车梁跨中弯矩M vc计算:M vc=1.4×1.04×350.569×4099.422×10-3=2092.46 kN·m 跨中最大弯矩计算值:M vm=2092.46 kN·m3 跨中最大竖向弯矩对应剪力Vm计算(参图Ⅳ):竖向附加活载作用下端部剪力V ma=0 kN吊车考虑动力系数后单轮竖向作用力标准值:P=1.05×444=466.2 kN吊车荷载合力:F=466.2×2=769.65 kN左支座反力:R=769.65×4099.422/9000=350.569 kN最大弯矩点左侧剪力计算:V ml=1.4×1.04×350.569=510.428 kN最大弯矩点右侧剪力计算:V mr=V ml-1.4×1.04×466.2=-168.359 kN跨中最大弯矩对应的剪力计算值:V m=510.428 kN4 吊车梁跨中最大水平弯矩Mhm计算(参图Ⅴ):水平附加活载作用下跨中弯矩M ha=0 kN·m吊车考虑刹车力系数及其放大后单轮横向作用力标准值:P=0.1×(50+15.43)/2×g/2=16.03 kN吊车荷载合力:F=16.03×2=26.536 kN左支座反力:R=26.536×4097.765/9000=12.082 kN吊车梁跨中弯矩M hc计算:M hc=1.4×12.082×4097.765×10-3=69.313 kN·m跨中最大水平弯矩计算值:M hm=69.313 kN·m5 跨中最大竖向弯矩标准值Mvk计算(参图Ⅵ):竖向附加活载作用下跨中弯矩M vka=0 kN·m吊车单轮最大轮压标准值:P=1.0×444=444 kN吊车荷载合力:F=444×2=888 kN左支座反力:R=888×5700/9000=562.4 kN吊车梁跨中弯矩M vkc计算:M vkc=1×1.04×(562.4×5700-444×4800)×10-3=1117.459 kN·m 跨中最大弯矩计算值:M vk=1117.459 kN·m6 跨中最大水平弯矩标准值Mhk计算(参图Ⅵ):水平附加活载作用下跨中弯矩M hka=0 kN·m吊车考虑刹车力系数及其放大后单轮横向作用力标准值:P=0.1×(50+15.43)/2×g/2=16.03 kN吊车荷载合力:F=16.03×2=32.061 kN左支座反力:R=32.061×5700/9000=20.305 kN吊车梁跨中弯矩M hkc计算:M hkc=1×(20.305×5700-16.03×4800)×10-3=38.793 kN·m跨中最大水平弯矩计算值:M hk=38.793 kN·m四. 吊车梁板件宽厚比验算:1 受压(上)翼缘宽厚比验算:受压翼缘宽厚比限值:[b0/t]=15*(235/f y)0.5=12.38翼缘自由外伸宽度:b0=185 mm翼缘宽厚比:b0/T f1=185/16=11.563≤12.38,满足2 腹板高厚比验算:腹板高厚比限值:[h0/t]=250腹板计算高度:h0=1272 mm五. 吊车梁截面强度验算:1 上翼缘受压强度验算:吊车梁采用制动桁架水平弯矩在吊车梁上翼缘产生的轴心力N T=M hm/C=86.641 kN上翼缘在桁架节间那的水平局部弯矩由第一台吊车控制单轮横向刹车力:T1=1.4×(50+15.43)×0.1*0.5/2=2.29 kN单轮卡轨力:T2=1.4×444=0 kN第一台吊车为轻、中级工作制吊车M yl=max(T1, T2)*CW/4=0.5725 kN·m吊车梁须验算疲劳强度或b0/T f1>10.729,取γx=1.0吊车梁无须验算疲劳强度,取γy=1.2ξ=(M vm/W nx/γx+M yl/W ny/γy+N T/A ne)/f t=(2092.46/8977.473/1+0.5725/355.597/1.2+86.641/53.92)×10 3/310=0.8089≤1,满足2 下翼缘受拉强度验算:ξ=M vm/W nx1/f b=2092.46×103/7659.702/310=0.8812≤1,满足3 端部腹板剪应力强度验算:考虑截面削弱系数1.2τ=V d*S dx/(I dx*T w/1.2)/f v=1132.196×3271.354/(270333.586×10/1.2)/180×102=0.9134≤1,满足4 最大轮压下腹板局部承压强度验算:考虑集中荷载增大系数后的最大轮压设计值按第一台吊车计算:吊车最大轮压:P max=444 kN轻、中级工作制吊车梁,依《钢规》4.1.3取增大系数:ψ=1.0F=γc*ψ*μ*P max=1.4×1×1.05×444=652.68 kN梁顶到腹板计算高度上边缘距离:h y=T f1=16 mm轨道高度:h R=130 mm集中荷载沿跨度方向支承长度取为:50 mm集中荷载在腹板计算高度上边缘的假定分布长度:l z=50+5*h y+2*h R=50+5×16+2×130=390 mmσc=F/T w l z=652.68×103/10/390=167.354 N/mm2腹板抗压强度设计值:f=310 N/mm2局部承压强度比ξ=σc/f=167.354/310=0.5399≤1,满足5 腹板与上翼缘交接处折算应力强度验算:按跨中最大弯矩及其对应的剪力和最大轮压计算计算点局部压应力:σc=108.931 N/mm2(参见腹板局部承压验算)计算点正应力计算计算点到中和轴的距离:y1=H-C ny-T f1=582.516 mmσ=M vm/I n*y1=2092.46/537315.981×582.516×102=226.848 N/mm2计算点剪应力计算上翼缘对中和轴静矩:S1=(y1+0.5*T f1)*B1*T f1×10-3=3590.336 cm3τ=V m*S1/I x/T w=510.428×3590.336/560571.754/10×102=32.692 N/mm2σ与σc同号,强度设计值增大系数:β1=1.1折算应力强度比ξ=(σ2+σc2-σ*σc+3*τ2)0.5/(β1*f)=(226.8482+108.9312-226.848×108.931+3×32.6922)0.5/(1.1×310)=0.59 97≤1,满足6 吊车梁整体稳定性验算吊车梁设置了制动结构,整体稳定不需验算。
50t龙门吊基础设计1、设计依据1.1、《基础工程》;1.2、龙门吊生产厂家提所供有关资料;1.3、《建筑地基基础设计规范》(GB50007-2002);1.4、《砼结构设计规范》(GB50010-2002)。
2、设计说明根据现场情况看:场地现有场地下1.5左右m深度内为坡积粉质粘土,地基的承载力为180KPa,基础埋深。
龙门吊行走轨道基础采用钢筋砼条形基础,为减少砼方量,基础采用倒T形截面,顶宽0.5m、底宽1m、高1m的T形C30混凝土基础。
沿着钢轨的端头每隔1.2米距离就作预埋厚5mm钢垫板,每个钢垫板焊4根长度为25cm的Φ16钢筋作为锚筋。
混凝土强度等级为C30。
龙门吊行走轨道根据龙门吊厂家设计要求采用P43型起重钢轨,基础设计中不考虑轨道与基础的共同受力作用,忽略钢轨承载能力不计;基础按弹性地基梁进行分析设计。
图-2.1 基础横截面配筋图(单位:mm)通过计算及构造的要求,基础底面配置24φ12;箍筋选取φ8@350;考基础顶面配置5φ12与箍筋共同构成顶面钢筋网片,以提高基础的承载能力及抗裂性;其他按构造要求配置架立筋,具体见图-2.1 横截面配筋图。
基础顶面预埋钢板用于焊接固定轨道钢扣片或预埋φ12钢筋用于固定钢轨。
为保证基础可自由伸缩,根据台座布置情况,每15m设置一道20mm宽的伸缩缝,两侧支腿基础间距20m,基础位置根据制梁台座位置确定,具体见龙门吊基础图。
3、设计参数选定3.1、设计荷载根据龙门吊厂家提供资料显示,吊重50t,自重150t,砼自重按26.0KN/m3 计,土体容重按18.5KN/m3计。
从安全角度出发,按g=10N/kg计算。
50吨龙门吊自重:150吨,G4=150×1000×10=1500KN;50吨龙门吊载重:50吨,G5=50×1000×10=500KN;最不利荷载考虑50吨龙门吊4个轮子承重,每个轮子的最大承重;G6=(1500000+500000)/4=500KN;C30混凝能承受的最大压强为2Mpa;吊重50t;考虑冲击系数1.2;天车重3.5t;考虑冲击系数1.2;轨枕折算为线荷载:q1=1.4KN/m;走道梁自重折算为线荷载:q2=2.37KN/m;P43钢轨自重折算为线荷载:q3=0.5 KN/m(计入压板);其他施工荷载:q4=1.5 KN/m。
目录目录 01.前言 (1)2.技术参数 (1)3.起重小车的计算 (3)3.1主起升的计算 (3)3.2副起升机构的计算 (10)3.3小车运行机构的计算 (12)4.主梁的计算 (19)4.1主梁断面的几何特性 (19)4.2主梁载荷的计算 (20)4.3主梁跨中法向应力 (25)4.4跨中主梁腹板的剪应力 (25)4.5刚度计算 (26)5.端梁的计算 (27)5.1端梁的支承反力和弯矩的计算: (27)5.2端梁断面尺寸及几何特征 (32)5.3端梁的强度计算 (33)6.大车运行机构的计算 (33)6.1主要参数: (33)6.2轮压计算 (34)6.3电动机的选择 (35)7.参考文献 (37)1.前言本机是通用桥式起重机,工作级别为A7,用于繁忙使用的车间等工作场合。
其整体结构借鉴了相同额定起重量、相同跨度但不同工作级别的吊钩桥式起重机。
依照19833811/-T GB 和199314405/-T GB 的有关规定,进行钢结构的设计和部件的选用。
2.技术参数起重量 :主钩起重量:50t副钩起重量:10t跨度:22.5m起升高度:主起升主H =12m副起升副H =16m工作级别:主起升;M7副起升:M6小车运行:M6大车运行:M7工作速度:主起升主V =12.3m/min副起升副V =13.4m/min小车运行小V =48.1m/min大车运行大V =98m/min小车轨距:2.5m大车走轮4支,1/2驱动主梁的许用应力第一类载荷组合:2/1567cm kg I =σ第三类载荷组合:2/1760cm kg III =σ主梁的许用下挠度对于工作级别为A7的桥式起重机,主梁在满载时,跨中的许用 下挠值为:cm L f 25.2100022501000==≤ 钢丝绳安全系数绳N ---对重级工作类型取7电动机起动时间s t s 21≤≤起电动机制动时间s t 2≤制3.起重小车的计算(机构的布置见小车布置图)1.小车架2.副起升3.主起升4.小车运行图13.1主起升的计算起重量Q=50t 50t吊钩组重G=1420kg3.1.1 钢丝绳的选择根据起重机的起重量,选择双联起升机构,滑轮倍率m=5.1)钢丝绳的最大静拉力:组ηm G Q S 2max += 式中:m ax S --钢丝绳受的最大静拉力;组η--滑轮组效率,取0.95;Q 、N ,m 意义同上。
通用桥式起重机计算书(QD50/10t-16.5m)编制:批准:第一部分主梁设计计算一、主梁设计计算1、主要参数:起重量Q=50/10t 工作级别A5跨度LK=16.5m小车总重Gxc=15.425t2、主梁截面形状尺寸:上盖板δ=22mm 材料Q235-B下盖板δ=18mm 材料Q235-B腹板δ1=6mm 材料Q235-B腹板δ2=6mm 材料Q235-B腹板间距b=500mm腹板高h0=1000mm3、主梁截面性质:(1)主梁截面面积S=500*22*18+1000*6*2=210000mm2(2)半个桥架的质量:设加筋肋系数K=1.1Gqj=K*ρ*S*Lk=1.1*7.85*10-6*210000*16500=10085kg(3)主梁均布载荷集度q=10085/16500=0.61.kg/mm(4)主梁形心位置的确定X0=226mmY0=560mmXmax=560mmYmax=226mm(5)主梁截面惯性矩的确定对于X轴Ix=(500*103/12+500*10*5052)*2+(6*10003/12)*2=0.44×1010mm4对于Y轴Iy=(10*5003/12)*2+(1000*63/12+1000*6*2232)*2=8.04×108mm4(6)主梁截面对X轴Y轴的抗弯模数对于X轴Wxmin=Ix/Xmax=0.44×1010/560=7.86×106mm3对于Y轴Wymin=Iy/Ymax=8.04×108/226=3.56×106mm34、作用于主梁上的载荷及内力计算Ⅰ:按载荷组合IIa计算桥架重量Gqj=1.0×Gqj=20170kg小车重量Gxc=1.0×Gxc=15425kg起升载荷Qq=ΨII×Qq=1.25×(50000+1268)=64085kg ΨII取1.2(水平惯性载荷Pgy不考虑)(1)小车轮压的计算Bx=2500mm b1=1231mm b2=1329mmP1=Q q/2×b2/Bx+Gxc/4 (代入相应数值)=8438kgP2Q q/2×b1/Bx+Gxc/4 (代入相应数值)=7956kg(2)当四轮小车作用于桥架时,主梁最大的弯距截面处距A点的距离:X=[p1+p2(1-Bx/Lk)+qLk]/[2×(p1+p2)/ Lk+q] (代入相应数值)(3)由垂直载荷在主梁上产生的最大弯矩为:M c max=[p1+p2(1-Bx/Lk)+qLk]2/[2×(p1+p2)/ Lk+q]+Mg(代入相应数值) =1.004×108 kg.mmMg=RaX----有固定集中静载荷(操纵室Gc、运行机构Gy、电气设备Gd)在主梁应力最大截面处产生的弯距:Mg=RaX=3.1×107kg.mmRa-----由操纵室、运行机构、电气设备的重量产生的支反力Gc=1500kg L1=2100mmGc=1204kg L1=800mmGc=1771kg L1=5000mmRa=[ Gc×(Lk-L1)+Gy×Lk+Gd×Lk/2]/ Lk(代入相应数值)=3789kg(4)当p1作用于A点处时,A端最大切力:Vamax=p1+p2(1-Bx/Lk)+Ra (代入相应数值)=22506.97kgⅡ: 按载荷组合IIb计算桥架重量Gqj=K II×Gqj=3856.6kg小车重量Gxc=K II×Gxc=8358kg起升载荷Qq=K II×Qq= 22515kg K II取1.1(水平惯性载荷Pgy按Pgy max考虑)(1) 小车轮压的计算Bx=2500mm b1=1231mm b2=1329mmP1=Q q/2×b2/Bx+Gxc/4 (代入相应数值)=7844kgP2Q q/2×b1/Bx+Gxc/4 (代入相应数值)=7419kg(2)当四轮小车作用于桥架时,主梁的最大弯距截面处距A点的距离:X=[p1+p2(1-Bx/Lk)+qLk]/[2×(p1+p2)/ Lk+q] (代入相应数值)=8275mm(3) 由垂直载荷在主梁上产生的最大弯矩为:M c max=[p1+p2(1-Bx/Lk)+qLk]2/[2×(p1+p2)/ Lk+q]+Mg(代入相应数值) =1.01×108kg.mmMg=RaX----有固定集中静载荷(操纵室Gc、运行机构Gy、电气设备Gd)在主梁应力最大截面处产生的弯距:Mg=RaX=3.45×107kg.mmRa-----由操纵室、运行机构、电气设备的重量产生的支反力Gc=1500kg L1=2100mmGc=1204kg L1=800mmGc=1771kg L1=5000mmRa=[ Gc×(Lk-L1)+Gy×Lk+Gd×Lk/2]/ Lk(代入相应数值)=3789kg考虑冲击系数影响Ra= K II×Ra=1.1×3789=4167.9kg(3) 桥架运行产生的水平惯性载荷在两主梁上平均分布,当正常制动时作用在每根主梁上的弯距为;M s=0.8×M c max×a qj/g (代入相应数值)=0.8×1.01×108×0.2/9.8=1.65×106kg.mm当猛烈制动时M s将增加一倍M s max=2*M s=3.3×106kg.mm5、主梁强度效核对本起重机主梁均按Ⅱ类载荷进行强度计算.Q235-B设计许用应力 [ a ] II=1600kg/cm2剪切许用应力 [ r ] II=900kg/cm2挤压许用应力 [ajy] II=1700kg/cm2(1)按载荷组合IIa计算IIa a max=M c max/Wxmin (代入相应数值)=1.004×108/7.861×106=12.77kg/mm2=1378kg/cm2 < [a]当p1作用于A点处时跨端腹板剪应力r0最大r0=Vmax/0.7hlf=22506.97/0.7×6×(650-20)×2=4.253 kg/mm2=425.3 kg/mm2 < [r]强度校核通过.6、主梁的刚度校核(1)主梁静刚度计算Fmax=p1×Lk3[1+a(1-6β2)]÷48Eix≤[f]其中a=p2/p1<1=6745/7131=0.946Bx=2500mm b1=1231mm b2=1329mmP1=Q q/2×b2/Bx+Gxc/4 (代入相应数值)Q q=20468kg Gxc=7598kg=7131kgP2Q q/2×b1/Bx+Gxc/4 (代入相应数值)=6745kgβ=Bx/ Lk=2600/17500=0.1486Bx----小车轮距[f]=1/1000Lk=17.5mmf=7131×175003×[1+0.946×(1-6×0.14862)]÷[48×2.1×104×0.44×1010] =15.69mm < [f]主梁静刚度通过二、起升机构计算1、主起升机构计算(1)主要参数工作级别 M5起升载荷 Qq=50000+1268=50468kg (吊钩重量 q=1268kg)滑轮倍率 a=8起升速度 V=5.9m/min(2)选用钢丝绳型号钢丝绳所受拉力 S=Qq/2a*Л=51268/2*4*0.97=6606.7kgЛ=0.97钢丝绳破断拉力SpSp≥ns×s=6×6606.7=39640.2kgNs=6Sp=0.85*soSo=18618.4kg结果:选钢丝绳型号6W(19)-24-155-Ⅰ钢丝绳破断拉力So=19850Kg钢丝绳直径 ds=24mm卷筒计算直径 Dj=el*ds=34×24=816mmel=34取标准卷筒系列 Dj=800mm Djs=800+16.5=816.5mm起升速度(3)电动机的选择按静功率初选电动机Nj=Qq*v/6120*Л=51268×9.12/6120×0.9=65.1kwЛ=0.9电动机额定功率 Ne≥kg*Nj (考虑惯性力的影响kg=0.7)=0.7×65.1=45.57kw选用电机型号:YZR280M-10(25%)电机额定功率:Ne=55kw电机转速: nz=556rpm(4)减速机的选择计算减速机速比:i=3.14*nz*Djs/a*v=48.57取标准速比i=48.57v1= nz*3.14* Djs/a*i=9.13△ =[( v1-v)/v]*100%=0.1%<10%起升速度验算在误差范围内按疲劳计算减速机Nhs=Ψhs*Ne25=1.05×55=57.75kwΨhs=1.05强度校核按输出扭矩Tmax=S×Djs=2637.6×0.5175=1318.8kg.m(考虑动力系数的影响ΨII=1.45)(考虑动力系数的影响ΨII=1.45)Tmax=1912.3kg.m最大径向力校核强度Rmax=(2s+Njt)/2=3202.5kg(考虑动力系数的影响ΨII=1.45)Rmax=4644kg减速机型号:ZQ1000 速比:48.57(I=48.57时减速机容许输入功率57kw输出轴容许最大扭矩5950kgm最大径向载荷9250kg)验算合格(5)制动器的选择支持载荷所需的制动力矩MzMz=ns*Qq*Djs*Л/2a*i=1.75×51268×0.5175×0.9/(2×4×31.5)=66.2kg.m=662N.m≤Mez(Mez取1600N.m)Ns=1.75 Л=0.9Mez----制动器额定制动力矩制动器型号:YWZ-400 制动力矩:1×1600 N.m(6)卷筒计算Dj=800mm=0.5mDjs=816.5mm=0.8175m查取绳槽节距P=28mmDn=456mmδ=(Dj-Dn)/2=22mm起升高度H=16m安全圈数L1=n*P=40mm(安全圈数n不小于2,取2)固定钢丝绳2L2=2*3*P=120mm光滑面L光滑=120mm螺旋槽部分2L0=2a*H*P/3.14*Djs=1575卷筒长度L=2L0+L1+2L2+L光滑=1575+40+120+120=1855mm考虑两端留有一定的退刀余量取L=2000mm卷筒压应力验算σy=ξ*ΨII*S/δ*P(1-δ/Dj)=1.0×1.45×2637.6/22×20×(1-10/500) =9.05kg/mm2<[σy]ξ=1.0Ψ=1.45σy=75kg/ mm2[σy]= σy/5=15 kg/ mm2卷筒壁抗压强度验算合格L=2000>3D=1500故需验算弯曲的影响σ1=Mw/W+{[σy]/ [σy]}*σy1=ΨII*S*[(L-L光滑)/2]/[0.1(Dj4-Dn4)/Dj]+[(σb/5)/ (σb/5)]*[ ξ*ΨII*S/δ*P*(1-δ/Dj)]=3.95 kg/ mm2<[σ1]σb=25 kg/ mm2[σ1]= σb/5=5 kg/ mm2卷筒受合成拉应力验算合格2、参照主起升的计算过程副起升机构计算副起升机构(1) 主要参数工作级别 M5起升载荷 Qq=10000+285=10285kg (吊钩重量 q=285kg) 滑轮倍率 a=4起升速度 V=13.2m/min(2) 选用钢丝绳型号钢丝绳所受拉力 S=Qq/2a*Л=5102/2*2*0.99=1288.4kgЛ=0.99钢丝绳破断拉力SpSp≥ns×s=5.5×1288.4=7086kgNs=5.5Sp=0.85*soSo=8336.7.4kg结果:选钢丝绳型号6W(19)-14.5-155-Ⅰ钢丝绳破断拉力So=11500Kg钢丝绳直径 ds=14.5mm卷筒计算直径 Dj=el*ds=25×13.5=337.5mmel=25取标准卷筒系列 Dj=400mm Djs=400+13.5=413.5mm(3)电动机的选择按静功率初选电动机Nj=Qq*v/6120*Л=5102×19.7/6120×0.9=18.24kwЛ=0.9电动机额定功率 Ne≥kg*Nj (考虑惯性力的影响kg=0.8)=0.8×18.24=14.6kw选用电机型号:YZR200L-6(25%)电机额定功率:Ne=26kw电机转速: nz=961rpm(4)减速机的选择计算减速机速比:i=3.14*nz*Djs/a*v=31.53取标准速比i=31.5v1= nz*3.14* Djs/a*i=9.13△ =[( v1-v)/v]*100%=0.1%<10%起升速度验算在误差范围内按疲劳计算减速机Nhs=Ψhs*Ne25=1.05×26=27.3kwΨhs=1.05强度校核按输出扭矩Tmax=S×Djs=2637.6×0.5175=1318.8kg.m(考虑动力系数的影响ΨII=1.45)(考虑动力系数的影响ΨII=1.45)Tmax=1912.3kg.m最大径向力校核强度Rmax=(2s+Njt)/2=3202.5kg(考虑动力系数的影响ΨII=1.45)Rmax=4644kg减速机型号:ZQ500 速比:31.5(I=31.5时减速机容许输入功率29kw输出轴容许最大扭矩5950kgm最大径向载荷9250kg)验算合格(5)制动器的选择支持载荷所需的制动力矩MzMz=ns*Qq*Djs*Л/2a*i=1.75×5102×0.5175×0.9/(2×4×31.5)=21.2kg.m=212N.m≤Mez(Mez取800N.m)Ns=1.75 Л=0.9Mez----制动器额定制动力矩制动器型号:YWZ-200 制动力矩:1×800 N.m三、小车运行机构计算(1)主要参数起升载荷Qq=51268kg小车自重G=15245kg车轮直径D=50cm轴承直径d=10cm电机数目m=1运行速度V=38.5m/min(2)阻力的计算摩擦阻力Pm max=(Qq+G)×(2u+df)/D×Kf (代入相应数值)=384.9kgKf=1.6 Kp=0.002 u=0.05 f=0.02 d=10 D=35Pm max=(2u+df)/D=240.6kg坡度阻力Pp=(Qq+G)×Kp (代入相应数值)=56.1kgKp=0.002Pj=Pm max+Pp=441kg(3)满载运行时电机静功率Nj=Pj*v/6120*Л=441×44.2/6120×0.9=3.54kw由于起动加速过程惯性力的影响,电动机的应选功率为:N=Kg*Nj=1.1×3.54=3.89kw(Kg=1.1)选用电动机型号:YZR160M2-6 (25%)电机额定功率Ne=8.5kw电机转速 nz=930ypm(4)减速机的计算速比计算:i=3.14*nz*D/v=22.38取标准速比i=22.4v1= nz*3.14* D/i=44.16rpm△ =[( v1-v)/v]*100%=0.1%<10%运行速度验算在误差范围内按疲劳计算减速机Nhs=Ψhs*Ne25=1.4ξ×4=5.26kwG/(G+Qq)=7598/(7598+20648)=0.27<0.3查取修正系数ξ=0.94按强度计算减速机输出轴上的最大扭矩Mmax=Ψhs*Me25*i*Л=2.3×975×4/900×22.4×0.9=200.9kgm选用减速机型号:ZSC-600 速比:37.9验算合格(5)制动器的选择所选制动器应使起重机在满载、下坡情况下停车所需制动力矩Mz=Ms+1/tz[1.2*GD*n*m/375+0.975(Qq+G)v2/n]Ms=pjs*D*Л/2i=-184.5×0.35×0.9/(2×22.4)=-1.297kgPjs=Pp-Pm min=-184.5kgGD2=0.28kgm2 v=0.74m/sec n=900 tz取5secMz=-1.297+3.13=1.84kgm=18.4n.m选用一台制动器选用制动器型号:YWZ-200/45 制动力矩:200N.m三、大车运行机构计算机构按跨度分为两种,跨度≤22.5m为第一种,≥22.5m为第二种.参数按≥22.5m时取(1)主要参数起升载荷Qq=51268kg小车自重G=15425kg车轮直径D=80cm轴承直径d=10cm电机数目m=2运行速度V=74.6m/min(2)阻力的计算摩擦阻力Pm max=(Qq+G)×(2u+df)/D×Kf (代入相应数值)=547.2kgKf=1.5 u=0.08 f=0.02Pm max=(2u+df)/D=364.8kg坡度阻力Pp=(Qq+G)×Kp (代入相应数值)=60.8kgKp=0.001Pj=Pm max+Pp=608kg(3)满载运行时一个电机静功率Nj=Pj*v/6120*Л=4.15kw由于起动加速过程惯性力的影响,一个电动机的应选功率为:N=Kg*Nj=1.5×4.15=13kw (Kg=1.5)选用电动机型号:YZR160L-6 (25%)电机额定功率Ne=13kw电机转速 nz=935ypm(4)减速机的计算速比计算:i=3.14*nz*D/v=23.05v1= nz*3.14* D/i=75.28rpm△ =[( v1-v)/v]*100%=0.1%<10%运行速度验算在误差范围内按疲劳计算减速机Nhs=Ψhs*Ne25=1.4ξ×6.3=10.32kwG/(G+Qq)=40329/(40329+20648)=0.66查取修正系数ξ=1.17按强度计算减速机输出轴上的最大扭矩Mmax=Ψhs*Me25*i*Л=2.3×975×6.3/921×23.05×0.9=318.2kgm选用减速机型号:ZQ-500 速比:31.5(i=3.15时减速机容许输入功率13kw)验算合格(5)制动器的选择所选制动器应使起重机在满载、下坡情况下停车所需制动力矩Mz=Ms+1/tz[1.2*GD*n*m/375+0.975(Qq+G)v2/n]Ms=pjs*D*Л/2i=-304×0.6/(2×23.05)=-3.56kgPjs=Pp-Pm min=-304kgGD2=0.48kgm2 v=1.25m/sec n=921 tz取5secMz=-3.56+18.8=15.2kgm=152n.m选用一台制动器选用制动器型号:YWZ-200 制动力矩:2×200N.m。
龙门吊设计计算书(ME50t+50t-38mA3三角桁架龙门吊)计算内容:龙门吊结构计算、龙门吊抗倾覆计算设计人:年月日校核人:年月日审定人:年月日目录龙门吊设计计算书 0一、设计依据 (2)二、主要性能参数 (2)三、龙门吊组成 (2)四、龙门吊结构设计计算 (2)五、龙门吊抗倾覆计算 (7)一、设计依据1、《起重机设计规范》(GB3811-2008);2、《钢结构设计规范》(GB50017-2003);3、《公路桥涵设计通用规范》(JTG D60-2004)4、起重机安装使用说明书、合格证、强度校核计算说明书;5、《特种设备安全法》;二、主要性能参数三、龙门吊组成四、龙门吊结构设计计算(一)提升小车(1)主要性能参数(2)起升机构计算已知:起重能力Q静=Q+W吊具=50t+1t=51t粗选:单卷扬,倍率m=10,滚动轴承滑轮组,效率η=0.91。
见《起重机设计手册》表3-2-11,P223。
则钢丝绳自由端静拉力S:S=QJ静/(η×m)=51/(0.91×10)=5.6t,选择一台8t卷扬机。
钢丝绳破断拉力总和∑t:∑t= S ×n/k=2.8×5/0.82=17t,选择钢丝绳:6×37—22—1570,GB8918-2006。
(二)C型主梁(以单根主梁分析)(1)计算载荷①额定起重量:Q1=500kN ②吊具自重:Q2=10kN③天车自重:Q3=65kN ④C型主梁自重:q=3.6kN/m(2)载荷系数:冲击系数:k1=1.1((GB3811-2008《起重机设计规范》P13)动载系数:k2=1.05 (GB3811-2008《起重机设计规范》P11)安全系数:[K]=1.22(3)载荷组合:P=1.1*(500+75)*0.5=316.25kN(4)计算参考数值:C型主梁截面技术特性:[σ]=215MPa E=2.1×105MPa [τ]=145MPa [f]=1/500 (5)内力计算(按最不利工况计算)①最大弯矩:计算简图M = 0.25PL+0.125qL2= 0.25×316.25×24+0.125×3.6×382= 2547.3 kN•m②强度校核:(以上弦计算)σx =Mx/Wx=2547.3×106/20924483=121 MPa安全系数:K=[σ]/σx=215/121=1.7 >[K]=1.22③刚度校核:f max =PL3/48EIx+5qL4/384EIx=316250×380003/(48×2.1×106×21944893353)+5×3.6×380004/(384×2.1×106×21944893353)=10mm<[f]=38000/500=76mm④剪力校核:(最不利工况)Q max =316.25KN A下=12960mm2τmax=1.5 Q max / A下=1.5×316.25×103/12960=37Mpa≤[τ]=145Mpa 验算结果:C型主梁强度、刚度、剪力均符合使用要求。
通用桥式起重机(吊运熔融金属QDY50/10t×28.5m)设计计算书编制审核设计计算依据及采用标准一.设计计算的依据为合同的技术规范二.设计计算采用的标准为《GB3811-83》起重机设计规范目录一、小车部分的配套选型计算二、大车部分的配套选型计算三、桥架部分的主端梁结构强度、刚度计算四、冶金起重机配置及校核计算说明一、小车部分的配套选型计算按合同技术规范:主要参数如下:起重量:50/10t起升高度:12/14m速度:起升7.6/12.8m/min小车运行43.5m/min工作级别:主起升:M6副起升、小车运行:M6小车轨道型号:38kgf/m主起升减速器采用中硬齿减速器,运行减速器采用立式减速器ZSC600,副起升采用ZQ50050t吊钩采用单钩,50t吊钩组重1.527t,倍率m=5 10t吊钩组重量为0.24t, 倍率m=3小车自重16.9t小车采用四只φ500车轮采用集中驱动车轮材质为ZG55SiMn制动器采用YWZ-500/90小车轨距:2.5m小车运行缓冲器:JHQ-C-71.主起升设计计算:起重量:50t 工作级别:M6起升静功率:Kw V G Q P j 7585.06120106.7527.1506120(3=⨯⨯⨯+=⨯+=)()吊钩η 选用 YZR315M-8JC40% 90kw n=715r/min合格钢丝绳的最大工作拉力:kgf t m G Q S 6000685.052527.1502max ==⨯⨯+=⨯⨯+=η吊钩按GB3811-83 M6 工作级别 钢丝绳的安全系数6≥k ,钢丝绳计算选用的最小破断拉力:kgf t S K p 40000)(409.0669.0max max ==⨯=⨯= 选用6W (19)+IWR-24-170 钢丝绳许用破断拉力为[]kgf p 40800=实际钢丝绳的安全系数[]12.669.08.409.0max =⨯=⨯=S p k 合格.选用φ880x2000卷筒传动速比:68.486.75824.07150=⨯⨯⨯=⨯⨯⨯=ππV m D n i 选用ZQ1000-50-3CA 减速器[]m kgf M .20600= []Kw P 82= []tf R 43.18=实际起升速度:m in /4.7550824.07150m m i D n V =⨯⨯⨯=⨯⨯⨯=ππ 合格减速器输出轴上工作扭矩:m kgf m D G Q M .8.42455210824.0)527.150230=⨯⨯⨯+=⨯⨯+=()(吊钩 []m kgf M M .20600=<合格减速器输出轴上径向力:)(卷筒组吊钩t G m G Q R 42.62534.210527.5122=+=+⨯+= []t R R 43.18=<合格卷筒工作长度计算:mm L t D m H L 1985350228)6824.0512(2)6(00=+⨯⨯+⨯⨯=+⨯⨯+⨯⨯=ππ 选用卷筒φ800x2000卷筒壁厚28.5mm ,卷筒采用Q235-B 钢板卷制而成 卷筒筒壁的最大压应力:[]Mpa p S s C c 5.117223522.75285.2860000max ===<=⨯=⨯=σσδσ 合格高速轴制动力矩:m k g f D i m G Q M Z .85501010824.0527.51230=⨯⨯⨯=⨯⨯⨯+=吊钩按GB3811-83 高速轴采用双制动时,制动器的安全系数25.1≥Z K选用YWZ-500/90制动器[]m N M Z .3600~2000=安全系数[]56.2~4.114043600~2000===Z Z zM M k 合格2.副起升设计计算:起重量Q=10t 工作级别:M6,起升速度V=13.2米/分,起升高度H=14m 。
QD50T吊钩桥式起重机设计计算书QD50/5T吊钩桥式起重机设计计算书一、主梁校核计算本台起重机根据经验法初定主梁截面,然后根据最终整机设计结果,对主梁强度、刚度及疲劳进行校核计算。
一、主梁截面惯性距1、确定主梁的截面特性:主梁截面及受力情况如图示:经计算主梁特性如下:惯性距:IX 2.5857×1010mm4; Iy 4.828×109mm4;hX 866mm; hy 375mmb 4000mm;当小车位于左端位置时: x 2725mm二、根据设计结果,已知参数有:1、型式:QD型吊钩桥式起重机2、额定起重量:Gn主 50t3、跨度:S 10.5m4、起升高度: H主 12m5、起升速度:Vn主 1.8m/min5、起重机(大车)运行速度:Vk 25 m/min6、小车运行速度:Vt 18m/min7、小车重量:G小 10.5t8、小车轮距:b 4m9、工作级别:中级(A5)10、材料的选择及其力学性能根据本台起重机的用户要求,主要承载件选用Q235B钢,选用板厚≤16mm 的板材,其屈服极限:σs 235×106N/m2;强度极限为:σb (375~640)×106N/m2(计算时取为σb 550×106N/m2);弹性模量E 2.1×1011N/m2。
三、载荷系数的确定1、动载系数ψ2的计算计算公式:ψ2 1+bvv―起升速度(m/s),根据已知条件,主起升最大起升速度为:V 5.0m/min;b―操作系数,根据设计手册,因本台起重机起重量较高,因此取b 0.8;g―重力加速度(9.81m/s2)y1―起升载荷引起的静变位(m),y1Q―起重量(N)L―跨度(m)E―材料弹性模量,为;2.1×1011N/m2I―截面惯性矩(mm4),已知I 2.5857×1010mm4代入已知参数,可得y1 140mm 0.14m;λ0―静变位,λ0 δ绳×δ绳―钢丝绳截面应力,根据设计手册,取240MPaH―起升高度,12mE绳―钢丝绳弹性模量,根据设计手册,取1×105N/mm2代入已知参数,得λ0 δ绳× 240× 38.4mm 0.0384m将以上相关参数代入,则ψ2 1+bv1+0.8×(5.0/60)× 1.052、运行冲击系数ψ4的确定:因大车最大运行速度V 25m/min 25/60 0.4m/s,根据设计手册,可确定ψ4 1.3、起升冲击系数ψ1的确定:根据设计规范,ψ1可在0.9≤ψ1≤1.1 范围选取,考虑到本台起重机实际使用情况,取高值,可取为ψ1 1.1。
QD50/5T吊钩桥式起重机设计计算书一、主梁校核计算本台起重机根据经验法初定主梁截面,然后根据最终整机设计结果,对主梁强度、刚度及疲劳进行校核计算。
一、主梁截面惯性距1、确定主梁的截面特性:主梁截面及受力情况如图示:经计算主梁特性如下:惯性距:I X=2.5857×1010mm4;h X=866mm;yb=4000mm;当小车位于左端位置时:x=2725mm二、根据设计结果,已知参数有:1、型式:QD型吊钩桥式起重机2、额定起重量:G n主=50t3、跨度:S=10.5m4、起升高度:H主=12m5、起升速度:V n主=1.8m/min5、起重机(大车)运行速度:V k=25 m/min6、小车运行速度:V t=18m/min7、小车重量:G小=10.5t8、小车轮距:b=4m9、工作级别:中级(A5)10、材料的选择及其力学性能根据本台起重机的用户要求,主要承载件选用Q235B 钢,选用板厚≤16mm 的板材,其屈服极限:σs =235×106N/m 2;强度极限为:σb =(375~640)×106N/m 2(计算时取为σb =550×106N/m 2);弹性模量E=2.1×1011N/m 2。
三、载荷系数的确定 1、动载系数ψ2的计算计算公式:ψ2=1+bv)(101λ+y gv —起升速度(m/s ),根据已知条件,主起升最大起升速度为:V=5.0m/min ; b —操作系数,根据设计手册,因本台起重机起重量较高,因此取b=0.8; g —重力加速度(9.81m/s 2)y 1—起升载荷引起的静变位(m ),y 1=EIQL4823⨯Q —起重量(N ) L —跨度(m )E —材料弹性模量,为;2.1×1011N/m 2I —截面惯性矩(mm 4),已知I=2.5857×1010mm 4代入已知参数,可得y 1=()105335105857.2101.2482104.1910100⨯⨯⨯⨯⨯⨯⨯⨯=140mm=0.14m ;λ0—静变位,λ0=δ绳×绳E Hδ绳—钢丝绳截面应力,根据设计手册,取240MPa H —起升高度,12mE 绳—钢丝绳弹性模量,根据设计手册,取1×105N/mm 2 代入已知参数,得λ0=δ绳×绳E H =240×510112000⨯=38.4mm=0.0384m将以上相关参数代入,则ψ2=1+bv)(101λ+y g=1+0.8×(5.0/60)×)0384.014.0(81.91+⨯=1.052、运行冲击系数ψ4的确定:因大车最大运行速度V=25m/min=25/60=0.4m/s , 根据设计手册,可确定ψ4=1. 3、起升冲击系数ψ1的确定:根据设计规范,ψ1可在0.9≤ψ1≤1.1 范围选取,考虑到本台起重机实际使用情况,取高值,可取为ψ1=1.1。
绪论桥式起重机是桥架型起重机的一种,其常用类型是箱形双梁桥式起重机,是有一个两根箱形主梁和两根横向端梁构成的双梁桥架,它依靠起升机构和在水平面内的两个相互垂直方向移动的运行机构,它广泛应用在室内外仓库、机械加工车间、装配车间、码头和露天贮料场等场合。
桥式起重机一般有大车运行机构的桥架、装有起升机构和小车运行机构的起重小车、电气设备、司机室等几大部分组成。
起重小车又分为主起升机构、副起升机构和小车桥架三部分组成,起升机构用来垂直升降物品,起重小车用来带着载荷作横向移动,以达到在跨度内和规定高度内组成的三维空间里做搬运和装卸货物用。
桥式起重机是使用最广泛、拥有量最大的一种轨道运行式起重机,其额定起重量从几吨到几百吨。
最基本的形式是通用吊钩桥式起重机,其他形式的桥式起重机都是在通用吊钩桥式起重机的基础上派生发展出来的。
其结构具有加工零件少、工艺性好、通用性好及机构安装检修方便等一系列优点,因此在生产中得到广泛采用。
1.1桥式起重机发展概述1.1.1 国内桥式起重机发展动向国内桥式起重机发展有三大特征:1)、改进机械结构,减轻自重国内桥式起重机多已经采用计算机优化设计,以此提高整机的技术性能和减轻自重,并在此前提下尽量采用新结构。
如5~50t通用桥式起重机中采用半偏轨的主梁结构。
与正轨箱形相比,可减少或取消加筋板,减少结构重量,节省加工工时。
2)、充分吸收利用国外先进技术起重机大小车运行机构采用了德国Demang公司的“三合一”驱动装置,吊挂于端梁内侧,使其不受主梁下挠和振动的影响,提高了运行机构的性能和寿命,并使结构紧凑,外观美观,安装维修方便。
遥控起重机的需要量随着生产发展页越来越大,宝钢在考察国外钢厂起重机之后,提出大力发展遥控起重机的建议,以提高安全性,减少劳动力。
3)、向大型化发展由于国家对能源工业的重视和资助,建造了许多大中型水电站,发电机组越来越大。
特别是长江三峡的建设对大型起重机的需求量迅速提升。
目录内容摘要 (1)关键词 (1)Abstract. (1)Key words (1)1.绪论 (2)1.1桥式起重机的介绍 (3)1.2桥式起重机设计的总体方案 (3)1.3主梁和桥架的设计 (3)1.4端梁的设计 (4)2.选型计算部分 (4)2.1主起升机构的设计 (4)2.2副起升机构的设计 (8)2.3小车运行机构 (11)2.4大车运行机构的设计 (16)3.结构计算部分 (20)3.1桥架尺寸的确定 (20)3.2主梁尺寸 (21)3.3主端梁界面 (22)3.4端梁截面尺寸的确定 (23)3.5主.端梁截面几何性质 (24)3.6载荷 (25)3.7扭转载荷 (28)3.8主梁的计算 (28)3.9端梁的计算 (38)3.10稳定性 (39)3.11总功率 (41)总结 (42)参考文献 (43)致谢 (44)内容摘要:这次毕业设计是针对毕业实习中桥式起重机所做的具体到吨位级别的设计。
随着我国制造业的发展,桥式起重机越来越多的应用到工业生产当中。
在工厂中搬运重物,机床上下件,装运工作吊装零部件,流水线上的定点工作等都要用到起重机。
起重机中种数量最多,在大小工厂之中均有应用的就是小吨位的起重机,小吨位的桥式起重机广泛的用于轻量工件的吊运,在我国机械工业中占有十分重要的地位。
但是,我国现在应用的各大起重机还是仿造国外落后技术制造出来的,而且已经在工厂内应用了多年,有些甚至还是七八十年代的产品,无论在质量上还是在功能上都满足不了日益增长的工业需求。
如何设计使其成本最低化,布置合理化,功能现代化是我们研究的课题。
本次设计就是对小吨位的桥式起重机进行设计,主要设计内容是50t/10t桥式起重机的结构及运行机构,其中包括桥架结构的布置计算及校核,主梁结构的计算及校核,端梁结构的计算及校核,主端梁连接以及大车运行机构零部件的选择及校核。
关键词:起重机大车运行机构桥架主端梁小吨位Abstract:The graduation project is a bridge crane for the graduation field work done by the tonnage level specific to the design. As China's manufacturing industry, more and more applications crane to which industrial production. Carry a heavy load in the factory, machine parts up and down, the work of lifting parts of shipment, assembly line work should be fixed on the crane is used. The largest number of species of cranes, both in the size of the factory into the application is small tonnage cranes, bridge cranes small tonnage of lightweight parts for a wide range of lifting, in China's machinery industry plays a very important position. However, our current application, or copy large crane behind the technology produced abroad, and has been applied in the factory for many years, and some 70 to 80 years of products, both in quality or functionality are not growing to meet the industrial demand. How to design it the lowest cost, rationalize the layout, function modernization is the subject of our study. This design is for small tonnage bridge crane design, the main design elements are 50t/10t crane structure and operation of institutions, including the bridge structure, calculation and checking the layout, the main beam structure calculation and checking , end beams calculation and checking, the main end beam connect and run the cart and checking body parts of choice.Key words:Crane The moving mainframe Bridge Main beam and end beam Small tonnage!!所有下载了本文的注意:本论文附有CAD图纸和完整版word版说明书,凡下载了本文的读者请留下你的联系方式(QQ邮箱),或加QQ 83753222,最后,希望此文能够帮到你1.绪论1.1桥式起重机的介绍桥式起重机是桥架在高架轨道上运行的一种桥架型起重机,又称天车。
双梁门式起重机设计计算书(50.0吨16.50米)四川腾达起重机械有限公司2011年08月11日第一章设计初始参数第一节基本参数:起重量 PQ=50 (t)跨度 S=16.5 (m)起升高度 H0=7(m)结构工作级别 ABJ=3级主起升工作级别 ABZ=3级副起升工作级别 ABF=3级小车运行工作级别 ABX=3级大车运行工作级别 ABD=5级主起升速度 VZQ=6.66 (m/min)副起升葫芦速度 VFQ=7(m/min)小车运行速度 VXY=38.5 (m/min)大车运行速度 VDY=37.6 (m/min)第二节选用设计参数起升动力系数 O2=1.20运行冲击系数 O4=1.10钢材比重 R=7.85 t/m^3钢材弹性模量 E=2.1*10^5MPa钢丝绳弹性模量 Eg=0.85*10^5MPa第三节相关设计参数大车车轮数(个) AH=4大车驱动车轮数(个)QN=2大车车轮直径 RM=0.800 (m)大车轮距 L2=8.000 (m)连接螺栓直径 MD=0.0360 (m)工作最大风压 q1=0/* 250 */ (N/m^2)非工作风压 q2=0/* 600 */ (N/m^2)第四节设计许用值:钢结构材料Q235─B许用正应力〔σ〕I=156Mpa〔σ〕II=175Mpa许用剪应力〔τ〕=124Mpa龙门架许用刚度:主梁垂直许用静刚度:跨中〔Y〕x~l=S/1000=16.50mm;主梁水平许用静刚度:跨中〔Y〕y~l=S/2000=8.25mm;龙门架纵向静刚度:主梁沿小车轨道方向〔Y〕XG=H/800=7.4mm;许用动刚度〔f〕=2.0Hz;连接螺栓材料 8.8级螺栓许用正应力〔σ〕ls=210.0Mpa;疲劳强度及板屈曲强度依GB3811-2008计算许用值选取。
第四节主梁计算:50t-16.5m A31.主梁跨中截面特性B1= 1060 mm, B2= 1060 mmB3= 1000 mm, d1= 10 mmd2= 10 mm, d3= 10 mmd4= 8 mm, D5= 20 mmD6= 20 mm, H= 1700 mmH1= 600 mm面积:s1= 51800 mm^2形心:ox= 533.41 mm, oy= 850 mm弯心:ex= 557.56 mm, ey= 850 mm惯性矩:ix= 22867406667 mm^4iy= 9717465390 mm^4抗弯系数:(右上点):wx1= 26590007.75 mm^3wy1= 17247592.08 mm^3(右下点):wx2= 26590007.75 mm^3wy2= 17247592.08 mm^3(左上点):wx3= 26590007.75 mm^3wy3= 19568386.12 mm^3(左下点):wx4= 26590007.75 mm^3wy4= 19568386.12 mm^3对中性轴的净面距:(右上部)sx1= 7707155.27 mm^3(左上部)sx2= 7858344.73 mm^3(右下部)sx3= 7707155.27 mm^3(左下部)sx4= 7858344.73 mm^32.主梁跨端截面特性面积:s2= 32000mm^2形心:ox2= 519.09 mm, oy2= 300 mm 惯性矩:ix2= 2296306667 mm^4对中性轴的净面距:(右上部)dsx1= 2034724.58190918 mm^3 (左上部)dsx2= 2008275.42 mm^3(右下部)dsx3= 2034724.62 mm^3(左下部)dsx4= 2008275.38 mm^33.主梁的计算载荷主梁的均布载荷产生的弯矩:m1= 132000000 N.mm走台的均布载荷产生的弯矩:m2= 26565000 N.mm轮压作用下的集中载荷产生的弯矩: m3= 680050000 N.mm传动机构载荷产生的弯矩:m4= 10800000 N.mm司机室载荷产生的弯矩:m5= 9000000 N.mm总的垂直弯矩:mz= 858415000 N.mm惯性载荷产生的水平弯矩:mg= 85841500 N.mm4.主梁跨中截面的应力(1)点的的正应力:σ1= 37.26 Mpa(2)点的的正应力:σ2= 37.26 Mpa(3)点的的正应力:σ3= 36.67 Mpa(4)点的的正应力:σ4= 36.67 Mpa(5)点的的挤压应力(仅对偏轨梁):σ5= 52.52 Mpa < 1.4[σ]1[σ]1---疲劳许用应力[σ]1=140 Mpa ( Q235 )[σ]1= 210 Mpa ( 16Mn )5.主梁跨中腹板中点的剪应力主梁跨中腹板中点的剪力:Qz= 192336.36 N(6)点的的剪应力:τ6= 8.1 Mpa(7)点的的剪应力:τ7= 6.61 Mpa6.主梁跨端腹板中点的剪应力主梁跨端腹板中点的剪力:Qd= 246836.36 N(8)点的的剪应力:τ8= 21.59 Mpa(9)点的的剪应力:τ9= 27.34 Mpa7.主梁的垂直静刚度f= 3.76 mm < L/ 700 = 23.57143 mm************* 刚度满足 ****************************************************参考资料(1),《起重机设计手册》(2),《机械设计手册》--常用设计资料 1-130页(3),《起重机金属结构》--太原科技大学第二章起重机小车设计第一节小车设计参数小车质量(t) GX=11.877 (t)小车轮距(m) B=3.500 (m)轨道至主梁内边(m) L5=0.300 (m)小车轨距 (m) L6=2.500 (m)小车左外伸(m) L7=0.500 (m)小车右外伸(m) L8=0.500 (m)主梁与马鞍间距(m) L11=0.560 (m)吊钩下探量(m) H6=7. 0 (m)小车轨道截面高(m) H7=0.120 (m)小车高(m) H8=1.645 (m)小车顶至马鞍(m) H10=0.250 (m)小车罩沿大车轨道方向迎风面积(m^2) XDS=12.000 (m^2)小车罩垂直大车轨道方向迎风面积(m^2) XXS=12.000 (m^2)钢丝绳金属丝截面积(m^2) D0=6.550700e-004 (m^2)滑轮组钢丝绳分支数之半 N0=5小车轨道型号: P43小车外罩至导电架距离(m) L9=0.900 (m)小车外罩至栏杆距离(m) L10=0.900 (m)法兰至主梁上盖板距离(m) HD=1.960 (m)第三章门机结构部分设计计算第一节结构型式、尺寸及计算截面一、门机正面型式及尺寸门机正面型式参见图3-1b,正面尺寸见表3-1表3-1单位:m┌───┬───┬───┬───┬───┬───┬───┐│ S │ ZS1 │ ZS2 │ YS1 │ YS2 │ H │ H0 │├───┼───┼───┼───┼───┼───┼───┤│ 16.50│ 7.000│ 7.0│ 7.0 │ 7.0 │14.734│ 15 │└───┴───┴───┴───┴───┴───┴───┘第二节 支腿,下横梁及计算截面1、支腿强度的校核支腿除承压外,还在两个刚架平面内承受弯矩,故为双向压弯构件,支腿强度为:(1)支腿顶部截面(开始弯曲处)δ1= + + <[δ](2)支腿上法兰截面δ2= + + < [δ] 经计算,δ1=123MPaδ2=125.5MPa所以,δ1<[δ] δ2<[δ]所以,支腿的强度能满足。
50/10-24M 单梁门式起重机计算书起重机主参数及计算简图:计算简图小车自重:G X =153.8 KN 主梁自重:G Z =554.1 KN 走台栏杆滑导支架等附件:G F =40.2 KN 桥架自重:1100.54 KN 额定起重量:G E=490 KN支腿折算惯性矩的等值截面主梁截面刚性支腿折算惯性矩:4103311018.512MMbhBH I ⨯=-=主梁截面惯性矩:410332109.712MMbhBH I ⨯=-=主梁X 向截面抵弯矩:373310087.76MMHbhBHW X ⨯=-=主梁Y 向截面抵弯矩:373310089.56MMBhbHBW Y ⨯=-=一 .悬臂强度和刚度校核。
Ⅰ. 悬臂刚度校核该门式起重机采用两个刚性支腿,故悬臂端挠度计算按一次超静定龙门架计算简图计算。
)12838(3(232)21++++=K K L L EIC L P P f K式中 C 3:小车轮压合力计算挠度的折算系数 )()(2)32()(23212222113L L L P P b P L L L b P b P C K K ++++-==1.00055K:考虑轮缘参与约束,产生横向推力 927.012=⨯=KL h I I KP 1,P 2:小车轮压 KN G G P P EX 9.321221=+==代入数值:mmK K L L EIC L P P f K911.22)12927.083927.08240009000(109.710102.2300055.19000)109.321109.321()12838(3(105233232)21=+⨯+⨯⨯+⨯⨯⨯⨯⨯⨯⨯⨯+⨯=++++=按起重机设计规范有效悬臂端的许用挠度:mm L f K 7.253509000350][===][f f <结论:综上计算校核,该起重机的悬臂梁的刚度满足起重机械设计规范的要求。
Ⅱ.悬臂的强度校核1. 该起重机悬臂的危险截面为支承处截面,满载小车位于悬臂端时该截面受到最大弯曲应力和最大剪应力。
传动轴耐久安全系数效验 n扭实际=)(—扭容许n ZK ≥τττ12 起重量Gn(t ) 工作制度d cm τ—1 Kg/cm 2 Pkg/cm 2ετKτ=抗扭动W Mkg/cm 2ετK -τkg/cm 2n 扭实际 [n 扭]3中级 4.5 1320 >300 2.38 1666.162750= 395 6.68 (合格) 1.86 5中级 4.5 1320 >300 2.38 2256.163730= 536 4.92 (合格) 1.86 中级 4.0 1320 >300 2.38 12282.111440= 290 9.1 (合格) 1.86 重级 4.51320 >300 2.382046.163380= 485 5.44 (合格) 2.0 10中级 4.51320>3002.38 2066.163410= 490 5.38 (合格) 1.86 重级 3506.165810= 885 3.16 (合格) 2.0 15中级 5.51320>3002.517478.305350= 435 6.06 (合格) 1.86 重级 50378.3015500= 1560 2.09 (合格) 2.0 20中级 5.51320>3002.517978.305500= 448 5.90 (合格) 1.86 重级 51378.3015800= 1283 2.06 (合格) 2.0 30中级 6.51320>3002.54205.5112600= 6124.32 (合格) 1.86重级4205.5121600=1050 2.51 (合格) 2.050中级 6.51320 >3002.52765.5114200= 690 3.8 (合格) 1.86 重级 3605.5118500= 900 2.9 (合格) 2.0 10中级4.5 1320>3002.3842056.16697010002.64 (合格)1.86设 计 计 算 说 明 书第34 页 技 术 组共67页齿轮联轴器选择M计算(高速轴)=1.3M负载高≤M容许扭 M静(低速轴)=S最大·(D卷+d绳)≤M容许扭起重量Gn (t)工作制度高速轴M负载高kg.m高速轴M计算kg.m高速轴联动器M容许扭kg.m绳索张力S最大kg低速轴M静低kg.m低速轴M计算kg.m所用联轴器容许扭矩 M容许扭kg.m3 中级50 65 320 1530 633 822 19005 中级65.5 85 320 1280 529 688 1900 中级21.6 28.1 140 1280 398 517 1900 重级65.5 85 320 1280 529 688 190010 中级65.5 85 320 1780 736 9571900 重级121 157 320 1780 736 95715 中级110 143 320 2660 1377 17905000 重级296 385 320 2660 1377 179020 中级110 1433202720 1410 18325000 重级296 385 2720 1410 183230 中级243 316 860 4100 2750 358010000 重级442 575 860 4100 2750 358050 中级230 300 860 5500 4240 590015000 重级302 393 860 5500 4240 590010 中级91 118 320 1780 695 905 1900设计计算说明书第35页技术组共67页吊钩尾部计算表起重量Gn (kg) 吊钩自重G(kg)最小直径d尾(cm)螺距S(cm)螺纹外径d(cm)螺纹内径d(cm)许用挤压应力σ挤(kg/cm3)最小直径处拉应力许用拉应力σ尾(kg/cm2)螺母计算高度H=)d()(422内dSGGnπ+实际螺母高度H实(cm)螺纹高L尾(cm)3000 5.67 3.0 0.4 3.6 3.08350 4255001.26 4.2 4.05000 13.5 4.05 0.5 4.8 4.15 390 1.57 6.7 5.1 10000 31.3 5.5 0.6 6.4 5.62 422 2.33 7.8 7.1 15000 57.27 6.8 1.0 8.0 6.9 415 3.34 8.9 7.9 20000 88.6 7.6 1.2 9.0 7.7 442 4.04 10.0 8.3 30000 16.37 9.6 1.2 11.0 9.7 416 4.89 12.4 11.3 50000 329.54 12.08 1.6 14.0 12.2 442 6.17 15.4 14.0备注1)、标准设计螺母实际高度近似相等于尾部螺纹实际高度。