工程制图的发展轨迹样本
- 格式:doc
- 大小:32.00 KB
- 文档页数:7
CAD发展历程精品课件(一)
CAD是计算机辅助设计(Computer-Aided Design)的缩写,它是一种
使用计算机软件来协助设计、绘制和分析各种物品的技术。
下面我们
一起回顾一下CAD的发展历程。
一、手绘阶段
在计算机尚未普及的时代,设计师只能通过手绘的方式完成设计工作,这个阶段持续了很长时间。
二、自动绘图仪阶段
20世纪50年代,自动绘图仪被广泛应用于CAD领域。
设计师首先将设计图纸输入到计算机中,再将计算机输出的图形通过自动绘图机绘制
到图纸上。
三、交互式设计阶段
20世纪60年代,出现了第一代CAD软件,设计师可以用光笔或鼠标等设备直接操作计算机,完成设计工作。
四、三维CAD阶段
到了20世纪80年代,随着计算机的大幅提高,CAD软件的功能得到了进一步扩展,首先出现的是三维CAD软件,使得设计师可以在电脑屏
幕上呈现3D模型,极大地提高了设计效率。
五、云CAD阶段
21世纪初,随着云计算技术的迅速发展,云CAD应运而生。
云CAD是一种实现在线访问、互动和协作的CAD软件,设计师和客户可以在任何地点,只要有网络连接,就可以互相交流、讨论设计方案,大大提高了设计效率和准确性。
六、智能CAD阶段
如今,人工智能技术的应用,让CAD软件更加智能化。
智能CAD软件能够自动分析设计数据,为设计师提供更好的建议和引导,使得设计更加准确、高效。
总之,CAD软件的不断发展,为设计行业带来了巨大的变革和进步,为我们的生产生活带来了便利和效益。
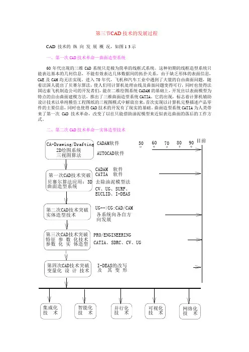
第三节CAD 技术的发展过程CAD 技术的 纵 向 发 展 概 况,如图1-3示一、第一次CAD 技术革命—曲面造型系统60年代出现的三维CAD 系统只是极为简单的线框式系统。
这种初期的线框造型系统只能表达基本的几何信息,不能有效表达几体数据间的拓扑关系。
由于缺乏形体的表面信息,CAE 及CAM 均无法实现。
进入70年代,飞机和汽车工业中遇到了大量的自由曲面问题,随着法国人提出了贝赛尔算法,使人们用计算机处理由线及曲面问题变得可行,同时也使得法国达索飞机制造公司的开发者们,能在二维绘图系统CADAM 的基础上,开发出以表面模型为特点的自由曲面建模方法,推出了三维曲面造型系统CATIA 。
它的出现,标志着计算机辅助设计技术以单纯模仿工程图纸的三视图模式中解放出来,首次实现以计算机完整描述产品零件的主要信息,同时也使得CAD 技术的开发有了现实的基础。
曲面造型系统CATIA 为人类带来了第一次CAD 技术革命,改变了以往只能借助油泥模型来近似表达曲面的落后的工作方式。
二、第二次CAD 技术革命—实体造型技术2D绘图系统三视图算法第一次CAD技术突破第四次CAD技术突破变量化 设 计 技术第二次CAD技术突破实体造型技术第三次CAD技术突破特征 参 数 化技术参数 化 实 体造型CADAM软件AUTOCAD软件目前6070805090贝赛尔算法应用:3D曲面造型系统CADAM 软件CATIA 软件CA-Drawing/Drafting去除油泥模型法CV、UG、SURF、EUCLID、I-DEASUG-->UG:CAD/CAM各系统向各自方向发展PRO/ENGINEERING CATIA、SDRC、CV、UGI-DEAS的改写及 其 变 形集成化技 术智能化技 术并行化技 术可视化技 术网络化技 术图1-3 源于50年代末的CAD技术发展有了表面模型,CAM的问题可以基本解决。
但由于表面模型技术只能表达形体的表面信息,难以准确表达零件的其它特性,如质量、重心、惯性矩等,对CAE十分不利,最大的问题在于分析的前处理特别困难。
工程图学的发展轨迹【摘要】工程制图的发展是历史的延续,工程制图的现状还不能适应科学技术、生产制造迅速发展的需要,工程制图需要实验,以实验推动课程,形成实验发展理论,理论推动实验的良性循环,是工程制图可持续发展的有效途径。
正近年来,计算机制图在理论及技术上的重大突破与普及,对传统的工程图学理论及实践体系发出了强有力的挑战,同时也给工程图学提供了千载难逢的机遇。
此时,回顾一下历史,追忆历史长河中工程图学的发展轨迹,将有助于我们认明方向、把握机遇。
【关键词】工程制图历史发展计算机一、工程图学的含义图——用绘画方法表现出来的各种实物的形象。
人类从远古走到现代,几乎每个脚印都含有“图”的踪迹。
从猿过渡到被人类学家、考古学家定义为“人”的那一时期起,人类就与“图”结下了不解之缘。
在文字还没有形成之前,“图”是人类表达某种意图、传递信息的重要手段。
虽然这些“图”仅仅是在地面上或树皮、岩石上的简单刻划,毕竟在那个时期“图”是实实在在地存在并被人类所应用了。
广义的理解,工程图是用各种线型组成的象形“文字”,只是这种“文字”的笔画不是横、竖、撇、捺,而是直线、曲线。
对工程图而言,它所表现的对象是属于工程行业的事物,所以称为工程图。
图是一门专业基础学科,以画法几何的投影理论为基础,以直尺、圆规、图板为工具,以黑板、木模、挂图为媒介,已有200多年的历史。
《机械工程制图》是体现工科特点的入门课程,也是工科学生必须学习的专业基础课程之一。
在培养学生作为创造性思维基础的空间想象力及构思能力和促进工业化进程等诸多方面发挥了重要的作用。
工程图是生产中必不可少的技术文件,是在世界范围通用的“工程技术的语言”。
正确规范的绘制和阅读工程图是一名工程技术人员必备的基本素质。
根据投影原理、国家标准及有关规定,表示工程对象,并有技术说明的“图”,称为“图样”。
图样是工程界通用的“技术语言”。
设计者通过图样来表达设计意图,使用者通过图样了解工程设备的结构和性能。
工程图学的发展轨迹【摘要】工程制图的发展是历史的延续,工程制图的现状还不能适应科学技术、生产制造迅速发展的需要,工程制图需要实验,以实验推动课程,形成实验发展理论,理论推动实验的良性循环,是工程制图可持续发展的有效途径。
正近年来,计算机制图在理论及技术上的重大突破与普及,对传统的工程图学理论及实践体系发出了强有力的挑战,同时也给工程图学提供了千载难逢的机遇。
此时,回顾一下历史,追忆历史长河中工程图学的发展轨迹,将有助于我们认明方向、把握机遇。
【关键词】工程制图历史发展计算机一、工程图学的含义图——用绘画方法表现出来的各种实物的形象。
人类从远古走到现代,几乎每个脚印都含有“图”的踪迹。
从猿过渡到被人类学家、考古学家定义为“人”的那一时期起,人类就与“图”结下了不解之缘。
在文字还没有形成之前,“图”是人类表达某种意图、传递信息的重要手段。
虽然这些“图”仅仅是在地面上或树皮、岩石上的简单刻划,毕竟在那个时期“图”是实实在在地存在并被人类所应用了。
广义的理解,工程图是用各种线型组成的象形“文字”,只是这种“文字”的笔画不是横、竖、撇、捺,而是直线、曲线。
对工程图而言,它所表现的对象是属于工程行业的事物,所以称为工程图。
图是一门专业基础学科,以画法几何的投影理论为基础,以直尺、圆规、图板为工具,以黑板、木模、挂图为媒介,已有200多年的历史。
《机械工程制图》是体现工科特点的入门课程,也是工科学生必须学习的专业基础课程之一。
在培养学生作为创造性思维基础的空间想象力及构思能力和促进工业化进程等诸多方面发挥了重要的作用。
工程图是生产中必不可少的技术文件,是在世界范围通用的“工程技术的语言”。
正确规范的绘制和阅读工程图是一名工程技术人员必备的基本素质。
根据投影原理、国家标准及有关规定,表示工程对象,并有技术说明的“图”,称为“图样”。
图样是工程界通用的“技术语言”。
设计者通过图样来表达设计意图,使用者通过图样了解工程设备的结构和性能。
我国工程图学的历史演变和未来发展研究我国工程图学经历了几千年的发展,从手工绘图到计算机成图,从二维图纸到三维模型,工程图学经历了丰富的演变,也为社会发展做出了很大贡献。
同时也提出了挑战。
语言、文字和图形是人们进行交流的主要方式,在工程界为准确表达一个物体的形状,主要工具就是图形在工程技术中为了正确表示机器设备的形状、大小、规格和材料等内容,通常将物体按一定的投影方法和技术规定表达在图纸上,这种根据正投影原理、标准或有关规定,表示工程对象并有必要的技术说明的图就称图样。
工程图样是人们表达设计的对象,生产者依据图样了解设计要求并组织、制造产品。
因此,工程图样常被为工程界的技术语言。
图形的历史由来已久,原始人在洞穴的石壁上刻画的就是最早的图形。
考古发现早在4600多年前就出现了可以称为工程图样的图形,即刻在古尔迪亚泥板上的一张神庙地图。
我国春秋时代的技术著作《周礼.考工记》中记载了规矩、绳墨、悬垂等绘图测量工具的运用情况。
古代数学名著《周髀算经》对直角三角形三条边的内在性质已经有较深刻的认识。
湖南长沙马王堆出土的一份地图显示,在当时测量工具比较简陋的情况下,中国的地图就已经绘制十分精美。
1977年冬,在河北省平山县发掘战国中山王墓时出土了大批青铜器,其中有一块长94cm,宽48cm,厚约1cm的铜板。
板上镶嵌金银线,表示国王,两位王后,两位夫人的坟墓和相应享堂的位置和尺寸。
经修整可以看出,这是一幅酷似现代用正投影法画出的建筑规划平面图。
该图上南下北图中两粗线长方形表示围墙,靠内围墙筑有四间储存礼器的“宫”,两围墙的南墙各开一门;用细线围成的扁凸字形,表示淮土而成的高台的坡脚线;五座正方形享堂(三大两小)对称地排列于高台上。
从镶嵌的439个文字可知建筑物的名称、大小,并知该图是按1:500绘制成图后,经国王核准,复制在铜板上的。
专家考证,这块铜板制成于公元前四世纪,并曾据以施工,在世界范围内实属罕见的古代图样遗物。
第二章点、直线、平面的投影————点的投影班级学号姓名2-1、求各点的第三投影,并填上各点到投影面的距离。
2-2、已知点K(10,15,20)、M(20,15,8)、N(10,15,8)三点的坐标,作出三面投影和在直观图中的位置,并判别可见性。
不可见点用括号括起。
页脚内容页脚内容A 点距V 面( 5 )、距H 面( 6 )、距W 面( 8 )B 点距V 面( 4 )、距H 面( 3 )、距W 面( 2 )C 点距V 面( 2 )、距H 面( 2 )、距W 面( 2 )D 点距V 面( 0 )、距H 面( 3 )、距W 面( 6 )E 点距V 面( 2 )、距H 面( 0 )、距W 面( 3 )F 点距V 面( 6 )、距H 面( 5 )、距W 面( 0 )2-3、比较A 、B 、C 三点的相对位置。
(下) mmB 点在A 点 (左) mm(前) mm(上) mmB 点在C 点 (左) mm(后) mm (下) mmC 点在A 点 (右) mm(前) mm第二章点、直线、平面的投影————点的投影班级学号姓名页脚内容2-4 已知E(22,30,20),F点在E点之左10mm,之下10mm,之后10mm;G点在E点的正右方12mm,作出点E 、F 、G的三面投影。
2-5已知A(24,18,20),B点(24,18,0),以及点C在点A之右10mm,之上16mm,之前12mm,作出点A 、B 、C的三面投影。
2-6 作出点D(30,0,20)、点E(0,0,20),以及点F在点D的正前方25mm,作出这三个点的三面投影。
页脚内容13第二章点、直线、平面的投影————点的投影班级学号姓名页脚内容2-7已知物体的立体图和投影图,试把A、B、C、D、E各点标注到投影图上的对应位置,并把重影点处不可见点加上括号。
2-8已知A、B两点是一对V面重影点,相距10mm;A、C两点是一对H面的重影点,C在H面上;D点在H面上,且在C后15mm,右15mm,求B、C、D三点的三面投影,并判别重影点的可见性。
CAD发展历程与前景分析计算机辅助设计(CAD) 技术自问世以来,已经成为了现代制造业、建筑业、工程设计等领域中不可或缺的关键技术。
通过CAD 软件,设计师可以更加高效地进行图纸绘制、模型建立、方案优化等工作,大大提高了设计效率和准确性。
本文将回顾CAD 技术的发展历程,并探讨其未来的应用前景和发展趋势。
从20世纪50年代开始,人们开始尝试将计算机引入到设计工作中,但早期的计算机辅助设计系统主要依赖手动绘图。
随着计算机技术的不断发展,从20世纪70年代开始, CAD 技术逐渐实现了从手动绘图到自动化的转变。
20世纪70年代, CAD 技术进入了快速发展阶段。
这一时期,计算机硬件性能得到了大幅提升,同时出现了许多早期CAD 软件,如AutoCAD、SolidWorks 等。
这些软件的出现,使得设计师可以更加快速、准确地完成图纸绘制、模型建立等任务。
到了20世纪80年代, CAD 技术进一步得到了完善和应用。
随着个人计算机的普及, CAD 软件也开始向更多领域拓展,应用范围包括了制造业、建筑业、电子行业等。
这一时期还出现了许多CAM (计算机辅助制造)和CAE (计算机辅助工程)技术,进一步提高了CAD 技术的应用价值。
随着计算机技术的不断发展,21世纪初, CAD 技术进入了一个全新的阶段——数字化设计。
数字化设计不仅使得设计过程更加高效,同时也使得设计数据可以更好地被利用和共享。
目前, CAD 技术已经成为了现代制造业、建筑业、工程设计等领域中的核心技术支持。
目前, CAD 技术在各行业的应用前景非常广阔。
在制造业中, CAD 技术可以帮助企业进行产品设计和制造,提高生产效率和质量。
在建筑业中,CAD 技术可以帮助设计师更加准确地进行建筑设计和规划,提高建筑设计的质量和效率。
在工程设计中, CAD 技术可以协助设计师进行各种工程图纸的绘制和设计,提高设计效率和准确性。
未来, CAD 技术的应用前景将更加广阔。
CAD技术发展过程 CAD技术发展史 auto cad的发展历史2009-09-23 19:24CAD即计算机辅助设计(CAD-Computer Aided Design)利用计算机及其图形设备帮助设计人员进行设计工作。
简称cad。
在工程和产品设计中,计算机可以帮助设计人员担负计算、信息存储和制图等项工作。
在设计中通常要用计算机对不同方案进行大量的计算、分析和比较,以决定最优方案;各种设计信息,不论是数字的、文字的或图形的,都能存放在计算机的内存或外存里,并能快速地检索;设计人员通常用草图开始设计,将草图变为工作图的繁重工作可以交给计算机完成;由计算机自动产生的设计结果,可以快速作出图形显示出来,使设计人员及时对设计作出判断和修改;利用计算机可以进行与图形的编辑、放大、缩小、平移和旋转等有关的图形数据加工工作。
cad 能够减轻设计人员的计算画图等重复性劳动,专注于设计本身,缩短设计周期和提高设计质量。
AutoCAD是由美国Autodesk公司于二十世纪八十年代初为微机上应用CAD技术而开发的绘图程序软件包,经过不断的完美,现已经成为国际上广为流行的绘图工具。
AutoCAD可以绘制任意二维和三维图形,并且同传统的手工绘图相比,用AutoCAD 绘图速度更快、精度更高、而且便于个性,它已经在航空航天、造船、建筑、机械、电子、化工、美工、轻纺等很多领域得到了广泛应用,并取得了丰硕的成果和巨大的经济效益。
AutoCAD具有良好的用户界面,通过交互菜单或命令行方式便可以进行各种操作。
它的多文档设计环境,让非计算机专业人员也能很快地学会使用。
在不断实践的过程中更好地掌握它的各种应用和开发技巧,从而不断提高工作效率。
AutoCAD具有广泛的适应性,它可以在各种操作系统支持的微型计算机和工作站上运行,并支持分辨率由320×200到2048×1024的各种图形显示设备40多种,以及数字仪和鼠标器30多种,绘图仪和打印机数十种,这就为AutoCAD的普及创造了条件。
工程图学发展轨迹【摘要】工程制图发展是历史延续,工程制图现状还不能适应科学技术、生产制造迅速发展需要,工程制图需要实验,以实验推动课程,形成实验发展理论,理论推动实验良性循环,是工程制图可持续发展有效途径。
正近年来,计算机制图在理论及技术上重大突破与普及,对老式工程图学理论及实践体系发出了强有力挑战,同步也给工程图学提供了千载难逢机遇。
此时,回顾一下历史,追忆历史长河中工程图学发展轨迹,将有助于咱们认明方向、把握机遇。
【核心词】工程制图历史发展计算机一、工程图学含义图——用绘画办法体现出来各种实物形象。
人类从远古走到当代,几乎每个脚印都具有“图”踪迹。
从猿过渡到被人类学家、考古学家定义为“人”那一时期起,人类就与“图”结下了不解之缘。
在文字还没有形成之前,“图”是人类表达某种意图、传递信息重要手段。
虽然这些“图”仅仅是在地面上或树皮、岩石上简朴刻划,毕竟在那个时期“图”是实实在在地存在并被人类所应用了。
广义理解,工程图是用各种线型构成象形“文字”,只是这种“文字”笔画不是横、竖、撇、捺,而是直线、曲线。
对工程图而言,它所体现对象是属于工程行业事物,因此称为工程图。
图是一门专业基本学科,以画法几何投影理论为基本,以直尺、圆规、图板为工具,以黑板、木模、挂图为媒介,已有200近年历史。
《机械工程制图》是体现工科特点入门课程,也是工科学生必要学习专业基本课程之一。
在培养学生作为创造性思维基本空间想象力及构思能力和增进工业化进程等诸多方面发挥了重要作用。
工程图是生产中必不可少技术文献,是在世界范畴通用“工程技术语言”。
对的规范绘制和阅读工程图是一名工程技术人员必备基本素质。
依照投影原理、国标及关于规定,表达工程对象,并有技术阐明“图”,称为“图样”。
图样是工程界通用“技术语言”。
设计者通过图样来表达设计意图,使用者通过图样理解工程设备构造和性能。
那么图样产生过程就称为工程制图。
工程制图可依照行业原则、专业特点以及图形使用范畴,分别称为“机械制图”、“建筑制图”、“园林制图”、“电气制图”、“家具制图”等。
而计算机绘图不在此列,计算机绘图是一种绘图软件在工程制图中应用,可以理解为比圆规、三角板更高档次绘图工具,学习它就是学习如何使用工具。
二、工程制图历史有史以来,人类就试图用图形来表达和交流思想,从出土文物中考证,国内在新石器时代(约一万年前),就能绘制某些几何图形、花纹,具备简朴图示能力。
自秦汉起,国内已浮现图样史料记载,并能依照图样建筑宫室。
在春秋时代一部技术著作《周礼﹒考工记》中,有画图工具“规、矩、绳、墨、悬、水”记载。
在战国时期国内人民就已运用设计图 ( 有拟定绘图比例、酷似用正投影法画出建筑规划平面图 ) 来指引工程建设,距今已有2400近年历史。
“图”在人类社会文明进步中和推动当代科学技术发展中起了重要作用。
宋代李诫(仲明)所著《营造法式》一书,总结了国内历史上建筑技术成就。
全书36卷,其中有6卷是图样(涉及平面图、轴测图、透视图)这是一部闻名世界建筑图样巨著,图上运用投影法表达了复杂建筑构造。
这在当时是极为先进。
宋代天文学家、药学家苏颂所著《新仪象法要》,元代农学家王桢撰写《农书》,明代科学家宋应星所著《天工开物》等书中均有大量为制造仪器和工农业生产所需要器具和设备插图。
清代和民国时期,国内在工程制图方面有了一定发展。
十八世纪欧洲工业革命,增进了某些国家科学技术迅速发展。
法国科学家蒙日在总结前人经验基本上,依照平面图形表达空间形体规律,应用投影办法创立了画法几何学,从而奠定了图学理论基本,使工程图表达与绘制实现了规范化。
新中华人民共和国成立后,随着社会主义建设蓬勃发展和对外交流日益增长,工程制图学科得到飞快发展,学术活动频繁,画法几何、射影几何、透视投影等理论研究得到进一步进一步,并广泛与生产、科研相结合。
与此同步,由于生产建设迫切需要,由国家有关职能部门批准颁布了一系列制图原则,如技术制图原则、机械制图原则、建筑制图原则、道路工程制图原则、水利水电工程制图原则等。
二十世纪五十年代,国内知名学者赵学田专家就简要而通俗地总结了三视图投影规律——长对正、高平齐、宽相等。
1956年原机械工业部颁布了第一种部颁原则《机械制图》,1959年国家科学技术委员会颁布了第一种国标《机械制图》,随后又颁布了国标《建筑制图》,使全国工程图样原则得到了统一,标志着国内工程图学进入了一种崭新阶段。
在世界上第一台计算机问世后,计算机技术以惊人速度发展。
计算机绘图、计算机辅助设计(CAD)技术已进一步应用于有关领域,老式尺规作业模式也基本退出历史舞台。
到20世纪70年代,计算机图形学、计算机辅助设计(CAD)、计算机绘图在国内得到迅猛发展,除了国外一批先进图形、图象软件如AutoCAD、CADkey、Pro/E等得到广泛使用外,国内自主开发一批国产绘图软件,如天正建筑CAD、高华CAD、开目CAD、凯图CAD等也在设计、教学、科研生产单位得到广泛使用。
随着国内当代化建设迫切需要,计算机技术将进一步与工程制图结合,计算机绘图和智能CAD将进一步得到进一步发展。
随着科学技术发展和工业水平提高,技术规定不断修改和完善,先后于1970年、1974年、1984年、1993年修订了国标《机械制图》。
并颁布了一系列《技术制图》与《机械制图》新原则。
截止究竟,1985年实行四类17项《机械制图》国标中已有14项被修改代替。
此外,在改进制图工具和图样复制办法、研究图学理论和编写出版图学教材等方面都获得了可喜成绩。
三、工程制图现状改革(一)基本内容改革在工程制图基本内容改革方面,比较有代表性是戴立玲、卢章平等工作。
她们编著《图学基本教程》是一本体系完整、内容丰富、清晰易懂、特色鲜明教材。
重要体当前:第一,教材在体系上跳出了老式框架[4]。
全书由图与图学基本;计算机中图形与图象;思维过程图形化;意象性图形设计、表达与理解;空间有形物体平面表达;空间形体图形转换及阅读;数据与函数信息图形化表达与应用等七章构成。
每一章都可以自成体系,独立成篇。
作者能通过长期研究和教学实践,以图为主线,把图学重要基本都包括在一本书里,体现了体系完整性。
第二,教材内容丰富,但不繁杂,也不是简朴罗列,而是紧紧抓住图在人类思想交流与科技发展中作用这一核心,简介了图广义内涵,并从“意象类图源”、“空间有形物体”及“数据与函数”等方面作了基本性简介,同步将计算机图形技术融入其中,使老式图形表达办法与当代图形技术相结合,符合教学改革方向,适应当代教学需要。
第三,教材内容宽泛且有高度。
内容宽泛是指涉及到了各种各类图及表达办法。
有高度是指分析了图在人思维中所起作用,能引导读者打开思路,认清图本质,从而达到对图深刻理解和结识,以便更好应用目。
作者从寻常所见所闻出发,将客观事件归纳整顿,上升到理性,形成规范表达形式,以引人入胜,而这些客观事件也许已经包括了读者经验和技能,因而容易引起读者共鸣和理解。
例如将Word、Excel、Powerpoint等软件中图形解决功能归结为思维过程图形化,使读者在自己熟悉软件基本上来理解思维过程图形化,把原本比较复杂概念变得容易理解。
(二)多门课程整合改革在内容整合改革方面,比较有代表性是马香峰编写《机械设计制图》。
该教材为了突出工科类各专业机械工程基本知识、素质和能力培养,以优化知识构造、加强应用性为指引从有关课程整体优化出发,将原工程制图、机械零件等课程整合为一门机械设计制图基本课,构筑了一种公共平台与综合提高相结合新课程体系,整合课程由一种教师从头至尾全面贯彻。
从单门课程优化初级阶段走向多门课程整合综合阶段。
依照新建课程体系框架,在教学实践中构建了图形表达、图形思维、力学计算平台,从而形成机械设计基本第一层次。
这一层次内容着重手工草图、仪器绘图、计算机绘图、力学计算能力综合培养,注重形象思维方式融合,兼顾工程意识启蒙。
课程第二层次以基本知识在设计中应用和突出工程意识为原则,以设计为线索安排课程内容。
从知识内在联系、衔接出发由设计这条主线按零件设计内容构造综合性知识单元,体现各种基本知识在该单元中地位、作用及互相之间联系以培养提出问题、分析问题、解决问题能力。
(三)精品课程建设自以来,全国已有二十多门工程制图类课程进入了国家级精品课程建设行列,它们在课程简介、教学大纲、授课教案、教材建设、解题指引、学习办法、参照资料、授课录象、教学研究、课程网站等方面都在按照“五个一流”目的进行建设,起到了较好引领作用。
四、工程制图将来发展在社会生产中,图样已成为人们传递技术信息和思想媒介与工具,因而,凡从事工程技术工作人员,都必要有绘制和阅读工程图样能力。
在军事工程领域,如军工生产部门和作战部队,特别是技术兵种中,图样技术得到了广泛应用,在管理、使用、维修机械设备和武器装备时,经常需要通过阅读机械图样来理解它们性能、构造、操作办法、拆装维修等,专业训练中,也时常阅读机械图样。
因而,当代军事技术人员都应具备阅读和绘制工程图样能力。
并且近年来计算机多媒体技术发展,使多媒体、网络及动画等教学手段逐渐代替了老式教学手段。
电子挂图、电子讲稿、CAI课件应用,多媒体教室中教师与学生互动,在本课程教学手段中占据了重要地位。
虽然工程制图通过基本内容改革、多门课程整合改革、精品课程建设等阶段有了很大发展,但总体来看,发展速度缓慢,缺少系统、可持续发展动力,其主线因素是课程发缺少实验。
纵观理、工类课程,凡是有实验课程,发展快且可持续。
由于,实验是结识客观有效办法,它是通可以过观测、验证、实验、推理、推论、比较、选取等办法来结识客观事物。
实验既需要理论指引,又能促使理论发展。
实验需要有实验条件、实验办法、实验成果,它与工程联系更密切。
计算机绘图能力及三维建模能力成为毕业生基本能力重要构成某些;以三维建模为基本创新设计能力受到注重。
下面列出实验,有是研究生毕业论文课题,有是研究生课程论文研究内容,有是本科生毕业设计课题,研究生有获得上海市先进毕业论文,本科生每年均有先进毕业论文产生。
通过近年实践形成了实验体系,推动工程制图课程向进一步发展,开出了新课程《实验工程制图》,编写出版立体化教材《实验工程制图》、《实验工程制图习题集》、《实验工程制图解题指引》、《实验工程制图程序包》由化学工业出版社出版。
在学时不增长条件下,大大拓展了工程制图内容深广度。
实验体系由(1)计算机辅助读图实验;(2)轴测投影图反求建模实验;(3)应用拍照反求零件实验;(4)工程曲线设计实验;(5)工程曲面设计实验;(6)空间角度计算实验;(7)钣金展开实验;(8)零件图参数化实验;(9)装配图设计实验;(10)空间轨迹图形实验;(11)物理属性可视化实验;(12)零件加工动态仿真实验;(13)图形力学实验;(14)图形运动学实验;(15)零件加工动态仿真实验等15个模块构成。