铜材成分表[1]
- 格式:doc
- 大小:334.50 KB
- 文档页数:5
C35200是一种特定的铜合金,其成分通常包括以下几种元素:
铜(Cu):占据了合金的大部分,通常是90%以上。
锌(Zn):作为主要合金元素之一,其含量可能在10%以下。
铝(Al):通常含量不高,但可以用来改善合金的强度和硬度。
硅(Si):含量不高,但如果存在,它有助于提高合金的铸造性能。
锰(Mn):作为一种强化元素,其含量可能在0.1%到1.5%之间。
铁(Fe):含量通常较低,但可能会影响合金的性能。
杂质:可能会包括其他微量元素,这些通常来源于原料和生产过程。
C35200铜合金具有优良的导电性和导热性,同时具备一定的强度和硬度,因此常被用于制造连接器、电子元件、散热器、模具等。
在选择和使用C35200铜材时,应考虑到其特定的化学成分和物理性能,以确保其能够满足特定的工业应用需求。
一、常见分类:黄铜是由铜和锌所组成的合金白铜是铜和镍的合金青铜是铜和除了锌和镍以外的元素形成的合金,主要有锡青铜,铝青铜等紫铜是铜含量很高的铜,其它杂质总含量在1%以下。
1、紫铜:红铜即纯铜,又名紫铜,纯铜密度为8.96,熔点为1083℃。
具有很好的导电性和导热性,塑性极好,易于热压和冷压力加工,大量用于制造电线、电缆、电刷、电火花专用电蚀铜等要求导电性良好的产品。
因呈紫红色而得名。
它不一定是纯铜,有时还加入少量脱氧元素或其他元素,以改善材质和性能,因此也归入铜合金。
中国紫铜加工材按成分可分为:普通紫铜(T1、T2、T3、T4)、无氧铜(TU1、TU2和高纯、真空无氧铜)、脱氧铜(TUP、TUMn)、添加少量合金元素的特种铜(砷铜、碲铜、银铜)四类。
紫铜的电导率和热导率仅次于银,广泛用于制作导电、导热器材。
紫铜在大气、海水和某些非氧化性酸(盐酸、稀硫酸)、碱、盐溶液及多种有机酸(醋酸、柠檬酸)中,有良好的耐蚀性,用于化学工业。
另外,紫铜有良好的焊接性,可经冷、热塑性加工制成各种半成品和成品。
20世纪70年代,紫铜的产量超过了其他各类铜合金的总产量。
紫铜中的微量杂质对铜的导电、导热性能有严重影响。
其中钛、磷、铁、硅等显著降低电导率,而镉、锌等则影响很小。
氧、硫、硒、碲等在铜中的固溶度很小,可与铜生成脆性化合物,对导电性影响不大,但能降低加工塑性。
普通紫铜在含氢或一氧化碳的还原性气氛中加热时,氢或一氧化碳易与晶界的氧化亚铜(Cu2O)作用,产生高压水蒸气或二氧化碳气体,可使铜破裂。
这种现象常称为铜的“氢病”。
氧对铜的焊接性有害。
铋或铅与铜生成低熔点共晶,使铜产生热脆;而脆性的铋呈薄膜状分布在晶界时,又使铜产生冷脆。
磷能显著降低铜的导电性,但可提高铜液的流动性,改善焊接性。
适量的铅、碲、硫等能改善可切削性。
2、黄铜以锌作主要添加元素的铜合金,具有美观的黄色,统称黄铜。
铜锌二元合金称普通黄铜或称简单黄铜。
普通纯铜化学成分、化学及物理性能介绍普通纯铜化学成分、化学及物理性能介绍普通纯铜是铜的质量分数不低于99.7%,杂质量极少的含氧铜,外观呈紫红色,故又称为紫铜。
主要牌号有T1、T2、T3。
Ⅰ化学成分2.T2~T3的磷含量在杂质总和内控制,对导电用T2,杂质磷含量不大于0.001%3.T3在杂质总和中的铅含量,经需方同意可不超过0.025%Ⅱ物理及化学性能A 热学性能熔点:T1为1084.5℃T2为1065~1082.5℃T31065~1082℃C11000为1083℃C12500为1085℃熔化潜热:T1、T2为212.5kJ/kgC11000为205.4kJ/kg沸点:2350~2600℃比热容:385~420J/(kg•K),20℃时,C11000与C12500为385 J/(k g•K)热导率:20℃时,C11000为388W/(m•K),C12500为W/(m•K)。
20℃时,99.999%加工纯铜的密度为8958kg/m3,铸态电解精铜的密度为8300~8700kg/m3(可取平均值8500kg/m3),铸态无气体的电解精铜的密度为8850~8930kg/m3(可取平均值8920kg/m3),C11000与C12500的密度为8890kg/m3。
加工铜的密度与温度的关系见表1-19。
C20②100% IACS材料在℃叶的电阻温度系数为0.00393/K,101% IACS材料在-100~200℃时的电阻温度系数为0.00397/K。
H14状态:1.78μΩ•m。
97% IACS 材料在0~100℃时的电阻温度系数为0.00381/K。
D 磁性纯铜为抗磁性物质,室温磁化率为-0.085×10-6,温度对其磁化率的影响不大。
铁磁性杂质(特别是铁)若在铜中呈不溶状态,则使铜显铁磁性。
E 弹性模量20℃时纯铜的弹性模量为105~137GPa,切变模量为38~48GPa。
C11000及C12500在O60状态,拉伸弹性模量为115GPa,剪切弹性模量为44GPa;C11000在H 状态拉伸弹性模量为115~130GPa,剪切弹性模量为44~49GPa。
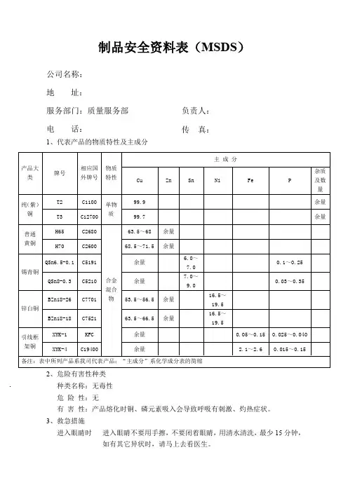
制品安全资料表(MSDS )公司名称:地址:负责人:传 真:服务部门:质量服务部电话:1、代表产品的物质特性及主成分2、危险有害性种类种类名称:无毒性危险性:无有害性:产品熔化时铜、磷元素吸入会导致呼吸有刺激、灼热症状。
3、救急措施进入眼睛时进入眼睛不要用手擦,不要闭着眼睛,用清水清洗,最少15分钟,如有其它异状时,请马上去看医生。
产品大类牌号相应国外牌号物质特性主成分CuZnSnNiFeP杂质及数量纯(紫)铜T2C1100单物质99.9余量T3C1270099.7余量普通黄铜H65C2680合金混合物63.5~68余量H70C260068.5~71.5余量锡青铜QSn6.5-0.1C5191余量6.0~7.00.1~0.25QSn8-0.3C5210余量7.0~9.00.03~0.35锌白铜BZn18-26C770153.5~56.5余量16.5~19.5BZn18-18C752163.5~66.5余量16.5~19.5引线框架铜XYK-1KFC 余量0.05~0.150.025~0.040XYK-4C19400余量2.1~2.60.015~0.15备注:表中所列产品系我司代表产品;“主成分”系化学成分表的简缩接触皮肤时加热变成粉末或熔化成液体时碰到皮肤,有轻微的灼伤感或造成灼伤,用大量的水清洗,冷却被灼伤的部分。
吸入鼻子时切割时的粉尘或粉末吸入,要保持空气新鲜、流通,有必要时找医生诊断。
嘴巴食入时用清水漱口,清洗干净,可能会有呕吐的感觉,严重的情况,马上去看医生。
4、火灾时的措施消火方法:不燃性物质,不适用。
消火剂:不适用。
5、泄漏时措施固体物质,不适用。
6、取放及保管上注意:取放:(1)较重物,落上时要请注意。
(2)取放时要轻拿轻放,不要随便乱放。
(3)有弹性,易切伤皮肤,特别是要保护好眼睛。
(4)切断面较锋利,尽量不要直接用手拿,带手套。
7、暴露防止措施长期暴露,有可能产生氧化物。
设备对策:通常情况下不需要,当有粉末产生场合,一定要有排气装置。
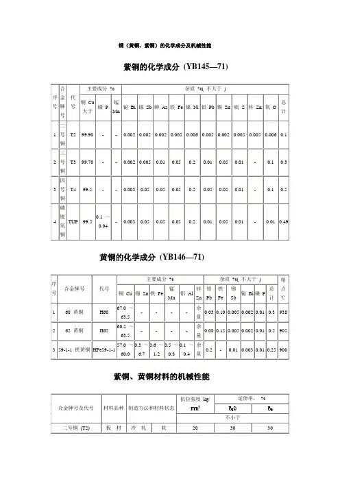
铜(黄铜、紫铜)的化学成分及机械性能紫铜的化学成分(YB145—71)序号合金牌号代号主要成分% 杂质%( 不大于)铜Cu大于磷P锰Mn铋Bi 锑Sb 砷As 铁Fe 镍Ni 铅Pb 锡Sn 硫S 锌Zn 氧O总计1 二号铜T2 99.90 - - 0.002 0.002 0.002 0.005 0.006 0.005 0.002 0.005 0.005 0.006 0.12 三号铜T3 99.70 - - 0.002 0.005 0.01 0.05 0.2 0.01 0.05 0.01 - 0.1 0.33 四号铜T4 99.5 - - 0.003 0.05 0.05 0.05 0.2 0.05 0.05 0.01 - 0.1 0.54 磷脱氧铜TUP 99.50.1 ~0.04- 0.003 0.05 0.05 0.05 0.2 0.01 0.05 0.01 - 0.01 0.49 黄铜的化学成分(YB146—71)序号合金牌号代号主要成分% 杂质%( 不大于) 熔点℃铜Cu 锡Sn 铁Fe锰Mn铝Al锌Zn铅Pb铁Fe锑Sb铋Bi 磷P总计1 68 黄铜H68 67.0 ~63.5- - - -余量0.03 0.10 0.005 0.002 0.01 0.3 9382 62 黄铜H62 60.5 ~63.5- - - -余量0.08 0.15 0.005 0.002 0.01 0.5 9053 59-1-1 铁黄铜H Fe59-1-1 57.0 ~60.00.3 ~6.70.6 ~1.20.5 ~0.80.1 ~0.4余量0.2 - 0.01 0.003 0.01 0.25 900紫铜、黄铜材料的机械性能合金牌号及代号材料品种制造方法和材料状态抗拉强度kg/ 延伸率,%不小于二号铜(T2) 板材冷轧软20 30 30三号铜(T3) 四号铜(T4) 磷脱氧铜(TUP)硬30 3 3 热轧20 30 30管材拉制软21 35 42硬30 - - 挤制19 35 4268 黄铜(H68)板材冷轧软30 40半硬35 25硬40 1562 黄铜(H62) 冷轧软30 40半硬35 20硬42 10 热轧30 3068 黄铜(H68)管材拉制软30 38 43半硬35 30 3462 黄铜(H62) 拉制软30 38 43半硬34 30 347 挤制30 38 4359-1-1 铁黄铜(HFe59-1-1)挤制44 28 31注:①板材延伸率%(LO =11.3 ) 。
铜和铜合金的化学成分:紫铜,黄铜,白铜,青铜,无氧铜一、纯铜(常称紫铜)纯铜是玫瑰红色金属,表面形成氧化铜膜后呈紫色,故工业纯铜常称紫铜或电解铜。
密度为8-9g/cm3,熔点1083°C。
纯铜导电性很好,大量用于制造电线、电缆、电刷等;导热性好,常用来制造须防磁性干扰的磁学仪器、仪表,如罗盘、航空仪表等;塑性极好,易于热压和冷压力加工,可制成管、棒、线、条、带、板、箔等铜材。
纯铜产品有冶炼品及加工品两种。
分别见表1和表2。
表1 冶炼铜的牌号、成分及用途表2 加工铜的组别、牌号及成分二、铜合金(1)黄铜黄铜是铜与锌的合金。
最简单的黄铜是铜——锌二元合金,称为简单黄铜或普通黄铜。
改变黄铜中锌的含量可以得到不同机械性能的黄铜。
黄铜中锌的含量越高,其强度也较高,塑性稍低。
工业中采用的黄铜含锌量不超过45%,含锌量再高将会产生脆性,使合金性能变坏。
为了改善黄铜的某种性能,在一元黄铜的基础上加入其它合金元素的黄铜称为特殊黄铜。
常用的合金元素有硅、铝、锡、铅、锰、铁与镍等。
在黄铜中加铝能提高黄铜的屈服强度和抗腐蚀性,稍降低塑性。
含铝小于4%的黄铜具有良好的加工、铸造等综合性能。
在黄铜中加1%的锡能显著改善黄铜的抗海水和海洋大气腐蚀的能力,因此称为“海军黄铜”。
锡还能改善黄铜的切削加工性能。
黄铜加铅的主要目的是改善切削加工性和提高耐磨性,铅对黄铜的强度影响不大。
锰黄铜具有良好的机械性能、热稳定性和抗蚀性;在锰黄铜中加铝,还可以改善它的性能,得到表面光洁的铸件。
黄铜可分为铸造和压力加工两类产品。
常用加工黄铜的化学成分,见表3。
表3 常用加工黄铜的化学成分(2)青铜青铜是历史上应用最早的一种合金,原指铜锡合金,因颜色呈青灰色,故称青铜。
为了改善合金的工艺性能和机械性能,大部分青铜内还加入其它合金元素,如铅、锌、磷等。
由于锡是一种稀缺元素,所以工业上还使用许多不含锡的无锡青铜,它们不仅价格便宜,还具有所需要的特种性能。
铜线含铜量对照表
铜线含铜量对照表如下:
1. 纯铜线:纯铜线的含铜量高达99.99%,导电性能优异,抗腐蚀性强。
纯铜线常用于电力传输、通信电缆等领域。
2. 黄铜线:黄铜线主要由铜和锌组成,含铜量在60%至90%之间。
黄铜线具有良好的耐磨性和抗氧化性能,广泛应用于装饰、五金制品等领域。
3. 青铜线:青铜线主要由铜和锡组成,含铜量在80%至95%之间。
青铜线具有较高的硬度和耐磨性,主要用于制造轴承、螺纹等零件。
4. 磷铜线:磷铜线是一种含有磷元素的铜合金,含铜量在95%至98%之间。
磷铜线具有良好的导电性和耐磨性,主要用于制造电器、焊料等。
5. 铝青铜线:铝青铜线是一种含有铝元素的铜合金,含铜量在85%至9 5%之间。
铝青铜线具有较高的强度和耐磨性,主要用于制造轴瓦、齿轮等。
需要注意的是,这些只是大致的含铜量范围,实际产品可能因生产工艺和使用场景而有所不同。
在选购铜线时,请根据实际需求和应用领域选择合适的产品。
黄铜线材:锌白铜线材:紫铜线材:线材尺寸及允许偏差符合或高于GB/T3114和GB/T1495规定扁线尺寸及允许偏差符合下表规定:mm圆线直径及允许偏差符合下表规定:mm线材力学性能:扁线材力学性能符合下表规定:圆线材力学性能符合下表规定:美国标准化学成分对照表国际标准化组织标准化学成分对照表标准号:ISO426/X-83英国标准化学成分对照表标准号:BS6017-1981日本标准化学成分对照表德国标准化学成分对照表标准号:DIN7660-83锭产品牌号及化学成分新欧洲标准化学成分对照表2003年1月1日起,欧盟对进口铜制品要求:•所有翻沙产品:规格A (MS60) Cu (铜) Pb(铅) Zn(锌) Al(铝) Fe(铁)Ni(镍)CuZn39Pb1Al-B 59.0-60.5 1.2-1.7 余量0.4-0.65 0.05-0.2 <0.2Sn(锡) Mn(锰)Si(硅)As(砷) 另外(每样)另外(总和)<0.3 <0.05 <0.02 <0.02 <0.02 <0.25•所有红冲产品:规格B(MS58-1) Cu (铜) Pb(铅) Zn(锌) Al(铝) Fe(铁)Ni(镍)CuZn40Pb2 57.0-59.0 <2.2 余量<0.1 <0.3 <0.2Sn(锡) Mn(锰)Si(硅)As(砷) 另外(每样)另外(总和)<0.3 <0.1 <0.02 <0.02 <0.02 <0.25铜管件的检验标准有ASME/ANSI B16 、EN1254,GB/T11618-1999标准与铜管标准不配套,不予参考。
1、材质:直接影响供水水质与管路系统寿命,为必检项目。
(1)焊接紫铜配件,成分要求铜管材;(2)DZR防失锌材质铜合金,必须符合ASTM B584 C84400或BS1400 LG2、BS2872/2874 CZ132标准。
铜和铜合金的化学成分:紫铜,黄铜,白铜,青铜,无氧铜一、纯铜纯铜是玫瑰红色金属,表面形成氧化铜膜后呈紫色,故工业纯铜常称紫铜或电解铜。
密度为8-9g/cm3,熔点1083°C。
纯铜导电性很好,大量用于制造电线、电缆、电刷等;导热性好,常用来制造须防磁性干扰的磁学仪器、仪表,如罗盘、航空仪表等;塑性极好,易于热压和冷压力加工,可制成管、棒、线、条、带、板、箔等铜材。
纯铜产品有冶炼品及加工品两种。
分别见表1和表2。
表1 冶炼铜的牌号、成分及用途表2 加工铜的组别、牌号及成分二、铜合金(1)黄铜黄铜是铜与锌的合金。
最简单的黄铜是铜——锌二元合金,称为简单黄铜或普通黄铜。
改变黄铜中锌的含量可以得到不同机械性能的黄铜。
黄铜中锌的含量越高,其强度也较高,塑性稍低。
工业中采用的黄铜含锌量不超过45%,含锌量再高将会产生脆性,使合金性能变坏。
为了改善黄铜的某种性能,在一元黄铜的基础上加入其它合金元素的黄铜称为特殊黄铜。
常用的合金元素有硅、铝、锡、铅、锰、铁与镍等。
在黄铜中加铝能提高黄铜的屈服强度和抗腐蚀性,稍降低塑性。
含铝小于4%的黄铜具有良好的加工、铸造等综合性能。
在黄铜中加1%的锡能显著改善黄铜的抗海水和海洋大气腐蚀的能力,因此称为“海军黄铜”。
锡还能改善黄铜的切削加工性能。
黄铜加铅的主要目的是改善切削加工性和提高耐磨性,铅对黄铜的强度影响不大。
锰黄铜具有良好的机械性能、热稳定性和抗蚀性;在锰黄铜中加铝,还可以改善它的性能,得到表面光洁的铸件。
黄铜可分为铸造和压力加工两类产品。
常用加工黄铜的化学成分,见表3。
表3 常用加工黄铜的化学成分(2)青铜青铜是历史上应用最早的一种合金,原指铜锡合金,因颜色呈青灰色,故称青铜。
为了改善合金的工艺性能和机械性能,大部分青铜内还加入其它合金元素,如铅、锌、磷等。
由于锡是一种稀缺元素,所以工业上还使用许多不含锡的无锡青铜,它们不仅价格便宜,还具有所需要的特种性能。
铜合金化学成分表合金名称。
| 化学成分。
|铜合金1.| 铜(Cu):80%、锌(Zn):20%。
|铜合金2.| 铜(Cu):70%、锌(Zn):30%。
|铜合金3.| 铜(Cu):60%、锌(Zn):40%。
|铜合金4.| 铜(Cu):90%、锡(Sn):10%。
|铜合金5.| 铜(Cu):50%、锌(Zn):50%。
|铜合金6.| 铜(Cu):85%、锡(Sn):15%。
|铜合金7.| 铜(Cu):65%、镍(Ni):35%。
|铜合金8.| 铜(Cu):75%、锰(Mn):25%。
|铜合金9.| 铜(Cu):55%、铝(Al):45%。
|铜合金10.| 铜(Cu):95%、锡(Sn):5%。
|以上是一份铜合金化学成分表,列出了常见的铜合金及其化学成分。
铜合金是一种由铜及其他元素组成的合金。
铜是一种重要的工程材料,具有优异的导电性、导热性和变形能力。
通过将铜与其他金属元素进行合金化,可以改变铜的特性,使合金具有不同的性质。
在化学成分表中,列举了常见的铜合金以及它们的成分。
例如,铜合金1由80%的铜和20%的锌组成,铜合金2由70%的铜和30%的锌组成,依此类推。
不同的组成成分会导致铜合金的物理性质和化学性质发生变化,使其适用于不同的应用领域。
铜合金具有广泛的应用,例如在电工电子行业中用于制造导线、电缆和电子器件;在建筑行业中用于制造门窗、管道和装饰品;在航空航天领域中用于制造飞机零部件等。
通过选择适合的铜合金,可以满足不同应用对材料性能的要求。
需要注意的是,铜合金的化学成分不仅包括铜和其他金属元素,还可能含有少量的杂质。
杂质的存在会对合金的特性产生一定的影响,因此在生产和应用过程中需对合金进行严格控制。
综上所述,铜合金化学成分表是了解铜合金特性的重要参考资料,它可以帮助我们选择适合特定应用的合金材料,以满足工程需求。