35KV变电所加装高压配电柜安全技术措施.doc
- 格式:doc
- 大小:83.21 KB
- 文档页数:11
改移新建35/6KV变电所场地内供电线路的安全技术措施总工程师:安全经理:主管经理:安全管理部:机电运输部:审核:编制:多斌学日期:2010年2月27日因现供车娄沟主扇风机的606#、603#及供三采区地面变电所的615#、618#出线电缆、供车娄沟主扇风机606#供电基杆、供炸药库低压照明线路基杆在规划的新建35/6KV变电所场地内,影响新建35/6KV变电所的施工,需将以上4趟线路进行调整改移。
具体工作内容如下:1、在现用35KV变电所院内开挖800×1000电缆沟36米,将603#出线电缆平移至变电所院内,期间车娄沟风机房合联络开关,分别从35KV 变电所603#出线柜和车娄沟配电室一路进线柜上停电;2、在现用35KV变电所进线侧围墙以外3.5米处架设10米砼杆1根,打设拉线1根;3、在606#出线第二基杆补打一根拉线,将原606#出线电缆平移至现用35KV变电所院内电缆沟内,将电缆头调整至新架设基杆上,再通过绝缘导线引至606#第二基杆,期间车娄沟风机房合联络开关,分别从35KV 变电所606#出线柜和车娄沟配电室二路进线柜上停电;4、从35KV变电所6KV配电室615#开关柜和615#第一基杆处掐取原出线电缆头,重新敷设3×120型高压电缆140米,制做电缆头,期间三采区地面变电所合联络开关,分别从35KV变电所615#出线柜和三采区地面变电所615#进线柜停电;5、从35KV变电所6KV配电室618#开关柜和618#第一基杆处掐取原出线电缆头,撤除电缆,将原615#出线电缆调整为618#出线电缆,期间三采区地面变电所合联络开关,分别从35KV变电所618#出线柜和三采区地面变电所618#进线柜停电;6、从35KV变电所院内500KV A变压器低压侧至615#第一基杆敷设3×50mm2铝芯电缆200米,撤除新建变电所场地内低压供电基杆1根,其间从35KV变电所605#高压开关柜上断电;线路调整时间:2010年3月1日~2010年3月15日工作负责人:刘坚为确保此项工作安全顺利进行,制定下列安全技术措施,施工期间,所有人员必须严格遵照执行。
____年高压电器柜安全技术措施规定一、前言高压电器柜的安全技术措施是保障电器设备运行安全的基础,也是确保工人工作环境的重要手段。
为了进一步规范高压电器柜的安全技术措施,提高电器设备的运行效果和工作人员的工作效率,制定了本规定。
二、一般要求1. 高压电器柜应具有良好的外观和结构,符合国家相关规定和标准,保证其运行安全可靠。
2. 所有高压电器柜的设备应经过质量检验合格,并且有相应的生产许可证。
3. 高压电器柜设备应具备自诊断和故障自动报警功能,方便人员及时发现和处理设备异常情况,确保设备的正常运行。
4. 高压电器柜内部应设置清晰的标识,标明设备的名称、特点、使用方法等,以便工作人员正确操作。
5. 高压电器柜应具备劣化防护和涉水防护功能,保证设备运行在安全、稳定的环境中。
三、技术要求1. 高压电器柜应具备过载保护功能,当电器设备超过额定负荷情况下,能够自动断开电源,避免设备过载损坏。
2. 高压电器柜内的电气连接部分应采用防护盒进行包裹,防止电气元件直接接触外界环境,避免人员触电的危险。
3. 高压电器柜应设置环境监测装置,能够自动检测环境温度、湿度等参数,并及时报警。
4. 高压电器柜内的设备应配备漏电保护装置,当设备漏电超过设定值时,能够自动切断电源,避免触电事故的发生。
5. 高压电器柜应设计合理的排风系统,确保设备内部的通风良好,避免设备温度过高,影响设备的正常运行。
6. 高压电器柜必须配备灭火设备,并定期进行灭火器的检查和维护,确保在发生火灾时能够及时有效地进行灭火。
7. 高压电器柜应具备远程监测和控制功能,方便工作人员进行远程实时监控和控制,提高工作效率。
四、操作要求1. 高压电器柜的操作人员必须经过专门的培训和考核,掌握高压设备操作的知识和技能,熟悉电器柜的内部结构和工作原理。
2. 操作人员在操作过程中必须穿戴好相应的防护设备,包括绝缘手套、绝缘靴、护目镜等,确保人身安全。
3. 操作人员在操作前必须对设备进行全面的检查,确保设备的正常运行。
高压电器柜安全技术措施规定高压电器柜的安全技术措施是保障人员生命财产安全的重要环节。
以下是高压电器柜安全技术措施的规定:1. 安全距离的设定高压电器柜的周围应设置一定的安全距离,以确保人员和设备的安全。
根据相关标准,一般要求周围两米范围内不能有其他设备或障碍物,以保持操作空间的安全。
2. 爆炸防护措施高压电器柜中可能存在火花或电弧引起的爆炸危险。
因此,必须采取有效的爆炸防护措施,如在电器柜内部设置可靠的爆炸防护隔离装置,以防止爆炸发生。
3. 接地保护措施高压电器柜必须进行正确的接地处理,以保证人员和设备的安全。
接地线路应该独立设计,确保接地电阻符合规定标准,同时应符合防护接地的要求。
4. 电气绝缘措施高压电器柜内部的设备应采用符合要求的绝缘材料,确保设备在工作时不会产生漏电或绝缘破损的问题。
绝缘材料应定期进行检测和维护,确保其绝缘性能良好。
5. 过电流保护措施高压电器柜中往往存在过电流的风险,因此必须采取相应的保护措施。
通常,使用过电流保护器将能够及时切断电流,以保护设备和人员的安全。
6. 防护装置的设置高压电器柜应配备符合标准要求的防护装置,如有效的遮盖装置、保护罩等,以确保操作人员在进行操作时不会受到触电或其他伤害。
7. 警示标志的设置高压电器柜周围应设置明显的警示标志,对高压电器柜的危险性进行明确的提示和警示,以便人员在接近高压电器柜时能够提高警觉并采取必要的防护措施。
8. 定期检测和维护高压电器柜应定期进行检测和维护,以保证设备的正常运行和安全性。
检测内容包括电气设备的绝缘状况、接地电阻、过电流保护器的可靠性等。
9. 培训和教育对于接触高压电器柜的人员,必须进行相应的培训和教育,使其了解高压电器柜的危险性和安全操作规程,提高其安全意识和防护能力。
总结:对高压电器柜的安全技术措施进行规定是保障人员生命财产安全的重要环节,包括设定安全距离、爆炸防护措施、接地保护措施、电气绝缘措施、过电流保护措施、防护装置设置、警示标志设置、定期检测和维护以及培训和教育等方面。
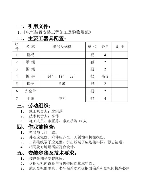
一、引用文件:1、《电气装置安装工程施工及验收规范》二、主要工器具配置:三、劳动组织:1、施工负责人:廖宗满2、技术负责人:李伟3、施工人员:廖正勇、廖宗桥等15人四、作业前检查:1、型号与设计一致。
2、外观应完好,附件应齐全,无锈蚀和机械损伤。
3、二次接线端子应完整,引出线端子应连接牢固,标志清晰。
4、相间及对地距离应符合设计。
五、安装步骤及技术要求:1、按设计图子安装就位.2、盘柜及柜内设备与各构件间连接应牢固。
3、成列盘柜的垂直、水平偏差以及盘柜面偏差和盘柜间接缝必须符合下表要求。
必须可靠;照明装置必须齐全,5、“五防”装置齐全,并动作灵活可靠。
6、动触头与静触头的中心线必须一致,触头接触紧密。
7、二次回路辅助开关的切换接点必须动作准确、接触可靠。
8、手车推入工作位置后,动触头顶部与静触头底部的间隙应符合产品要求。
9、手车和柜体间的二次回路连接插件必须接触良好。
10、安全隔离板应开启灵活,随手车推出而相应动作。
11、柜内控制电缆的位置不应防碍手车的进出,并应牢固。
12、手车与柜体间的接地触头应紧密接触,当手车推入柜内时,其接地触头应应比主触头先接触,拉出时接地触头应应比主触头后断开。
13、盘柜上的小母线规格必须符合设计,小母线两侧必须标明代号或名称,其字迹必须清晰、工整、不易退色。
14、屏顶小母线不同相或不同极的裸露载流部分之间,裸露载流部分与未经绝缘的金属体之间,电气间隙不得小于12㎜;爬电距离不得小于20㎜。
六、安全及文明施工:1、作业区内设置安全警示牌,坑、沟、孔洞等均应设置可靠的围栏或警示标志.2、作业前必须检查所用工器具是否安全可靠.3、梯子应架设稳固,梯脚应有可靠的防滑措施,顶端与构筑物应牢靠。
在松软的地面上使用时,应有防陷、防倾斜的措施。
4、高处作业人员必须系安全带和安全绳,且必须系牢后再施工,同时,必须用绳索传递工器具,不能高空抛物。
5、施工过程中注意成品保护。
6、开箱时撬棍不能伸入包装箱内过深,开箱板应及时清理,朝天钉朝下堆放整齐。
高压电器柜安全技术措施规定
高压电器柜是指用于承载和保护高压电器设备的设施,为确保电气安全和人员安全,需要采取以下技术措施:
1. 置于封闭的安全室内或安全区域,以防止未经授权的人员接近。
2. 配备可靠的防护装置,如护盖、护罩等,以防止触及或误操作。
3. 采用可靠的接地装置,以确保设备及其周围区域的电气安全。
4. 安装电气保护装置,如短路保护器、过载保护器等,用于及时切断电流以避免设备或人员损坏。
5. 采用差动保护装置,可以实时监测电流的差异,以检测到任何电气故障并迅速切断电源。
6. 定期进行检查和维护,确保设备的正常运行和安全性能。
7. 采取防火措施,如使用耐火材料、标注禁止吸烟等,以预防火灾。
8. 安装适当的警示标志和标志牌,提醒人员注意危险和安全注意事项。
9. 对高压电器柜进行远程监控和控制,以提高操作安全性和便捷性。
除了上述技术措施外,还应遵守相关安全操作规程和标准,确保设备的安全运行。
特定的安全措施和规定可能会根据当地法
规和标准的变化而有所不同,因此在实际使用中应遵循当地的要求和指南。
高压电器柜安全技术措施规定范文高压电器柜作为电力设备中的重要组成部分,为了保障操作人员和设备的安全,必须采取一系列的技术措施。
本文将就高压电器柜安全技术措施的规定进行详细阐述,以确保电器设备的正常运行和安全性。
一、进入高压电器柜区域前的准备1. 佩戴个人防护装备进入高压电器柜区域前,操作人员必须佩戴合适的个人防护装备,包括绝缘手套、绝缘鞋、绝缘服、防护眼镜等。
这些防护装备能够有效减少事故的发生,提高操作人员的安全性。
2. 检查电器柜的周围环境在进入高压电器柜区域之前,操作人员需要仔细检查电器柜的周围环境,确保不存在任何物体或杂物阻碍操作。
同时,还需要确保操作区域的干燥、通风和无水积聚,避免发生火灾和其他危险。
3. 确定电器柜的电源状态在进行任何操作之前,操作人员必须确认电器柜的电源已经切断,并与供电系统彻底断开连接。
这是为了避免电击和电弧等危险,确保操作人员的安全。
4. 进行必要的安全培训和技能训练为了提高操作人员的安全意识和操作技能,必须对其进行必要的安全培训和技能训练。
只有经过专业培训和合格考核的人员才能够进入高压电器柜区域进行操作,确保电器设备的安全性。
二、高压电器柜的安全操作规范1. 定期检查和维护定期检查和维护高压电器柜是确保其正常运行和安全性的重要环节。
检查包括对电器柜的外观、内部连接、接线端子、电源开关等方面进行细致检查,发现问题及时报修和处理。
2. 不随意操作电器柜在没有经过专业培训和合格考核的情况下,操作人员不得随意操作高压电器柜。
任何操作都必须按照规范进行,遵循正确的操作步骤和安全要求。
3. 避免过载使用高压电器柜的额定电流是有限的,操作人员在使用过程中必须避免超过额定电流的使用。
过载使用会导致电器柜过热、电器元件损坏等安全隐患,甚至引发火灾和爆炸。
4. 防止电气火灾操作人员需要注意高压电器柜的电器元件和电线是否存在短路、漏电等问题,及时排除隐患。
在操作过程中,应保持电器柜的周围干净,避免杂物积聚导致火灾。
一、编制依据1、《国家电网公司电力建设安全健康与环境管理工作规定》2、《电力建设安全工作规程》(变电所部分)3、《国家电网公司电力安全工作规程》(变电站和发电厂电气部分)4、《电力建设安全健康评价管理办法》5、《国家电网公司输变电工程安全文明施工标准化工作规定》6、《国家电网公司输变电工程施工危险点辩识及预控措施》二、改造内容本期工程增加35kV断路器1台,隔离开关1组;新增35kV进线间隔1个,即增加35kV断路器1台,隔离开关2组;拆除现有站用变间隔,并重新布置;增加35kV站用变1台,相应增加35kV避雷器3只,熔断器6只(其中更换3只)三、人员组织工作负责人:项目总工:安全负责人:工作班成员:等8人四、主要工作量:1、新增35kV断路器2台;2、新增隔离开关3组;3、新增35kV站用变间隔1个,避雷器3只,熔断器3只;4、拆除并重新布置原35kV站用变间隔1个,熔断器3只;5、新增35kkV线路PT2台;五、技术措施1、为保证停电施工方案的可行性,应对现场进行认真核实、校对;2、认真查阅站内图纸,了解旧系统;现场工作前应熟悉变电站内一次设备运行情况。
3、停电前应将工作量逐一核实,并分配到人,安排好每天的工作进度,不需停电的工作,应在停电前完成。
4、在运行设备上拆除电缆时,应认真核对,检查无误方可工作,并应有专人监护,严禁单人工作;为防止拆除的旧设备影响运行,应及时退出场地;5、当所有屏间环电缆全部拆除,用万用表在本屏上量确认却无电压后方可拆除本屏电缆。
6、新保护屏就位,电缆接线应严格按照设计图施工。
将屏蔽电缆屏蔽层两侧可靠接地。
7、接线完毕后认真检查应经第二人检查确信无误后方可结束.在本屏接线完毕,检查无误后,方可在其他屏上接线,接线完毕认真核对。
8、保护接线完毕,直流回路通电前用万用表可靠测量回路无短路现象才能给电源。
9、接入交流PT后,要对电压回路核相,测电压。
10、为保证CT回路正确性,在恢复接线后,应在主变本体箱进行二次升流试验,并在主变测控、保护、故录、计量等处进行向量检查。
高压电器柜安全技术措施规定范文高压电器柜是一种高压电力设备,用于管理和控制高压电力系统。
由于高压电器柜操作过程中经常涉及高电压、大电流等危险因素,因此必须严格遵循安全技术措施,以保障人身安全和设备的正常运行。
以下是高压电器柜安全技术措施的规定范文:1. 安装和维护1.1 安装高压电器柜应由专业技术人员进行,并按照相关规范进行操作。
1.2 在安装过程中,严禁随意更改高压电器柜的结构,以免影响其正常运行和安全性能。
1.3 在高压电器柜维护和保养时,必须先切断电源,并使用绝缘工具进行操作,以避免触电事故的发生。
2. 通风和散热2.1 高压电器柜应设置适当的通风装置,以保证内部设备的正常散热和通风。
2.2 通风装置应经常保持清洁,以免灰尘堵塞影响通风效果。
2.3 在高压电器柜使用过程中,应随时关注温度的变化,并采取相应的措施,如增加风扇或添加散热器等。
3. 接地保护3.1 高压电器柜应进行可靠的接地,以保证人员和设备的安全。
3.2 接地电阻应符合国家相关标准的要求,不得超过规定的值。
3.3 在接地线路中应设置可靠的保护装置,以防止漏电和感应电流的产生。
4. 操作须知4.1 高压电器柜的操作应由具备相应资质和经验的人员进行。
4.2 在操作过程中,严禁接触高压电器柜内部的电气元件和导线,以免触电事故的发生。
4.3 操作人员应根据需要穿戴防护用品,如绝缘手套、绝缘鞋等,并确保其完好无损。
4.4 在操作高压电器柜之前,应先了解相关设备和电路的工作原理,并注意查看仪表的显示情况,确保设备处于正常工作状态。
4.5 当发现高压电器柜出现异常情况时(如异味、异常噪声等),应立即停止操作,并及时报修和排除故障。
5. 安全检测5.1 高压电器柜应定期进行安全检测,以确保设备的正常运行和安全性能。
5.2 安全检测应包括外观检查、电气参数检测和绝缘性能检测等内容。
5.3 安全检测记录应详细记录,并按照要求保存至少两年,以备查证。
高压电器柜安全技术措施规定
高压电器柜是指额定电压超过1000V(交流)或1500V(直流)的电器控制设备,为了保障工作人员的人身安全和设备的正常运行,需要采取一系列安全技术措施。
以下是高压电器柜安全技术措施的规定:
1. 安装在可靠的地点:高压电器柜应安装在通风良好、无易燃、易爆物质的地方,距离可燃物和可燃气体应符合国家标准的要求。
2. 归档记录:必须归档与高压电器柜相关的技术数据、维护记录和事故记录,并定期检查和更新。
3. 接地保护:高压电器柜必须与地面接地可靠,并与其他电气设备的主保护电流回路相连。
4. 防护措施:高压电器柜应设置合适的防护措施,例如防护网罩、安全门等,同时应配备符合相关标准的防护设备,如绝缘手套、绝缘靴等。
5. 安全标识:在高压电器柜上应有清晰可见的安全标识,包括高压电警示标志、禁止打开柜门标志等,以提醒工作人员注意安全。
6. 紧急停机装置:高压电器柜应配置紧急停机装置,一旦发生紧急情况,工作人员可以立即停止设备运行。
7. 进出人员管理:只有经过特殊培训和持有操作证书的人员才能进入高压电器柜内进行操作维护,且必须穿戴符合标准要求的防护装备。
8. 定期检查和维护:高压电器柜必须定期进行巡视检查和维护,及时发现和处理潜在的安全隐患。
9. 隔离断电:在维护和检修高压电器柜时,必须先进行隔离断电,确保电器柜内没有电流流动。
10. 应急预案:针对高压电器柜可能发生的事故,需要制定详细的应急预案,并定期进行演练和更新。
此外,高压电器柜的安全技术措施还需遵守相关的国家标准和法律法规,以确保工作场所的安全和设备的正常运行。
关于新田煤矿35KV变电所高压开关柜调整保护定值的安全技术措施一、概述:2014年12月,永煤公司机电部莅临我矿检查指导工作,主要对我矿35KV变电所高压供电系统进行检查,结果发现我矿35KV变电所高压开关柜整定值存在不合理现象,在永煤公司供电处技术人员的指导下,根据我矿实际情况,现已将整定值重新进行验算,为确保我矿供电系统安全可靠运行,矿井安全、高效、稳定、快速发展,需调整35KV变电所高压开关柜整定值,在调整过程中有可能会引起开关跳闸,为保证施工过程中矿井正常供电及人身安全,特编写本措施呈上审批。
二、施工内容:1、调整35KV变电所35KV高压开关柜保护定值。
2、调整35KV变电所主变压器保护定值。
3、调整35KV变电所10KV高压开关柜保护定值。
4、具体调整各高压开关保护定值项目见:附页1。
三、调整保护定值的原则:1、保护定值满足选择性。
2、保护定值满足速动性。
3、保护定值满足灵敏性。
4、保护定值满足可靠性。
四、可能出现停电地点及影响范围:保护定值调整过程中及调整结束后24小时之内,可能出现全矿停电影响。
五、施工前准备工作:1、检查全矿井上下各供电地点,确保设备运行正常,负荷平稳。
2、安排专职人员到我矿各主要设备供电地点,如主通风机房、瓦斯抽放站、工广10KV变电所、井下中央变电所、井下各局扇风机开关地点等,防止开关跳闸时,短时间内恢复正常供电。
3、由工作负责人汇报矿调度室,并告知可能出现跳闸情况,停电影响范围,并随时做好瓦斯超限、停电撤人等相关准备工作。
4、将我矿35KV变电所运行方式由单回路分列运行倒为双回路分列运行,防止保护定值调整过程中出现跳闸现象时,减小停电影响范围。
5、保护定值调整过程中,严禁200KW以上供电负荷启动运行。
6、永煤供电处技术人员到现场。
六、组织措施:1、施工单位:机运一队。
2、施工负责人:刘旭。
3、现场安全技术负责人:姜杰。
4、施工人员及岗位职责:(1)永煤供电处技术人员:李春明,负责保护定值核对工作。
35KV变电所高压开关柜检修技术安全措施一、概况:为安全、保质、保量完成本次35KV变电所高压开关柜检修任务,特编制安全技术措施,望参加施工的全体人员必须严格遵照执行,在施工中若发现与本措施有不符之处,施工负责人应根据具体情况补充完善本措施,确保整个施工安全、顺利、进行。
二、施工步骤(变电所现运行方式:1#主变运行,2#主变热备用)1、三电办提前以书面形式通知外转用电户做好停电前的准备工作,若因停电而造成的一切损失由外转用电户自负,外转用电户负责人必须签字。
2、变电所值班员提前一天向局电调申请倒主变。
3、先检修二段半侧。
4、对外部双电源供电的场所进行倒、停电。
5、先拉切二段半侧各分柜;再拉切母联络柜和刀联络柜;然后拉切二路进线柜02#开关;最后拉切2#主变一次侧62#开关和621#刀闸,并做好安全技术措施。
6、对开关柜各部件仔细检查,发现问题及时处理。
7、检查、验收,确认无问题后送电。
8、检修一段半侧时,施工程序同上。
三、安全措施1、本次施工负责人由供电车间陶卫东担任,要做到明确分工,责任落实到人,认真传达安全技术措施,重点做好施工全过程的安全监护工作。
2、变电所值班人员必须严格按停电工作票的内容认真编写刀闸操作票(正值班应认真审核操作票),核对现场供电运行方式及模拟图版。
先模拟,后操作,一人操作,一人监护,严格执行唱票、复诵、打勾制度,操作电气设备时,必须穿戴好绝缘用具。
3、施工负责人安排专人进行倒、停电,电话联系时应听清、问清倒、停、的内容及要求,并录音,严禁约时停、送电。
与外部场所值班员交待清楚,不得擅自送电。
4、施工负责人应明确分工,并落实检修任务和职责,做好检修记录及每个人携带的工具、材料、物品的清点登记工作(设一名专职的工具、材料保管员负责此项工作)。
5、参加施工的全体人员要人人明确停电范围及带电部分,在检修中严禁说笑打闹,集中思想,做好自身保安工作,并相互做好监护。
6、停电的开关柜必须验电、挂短路接地线,检修期间,母联柜、刀联络柜始终处于分断状态,要挂警标和设专人看管。
高压电器柜安全技术措施规定高压电器柜是工业生产中常见的设备,用于配电和控制高电压电力系统。
由于工作时可能会引起严重的电击伤害和火灾,因此采取必要的安全技术措施对于确保人身安全和设备的正常运行至关重要。
以下是高压电器柜安全技术措施的规定,以确保安全操作:1. 设备选择和安装:- 首先,根据实际需要选择适合的高压电器柜。
确保电器柜的额定电压和额定电流能够满足电力系统的需求。
- 电器柜应安装在干燥、通风良好的地方,远离易燃物质和腐蚀性物质。
电器柜周围应预留足够的操作空间,方便维修和保养。
2. 电器柜的接地:- 电器柜应与可靠的接地系统连接,以确保电器柜和其他设备的安全接地。
- 使用符合标准的接地线材料,确保接地电阻满足规定要求。
定期检查接地系统的可靠性,并确保接地线路连接牢固。
3. 电器柜的绝缘:- 电器柜内的高压设备应具有良好的绝缘性能,以防止电流泄漏和触电事故。
- 定期检查和测试电器柜的绝缘性能,以确保其在安全范围内。
4. 异常情况监测和保护:- 安装相应的监测和保护装置,如温度传感器、水浸传感器、短路保护装置等,以及相应的报警系统。
- 当柜内出现异常情况时,如温度过高、漏水等,报警系统应及时发出警报,以便及时采取措施避免事故的发生。
5. 定期维护和检查:- 定期对电器柜进行维护和检查,包括清洁设备、检查和紧固连接螺栓等。
- 定期检查电器柜内部的绝缘状态、接线连接等,确保设备的正常运行。
6. 操作人员的培训和操作规程:- 对操作人员进行必要的培训,以提高其对高压电器柜安全操作的认知和技能。
- 制定操作规程,明确高压电器柜的使用方法、操作步骤和注意事项,并确保操作人员按照规程进行操作。
7. 灭火设施:- 在高压电器柜附近设置灭火器材,以便在发生火灾时能够迅速进行灭火,减小火灾危害。
- 灭火器材应定期检查和维护,确保其正常可用。
8. 事故应急预案:- 制定高压电器柜事故应急预案,明确各部门的职责和应急措施,以降低事故的发生和损害。
高压电器柜安全技术措施规定高压电器柜是现代工业中必不可少的设备,其运行需要高压电源,一旦出现安全事故将会造成严重的后果。
为了保障工人人身安全及设备正常运行,制定高压电器柜安全技术措施规定非常重要。
本文将从以下几个方面讨论高压电器柜的安全技术措施规定。
1. 设备安装1.1 安装位置高压电器柜应该安装在密闭的房间内,房间内不得存放任何易燃物品。
同时,高压电器柜所在房间应该保持干燥、通风、温度适宜,不得存在明火或积尘等危险因素。
1.2 接地高压电器柜必须接地,同时需要配备足够大的接地电阻器来保证接地可靠。
接地线应该与地下水管、电缆等金属设备相连,接地回路阻抗应小于四欧姆。
1.3 防雷应采取防雷措施,如在气压阀管路、控制电路和高压柜主体表面上装设避雷器,对大气静电及雷电应遵照当地防雷规程进行防护。
1.4 综合布线高压电器柜综合布线应遵循以下规定:•低电压线路、控制信号线路与高压线路分开布置,应在不同的电缆桥架下或配置隔板隔离;•低电压线路、控制信号线路应在低压隔离开关断开后再接通,保证工作人员的安全;•需要通向外部的电线应装设弹性接头,以防止对电器设备的影响;•所有的电线接头必须紧固,并配备防护盖板。
2. 设备的日常检修2.1 检查工作高压电器柜的设备日常检修应遵循以下操作:•检查开关、仪表指针是否正常;•检查高压电缆是否有效钳紧;•清除电机等设备上的灰尘,保持清洁;•检查电子线路板上的各种元器件是否正常;•检查每一个接线端子是否松动,烤过,有变形等现象;•给电器部分用于冷却的风机通风孔清理;•保证高压电器设备换热器散热效果。
2.2 预防火灾高压电器柜使用时,应采取以下预防火灾的措施:•监测箱内温度,如发现有过高的现象,应及时排除故障;•高压电器柜内应该设置防火隔板,在防止火灾时作好预防;•在使用高压电器柜时,不得使用易燃液体和化学制品。
3. 应急处理3.1 应急方案高压电器柜使用时,存在安全事故时应急处理方案如下:•应急处理是最重要的环节,应急措施应与设备生产单位事先协商制定;•事故发生后要立即切断电源并进行紧急停机;•事故发生后要立即打电话报警,并通知有关部门进行处理;•在事故发生时,应该根据人员的需要,及时进行救援和急救。
高压配电柜改变安全措施一、施工项目:高压变电所更换配电柜二、施工时间:2011年10月10日三、施工地点:地面高压变电所四、施工负责人:张书文五、平安负责人:王松森六、施工方案:现有高压变电所配电柜属于老化设备,质量标准达不到现有供电要求,各种操作机构不敏捷,爱护不够灵敏牢靠,平安系数比较低,特对此进行更新改变。
1、施工前,必需对新设备的质量、性能、资料(产品合格证、平安标志证和说明书)等进行验收,验收合格后方可同意更换使用。
2、施工前,对矿井地面盘头杆上来自楚村的一趟高压线路(1回路)进行停电,并断开变电所内联络开关。
3、变电所施工不影响矿井正常通风和排水,为确保主扇和水泵正常运行,用来自贾峪的一趟高压线路(2回路)对矿井正常供电。
4、拆除1回路配电设备上的线路,然后将需要更换的配电设备抬出室外,并摆放到位置。
5、对电缆沟进行清理,以便利新配电设备安装后接线。
6、安装新配电设备,安装完毕后进行线路连接,并检查各种爱护是否灵敏牢靠,安装是否合格,检验合格后方可对1回路电源搭伙并网。
7、依据以上方案,用1回路供电,停2回路电源进行施工。
8、新配电设备并网后,1回电源和2回电源分别投入运行、并检查相序。
9、新配电设备爱护定值一经设定和调校、严禁任何人私自改动。
10、新配电设备并网后进行试验检测。
七、质量标准:1、配电设备安装稳固,盘内设备与各构件间连接坚固。
2、配电设备的接地应坚固良好,装有电器且可开启的柜门,应以软导线与接地金属构架牢靠的连接。
3、配电柜内布线要横平竖直,螺丝不能有松动,线头接触良好。
柜内各元件固定牢靠,触头无氧化,无毛刺。
4、电气回路的连接(螺栓连接、插接、焊接等)应坚固牢靠。
5、电缆芯线和所配导线的端部均应标明其回路编号;编号应正确,字迹清楚且不易脱色。
6、配线整齐、清楚、美观;导线绝缘良好,无损伤。
7、柜内的导线不应有接头,每个端子板的每侧接线一般为一根,不得超过两根。
8、使用于连接可动部位(门上电器、掌握台板等)的导线应采纳多股软导线,敷设时应有适当余度。
变电所高压柜安装技术措施1.安装环境选择:高压柜的安装位置应远离易燃易爆物质,通风良好且无腐蚀性气体,地面要平整,周围无积水,以确保设备的正常运行和安全。
2.安装基础处理:根据高压柜的尺寸和重量,选择合适的基础承重能力和固定方式,确保高压柜的固定牢固,不易发生倾斜或移动等安全问题。
3.密封绝缘措施:高压柜的门、壳体等关键部位应采用良好的密封绝缘措施,防止雨水、灰尘等进入,保证设备内部的绝缘性能和防护等级要求。
4.接地保护措施:高压柜的金属结构和设备外壳等应接地良好,可采用接地体或接地装置进行接地,确保设备在故障情况下,能够及时将电流引入大地,保护人员和设备的安全。
5.强电隔离:高压柜应与低压柜、控制柜等进行有效的隔离,可采用金属屏蔽、隔膜等方式,避免由于电气故障等原因导致的事故发生。
6.防雷措施:高压柜的外壳和门等部位应进行防雷设计,如安装避雷针、避雷器等,以减少雷击对设备的破坏和人身安全的威胁。
7.环境监测:安装环境温湿度的监测装置,及时掌握设备运行状态,避免温度过高或过低、湿度过大或过小等因素对设备运行的影响。
8.安全警示标识:在高压柜的显眼位置设置安全警示标识,包括高压警示、接地警示、禁止接近等,提醒人员注意高压柜的危险性,增强安全意识。
9.定期检查维护:对安装好的高压柜进行定期的检查和维护,包括设备的清洁、检测电气接触性能、紧固螺栓等,确保设备的正常运行和安全。
10.人员培训:对高压柜的安装和维护人员进行专业培训,提高他们的技术水平和安全意识,使其能够熟练掌握高压柜的安装和维护技术,提高工作效率和安全性。
以上是一些关于变电所高压柜安装的技术措施,通过严格按照这些措施进行安装,可以有效地保障设备的正常运行和人员的安全。
当然,具体的安装过程还需要根据实际情况进行细化和补充。
35KV变电所加装高压配电柜技术安全技术措施一、工程概况根据我矿工作安排,在6KV高压室1#电源进线柜(6109)东侧新增一台高压配电柜,其中需要将消弧谐柜一回路(6111)东移一台开关柜的位置,新增开关柜安装在1#电源进线柜(6109)与消弧谐柜一回路(6111)之间。
为保证设备安装安全顺利进行,特制订此安全技术措施。
二、施工时间2012年3月8日8点班三、施工人员施工负责人:张红灿葛天保施工人员:丁东振杨建雨朱时杰张青杰韩自豪李炎四、施工流程将新柜移至6KV变电所高压室东侧门→检查新柜、部件的完好性、配齐施工工具→请示调度室准备工作已完成→接到调度室允许施工命令后开始施工→开始停电(分联络)→验电(放电)、母线接地→拆除消弧谐柜→移至最东侧→安装新柜并接线→安装消弧谐柜并接线→请示送电→试送电,试检修→正式全面送电→施工完成五、施工前准备1、设备运抵35KV变电所后,机电车间负责人对设备进行清点检查,以厂提供的装箱单和图纸为依据,核实设备的名称、型号和规格,所附的零部件,检查设备的出厂合格证和其它技术资料及说明书是否齐全。
2、施工前,参加人员必须进行培训,参加人员必须熟悉施工的每个步骤。
并做好记录。
组织施工人员学习高压配电柜相关技术要求及标准。
学习时要结合实际反复推敲,认真领会。
3、施工过程中,需停6KV一回路电,受影响有:东风井1回路供电、下井1回路供电、平地压风机1回路供电、小吕沟供电、西风井1回路供电、杨南供电。
施工停电前进行通知。
并把地面6KV变电所1#变压器倒到2#变压器上运行,确保地面正常供电.4、施工前一天,机电车间写好停电联系票,工作票,操作票。
并进行审批。
5、施工前对工具进行检查,特别是验电器,要求变电所值班人员将验电器在有电的设备上验电,验明验电器完好,符合使用条件后方可使用。
确保工具的安全可靠。
6、要对设备各接触点逐个复查,确保接触点接触良好。
严禁电流回路短路,确保人身和设备的安全。
7、施工前厂家必须到位,指导安装工作。
8、施工提前做好电气焊工具的准备。
运送电气焊设备时严格安装规章制度,注意安全。
六、施工步骤1、变电所6KV高压室,1#电源进线柜一回路(6101)和2#电源进线柜二回路(6102)并列运行,矿井双回路供电,1#电源进线柜一回路(6101)停后改变为单回路供电,在停电前首先向调度室汇报,经调度室同意后方可工作。
2、各项准备工作就绪后,由工作负责人通知6号变电所值班人员,合上6号变电所联络开关(6021),检查联络开关,确定合上运行正常后。
停6号变电所一回路开关(6101),检查一回路开关已断开,拉出一回路开关隔离手车,全面检查6号变电所,供电正常无问题后,做好记录,向发令人汇报。
3、井下各变电所操作结束汇报后,由工作负责人通知西风井主扇电源倒到二回路供电,主扇司机检查风机电源确定到二回路运行正常后,做好记录,并向发令人汇报。
4、各项准备工作就绪后,由负责人通知变电所值班人员,分别停一回路:东风井一回路(6107)、下井1回路(6108)、消弧谐柜1回路(6111)、平地压风机房1回路(6122)、小吕沟(6121)、西风井1回路(6120)、电容器1回路(6119)、1号变压器(6118),杨南(6117)进行停电。
各分路开关停电后,停1号电源进线柜(6109)开关,检查各分路开关确定已停电后,分别拉出分路开关断路手车,检查分路开关真空断路手车确定拉出后,在停电的各分路开关上用电源电压相适合的验电笔验明无电后,进行放电,检查确认无电后,推上各分路开关接地刀闸。
在各分路开关挂“有人工作,禁止合闸”警示牌。
检查各分路开关停电后,停1#主变压器(351)开关,检查确认停电后,拉出1#主变压器(351)开关手车,并进行确认,用电源电压相适应的验电笔验明1#主变压器(351)无电后,对1#主变压器(351)放电。
检查1#主变压器(351)确认无电后,在1#主变压器(351)电源侧挂接地线一组。
在1#主变压器(351)开关上挂“有人工作,禁止合闸”警示牌。
5、各项安全措施做好后,方可进行下一步工作。
6、变电所6KV高压开关安装,考虑停电时间较长,为不影响职工食堂生活用电,机电车间提前从地面硅整流变电所用25mm2电缆扯一趟临时线路,电压(380V、220V)接到食堂工作间总开关上侧,原来总开关电源线拆除,用胶布包扎好,电源线接好后,对设备试倒正转,确保供电安全。
7、变电所6KV高压开关柜的拆除先拆1#电源进线柜一回路(6109)去消弧谐柜一回路(6111)开关柜连接螺栓,用铲或气割去掉消弧谐柜一回路(6111)开关柜底座焊接点。
往东移消弧谐柜时由一人统一指挥,慢慢往东移,确保人身和设备安全。
8、变电所值班人员检查联络柜(6205)是否在断开位置,真空断路器是否在拉开位置。
检查分段开关(6106)隔离手车是否在拉出位置,检查确定已断开后,在联络开关和分段开关上分别挂“有人工作,禁止合闸”警示牌。
9、高压开关柜基础的安装1)将高压开关柜按照图纸要求进行摆放,吊放在基础的工字钢平面上。
2)按基础的标高点和柜顶母线排安装基准线,进行找平找正。
10、二次线的安装1)按照图纸尺寸及接线施工。
2)紧固二次线端子排及保护、通讯、监测等的接线。
3)对照图纸及技术协议全面检查二次线。
11、调试1)调试工作由厂家现场技术人员调试及检查。
2)空负荷试验前,将档位打到实验档位上,以免损坏保护装置及其他零部件和开关。
3)试验高低压开关柜时,应先点接触几次,无问题后,合上开关开始试运行。
4)瞬时断电装置其断电时间应符合标准。
5)延时保护时间按技术协议设定、验收。
12、高、低压开关柜安装中技术要求1)开关柜柜顶水平度,其误差不应大于5mm。
2)开关柜柜体盘面整齐度,其误差不应大于5mm。
3)开关柜柜体的垂直度,其误差不应大于3mm。
4)开关柜柜体之间的间隙,其误差不应大于2mm。
5)高压电缆接头耐压性能应符合标准,其热缩管不应有气泡及破损。
6)二次线选用屏蔽电缆,其接线应按照图纸要求接线。
13、开关柜安装,要严格参照电力有关规程规定和安全工作规程的要求执行,在开关更换期间保证人员和设备的安全。
如发现质量问题和达不到规程技术要求,要及时进行整改。
14、变电所值班人员在设备安装期间,要把安装时的情况和存在的问题,做好记录。
15、凡是设备使用的螺栓生锈时,要全部更换。
七、变电所6KV开关柜安装结束送电程序1、变电所6KV开关柜安装结束后,由变电所值班人员,工作负责人,机电科工作负责人共同对工作现场全面检查。
无问题后,由工作负责人通知变电所值班人员拆除1#主变压器电源侧接地线,拉开一回路各分路停电开关接地刀闸。
把1#主变压器(351)开关手车推到合闸位置,把一回路各分路开关真空断路器手车推到合闸位置,由变电所值班人员、工作负责人、机电科工作负责人对所做的安全措施是否全部拆除,各开关是否具备送电,无问题方可进行下步工作。
2、由工作负责人通知六号变电所值班人员拆除一回路(6101)电源开关接地线,把一回路(6101)电源开关隔离手车推上,全面检查无问题后,向发令人汇报,一回路(6101)电源开关接地线已拆除,隔离手车已推上,具备送电要求。
3、由工作负责人通知变电所值班人员合上1#主变压器(351)开关,检查开关已合上,1#主变压器运行正常。
再合上1#电源进线柜(6109)开关。
检查开关确定合上运行正常。
再分别送上各分路开关,全面检查问题,并做好记录。
4、由工作负责人通知六号变电所值班人员送上一回路开关(6101),检查开关确已合上运行正常,再停联络开关。
全面检查无问题后,向发令人汇报,已恢复供电运行正常。
5、由工作负责人通知东、西风井主扇司机一回路电已送上,恢复东西风井主扇风机正常供电。
八、施工安全技术措施1、由机电车间工作负责人通知变电所值班人员填写停电工作票,并填清编号,工作票有签发人签发后方可执行。
停电送电要填写操作票,在操作时必须有两人执行,一人操作、一人监护。
操作中必须执行监护复诵制度,操作人员必须使用试验合格的绝缘工具,带绝缘手套,穿绝缘靴站在绝缘台上,操作停电完毕后,用电源电压相适应的验电器验电,确认无电后,并在停电的开关上悬挂“有人工作,禁止合闸”的警示牌。
停电工作结束后,向工作负责人汇报,由机电科现场监护人和机电车间工作负责人负责全面检查。
2、每项停电结束后,严防开关柜带电,由机电车间工作负责人和变电所值班人负责验电、放电,并采取有效安全措施,符合要求后方可工作。
3、在变电所设备安装期间,每项工作的安排和每项工作的安全措施由工作负责人统一安排,机电科工作负责人监督,变电所值班人员配合,根据变电所实际情况与机电科负责人相结合,确认所做的安全措施和位置,由工作负责人通知变电所值班人员负责验电、放电、做安全措施。
安全措施装设好后,由机电科工作负责人和机电车间工作负责人及变电所值班人员全面检查,确认安全措施符合要求后,方可工作。
每项工作结束后由机电车间工作负责人负责安排,变电所值班人员负责拆除安全措施。
安全措施拆除后,由机电科工作负责人和机电车间工作负责人共同全面检查,无问题后,变电所值班人员方可送电,送电严格执行操作规程。
4、在变电所设备安装期间,变电所值班人员负责开关柜的停送和6KV开关柜手车的拉合,其它人员严禁操作,避免带负荷拉送刀闸和损坏设备。
5、变电所值班人员在拉出6KV开关手车时,要先拔掉合闸保险,拔掉手车插头,避免开关误操作。
开关柜手车拉出安全距离,离电源点不少于1米,做好手车防滚动措施,避免手车滑动。
6、在变电所设备安装期间,工作人员严格执行《电业安全工作规程》的有关规定,工作前,机电车间负责人对工作班成员要交待安全注意事项,开好班前会及危险点分析,进行安全技术交底,明确工作任务,使施工人员对现场安全措施有全面了解。
7、在变电所设备安装期间,值班人员必须严格按规程做好停电、验电、装设安全措施和悬挂标示牌及装设遮拦工作,待做好安全措施后,工作负责人会同值班人员校对所做的安全措施是否正确到位,然后工作负责人向工作班成员详细交代工作任务、带电设备及活动范围,对设备存在的缺陷,在保证安全的情况下,必须确保施工安全。
8、施工过程中发现异常情况,应及时联系负责人汇报情况,恢复正常后,方可施工。
9、在变电所设备安装期间,工作人员要牢固树立安全第一的思想,坚决杜绝习惯性违章行为,确保人身和设备的安全。
10、工作结束后,必须严格执行终结手续,工作现场做到人清场净,并开好班后会,总结当天工作。
九、工作危险点1、人身触电。
2、低压触电。
3、静电伤人。
4、工作时碰伤套管。
5、电磁线圈烧坏。
6、梯子等物品碰触带电部位,使用不当伤人。
7、从开关架上掉落摔伤。