合格供应商评审表修订稿
- 格式:docx
- 大小:49.86 KB
- 文档页数:3
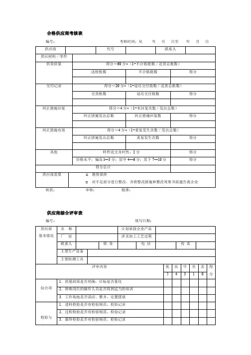
合格供应商评定管理办法一、目的为保证供应商选择、评价和再评价的客观性、公正性、科学性,加强对供应商的日常管理和质量考核,促使其推动质量改进,确保提供产品的质量、价格、交期以及服务符合我公司要求,促进我公司产品质量稳定提高,特制订本管理办法。
二、试用范围本管理办法适用于为我公司提供配套产品和服务的所有供应商的管理。
三、各部门评审职责1.客户中心、技术中心、采购中心负责推荐合格供货商;2.采购中心负责建立合格供方名录供客户中心、技术中心作为成本核算和材料选择的参考依据;3.采购中心负责牵头组织合格供应商的年度评审工作;4.客户中心、营销中心、技术中心、质量管理中心、电气事业部、金工事业部、采购中心共同参与合格供应商的评审工作。
四、评审办法1.采购中心根据公司安排和实际需求及选择要求向现有供货商以及候选供货商发出《JL741-01供方调查、能力评价、业绩评价表》;2.供应商根据《JL741-01供方调查、能力评价、业绩评价表》按照格式要求填写完毕并附上以下证书复印件(需加盖企业印章):营业执照、组织机构代码证、税务登记证、质量(或环境)管理体系认证证书、国家规定的必须纳入强制认证产品的认证证书、其他有关资质或证书一并交由采购中心;3.采购中心对供应商返回的《JL741-01供方调查、能力评价、业绩评价表》及提供的有关资料进行初选,初选合格之后组织各部门相关负责人进行评审;4.年度合格供应商评审工作从质量、价格、交期、服务四个方面进行,由质量管理中心对供应商的质量进行评分;采购中心商务部对供应商所供产品的价格进行评分;采购中心合同部对供应商交期进行评分;客户中心、营销中心、电气事业部、金工事业部负责对供应商的服务及使用评价进行评分。
5.评分办法:对各供应商的综合评价实行评分等级制度,满分为100分,其中质量、价格各占比30%,交期、服务各占比20%,各部门评分结束后由采购中心进行评分汇总并进行分类。
a.评分大于或等于85分的,为A级供应商;b.评分大于或等于70分,低于85分的,为B级供应商;c.评分大于或等于60分,低于70分的,为C级供应商;d.评分小于60分的,为D级供应商。
一级指标二级指标总分三级指标(考察内容)权重得分加权分备注1、是否建立质量管理体系,将其形成文件,加以实施和保持,并持续改进其有效性0.32、文件控制是否按“两批准、四确保、一防止”来执行(文件控制七点要求)0.23、质量方针和质量目标是否得到有效的贯彻实施0.24、是否按计划实施了内部质量审核管理评审,审核评审提出的整改、纠正和预防措施是否得到落实验证0.25、是否有独立于生产部门之外的质量检验机构,职责是否明确0.26、是否制定了岗位责任制、实施了定岗、定员、定责,严格按技术、工艺规范和作业指导书进行生产操作0.27、各质量记录填写是否详实、齐全,按规定进行保管,并定期进行统计分析0.21、是否制订了供方评价、选择、再评价准则,并组织实施0.32、是否按合格供方名单采购0.23、是否是稳定的供货关系0.24、采购产品标识是否清晰、易于识别,存放条件能否保证产品质量不受损0.155、采购产品的发放是否执行先进先出原则,是否进行定期盘存0.151、是否制订了严格的进货检验或验证制度:有各种产品检验规程、检验标准及技术规范0.22、检验员是否按检验规程、检验标准进行检验,并有相应的检验记录0.33、检验试验设备是否配备齐全,是否处于效准状态,检测能力是否能满足进货检验的要求0.24、对检验不合格的外购件、半成品及成品是否及时进行标识、隔离、评审、处置0.25、对关键零部件、原材料进货检验是否实施了批次管理,可追溯性控制0.11、是否编制并执行外协配套件产品紧急放行程序,降级使用、拒收的实施是否符合要求0.32、现场作业指导书/检验指导书等质量控制文件,是否受控、清晰、完整、易于操作0.63、是否建立了不合格品控制程序,并对不合格品进行标识、记录、隔离、评审、处置等0.44、是否针对不合格品实施返工、返修的需要,编制了返工、返修作业指导书,返工、返修完成后是否重新进行检验0.35、操作者是否按质量控制文件实施有效的过程检验(自检、自查、自分),并保持相应记录0.4过程控制30质量管理供方评审表(表一)质量体系认证15采购过程控制10进货检验10评审员:。
文件编号供应商名称:(填写供应商公司名称)评分标准优(90-100);良(80-89)中(70-79);合格(60-69)不合格(50-59)(信息化产品包括但不限于:IT基础设施、基础软件、应用软件、信息安全等;信创产品优先)②行业认可能力获厂家授权产品数量≥10(优)获厂家授权产品数量≥7(良)获厂家授权产品数量≥4(中)获厂家授权产品数量≥2(合格)要求:换算为授权产品数量评比厂家1个产品=4个产品授权供应商1个授权=1个产品授权获得产品生产厂家评选优质代理商,且合作服务超过10年的;(优)获得产品生产厂家评选优质代理商,且合作服务超过7年的;(良)获得产品生产厂家评选优质代理商,且合作服务超过4年的;(中)获得产品生产厂家评选优质代理商,且合作服务超过2年的;(合格)供应商审查评审表(此评分项①公司规模公司注册资金(M):M≥5000万;(优)5000万>M≥3000万;(良)3000万>M≥1000万;(中)500万及以上的。
(合格)提供进入全国500强企业、欧美企业、上市公司、本地国企供应商库且为头部或长期合作供应商的。
成为10家企业(上述标准)优质供应商的;(优)成为7家企业(上述标准)优质供应商的;(良)成为4家企业(上述标准)优质供应商的;(中)成为2家企业(上述标准)优质供应商的。
(合格)获得厂家对供应商做以下授权的:一级代理商;(优)二级代理商;(良)三级代理商;(中)四级代理商。
(合格)评分人签字(评分人签字)注意:1、每个评分细项的4档分别对应“优”、“良”、“中”、“合格”,如低于第四档,则为“不合格”。
2、综合得分75分及以上且所有评分项平均分都在60分及以上的审定结果为“建议入库”,否则为“不建议入库”结论:建议入库 不建议入库(综合得分75分以上的建议入库③合作实力审查日期:(填写审查时间)取平均分值取平均分值评审表(供货类)(此处设计文件编号)打分根据数额选择(优、良、中、合格)打分,分值在评分标准中取值根据数量选择(优、良、中、合格)打分,分值在评分标准中取值根据年限时间选择(优、良、中、合格)打分,分值在评分标准中取值平均分取平均分值综合得分(均分)建议入库(综合得分75分以上的建议入库)根据数量选择(优、良、中、合格)打分,分值在评分标准中取值根据等级选择(优、良、中、合格)打分,分值在评分标准中取值日期(填写日期)。
6、供应商品质保证能力:
品质承诺:精工品质,卓越管理,持续创新,服务客户是否已通过质理体系认证:
■已通过(请提供证明) □未通过(是否有类似计划 □有 □没有)品质管理制度:
其他与品质保证能力有关的证明:
7、评分指引
每小题10分,总分七十分。
六十分 合格 五十分 满意 四十分 不合格注:供应商应保证以下所填具有可查性,本评分仅作初审时使用。
总得分7.1来料控制
所有来料都检验吗? ■
所供应的产品材质都得到顾客的批准了吗? ■7.2管理系统控制
供应商知道不允许与经批准的图纸有任何偏差或替代吗? ■
口头批准不能接受。
□7.3生产控制:
是否保存了过程检验记录? ■
是否很好地开发了过程控制? ■7.4出货控制:
所有最终产品都检验了吗? ■
是否有书面的检验程序和检验一览表? ■7.5不合格品控制:
7.6材料控制:
如何控制需求管理,以确保及时交货? ■
7.7运行和服务:
可利用的生产容量可以满足需求吗? ■
销售订单是在顾客的有效控制下的吗? ■8、柳道审核小组:
部门姓名职位姓名职位9、评语:
第2页,共3页 是否有应对灾难等的应急计划,以确保持续供货? □供应商评审表
供应商是否为客户退回的不合格产品建立系统? ■
客户退回不合格品是否有对应的纠正预防计划? ■。