俄罗斯中国欧美电子管型号替代表
- 格式:docx
- 大小:21.78 KB
- 文档页数:8
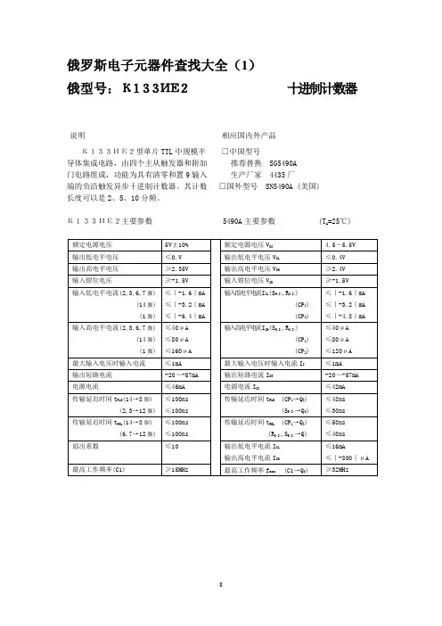
俄罗斯电子元器件查找大全(1)俄型号:К133ИЕ2十进制计数器说明相应国内外产品К133ИЕ2型单片TTL中规模半□中国型号导体集成电路,由四个主从触发器和附加推荐替换 SG5490A门电路组成,功能为具有清零和置9输入生产厂家 4435厂端的负沿触发异步十进制计数器。
其计数□国外型号 SN5490A (美国)长度可以是2、5、10分频。
К133ИЕ2主要参数 5490A主要参数 (T A=25℃)К133ИЕ2逻辑图和外引线排列 5490A功能表和外引线排列俄型号:К133ИЕ54位二进制计数器说明相应国内外产品К133ИЕ5型单片TTL中规模半□中国型号导体集成电路,由四个主从触发器和附加推荐替换 SG5493A门电路组成。
可组成二分频计数器和三级生产厂家 4435厂二进制计数器,具有清零输入端。
□国外型号 SN5493A (美国)К133И5主要参数 5493A主要参数 (T A=25℃)额定电源电压5V±10%额定电源电压V CC 4.5~5.5V输出低电平电压≤0.35V 输出低电平电压V OL≤0.4V输出高电平电压≥2.4V 输出高电平电压V OH≥2.4V输入低电平电流 (2,3) (1,14) ≤|-1.6|mA≤|-3.2|mA输入低电平电流I IL (R0(I))(CP1,CP2)≤|-1.6|mA≤|-3.2|mA输入高电平电流 (2,3) (1,14) ≤40μA≤80μA输入高电平电流I IH (R0(I))(CP1,CP2)≤40μA≤80μA输出短路电流I OS-20~-57mA电源电流≤46mA 电源电流I CC≤39mA传输延迟时间t PLH( 14→11)(2,3→12)≤135ns≤100ns传输延迟时间t PLH (CP1→Q3) ≤70ns传输延迟时间t PHL (14→11)≤135ns 传输延迟时间t PHL (CP1→Q3) ≤70ns扇出系数≤10 输出低电平电流I OL输出高电平电流I OH ≤16mA≤|-800|μA最高工作频率 (C1) ≤15MHz 最高工作频率f max (CP1→Q0)(CP2→Q1) ≥32MHz ≥16MHz时钟输入脉冲宽度 (C1) ≥50ns 输入脉冲宽度t W (CP2)≥30ns预置输入脉冲宽度≥50ns (CP1, R0(I)) ≥15nsК133ИЕ5逻辑图和外引线排列 5493A功能表和外引线排列俄型号:К133ЛА28输入与非门说明相应国内外产品К133ЛА2型单片TTL小规模半□中国型号导体集成电路,功能为8输入端与非门。
常用电子管代换(-)二极管部分:5Z3P直热式双阳极二极管小功率全波整流5T4. 5X4G、5U4G*、5q3C、U52 氧化物阴极5Z4P旁热式双阳极二极管小功率全波整流*5BX1. *5L|4C, GZ30、5Z4G/GT 氧化物阴极5Z1P直热式双阳极二极管小功率全波整流氧化物阴极5Z2P直热式双阳极二极管小功率全波整流5W4. 5Y3G、80、U50氧化物阴极5Z8P旁热式双阳极二极管全波整流*5q8C 氧化物阴极5Z9P旁热式双阳极二极管全波整流*5q9C 氧化物阴极6Z4旁热式双阳极二极管全波整流*6耳4口、6BX4、6X4、6Z31 共阴极6Z5P旁热式双阳极二极管小功率全波整流*6 斗5C共阴极6H2旁热式双阳极二极管检波、整流*6X2R、6AL5、C 氧化物阴极(二)三极管部分:6C1旁热式三极管*6Cin. CV664、9002 氧化物阴极6C3旁热式三极管*6C3n阴地三极管6C4旁热式三极管*6C4n栅地三极管6C5P旁热式三极管6C5GT、*6C5C. 6C5 氧化物阴极6C6B旁热式三极管5703、CV3917. *6C6b 氧化物阴极6C7B旁热式三极管*6C7b氧化物阴极6C12旁热式三极管EC88、5842高S、低N6C22D旁热式三极管5876金属陶瓷管旁热式三极管*6C31b-B氧化物阴极6C32B-Q旁热式三极管*6C32b-B遥截止三极管6N1旁热式双三双极管*6Hin. 6AQ8、AA61、ECC40/82 氧化物阴极6N2旁热式双三双极管*6H2n. 6AX7、6AV7、ECC41氧化物阴极6N3旁热式双三双极管*6H3n. 6A8Q、2C51、ECC42氧化物阴极6N4旁热式双三双极管低噪声电圧放大ECC83、12AX7高小低N6N5P旁热式双三双极管低频功率放大*6H13C、6AS7、CV2523. 6NS7G/GT 低Ri6N6 (T)旁热式双三双极管*6H6n. E182CC、12BH7氧化物阴极6N7P旁热式双三极管6H7、*H7C、6N7/G/GT6N8P旁热式双三极管*6H8C*6H8M、6SN7、6F8G、CV181、QB65、ECC32 氧化物阴极6N9P旁热式双三极管*6H9C、6SL7、ECC35、6SC7. 6CY7|;;川6N10旁热式双三极管*6H10M> 12AV7A、E82CC. CV491氧化物阴极6N11旁热式双三极管*6H23R、6DJ8、ECC84. E88CC、6922、CV2492 高S、低RI、N6N12P旁热式双三极管*6H12C、TS229、5687氧化物阴极6N13P旁热式双三极管*6H13C、6AS7、CV2523> 6NS7G/GT低内阻6N15旁热式双三极管*6H15R、6J6WA、6CC31、CV858共阴极6N16B旁热式双三极管氧化物阴极6N17B旁热式双三极管*6H17b> 6112、CV50076N21B-Q旁热式双三极管氧化物阴极6N23旁热式双三极管6DJ8、ECC88、PCC8812AX7旁热式双三极管12AX7A. 7025、ECC83高p低噪管12AU7旁热式双三极管ECC82、6189中p管12AT7旁热式双三极管ECC81、6201、GT-12AT7高P管(三)四、五极管部分:6J1旁热锐I匕五极管宽带电圧放大*6幻口、6AK5、6BC5. EF40、EF95、CV850 高频管6J1B锐截止五极管宽带电圧放大*6x1 CV3929. 61489、CK5702/7083旁热式阴极6J2锐截止五极管宽带电圧放大*6x211 6AS6、CV2522、EFU/732. CV40116J2B锐截止五极管宽带电圧放大*6>K2b、CK5639旁热式阴极6J3锐截止四极管宽带电圧放大*6>K3n> EF96、CV848、6BC6、6AG5束射四极管6J4锐截止五极管宽带电圧放大*6出4、6136、6BX6、6AC7. EF94旁热式阴极6J4P锐截止五极管宽带电圧放大*6>K4C> CV849、1852旁热式阴极6J5锐截止高频管宽带电圧放大*6>K5n. EF80、CV252K 6F36、6AH6高S、束射四极管6J8锐截止五极管低频电圧放大CV2901. 6SJ7、6CF8、6267、EF16、EF86、2729低噪声N6J8P锐截止五极管宽带电圧放大*6>K8C、5693 > EF6. EBC3、CV592旁热式阴极6J9宽带电圧放大*6x911 EF861旁热式阴极6J20锐截止五极管宽带电圧放大*6x2011空间电荷栅6J23高互导双五极管宽带电圧放大*6x23n阴极框架栅6J23B-Q锐截止五极管宽带电圧放大*6>K23B-K低振动噪声12J1S锐截止五极管小功率放大*12>Kln氧化物阴极6K1B遥截止五极管宽带电圧放大*6K16K3P遥截止五极管宽带电圧放大*6K3. 6SK7、6K7、6D6. 6SG7 旁热式阴极6K4遥截止五极管宽带电圧放大*6K4n. 6BA6、6DA6、EF89/93. 5749、6K5 旁热式阴极6K5遥截止五极管宽带电圧放大同6K4旁热式阴极12K3P遥截止五极管宽带电圧放大12K3、12SK7/GT 旁热式阴极(四〉功率管2P2输出四极管低频功率放大2口2口、DL92. 1S4T、1L33、1L34直热式阴极2P3束射•四极管低频功率放大3A4、1662、CV807、DL93直热式阴极2P19B五极管功率放大直热式阴极2P29直热式五极管功率放大*2. *2ri29n氧化物阴极4P1S直热式阴极功率放大*4nirix 4L2D五极管6P1束射四极管低频功率放大*6口们、6AQ5、6BW6. 6L31. EL14、90旁热式阴极6P3P束射四极管低频功率放大*6R3C、*6n6C. 6L6、6L6G/GT、1614、1619、1622同型:1631. 6TT3C6P4P束射四极管低频功率放大旁热式阴极6P6P旁热式束射四极管低频功率放大*6112、*6f16C、6(P6. 1611、1613. 1621、6K6、CV509. 6V6GT、CV510. CV1912. CV511、6N6C. KT63 6P9P旁热式五极管宽带功率放大*6R9C、CV569 氧化物阴极6P13P束射四极管低频功率放大*6ni3C (旁热)旁热式阴极6P14P旁热式五极管宽带功率放大*6ni4n. 6BQ5. N709> EL84. CV2975、7320、6L40 氧化物阴极6P15P旁热式五极管低频功率放大6CH6、6CW5、EL180、EL821. CV2127. 12BY7A 氧化物阴极6P25B束射四极管低频功率放大*6R25b、EL71、5902氧化物阴极6P30B-Q束射四极管低频功率放大*6n30b-B (旁热)氧化物阴极6P31B-Q束射四极管低频功率放大*6n31b-B (旁热)氧化物阴极13P1P输出五极管低频功率放大*i3mc旁热式阴极2A3直热式三极管功率放大*2C4x AD1. 6A3. 6B4G、6C4C211直热式三极管功率放大WE300B直热式三极管功率放大300B、4300A 古典式低内阻845直热式三极管功率放大UV-845Po^lOOW6C33C-B 旁热式三极管功率放大6550旁热束射四极管功率放大KT88氧化物阴极KT100旁热束射四极管功率放大KT94氧化物阴极6S6高S五极管电压/功率放大*631 n (旁热)氧化物阴极PL81旁热式五极管功率放大21A6氧化物阴极EL34 旁热式五极管功率放大6CA7、KT66氧化物阴极EL81旁热式五极管功率放大6CJ6氧化物阴极FD422直热式五极管功率放大2E22(五)其他管6A2七极电子管TUNER变频CV453、EK90. X77. *6A2门、6BE5、5750 旁热式阴极6F1三极-五极管变频/电圧放大*6311、6BL8、6C16旁热式阴极6F2三极-五极管变频/电圧放大60)2口、6U8、6GH、CV5065、ECF82. 6BL8 旁热式阴极6G2P双二极-三极管检波、电压放大*6「2、6SQ7. 6SQ7GT/G旁热式阴极6CX8旁热式三极管-五极管电压放大和P-K分割比6U9、6F2靓高S6T1高频双四极管推挽输出QM322、5656旁热式阴极FU-5直热式三极管低频功率放大T100-1、RK57、ML714、NU-150、CV2622. CV2768F123A、GL805、HF150. CV25FU-7旁热式四极管大S功率放大QV05-25、RK39、HY-61. QE06-50、CV124、8075B/250A、807V、5S1FU-13直热束射四极管功率放大*「丫・43、813、4B13 TT10、QY2-100、QB2、250、CV278、4T100CV1927、3874A、5C/100AFU-15直热束射五极管中功率放大*rY-15氧化物热子FU-17双束射四极管中功率放大*「丫•仃、CV3517. 6360、QQV03-10、QQV03/12旁热式阴极FU-25旁热束射四极管宽带功率放大1625、FD-25氧化物阴极FU-29双束射四极管宽带功率放大*「丫・29、829B旁热式阴极FU-31直热式三极管宽带功率放大2T26、826、826<r RCA n社钩阴极FU-32双束射四极管宽带功率放大*「丫・32、RS1019、TT20SRS4452、QQE03/20、P2-12 与FU-29类同FU-33直热式三极管功率放大ES833、CV635. B142、357& 833A、5T33社鸨阴极FU-46旁热式五极管中功率放大QV06-20、P40、QE05/40. 7212、6146、2B46氧化物阴极FU-50束射五极管宽带功率放大*「丫・50、SRS552. P50/2 旁热式阴极FU-811直热式三极管宽带功率放大*r-81K 811A社鸨阴极FU-250F旁热式四极管宽带功率放大4CX250A金屈陶瓷型18045旁热式五极管小型功放Po>lWFC4旁热式三极管电压放大*rC4金屈陶瓷管欧美电子管置换表AG52110A20A2 0B2 108C110BQ5 10C1410CW5 10CW5 10DE7 10DX8 10DX8 10DX8 10EB8 10F1810F910GN8 10GV8 10HF8 10JA810JY810LD13 10LD3 10LZ810P1810PL12 11BM8 UJE8 UJE8 UJE8 UJE8 UJE8 UJE8 UR3 UY9 121VT 12A612A812AC5 12AC5 12AC5 12AC5 12AC5 12AC5 12AC5 12AD6 12AD7 12AF3 12AH8 12AJ712AL5 SR56SR3 0B2 YL8419D8LL86 YL86 9R-AL1 LCL200 LCL84 YCL84 11JE813EC7 12AC5 11JE8 LCL85 11JE811JE811JE814G614L711JE845B550BM8 LCL82 10EB8 10GN8 10HF8 10JA810JY810LZ8 LYS1 LFL200 12AC5 ABC910H4 10F9 121 VP HF121 UF41W118W142W145 UF8912AX7 12BR3 20D3 HCH81 HAA91 12AT6 12AT7 12AT7 12AT7 12AT7 12AT7 12AT712AT7 12AT7 12AT7WA 12AT7WA 12AT7WA 12AT7WB 12AU6 12AU7 12AU7 12AU7 12AU7 12AU7 12AU7 12AU7 12AU7A 12AV6 12AV7 12AX7 12AX7 12AX7 12AX7 12AX7 12AX7 12AX7 12AX7 12AX7 12AX7 12AX7 12AX7 12AX7 12AX7 12AX7 12AX7A 12AX7A 12B-B14 12BA6 12BA6 12BC32 12BE6 12BE6 12BE7 12BQ6GT HBC90A2900B152B309B739E2157E81CC ECC81 QB309 CCS IE M8162 QS2406 QA2406 HF94 12AX7 B329B749E2163 E82CC ECC186 ECC82 12AX7 12BC32 12R-LL3 12AD7 12AU7 12AU7A 12AX7A 12BZ7 12DF7 12DM7 12DT7 6L13 7025 7025A B339B759E2164 ECC83 12AX7 M8137 13GB5 12F31 HF93 12AV6 12H31 HK90 UQ80 12G-B6 12BR3 12BR3 12BY7 12BZ7 12C8 12D4A 12DF712DM7 12DT7 12DT7 12E13 12F31 12FB5 12FB5 12FG6 12FQ7 12G-B3 12G-B6 12G-B7 12G-K17 12GW6 12H31 12HU8 12K712K7GT 12K812K8GT 12Q7GT 12Q7GT 12R-K19 12R-LL3 12R-LL5 12S712S712SN7GT 12SQ7 12X413CM5 13CM5 13D213D313EC7 13EC7 13EC7 13GB5 13GB5 13GC8 13GC8 13GC8 12AF3 12R-K19 EL180 12AX7 VP12D 12G-K17 12AX7 12AX7 12AX7 ECC863 655012BA6 30P12 PL801 UM8412R-LL5 12GW6 12BQ6GT 13CM5 12D4A 12G-B3 12BE6 PLL80W76 OF5 X71MX76M DH74 DH7612BR3 12AV7 12FQ7 UAF42 WD142 B36 OBC3 HZ9012G-B7 XL366SN7GT 615810F18W110W11912B-B14 XL500 30PL1 30PL10 LN319 13GC8 141DDT 141TH 14F714G614G614G614G614GW814K7 14K7 14K7 14L7 14L7 14L7 14L7 14L7 14Y7 14Z3 150B2 150C1 150C2 150C3 150C4 15A6 15A6 15A6 15CW5 15CW5 15CW5 15CW5 15DQ8 163PEN PCL801 14L7 14K7 XXD 10LD13 DHU9 UBC80 UBC81 PCL86 141TH UCH42 X14210LD3 141DDT DHU8 DH142 UBC41 UCH80 HZ50 6354 0A2 0A2 0D3 0A2N153N309PL8330P18N378N379PL84 PCL84 16A56AM516A5 163PEN 16A5 30P16 16A5 N154 16A5 N329 16A5 PL8216A8 30PL12 16A8 N369 16A8 PCL82 16AQ3 XY8816GK8 30PL13 16GK8 30PL14 16GK8 PCL800 16GK8 PCL88 16KH8 ECLL800 16Y9 PFL200 16A171DDP 17C817C817C817EW8 17KW6 17N817Z317Z317Z317Z317Z317Z317Z317Z317Z318AK5 18FX6 18GB5 18GD6 18GD6 18GV8 19AJ8 19AQ5 19BD19CS4 19CS4 19CS4 19D819D819D819D819FL8 19KF6 19M-R10 19M-R9 19SU19T819U319W3 19X319X319X319X319X319X319Y319Y319Y3 17C8 171DDP 17N8 UBF80 HCC85 PL508 17C8 A61 PY800 PY801 PY81PY83U153U193U251U349 6028X107LL500 19M-R10 19M-R9 PCL85 19D8HL9019X3PY301U191U33910C14 19AJ8 UCH81X119 UBF89N22LL 18GD6 18GD6 19Y3 HABC80 19X319X319BD19U319W3 PY80U152U30919SUPY82U15419Y3 19Y3 1A31A31A31A5G 1A7GT 1A7GT 1AB6 1AB6 1AB6 1AB6 1AB6 1AC6 1AC6 1AC6 1AC6 1AD4 1AD4 1AD4 1AH5 1AH5 1AH5 1AJ4 1AJ4 1AJ4 1AN5 1AN5 1AQ5 1AR5 1AS5 1B3GT 1B3GT 1BG2 1BQ2 1C11C21C31C5GT 1C5GT 1D13 1D5 1E31F11F21F31F5G 1FD1 1FD9 U192 U319 1D13 DA90 DAF90 DL31 DK32 X141C31H35 DK96 DK97 X251C2 DK92 X18X20 DF62 DF652 DF668 1FD1 DAF96 ZD25 1F1 DF96 W25 DAF97 DF97 1H33 1S5SF 1U5SF DY30 U41 DY51 DY802 1R51AC6 1AB6 DL35 N14 1A3 40SUA DC80 1AJ4 1L41T4 KL35 1AH5 1S51G50 1H2 1H33 1H331H35 1H5GT 1H5GT 1L41L41M1 1M3 1M3 1N31N31N5GT 1N5GT 1P11P10 1P11 1Q5GT 1R51R51R51R5SF 1R5A1RK23 1S21S21S21S2A 154 1551S51S51S51S51S5SF 1T21T21T41T41T41U41U41U51U5SF 1V61W4 1X2 2050A 1S21AQ5 1R5SF 1AB6 DAC32 HD14 1F2 DF92 1N3 DM70 Y251M1 DM71 DF33 Z143C43S43V4 DL36 1C1 DK91 X171H33 1H33 1S21H2 1RK23 DY86 DY87 DL91 1FD9 DAC21 DAF91 DF26 ZD17 1AR5 R16U371F3 DF91 W17 DF904 HY145 DAF92 1AS5 DCF60 R31X2A1X2 1X2B1X2A 1X21X2A DY801X2A R191X2B 1X21X2B HD93 2050 BA2 2050 EN32 2050A 1G5020A3 2D2120AQ3 LYSS20D3 12AH8 20D4 6AJ8 213PEN 21A621A6 213PEN 21A6 N15221A6 N35921A6 PL8121A6 PL820 21KQ6 LL521 25A6 KT3325BQ6GT 25G-B6 25BQ6GTB HD9625BR3 25R-K19 25BR3 U32925E5 N30825E5 PL3625G-B6 25BQ6GT 25GF6 30P19 25GF6 30P425GF6 N38925GF6 PL302 25R-K19 25BR3 25W6GT KT3225Z4GT U3127GB5 PL500 27KG66 LL505 28EC4 LY50029KQ6 PL5212B/250A 8072B35 6D12B35 EA502B35 T6D2D21 20A32D21 4G280K 2D21 ASG512 2D21 EN912D21 PL212D21 RL212ER52FY52HA52HR82J2 2J2 2J2 2X2 2X22X2A2X2A2Y230A5 30AE3 30C130C130C15 30C18 30CW5 30F530FL1 30L130L15 30P12 30P16 30P18 30P19 30P430PL1 30PL10 30PL12 30PL13 30PL14 311SU 31A3 31A3 31A3 31A3 31A3 31A3 31A3 31A3 32F35FN5 35W4 35Z4GT 35Z4GT 38A3 38A3XC95 XC97 XC900 XCF86 R20U26U492X2A 2Y22X2H2-10 2X2 HL94 PY88 9A89A89EN7 7GV7 HL86 7ED7 9GB8 7AN7 7EK7 12FB5 16A5 15CW5 25GF6 25GF6 13GC8 13GC8 16A8 16GK8 16GK8 31 A3 311SU UU8U142 U145 UY41 UY42 V3UV312 956 PL300 HY90 U74U76U119 U38138A3 38A33A4 3A4 3A53AJ83AL53AL53AU63B4 3B4 3BH23BX63BY73BZ63C4 3C4 3C4 3C6 3D63DK63EH73EJ73ER53FY53FY53HA53M-R24 3M-V7 3Q4 3Q4 3Q5GT 3Q5GT 3Q5GT 3S4 3S4 3S43S4SF3V4 3V4 3V43W440KG6 40SUA 42EC4 451PT 45A5 45A5 45A5 UT85 UY89 DL93E1485 DCC90 XCH81 XAA91 XB91 XF94 DL98 HD30 GY501 XF80 XFS53M-V7 1P1 DL96 N25 XXB DL29 3M-R24 XF183 XF184 YC95 LC97 YC97 LC900 3DK6 3BZ6 DL95 N18 DL33 N15N161P10 DL92 N173W41PU DL94 N193S4SF PL505 1D5 PY500 45A5 451PT BF451 N142 45A5 45B5 45B5 45B5 4BL84BL84BS84CM1 4DL4 4EH7 4EH7 4EJ74EJ74ES84FY54G280K 4GJ74GJ74GK5 4GX7 4HA5 4HR8 4KN8 4R-HH2 4R-HH8 4Y25 50BM8 50BM8 50BM8 50C5 50L6GT 52KU 54KU 55N3 5636 5642 5651A 5654 5654 5654 5670 5672 5677 5678 5692 5692 5718 5718 5725 UL41 10P18 N119 UL84 5R-HP1 XCF80 4R-HH2 PC86 PC88 LF183 YF183 LF184 YF184 XCC189 PC972D21 4GX7 XCF801 PC954GJ7 PC900 PF864R-HH8 4BS84KN8 80710PL12 LN119 UCL82 HL92 KT71 5Z4G5AQ4 UY82 EF730 DY70 QS1209 EF905 M8100 QM557 6CC42 DL620 FA6 DF606CC10 QA2408 ECTO EC71M81965725 5726 5726 5726 5726 5726 5726 5726 5726 5726 5727 5727 5763 5763 5763 5783 5823 5840 5840 5840 5847 5847 5861 5894 5899 5899 5901 5902 5911 5913 5920 59205A/160H 5AQ4 5AR4 5AR45B/250A 5CG4 5ES8 5ES8 5GJ7 5HG8 5HG8 5J2 5J6 5L509 5M-HH3 5P29 5R-HP1 QM558AA91EDD77E91AA EAA901M8079 M8212 QA2404 QM559 QS2404E91NM8204M8096 QE03/10 QV03-12 85A3Z900TEF72EF732M8121 6R-R8C E182F EC55 QQE06/40 EF71EF731EF732EL71 DF67 DL67 E90C E90CC6AM654KU GZ34 U778070SW3107 LCC189 YCC189 LCF801 LCF86 YCF86KY80 5M-HH36KG6A 5J6 6CN64BL8807 5Z10 GZ31 U52 H52 XCF82 LCF201 GZ32 LCH200 U51 LCF200 U50 5U4G RS2 52KU GZ30 0SW3107 R52 6GA8 M8245 DL67 DF67 ECC70 18AK5 ECC803 ECC801 EZ900 QB5/1750 ECC230 E80F E80CC QA2401 QE05/40 QV06-20 13D3 QE05/40H ECC802 M8136 E81CC QA2407 EF734 E80T E80L QQE03/20 QQV03-20 6CF8 6F22 8DS EF865S1 5U4G 5U4G 5U4G 5U4GB 5U8 5U9 5V4GA 5V9 5W4GT 5X9 5Y3GT 5Z10 5Z4 5Z4G 5Z4G 5Z4G 5Z4G 6/30L2 6005 6007 6008 6021 6028 6057 6060 6063 6079 6080 6084 6085 6135 6146 6146 6158 6159 6189 6189 6201 6201 6205 6218 6227 6252 6252 6267 6267 6267 6267EF87 Z729 6CV7 6CU7 6CJ5 X319 150B2 QQE03/12 QQV03-10 RS1029 EY84 DC70 EF74 6AB8 ECC813 EF70 EF73 EA76 6CD7 6BX4 12E13 7DU KT88 6BR5 E83CC E81L E91H E180F E83F 6BT4 6CK5 E88CC QQE02/5 QQV02-6 DM160 B63 6Q8 PH4 X63 EC92 63TP ECL80 LN152 6F10 0SW2190 0SW2600 EBF81 X79 6T16267 6267 62DDT 62TH 62VP 6351 6354 6360 6360 6360 6374 6375 6391 63TP 6463 6487 6488 6489 64ME 64SPT 6550 6550 6550 65ME 6681 6686 6687 6688 6689 66KU 67PT 6922 6939 6939 6977 6A6 6A8 6A8 6AB 6AB4 6AB8 6AB8 6AB8 6AC7 6AC7 6AC7 6AD8 6AE8 6AF46AF4 EC946AG5 EF966AG6 6P256AG6G BVA264 6AG6G BVA265 6AG7 6L106AG7 0SW2192 6AG7 0SW2601 6AG8 B7296AH6 6F366AJ4 EC846AJ5 6F356AJ8 20D46AJ8 6C126AJ8 6CH406AJ8 ECH816AJ8 X7196AJ9 ECF202 6AK5 6F326AK5 DP616AK5 E95F6AK5 EF956AK5 PM056AK6 PM956AK8 6LD126AK8 DH7196AK8 EABC80 6AL3 EY836AL3 EY886AL5 6B326AL5 6D26AL5 D1526AL5 D2M96AL5 D7176AL5 D776AL5 DD66AL5 EAA916AL5 EB916AL5 ED26AM5 16A6AM5 6P176AM5 7D96AM5 DD76AM5 DDR76AM5 EL916AM5 N1446AM5 N476AM5 N776AM5 QN77V886 5A/160H 6FU 6F12 8D3 EF91 HP6 M8063 PM07 QZ77 R144 S6F12 SP6 Z77 ECH80 6L34 EC91 6L31 BPM04 EL90 N727 6BK6 6CC43 6L12 B719 ECC85 6F33 A1834 6BK6 DH77 EBC90 6DT86G-K17 6AU6 EF946AV3 6R-K19 6AV4 EZ91 6AV4* 6FX4 6AV6 6BC32 6AV6 6BK6 6AV6 EBC91 6B32 6AL5 6B8 EBF32 6BA6 6F31 6BA6 EF93 6BA6 PM04 6BA6 W727 6BC32 6AV6 6BD7 6LD13 6BD7 EBC806AM5 6AM6 6AM6 6AM6 6AM6 6AM6 6AM6 6AM6 6AM6 6AM6 6AM6 6AM6 6AM6 6AM6 6AN7 6AQ4 6AQ4 6AQ5 6AQ5 6AQ5 6AQ5 6AQ6 6AQ8 6AQ8 6AQ8 6AQ8 6AS6 6AS7G 6AT6 6AT6 6AT6 6AT7N 6AU4GT6BD76BD7A6BE66BE66BE66BE66BE66BE76BH56BH66BJ56BJ66BK66BK66BK66BK66BK86BL86BL86BM56BM86BM86BM86BM86BN56BN56BQ56BQ56BQ56BQ6GT 6BQ6GTB 6BQ7A6BR56BR56BR76BS46BS76BS86BT46BT46BT46BT46BT46BT46BT46BT46BT66BW76BX4 EBC81 EBC36H31 EK90 HM04 X727X77 EQ80 EF81E90F NTSE99F6AQ6 6AT6 6AV6 6BT6 EF836C16 ECF80 6P96LP12 6PL12 6PL12 ECL82 EL85N155 6P15 EL84N709 6G-B3A HD94 ECC180 65ME EM80 8D5 EC938D76R-HH2 66KU EZ40 MU14 U150 U718 UU5 UU9V616BK6 8D664SPT6Z4 EF80 Z152 Z719 6F19 6F26 EF85 W719 X155 6AJ8 6CJ5 6BL8 6GV7 6K8 EC90 L77 QL77 V741 A677 G77 T77 6V4 EZ4 EZ81 U709 UU12 EL34 KT77 EF190 5692 6J6 5670 6AQ8 64ME 6M2 EM34 6267 6AJ8 7D10 ECL821 EFS2 EL821 EL822 62VP 6C15 6F15 6F16 7F16 EBF416BX4 6BX6 6BX6 6BX6 6BY7 6BY7 6BY7 6BY7 6BZ8 6C12 6C15 6C16 6C18 6C31 6C4 6C4 6C4 6C4 6C6 6C6 6C6 6CA4 6CA4 6CA4 6CA4 6CA4 6CA7 6CA7 6CB6 6CC10 6CC31 6CC42 6CC43 6CD7 6CD7 6CD7 6CF8 6CH40 6CH6 6CH6 6CH6 6CH6 6CH6 6CJ5 6CJ5 6CJ5 6CJ5 6CJ5 6CJ56CJ56CJ56CJ56CJ66CK56CK56CK56CK56CK66CK66CK66CL66CM16CM16CM56CN66CN66CQ66CQ66CQ66CQ66CQ66CQ66CQ66CQ66CQ66CR46CS66CT76CT76CT76CU76CU76CU76CU76CU76CV76CV76CV76CV76CV76CV76CW56CW76CW76D-HH13 6D1 6D2 6D4EF41 HF61 W150 EL81 67PT BF61 EL41 N150 EL803 EL820 EL83 6L43 EC806S EC86 EL36 5P29 EL38 6F21 9D6E2016 EF92 QW77 V177 V884 VP6W77A2521 EH90 EA41 EAF42 WD150 62TH ECHU3 ECH42 X150 Z150 62DDT 6LD3 DH150 DH718 DH817 EBC41 EL86 6L16 ECC84 6FX7 2B35 6AL5 EN93X73 X73M EM81 EF13 EF89 6FD12 EBF85 EBF89 E89F EF89F EM85 ECC88 E88C EC88 6DQ6A 6G-B6 6DR8 EBF83 6DS8 ECH83 6DT8 6AT7N 6DX8 ECL84 6DY5 EL82 6E5 6S5G 6E5 OSW3110 6E8 ECH82 6E8 X65 6E8G ECH35 6E8G TH62 6E8G X147 6E8G X61M 6EC4 EY500 6EC7 6F18 6EC7 W739 6ED4 ED500 6EH7 6F29 6EH7 EF183 6EH7 EF8U 6EJ7 6F24 6EJ7 6F25 6EJ7 6F30 6EJ7 EF184 6EJ7 EF814 6EL7 6F23 6EL7 EF812 6EL7 Z749 6ER5 EC95 6ES6 EF97 6ES8 ECC189 6ET6 EF98 6EW6 6GM6EL95 6D8 6DS 6DA5 6DA6 6DA6 6DC8 6DC8 6DC8 6DG7 6DG7 6DG7 6DJ8 6DL4 6DL4 6DL56EW66F106F116F126F156F166F186F196F216F226F236F246F256F266F296F306F316F326F336F356F366F5GT6F6G6FC76FD126FG66FG66FN56FX46FX76FY5 6G-B3A 6G-B6 6G-B9 6G-K17 6GA86GA86GB56GB56GJ76GM66GM86GM86GV76GV76GV86GW66GW86GX86HS6 6AC76AM66AM66CJ56CJ56EC76BY76CQ6 62676EL76EJ76EJ76BY76EH76EJ76BA66AK56AS66AJ56AH6H63KT63 ECC896DC8 EM84 EM840 EL3006AV4 6D-HH13 EC976BQ6GT 6DQ6A 6GW66AU4GT 6/30L2 ECC804 EL500 EL504 ECF801 6EW6 CC86E ECC866C18 ECF805 ECL856G-B9 ECL86 EAM86316 H H 6 6 55 8 86 S P 16IA IA G G s H H H H H 6 6 6 5 HT 6 6 8 u u H H WA 4 4 4 5 5 5 6 6 6 6 67 7 7 7 7 7 7 J J J J J J J J J J J J J J J J J J 666666666666666666 GT GTG G6668S SE E E W W X 6666 J J J P J T J K K K K 6666666666 G 6 K 6 6K6GT 6K6GT 6K6GT/G 6K6MG 6K7 6K7 6K7 6BE6 D63 EB34 0M3 0SW3109 EC900 ECC900 ECF86 ELF86 6EW6 N2ED EM87 ELL80 6M-H1 TM12 M8232 L63 L63B 0SW3112 6CC31 6M-HH3 ECC91 M8081 T2M05 EF36 TTZ63 Z63 A863 EF37 KTW63 KTZ63M 6JE6C 6JE6B 6LQ6 6LX8 ECF802 ECH84 6K6G 6K6GT 6K6GT/G 6K6MG 6K6 6K6 X63 6K6 6K6 EF39 0M6 PF96K76K76K76K7GT 6K86KG66KG6A 6KN86KV66KV6A 6KW6 6L106L126L136L166L316L346L436L66L6GC 6L6GC 6L6GT 6L76LC66LC66LD12 6LD13 6LD36LD66LF66LF66LH66LH6A 6LN86LP12 6LQ66LV66LX86LX86M-H1 6M-HH3 6M16M26M56M6G 6M6G 6M6G 6M6G 6N3 W147 W61W63 KTZ63 6C31 EL505 5L509 6R-HH8 6KV6A 6KV6 EL508 6AG7 6AQ8 12AX7 6CW7 6AQ5 6AQ4 6CL6 EL37 DL37 KT66 N66X646LH6 6LH6A 6AK8 6BD7 6CV7 EL802 6LV6N30EL 6LC66LC6 LCF80 6BM8 6JE6C 6LF66JW8 LCF802 6J46J66U5G 6CD7 EL80 EL33 KT61 N147 PP6BG 6U36N3 EYS26N8 EBF806N8 WD709 6N8 ZD1526P15 6BQ56P17 6AM56P25 6AG66P9 6BM56PL12 6BM86PL12 6BM86Q1 EC806Q7 DH636QS 6A86R-HH2 6BS86R-HH8 6KN86R-K19 6AV36R-R8C 58476R3 EY816R3 6V3P6R4 EC226R4 EC816S2 EY866S2A EY876S5G 6E56S7 0F16S7 OM56SA7 OSW31O46SA7GT MV6・5 6SK7 OSW3111 6SL7 ECC356SN7GT 13D26SN7GT B656SN7GT ECC326SN7GT QB656SQ7 0SW3105 6T1 6AF46U3 6N36U3 EYSO6U5 EM356U5 Y646U5G 6M16U8 ECF826U9 ECF201 6V3 EY81F6V3P 6R36V4 6CA46V4 EZU6V4 EZ36V4 EZSO6V6GT 0SW3106 6V9 ECH200 6W7G* 8D46X2 EY516X2 R126X2 SU616X2 U1516X2 U436X2 U456X4 6Z316X4 E9026X4 E90Z6X4 EZ906X4 U7076X4 UTS6X4 V2M706X4W QM556 6X4W QM556 6X5G EZ356X5G U1476X5G U706X9 ECF200 6Y9 EFL200 6Z3 AD6Z31 6X46Z4 6BX 7025 12AX7 7025A 12AX7 7062 E180CC 7119 E182CC 7308 E188CC 7320 E84L 7534 E130L 7534 E180L 7643 E80CF 7722 E280F 7737 E186F 7788 E810F7A7 EF227A7 W1437A7 W1487A7 W817AN7 30L17AN7 B1397AN7 B3197AN7 PCC847AU7 PCC186 7AU7 XCC827B6 DH817B6 DL827B7 W1497C5 N1487C6 DH149 7D10 6CH67D11 65507D9 6AM57DJ8 PCC887ED7 30F57ED7 Z3297EK7 30L157EK7 B3497EK7 PCC805 7ES8 PCC189 7F16 6CJ57FC7 PCC897GV7 30C187GV7 PCF805 7J7 C6107S7 X1487S7 X817X7 XXFM7Y4 EZ227Y4 U1497Y4 U82 807 2B/250A 807 4Y25 807 5B/250A 807 5S1807 ARS25A 807 ATS225A 807 P17A 807 QE06/50807 QV05-25 8223 E288CC 8228 ZZ1000 8233 E55L 8254 EC1000 8255 E88C 8255 EC88 8278 EL503 8278 F1EL83 VT8383 WT301 8453 Z550M 85A1 0E385A2 0G385A3 5783 SAS 9U88BS8BS8BQ5 8CW5 8D38D48D58D68D78DS8GJ78GJ78HG8 8R-HP1 8U98X9 954 954 954 955 956 957 958A 9599A89A89A89A89A89A89AK8 9AQ8 9BM5 9D69EA8 9ED4 9EN7 9EN7 9EN7 9GB8 9GB8 9GH8A 9GV8 9JW8 9P99R-AL1 9R-HH2 9U89U88R-HP1 XCL82 XL84 XL866AM66W7G6BR76BW76BS7 6267 PCF801 PCF806 PCF868B8 PCF201 PCF200 E1FUN954 ZA2UN955 32FD1CD2CD3F30C130C1 9U8 LZ319 LZ329 PCF80 PABC80 PCC859P96CQ69U8PD500 30C15 LZ339 PCF800 30FL1 PCE800 9R-HH2 XCL85 PCF802 9BM510DE79GH8A8A8 9A8 9U89U89U89U8A9V9A1834A2521A2900A61A677A863AA91E ABC91 ADAG52U ARS25A ASG512 ATS225A B139B152B309B319B329B339B349B36B63B65B719B729B739B749B759BA2BF451 BF61 BPM04 BVA264 BVA265 C610 CCS IE CC86ED152D1CD2CD2M9D3FD61D63 9EA8 9U8A PCF829U8 PCH200 6AS7G6CR412AT717Z3 6C6 6J7GT 572612A6 6Z3 0A2 807 2D21 807 7AN712AT712AT77AN712AU7 12AX77EK712SN7GT 6A66SN7GT 6AQ86AG812AT712AU7 12AX7 205045A56CK56AQ56AG6G6AG6G7J712AT7WA 6GM86AL5 957 958A6AL5 959 6CT7 6H61A3 1S5 1H5GT 1A3 1S5 1U5 1AH5 1AN5 6375 1E3 3A5 1V6 6AL5 6AM5 5726 6AM5 1S5 1N5GT 5678 1AD4 1AD4 1AD4 5911 6008 1U4 1T4 1L4 1AJ4 1AN5 14L7 14G6 14L7 7C6 6CV7 6Q7 6CV7 6AK8 12Q7GT 12Q7GT 6AT6 7B6 6CV7 1A7GT 1R5 1AC6 1AB6 1AB6DA90DAC21DAC32DAF90DAF91DAF92DAF96DAF97DC70DC80DCC90DCF60DD6DDTDD77DDR7DF26DF33DF60DF62DF652DF668DF67DF67DF904DF91DF92DF96DF97DH118DH119DH142DH149DH150DH63DH718DH719DH74DH76DH77DH81DH817DK32DK91DK92DK96DK97DL33 DL35 DL36 DL37 DL620 DL67 DL67 DL82 DL91 DL92 DL93 DL94 DL95 DL96 DL98 DM160 DM70 DM71 DP61 DY30 DY51 DY70 DY80 DY802 DY86 DY87 E130L E1485 E180CC E180F E180L E182CC E182F E186F E188CC E1FE2016 E2157 E2163 E2164 E280F E288CC E55L E80CC E80CF E80F E80L 3Q5GT 1C5GT 1Q5GT 6L6GC 5672 5913 6007 7B61S43S43A43V43Q43C43B4 6977 1M3 1N36AK5 1B3GT 1BG2 5642 1X2A 1BQ2 1S21S2A 7534 3A4 7062 6688 7534 7119 5847 7737 7308 9546CQ6 12AT7 12AU7 12AX7 7722 8223 8233 6085 7643 6084 6227E80TE810FE81CCE81CCE81LE82CCE83CCE83FE84LE88CE88CE88CCE89FE902E90CE90CCE90FE90ZE91AAE91HE91NE95FE99FEA41EA50EA76EAA91 6218 7788 12AT7 6201 6686 12AU7 6681 6689 7320 6DL4 8255 6922 6DG7 6X4 5920 5920 6BH6 6X4 5726 6687 5727 6AK5 6BJ6 6CT7 2B35 6489 5726 6AL5 6AK8EAF41 6CT7 EAF42 6CT7 EAM86 6GX8 EB34 6H6EB91 6AL5 EBC3 6BD7A EBC41 6CV7 EBC80 6BD7 EBC81 6BD7 EBC90 6AT6 EBC91 6AV6 EBF32 6B8 EBF41 6CJ5 EBF80 6N8 EBF81 6AD8 EBF83 6DR8 EBF85 6DC8 EBF89 6DC8EC1000 8254 EC22 6R4EAA901 EABC80EC55 ECTO EC71 EC80 EC806S EC81 EC84 EC86 EC88 EC88 EC90 EC900 EC91 EC92 EC93 EC94 EC95 EC97 ECC180 ECC186 ECC189 ECC230 ECC32 ECC35 ECC70 ECC801 ECC802 ECC803 ECC804 ECC81 ECC813 ECC82 ECC83 ECC84 ECC85 ECC86 ECC863 ECC88 ECC89 ECC900 ECC91 ECF200 ECF201 ECF202 ECF80 ECF801 ECF802 ECF805 ECF82 5861 5718 5718 6Q4 6CM46R4 6AJ4 6CM46DL4 82556C46HA56AQ16AB46BS46AF46ER56FY56BQ7A 12AU7 6ES8 60806SN7GT 6SL7 6021 6060 6189 60576GA812AT7 646312AU7 12AX7 6CW76AQ86GM8 12DT7 6DJ86FC76HA56J6 6X9 6U96AJ96BL86GJ76JW86GV76U8ECH113 ECH200 ECH35 ECH42 ECH80 ECH81 ECH82 ECH83 ECH84 ECL80 ECL82 ECL821 ECL84 ECL85 ECL86 ECLL800 ED2ED500 EF13 EF183 EF184 EF190 EF22 EF36 EF37 EF39 EF41 EF70 EF71 EF72 EF73 EF730 EF731 EF732 EF732 EF734 EF74 EF80 EF81 EF8U EF812 EF814 EF82 EF83 EF85 EF86 EF87 EF896CU7 6V96E8G 6CU7 6AN7 6AJ8 6E86DS8 6JX8 6AB8 6BM8 6CH6 6DX8 6GV8 6GW8 16KH8 6AL5 6ED4 6DA6 6EH7 6EJ7 6CB6 7A76J76J7GT 6K76CJ5 6487 5899 5840 6488 5636 5899 5840 5901 6205 6391 6BX6 6BH5 6EH7 6EL7 6EJ7 6CH6 6BK8 6BY7 6267 6267 6DA6EF905 EF91 EF92 EF93 EF94 EF95 EF96 EF97 EF98 EFL200 EH90 EK90 EL180 EL300 EL33 EL34 EL36 EL37 EL38 EL41 EL500 EL503 EL504 EL505 EL508 EL71 EL80 EL802 EL803 EL81 EL82 EL820 EL821 EL822 EL83 EL84 EL85 EL86 EL90 EL91 EL95 ELF86 ELL80 EM34 EM35 EM80 EM81 EM84 5654 6AM6 6CQ6 6BA6 6AU6 6AK5 6AG5 6ES6 6ET6 6Y9 6CS6 6BE6 12BY7 6FN5 6M6G 6CA7 6CM5 6L66CN6 6CK5 6GB5 8278 6GB5 6KG6 6KW6 5902 6M5 6LD6 6CK6 6CJ6 6DY5 6CK6 6CH6 6CH6 6CK6 6BQ5 6BN5 6CW5 6AQ5 6AM5 6DL5 6HG8 6HU8 6CD7 6U5 6BR5 6DA5 6FG6EM840 6FG6 EM85 6DG7 EM87 6HU6 EN32 2050 EN91 2D21 EN93 6D4EQSO 6BE7 EY500 6EC4 EY51 6X2 EY80 6U3 EY81 6R3 EY81F 6V3 EY82 6N3 EY83 6AL3 EY84 6374 EY86 6S2 EY87 6S2A EY88 6AL3 EZ11 6V4 EZ22 7Y4 EZ3 6V4 EZ35 6X5G EZ4 6CA4 EZ4O 6BT4 EZ80 6V4 EZ81 6CA4 EZ90 6X4 EZ900 6063 EZ91 6AV4 F1EL 8278 FA6 5677 G/5O/4K 0A2G1O5/1D 0C3G15O/3D 0D3G75/2D 0A3G77 6C6 GY5O1 3BH2 GZ3O 5Z4G GZ31 5U4G GZ32 5V4GA GZ34 5AR4 H2-10 2X2AH52 5U4GB H63 6F5GT HAA91 12AL5 HABC80 19T8HBC90 12AT6HBC91 12AV6 HCC85 17EW8。
国内外常用电子管代换大全专业音响知识2008-06-1220:54阅读185评论0字号:大中小一、常用型号、用途及代换常用型号管芯结构主要用途国外同类型号代备注5X4G直热式双阳极二极管小功率全波整流氧化物阴极5Z3P直热式双阳极二极管小功率全波整流5T4、5ц3C、CV1861、5R4GY、U52、CV1071、5V3、5AU4、5U4G 氧化物阴极5Z4P旁热式双阳极二极管小功率全波整流*5B×1、*5ц4C,GZ30、CV2748、5Z4G/GT氧化物阴极5Z1P直热式双阳极二极管小功率全波整流氧化物阴极5Z2P直热式双阳极二极管小功率全波整流5W4、5Y3G、80、U50氧化物阴极5Z8P旁热式双阳极二极管全波整流*5ц8C氧化物阴极5Z9P旁热式双阳极二极管全波整流*5ц9C氧化物阴极6Z4旁热式双阳极二极管全波整流*6ц4П、6B×4、6×4、6Z31共阴极6Z5P旁热式双阳极二极管小功率全波整流*6ц5C共阴极6H2旁热式双阳极二极管检波、整流*6×2П、6AL5、C氧化物阴极6C1旁热式三极管宽带电压放大*6C1П、CV664、9002氧化物阴极6C3旁热式三极管宽带电压放大*6C3П阴地三极管6C4旁热式三极管宽带电压放大*6C4П栅地三极管6C5P旁热式三极管低频电压放大6C5GT、*6C5C、6C5、CV1067、L63氧化物阴极6C6B旁热式三极管低频电压放大5703、CV3917、*6C6Ь氧化物阴极6C7B旁热式三极管低频电压放大*6C7Ь氧化物阴极6C12旁热式三极管宽带电压放大EC88、5842高S、低N6C31B-Q旁热式三极管电压放大*6C31Ь-B氧化物阴极6C32B-Q旁热式三极管电压放大*6C32Ь-B遥截止三极管6N1旁热式双三极管低频电压放大*6H1П、6AQ8、AA61、ECC40/82氧化物阴极6N2旁热式双三极管低频电压放大*6H2П、6AX7、6AV7、ECC41氧化物阴极6N3旁热式双三极管低频电压放大*6H3П、6A8Q、2C51、ECC42氧化物阴极6N4旁热式双三极管低噪声电压放大ECC83、12A×7高μ、低N6N5P旁热式双三极管低频功率放大*6H13C、6AS7、CV2523、6NS7G/GT低Ri6N6(T)旁热式双三极管低频电压放大*6H6П、E182CC、12BH7氧化物阴极6N7P旁热式双三极管低频功率放大6H7、*H7C、6N7/G/GT共阴极6N8P旁热式双三极管低频电压放大*6H8C*6H8M、6SN7、6F8G、CV181、QB65、ECC32氧化物阴极6N9P旁热式双三极管低频电压放大*6H9C、6SL7、ECC35、6SC7、6CY7高μ6N10旁热式双三极管低频电压放大*6H10M、12AV7A、E82CC、CV491氧化物阴极6N11旁热式双三极管宽带电压放大*6H23П、6DJ8、ECC84、E88CC、6922、CV2492高S、低RI、N 6N12P旁热式双三极管低频电压放大*6H12C、TS229、5687氧化物阴极6N13P旁热式双三极管低频功率放大*6H13C、6AS7、CV2523、6NS7G/GT低内阻6N15旁热式双三极管低频电压放大*6H15П、6J6WA、6CC31、CV858共阴极6N16B旁热式双三极管低频电压放大氧化物阴极6N17B旁热式双三极管低频电压放大*6H17Ь、6112、CV5007氧化物阴极6N21B-Q旁热式双三极管低频电压放大氧化物阴极6N23旁热式双三极管低频电压放大6DJ8、ECC88、PCC88高μ低N6J1旁热锐止五极管宽带电压放大*6ж1П、6AK5、6BC5、EF40、EF95、CV850高频管6J1B锐截止五极管宽带电压放大*6ж1Ь、CV3929、61489、CK5702/7083旁热式阴极6J2锐截止五极管宽带电压放大*6ж2П、6AS6、CV2522、EF11/732、CV4011旁热式阴极6J2B锐截止五极管宽带电压放大*6ж2Ь、CK5639旁热式阴极6J3锐截止四极管宽带电压放大*6ж3П、EF96、CV848、6BC6、6AG5束射四极管6J4锐截止五极管宽带电压放大*6ж4、6136、6BX6、6AC7、EF94旁热式阴极6J4P锐截止五极管宽带电压放大*6ж4C、CV849、1852旁热式阴极6J5锐截止高频管宽带电压放大*6ж5П、EF80、CV2521、6F36、6AH6高S、束射四极管6J7旁热式阴极五极管低频电压放大6*7、OM5C、KTW61、EF37A、W310A、57、STR4141、低噪声N 6J8锐截止五极管低频电压放大CV2901、6SJ7、6CF8、6267、EF16、EF86、2729低噪声N6J8P锐截止五极管宽带电压放大*6ж8C、5693、EF6、EBC3、CV592旁热式阴极6J9锐截止五极管宽带电压放大*6ж9П、EF861旁热式阴极6J20锐截止五极管宽带电压放大*6ж20П空间电荷栅6J23高互导双五极管宽带电压放大*6ж23П阴极框架栅6J23B-Q锐截止五极管宽带电压放大*6ж23B-K低振动噪声12J1S锐截止五极管小功率放大*12ж1л氧化物阴极6K1B遥截止五极管宽带电压放大*6K16K3P遥截止五极管宽带电压放大*6K3、6SK7、6K7、KTZ63、CV1074、6D6、6SG7旁热式阴极6K4遥截止五极管宽带电压放大*6K4П、6BA6、6DA6、EF89/93、5749、6K5旁热式阴极6K5遥截止五极管宽带电压放大同6K4旁热式阴极12K3P遥截止五极管宽带电压放大12K3、12SK7/GT旁热式阴极2P2输出四极管低频功率放大2П2П、DL92、1S4T、1L33、1L34直热式阴极2P3束射四极管低频功率放大3A4、1662、CV807、DL93直热式阴极2P19B五极管功率放大直热式阴极2P29直热式五极管功率放大*2、*2П29л氧化物阴极4P1S直热式阴极功率放大*4П1л、4L2D五极管6P1束射四极管低频功率放大*6П1П、6AQ5、6BW6、6L31、EL14、90旁热式阴极6P3P束射四极管低频功率放大*6П3C、*6л6C、6L6、6L6G/GT、1614、1619、1622同型:1631、6TT3C 6P4P束射四极管低频功率放大旁热式阴极6P6P旁热式束射四极管低频功率放大*6П2、*6П6C、6Φ6、1611、1613、1621、6K6、CV509、6V6GT、CV510、CV1912、CV511、6N6C、KT636P9P旁热式五极管宽带功率放大*6П9C、CV569氧化物阴极6P13P束射四极管低频功率放大*6П13C(旁热)旁热式阴极6P14P旁热式五极管宽带功率放大*6П14П、6BQ5、N709、EL84、CV2975、7320、6L40氧化物阴极6P15P旁热式五极管低频功率放大6CH6、6CW5、EL180、EL821、CV2127、12BY7A氧化物阴极6P25B束射四极管低频功率放大*6П25Ь、EL71、5902氧化物阴极6P30B-Q束射四极管低频功率放大*6П30Ь-B(旁热)氧化物阴极6P31B-Q束射四极管低频功率放大*6П31Ь-B(旁热)氧化物阴极13P1P输出五极管低频功率放大*13П1C旁热式阴极6S6高S五极管电压/功率放大*6Э1П(旁热)氧化物阴极6T1高频双四极管推挽输出QM322、5656旁热式阴极6A2七极电子管T UNER变频CV453、EK90、X77、*6A2П、6BE5、5750旁热式阴极6F1三极-五极管变频/电压放大*6Φ1П、6BL8、6C16旁热式阴极6F2三极-五极管变频/电压放大6Φ2П、6U8、6GH、CV5065、ECF82、6BL8旁热式阴极6G2P双二极-三极管检波、电压放大*6Γ2、6SQ7、6SQ7GT/G旁热式阴极WE300B直热式三极管功率放大300B、4300A古典式低内阻FU-5直热式三极管低频功率放大T100-1、RK57、ML714、NU-150、CV2622、CV2768F123A、GL805、HF150、CV25FU-7旁热式四极管大S功率放大QV05-25、RK39、HY-61、QE06-50、CV124、8075B/250A、807V、5S1FU-13直热束射四极管功率放大*гY-13、813、4B13TT10、QY2-100、QB2、250、CV278、4T100CV1927、3874A、5C/100AFU-15直热束射五极管中功率放大*гY-15氧化物热子FU-17双束射四极管中功率放大*гY-17、CV3517、6360、QQV03-10、QQV03/12旁热式阴极FU-25旁热束射四极管宽带功率放大1625、FD-25氧化物阴极FU-29双束射四极管宽带功率放大*гY-29、829B旁热式阴极FU-31直热式三极管宽带功率放大2T26、826、826“RCA”钍钨阴极FU-32双束射四极管宽带功率放大*гY-32、RS1019、TT20SRS4452、QQE03/20、P2-12与FU-29类同FU-33直热式三极管功率放大ES833、CV635、B142、3578、833A、5T33钍钨阴极FU-46旁热式五极管中功率放大QV06-20、P40、QE05/40、7212、6146、2B46氧化物阴极FU-50束射五极管宽带功率放大*гY-50、SRS552、P50/2旁热式阴极FU-811直热式三极管宽带功率放大*г-811、811A钍钨阴极FU-250F旁热式四极管宽带功率放大4C×250A金属陶瓷型EL81旁热式五极管功率放大6CJ6氧化物阴极845直热式三极管功率放大UV-845Po≈100W6CY7旁热式双二极管电压放大每组**管特性参数不同Rg<100kΩ6CX8旁热式三极管-五极管电压放大和P-K分割比6U9、6F2靓高S 18045旁热式五极管小型功放作耳机放大有极佳表现Po>1WFC4旁热式三极管电压放大*гC4金属陶瓷管6C22D旁热式三极管电压放大5876金属陶瓷管6550旁热束射四极管功率放大KT88氧化物阴极KT100旁热束射四极管功率放大KT94氧化物阴极PL81旁热式五极管功率放大21A6氧化物阴极EL34旁热式五极管功率放大6CA7、KT66氧化物阴极2A3直热式三极管功率放大*2C4、AD1、6A3、6B4G、6C4C211直热式三极管功率放大FD422直热式五极管功率放大2E226C33C-B旁热式三极管功率放大二、国内外电子管代换常用电压放大级即前级放大胆管代换表6N1ECC85,6AQ8,6H1л6N412AX7,ECC83,E83CC,7729,CV4004,B759,CV4926N1012AU7,ECC82,E82CC,7316,CV4003,5814,B749,61896N116DJ8,E88CC,ECC88,6922,ECC189,6J5,6H11N,7308,El88CC6N8P6SN7,B65,5692,33S30,CV1988,6H8C,6HM,6F8G,16336H8C6HM,6F8G,1633,9002,6C8G6J8P6SJ7,6267,EF86,12AT7ECC81,CV4024,6201,B739,A2900,2025,ECC8015 6N9P6SL7,5691,33S29,VT2296F2ECF82,6U86N26H2л功率用管代换表6P3P6L6GC,58816P6P6V6GT,5S2,KT63EL346CA7,KT66,7027A6P14EL84,6BQ5,6П14П6N5P6080,6AS7,6H5CFU-5805FU-7807,1625FU-13813FU-4606146BFU-17FU-6056T5170926T50FU811811AFU812812AGL-211211300B WE300B,NL50,4300BKT886550,NT99,KT1002A32A3S845845A6360,TY-7整流电子管代换及特性表型号代换型号Bb2V UfV/I I2L(mA)最大型式5U4G5Z3P,U52500V5V/3A2500直热式5Y3GT522P350V5V/2A125直热式5R4GY22S2C900V5V/2A150直热式5T4450V5V/3A250A直热式6Z4350V 6.3V/0.5A50直热式6Z56X5230V 6.3V/0.8A60旁热式6X4325V 6.3V/0.5A70旁热式5Z4P5Z4400V5V/2A125旁热式5AR4GZ34450V5V/1.9A250旁热式。
国内外电子管代换常用型号管芯结构主要用途国外同类型号代备注5X4G 直热式双阳极二极管小功率全波整流氧化物阴极5Z3P 直热式双阳极二极管小功率全波整流5T4、5ц3C、CV1861、5R4GY、U52、CV1071、5V3、5AU4、5U4G氧化物阴极5Z4P 旁热式双阳极二极管小功率全波整流*5B×1、*5ц4C,GZ30、CV2748、5Z4G/GT 氧化物阴极5Z1P 直热式双阳极二极管小功率全波整流氧化物阴极5Z2P 直热式双阳极二极管小功率全波整流5W4、5Y3G、80、U50 氧化物阴极5Z8P 旁热式双阳极二极管全波整流*5ц8C 氧化物阴极5Z9P 旁热式双阳极二极管全波整流*5ц9C 氧化物阴极6Z4 旁热式双阳极二极管全波整流*6ц4П、6B×4、6×4、6Z31 共阴极6Z5P 旁热式双阳极二极管小功率全波整流*6ц5C 共阴极6H2 旁热式双阳极二极管检波、整流*6×2П、6AL5、C 氧化物阴极6C1 旁热式三极管宽带电压放大*6C1П、CV664、9002 氧化物阴极6C3 旁热式三极管宽带电压放大*6C3П阴地三极管6C4 旁热式三极管宽带电压放大*6C4П栅地三极管6C5P 旁热式三极管低频电压放大6C5GT、*6C5C、6C5 、CV1067、L63氧化物阴极6C6B 旁热式三极管低频电压放大5703、CV3917、*6C6Ь氧化物阴极6C7B 旁热式三极管低频电压放大*6C7Ь氧化物阴极6C12 旁热式三极管宽带电压放大EC88、5842 高S、低N6C31B-Q 旁热式三极管电压放大*6C31Ь-B 氧化物阴极6C32B-Q 旁热式三极管电压放大*6C32Ь-B 遥截止三极管6N1 旁热式双三极管低频电压放大*6H1П、6AQ8、AA61、ECC40/82 氧化物阴极6N2 旁热式双三极管低频电压放大*6H2П、6AX7、6A V7、ECC41 氧化物阴极6N3 旁热式双三极管高频电压放大*6H3П、6A8Q、2C51、ECC42 氧化物阴极6N4 旁热式双三极管低噪声电压放大ECC83、12A×7 高μ、低N6N5P 旁热式双三极管低频功率放大*6H13C、6AS7、CV2523、6NS7G/GT 低Ri6N6(T)旁热式双三极管低频电压放大*6H6П、E182CC、12BH7 氧化物阴极6N7P 旁热式双三极管低频功率放大6H7、*H7C、6N7/G/GT共阴极6N8P 旁热式双三极管低频电压放大*6H8C*6H8M、6SN7、6F8G、CV181、QB65、ECC32 氧化物阴极6N9P 旁热式双三极管低频电压放大*6H9C、6SL7、ECC35、6SC7、6CY7 高μ6N10 旁热式双三极管低频电压放大*6H10M、12A V7A、E82CC、CV491 氧化物阴极6N11 旁热式双三极管宽带电压放大*6H23П、6DJ8、ECC84、E88CC、6922、CV2492 高S、低RI、N6N12P 旁热式双三极管低频电压放大*6H12C、TS229、5687氧化物阴极6N13P 旁热式双三极管低频功率放大*6H13C、6AS7、CV2523、6NS7G/GT 低内阻6N15 旁热式双三极管低频电压放大*6H15П、6J6WA、6CC31、CV858 共阴极6N16B 旁热式双三极管低频电压放大氧化物阴极6N17B 旁热式双三极管低频电压放大*6H17Ь、6112、CV5007 氧化物阴极6N21B-Q 旁热式双三极管低频电压放大氧化物阴极6N23 旁热式双三极管低频电压放大6DJ8、ECC88、PCC88高μ低N6J1 旁热锐止五极管宽带电压放大*6ж1П、6AK5、6BC5、EF40、EF95、CV850 高频管6J1B 锐截止五极管宽带电压放大*6ж1Ь、CV3929、61489、CK5702/7083 旁热式阴极6J2 锐截止五极管宽带电压放大*6ж2П、6AS6、CV2522、EF11/732、CV4011 旁热式阴极6J2B 锐截止五极管宽带电压放大*6ж2Ь、CK5639 旁热式阴极6J3 锐截止四极管宽带电压放大*6ж3П、EF96、CV848、6BC6、6AG5 束射四极管6J4 锐截止五极管宽带电压放大*6ж4、6136、6BX6、6AC7、EF94 旁热式阴极6J4P 锐截止五极管宽带电压放大*6ж4C、CV849、1852 旁热式阴极6J5 锐截止高频管宽带电压放大*6ж5П、EF80、CV2521、6F36、6AH6 高S、束射四极管6J7 旁热式阴极五极管低频电压放大6*7 、OM5C、CV1056 、CV1404、EF36、NR49、VR56、KTW61、EF37A、5A/157D、CV358、CV5080、OM5B、W310A、57、STR4141、低噪声N 6J8 锐截止五极管低频电压放大CV2901、6SJ7、6CF8、6267、EF16、EF86、2729 低噪声N6J8P 锐截止五极管宽带电压放大*6ж8C、5693、EF6、EBC3、CV592 旁热式阴极6J9 锐截止五极管宽带电压放大*6ж9П、EF861 旁热式阴极6J20 锐截止五极管宽带电压放大*6ж20П空间电荷栅6J23 高互导双五极管宽带电压放大*6ж23П阴极框架栅6J23B-Q 锐截止五极管宽带电压放大*6ж23B-K 低振动噪12J1S 锐截止五极管小功率放大*12ж1л氧化物阴极6K1B 遥截止五极管宽带电压放大*6K16K3P 遥截止五极管宽带电压放大*6K3、6SK7、6K7、KTZ63、CV1074、6D6、6SG7 旁热式阴极6K4 遥截止五极管宽带电压放大*6K4П、6BA6、6DA6、EF89/93、5749、6K5 旁热式阴极6K5 遥截止五极管宽带电压放大同6K4 旁热式阴极12K3P 遥截止五极管宽带电压放大12K3、12SK7/GT 旁热式阴极2P2 输出四极管低频功率放大2П2П、DL92、1S4T、1L33、1L34 直热式阴极2P3 束射四极管低频功率放大3A4、1662、CV807、DL93 直热式阴极2P19B 五极管功率放大直热式阴极2P29 直热式五极管功率放大*2、*2П29л氧化物阴极4P1S 直热式阴极功率放大*4П1л、4L2D 五极管6P1 束射四极管低频功率放大*6П1П、6AQ5、6BW6、6L31、EL14、90 旁热式阴极6P3P 束射四极管低频功率放大*6П3C、*6л6C、6L6、6L6G/GT、1614、1619、1622 同型:1631、6TT3C6P4P 束射四极管低频功率放大旁热式阴极6P6P 旁热式束射四极管低频功率放大*6П2、*6П6C、6Φ6、1611、1613、1621、6K6、CV509、6V6GT、CV510、CV1912、CV511、6N6C、KT636P9P 旁热式五极管宽带功率放大*6П9C、CV569 氧化物阴极6P13P 束射四极管低频功率放大*6П13C(旁热)旁热式阴极6P14P 旁热式五极管宽带功率放大*6П14П、6BQ5、N709、EL84、CV2975、7320、6L40 氧化物阴极6P15P 旁热式五极管低频功率放大6CH6、6CW5、EL180、EL821、CV2127、12BY7A 氧化物阴极6P25B 束射四极管低频功率放大*6П25Ь、EL71、5902 氧化物阴极6P30B-Q 束射四极管低频功率放大*6П30Ь-B(旁热)氧化物阴极6P31B-Q 束射四极管低频功率放大*6П31Ь-B(旁热)氧化物阴极13P1P 输出五极管低频功率放大*13П1C 旁热式阴极6S6 高S五极管电压/功率放大*6Э1П(旁热)氧化物阴极6T1 高频双四极管推挽输出QM322、5656 旁热式阴极6A2 七极电子管TUNER变频CV453、EK90、X77、*6A2П、6BE5、5750 旁热式阴极6F1 三极-五极管变频/电压放大*6Φ1П、6BL8、6C16 旁热式阴极6F2 三极-五极管变频/电压放大6Φ2П、6U8、6GH、CV5065、ECF82、6BL8 旁热式阴极6G2P 双二极-三极管检波、电压放大*6Γ2、6SQ7、6SQ7GT/G 旁热式阴极WE300B 直热式三极管功率放大300B、4300A 古典式低内阻FU-5 直热式三极管低频功率放大T100-1、RK57、ML714、NU-150、CV2622、CV2768 F123A、GL805、HF150、CV25 FU-7 旁热式四极管大S功率放大QV05-25、RK39、HY-61、QE06-50、CV124、807 5B/250A、807V、5S1FU-13 直热束射四极管功率放大*гY-13、813、4B13 TT10 、QY2-100、QB2、250、CV278、4T100 CV1927、3874A、5C/100AFU-15 直热束射五极管中功率放大*гY-15 氧化物热子FU-17 双束射四极管中功率放大*гY-17、CV3517、6360、QQV03-10、QQV03/12 旁热式阴极FU-25 旁热束射四极管宽带功率放大1625、FD-25 氧化物阴极FU-29 双束射四极管宽带功率放大*гY-29、829B 旁热式阴极FU-31 直热式三极管宽带功率放大2T26、826、826“RCA”钍钨阴极FU-32 双束射四极管宽带功率放大*гY-32、RS1019、TT20SRS4452、QQE03/20、P2-12 与FU-29类同FU-33 直热式三极管功率放大ES833、CV635、B142、3578、833A、5T33 钍钨阴极FU-46 旁热式五极管中功率放大QV06-20、P40、QE05/40、7212、6146、2B46 氧化物阴极FU-50 束射五极管宽带功率放大*гY-50、SRS552、P50/2旁热式阴极FU-811 直热式三极管宽带功率放大*г-811、811A 钍钨阴极FU-250F 旁热式四极管宽带功率放大4C×250A 金属陶瓷型EL81 旁热式五极管功率放大6CJ6 氧化物阴极845 直热式三极管功率放大UV-845 Po≈100W6CY7 旁热式双二极管电压放大每组**管特性参数不同Rg<100kΩ6CX8 旁热式三极管-五极管电压放大和P-K分割比6U9、6F2靓高S18045 旁热式五极管小型功放作耳机放大有极佳表现Po>1WFC4 旁热式三极管电压放大*гC4 金属陶瓷管6C22D 旁热式三极管电压放大5876 金属陶瓷管6550 旁热束射四极管功率放大KT88 氧化物阴极KT100 旁热束射四极管功率放大KT94 氧化物阴极PL81 旁热式五极管功率放大21A6 氧化物阴极EL34 旁热式五极管功率放大6CA7、KT66 氧化物阴极2A3 直热式三极管功率放大*2C4、AD1、6A3、6B4G、6C4C211 直热式三极管功率放大FD422 直热式五极管功率放大2E22 6C33C-B 旁热式三极管功率放大欧美电子管置换表E83F 6689E84L 7320E88C 6DL4E88C 8255E88CC 6922E89F 6DG7E902 6X4E90C 5920E90CC 5920E90F 6BH6E90Z 6X4E91AA 5726E91H 6687E91N 5727E95F 6AK5E99F 6BJ6EA41 6CT7EA50 2B35EA76 6489EAA901 5726EAA91 6AL5EABC80 6AK8EAF41 6CT7EAF42 6CT7EAM86 6GX8EB34 6H6EB91 6AL5EBC3 6BD7AEBC41 6CV7EBC80 6BD7EBC81 6BD7EBC90 6AT6EBC91 6A V6EBF32 6B8EBF41 6CJ5EBF80 6N8EBF81 6AD8EBF83 6DR8EBF89 6DC8 EC1000 8254 EC22 6R4EC55 5861 EC70 5718 EC71 5718 EC80 6Q4EC806S 6CM4 EC81 6R4EC84 6AJ4 EC86 6CM4 EC88 6DL4 EC88 8255 EC90 6C4EC900 6HA5 EC91 6AQ4 EC92 6AB4 EC93 6BS4 EC94 6AF4 EC95 6ER5 EC97 6FY5 ECC180 6BQ7A ECC186 12AU7 ECC189 6ES8 ECC230 6080 ECC32 6SN7GT ECC35 6SL7 ECC70 6021 ECC801 6060 ECC802 6189 ECC803 6057 ECC804 6GA8 ECC81 12AT7 ECC813 6463 ECC82 12AU7 ECC83 12AX7 ECC84 6CW7 ECC85 6AQ8 ECC86 6GM8 ECC863 12DT7 ECC88 6DJ8 ECC89 6FC7 ECC900 6HA5ECF200 6X9 ECF201 6U9 ECF202 6AJ9 ECF80 6BL8 ECF801 6GJ7 ECF802 6JW8 ECF805 6GV7 ECF82 6U8 ECF86 6HG8 ECH113 6CU7 ECH200 6V9 ECH35 6E8G ECH42 6CU7 ECH80 6AN7 ECH81 6AJ8 ECH82 6E8 ECH83 6DS8 ECH84 6JX8 ECL80 6AB8 ECL82 6BM8 ECL821 6CH6 ECL84 6DX8 ECL85 6GV8 ECL86 6GW8 ECLL800 16KH8 ED2 6AL5 ED500 6ED4 EF13 6DA6 EF183 6EH7 EF184 6EJ7 EF190 6CB6 EF22 7A7 EF36 6J7EF37 6J7GT EF39 6K7 EF41 6CJ5 EF70 6487 EF71 5899 EF72 5840 EF73 6488 EF730 5636 EF731 5899 EF732 5840EF732 5901 EF734 6205 EF74 6391 EF80 6BX6 EF81 6BH5 EF811 6EH7 EF812 6EL7 EF814 6EJ7 EF82 6CH6 EF83 6BK8 EF85 6BY7 EF86 6267 EF87 6267 EF89 6DA6 EF89F 6DG7 EF905 5654 EF91 6AM6 EF92 6CQ6 EF93 6BA6 EF94 6AU6 EF95 6AK5 EF96 6AG5 EF97 6ES6 EF98 6ET6 EFL200 6Y9 EH90 6CS6 EK90 6BE6 EL180 12BY7 EL300 6FN5 EL33 6M6G EL34 6CA7 EL36 6CM5 EL37 6L6 EL38 6CN6 EL41 6CK5 EL500 6GB5 EL503 8278 EL504 6GB5 EL505 6KG6 EL508 6KW6 EL71 5902 EL80 6M5 EL802 6LD6 EL803 6CK6EL82 6DY5 EL820 6CK6 EL821 6CH6 EL822 6CH6 EL83 6CK6 EL84 6BQ5 EL85 6BN5 EL86 6CW5 EL90 6AQ5 EL91 6AM5 EL95 6DL5 ELF86 6HG8 ELL80 6HU8 EM34 6CD7 EM35 6U5 EM80 6BR5 EM81 6DA5 EM84 6FG6 EM840 6FG6 EM85 6DG7 EM87 6HU6 EN32 2050 EN91 2D21 EN93 6D4 EQ80 6BE7 EY500 6EC4 EY51 6X2 EY80 6U3 EY81 6R3 EY81F 6V3 EY82 6N3 EY83 6AL3 EY84 6374 EY86 6S2 EY87 6S2A EY88 6AL3 EZ11 6V4 EZ22 7Y4 EZ3 6V4 EZ35 6X5G EZ4 6CA4 EZ40 6BT4 EZ80 6V4EZ90 6X4EZ900 6063EZ91 6A V4F1EL 8278FA6 5677G/50/4K OA2G105/1D OC3G150/3D OD3G75/2D OA3G77 6C6GY501 3BH2GZ30 5Z4GGZ31 5U4GGZ32 5V4GAGZ34 5AR4H2-10 2X2AH52 5U4GBH63 6F5GT HAA91 12AL5 HABC80 19T8 HBC90 12AT6 HBC91 12A V6 HCC85 17EW8 HCH81 12AJ7HD14 1H5GT HD30 3B4HD51 OA2HD52 OB2HD93 1X2BHD94 6BQ6GTB HD96 25BQ6GTB HF121 12AC5HF61 6CJ5HF93 12BA6HF94 12AU6HK90 12BE6HL86 30CW5HL90 19AQ5HL92 50C5HL94 30A5HM04 6BE6HP6 6AM6HY145 1U4HZ50 14Z3 HZ90 12X4 KD21 OA3 KD24 OC3 KD25 OD3KL35 1F5G KT32 25W6GT KT33 25A6 KT61 6M6G KT63 6F6G KT66 6L6GC KT71 50L6GT KT77 6CA7 KT88 6550 KTW63 6J7GT KTZ63 6K7GT KTZ63M 6J7GT KY80 5J2L63 6J5L63B 6J5L77 6C4LC900 3HA5 LC97 3FY5 LCC189 5ES8 LCF200 5X9 LCF201 5U9 LCF80 6LN8 LCF801 5GJ7 LCF802 6LX8 LCF86 5HG8 LCH200 5V9 LCL200 10DX8 LCL82 11BM8 LCL84 10DX8 LCL85 10GV8 LF183 4EH7LF184 4EJ7 LFL200 11Y9LL500 18GB5 LL505 27KG66 LL521 21KQ6 LL86 10CW5 LN119 50BM8LN319 13GC8L Y500 28EC4L Y81 11R3L Y88 20AQ3 LZ319 9A8LZ329 9A8LZ339 9EN7M8063 6AM6M8079 5726M8081 6J6M8096 5763M8100 5654M8121 5840M8136 6189M8137 12AX7A M8162 12AT7W A M8196 5725M8204 5727M8212 5726M8223 OA2W A M8224 OB2W A M8232 6J4W AM8245 6005MU14 6BT4 MV6-5 6SA7GT N119 45B5N14 1C5GTN142 45A5N144 6AM5N147 6M6GN148 7C5N15 3Q5GTN150 6CK5N152 21A6N153 15A6N154 16A5N155 6BN5N16 3Q5GTN17 3S4N18 3Q4N19 3V4N22LL 19KF6N25 3C4N308 25E5N309 15A6N30EL 6LF6N329 16A5N359 21A6N369 16A8N378 15CW5N379 15CW5N389 25GF6N47 6AM5N63 6K6GTN66 6L6GTN709 6BQ5N727 6AQ5N77 6AM5N78 6BJ5OA2 150C1OA2 150C2OA2 150C4OA2 G/50/4K OA2 HD51OA2 QS1207 OA2 S856OA2 SM150-30 OA2 STR108/30 OA2 STR150/30 OA2 STV150/30 OA2W A M8223 OA2W A QS1210 OA3 G75/2D OA3 KD21OA3 QS1205 OA4G PL1267 OA4G RL1267 OA4G Z300T OB2 108C1OB2 HD52OB2 QS1208 OB2 S860OB2 SR55OB2 STV108/30 OB2WA M8224 OB2WA QS1211OBC3 12SQ7 OC3 G105/1D OC3 KD24 OC3 QS1206 OD3 150C3 OD3 G150/3D OD3 KD25 OD3 QS150/40 OD3 VR150 OE3 85A1OF1 6S7OF5 12K7GT OG3 85A2 OG3 SR2OG3 STR85/10 OG3 STV85/10 OH4 12A8 OM3 6H6OM5 6S7OM6 6K7 OSW2190 6AC7 OSW2192 6AG7 OSW2600 6AC7 OSW2601 6AG7 OSW3104 6SA7 OSW3105 6SQ7 OSW3106 6V6GT OSW3107 5CG4 OSW3107 5Z4G OSW3109 6H6 OSW3110 6E5 OSW3111 6SK7 OSW3112 6J5P17A 807 PABC80 9AK8 PC86 4CM4PC88 4DL4PC900 4HA5PC95 4GK5PC97 4FY5 PCC186 7AU7 PCC189 7ES8 PCC805 7EK7 PCC84 7AN7PCC88 7DJ8 PCC89 7FC7 PCE800 9GB8 PCF200 8X9 PCF201 8U9 PCF80 9A8 PCF800 9EN7 PCF801 8GJ7 PCF802 9JW8 PCF805 7GV7 PCF806 8GJ7 PCF82 9U8 PCF86 8HG8 PCH200 9V9 PCL800 16GK8 PCL801 13GC8 PCL82 16A8 PCL84 15DQ8 PCL85 18GV8 PCL86 14GW8 PCL88 16GK8 PD500 9ED4 PF86 4HR8 PF9 6K7 PFL200 16Y9 PH4 6A8 PL1267 OA4G PL21 2D21 PL300 35FN5 PL302 25GF6 PL36 25E5 PL500 27GB5 PL505 40KG6 PL508 17KW6 PL521 29KQ6 PL801 12FB5 PL81 21A6 PL82 16A5 PL820 21A6 PL83 15A6 PL84 15CW5 PLL80 12HU8 PM04 6BA6PM07 6AM6 PM95 6AK6PP6BG 6M6G PY301 19CS4PY500 42EC4PY80 19X3PY800 17Z3PY801 17Z3PY81 17Z3PY82 19Y3PY83 17Z3PY88 30AE3 QA2401 6135QA2404 5726QA2406 12AT7WB QA2407 6201QA2408 5692QB309 12AT7 QB5/1750 6079QB65 6SN7GT QE03/10 5763QE05/40 6146QE05/40H 6159QE06/50 807QL77 6C4QM556 6X4W QM556 6X4W QM557 5654QM558 5725QM559 5726QN77 6AM5 QQE02/5 6939 QQE03/12 6360 QQE03/20 6252 QQE06/40 5894 QQV02-6 6939 QQV03-10 6360 QQV03-20 6252QS1205 OA3QS1206 OC3QS1207 OA2QS1208 OB2QS1209 5651AQS1211 OB2W A QS150/40 OD3QS2404 5726QS2406 12AT7W A QV03-12 5763QV05-25 807QV06-20 6146QW77 6CQ6 QZ77 6AM6R12 6X2R144 6AM6R16 1T2R19 1X2AR20 2J2R3 1W4R52 5Z4GRL1267 OA4G RL21 2D21RS1029 6360RS2 5Z4S6F12 6AM6S856 OA2S860 OB2SM150-30 OA2SP6 6AM6SR2 OG3SR3 0B2SR55 OB2SR56 0A2STR108/30 OA2STR150/30 OA2STR85/10 OG3STV108/30 OB2STV150/30 OA2STV85/10 OG3SU61 6X2T2M05 6J6T6D 2B35T77 6C6TH62 6E8GTM12 6J4TTZ63 6J7U118 31A3U142 31A3U145 31A3U147 6X5G U149 7Y4U150 6BT4U151 6X2U152 19X3U153 17Z3U154 19Y3U191 19CS4 U192 19Y3U193 17Z3U251 17Z3U26 2J2U309 19X3U31 25Z4GT U319 19Y3U329 25BR3 U339 19CS4 U349 17Z3U37 1T2U381 38A3U41 1B3GT U43 6X2U45 6X2U49 2J2U50 5Y3GT U51 5W4GT U52 5U4G U70 6X5G U707 6X4U709 6CA4 U718 6BT4U74 35Z4GT U76 35Z4GT U77 5AR4 U78 6X4U82 7Y4 UAF42 12S7 UBC41 14L7 UBC80 14G6 UBC81 14G6 UBF80 17C8UBF89 19FL8 UCH42 14K7 UCH80 14Y7 UCH81 19D8 UCL82 50BM8 UF41 12AC5 UF89 12AD6 UL41 45A5 UL84 45B5 UM84 12FG6 UN954 954 UN955 955 UQ80 12BE7 UT85 38A3 UU12 6CA4 UU5 6BT4 UU9 6BT4 UY41 31A3 UY42 31A3 UY82 55N3 UY89 38A3 V177 6CQ6 V2M70 6X4V311 31A3V312 31A3V61 6BT4 V741 6C4V884 6CQ6 V886 6AM5 VP12D 12C8 VP6 6CQ6 VR150 OD3 VT83 83W110 13EC7 W118 12AC5 W119 13EC7 W142 12AC5 W143 7A7W145 12AC5 W147 6K7W148 7A7W149 7B7W150 6CJ5 W17 1T4W25 1AJ4W61 6K7W63 6K7W719 6BY7W727 6BA6W739 6EC7W76 12K7W77 6CQ6W81 7A7 WD142 12S7 WD150 6CT7 WD709 6N8 WT301 83X107 18FX6X119 19D8X14 1A7GT X142 14K7X147 6E8GX148 7S7X150 6CU7X155 6BZ8X17 1R5X18 1AC6X20 1AC6X25 1AB6X319 6351X61M 6E8GX63 6ABX64 6L7X65 6E8X719 6AJ8X71M 12K8X727 6BE6X73 6D8X73M 6D8X76M 12K8GT X77 6BE6X79 6AE8X81 7S7 XAA91 3AL5 XB91 3AL5 XC900 2HA5 XC95 2ER5 XC97 2FY5XCC189 4ES8 XCC82 7AU7 XCF80 4BL8 XCF801 4GJ7 XCF82 5U8 XCF86 2HR8 XCH81 3AJ8 XCL82 8B8 XCL85 9GV8 XF183 3EH7 XF184 3EJ7 XF80 3BX6 XF85 3BY7 XF94 3AU6 XL36 13CM5 XL500 13GB5 XL84 8BQ5 XL86 8CW5 XXB 3C6 XXD 14F7 XXFM 7X7 XY88 16AQ3 Y25 1M3Y64 6U5 YC95 3ER5 YC97 3FY5 YCC189 5ES8 YCF86 5HG8 YCL84 10DX8 YF183 4EH7 YF184 4EJ7 YL84 10BQ5 YL86 10CW5 Z14 1N5GT Z150 6CU7 Z152 6BX6 Z300T OA4G Z329 7ED7 Z550M 8453 Z63 6J7Z719 6BX6 Z729 6267Z749 6EL7Z77 6AM6ZA2 954ZD152 6N8ZD17 1S5ZD25 1AH5ZZ1000 822812ZF5 85-LF1 12ZF5 32B812HF6 12HF6A 12HF6 ECC121 12HF6 ECC121A 6LQ6 6JM60A2 AG5211 0A2 SR560B2 SR3108C1 OB210BQ5 YL8410C14 19D810CW5 LL8610CW5 YL8610DE7 9R-AL1 10DX8 LCL200 10DX8 LCL8410EB8 11JE8 10F18 13EC7 10F9 12AC5 10GN8 11JE8 10GV8 LCL85 10HF8 11JE8 10JA8 11JE8 10JY8 11JE8 10LD13 14G6 10LD3 14L7 10LZ8 11JE8 10P18 45B5 10PL12 50BM8 11BM8 LCL82 11JE8 10EB8 11JE8 10GN8 11JE8 10HF8 11JE8 10JA8 11JE8 10JY8 11JE8 10LZ8 11R3 L Y81 11Y9 LFL200 121VP 12AC5 12A6 ABC91 12A8 OH4 12AC5 10F9 12AC5 121VP 12AC5 HF121 12AC5 UF41 12AC5 W118 12AC5 W142 12AC5 W145 12AD6 UF89 12AD7 12AX7 12AF3 12BR3 12AH8 20D3 12AJ7 HCH81 12AL5 HAA91 12A T6 HBC90 12A T7 A2900 12A T7 B152 12A T7 B309 12A T7 B73912A T7 E81CC 12A T7 ECC81 12A T7 QB309 12A T7W A CC81E 12A T7W A M8162 12A T7W A QS2406 12A T7WB QA2406 12AU6 HF9412AU7 12AX7 12AU7 B32912AU7 B74912AU7 E2163 12AU7 E82CC 12AU7 ECC186 12AU7 ECC82 12AU7A 12AX7 12A V6 12BC32 12A V7 12R-LL3 12AX7 12AD7 12AX7 12AU7 12AX7 12AU7A 12AX7 12AX7A 12AX7 12BZ7 12AX7 12DF7 12AX7 12DM7 12AX7 12DT7 12AX7 6L1312AX7 702512AX7 7025A 12AX7 B33912AX7 B75912AX7 E2164 12AX7 ECC83 12AX7A 12AX7 12AX7A M8137 12B-B14 13GB5 12BA6 12F31 12BA6 HF9312BC32 12A V6 12BE6 12H31 12BE6 HK9012BE7 UQ8012BQ6GT 12G-B612BR3 12R-K19 12BY7 EL180 12BZ7 12AX7 12C8 VP12D 12D4A 12G-K17 12DF7 12AX7 12DM7 12AX7 12DT7 12AX7 12DT7 ECC863 12E13 655012F31 12BA612FB5 30P1212FB5 PL80112FG6 UM8412FQ7 12R-LL5 12G-B3 12GW6 12G-B6 12BQ6GT 12G-B7 13CM5 12G-K17 12D4A 12GW6 12G-B3 12H31 12BE6 12HU8 PLL80 12K7 W7612K7GT OF512K8 X71M12K8GT X76M 12Q7GT DH7412Q7GT DH7612R-K19 12BR3 12R-LL3 12AV7 12R-LL5 12FQ7 12S7 UAF42 12S7 WD142 12SN7GT B3612SQ7 OBC312X4 HZ9013CM5 12G-B7 13CM5 XL3613D2 6SN7GT 13D3 615813EC7 10F1813EC7 W11013EC7 W11913GB5 XL500 13GC8 30PL1 13GC8 30PL10 13GC8 LN319 13GC8 PCL801 141DDT 14L7 141TH 14K7 14F7 XXD14G6 10LD13 14G6 DH119 14G6 UBC80 14G6 UBC81 14GW8 PCL86 14K7 141TH 14K7 UCH42 14K7 X142 14L7 10LD3 14L7 141DDT 14L7 DH118 14L7 DH142 14L7 UBC41 14Y7 UCH80 14Z3 HZ50 150B2 6354 150C1 OA2 150C2 OA2 150C3 OD3 150C4 OA215A6 N153 15A6 N309 15A6 PL83 15CW5 30P18 15CW5 N378 15CW5 N379 15CW5 PL84 15DQ8 PCL84 163PEN 16A5 16A 6AM5 16A5 163PEN 16A5 30P16 16A5 N154 16A5 N329 16A5 PL8216A8 N36916A8 PCL82 16AQ3 XY8816GK8 30PL13 16GK8 30PL14 16GK8 PCL800 16GK8 PCL88 16KH8 ECLL800 16Y9 PFL200 171DDP 17C817C8 171DDP 17C8 17N817C8 UBF80 17EW8 HCC85 17KW6 PL508 17N8 17C817Z3 A6117Z3 PY80017Z3 PY80117Z3 PY8117Z3 PY8317Z3 U15317Z3 U19317Z3 U25117Z3 U34918AK5 602818FX6 X10718GB5 LL500 18GD6 19M-R10 18GD6 19M-R9 18GV8 PCL85 19AJ8 19D819AQ5 HL9019BD 19X319CS4 PY301 19CS4 U19119CS4 U33919D8 10C1419D8 19AJ819D8 UCH81 19D8 X11919FL8 UBF89 19KF6 N22LL19M-R10 18GD6 19M-R9 18GD6 19SU 19Y3 19T8 HABC80 19U3 19X3 19W3 19X3 19X3 19BD 19X3 19U3 19X3 19W3 19X3 PY80 19X3 U152 19X3 U309 19Y3 19SU 19Y3 PY82 19Y3 U154 19Y3 U192 19Y3 U3191A3 1D131A3 DA901A3 DAF90 1A5G DL311A7GT DK32 1A7GT X141AB6 1C31AB6 1H351AB6 DK96 1AB6 DK97 1AB6 X251AC6 1C21AC6 DK92 1AC6 X181AC6 X201AD4 DF621AD4 DF652 1AD4 DF668 1AH5 1FD11AH5 DAF96 1AH5 ZD251AJ4 1F11AJ4 DF961AJ4 W251AN5 DAF97 1AN5 DF971AQ5 1H331AS5 1U5SF 1B3GT DY30 1B3GT U411BG2 DY51 1BQ2 DY802 1C1 1R51C2 1AC61C3 1AB61C5GT DL35 1C5GT N141D13 1A31D5 40SUA 1E3 DC801F1 1AJ41F2 1L41F3 1T41F5G KL35 1FD1 1AH5 1FD9 1S51G50 2050A 1H2 1S21H33 1AQ5 1H33 1R5SF 1H35 1AB6 1H5GT DAC32 1H5GT HD14 1L4 1F21L4 DF921M1 1N31M3 DM70 1M3 Y251N3 1M11N3 DM71 1N5GT DF33 1N5GT Z141P1 3C41P10 3S41P11 3V41Q5GT DL36 1R5 1C11R5 DK91 1R5 X171R5SF 1H331RK23 1S21S2 1H21S2 1RK23 1S2 DY861S2A DY87 1S4 DL911S5 1FD91S5 DAC21 1S5 DAF91 1S5 DF261S5 ZD171S5SF 1AR5 1T2 R161T2 U371T4 1F31T4 DF911T4 W171U4 DF904 1U4 HY145 1U5 DAF92 1U5SF 1AS5 1V6 DCF60 1W4 R31X2 1X2A 1X2 1X2B 1X2A 1X21X2A DY80 1X2A R191X2B 1X21X2B HD93 2050 BA2 2050 EN32 2050A 1G50 20A3 2D21 20AQ3 L Y88 20D3 12AH8 20D4 6AJ8 213PEN 21A6 21A6 213PEN 21A6 N152 21A6 N359 21A6 PL81 21A6 PL82021KQ6 LL521 25A6 KT3325BQ6GT 25G-B6 25BQ6GTB HD96 25BR3 25R-K19 25BR3 U32925E5 N30825E5 PL3625G-B6 25BQ6GT 25GF6 30P1925GF6 30P425GF6 N38925GF6 PL30225R-K19 25BR3 25W6GT KT32 25Z4GT U3127GB5 PL500 27KG66 LL505 28EC4 L Y500 29KQ6 PL5212B/250A 8072B35 6D12B35 EA502B35 T6D2D21 20A32D21 4G280K 2D21 ASG512 2D21 EN912D21 PL212D21 RL212ER5 XC952FY5 XC972HA5 XC9002HR8 XCF862J2 R202J2 U262J2 U492X2 2X2A2X2 2Y22X2A 2X22X2A H2-102Y2 2X230A5 HL9430AE3 PY8830C1 9A830C15 9EN7 30C18 7GV7 30CW5 HL86 30F5 7ED7 30FL1 9GB8 30L1 7AN7 30L15 7EK7 30P12 12FB5 30P16 16A5 30P18 15CW5 30P19 25GF6 30P4 25GF6 30PL1 13GC8 30PL10 13GC8 30PL12 16A8 30PL13 16GK8 30PL14 16GK8 311SU 31A3 31A3 311SU 31A3 U118 31A3 U142 31A3 U145 31A3 UY41 31A3 UY42 31A3 V311 31A3 V312 32F 95635FN5 PL300 35W4 HY90 35Z4GT U74 35Z4GT U76 38A3 U119 38A3 U381 38A3 UT85 38A3 UY89 3A4 DL93 3A4 E1485 3A5 DCC90 3AJ8 XCH81 3AL5 XAA91 3AL5 XB91 3AU6 XF943B4 HD303BH2 GY501 3BX6 XF803BY7 XF853BZ6 3M-V7 3C4 1P13C4 DL963C4 N253C6 XXB3D6 DL293DK6 3M-R24 3EH7 XF183 3EJ7 XF184 3ER5 YC953FY5 LC973FY5 YC973HA5 LC900 3M-R24 3DK6 3M-V7 3BZ63Q4 DL953Q4 N183Q5GT DL33 3Q5GT N153Q5GT N163S4 1P103S4 DL923S4 N173S4SF 3W43V4 1P113V4 DL943V4 N193W4 3S4SF 40KG6 PL505 40SUA 1D542EC4 PY500 451PT 45A545A5 451PT 45A5 BF451 45A5 N142 45A5 UL41 45B5 10P18 45B5 N11945B5 UL844BL8 5R-HP1 4BL8 XCF80 4BS8 4R-HH2 4CM4 PC864DL4 PC884EH7 LF183 4EH7 YF183 4EJ7 LF1844EJ7 YF1844ES8 XCC189 4FY5 PC974G280K 2D214GJ7 4GX74GJ7 XCF801 4GK5 PC954GX7 4GJ74HA5 PC900 4HR8 PF864KN8 4R-HH8 4R-HH2 4BS84R-HH8 4KN8 4Y25 80750BM8 10PL12 50BM8 LN119 50BM8 UCL82 50C5 HL92 50L6GT KT71 52KU 5Z4G 54KU 5AQ4 55N3 UY82 5636 EF730 5642 DY70 5651A QS1209 5654 EF905 5654 M8100 5654 QM557 5670 6CC42 5672 DL620 5677 FA6 5678 DF60 5692 6CC10 5692 QA2408 5718 EC70 5718 EC715725 QM558 5726 AA91E 5726 DD77 5726 E91AA 5726 EAA901 5726 M8079 5726 M8212 5726 QA2404 5726 QM559 5726 QS2404 5727 E91N 5727 M8204 5763 M8096 5763 QE03/10 5763 QV03-12 5783 85A3 5823 Z900T 5840 EF72 5840 EF732 5840 M8121 5847 6R-R8C 5847 E182F 5861 EC55 5894 QQE06/40 5899 EF71 5899 EF731 5901 EF732 5902 EL71 5911 DF67 5913 DL67 5920 E90C 5920 E90CC5A/160H 6AM65AQ4 54KU5AR4 GZ345AR4 U775B/250A 8075CG4 OSW3107 5ES8 LCC189 5ES8 YCC189 5GJ7 LCF8015HG8 LCF865HG8 YCF865J6 5M-HH3 5L509 6KG6A5M-HH3 5J65P29 6CN65R-HP1 4BL85S1 8075U4G 5Z105U4G GZ315U4G U525U4GB H525U8 XCF825U9 LCF201 5V4GA GZ325V9 LCH200 5W4GT U515X9 LCF200 5Y3GT U505Z10 5U4G5Z4 RS25Z4G 52KU5Z4G GZ305Z4G OSW3107 5Z4G R526/30L2 6GA8 6005 M8245 6007 DL67 6008 DF67 6021 ECC70 6028 18AK5 6057 ECC803 6060 ECC801 6063 EZ900 6079 QB5/1750 6080 ECC230 6084 E80F 6085 E80CC 6135 QA2401 6146 QE05/40 6146 QV06-20 6158 13D3 6159 QE05/40H 6189 ECC802 6189 M81366201 QA2407 6205 EF734 6218 E80T 6227 E80L 6252 QQE03/20 6252 QQV03-20 6267 6CF8 6267 6F22 6267 8D8 6267 EF86 6267 EF87 6267 Z72962DDT 6CV762TH 6CU762VP 6CJ5 6351 X319 6354 150B2 6360 QQE03/12 6360 QQV03-10 6360 RS1029 6374 EY84 6375 DC70 6391 EF7463TP 6AB8 6463 ECC813 6487 EF70 6488 EF73 6489 EA7664ME 6CD764SPT 6BX4 6550 12E13 6550 7D11 6550 KT8865ME 6BR5 6681 E83CC 6686 E81L 6687 E91H 6688 E180F 6689 E83F66KU 6BT467PT 6CK5 6922 E88CC 6939 QQE02/56939 QQV02-6 6977 DM1606A6 B636A8 6Q86A8 PH46AB X636AB4 EC926AB8 63TP6AB8 ECL806AB8 LN1526AC7 6F106AC7 OSW2190 6AC7 OSW2600 6AD8 EBF816AE8 X796AF4 6T16AF4 EC946AG5 EF966AG6 6P256AG6G BV A264 6AG6G BV A265 6AG7 6L106AG7 OSW2192 6AG7 OSW2601 6AG8 B7296AH6 6F366AJ4 EC846AJ5 6F356AJ8 20D46AJ8 6C126AJ8 6CH406AJ8 ECH816AJ8 X7196AJ9 ECF2026AK5 6F326AK5 DP616AK5 E95F6AK5 EF956AK5 PM056AK6 PM956AK8 6LD126AK8 DH7196AK8 EABC80 6AL3 EY836AL5 6B326AL5 6D26AL5 D1526AL5 D2M96AL5 D7176AL5 D776AL5 DD66AL5 EAA916AL5 EB916AL5 ED26AM5 16A6AM5 6P176AM5 7D96AM5 DD76AM5 DDR76AM5 EL916AM5 N1446AM5 N476AM5 N776AM5 QN776AM5 V8866AM6 5A/160H6AM6 6F116AM6 6F126AM6 8D36AM6 EF916AM6 HP66AM6 M80636AM6 PM076AM6 QZ776AM6 R1446AM6 S6F126AM6 SP66AM6 Z776AN7 ECH806AQ4 6L346AQ4 EC916AQ5 6L316AQ5 BPM04常用电压放大级即前级放大胆管代换表6N1ECC85,6AQ8,6H1л12AX7,ECC83,E83CC,7729,CV4004,B759,CV4926N1012AU7,ECC82,E82CC,7316,CV4003,5814,B749,61896N116DJ8,E88CC,ECC88,6922,ECC189,6J5,6H11N,7308,El88CC 6N8P6SN7,B65,5692,33S30,CV1988,6H8C,6HM,6F8G,16336H8C 6HM,6F8G,1633,9002,6C8G6J8P 6SJ7,6267,EF86,12A T7ECC81,CV4024,6201,B739,A2900,2025,ECC80156N9P 6SL7,5691,33S29,VT2296F2ECF82,6U86N26H2л功率用管代换表6P3P6L6GC,58816P6P6V6GT,5S2,KT63EL346CA7,KT66,7027A6P14EL84,6BQ5,6П14П6N5P6080,6AS7,6H5CFU-5805FU-7807,1625FU-13813FU-4606146BFU-17FU-605 6T5170926T50FU811811AFU812812AGL-211 211300B WE300B,NL50,4300BKT886550,NT99,KT1002A32A3S845845A6360,TY-7整流电子管代换及特性表型号代换型号Bb2V UfV/I I2L(mA)最大型式5U4G5Z3P,U52500V5V/3A2500直热式5Y3GT522P350V5V/2A125直热式5R4GY22S2C900V5V/2A150直热式5T4450V5V/3A250A直热式6Z4350V 6.3V/0.5A50直热式6Z56X5230V 6.3V/0.8A60旁热式6X4325V 6.3V/0.5A70旁热式5Z4P5Z4400V5V/2A125旁热式5AR4GZ34450V5V/1.9A250旁热式部分整流电子管特性表Type filament filament Vmax Imax Cmaxsocketvolts amp.volts mAmp.uF GZ325240030060Oc54GZ345 1.955022560Oc54GZ37CV3785 2.8500350CmaxWE274B526602254Oc5AS45 3.045027540Oc505AU45 3.7540032540Oc505AW45 3.745025010Oc505R4WGY521000150CmaxOc5R4GY5 2.09001504Oc505R4GYA5 2.0750175L loadOc505U4GB53550250CmaxOc505V35 3.842535040Oc505V4G5237517510Oc545W45 1.53501004Oc505Y3GT5235012510Oc505Z45235012540Oc54与12AU7管脚兼容的双三极管Type Heater mu gm rpPp Ep Ip Con.GD,(V)(mmho)(kohm)(W)(V)(mA)Price12BH7A 6.3/12.616.5 3.1 5.33.525011.5A2,200*c12AU7/ECC82 6.3/12.617 2.27.72.7525010.5A1,900*gE80CC/6085 6.3/12.627 2.710 22506A-12RLL3 6.3/12.630 5.5 5.52.815015A-12AY7 6.3/12.640 1.7522.91.52503A-6414 6.3/12.642.5 5.557.652.01808A-5965/E180CC 6.3/12.647 6.7 6.32.41508.5A1,200*c12AT7/ECC81 6.3/12.660 5.510.92.525010A1,900*g12AX7/ECC83 6.3/12.6100 1.662.51.0250 1.2A1,900*g部分双三极管(管脚与12AU7不兼容)Type Heater mu gm rpPp Ep Ip Con.GD,CC(V)(mmho)(kohm)(W)(V)(mA)Price5687 6.3/12.6178.524.218023-1,000*c6350 6.3/12.618 4.6 3.9 415011--6FQ7/6CG7 6.320 2.67.73.52509B*1,800*c6463 6.3/12.620 5.2 3.94.425014.5--E182CC/7119 6.3/12.62415 1.64.512036-2,500*cECC84/6CW7 6.324 6.0-2.09012--E288CC/8223 6.32520 1.25 310030--6DJ8/ECC88 6.33312.5 2.641.89015B2,400*g6922/7308 6.33312.2 2.71.510015B-5670/E396A 6.335 5.5-1.651508.2--6AQ8/ECC85 6.357 5.99.662.525010B1,900*g5755/WE420A 6.3/12.670 1.55-1.01802.1--ECC808 6.3100 1.662.50.5250 1.2-。
[器件资料]目前为止,比较全的一份电子管代换资料!国内外电子管代换常用型号管芯结构主要用途5X4G直热式双阳极二极管小功率全波整流5Z3P直热式双阳极二极管小功率全波整流5Z4P旁热式双阳极二极管小功率全波整流5Z1P直热式双阳极二极管小功率全波整流5Z2P直热式双阳极二极管小功率全波整流5Z8P旁热式双阳极二极管全波整流5Z9P旁热式双阳极二极管全波整流6Z4旁热式双阳极二极管全波整流6Z5P旁热式双阳极二极管小功率全波整流6H2旁热式双阳极二极管检波、整流6C1旁热式三极管宽带电压放大6C3旁热式三极管宽带电压放大6C4旁热式三极管宽带电压放大6C5P旁热式三极管低频电压放大6C6B旁热式三极管低频电压放大6C7B旁热式三极管低频电压放大6C12旁热式三极管宽带电压放大6C31B-Q旁热式三极管电压放大6C32B-Q旁热式三极管电压放大6N1旁热式双三极管低频电压放大6N2旁热式双三极管低频电压放大6N3旁热式双三极管高频电压放大6N4旁热式双三极管低噪声电压放大6N5P旁热式双三极管低频功率放大6N6(T)旁热式双三极管低频电压放大7P旁热式双三极管低频功率放大6N8P旁热式双三极管低频电压放大6N9P旁热式双三极管低频电压放大6N10旁热式双三极管低频电压放大6N11旁热式双三极管宽带电压放大6N12P旁热式双三极管低频电压放大6N13P旁热式双三极管低频功率放大6N15旁热式双三极管低频电压放大6N16B旁热式双三极管低频电压放大6N17B旁热式双三极管低频电压放大6N21B-Q旁热式双三极管低频电压放大6N23旁热式双三极管低频电压放大6J1旁热锐止五极管宽带电压放大6J1B锐截止五极管宽带电压放大CK5702/7旁热式阴极0836J2锐截止五极管宽带电压放大6J2B锐截止五极管宽带电压放大6J3锐截止四极管宽带电压放大6J4锐截止五极管宽带电压放大6J4P锐截止五极管宽带电压放大6J5锐截止高频管宽带电压放大6J7旁热式阴极五极管低频电压放大6J8锐截止五极管低频电压放大6J8P锐截止五极管宽带电压放大6J9锐截止五极管宽带电压放大6J20锐截止五极管宽带电压放大6J23高互导双五极管宽带电压放大6J23B-Q锐截止五极管宽带电压放大12J1S锐截止五极管小功率放大6K1B遥截止五极管宽带电压放大6K3P遥截止五极管宽带电压放大6K4遥截止五极管宽带电压放大6K5遥截止五极管宽带电压放大12K3P遥截止五极管宽带电压放大2P2输出四极管低频功率放大2P3束射四极管低频功率放大2P19B五极管功率放大2P29直热式五极管功率放大4P1S直热式阴极功率放大6P1束射四极管低频功率放大6P3P束射四极管低频功率放大6P4P束射四极管低频功率放大6P6P旁热式束射四极管低频功率放大6P9P旁热式五极管宽带功率放大6P13P束射四极管低频功率放大6P14P旁热式五极管宽带功率放大6P15P旁热式五极管低频功率放大6P25B束射四极管低频功率放大6P30B-Q束射四极管低频功率放大6P31B-Q束射四极管低频功率放大13P1P输出五极管低频功率放大6S6高S五极管电压/功率放大6T1高频双四极管推挽输出6A2七极电子管TUNER变频6F1三极-五极管变频/电压放大6F2三极-五极管变频/电压放大6G2P双二极-三极管检波、电压放大WE300B直热式三极管功率放大FU-5直热式三极管低频功率放大FU-7旁热式四极管大S功率放大FU-13直热束射四极管功率放大FU-15直热束射五极管中功率放大FU-17双束射四极管中功率放大FU-25旁热束射四极管宽带功率放大FU-29双束射四极管宽带功率放大FU-31直热式三极管宽带功率放大FU-32双束射四极管宽带功率放大FU-33直热式三极管功率放大FU-46旁热式五极管中功率放大FU-50束射五极管宽带功率放大FU-811直热式三极管宽带功率放大FU-250F旁热式四极管宽带功率放大EL81旁热式五极管功率放大845直热式三极管功率放大6CY7旁热式双二极管电压放大6CX8旁热式三极管-五极管电压放大和P-K分割18045旁热式五极管小型功放FC4旁热式三极管电压放大6C22D旁热式三极管电压放大6550旁热束射四极管功率放大KT100旁热束射四极管功率放大PL81旁热式五极管功率放大EL34旁热式五极管功率放大2A3直热式三极管功率放大211直热式三极管功率放大FD422直热式五极管功率放大6C33C-B旁热式三极管功率放大欧美电子管置换表0A2AG52110A2SR560B2SR3108C1OB210BQ5YL8410C1419D810CW5LL8610CW5YL8610DE79R-AL110DX8LCL20010DX8LCL8410DX8YCL8410EB811JE810F1813EC710F912AC510GN811JE810GV8LCL85 10HF811JE8 10JA811JE8 10JY811JE8 10LD1314G6 10LD314L7 10LZ811JE8 10P1845B5 10PL1250BM8 11BM8LCL82 11JE810EB8 11JE810GN8 11JE810HF8 11JE810JA8 11JE810JY8 11JE810LZ8 11R3LY81 11Y9LFL200 121VP12AC5 12A6ABC91 12A8OH412AC510F9 12AC5121VP 12AC5HF121 12AC5UF41 12AC5W118 12AC5W142 12AC5W145 12AD6UF89 12AD712AX7 12AF312BR3 12AH820D3 12AJ7HCH81 12AL5HAA91 12AT6HBC90 12AT7A2900 12AT7B152 12AT7B309 12AT7B739 12AT7E2157 12AT7E81CC 12AT7ECC81 12AT7QB309 12AT7WA CC81E 12AT7WA M8162 12AT7WA QS2406 12AT7WB QA240612AU6HF9412AU712AX7 12AU7B32912AU7B74912AU7E2163 12AU7E82CC 12AU7ECC186 12AU7ECC82 12AU7A12AX7 12AV612BC32 12AV712R-LL3 12AX712AD7 12AX712AU7 12AX712AU7A 12AX712AX7A 12AX712BZ7 12AX712DF7 12AX712DM7 12AX712DT7 12AX76L1312AX7702512AX77025A 12AX7B33912AX7B75912AX7E2164 12AX7ECC83 12AX7A12AX7 12AX7A M8137 12B-B1413GB5 12BA612F31 12BA6HF9312BC3212AV6 12BE612H31 12BE6HK9012BE7UQ8012BQ6GT12G-B6 12BR312AF3 12BR312R-K19 12BY7EL180 12BZ712AX7 12C8VP12D 12D4A12G-K17 12DF712AX7 12DM712AX7 12DT712AX7 12DT7ECC863 1.2E+14655012F3112BA6 12FB530P12 12FB5PL801 12FG6UM8412FQ712R-LL5 12G-B312GW6 12G-B612BQ6GT 12G-B713CM5 12G-K1712D4A 12GW612G-B3 12H3112BE6 12HU8PLL80 12K7W7612K7GT OF512K8X71M12K8GT X76M12Q7GT DH7412Q7GT DH7612R-K1912BR3 12R-LL312AV7 12R-LL512FQ7 12S7UAF42 12S7WD142 12SN7GT B3612SQ7OBC312X4HZ9013CM512G-B7 13CM5XL3613D26SN7GT 13D3615813EC710F18 13EC7W11013EC7W11913GB512B-B14 13GB5XL500 13GC830PL1 13GC830PL10 13GC8LN319 13GC8PCL801 141DDT14L7 141TH14K714F7XXD14G610LD13 14G6DH119 14G6UBC80 14G6UBC81 14GW8PCL8614K7141TH 14K7UCH42 14K7X14214L710LD3 14L7141DDT 14L7DH118 14L7DH142 14L7UBC41 14Y7UCH80 14Z3HZ50 150B26354 150C1OA2150C2OA2150C3OD3150C4OA215A6N15315A6N30915A6PL8315CW530P18 15CW5N37815CW5N37915CW5PL8415DQ8PCL84 163PEN16A516A6AM516A5163PEN 16A530P16 16A5N15416A5N32916A5PL8216A830PL12 16A8N36916A8PCL82 16AQ3XY8816GK830PL13 16GK830PL14 16GK8PCL800 16GK8PCL88 16KH8ECLL800 16Y9PFL200 171DDP17C817C8171DDP 17C817N817C8UBF80 17EW8HCC85 17KW6PL508 17N817C817Z3A6117Z3PY800 17Z3PY801 17Z3PY8117Z3PY8317Z3U15317Z3U19317Z3U25117Z3U34918AK5602818FX6X10718GB5LL500 18GD619M-R10 18GD619M-R9 18GV8PCL85 19AJ819D819AQ5HL9019BD19X319CS4PY301 19CS4U19119CS4U33919D810C14 19D819AJ8 19D8UCH81 19D8X11919FL8UBF89 19KF6N22LL 19M-R1018GD6 19M-R918GD6 19SU19Y319T8HABC80 19U319X319W319X319X319BD19X319U319X319W319X3PY8019X3U15219X3U30919Y319SU19Y3PY8219Y3U15419Y3U19219Y3U3191A31D131A3DA901A3DAF901A5G DL31 1A7GT DK32 1A7GT X14 1AB61C3 1AB61H35 1AB6DK96 1AB6DK97 1AB6X25 1AC61C2 1AC6DK92 1AC6X18 1AC6X20 1AD4DF62 1AD4DF652 1AD4DF668 1AH51FD1 1AH5DAF96 1AH5ZD25 1AJ41F1 1AJ4DF96 1AJ4W25 1AN5DAF97 1AN5DF97 1AQ51H33 1AR51S5SF 1AS51U5SF 1B3GT DY30 1B3GT U41 1BG2DY51 1BQ2DY802 1C11R5 1C21AC6 1C31AB6 1C5GT DL35 1C5GT N14 1D131A3 1D540SUA 1000DC80 1F11AJ4 1F21L4 1F31T4 1F5G KL35 1FD11AH5 1FD91S5 1G502050A 1H21S2 1H331AQ51H331R5SF 1H351AB6 1H5GT DAC32 1H5GT HD14 1L41F2 1L4DF92 1M11N3 1M3DM70 1M3Y25 1N31M1 1N3DM71 1N5GT DF33 1N5GT Z14 1P13C4 1P103S4 1P113V4 1Q5GT DL36 1R51C1 1R5DK91 1R5X17 1R5SF1H33 1R5^1H33 1RK231S2 1S21H2 1S21RK23 1S2DY86 1S2A DY87 1S4DL91 1S51FD9 1S5DAC21 1S5DAF91 1S5DF26 1S5ZD17 1S5SF1AR5 1T2R16 1T2U37 1T41F3 1T4DF91 1T4W17 1U4DF904 1U4HY145 1U5DAF92 1U5SF1AS5 1V6DCF60 1W4R31X21X2A 1X21X2B1X2A1X21X2A DY801X2A R191X2B1X21X2B HD93 2050BA2 2050EN32 2050A1G5020A32D2120AQ3LY8820D312AH8 20D46AJ8 213PEN21A621A6213PEN 21A6N15221A6N35921A6PL8121A6PL820 21KQ6LL521 25A6KT3325BQ6GT25G-B6 25BQ6GTB HD9625BR325R-K19 25BR3U329 2500000N308 2500000PL3625G-B625BQ6GT 25GF630P19 25GF630P425GF6N38925GF6PL302 25R-K1925BR3 25W6GT KT3225Z4GT U3127GB5PL500 27KG66LL505 28EC4LY500 29KQ6PL521 2B/250A8072B356D12B35EA502B35T6D2D2120A32D214G280K 2D21ASG512 2D21EN912D21PL212D21RL21 2ER5XC95 2FY5XC97 2HA5XC900 2HR8XCF86 2J2R20 2J2U26 2J2U49 2X22X2A 2X22Y2 2X2A2X2 2X2A H2-10 2Y22X2 30A5HL94 30AE3PY88 30C19A8 30C19A8 30C159EN7 30C187GV7 30CW5HL86 30F57ED7 30FL19GB8 30L17AN7 30L157EK7 30P1212FB5 30P1616A5 30P1815CW5 30P1925GF6 30P425GF6 30PL113GC8 30PL1013GC8 30PL1216A8 30PL1316GK8 30PL1416GK8 311SU31A3 31A3311SU 31A3U118 31A3U142 31A3U145 31A3UY41 31A3UY42 31A3V311 31A3V312 32F956 35FN5PL300 35W4HY90 35Z4GT U7435Z4GT U7638A3U119 38A3U381 38A3UT85 38A3UY89 3A4DL93 3A4E1485 3A5DCC90 3AJ8XCH81 3AL5XAA91 3AL5XB91 3AU6XF94 3B4DL98 3B4HD30 3BH2GY501 3BX6XF80 3BY7XF85 3BZ63M-V7 3C41P13C4DL96 3C4N253C6XXB3D6DL29 3DK63M-R24 3EH7XF183 3EJ7XF184 3ER5YC95 3FY5LC97 3FY5YC97 3HA5LC900 3M-R243DK6 3M-V73BZ6 3Q4DL95 3Q4N183Q5GT DL33 3Q5GT N153Q5GT N163S41P10 3S4DL92 3S4N173S4SF3W43V41P11 3V4DL94 3V4N193W43S4SF 40KG6PL505 40SUA1D542EC4PY500 451PT45A5 45A5451PT 45A5BF451 45A5N142 45A5UL41 45B510P18 45B5N119 45B5UL84 4BL85R-HP1 4BL8XCF80 4BS84R-HH2 4CM4PC86 4DL4PC88 4EH7LF183 4EH7YF183 4EJ7LF184 4EJ7YF184 4ES8XCC189 4FY5PC97 4G280K2D21 4GJ74GX7 4GJ7XCF801 4GK5PC95 4GX74GJ7 4HA5PC900 4HR8PF86 4KN84R-HH8 4R-HH24BS8 4R-HH84KN8 4Y2580750BM810PL12 50BM8LN119 50BM8UCL82 50C5HL92 50L6GT KT71 52KU5Z4G 54KU5AQ4 55N3UY82 5636EF730 5642DY70 5651A QS1209 5654EF905 5654M8100 5654QM557 56706CC42 5672DL6205677FA6 5678DF60 56926CC10 5692QA2408 5718EC70 5718EC71 5725M8196 5725QM558 5726AA91E 5726DD77 5726E91AA 5726EAA901 5726M8079 5726M8212 5726QA2404 5726QM559 5726QS2404 5727E91N 5727M8204 5763M8096 5763QE03/10 5763QV03-12 578385A3 5823Z900T 5840EF72 5840EF732 5840M8121 58476R-R8C 5847E182F 5861EC55 5894QQE06/40 5899EF71 5899EF731 5901EF732 5902EL71 5911DF67 5913DL67 5920E90C 5920E90CC5A/160H6AM65AQ454KU5AR4GZ345AR4U775B/250A8075CG4OSW3107 5ES8LCC189 5ES8YCC1895GJ7LCF801 5HG8LCF865HG8YCF865J2KY805J65M-HH3 5L5096KG6A5M-HH35J65P296CN65R-HP14BL85S18075U4G5Z105U4G GZ315U4G U525U4GB H525U8XCF825U9LCF201 5V4GA GZ325V9LCH200 5W4GT U515X9LCF200 5Y3GT U505Z105U4G5Z4RS25Z4G52KU5Z4G GZ305Z4G OSW3107 5Z4G R526/30L26GA8 6005M8245 6007DL67 6008DF67 6021ECC70 602818AK5 6057ECC803 6060ECC801 6063EZ900 6079QB5/1750 6080ECC230 6084E80F 6085E80CC 6135QA2401 6146QE05/40 6146QV06-20 615813D3 6159QE05/40H 6189ECC802 6189M81366201E81CC 6201QA2407 6205EF734 6218E80T 6227E80L 6252QQE03/20 6252QQV03-20 62676CF8 62676F22 62678D8 6267EF86 6267EF87 6267Z72962DDT6CV762TH6CU762VP6CJ5 6351X319 6354150B2 6360QQE03/12 6360QQV03-10 6360RS1029 6374EY84 6375DC70 6391EF7463TP6AB8 6463ECC813 6487EF70 6488EF73 6489EA7664ME6CD764SPT6BX4 6550 1.2E+14 65507D11 6550KT8865ME6BR5 6681E83CC 6686E81L 6687E91H 6688E180F 6689E83F66KU6BT467PT6CK5 6922E88CC 6939QQE02/5 6939QQV02-6 6977DM1606A6B636A86Q86A8PH46AB X636AB4EC926AB863TP6AB8ECL80 6AB8LN152 6AC76F106AC7OSW2190 6AC7OSW2600 6AD8EBF81 6AE8X796AF46T16AF4EC946AG5EF966AG66P256AG6G BVA264 6AG6G BVA265 6AG76L106AG7OSW2192 6AG7OSW2601 6AG8B7296AH66F366AJ4EC846AJ56F356AJ820D46AJ86C126AJ86CH40 6AJ8ECH81 6AJ8X7196AJ9ECF202 6AK56F326AK5DP616AK5E95F6AK5EF956AK5PM056AK6PM956AK86LD12 6AK8DH719 6AK8EABC80 6AL3EY836AL3EY886AL56B326AL56D26AL5D1526AL5D2M96AL5D7176AL5D776AL5DD66AL5EAA91 6AL5EB916AL5ED26AM516A6AM56P176AM57D96AM5DD76AM5DDR76AM5EL916AM5N1446AM5N476AM5N776AM5QN776AM5V8866AM65A/160H 6AM66F116AM66F126AM68D36AM6EF916AM6HP66AM6M8063 6AM6PM076AM6QZ776AM6R1446AM6S6F12 6AM6SP66AM6Z776AN7ECH80 6AQ46L346AQ4EC916AQ56L316AQ5BPM04 6AQ5EL906AQ5N7276AQ66BK66AQ86CC43 6AQ86L126AQ8B7196AQ8ECC85 6AS66F336AS7G A1834 6AT66BK66AT6DH776AT6EBC90 6AT7N6DT86AU4GT6G-K17 6AU6EF94 6AV36R-K19 6AV4EZ91 6AV4^6FX4 6AV66BC32 6AV66BK6 6AV6EBC91 6B326AL5 6B8EBF32 6BA66F31 6BA6EF93 6BA6PM04 6BA6W727 6BC326AV6 6BD76LD13 6BD7EBC80 6BD7EBC81 6BD7A EBC3 6BE66H31 6BE6EK90 6BE6HM04 6BE6X727 6BE6X776BE7EQ80 6BH5EF81 6BH6E90F 6BJ5N786BJ6E99F 6BK66AQ6 6BK66AT6 6BK66AV6 6BK66BT6 6BK8EF83 6BL86C16 6BL8ECF80 6BM56P96BM86LP12 6BM86PL12 6BM86PL12 6BM8ECL82 6BN5EL85 6BN5N155 6BQ56P15 6BQ5EL84 6BQ5N709 6BQ6GT6G-B3A6BQ6GTB HD94 6BQ7A ECC180 6BR565ME 6BR5EM80 6BR78D56BS4EC93 6BS78D76BS86R-HH2 6BT466KU 6BT4EZ40 6BT4MU14 6BT4U150 6BT4U718 6BT4UU56BT4UU96BT4V616BT66BK6 6BW78D66BX464SPT 6BX46Z46BX6EF80 6BX6Z152 6BX6Z719 6BY76F19 6BY76F26 6BY7EF85 6BY7W719 6BZ8X155 6C126AJ8 6C156CJ5 6C166BL8 6C186GV7 6C316K86C4EC90 6C4L776C4QL77 6C4V741 6C6A677 6C6G776C6T776CA46V46CA4EZ46CA4EZ81 6CA4U709 6CA4UU12 6CA7EL34 6CA7KT776CB6EF190 6CC105692 6CC316J66CC425670 6CC436AQ8 6CD764ME 6CD76M26CD7EM34 6CF86267 6CH406AJ8 6CH67D10 6CH6ECL821 6CH6EF82 6CH6EL821 6CH6EL822 6CJ562VP 6CJ56C15 6CJ56F15 6CJ56F16 6CJ57F16 6CJ5EBF41 6CJ5EF41 6CJ5HF61 6CJ5W150 6CJ6EL81 6CK567PT 6CK5BF61 6CK5EL41 6CK5N150 6CK6EL803 6CK6EL820 6CK6EL83 6CL66L43 6CM4EC806S 6CM4EC86 6CM5EL36 6CN65P29 6CN6EL38 6CQ66F21 6CQ69D66CQ6E2016 6CQ6EF92 6CQ6QW77 6CQ6V177 6CQ6V884 6CQ6VP66CQ6W776CR4A2521 6CS6EH906CT7EA416CT7EAF42 6CT7WD150 6CU762TH6CU7ECH113 6CU7ECH42 6CU7X1506CU7Z1506CV762DDT 6CV76LD36CV7DH150 6CV7DH718 6CV7DH817 6CV7EBC41 6CW5EL866CW76L166CW7ECC84 6D-HH136FX76D12B356D26AL56D4EN936D8X736D8X73M6DA5EM816DA6EF136DA6EF896DC86FD12 6DC8EBF85 6DC8EBF89 6DG7E89F6DG7EF89F 6DG7EM856DJ8ECC88 6DL4E88C6DL4EC886DL5EL956DQ6A6G-B6 6DR8EBF83 6DS8ECH83 6DT86AT7N 6DX8ECL84 6DY5EL82 6000006S5G 600000OSW3110 6E+08ECH826E+08X656E8G ECH35 6E8G TH62 6E8G X147 6E8G X61M 6EC4EY500 6EC76F18 6EC7W739 6ED4ED500 6EH76F29 6EH7EF183 6EH7EF811 6EJ76F24 6EJ76F25 6EJ76F30 6EJ7EF184 6EJ7EF814 6EL76F23 6EL7EF812 6EL7Z749 6ER5EC95 6ES6EF97 6ES8ECC189 6ET6EF98 6EW66GM6 6EW66HS6 6F106AC7 6F116AM6 6F126AM6 6F156CJ5 6F166CJ5 6F186EC7 6F196BY7 6F216CQ6 6F226267 6F236EL7 6F246EJ7 6F256EJ7 6F266BY7 6F296EH7 6F306EJ7 6F316BA6 6F326AK5 6F336AS6 6F356AJ5 6F366AH6 6F5GT H636F6G KT636FC7ECC89 6FD126DC86FG6EM846FG6EM840 6FN5EL300 6FX46AV46FX76D-HH13 6FY5EC976G-B3A6BQ6GT 6G-B66DQ6A 6G-B96GW66G-K176AU4GT 6GA86/30L2 6GA8ECC804 6GB5EL500 6GB5EL504 6GJ7ECF801 6GM66EW66GM8CC86E 6GM8ECC86 6GV76C186GV7ECF805 6GV8ECL85 6GW66G-B9 6GW8ECL86 6GX8EAM86 6H316BE66H6D636H6EB346H6OM36H6OSW3109 6HA5EC900 6HA5ECC900 6HG8ECF86 6HG8ELF86 6HS66EW66HT5N2ED6HU6EM876HU8ELL80 6J46M-H1 6J4TM126J4WA M8232 6J5L636J5L63B6J5OSW3112 6J66CC316J66M-HH3 6J6ECC91 6J6M8081 6J6T2M05 6J7EF366J7TTZ63 6J7Z636J7GT A8636J7GT EF376J7GT KTW63 6J7GT KTZ63M 6JE6B6JE6C 6JE6C6JE6B 6JE6C6LQ66JW86LX86JW8ECF802 6JX8ECH84 6K66K6G6K66K6GT 6K66K6GT/G 6K66K6MG 6K6G6K66K6GT6K66K6GT N636K6GT/G6K66K6MG6K66K7EF396K7OM66K7PF96K7W1476K7W616K7W636K7GT KTZ63 6K86C316KG6EL505 6KG6A5L509 6KN86R-HH8 6KV66KV6A 6KV6A6KV66KW6EL508 6L106AG76L126AQ86L1312AX7 6L166CW76L316AQ56L346AQ46L436CL66L6EL37 6L6GC DL37 6L6GC KT66 6L6GT N666L7X646LC66LH6 6LC66LH6A 6LD126AK8 6LD136BD7 6LD36CV7 6LD6EL802 6LF66LV6 6LF6N30EL 6LH66LC6 6LH6A6LC6 6LN8LCF80 6LP126BM8 6LQ66JE6C 6LV66LF6 6LX86JW8 6LX8LCF802 6M-H16J46M-HH36J66M16U5G 6M26CD7 6M5EL80 6M6G EL33 6M6G KT61 6M6G N147 6M6G PP6BG 6N36U36N3EY82 6N8EBF80 6N8WD709 6N8ZD152 6P156BQ5 6P176AM5 6P256AG6 6P96BM5 6PL126BM8 6PL126BM8 6Q4EC80 6Q7DH63 6Q86A86R-HH26BS8 6R-HH86KN8 6R-K196AV36R-R8C58476R3EY816R36V3P6R4EC226R4EC816S2EY866S2A EY876S5G600000 6S7OF16S7OM56SA7OSW3104 6SA7GT MV6-5 6SK7OSW3111 6SL7ECC35 6SN7GT13D26SN7GT B656SN7GT ECC32 6SN7GT QB656SQ7OSW3105 6T16AF46U36N36U3EY806U5EM356U5Y646U5G6M16U8ECF82 6U9ECF201 6V3EY81F 6V3P6R36V46CA46V4EZ116V4EZ36V4EZ806V6GT OSW3106 6V9ECH200 6W7G^8D46X2EY516X2R126X2SU616X2U1516X2U436X2U456X46Z316X4E9026X4E90Z6X4EZ906X4U7076X4U786X4V2M70 6X4W QM556 6X4W QM556 6X5G EZ35 6X5G U147 6X5G U706X9ECF200 6Y9EFL200 6Z3AD6Z316X46Z46BX4 702512AX7 7025A12AX7 7062E180CC 7119E182CC 7308E188CC 7320E84L 7534E130L 7534E180L 7643E80CF 7722E280F 7737E186F 7788E810F 7A7EF22 7A7W143 7A7W148 7A7W817AN730L1 7AN7B139 7AN7B319 7AN7PCC84 7AU7PCC186 7AU7XCC82 7B6DH81 7B6DL82 7B7W149 7C5N148 7C6DH149 7D106CH6 7D116550 7D96AM5 7DJ8PCC88 7ED730F5 7ED7Z329 7EK730L15 7EK7B3497EK7PCC805 7ES8PCC189 7F166CJ57FC7PCC89 7GV730C18 7GV7PCF805 7J7C6107S7X1487S7X817X7XXFM7Y4EZ227Y4U1497Y4U82 8072B/250A 8074Y25 8075B/250A 8075S1807ARS25A 807ATS225A 807P17A 807QE06/50 807QV05-25 8223E288CC 8228ZZ1000 8233E55L 8254EC1000 8255E88C 8255EC88 8278EL503 8278F1EL83VT8383WT301 8453Z550M 85A1OE385A2OG385A357838A89U88B88R-HP1 8B8XCL82 8BQ5XL848CW5XL868D36AM68D46W7G8D56BR78D66BW78D76BS78D862678GJ7PCF801 8GJ7PCF806 8HG8PCF86 8R-HP18B88U9PCF201 8X9PCF200 954E1F 954UN954 954ZA2 955UN955 95632F 957D1C 958A D2C 959D3F9A830C1 9A830C1 9A89U89A8LZ319 9A8LZ329 9A8PCF80 9AK8PABC80 9AQ8PCC85 9BM59P99D66CQ6 9EA89U89ED4PD500 9EN730C15 9EN7LZ339 9EN7PCF800 9GB830FL1 9GB8PCE800 9GH8A9R-HH2 9GV8XCL85 9JW8PCF802 9P99BM5 9R-AL110DE7 9R-HH29GH8A 9U88A89U89A89U89EA8 9U89U8A 9U8PCF82 9U8A9U89V9PCH200 A18346AS7G A25216CR4 A290012AT7A6117Z3A6776C6A8636J7GT AA91E5726 ABC9112A6 AD6Z3AG52110A2 ARS25A807 ASG5122D21 ATS225A807B1397AN7B15212AT7 B30912AT7 B3197AN7B32912AU7 B33912AX7 B3497EK7B3612SN7GT B636A6B656SN7GT B7196AQ8B7296AG8B73912AT7 B74912AU7 B75912AX7 BA22050 BF45145A5 BF616CK5 BPM046AQ5 BVA2646AG6G BVA2656AG6G C6107J7CC81E12AT7WA CC86E6GM8D1526AL5D1C957D2C958AD2M96AL5D3F959D616CT7D636H6D7176AL5D776AL5 DA901A3 DAC211S5 DAC321H5GT DAF901A3DAF911S5 DAF921U5 DAF961AH5 DAF971AN5 DC706375 DC801000 DCC903A5 DCF601V6 DD66AL5 DD76AM5 DD775726 DDR76AM5 DF261S5 DF331N5GT DF605678 DF621AD4 DF6521AD4 DF6681AD4 DF675911 DF676008 DF9041U4 DF911T4 DF921L4 DF961AJ4 DF971AN5 DH11814L7 DH11914G6 DH14214L7 DH1497C6 DH1506CV7 DH636Q7 DH7186CV7 DH7196AK8 DH7412Q7GT DH7612Q7GT DH776AT6 DH817B6 DH8176CV7 DK321A7GT DK911R5 DK921AC6 DK961AB6 DK971AB6 DL293D6 DL311A5G DL333Q5GT DL351C5GTDL361Q5GT DL376L6GC DL6205672 DL675913 DL676007 DL827B6 DL911S4 DL923S4 DL933A4 DL943V4 DL953Q4 DL963C4 DL983B4 DM1606977 DM701M3 DM711N3 DP616AK5 DY301B3GT DY511BG2 DY705642 DY801X2A DY8021BQ2 DY861S2 DY871S2A E130L7534 E14853A4 E180CC7062 E180F6688 E180L7534 E182CC7119 E182F5847 E186F7737 E188CC7308 E1F954 E20166CQ6 E215712AT7 E216312AU7 E216412AX7 E280F7722 E288CC8223 E55L8233 E80CC6085 E80CF7643 E80F6084 E80L6227 E80T6218 E810F7788E81CC12AT7 E81CC6201 E81L6686 E82CC12AU7 E83CC6681 E83F6689 E84L7320 E88C6DL4 E88C8255 E88CC6922 E89F6DG7 E9026X4 E90C5920 E90CC5920 E90F6BH6 E90Z6X4 E91AA5726 E91H6687 E91N5727 E95F6AK5 E99F6BJ6 EA416CT7 EA502B35 EA766489 EAA9015726 EAA916AL5 EABC806AK8 EAF416CT7 EAF426CT7 EAM866GX8 EB346H6 EB916AL5 EBC36BD7A EBC416CV7 EBC806BD7 EBC816BD7 EBC906AT6 EBC916AV6 EBF326B8 EBF416CJ5 EBF806N8 EBF816AD8 EBF836DR8 EBF856DC8 EBF896DC8 EC10008254 EC226R4EC555861 EC705718 EC715718 EC806Q4 EC806S6CM4 EC816R4 EC846AJ4 EC866CM4 EC886DL4 EC888255 EC906C4 EC9006HA5 EC916AQ4 EC926AB4 EC936BS4 EC946AF4 EC956ER5 EC976FY5 ECC1806BQ7A ECC18612AU7 ECC1896ES8 ECC2306080 ECC326SN7GT ECC356SL7 ECC706021 ECC8016060 ECC8026189 ECC8036057 ECC8046GA8 ECC8112AT7 ECC8136463 ECC8212AU7 ECC8312AX7 ECC846CW7 ECC856AQ8 ECC866GM8 ECC86312DT7 ECC886DJ8 ECC896FC7 ECC9006HA5 ECC916J6 ECF2006X9 ECF2016U9 ECF2026AJ9 ECF806BL8 ECF8016GJ7 ECF8026JW8ECF826U8ECF866HG8ECH1136CU7ECH2006V9ECH356E8GECH426CU7ECH806AN7ECH816AJ8ECH82600000000 ECH836DS8ECH846JX8ECL806AB8ECL826BM8ECL8216CH6ECL846DX8ECL856GV8ECL866GW8 ECLL80016KH8ED26AL5ED5006ED4EF136DA6EF1836EH7EF1846EJ7EF1906CB6EF227A7EF366J7EF376J7GTEF396K7EF416CJ5EF706487EF715899EF725840EF736488EF7305636EF7315899EF7325840EF7325901EF7346205EF746391EF806BX6EF816BH5EF8116EH7EF8126EL7EF8146EJ7EF826CH6EF836BK8EF866267 EF876267 EF896DA6 EF89F6DG7 EF9055654 EF916AM6 EF926CQ6 EF936BA6 EF946AU6 EF956AK5 EF966AG5 EF976ES6 EF986ET6 EFL2006Y9 EH906CS6 EK906BE6 EL18012BY7 EL3006FN5 EL336M6G EL346CA7 EL366CM5 EL376L6 EL386CN6 EL416CK5 EL5006GB5 EL5038278 EL5046GB5 EL5056KG6 EL5086KW6 EL715902 EL806M5 EL8026LD6 EL8036CK6 EL816CJ6 EL826DY5 EL8206CK6 EL8216CH6 EL8226CH6 EL836CK6 EL846BQ5 EL856BN5 EL866CW5 EL906AQ5 EL916AM5 EL956DL5 ELF866HG8ELL806HU8 EM346CD7 EM356U5 EM806BR5 EM816DA5 EM846FG6 EM8406FG6 EM856DG7 EM876HU6 EN322050 EN912D21 EN936D4 EQ806BE7 EY5006EC4 EY516X2 EY806U3 EY816R3 EY81F6V3 EY826N3 EY836AL3 EY846374 EY866S2 EY876S2A EY886AL3 EZ116V4 EZ227Y4 EZ36V4 EZ356X5G EZ46CA4 EZ406BT4 EZ806V4 EZ816CA4 EZ906X4 EZ9006063 EZ916AV4 F1EL8278 FA65677 G/50/4K OA2 G105/1D OC3 G150/3D OD3 G75/2D OA3 G776C6 GY5013BH2 GZ305Z4G GZ315U4G GZ325V4GA GZ345AR4H2-102X2AH525U4GBH636F5GT HAA9112AL5 HABC8019T8 HBC9012AT6 HBC9112AV6 HCC8517EW8 HCH8112AJ7 HD141H5GT HD303B4HD51OA2HD52OB2HD931X2BHD946BQ6GTB HD9625BQ6GTB HF12112AC5 HF616CJ5HF9312BA6 HF9412AU6 HK9012BE6 HL8630CW5 HL9019AQ5 HL9250C5HL9430A5HM046BE6HP66AM6HY1451U4HY9035W4HZ5014Z3HZ9012X4KD21OA3KD24OC3KD25OD3KL351F5GKT3225W6GT KT3325A6KT616M6GKT636F6GKT666L6GC KT7150L6GT KT776CA7KT886550 KTW636J7GT KTZ636K7GT KTZ63M6J7GT KY805J2L636J5L63B6J5L776C4LC9003HA5 LC973FY5 LCC1895ES8 LCF2005X9 LCF2015U9 LCF806LN8 LCF8015GJ7 LCF8026LX8 LCF865HG8 LCH2005V9 LCL20010DX8 LCL8211BM8 LCL8410DX8 LCL8510GV8 LF1834EH7LF1844EJ7 LFL20011Y9LL50018GB5 LL50527KG66 LL52121KQ6 LL8610CW5 LN11950BM8 LN1526AB8 LN31913GC8 LY50028EC4 LY8111R3LY8820AQ3 LZ3199A8LZ3299A8LZ3399EN7M80636AM6M80795726M80816J6M80965763M81005654M81215840M81366189M813712AX7A M816212AT7WA M81965725M82045727M82125726M8223OA2WA M8224OB2WAM82326J4WAM82456005MU146BT4MV6-56SA7GT N11945B5N141C5GTN14245A5N1446AM5N1476M6GN1487C5N153Q5GTN1506CK5N15221A6N15315A6N15416A5N1556BN5N163Q5GTN173S4N183Q4N193V4N22LL19KF6N253C4N2ED6HT5N3082500000 N30915A6N30EL6LF6N32916A5N35921A6N36916A8N37815CW5N37915CW5N38925GF6N476AM5N636K6GTN666L6GTN7096BQ5N7276AQ5N776AM5N786BJ5OA2150C1 OA2150C2 OA2150C4 OA2G/50/4K OA2HD51OA2QS1207 OA2S856OA2SM150-30OA2STR108/30 OA2STR150/30 OA2STV150/30 OA2WA M8223OA2WA QS1210 OA3G75/2D OA3KD21OA3QS1205 OA4G PL1267 OA4G RL1267 OA4G Z300TOB2108C1OB2HD52OB2QS1208 OB2S860OB2SR55OB2STV108/30 OB2WA M8224OB2WA QS1211 OBC312SQ7OC3G105/1D OC3KD24OC3QS1206 OD3150C3OD3G150/3D OD3KD25OD3QS150/40 OD3VR150OE385A1OF16S7OF512K7GT OG385A2OG3SR2OG3STR85/10 OG3STV85/10 OH412A8OM36H6OM56S7OM66K7OSW21906AC7 OSW21926AG7 OSW26006AC7 OSW26016AG7 OSW31046SA7 OSW31056SQ7 OSW31066V6GT OSW31075CG4OSW31075Z4G OSW31096H6 OSW3110600000 OSW31116SK7 OSW31126J5P17A807 PABC809AK8 PC864CM4 PC884DL4 PC9004HA5 PC954GK5 PC974FY5 PCC1867AU7 PCC1897ES8 PCC8057EK7 PCC847AN7 PCC859AQ8 PCC887DJ8 PCC897FC7 PCE8009GB8 PCF2008X9 PCF2018U9 PCF809A8 PCF8009EN7 PCF8018GJ7 PCF8029JW8 PCF8057GV7 PCF8068GJ7 PCF829U8 PCF868HG8 PCH2009V9 PCL80016GK8 PCL80113GC8 PCL8216A8 PCL8415DQ8 PCL8518GV8 PCL8614GW8 PCL8816GK8 PD5009ED4 PF864HR8 PF96K7 PFL20016Y9 PH46A8PL1267OA4G PL212D21 PL30035FN5 PL30225GF6PL362500000 PL50027GB5 PL50540KG6 PL50817KW6 PL52129KQ6 PL80112FB5 PL8121A6PL8216A5PL82021A6PL8315A6PL8415CW5 PLL8012HU8 PM046BA6 PM056AK5 PM076AM6 PM956AK6 PP6BG6M6G PY30119CS4 PY50042EC4 PY8019X3 PY80017Z3 PY80117Z3 PY8117Z3 PY8219Y3 PY8317Z3 PY8830AE3 QA24016135 QA24045726 QA240612AT7WB QA24076201 QA24085692 QB30912AT7 QB5/17506079 QB656SN7GT QE03/105763 QE05/406146 QE05/40H6159 QE06/50807QL776C4QM5566X4W QM5566X4W QM5575654 QM5585725 QM5595726 QN776AM5 QQE02/56939 QQE03/126360QQE03/206252 QQE06/405894 QQV02-66939 QQV03-106360 QQV03-206252 QS1205OA3QS1206OC3QS1207OA2QS1208OB2QS12095651A QS1210OA2WA QS1211OB2WA QS150/40OD3QS24045726 QS240612AT7WA QV03-125763 QV05-25807QV06-206146 QW776CQ6 QZ776AM6R126X2R1446AM6R161T2R191X2AR202J2R31W4R525Z4G RL1267OA4G RL212D21 RS10296360 RS25Z4S6F126AM6S856OA2S860OB2SM150-30OA2SP66AM6 SR2OG3SR30B2SR55OB2SR560A2 STR108/3OA2STR150/3OA2STR85/10OG3 STV108/3OB2STV150/3OA2STV85/10OG3 SU616X2T2M056J6T6D2B35 T776C6 TH626E8G TM126J4 TTZ636J7U11831A3 U11938A3 U14231A3 U14531A3 U1476X5G U1497Y4U1506BT4 U1516X2U15219X3 U15317Z3 U15419Y3 U19119CS4 U19219Y3 U19317Z3 U25117Z3 U262J2U30919X3 U3125Z4GT U31919Y3 U32925BR3 U33919CS4 U34917Z3 U371T2U38138A3 U411B3GT U436X2U456X2U492J2U505Y3GT U515W4GT U525U4G U706X5G U7076X4U7096CA4 U7186BT4 U7435Z4GT U7635Z4GTU775AR4 U786X4 U827Y4 UAF4212S7 UBC4114L7 UBC8014G6 UBC8114G6 UBF8017C8 UBF8919FL8 UCH4214K7 UCH8014Y7 UCH8119D8 UCL8250BM8 UF4112AC5 UF8912AD6 UL4145A5 UL8445B5 UM8412FG6 UN954954 UN955955 UQ8012BE7 UT8538A3 UU126CA4 UU56BT4 UU96BT4 UY4131A3 UY4231A3 UY8255N3 UY8938A3 V1776CQ6 V2M706X4 V31131A3 V31231A3 V616BT4 V7416C4 V8846CQ6 V8866AM5 VP12D12C8 VP66CQ6 VR150OD3 VT8383W11013EC7 W11812AC5 W11913EC7 W14212AC5 W1437A7 W14512AC5。
国内外电子管代换常用型号管芯结构主要用途国外同类型号代备注5X4G 直热式双阳极二极管小功率全波整流氧化物阴极5Z3P 直热式双阳极二极管小功率全波整流5T4、5ц3C、CV1861、5R4GY、U52、CV1071、5V3、5AU4、5U4G氧化物阴极5Z4P 旁热式双阳极二极管小功率全波整流*5B×1、*5ц4C,GZ30、CV2748、5Z4G/GT 氧化物阴极5Z1P 直热式双阳极二极管小功率全波整流氧化物阴极5Z2P 直热式双阳极二极管小功率全波整流5W4、5Y3G、80、U50 氧化物阴极5Z8P 旁热式双阳极二极管全波整流*5ц8C 氧化物阴极5Z9P 旁热式双阳极二极管全波整流*5ц9C 氧化物阴极6Z4 旁热式双阳极二极管全波整流*6ц4П、6B×4、6×4、6Z31 共阴极6Z5P 旁热式双阳极二极管小功率全波整流*6ц5C 共阴极6H2 旁热式双阳极二极管检波、整流*6×2П、6AL5、C 氧化物阴极6C1 旁热式三极管宽带电压放大*6C1П、CV664、9002 氧化物阴极6C3 旁热式三极管宽带电压放大*6C3П阴地三极管6C4 旁热式三极管宽带电压放大*6C4П栅地三极管6C5P 旁热式三极管低频电压放大6C5GT、*6C5C、6C5 、CV1067、L63氧化物阴极6C6B 旁热式三极管低频电压放大5703、CV3917、*6C6Ь氧化物阴极6C7B 旁热式三极管低频电压放大*6C7Ь氧化物阴极6C12 旁热式三极管宽带电压放大EC88、5842 高S、低N6C31B-Q 旁热式三极管电压放大*6C31Ь-B 氧化物阴极6C32B-Q 旁热式三极管电压放大*6C32Ь-B 遥截止三极管6N1 旁热式双三极管低频电压放大*6H1П、6AQ8、AA61、ECC40/82 氧化物阴极6N2 旁热式双三极管低频电压放大*6H2П、6AX7、6A V7、ECC41 氧化物阴极6N3 旁热式双三极管高频电压放大*6H3П、6A8Q、2C51、ECC42 氧化物阴极6N4 旁热式双三极管低噪声电压放大ECC83、12A×7 高μ、低N6N5P 旁热式双三极管低频功率放大*6H13C、6AS7、CV2523、6NS7G/GT 低Ri6N6(T)旁热式双三极管低频电压放大*6H6П、E182CC、12BH7 氧化物阴极6N7P 旁热式双三极管低频功率放大6H7、*H7C、6N7/G/GT共阴极6N8P 旁热式双三极管低频电压放大*6H8C*6H8M、6SN7、6F8G、CV181、QB65、ECC32 氧化物阴极6N9P 旁热式双三极管低频电压放大*6H9C、6SL7、ECC35、6SC7、6CY7 高μ6N10 旁热式双三极管低频电压放大*6H10M、12A V7A、E82CC、CV491 氧化物阴极6N11 旁热式双三极管宽带电压放大*6H23П、6DJ8、ECC84、E88CC、6922、CV2492 高S、低RI、N6N12P 旁热式双三极管低频电压放大*6H12C、TS229、5687氧化物阴极6N13P 旁热式双三极管低频功率放大*6H13C、6AS7、CV2523、6NS7G/GT 低内阻6N15 旁热式双三极管低频电压放大*6H15П、6J6WA、6CC31、CV858 共阴极6N16B 旁热式双三极管低频电压放大氧化物阴极6N17B 旁热式双三极管低频电压放大*6H17Ь、6112、CV5007 氧化物阴极6N21B-Q 旁热式双三极管低频电压放大氧化物阴极6N23 旁热式双三极管低频电压放大6DJ8、ECC88、PCC88高μ低N6J1 旁热锐止五极管宽带电压放大*6ж1П、6AK5、6BC5、EF40、EF95、CV850 高频管6J1B 锐截止五极管宽带电压放大*6ж1Ь、CV3929、61489、CK5702/7083 旁热式阴极6J2 锐截止五极管宽带电压放大*6ж2П、6AS6、CV2522、EF11/732、CV4011 旁热式阴极6J2B 锐截止五极管宽带电压放大*6ж2Ь、CK5639 旁热式阴极6J3 锐截止四极管宽带电压放大*6ж3П、EF96、CV848、6BC6、6AG5 束射四极管6J4 锐截止五极管宽带电压放大*6ж4、6136、6BX6、6AC7、EF94 旁热式阴极6J4P 锐截止五极管宽带电压放大*6ж4C、CV849、1852 旁热式阴极6J5 锐截止高频管宽带电压放大*6ж5П、EF80、CV2521、6F36、6AH6 高S、束射四极管6J7 旁热式阴极五极管低频电压放大6*7 、OM5C、CV1056 、CV1404、EF36、NR49、VR56、KTW61、EF37A、5A/157D、CV358、CV5080、OM5B、W310A、57、STR4141、低噪声N 6J8 锐截止五极管低频电压放大CV2901、6SJ7、6CF8、6267、EF16、EF86、2729 低噪声N6J8P 锐截止五极管宽带电压放大*6ж8C、5693、EF6、EBC3、CV592 旁热式阴极6J9 锐截止五极管宽带电压放大*6ж9П、EF861 旁热式阴极6J20 锐截止五极管宽带电压放大*6ж20П空间电荷栅6J23 高互导双五极管宽带电压放大*6ж23П阴极框架栅6J23B-Q 锐截止五极管宽带电压放大*6ж23B-K 低振动噪12J1S 锐截止五极管小功率放大*12ж1л氧化物阴极6K1B 遥截止五极管宽带电压放大*6K16K3P 遥截止五极管宽带电压放大*6K3、6SK7、6K7、KTZ63、CV1074、6D6、6SG7 旁热式阴极6K4 遥截止五极管宽带电压放大*6K4П、6BA6、6DA6、EF89/93、5749、6K5 旁热式阴极6K5 遥截止五极管宽带电压放大同6K4 旁热式阴极12K3P 遥截止五极管宽带电压放大12K3、12SK7/GT 旁热式阴极2P2 输出四极管低频功率放大2П2П、DL92、1S4T、1L33、1L34 直热式阴极2P3 束射四极管低频功率放大3A4、1662、CV807、DL93 直热式阴极2P19B 五极管功率放大直热式阴极2P29 直热式五极管功率放大*2、*2П29л氧化物阴极4P1S 直热式阴极功率放大*4П1л、4L2D 五极管6P1 束射四极管低频功率放大*6П1П、6AQ5、6BW6、6L31、EL14、90 旁热式阴极6P3P 束射四极管低频功率放大*6П3C、*6л6C、6L6、6L6G/GT、1614、1619、1622 同型:1631、6TT3C6P4P 束射四极管低频功率放大旁热式阴极6P6P 旁热式束射四极管低频功率放大*6П2、*6П6C、6Φ6、1611、1613、1621、6K6、CV509、6V6GT、CV510、CV1912、CV511、6N6C、KT636P9P 旁热式五极管宽带功率放大*6П9C、CV569 氧化物阴极6P13P 束射四极管低频功率放大*6П13C(旁热)旁热式阴极6P14P 旁热式五极管宽带功率放大*6П14П、6BQ5、N709、EL84、CV2975、7320、6L40 氧化物阴极6P15P 旁热式五极管低频功率放大6CH6、6CW5、EL180、EL821、CV2127、12BY7A 氧化物阴极6P25B 束射四极管低频功率放大*6П25Ь、EL71、5902 氧化物阴极6P30B-Q 束射四极管低频功率放大*6П30Ь-B(旁热)氧化物阴极6P31B-Q 束射四极管低频功率放大*6П31Ь-B(旁热)氧化物阴极13P1P 输出五极管低频功率放大*13П1C 旁热式阴极6S6 高S五极管电压/功率放大*6Э1П(旁热)氧化物阴极6T1 高频双四极管推挽输出QM322、5656 旁热式阴极6A2 七极电子管TUNER变频CV453、EK90、X77、*6A2П、6BE5、5750 旁热式阴极6F1 三极-五极管变频/电压放大*6Φ1П、6BL8、6C16 旁热式阴极6F2 三极-五极管变频/电压放大6Φ2П、6U8、6GH、CV5065、ECF82、6BL8 旁热式阴极6G2P 双二极-三极管检波、电压放大*6Γ2、6SQ7、6SQ7GT/G 旁热式阴极WE300B 直热式三极管功率放大300B、4300A 古典式低内阻FU-5 直热式三极管低频功率放大T100-1、RK57、ML714、NU-150、CV2622、CV2768 F123A、GL805、HF150、CV25 FU-7 旁热式四极管大S功率放大QV05-25、RK39、HY-61、QE06-50、CV124、807 5B/250A、807V、5S1FU-13 直热束射四极管功率放大*гY-13、813、4B13 TT10 、QY2-100、QB2、250、CV278、4T100 CV1927、3874A、5C/100AFU-15 直热束射五极管中功率放大*гY-15 氧化物热子FU-17 双束射四极管中功率放大*гY-17、CV3517、6360、QQV03-10、QQV03/12 旁热式阴极FU-25 旁热束射四极管宽带功率放大1625、FD-25 氧化物阴极FU-29 双束射四极管宽带功率放大*гY-29、829B 旁热式阴极FU-31 直热式三极管宽带功率放大2T26、826、826“RCA”钍钨阴极FU-32 双束射四极管宽带功率放大*гY-32、RS1019、TT20SRS4452、QQE03/20、P2-12 与FU-29类同FU-33 直热式三极管功率放大ES833、CV635、B142、3578、833A、5T33 钍钨阴极FU-46 旁热式五极管中功率放大QV06-20、P40、QE05/40、7212、6146、2B46 氧化物阴极FU-50 束射五极管宽带功率放大*гY-50、SRS552、P50/2旁热式阴极FU-811 直热式三极管宽带功率放大*г-811、811A 钍钨阴极FU-250F 旁热式四极管宽带功率放大4C×250A 金属陶瓷型EL81 旁热式五极管功率放大6CJ6 氧化物阴极845 直热式三极管功率放大UV-845 Po≈100W6CY7 旁热式双二极管电压放大每组**管特性参数不同Rg<100kΩ6CX8 旁热式三极管-五极管电压放大和P-K分割比6U9、6F2靓高S18045 旁热式五极管小型功放作耳机放大有极佳表现Po>1WFC4 旁热式三极管电压放大*гC4 金属陶瓷管6C22D 旁热式三极管电压放大5876 金属陶瓷管6550 旁热束射四极管功率放大KT88 氧化物阴极KT100 旁热束射四极管功率放大KT94 氧化物阴极PL81 旁热式五极管功率放大21A6 氧化物阴极EL34 旁热式五极管功率放大6CA7、KT66 氧化物阴极2A3 直热式三极管功率放大*2C4、AD1、6A3、6B4G、6C4C211 直热式三极管功率放大FD422 直热式五极管功率放大2E22 6C33C-B 旁热式三极管功率放大欧美电子管置换表E83F 6689E84L 7320E88C 6DL4E88C 8255E88CC 6922E89F 6DG7E902 6X4E90C 5920E90CC 5920E90F 6BH6E90Z 6X4E91AA 5726E91H 6687E91N 5727E95F 6AK5E99F 6BJ6EA41 6CT7EA50 2B35EA76 6489EAA901 5726EAA91 6AL5EABC80 6AK8EAF41 6CT7EAF42 6CT7EAM86 6GX8EB34 6H6EB91 6AL5EBC3 6BD7AEBC41 6CV7EBC80 6BD7EBC81 6BD7EBC90 6AT6EBC91 6A V6EBF32 6B8EBF41 6CJ5EBF80 6N8EBF81 6AD8EBF83 6DR8EBF89 6DC8 EC1000 8254 EC22 6R4EC55 5861 EC70 5718 EC71 5718 EC80 6Q4EC806S 6CM4 EC81 6R4EC84 6AJ4 EC86 6CM4 EC88 6DL4 EC88 8255 EC90 6C4EC900 6HA5 EC91 6AQ4 EC92 6AB4 EC93 6BS4 EC94 6AF4 EC95 6ER5 EC97 6FY5 ECC180 6BQ7A ECC186 12AU7 ECC189 6ES8 ECC230 6080 ECC32 6SN7GT ECC35 6SL7 ECC70 6021 ECC801 6060 ECC802 6189 ECC803 6057 ECC804 6GA8 ECC81 12AT7 ECC813 6463 ECC82 12AU7 ECC83 12AX7 ECC84 6CW7 ECC85 6AQ8 ECC86 6GM8 ECC863 12DT7 ECC88 6DJ8 ECC89 6FC7 ECC900 6HA5ECF200 6X9 ECF201 6U9 ECF202 6AJ9 ECF80 6BL8 ECF801 6GJ7 ECF802 6JW8 ECF805 6GV7 ECF82 6U8 ECF86 6HG8 ECH113 6CU7 ECH200 6V9 ECH35 6E8G ECH42 6CU7 ECH80 6AN7 ECH81 6AJ8 ECH82 6E8 ECH83 6DS8 ECH84 6JX8 ECL80 6AB8 ECL82 6BM8 ECL821 6CH6 ECL84 6DX8 ECL85 6GV8 ECL86 6GW8 ECLL800 16KH8 ED2 6AL5 ED500 6ED4 EF13 6DA6 EF183 6EH7 EF184 6EJ7 EF190 6CB6 EF22 7A7 EF36 6J7EF37 6J7GT EF39 6K7 EF41 6CJ5 EF70 6487 EF71 5899 EF72 5840 EF73 6488 EF730 5636 EF731 5899 EF732 5840EF732 5901 EF734 6205 EF74 6391 EF80 6BX6 EF81 6BH5 EF811 6EH7 EF812 6EL7 EF814 6EJ7 EF82 6CH6 EF83 6BK8 EF85 6BY7 EF86 6267 EF87 6267 EF89 6DA6 EF89F 6DG7 EF905 5654 EF91 6AM6 EF92 6CQ6 EF93 6BA6 EF94 6AU6 EF95 6AK5 EF96 6AG5 EF97 6ES6 EF98 6ET6 EFL200 6Y9 EH90 6CS6 EK90 6BE6 EL180 12BY7 EL300 6FN5 EL33 6M6G EL34 6CA7 EL36 6CM5 EL37 6L6 EL38 6CN6 EL41 6CK5 EL500 6GB5 EL503 8278 EL504 6GB5 EL505 6KG6 EL508 6KW6 EL71 5902 EL80 6M5 EL802 6LD6 EL803 6CK6EL82 6DY5 EL820 6CK6 EL821 6CH6 EL822 6CH6 EL83 6CK6 EL84 6BQ5 EL85 6BN5 EL86 6CW5 EL90 6AQ5 EL91 6AM5 EL95 6DL5 ELF86 6HG8 ELL80 6HU8 EM34 6CD7 EM35 6U5 EM80 6BR5 EM81 6DA5 EM84 6FG6 EM840 6FG6 EM85 6DG7 EM87 6HU6 EN32 2050 EN91 2D21 EN93 6D4 EQ80 6BE7 EY500 6EC4 EY51 6X2 EY80 6U3 EY81 6R3 EY81F 6V3 EY82 6N3 EY83 6AL3 EY84 6374 EY86 6S2 EY87 6S2A EY88 6AL3 EZ11 6V4 EZ22 7Y4 EZ3 6V4 EZ35 6X5G EZ4 6CA4 EZ40 6BT4 EZ80 6V4EZ90 6X4EZ900 6063EZ91 6A V4F1EL 8278FA6 5677G/50/4K OA2G105/1D OC3G150/3D OD3G75/2D OA3G77 6C6GY501 3BH2GZ30 5Z4GGZ31 5U4GGZ32 5V4GAGZ34 5AR4H2-10 2X2AH52 5U4GBH63 6F5GT HAA91 12AL5 HABC80 19T8 HBC90 12AT6 HBC91 12A V6 HCC85 17EW8 HCH81 12AJ7HD14 1H5GT HD30 3B4HD51 OA2HD52 OB2HD93 1X2BHD94 6BQ6GTB HD96 25BQ6GTB HF121 12AC5HF61 6CJ5HF93 12BA6HF94 12AU6HK90 12BE6HL86 30CW5HL90 19AQ5HL92 50C5HL94 30A5HM04 6BE6HP6 6AM6HY145 1U4HZ50 14Z3 HZ90 12X4 KD21 OA3 KD24 OC3 KD25 OD3KL35 1F5G KT32 25W6GT KT33 25A6 KT61 6M6G KT63 6F6G KT66 6L6GC KT71 50L6GT KT77 6CA7 KT88 6550 KTW63 6J7GT KTZ63 6K7GT KTZ63M 6J7GT KY80 5J2L63 6J5L63B 6J5L77 6C4LC900 3HA5 LC97 3FY5 LCC189 5ES8 LCF200 5X9 LCF201 5U9 LCF80 6LN8 LCF801 5GJ7 LCF802 6LX8 LCF86 5HG8 LCH200 5V9 LCL200 10DX8 LCL82 11BM8 LCL84 10DX8 LCL85 10GV8 LF183 4EH7LF184 4EJ7 LFL200 11Y9LL500 18GB5 LL505 27KG66 LL521 21KQ6 LL86 10CW5 LN119 50BM8LN319 13GC8L Y500 28EC4L Y81 11R3L Y88 20AQ3 LZ319 9A8LZ329 9A8LZ339 9EN7M8063 6AM6M8079 5726M8081 6J6M8096 5763M8100 5654M8121 5840M8136 6189M8137 12AX7A M8162 12AT7W A M8196 5725M8204 5727M8212 5726M8223 OA2W A M8224 OB2W A M8232 6J4W AM8245 6005MU14 6BT4 MV6-5 6SA7GT N119 45B5N14 1C5GTN142 45A5N144 6AM5N147 6M6GN148 7C5N15 3Q5GTN150 6CK5N152 21A6N153 15A6N154 16A5N155 6BN5N16 3Q5GTN17 3S4N18 3Q4N19 3V4N22LL 19KF6N25 3C4N308 25E5N309 15A6N30EL 6LF6N329 16A5N359 21A6N369 16A8N378 15CW5N379 15CW5N389 25GF6N47 6AM5N63 6K6GTN66 6L6GTN709 6BQ5N727 6AQ5N77 6AM5N78 6BJ5OA2 150C1OA2 150C2OA2 150C4OA2 G/50/4K OA2 HD51OA2 QS1207 OA2 S856OA2 SM150-30 OA2 STR108/30 OA2 STR150/30 OA2 STV150/30 OA2W A M8223 OA2W A QS1210 OA3 G75/2D OA3 KD21OA3 QS1205 OA4G PL1267 OA4G RL1267 OA4G Z300T OB2 108C1OB2 HD52OB2 QS1208 OB2 S860OB2 SR55OB2 STV108/30 OB2WA M8224 OB2WA QS1211OBC3 12SQ7 OC3 G105/1D OC3 KD24 OC3 QS1206 OD3 150C3 OD3 G150/3D OD3 KD25 OD3 QS150/40 OD3 VR150 OE3 85A1OF1 6S7OF5 12K7GT OG3 85A2 OG3 SR2OG3 STR85/10 OG3 STV85/10 OH4 12A8 OM3 6H6OM5 6S7OM6 6K7 OSW2190 6AC7 OSW2192 6AG7 OSW2600 6AC7 OSW2601 6AG7 OSW3104 6SA7 OSW3105 6SQ7 OSW3106 6V6GT OSW3107 5CG4 OSW3107 5Z4G OSW3109 6H6 OSW3110 6E5 OSW3111 6SK7 OSW3112 6J5P17A 807 PABC80 9AK8 PC86 4CM4PC88 4DL4PC900 4HA5PC95 4GK5PC97 4FY5 PCC186 7AU7 PCC189 7ES8 PCC805 7EK7 PCC84 7AN7PCC88 7DJ8 PCC89 7FC7 PCE800 9GB8 PCF200 8X9 PCF201 8U9 PCF80 9A8 PCF800 9EN7 PCF801 8GJ7 PCF802 9JW8 PCF805 7GV7 PCF806 8GJ7 PCF82 9U8 PCF86 8HG8 PCH200 9V9 PCL800 16GK8 PCL801 13GC8 PCL82 16A8 PCL84 15DQ8 PCL85 18GV8 PCL86 14GW8 PCL88 16GK8 PD500 9ED4 PF86 4HR8 PF9 6K7 PFL200 16Y9 PH4 6A8 PL1267 OA4G PL21 2D21 PL300 35FN5 PL302 25GF6 PL36 25E5 PL500 27GB5 PL505 40KG6 PL508 17KW6 PL521 29KQ6 PL801 12FB5 PL81 21A6 PL82 16A5 PL820 21A6 PL83 15A6 PL84 15CW5 PLL80 12HU8 PM04 6BA6PM07 6AM6 PM95 6AK6PP6BG 6M6G PY301 19CS4PY500 42EC4PY80 19X3PY800 17Z3PY801 17Z3PY81 17Z3PY82 19Y3PY83 17Z3PY88 30AE3 QA2401 6135QA2404 5726QA2406 12AT7WB QA2407 6201QA2408 5692QB309 12AT7 QB5/1750 6079QB65 6SN7GT QE03/10 5763QE05/40 6146QE05/40H 6159QE06/50 807QL77 6C4QM556 6X4W QM556 6X4W QM557 5654QM558 5725QM559 5726QN77 6AM5 QQE02/5 6939 QQE03/12 6360 QQE03/20 6252 QQE06/40 5894 QQV02-6 6939 QQV03-10 6360 QQV03-20 6252QS1205 OA3QS1206 OC3QS1207 OA2QS1208 OB2QS1209 5651AQS1211 OB2W A QS150/40 OD3QS2404 5726QS2406 12AT7W A QV03-12 5763QV05-25 807QV06-20 6146QW77 6CQ6 QZ77 6AM6R12 6X2R144 6AM6R16 1T2R19 1X2AR20 2J2R3 1W4R52 5Z4GRL1267 OA4G RL21 2D21RS1029 6360RS2 5Z4S6F12 6AM6S856 OA2S860 OB2SM150-30 OA2SP6 6AM6SR2 OG3SR3 0B2SR55 OB2SR56 0A2STR108/30 OA2STR150/30 OA2STR85/10 OG3STV108/30 OB2STV150/30 OA2STV85/10 OG3SU61 6X2T2M05 6J6T6D 2B35T77 6C6TH62 6E8GTM12 6J4TTZ63 6J7U118 31A3U142 31A3U145 31A3U147 6X5G U149 7Y4U150 6BT4U151 6X2U152 19X3U153 17Z3U154 19Y3U191 19CS4 U192 19Y3U193 17Z3U251 17Z3U26 2J2U309 19X3U31 25Z4GT U319 19Y3U329 25BR3 U339 19CS4 U349 17Z3U37 1T2U381 38A3U41 1B3GT U43 6X2U45 6X2U49 2J2U50 5Y3GT U51 5W4GT U52 5U4G U70 6X5G U707 6X4U709 6CA4 U718 6BT4U74 35Z4GT U76 35Z4GT U77 5AR4 U78 6X4U82 7Y4 UAF42 12S7 UBC41 14L7 UBC80 14G6 UBC81 14G6 UBF80 17C8UBF89 19FL8 UCH42 14K7 UCH80 14Y7 UCH81 19D8 UCL82 50BM8 UF41 12AC5 UF89 12AD6 UL41 45A5 UL84 45B5 UM84 12FG6 UN954 954 UN955 955 UQ80 12BE7 UT85 38A3 UU12 6CA4 UU5 6BT4 UU9 6BT4 UY41 31A3 UY42 31A3 UY82 55N3 UY89 38A3 V177 6CQ6 V2M70 6X4V311 31A3V312 31A3V61 6BT4 V741 6C4V884 6CQ6 V886 6AM5 VP12D 12C8 VP6 6CQ6 VR150 OD3 VT83 83W110 13EC7 W118 12AC5 W119 13EC7 W142 12AC5 W143 7A7W145 12AC5 W147 6K7W148 7A7W149 7B7W150 6CJ5 W17 1T4W25 1AJ4W61 6K7W63 6K7W719 6BY7W727 6BA6W739 6EC7W76 12K7W77 6CQ6W81 7A7 WD142 12S7 WD150 6CT7 WD709 6N8 WT301 83X107 18FX6X119 19D8X14 1A7GT X142 14K7X147 6E8GX148 7S7X150 6CU7X155 6BZ8X17 1R5X18 1AC6X20 1AC6X25 1AB6X319 6351X61M 6E8GX63 6ABX64 6L7X65 6E8X719 6AJ8X71M 12K8X727 6BE6X73 6D8X73M 6D8X76M 12K8GT X77 6BE6X79 6AE8X81 7S7 XAA91 3AL5 XB91 3AL5 XC900 2HA5 XC95 2ER5 XC97 2FY5XCC189 4ES8 XCC82 7AU7 XCF80 4BL8 XCF801 4GJ7 XCF82 5U8 XCF86 2HR8 XCH81 3AJ8 XCL82 8B8 XCL85 9GV8 XF183 3EH7 XF184 3EJ7 XF80 3BX6 XF85 3BY7 XF94 3AU6 XL36 13CM5 XL500 13GB5 XL84 8BQ5 XL86 8CW5 XXB 3C6 XXD 14F7 XXFM 7X7 XY88 16AQ3 Y25 1M3Y64 6U5 YC95 3ER5 YC97 3FY5 YCC189 5ES8 YCF86 5HG8 YCL84 10DX8 YF183 4EH7 YF184 4EJ7 YL84 10BQ5 YL86 10CW5 Z14 1N5GT Z150 6CU7 Z152 6BX6 Z300T OA4G Z329 7ED7 Z550M 8453 Z63 6J7Z719 6BX6 Z729 6267Z749 6EL7Z77 6AM6ZA2 954ZD152 6N8ZD17 1S5ZD25 1AH5ZZ1000 822812ZF5 85-LF1 12ZF5 32B812HF6 12HF6A 12HF6 ECC121 12HF6 ECC121A 6LQ6 6JM60A2 AG5211 0A2 SR560B2 SR3108C1 OB210BQ5 YL8410C14 19D810CW5 LL8610CW5 YL8610DE7 9R-AL1 10DX8 LCL200 10DX8 LCL8410EB8 11JE8 10F18 13EC7 10F9 12AC5 10GN8 11JE8 10GV8 LCL85 10HF8 11JE8 10JA8 11JE8 10JY8 11JE8 10LD13 14G6 10LD3 14L7 10LZ8 11JE8 10P18 45B5 10PL12 50BM8 11BM8 LCL82 11JE8 10EB8 11JE8 10GN8 11JE8 10HF8 11JE8 10JA8 11JE8 10JY8 11JE8 10LZ8 11R3 L Y81 11Y9 LFL200 121VP 12AC5 12A6 ABC91 12A8 OH4 12AC5 10F9 12AC5 121VP 12AC5 HF121 12AC5 UF41 12AC5 W118 12AC5 W142 12AC5 W145 12AD6 UF89 12AD7 12AX7 12AF3 12BR3 12AH8 20D3 12AJ7 HCH81 12AL5 HAA91 12A T6 HBC90 12A T7 A2900 12A T7 B152 12A T7 B309 12A T7 B73912A T7 E81CC 12A T7 ECC81 12A T7 QB309 12A T7W A CC81E 12A T7W A M8162 12A T7W A QS2406 12A T7WB QA2406 12AU6 HF9412AU7 12AX7 12AU7 B32912AU7 B74912AU7 E2163 12AU7 E82CC 12AU7 ECC186 12AU7 ECC82 12AU7A 12AX7 12A V6 12BC32 12A V7 12R-LL3 12AX7 12AD7 12AX7 12AU7 12AX7 12AU7A 12AX7 12AX7A 12AX7 12BZ7 12AX7 12DF7 12AX7 12DM7 12AX7 12DT7 12AX7 6L1312AX7 702512AX7 7025A 12AX7 B33912AX7 B75912AX7 E2164 12AX7 ECC83 12AX7A 12AX7 12AX7A M8137 12B-B14 13GB5 12BA6 12F31 12BA6 HF9312BC32 12A V6 12BE6 12H31 12BE6 HK9012BE7 UQ8012BQ6GT 12G-B612BR3 12R-K19 12BY7 EL180 12BZ7 12AX7 12C8 VP12D 12D4A 12G-K17 12DF7 12AX7 12DM7 12AX7 12DT7 12AX7 12DT7 ECC863 12E13 655012F31 12BA612FB5 30P1212FB5 PL80112FG6 UM8412FQ7 12R-LL5 12G-B3 12GW6 12G-B6 12BQ6GT 12G-B7 13CM5 12G-K17 12D4A 12GW6 12G-B3 12H31 12BE6 12HU8 PLL80 12K7 W7612K7GT OF512K8 X71M12K8GT X76M 12Q7GT DH7412Q7GT DH7612R-K19 12BR3 12R-LL3 12AV7 12R-LL5 12FQ7 12S7 UAF42 12S7 WD142 12SN7GT B3612SQ7 OBC312X4 HZ9013CM5 12G-B7 13CM5 XL3613D2 6SN7GT 13D3 615813EC7 10F1813EC7 W11013EC7 W11913GB5 XL500 13GC8 30PL1 13GC8 30PL10 13GC8 LN319 13GC8 PCL801 141DDT 14L7 141TH 14K7 14F7 XXD14G6 10LD13 14G6 DH119 14G6 UBC80 14G6 UBC81 14GW8 PCL86 14K7 141TH 14K7 UCH42 14K7 X142 14L7 10LD3 14L7 141DDT 14L7 DH118 14L7 DH142 14L7 UBC41 14Y7 UCH80 14Z3 HZ50 150B2 6354 150C1 OA2 150C2 OA2 150C3 OD3 150C4 OA215A6 N153 15A6 N309 15A6 PL83 15CW5 30P18 15CW5 N378 15CW5 N379 15CW5 PL84 15DQ8 PCL84 163PEN 16A5 16A 6AM5 16A5 163PEN 16A5 30P16 16A5 N154 16A5 N329 16A5 PL8216A8 N36916A8 PCL82 16AQ3 XY8816GK8 30PL13 16GK8 30PL14 16GK8 PCL800 16GK8 PCL88 16KH8 ECLL800 16Y9 PFL200 171DDP 17C817C8 171DDP 17C8 17N817C8 UBF80 17EW8 HCC85 17KW6 PL508 17N8 17C817Z3 A6117Z3 PY80017Z3 PY80117Z3 PY8117Z3 PY8317Z3 U15317Z3 U19317Z3 U25117Z3 U34918AK5 602818FX6 X10718GB5 LL500 18GD6 19M-R10 18GD6 19M-R9 18GV8 PCL85 19AJ8 19D819AQ5 HL9019BD 19X319CS4 PY301 19CS4 U19119CS4 U33919D8 10C1419D8 19AJ819D8 UCH81 19D8 X11919FL8 UBF89 19KF6 N22LL19M-R10 18GD6 19M-R9 18GD6 19SU 19Y3 19T8 HABC80 19U3 19X3 19W3 19X3 19X3 19BD 19X3 19U3 19X3 19W3 19X3 PY80 19X3 U152 19X3 U309 19Y3 19SU 19Y3 PY82 19Y3 U154 19Y3 U192 19Y3 U3191A3 1D131A3 DA901A3 DAF90 1A5G DL311A7GT DK32 1A7GT X141AB6 1C31AB6 1H351AB6 DK96 1AB6 DK97 1AB6 X251AC6 1C21AC6 DK92 1AC6 X181AC6 X201AD4 DF621AD4 DF652 1AD4 DF668 1AH5 1FD11AH5 DAF96 1AH5 ZD251AJ4 1F11AJ4 DF961AJ4 W251AN5 DAF97 1AN5 DF971AQ5 1H331AS5 1U5SF 1B3GT DY30 1B3GT U411BG2 DY51 1BQ2 DY802 1C1 1R51C2 1AC61C3 1AB61C5GT DL35 1C5GT N141D13 1A31D5 40SUA 1E3 DC801F1 1AJ41F2 1L41F3 1T41F5G KL35 1FD1 1AH5 1FD9 1S51G50 2050A 1H2 1S21H33 1AQ5 1H33 1R5SF 1H35 1AB6 1H5GT DAC32 1H5GT HD14 1L4 1F21L4 DF921M1 1N31M3 DM70 1M3 Y251N3 1M11N3 DM71 1N5GT DF33 1N5GT Z141P1 3C41P10 3S41P11 3V41Q5GT DL36 1R5 1C11R5 DK91 1R5 X171R5SF 1H331RK23 1S21S2 1H21S2 1RK23 1S2 DY861S2A DY87 1S4 DL911S5 1FD91S5 DAC21 1S5 DAF91 1S5 DF261S5 ZD171S5SF 1AR5 1T2 R161T2 U371T4 1F31T4 DF911T4 W171U4 DF904 1U4 HY145 1U5 DAF92 1U5SF 1AS5 1V6 DCF60 1W4 R31X2 1X2A 1X2 1X2B 1X2A 1X21X2A DY80 1X2A R191X2B 1X21X2B HD93 2050 BA2 2050 EN32 2050A 1G50 20A3 2D21 20AQ3 L Y88 20D3 12AH8 20D4 6AJ8 213PEN 21A6 21A6 213PEN 21A6 N152 21A6 N359 21A6 PL81 21A6 PL82021KQ6 LL521 25A6 KT3325BQ6GT 25G-B6 25BQ6GTB HD96 25BR3 25R-K19 25BR3 U32925E5 N30825E5 PL3625G-B6 25BQ6GT 25GF6 30P1925GF6 30P425GF6 N38925GF6 PL30225R-K19 25BR3 25W6GT KT32 25Z4GT U3127GB5 PL500 27KG66 LL505 28EC4 L Y500 29KQ6 PL5212B/250A 8072B35 6D12B35 EA502B35 T6D2D21 20A32D21 4G280K 2D21 ASG512 2D21 EN912D21 PL212D21 RL212ER5 XC952FY5 XC972HA5 XC9002HR8 XCF862J2 R202J2 U262J2 U492X2 2X2A2X2 2Y22X2A 2X22X2A H2-102Y2 2X230A5 HL9430AE3 PY8830C1 9A830C15 9EN7 30C18 7GV7 30CW5 HL86 30F5 7ED7 30FL1 9GB8 30L1 7AN7 30L15 7EK7 30P12 12FB5 30P16 16A5 30P18 15CW5 30P19 25GF6 30P4 25GF6 30PL1 13GC8 30PL10 13GC8 30PL12 16A8 30PL13 16GK8 30PL14 16GK8 311SU 31A3 31A3 311SU 31A3 U118 31A3 U142 31A3 U145 31A3 UY41 31A3 UY42 31A3 V311 31A3 V312 32F 95635FN5 PL300 35W4 HY90 35Z4GT U74 35Z4GT U76 38A3 U119 38A3 U381 38A3 UT85 38A3 UY89 3A4 DL93 3A4 E1485 3A5 DCC90 3AJ8 XCH81 3AL5 XAA91 3AL5 XB91 3AU6 XF943B4 HD303BH2 GY501 3BX6 XF803BY7 XF853BZ6 3M-V7 3C4 1P13C4 DL963C4 N253C6 XXB3D6 DL293DK6 3M-R24 3EH7 XF183 3EJ7 XF184 3ER5 YC953FY5 LC973FY5 YC973HA5 LC900 3M-R24 3DK6 3M-V7 3BZ63Q4 DL953Q4 N183Q5GT DL33 3Q5GT N153Q5GT N163S4 1P103S4 DL923S4 N173S4SF 3W43V4 1P113V4 DL943V4 N193W4 3S4SF 40KG6 PL505 40SUA 1D542EC4 PY500 451PT 45A545A5 451PT 45A5 BF451 45A5 N142 45A5 UL41 45B5 10P18 45B5 N11945B5 UL844BL8 5R-HP1 4BL8 XCF80 4BS8 4R-HH2 4CM4 PC864DL4 PC884EH7 LF183 4EH7 YF183 4EJ7 LF1844EJ7 YF1844ES8 XCC189 4FY5 PC974G280K 2D214GJ7 4GX74GJ7 XCF801 4GK5 PC954GX7 4GJ74HA5 PC900 4HR8 PF864KN8 4R-HH8 4R-HH2 4BS84R-HH8 4KN8 4Y25 80750BM8 10PL12 50BM8 LN119 50BM8 UCL82 50C5 HL92 50L6GT KT71 52KU 5Z4G 54KU 5AQ4 55N3 UY82 5636 EF730 5642 DY70 5651A QS1209 5654 EF905 5654 M8100 5654 QM557 5670 6CC42 5672 DL620 5677 FA6 5678 DF60 5692 6CC10 5692 QA2408 5718 EC70 5718 EC715725 QM558 5726 AA91E 5726 DD77 5726 E91AA 5726 EAA901 5726 M8079 5726 M8212 5726 QA2404 5726 QM559 5726 QS2404 5727 E91N 5727 M8204 5763 M8096 5763 QE03/10 5763 QV03-12 5783 85A3 5823 Z900T 5840 EF72 5840 EF732 5840 M8121 5847 6R-R8C 5847 E182F 5861 EC55 5894 QQE06/40 5899 EF71 5899 EF731 5901 EF732 5902 EL71 5911 DF67 5913 DL67 5920 E90C 5920 E90CC5A/160H 6AM65AQ4 54KU5AR4 GZ345AR4 U775B/250A 8075CG4 OSW3107 5ES8 LCC189 5ES8 YCC189 5GJ7 LCF8015HG8 LCF865HG8 YCF865J6 5M-HH3 5L509 6KG6A5M-HH3 5J65P29 6CN65R-HP1 4BL85S1 8075U4G 5Z105U4G GZ315U4G U525U4GB H525U8 XCF825U9 LCF201 5V4GA GZ325V9 LCH200 5W4GT U515X9 LCF200 5Y3GT U505Z10 5U4G5Z4 RS25Z4G 52KU5Z4G GZ305Z4G OSW3107 5Z4G R526/30L2 6GA8 6005 M8245 6007 DL67 6008 DF67 6021 ECC70 6028 18AK5 6057 ECC803 6060 ECC801 6063 EZ900 6079 QB5/1750 6080 ECC230 6084 E80F 6085 E80CC 6135 QA2401 6146 QE05/40 6146 QV06-20 6158 13D3 6159 QE05/40H 6189 ECC802 6189 M81366201 QA2407 6205 EF734 6218 E80T 6227 E80L 6252 QQE03/20 6252 QQV03-20 6267 6CF8 6267 6F22 6267 8D8 6267 EF86 6267 EF87 6267 Z72962DDT 6CV762TH 6CU762VP 6CJ5 6351 X319 6354 150B2 6360 QQE03/12 6360 QQV03-10 6360 RS1029 6374 EY84 6375 DC70 6391 EF7463TP 6AB8 6463 ECC813 6487 EF70 6488 EF73 6489 EA7664ME 6CD764SPT 6BX4 6550 12E13 6550 7D11 6550 KT8865ME 6BR5 6681 E83CC 6686 E81L 6687 E91H 6688 E180F 6689 E83F66KU 6BT467PT 6CK5 6922 E88CC 6939 QQE02/56939 QQV02-6 6977 DM1606A6 B636A8 6Q86A8 PH46AB X636AB4 EC926AB8 63TP6AB8 ECL806AB8 LN1526AC7 6F106AC7 OSW2190 6AC7 OSW2600 6AD8 EBF816AE8 X796AF4 6T16AF4 EC946AG5 EF966AG6 6P256AG6G BV A264 6AG6G BV A265 6AG7 6L106AG7 OSW2192 6AG7 OSW2601 6AG8 B7296AH6 6F366AJ4 EC846AJ5 6F356AJ8 20D46AJ8 6C126AJ8 6CH406AJ8 ECH816AJ8 X7196AJ9 ECF2026AK5 6F326AK5 DP616AK5 E95F6AK5 EF956AK5 PM056AK6 PM956AK8 6LD126AK8 DH7196AK8 EABC80 6AL3 EY836AL5 6B326AL5 6D26AL5 D1526AL5 D2M96AL5 D7176AL5 D776AL5 DD66AL5 EAA916AL5 EB916AL5 ED26AM5 16A6AM5 6P176AM5 7D96AM5 DD76AM5 DDR76AM5 EL916AM5 N1446AM5 N476AM5 N776AM5 QN776AM5 V8866AM6 5A/160H6AM6 6F116AM6 6F126AM6 8D36AM6 EF916AM6 HP66AM6 M80636AM6 PM076AM6 QZ776AM6 R1446AM6 S6F126AM6 SP66AM6 Z776AN7 ECH806AQ4 6L346AQ4 EC916AQ5 6L316AQ5 BPM04常用电压放大级即前级放大胆管代换表6N1ECC85,6AQ8,6H1л12AX7,ECC83,E83CC,7729,CV4004,B759,CV4926N1012AU7,ECC82,E82CC,7316,CV4003,5814,B749,61896N116DJ8,E88CC,ECC88,6922,ECC189,6J5,6H11N,7308,El88CC 6N8P6SN7,B65,5692,33S30,CV1988,6H8C,6HM,6F8G,16336H8C 6HM,6F8G,1633,9002,6C8G6J8P 6SJ7,6267,EF86,12A T7ECC81,CV4024,6201,B739,A2900,2025,ECC80156N9P 6SL7,5691,33S29,VT2296F2ECF82,6U86N26H2л功率用管代换表6P3P6L6GC,58816P6P6V6GT,5S2,KT63EL346CA7,KT66,7027A6P14EL84,6BQ5,6П14П6N5P6080,6AS7,6H5CFU-5805FU-7807,1625FU-13813FU-4606146BFU-17FU-605 6T5170926T50FU811811AFU812812AGL-211 211300B WE300B,NL50,4300BKT886550,NT99,KT1002A32A3S845845A6360,TY-7整流电子管代换及特性表型号代换型号Bb2V UfV/I I2L(mA)最大型式5U4G5Z3P,U52500V5V/3A2500直热式5Y3GT522P350V5V/2A125直热式5R4GY22S2C900V5V/2A150直热式5T4450V5V/3A250A直热式6Z4350V 6.3V/0.5A50直热式6Z56X5230V 6.3V/0.8A60旁热式6X4325V 6.3V/0.5A70旁热式5Z4P5Z4400V5V/2A125旁热式5AR4GZ34450V5V/1.9A250旁热式部分整流电子管特性表Type filament filament Vmax Imax Cmaxsocketvolts amp.volts mAmp.uF GZ325240030060Oc54GZ345 1.955022560Oc54GZ37CV3785 2.8500350CmaxWE274B526602254Oc5AS45 3.045027540Oc505AU45 3.7540032540Oc505AW45 3.745025010Oc505R4WGY521000150CmaxOc5R4GY5 2.09001504Oc505R4GYA5 2.0750175L loadOc505U4GB53550250CmaxOc505V35 3.842535040Oc505V4G5237517510Oc545W45 1.53501004Oc505Y3GT5235012510Oc505Z45235012540Oc54与12AU7管脚兼容的双三极管Type Heater mu gm rpPp Ep Ip Con.GD,(V)(mmho)(kohm)(W)(V)(mA)Price12BH7A 6.3/12.616.5 3.1 5.33.525011.5A2,200*c12AU7/ECC82 6.3/12.617 2.27.72.7525010.5A1,900*gE80CC/6085 6.3/12.627 2.710 22506A-12RLL3 6.3/12.630 5.5 5.52.815015A-12AY7 6.3/12.640 1.7522.91.52503A-6414 6.3/12.642.5 5.557.652.01808A-5965/E180CC 6.3/12.647 6.7 6.32.41508.5A1,200*c12AT7/ECC81 6.3/12.660 5.510.92.525010A1,900*g12AX7/ECC83 6.3/12.6100 1.662.51.0250 1.2A1,900*g部分双三极管(管脚与12AU7不兼容)Type Heater mu gm rpPp Ep Ip Con.GD,CC(V)(mmho)(kohm)(W)(V)(mA)Price5687 6.3/12.6178.524.218023-1,000*c6350 6.3/12.618 4.6 3.9 415011--6FQ7/6CG7 6.320 2.67.73.52509B*1,800*c6463 6.3/12.620 5.2 3.94.425014.5--E182CC/7119 6.3/12.62415 1.64.512036-2,500*cECC84/6CW7 6.324 6.0-2.09012--E288CC/8223 6.32520 1.25 310030--6DJ8/ECC88 6.33312.5 2.641.89015B2,400*g6922/7308 6.33312.2 2.71.510015B-5670/E396A 6.335 5.5-1.651508.2--6AQ8/ECC85 6.357 5.99.662.525010B1,900*g5755/WE420A 6.3/12.670 1.55-1.01802.1--ECC808 6.3100 1.662.50.5250 1.2-。
国内外电子管代换常用型号管芯结构主要用途国外同类型号代备注5X4G直热式双阳极二极管小功率全波整流氧化物阴极5Z3P直热式双阳极二极管小功率全波整流5T4、5ц3C、CV1861、5R4GY、U52、CV1071、5V3、5AU4、5U4G氧化物阴极5Z4P旁热式双阳极二极管小功率全波整流*5B×1、*5ц4C,GZ30、CV2748、5Z4G/GT氧化物阴极5Z1P直热式双阳极二极管小功率全波整流氧化物阴极5Z2P直热式双阳极二极管小功率全波整流5W4、5Y3G、80、U50氧化物阴极5Z8P旁热式双阳极二极管全波整流*5ц8C氧化物阴极5Z9P旁热式双阳极二极管全波整流*5ц9C氧化物阴极6Z4旁热式双阳极二极管全波整流*6ц4П、6B×4、6×4、6Z31共阴极6Z5P旁热式双阳极二极管小功率全波整流*6ц5C共阴极6H2旁热式双阳极二极管检波、整流*6×2П、6AL5、C 氧化物阴极6C1旁热式三极管宽带电压放大*6C1П、CV664、9002氧化物阴极6C3旁热式三极管宽带电压放大*6C3П阴地三极管6C4旁热式三极管宽带电压放大*6C4П栅地三极管6C5P旁热式三极管低频电压放大6C5GT、*6C5C、6C5、CV1067、L63氧化物阴极6C6B旁热式三极管低频电压放大5703、CV3917、*6C6Ь氧化物阴极6C7B旁热式三极管低频电压放大*6C7Ь氧化物阴极6C12旁热式三极管宽带电压放大EC88、5842高S、低N6C31B-Q旁热式三极管电压放大*6C31Ь-B氧化物阴极6C32B-Q旁热式三极管电压放大*6C32Ь-B遥截止三极管6N1旁热式双三极管低频电压放大*6H1П、6AQ8、AA61、氧化物阴极6N2旁热式双三极管低频电压放大*6H2П、6AX7、6AV7、ECC41氧化物阴极6N3旁热式双三极管高频电压放大*6H3П、6A8Q、2C51、ECC42氧化物阴极6N4旁热式双三极管低噪声电压放大ECC83、12A×7高μ、低N6N5P旁热式双三极管低频功率放大*6H13C、6AS7、CV2523、6NS7G/GT低Ri6N6(T)旁热式双三极管低频电压放大*6H6П、E182CC、12BH7氧化物阴极6N7P旁热式双三极管低频功率放大6H7、*H7C、6N7/G/GT共阴极6N8P旁热式双三极管低频电压放大*6H8C*6H8M、6SN 7、6F8G、CV181、QB65、ECC32氧化物阴极6N9P旁热式双三极管低频电压放大*6H9C、6SL7、ECC35、6SC7、6CY7高μ6N10旁热式双三极管低频电压放大*6H10M、12AV 7A、E82CC、CV491氧化物阴极6N11旁热式双三极管宽带电压放大*6H23П、6DJ 8、ECC84、E88CC、6922、CV2492高S、低RI、N 6N12P旁热式双三极管低频电压放大*6H12C、TS229、5687氧化物阴极6N13P旁热式双三极管低频功率放大*6H13C、6AS7、CV2523、6NS7G/GT低内阻6N15旁热式双三极管低频电压放大*6H15П、6J6W A、6CC31、CV858共阴极6N16B旁热式双三极管低频电压放大氧化物阴极6N17B旁热式双三极管低频电压放大*6H17Ь、CV5007氧化物阴极6N21B-Q旁热式双三极管低频电压放大氧化物阴极6N23旁热式双三极管低频电压放大6DJ8、ECC88、PCC88高μ低N6J1旁热锐止五极管宽带电压放大*6ж1П、6AK5、6BC5、EF40、EF95、CV850高频管6J1B锐截止五极管宽带电压放大*6ж1Ь、CV3929、61489、旁热式阴极6J2锐截止五极管宽带电压放大*6ж2П、6AS6、CV2522、、CV4011旁热式阴极6J2B锐截止五极管宽带电压放大*6ж2Ь、CK5639旁热式阴极6J3锐截止四极管宽带电压放大*6ж3П、848、6BC6、6AG5束射四极管6J4xx截止五极管宽带电压放大*6ж4、6136、6BX6、6AC7、EF94旁热式阴极6J4Pxx截止五极管宽带电压放大*6ж4C、CV849、1852旁热式阴极6J5锐截止高频管宽带电压放大*6ж5П、EF80、CV2521、6F36、6AH6高S、束射四极管6J7旁热式阴极五极管低频电压放大6* 7、OM5C、CV1056、CV1404、EF36、NR56、KTW61、EF37A、5A/157D、CV358、CV5080、OM5B、W310A、57、STR41、低噪声N6J8xx截止五极管低频电压放大CV 2901、6SJ7、6CF8、6267、EF16、EF86、2729低噪声N6J8Pxx截止五极管宽带电压放大*6ж8C、5693、EF6、EBC3、CV592旁热式阴极6J9锐截止五极管宽带电压放大*6ж9П、EF861旁热式阴极6J20锐截止五极管宽带电压放大*6ж20П空间电荷栅6J23高互导双五极管宽带电压放大*6ж23П阴极框架栅6J23B-Q锐截止五极管宽带电压放大*6ж23B-K低振动噪声12J1S锐截止五极管小功率放大*12ж1л氧化物阴极6K1B遥截止五极管宽带电压放大*6K16K3P遥截止五极管宽带电压放大*6K3、6SK7、6K7、KTZ63、CV1074、6D6、6SG7旁热式阴极6K4遥截止五极管宽带电压放大*6K4П、6BA6、6DA6、、5749、6K5旁热式阴极6K5遥截止五极管宽带电压放大同6K4旁热式阴极12K3P遥截止五极管宽带电压放大12K3、12SK7/GT旁热式阴极2P2输出四极管低频功率放大2П、DL92、1S4T、1L33、1L34直热式阴极2P3束射四极管低频功率放大3A4、1662、CV807、DL93直热式阴极2P19B五极管功率放大直热式阴极2P29直热式五极管功率放大*2、*2П29л氧化物阴极4P1S直热式阴极功率放大*4П1л、4L2D五极管6P1束射四极管低频功率放大*6П1П、6AQ5、6BW6、6L31、EL14、90旁热式阴极6P3P束射四极管低频功率放大*6П3C、*6л6C、6L6、6L6G/GT、1614、1619、1622同型:1631、6TT3C6P4P束射四极管低频功率放大旁热式阴极6P旁热式束射四极管低频功率放大*6П2、*6П6C、6Φ6、1611、1613、1621、6K6、CV509、6V6GT、CV510、CV1912、CV511、6N6C、KT636P9P旁热式五极管宽带功率放大*6П9C、CV569氧化物阴极6P13P束射四极管低频功率放大*6П13C(旁热)旁热式阴极6P14P旁热式五极管宽带功率放大*6П14П、6BQ5、N709、EL2975、7320、6L40氧化物阴极6P15P旁热式五极管低频功率放大6CH6、6CW5、EL180、EL821、CV2127、12BY7A氧化物阴极6P25B束射四极管低频功率放大*6П25Ь、EL71、5902氧化物阴极6P30B-Q束射四极管低频功率放大*6П30Ь-B(旁热)氧化物阴极6P31B-Q束射四极管低频功率放大*6П31Ь-B(旁热)氧化物阴极13P1P输出五极管低频功率放大*13П1C旁热式阴极6S6高S五极管电压/功率放大*6Э1П(旁热)氧化物阴极6T1高频双四极管推挽输出QM322、56旁热式阴极6A2xx电子管TUNER变频CV90、X77、*6A2П、6BE5、5750旁热式阴极6F1三极-五极管变频/电压放大*6Φ1П、6BL 8、6C16旁热式阴极6F2三极-五极管变频/电压放大6Φ2П、6U 8、6GH、CV5065、ECF82、6BL8旁热式阴极6G2P双二极-三极管检波、电压放大*6Γ2、6SQ7、6SQ7GT/G旁热式阴极WE300B 直热式三极管功率放大300B、4300A古典式低内阻FU-5直热式三极管低频功率放大T100-1、RK57、MLNU-150、CV2622、CV2768F123A、GL805、HF150、CV25FU-7旁热式四极管大S功率放大QV05- 25、RK39、HY-61、QE06-50、CV124、807 5B/250A、807V、5S1FU-13直热束射四极管功率放大*гY- 13、813、4B13 TT10、QY2-100、QB2、250、CV278、4T100 CV1927、3874A、5C/100AFU-15直热束射五极管中功率放大*гY-15氧化物热子FU-17双束射四极管中功率放大*гY-17、CV3517、6360、QQV03-10、旁热式阴极FU-25旁热束射四极管宽带功率放大1625、FD-25氧化物阴极FU-29双束射四极管宽带功率放大*гY-29、829B旁热式阴极FU-31直热式三极管宽带功率放大2T26、826、826“RCA”钍钨阴极FU-32双束射四极管宽带功率放大*гY-32、RS1019、TT20SRS4452、、P2-12与FU-29类同FU-33直热式三极管功率放大ES833、CV635、B142、3578、833A、5T33钍钨阴极FU-46旁热式五极管中功率放大QV06-20、P40、、7212、6146、2B46氧化物阴极FU-50束射五极管宽带功率放大*гY-50、SRS552、旁热式阴极FU-811直热式三极管宽带功率放大*г-811、811A钍钨阴极FU-250F 旁热式四极管宽带功率放大4C×250A金属陶瓷型EL81旁热式五极管功率放大6CJ6氧化物阴极845直热式三极管功率放大UV-845 Po≈100W6CY7旁热式双二极管电压放大每组**管特性参数不同Rg<100kΩ6CX8旁热式三极管-五极管电压放大和P-K分割比6U9、6F2靓高S18045旁热式五极管小型功放作耳机放大有极佳表现Po> 1WFC4旁热式三极管电压放大*гC4金属陶瓷管6C22D旁热式三极管电压放大5876金属陶瓷管6550旁热束射四极管功率放大KT88氧化物阴极KT100旁热束射四极管功率放大KT94氧化物阴极PL81旁热式五极管功率放大21A6氧化物阴极EL34旁热式五极管功率放大6CA7、KT66氧化物阴极2A3直热式三极管功率放大*2C4、AD1、6A3、6B4G、6C4C211直热式三极管功率放大FD422直热式五极管功率放大2E226C33C-B旁热式三极管功率放大xx电子管置换表E83F 6689E84L 7320E88C 6DL4 E88CE88CCE89FE902E90CE90CCE90FE90ZE91AAE91HE91NE95FE99FEA41EA50EA76 EAA901 EAA91 EABC80 EAF41EAM86 EB34EB91 EBC3 EBC41 EBC80 EBC81 EBC90 EBC91 EBF32 EBF41 EBF80 EBF81 EBF838255 69226DG76X45920 59206BH65726 6687 5727 6AK5 6BJ6 6CT7 2B35 6489 5726 6AL5 6AK8 6CT7 6CT7 6GX8 6H66AL5 6BD7A 6CV7 6BD7 6BD76AV66B86CJ56N86AD86DR8EBF856DC8 EBF896DC8 ECEC226R4EC555861 EC705718 EC715718 EC806Q4EC806S 6CM4 EC81EC84EC86EC88EC88EC900 EC91 EC92 EC93 EC94 EC95 EC97 ECC180 ECC186 ECC189 ECC230 ECC32 ECC35 ECC70 ECC801 ECC802 ECC803 ECC804 ECC81 ECC813ECC83 ECC84 ECC85 ECC86 ECC863 ECC88 ECC89 ECC9006R4 6AJ46CM46DL4 82556C46HA56AQ46AB46BS46AF46ER56FY512AU7 6ES8 60806SN7GT 6SL7 6021 60 6189 60576GA8 12AT7 6463 12AU7 12AX7 6CW7 6AQ8 6GM8 12DT7 6DJ86FC7ECC916J6 ECF2006X9 ECF2016U9 ECF2026AJ9 ECF806BL8 ECF8016GJ7 ECF8026JW8 ECF8056GV7 ECF826U8 ECF86ECH113 ECH200 ECH35 ECH42 ECH80 ECH81 ECH82 ECH83 ECH84ECL80ECL821 ECL84 ECL85 ECL86 ECLL800 ED2 ED500 EF13 EF183 EF184 EF190 EF22 EF36 EF37 EF39 EF41 EF70 EF71 EF72 EF73EF731EF7326HG8 6CU76V96E8G6CU76AN76AJ86E86DS86JX86AB86BM86CH66DX86GV86GW816KH86AL56ED46EH76EJ76CB67A76J76J7GT6K76CJ5 6487 5899 5840 6488 5636 5899 5840EFEFEF746391 EF806BX6 EF816BH5EF8116EH7 EF8126EL7 EF8146EJ7 EF826CH6 EF83EF85EF86EF87EF89EF89FEF905EF91EF92EF93EF94EF95EF96EF97EF98EFL200 EH90EK90EL180EL300EL33EL34EL36EL37EL38EL41EL500EL503EL504EL505EL508EL71EL80EL802EL8036BK8 6BY7 6267 62676DG7 5654 6AM6 6CQ6 6BA6 6AU6 6AK5 6AG5 6ES6 6ET6 6Y9 6CS6 6BE6 12BY7 6FN5 6M6G 6CA7 6CM5 6L66CN66GB5 82786GB56KG66KW6 59026M56LD66CK6EL816CJ6 EL826DY5 EL8206CK6 EL8216CH6 EL8226CH6 EL836CK6 EL846BQ5 EL856BN5 EL866CW5 EL906AQ5 EL916AM5ELF866HG8 ELL806HU8 EM346CD7 EM356U5 EM806BR5 EM816DA5 EM846FG6 EM8406FG6 EM856DG7 EM876HU6 EN322050 EN912D21 EN936D4 EQ806BE7 EY5006EC4 EY516X2 EY806U3 EY816R3 EY81F 6V3 EY826N3EY846374 EY866S2 EY876S2A EY886AL3 EZ116V4 EZ227Y4 EZ36V4 EZ356X5G EZ46CA4 EZ406BT4 EZ806V4 EZ816CA4 EZ906X4 EZ90063 EZ916AV4 F1EL 8278 FA65677 OA2OC3OD3GY501 GZ30 GZ31 GZ32 GZ34H2-10 H52H63 HAA91 HABC80 HBC90 HBC91 HCC85 HCH81 HD14 HD30 HD51 HD52 HD93 HD94HF121HF61HF93HF94HK90HL86HL90HL92HL94HM04HP6HY145OA3 6C63BH25Z4G5U4G5V4GA5AR42X2A5U4GB12AL519T812AT612AV617EW812AJ71H5GT3B4OA2OB21X2B6BQ6GTB 25BQ6GTB 12AC56CJ512BA612AU612BE630CW5 19AQ530A56BE66AM61U4HY9035W4 HZ5014Z3 HZ9012X4 KD21OA3 KD24OC3 KD25OD3 KL351F5G KT3225W6GT KT3325A6 KT61KT63KT66KT71KT77KT88KTW63KTZ63M KY80L63L63BL77LC900 LC97 LCC189 LCF200 LCF201 LCF80 LCF801 LCF802 LCF86 LCH200 LCL200 LCL82 LCL84 LCL85 LF183LFL200LL500LL505LL521LL86LN1196M6G 6F6G6L6GC50L6GT6CA765506J7GT6K7GT6J7GT5J26J56J56C43HA53FY55ES85X95U96LN85GJ76LX85HG85V910DX811BM810DX810GV84EH74EJ711Y918GB527KG6621KQ610CW550BM8LN1526AB8LN31913GC8LY50028EC4LY8111R3LY8820AQ3LZ3199A8LZ3299A8LZ3399EN7M80636AM6MM80816J6MMMMM813712AX7A M816212AT7WA MMMM8223OA2WA M8224OB2WAM82326J4WA MMU146BT4 MV6-56SA7GT N11945B5N141C5GTN14245A5N1446AM5N1476M6GN1487C5N153Q5GTN1506CK5N15221A6N15315A6N15416A5N1556BN5N163Q5GTN173S4N183Q4N193V4N22LL 19KF6N253C4N2ED 6HT5 N30825E5 N30915A6 N30EL 6LF6 N32916A5 N35921A6 N36916A8 N37815CW5 N37915CW5 N389N47N63N66N709N727N77N78OA2OA2OA2OA2 OA2 OA2 OA2 OA2 OA2 OA2 OA2WA OA2WA OA3 OA3 OA3 OA4G OA4G OA4G OB2 OB2 OB2 OB2 OB2OB2WAOB2WA 25GF6 6AM56K6GT6L6GT6BQ56AQ56AM56BJ5150C1150C2150C4HD51QS1207S856SM150-30M8223QS1210KD21QS1205PL1267RL1267Z300T108C1HD52QS1208S860SR55M8224QS1211 OBC312SQ7 OC3OC3KD24 OC3QS1206 OD3150C3 OD3OD3KD25 OD3OD3VR150 OE3OF1OF5OG3OG3OG3OG3OH4OM3 OM5 OM6 OSW2190 OSW2192 OSW2600 OSW2601 OSW3104 OSW3105 OSW3106 OSW3107 OSW3107 OSW3109 OSW3110 OSW3111OSW3112 P17A PABC80 PC86PC88PC900PC95PC97 PCC186 PCC189 PCC805 PCC8485A1 6S712K7GT85A2SR212A86H66S76K76AC76AG7 6AC7 6AG7 6SA7 6SQ7 6V6GT 5CG4 5Z4G 6H6 6E56SK7 6J5 8079AK8 4CM4 4DL4 4HA5 4GK5 4FY5 7AU7 7ES8。
常用电子管代换表(2012-10-09 00:54:58)转载▼标签:常用电子管代换表文化分类:电子管01A 直热三极管201/3011A5 直热五极管341F5G 直热五极管1F41H6G 直热三极管2A3 直热三极管6A5/6C4C/6B4G6A5G 旁热三极管6A3/6C4C/6B4G6J7G 旁热五极管EF37A/FE36/CV358/CV5080/OM5/6W7G6k7G 旁热五极管6S7/6J7G/6U7G6SJ7MG 旁热五极管6AB7/6AC7/6AJ76X5GT 旁热整流管6ZY5G/CV572/CV573/CV574/EZ35/U147常用型号管芯结构主要用途国外同类型号代备注5X4G 直热式双阳极二极管小功率全波整流氧化物阴极5Z3P 直热式双阳极二极管小功率全波整流5T4、5ц3C、CV1861、5R4GY、U52、CV1071、5V3、5AU4、5U4G氧化物阴极5Z4P 旁热式双阳极二极管小功率全波整流*5B×1、*5ц4C,GZ30、CV2748、5Z4G/GT 氧化物阴极5Z1P 直热式双阳极二极管小功率全波整流氧化物阴极5Z2P 直热式双阳极二极管小功率全波整流5W4、5Y3G、80、U50 氧化物阴极5Z8P 旁热式双阳极二极管全波整流*5ц8C 氧化物阴极5Z9P 旁热式双阳极二极管全波整流*5ц9C 氧化物阴极6Z4 旁热式双阳极二极管全波整流*6ц4П、6B×4、6×4、6Z31 共阴极6Z5P 旁热式双阳极二极管小功率全波整流*6ц5C 共阴极6H2 旁热式双阳极二极管检波、整流*6×2П、6AL5、C 氧化物阴极6C1 旁热式三极管宽带电压放大*6C1П、CV664、9002 氧化物阴极6C3 旁热式三极管宽带电压放大*6C3П阴地三极管6C4 旁热式三极管宽带电压放大*6C4П栅地三极管6C5P 旁热式三极管低频电压放大6C5GT、*6C5C、6C5 、CV1067、L63氧化物阴极6C6B 旁热式三极管低频电压放大5703、CV3917、*6C6Ь氧化物阴极6C7B 旁热式三极管低频电压放大*6C7Ь氧化物阴极6C12 旁热式三极管宽带电压放大EC88、5842 高S、低N6C31B-Q 旁热式三极管电压放大*6C31Ь-B 氧化物阴极6C32B-Q 旁热式三极管电压放大*6C32Ь-B 遥截止三极管6N1 旁热式双三极管低频电压放大*6H1П、6AQ8、AA61、ECC40/82 氧化物阴极6N2 旁热式双三极管低频电压放大*6H2П、6AX7、6AV7、ECC41 氧化物阴极6N3 旁热式双三极管高频电压放大*6H3П、6A8Q、2C51、ECC42 氧化物阴极6N4 旁热式双三极管低噪声电压放大ECC83、12A×7 高μ、低N6N5P 旁热式双三极管低频功率放大*6H13C、6AS7、CV2523、6NS7G/GT 低Ri6N6(T)旁热式双三极管低频电压放大*6H6П、E182CC、5687、12BH7 、7119、7044、6900、CV50427P 旁热式双三极管低频功率放大6H7、*H7C、6N7/G/GT 共阴极6N8P 旁热式双三极管低频电压放大*6H8C*6H8M、6SN7、6F8G、CV181、QB65、ECC32 氧化物阴极6N9P 旁热式双三极管低频电压放大*6H9C、6SL7、ECC35、6SC7、6CY7 高μ6N10 旁热式双三极管低频电压放大*6H10M、12AV7A、E82CC、CV491 氧化物阴极6N11 旁热式双三极管宽带电压放大*6H23П、6DJ8、ECC84、E88CC、6922、CV2492 高S、低RI、N6N12P 旁热式双三极管低频电压放大*6H12C、TS229、5687 氧化物阴极6N13P 旁热式双三极管低频功率放大*6H13C、6AS7、CV2523、6NS7G/GT 低内阻6N15 旁热式双三极管低频电压放大*6H15П、6J6WA、6CC31、CV858 共阴极6N16B 旁热式双三极管低频电压放大氧化物阴极6N17B 旁热式双三极管低频电压放大*6H17Ь、6112、CV5007 氧化物阴极6N21B-Q 旁热式双三极管低频电压放大氧化物阴极6N23 旁热式双三极管低频电压放大6DJ8、ECC88、PCC88 高μ低N6J1 旁热锐止五极管宽带电压放大*6ж1П、6AK5、6BC5、EF40、EF95、CV850 高频管6J1B 锐截止五极管宽带电压放大*6ж1Ь、CV3929、61489、CK5702/7083 旁热式阴极6J2 锐截止五极管宽带电压放大*6ж2П、6AS6、CV2522、EF11/732、CV4011 旁热式阴极6J2B 锐截止五极管宽带电压放大*6ж2Ь、CK5639 旁热式阴极6J3 锐截止四极管宽带电压放大*6ж3П、EF96、CV848、6BC6、6AG5 束射四极管6J4 锐截止五极管宽带电压放大*6ж4、6136、6BX6、6AC7、EF94 旁热式阴极6J4P 锐截止五极管宽带电压放大*6ж4C、CV849、1852 旁热式阴极6J5 锐截止高频管宽带电压放大*6ж5П、EF80、CV2521、6F36、6AH6 高S、束射四极管6J7 旁热式阴极五极管低频电压放大6*7 、KTZ63、OM5C、CV1056、CV1404、EF36、NR49、VR56、KTW61、EF37A、5A/157D、CV358、CV5080、OM5B、W310A、57、STR4141、低噪声N6J8 锐截止五极管低频电压放大CV2901、6SJ7、6CF8、6267、EF16、EF86、2729 低噪声N 6J8P 锐截止五极管宽带电压放大*6ж8C、5693、EF6、EBC3、CV592 旁热式阴极6J9 锐截止五极管宽带电压放大*6ж9П、EF861 旁热式阴极6J20 锐截止五极管宽带电压放大*6ж20П空间电荷栅6J23 高互导双五极管宽带电压放大*6ж23П阴极框架栅6J23B-Q 锐截止五极管宽带电压放大*6ж23B-K 低振动噪声12J1S 锐截止五极管小功率放大*12ж1л氧化物阴极6K1B 遥截止五极管宽带电压放大*6K16K3P 遥截止五极管宽带电压放大*6K3、6SK7、6K7、KTZ63、CV1074、6D6、6SG7 旁热式阴极6K4 遥截止五极管宽带电压放大*6K4П、6BA6、6DA6、EF89/93、5749、6K5 旁热式阴极6K5 遥截止五极管宽带电压放大同6K4 旁热式阴极12K3P 遥截止五极管宽带电压放大12K3、12SK7/GT 旁热式阴极2P2 输出四极管低频功率放大2П2П、DL92、1S4T、1L33、1L34 直热式阴极2P3 束射四极管低频功率放大3A4、1662、CV807、DL93 直热式阴极2P19B 五极管功率放大直热式阴极2P29 直热式五极管功率放大*2、*2П29л氧化物阴极4P1S 直热式阴极功率放大*4П1л、4L2D 五极管6P1 束射四极管低频功率放大*6П1П、6AQ5、6BW6、6L31、EL14、90 旁热式阴极6P3P 束射四极管低频功率放大*6П3C、*6л6C、6L6、6L6G/GT、1614、1619、1622 同型:1631、6TT3C6P4P 束射四极管低频功率放大旁热式阴极6P6P 旁热式束射四极管低频功率放大*6П2、*6П6C、6Φ6、1611、1613、1621、6K6、CV509、6V6GT、CV510、CV1912、CV511、6N6C、KT636P9P 旁热式五极管宽带功率放大*6П9C、CV569 氧化物阴极6P13P 束射四极管低频功率放大*6П13C(旁热)旁热式阴极6P14P 旁热式五极管宽带功率放大*6П14П、6BQ5、N709、EL84、CV2975、7320、6L40 氧化物阴极6P15P 旁热式五极管低频功率放大6CH6、6CW5、EL180、EL821、CV2127、12BY7A 氧化物阴极6P25B 束射四极管低频功率放大*6П25Ь、EL71、5902 氧化物阴极6P30B-Q 束射四极管低频功率放大*6П30Ь-B(旁热)氧化物阴极6P31B-Q 束射四极管低频功率放大*6П31Ь-B(旁热)氧化物阴极13P1P 输出五极管低频功率放大*13П1C 旁热式阴极6S6 高S五极管电压/功率放大*6Э1П(旁热)氧化物阴极6T1 高频双四极管推挽输出QM322、5656 旁热式阴极6A2 七极电子管TUNER变频CV453、EK90、X77、*6A2П、6BE5、5750 旁热式阴极6F1 三极-五极管变频/电压放大*6Φ1П、6BL8、6C16 旁热式阴极6F2 三极-五极管变频/电压放大6Φ2П、6U8、6GH、CV5065、ECF82、6BL8 旁热式阴极6G2P 双二极-三极管检波、电压放大*6Γ2、6SQ7、6SQ7GT/G 旁热式阴极WE300B 直热式三极管功率放大300B、4300A 古典式低内阻FU-5 直热式三极管低频功率放大T100-1、RK57、ML714、NU-150、CV2622、CV2768 F123A、GL805、HF150、CV25FU-7 旁热式四极管大S功率放大QV05-25、RK39、HY-61、QE06-50、CV124、807 5B/250A、807V、5S1FU-13 直热束射四极管功率放大*гY-13、813、4B13 TT10、QY2-100、QB2、250、CV278、4T100 CV1927、3874A、5C/100AFU-15 直热束射五极管中功率放大*гY-15 氧化物热子FU-17 双束射四极管中功率放大*гY-17、CV3517、6360、QQV03-10、QQV03/12 旁热式阴极FU-25 旁热束射四极管宽带功率放大1625、FD-25 氧化物阴极FU-29 双束射四极管宽带功率放大*гY-29、829B 旁热式阴极FU-31 直热式三极管宽带功率放大2T26、826、826“RCA”钍钨阴极FU-32 双束射四极管宽带功率放大*гY-32、RS1019、TT20SRS4452、QQE03/20、P2-12 与FU-29类同FU-33 直热式三极管功率放大ES833、CV635、B142、3578、833A、5T33 钍钨阴极FU-46 旁热式五极管中功率放大QV06-20、P40、QE05/40、7212、6146、2B46 氧化物阴极FU-50 束射五极管宽带功率放大*гY-50、SRS552、P50/2 旁热式阴极FU-811 直热式三极管宽带功率放大*г-811、811A 钍钨阴极FU-250F 旁热式四极管宽带功率放大4C×250A 金属陶瓷型EL81 旁热式五极管功率放大6CJ6 氧化物阴极845 直热式三极管功率放大UV-845 Po≈100W6CY7 旁热式双二极管电压放大每组**管特性参数不同Rg< 100kΩ6CX8 旁热式三极管-五极管电压放大和P-K分割比6U9、6F2靓高S18045 旁热式五极管小型功放作耳机放大有极佳表现Po> 1W FC4 旁热式三极管电压放大*гC4 金属陶瓷管6C22D 旁热式三极管电压放大5876 金属陶瓷管6550 旁热束射四极管功率放大KT88 氧化物阴极KT100 旁热束射四极管功率放大KT94 氧化物阴极PL81 旁热式五极管功率放大21A6 氧化物阴极EL34 旁热式五极管功率放大6CA7、KT66 氧化物阴极2A3 直热式三极管功率放大*2C4、AD1、6A3、6B4G、6C4C 211 直热式三极管功率放大FD422 直热式五极管功率放大2E226C33C-B 旁热式三极管功率放大欧美电子管置换表0A2 AG52110A2 SR560B2 SR3108C1 OB210BQ5 YL8410C14 19D810CW5 LL8610CW5 YL8610DE7 9R-AL110DX8 LCL20010DX8 LCL8410DX8 YCL8410EB8 11JE810F18 13EC710F9 12AC510GN8 11JE810GV8 LCL8510HF8 11JE810JA8 11JE810JY8 11JE810LD13 14G610LD3 14L710LZ8 11JE810P18 45B510PL12 50BM811BM8 LCL8211JE8 10EB811JE8 10GN811JE8 10HF811JE8 10JA811JE8 10JY811R3 LY8111Y9 LFL200121VP 12AC512A6 ABC9112A8 OH412AC5 10F912AC5 121VP12AC5 HF12112AC5 UF4112AC5 W11812AC5 W14212AC5 W14512AD6 UF8912AD7 12AX712AF3 12BR312AH8 20D312AJ7 HCH8112AL5 HAA9112AT6 HBC9012AT7 A290012AT7 B15212AT7 B30912AT7 B73912AT7 E215712AT7 E81CC12AT7 ECC8112AT7 QB30912AT7WA CC81E 12AT7WA M8162 12AT7WA QS2406 12AT7WB QA2406 12AU6 HF9412AU7 12AX712AU7 B32912AU7 B74912AU7 E216312AU7 E82CC12AU7 ECC186 12AU7 ECC8212AU7A 12AX7 12AV6 12BC32 12AV7 12R-LL3 12AX7 12AD712AX7 12AU7A 12AX7 12AX7A 12AX7 12BZ712AX7 12DF712AX7 12DM7 12AX7 12DT712AX7 6L1312AX7 702512AX7 7025A12AX7 B33912AX7 B75912AX7 E216412AX7 ECC8312AX7A 12AX7 12AX7A M8137 12B-B14 13GB5 12BA6 12F3112BA6 HF9312BC32 12AV6 12BE6 12H3112BE6 HK9012BE7 UQ8012BQ6GT 12G-B6 12BR3 12AF312BR3 12R-K19 12BY7 EL18012BZ7 12AX712C8 VP12D12D4A 12G-K17 12DF7 12AX712DM7 12AX7 12DT7 12AX712DT7 ECC863 12E13 655012F31 12BA612FB5 30P1212FB5 PL80112FG6 UM8412FQ7 12R-LL5 12G-B3 12GW6 12G-B6 12BQ6GT 12G-B7 13CM5 12G-K17 12D4A12GW6 12G-B3 12H31 12BE6 12HU8 PLL80 12K7 W7612K7GT OF5 12K8 X71M12K8GT X76M 12Q7GT DH74 12Q7GT DH76 12R-K19 12BR3 12R-LL3 12AV7 12R-LL5 12FQ7 12S7 UAF42 12S7 WD142 12SN7GT B36 12SQ7 OBC3 12X4 HZ9013CM5 12G-B7 13CM5 XL36 13D2 6SN7GT 13D3 615813EC7 10F18 13EC7 W110 13EC7 W119 13GB5 12B-B14 13GB5 XL500 13GC8 30PL1 13GC8 30PL10 13GC8 LN319 13GC8 PCL801 141DDT 14L7 141TH 14K7 14F7 XXD14G6 10LD13 14G6 DH119 14G6 UBC80 14G6 UBC81 14GW8 PCL86 14K7 141TH 14K7 UCH42 14K7 X14214L7 10LD314L7 141DDT 14L7 DH11814L7 UBC41 14Y7 UCH80 14Z3 HZ50 150B2 6354 150C1 OA2 150C2 OA2 150C3 OD3 150C4 OA215A6 N15315A6 N30915A6 PL8315CW5 30P18 15CW5 N378 15CW5 N379 15CW5 PL84 15DQ8 PCL84 163PEN 16A5 16A 6AM516A5 163PEN 16A5 30P16 16A5 N15416A5 N32916A5 PL8216A8 30PL12 16A8 N36916A8 PCL82 16AQ3 XY88 16GK8 30PL13 16GK8 30PL14 16GK8 PCL800 16GK8 PCL88 16KH8 ECLL800 16Y9 PFL200 171DDP 17C8 17C8 171DDP 17C8 17N817C8 UBF80 17EW8 HCC85 17KW6 PL508 17N8 17C817Z3 A6117Z3 PY80017Z3 PY80117Z3 PY8317Z3 U15317Z3 U19317Z3 U25117Z3 U34918AK5 602818FX6 X10718GB5 LL500 18GD6 19M-R10 18GD6 19M-R9 18GV8 PCL85 19AJ8 19D819AQ5 HL9019BD 19X319CS4 PY301 19CS4 U19119CS4 U33919D8 10C1419D8 19AJ819D8 UCH8119D8 X11919FL8 UBF89 19KF6 N22LL 19M-R10 18GD6 19M-R9 18GD6 19SU 19Y319T8 HABC80 19U3 19X319W3 19X319X3 19BD19X3 19U319X3 19W319X3 PY8019X3 U15219X3 U30919Y3 19SU19Y3 PY8219Y3 U15419Y3 U19219Y3 U3191A3 1D131A3 DA901A3 DAF901A7GT DK32 1A7GT X14 1AB6 1C31AB6 1H35 1AB6 DK96 1AB6 DK97 1AB6 X251AC6 1C21AC6 DK92 1AC6 X181AC6 X201AD4 DF62 1AD4 DF652 1AD4 DF668 1AH5 1FD1 1AH5 DAF96 1AH5 ZD25 1AJ4 1F11AJ4 DF96 1AJ4 W25 1AN5 DAF97 1AN5 DF97 1AQ5 1H33 1AR5 1S5SF 1AS5 1U5SF 1B3GT DY30 1B3GT U41 1BG2 DY51 1BQ2 DY802 1C1 1R51C2 1AC61C3 1AB61C5GT DL35 1C5GT N14 1D13 1A31D5 40SUA 1E3 DC801F1 1AJ41F2 1L41F3 1T41F5G KL35 1FD1 1AH5 1FD9 1S51H2 1S21H33 1AQ5 1H33 1R5SF 1H35 1AB61H5GT DAC32 1H5GT HD14 1L4 1F21L4 DF921M1 1N31M3 DM70 1M3 Y251N3 1M11N3 DM711N5GT DF33 1N5GT Z141P1 3C41P10 3S41P11 3V41Q5GT DL36 1R5 1C11R5 DK911R5 X171R5SF 1H33 1R5^ 1H331RK23 1S21S2 1H21S2 1RK231S2 DY861S2A DY871S4 DL911S5 1FD91S5 DAC211S5 DAF911S5 DF261S5 ZD171S5SF 1AR5 1T2 R161T2 U371T4 1F31T4 DF911T4 W171U4 DF9041U4 HY1451U5SF 1AS51V6 DCF601W4 R31X2 1X2A1X2 1X2B1X2A 1X21X2A DY801X2A R191X2B 1X21X2B HD93 2050 BA22050 EN32 2050A 1G5020A3 2D2120AQ3 LY8820D3 12AH820D4 6AJ8213PEN 21A621A6 213PEN21A6 N15221A6 N35921A6 PL8121A6 PL82021KQ6 LL52125A6 KT3325BQ6GT 25G-B6 25BQ6GTB HD96 25BR3 25R-K19 25BR3 U32925E5 N30825E5 PL3625G-B6 25BQ6GT 25GF6 30P1925GF6 30P425GF6 N38925GF6 PL30225R-K19 25BR3 25W6GT KT32 25Z4GT U3127GB5 PL50027KG66 LL505 28EC4 LY50029KQ6 PL5212B35 6D12B35 EA502B35 T6D2D21 20A32D21 4G280K 2D21 ASG512 2D21 EN912D21 PL212D21 RL212ER5 XC952FY5 XC972HA5 XC900 2HR8 XCF86 2J2 R202J2 U262J2 U492X2 2X2A2X2 2Y22X2A 2X22X2A H2-10 2Y2 2X230A5 HL94 30AE3 PY88 30C1 9A830C1 9A830C15 9EN7 30C18 7GV7 30CW5 HL86 30F5 7ED730FL1 9GB8 30L1 7AN7 30L15 7EK7 30P12 12FB5 30P16 16A5 30P18 15CW5 30P19 25GF6 30P4 25GF6 30PL1 13GC8 30PL10 13GC8 30PL12 16A8 30PL13 16GK8 30PL14 16GK8 311SU 31A331A3 U118 31A3 U142 31A3 U145 31A3 UY41 31A3 UY42 31A3 V311 31A3 V312 32F 95635FN5 PL300 35W4 HY90 35Z4GT U74 35Z4GT U76 38A3 U119 38A3 U381 38A3 UT85 38A3 UY893A4 DL933A4 E14853A5 DCC90 3AJ8 XCH81 3AL5 XAA91 3AL5 XB913AU6 XF943B4 DL983B4 HD303BH2 GY501 3BX6 XF803BY7 XF853BZ6 3M-V7 3C4 1P13C4 DL963C4 N253C6 XXB3D6 DL293DK6 3M-R24 3EH7 XF183 3EJ7 XF184 3ER5 YC953FY5 LC973FY5 YC973HA5 LC900 3M-R24 3DK6 3M-V7 3BZ63Q4 N183Q5GT DL33 3Q5GT N15 3Q5GT N16 3S4 1P103S4 DL923S4 N173S4SF 3W4 3V4 1P113V4 DL943V4 N193W4 3S4SF 40KG6 PL505 40SUA 1D5 42EC4 PY500 451PT 45A5 45A5 451PT 45A5 BF451 45A5 N142 45A5 UL41 45B5 10P18 45B5 N119 45B5 UL844BL8 5R-HP1 4BL8 XCF80 4BS8 4R-HH2 4CM4 PC86 4DL4 PC884EH7 LF183 4EH7 YF183 4EJ7 LF184 4EJ7 YF184 4ES8 XCC189 4FY5 PC974G280K 2D21 4GJ7 4GX74GJ7 XCF801 4GK5 PC95 4GX7 4GJ74HA5 PC900 4HR8 PF864KN8 4R-HH8 4R-HH2 4BS84R-HH8 4KN8 4Y25 80750BM8 10PL12 50BM8 LN119 50BM8 UCL82 50C5 HL9250L6GT KT71 52KU 5Z4G54KU 5AQ4 55N3 UY82 5636 EF730 5642 DY70 5651A QS1209 5654 EF905 5654 M8100 5654 QM557 5670 6CC42 5672 DL620 5677 FA6 5678 DF60 5692 6CC10 5692 QA2408 5718 EC70 5718 EC71 5725 M8196 5725 QM558 5726 AA91E 5726 DD77 5726 E91AA 5726 EAA901 5726 M8079 5726 M8212 5726 QA2404 5726 QM559 5726 QS2404 5727 E91N 5727 M8204 5763 M8096 5763 QE03/10 5763 QV03-12 5783 85A3 5823 Z900T 5840 EF72 5840 EF7325847 6R-R8C 5847 E182F 5861 EC55 5894 QQE06/40 5899 EF71 5899 EF731 5901 EF732 5902 EL71 5911 DF67 5913 DL67 5920 E90C 5920 E90CC5A/160H 6AM6 5AQ4 54KU5AR4 GZ345AR4 U775B/250A 8075CG4 OSW3107 5ES8 LCC1895ES8 YCC1895GJ7 LCF8015HG8 LCF865HG8 YCF865J2 KY805J6 5M-HH35L509 6KG6A5M-HH3 5J65P29 6CN65R-HP1 4BL85S1 8075U4G 5Z105U4G GZ315U4G U525U4GB H525U8 XCF825U9 LCF2015V4GA GZ325V9 LCH2005W4GT U515X9 LCF2005Y3GT U505Z10 5U4G5Z4 RS25Z4G GZ305Z4G OSW3107 5Z4G R526/30L2 6GA8 6005 M8245 6007 DL67 6008 DF67 6021 ECC70 6028 18AK5 6057 ECC803 6060 ECC801 6063 EZ900 6079 QB5/1750 6080 ECC230 6084 E80F 6085 E80CC 6135 QA2401 6146 QE05/40 6146 QV06-20 6158 13D3 6159 QE05/40H 6189 ECC802 6189 M8136 6201 E81CC 6201 QA2407 6205 EF734 6218 E80T 6227 E80L 6252 QQE03/20 6252 QQV03-20 6267 6CF8 6267 6F22 6267 8D8 6267 EF86 6267 EF87 6267 Z72962DDT 6CV7 62TH 6CU762VP 6CJ5 6351 X319 6354 150B2 6360 QQE03/12 6360 QQV03-106374 EY84 6375 DC70 6391 EF7463TP 6AB8 6463 ECC813 6487 EF70 6488 EF73 6489 EA7664ME 6CD764SPT 6BX4 6550 12E13 6550 7D11 6550 KT8865ME 6BR5 6681 E83CC 6686 E81L 6687 E91H 6688 E180F 6689 E83F66KU 6BT467PT 6CK5 6922 E88CC 6939 QQE02/5 6939 QQV02-6 6977 DM1606A6 B636A8 6Q86A8 PH46AB X636AB4 EC926AB8 63TP6AB8 ECL806AB8 LN1526AC7 6F106AC7 OSW2190 6AC7 OSW2600 6AD8 EBF816AE8 X796AF4 6T16AF4 EC946AG5 EF966AG6 6P256AG6G BVA2646AG7 6L106AG7 OSW2192 6AG7 OSW2601 6AG8 B7296AH6 6F366AJ4 EC846AJ5 6F356AJ8 20D46AJ8 6C126AJ8 6CH406AJ8 ECH816AJ8 X7196AJ9 ECF2026AK5 6F326AK5 DP616AK5 E95F6AK5 EF956AK5 PM056AK6 PM956AK8 6LD126AK8 DH7196AK8 EABC80 6AL3 EY836AL3 EY886AL5 6B326AL5 6D26AL5 D1526AL5 D2M96AL5 D7176AL5 D776AL5 DD66AL5 EAA916AL5 EB916AL5 ED26AM5 16A6AM5 6P176AM5 7D96AM5 DD76AM5 DDR76AM5 EL916AM5 N1446AM5 N476AM5 N776AM5 V8866AM6 5A/160H6AM6 6F116AM6 6F126AM6 8D36AM6 EF916AM6 HP66AM6 M80636AM6 PM076AM6 QZ776AM6 R1446AM6 S6F126AM6 SP66AM6 Z776AN7 ECH806AQ4 6L346AQ4 EC916AQ5 6L316AQ5 BPM046AQ5 EL906AQ5 N7276AQ6 6BK66AQ8 6CC436AQ8 6L126AQ8 B7196AQ8 ECC856AS6 6F336AS7G A1834/5998/6080/6082/6520/7105/7236/6336/6394/6528 6AT6 6BK66AT6 DH776AT6 EBC906AT7N 6DT86AU4GT 6G-K176AU6 EF946AV3 6R-K196AV4 EZ916AV4^ 6FX46AV6 6BC326AV6 6BK66AV6 EBC916B32 6AL56B8 EBF326BA6 6F316BA6 PM046BA6 W7276BC32 6AV66BD7 6LD136BD7 EBC806BD7 EBC816BD7A EBC36BE6 6H316BE6 EK906BE6 HM046BE6 X7276BE6 X776BE7 EQ806BH5 EF816BH6 E90F6BJ5 N786BJ6 E99F6BK6 6AQ66BK6 6AT66BK6 6AV66BK6 6BT66BK8 EF836BL8 6C166BL8 ECF806BM5 6P96BM8 6LP126BM8 6PL126BM8 6PL126BM8 ECL826BN5 EL856BN5 N1556BQ5 6P156BQ5 EL846BQ5 N7096BQ6GT 6G-B3A 6BQ6GTB HD94 6BQ7A ECC180 6BR5 65ME6BR5 EM806BR7 8D56BS4 EC936BS7 8D76BS8 6R-HH26BT4 EZ40 6BT4 MU14 6BT4 U150 6BT4 U718 6BT4 UU5 6BT4 UU9 6BT4 V616BT6 6BK6 6BW7 8D6 6BX4 64SPT 6BX4 6Z46BX6 EF80 6BX6 Z152 6BX6 Z719 6BY7 6F19 6BY7 6F26 6BY7 EF85 6BY7 W719 6BZ8 X155 6C12 6AJ8 6C15 6CJ5 6C16 6BL8 6C18 6GV7 6C31 6K86C4 EC906C4 L776C4 QL776C4 V7416C6 A6776C6 G776C6 T776CA4 6V46CA4 EZ46CA4 EZ81 6CA4 U709 6CA4 UU12 6CA7 EL34 6CA7 KT77 6CB6 EF190 6CC10 5692 6CC31 6J6 6CC42 5670 6CC43 6AQ86CD7 6M26CD7 EM34 6CF8 62676CH40 6AJ8 6CH6 7D10 6CH6 ECL821 6CH6 EF826CH6 EL821 6CH6 EL822 6CJ5 62VP6CJ5 6C156CJ5 6F156CJ5 6F166CJ5 7F166CJ5 EBF41 6CJ5 EF416CJ5 HF616CJ5 W1506CJ6 EL816CK5 67PT6CK5 BF616CK5 EL416CK5 N1506CK6 EL803 6CK6 EL820 6CK6 EL836CL6 6L436CM4 EC806S 6CM4 EC86 6CM5 EL36 6CN6 5P296CN6 EL386CQ6 6F216CQ6 9D66CQ6 E2016 6CQ6 EF926CQ6 QW77 6CQ6 V177 6CQ6 V884 6CQ6 VP66CQ6 W776CR4 A2521 6CS6 EH906CT7 EAF42 6CT7 WD150 6CU7 62TH6CU7 ECH113 6CU7 ECH42 6CU7 X1506CU7 Z1506CV7 62DDT 6CV7 6LD36CV7 DH150 6CV7 DH718 6CV7 DH817 6CV7 EBC41 6CW5 EL866CW7 6L166CW7 ECC84 6D-HH13 6FX7 6D1 2B356D2 6AL56D4 EN936D8 X736D8 X73M6DA5 EM816DA6 EF136DA6 EF896DC8 6FD12 6DC8 EBF85 6DC8 EBF89 6DG7 E89F6DG7 EF89F 6DG7 EM85 6DJ8 ECC886DL4 E88C6DL4 EC886DL5 EL956DQ6A 6G-B6 6DR8 EBF83 6DS8 ECH83 6DT8 6AT7N 6DX8 ECL84 6DY5 EL826E5 6S5G6E5 OSW31106E8 X656E8G ECH35 6E8G TH62 6E8G X147 6E8G X61M 6EC4 EY500 6EC7 6F18 6EC7 W739 6ED4 ED500 6EH7 6F29 6EH7 EF183 6EH7 EF811 6EJ7 6F246EJ7 6F256EJ7 6F306EJ7 EF184 6EJ7 EF814 6EL7 6F236EL7 EF812 6EL7 Z749 6ER5 EC95 6ES6 EF97 6ES8 ECC189 6ET6 EF98 6EW6 6GM6 6EW6 6HS6 6F10 6AC7 6F11 6AM6 6F12 6AM6 6F15 6CJ56F16 6CJ56F18 6EC7 6F19 6BY7 6F21 6CQ6 6F22 6267 6F23 6EL76F24 6EJ76F25 6EJ76F26 6BY7 6F29 6EH7 6F30 6EJ76F31 6BA6 6F32 6AK56F35 6AJ56F36 6AH66F5GT H636F6G KT636FC7 ECC896FD12 6DC86FG6 EM846FG6 EM8406FN5 EL3006FX4 6AV46FX7 6D-HH13 6FY5 EC976G-B3A 6BQ6GT 6G-B6 6DQ6A 6G-B9 6GW66G-K17 6AU4GT 6GA8 6/30L26GA8 ECC8046GB5 EL5006GB5 EL5046GJ7 ECF8016GM6 6EW66GM8 CC86E6GM8 ECC866GV7 6C186GV7 ECF8056GV8 ECL856GW6 6G-B96GW8 ECL866GX8 EAM866H31 6BE66H6 D636H6 EB346H6 OM36H6 OSW3109 6HA5 EC9006HA5 ECC9006HG8 ECF866HG8 ELF866HS6 6EW66HT5 N2ED6HU6 EM876HU8 ELL806J4 TM126J4WA M8232 6J5 L636J5 L63B6J5 OSW3112 6J6 6CC316J6 6M-HH3 6J6 ECC916J6 M80816J6 T2M056J7 EF366J7 TTZ636J7 Z636J7GT A8636J7GT EF376J7GT KTW63 6J7GT KTZ63M 6JE6B 6JE6C 6JE6C 6JE6B 6JE6C 6LQ66JW8 6LX86JW8 ECF802 6JX8 ECH846K6 6K6G6K6 6K6GT6K6 6K6GT/G 6K6 6K6MG6K6G 6K66K6GT 6K66K6GT N636K6GT/G 6K6 6K6MG 6K66K7 EF396K7 OM66K7 PF96K7 W1476K7 W616K7 W636K7GT KTZ63 6K8 6C316KG6 EL5056KG6A 5L509 6KN8 6R-HH86KV6A 6KV6 6KW6 EL508 6L10 6AG7 6L12 6AQ8 6L13 12AX7 6L16 6CW7 6L31 6AQ5 6L34 6AQ4 6L43 6CL66L6 EL376L6GC DL37 6L6GC KT66 6L6GT N66 6L7 X646LC6 6LH66LC6 6LH6A 6LD12 6AK8 6LD13 6BD7 6LD3 6CV7 6LD6 EL802 6LF6 6LV66LF6 N30EL 6LH6 6LC66LH6A 6LC6 6LN8 LCF80 6LP12 6BM8 6LQ6 6JE6C 6LV6 6LF66LX8 6JW8 6LX8 LCF802 6M-H1 6J4 6M-HH3 6J6 6M1 6U5G 6M2 6CD76M5 EL806M6G EL33 6M6G KT61 6M6G N147 6M6G PP6BG 6N3 6U36N3 EY826N8 EBF80 6N8 WD7096P15 6BQ56P17 6AM56P25 6AG66P9 6BM56PL12 6BM86PL12 6BM86Q4 EC806Q7 DH636Q8 6A86R-HH2 6BS8 6R-HH8 6KN8 6R-K19 6AV36R-R8C 58476R3 EY816R3 6V3P6R4 EC226R4 EC816S2 EY866S2A EY876S5G 6E56S7 OF16S7 OM56SA7 OSW3104 6SA7GT MV6-5 6SK7 OSW3111 6SL7 ECC356SN7GT 13D2 6SN7GT B656SN7GT ECC32 6SN7GT QB65 6SQ7 OSW3105 6T1 6AF46U3 6N36U3 EY806U5 EM356U5 Y646U5G 6M16U8 ECF826U9 ECF2016V3 EY81F6V3P 6R36V4 6CA46V4 EZ116V4 EZ806V6GT OSW3106 6V9 ECH2006W7G^ 8D46X2 EY516X2 R126X2 SU616X2 U1516X2 U436X2 U456X4 6Z316X4 E9026X4 E90Z6X4 EZ906X4 U7076X4 U786X4 V2M706X4W QM5566X4W QM5566X5G EZ356X5G U1476X5G U706X9 ECF2006Y9 EFL2006Z3 AD6Z31 6X46Z4 6BX47025 12AX7 7025A 12AX7 7062 E180CC 7119 E182CC 7308 E188CC 7320 E84L 7534 E130L 7534 E180L 7643 E80CF 7722 E280F 7737 E186F 7788 E810F7A7 EF227A7 W1437A7 W1487A7 W817AN7 B139 7AN7 B319 7AN7 PCC84 7AU7 PCC186 7AU7 XCC82 7B6 DH817B6 DL827B7 W1497C5 N1487C6 DH149 7D10 6CH6 7D11 65507D9 6AM57DJ8 PCC88 7ED7 30F57ED7 Z3297EK7 30L15 7EK7 B3497EK7 PCC805 7ES8 PCC189 7F16 6CJ57FC7 PCC89 7GV7 30C18 7GV7 PCF805 7J7 C6107S7 X1487S7 X817X7 XXFM7Y4 EZ227Y4 U1497Y4 U82 807 2B/250A 807 4Y25 807 5B/250A 807 5S1807 ARS25A 807 ATS225A 807 P17A 807 QE06/50 807 QV05-25 8223 E288CC 8228 ZZ1000 8233 E55L8255 E88C 8255 EC88 8278 EL503 8278 F1EL 83 VT8383 WT301 8453 Z550M 85A1 OE3 85A2 OG3 85A3 5783 8A8 9U88B8 8R-HP1 8B8 XCL828BQ5 XL84 8CW5 XL86 8D3 6AM68D4 6W7G 8D5 6BR78D6 6BW78D7 6BS78D8 62678GJ7 PCF801 8GJ7 PCF806 8HG8 PCF86 8R-HP1 8B8 8U9 PCF201 8X9 PCF200 954 E1F954 UN954 954 ZA2 955 UN955 956 32F957 D1C 958A D2C 959 D3F9A8 30C19A8 30C19A8 9U89A8 LZ3199A8 LZ3299A8 PCF80 9AK8 PABC80 9AQ8 PCC859D6 6CQ69EA8 9U89ED4 PD5009EN7 30C159EN7 LZ3399EN7 PCF800 9GB8 30FL19GB8 PCE800 9GH8A 9R-HH2 9GV8 XCL859JW8 PCF802 9P9 9BM59R-AL1 10DE7 9R-HH2 9GH8A 9U8 8A89U8 9A89U8 9EA89U8 9U8A9U8 PCF829U8A 9U89V9 PCH200A1834 6AS7G A2521 6CR4A2900 12AT7 A61 17Z3A677 6C6A863 6J7GT AA91E 5726 ABC91 12A6 AD 6Z3AG5211 0A2 ARS25A 807 ASG512 2D21 ATS225A 807 B139 7AN7B152 12AT7B309 12AT7B319 7AN7B329 12AU7B339 12AX7B349 7EK7B36 12SN7GT B63 6A6B719 6AQ8B729 6AG8B739 12AT7B749 12AU7B759 12AX7BA2 2050BF451 45A5BF61 6CK5 BPM04 6AQ5 BVA264 6AG6G BVA265 6AG6G C610 7J7CC81E 12AT7WA CC86E 6GM8D152 6AL5D1C 957D2C 958AD2M9 6AL5D3F 959D61 6CT7D63 6H6D717 6AL5D77 6AL5DA90 1A3 DAC21 1S5 DAC32 1H5GT DAF90 1A3 DAF91 1S5 DAF92 1U5 DAF96 1AH5 DAF97 1AN5 DC70 6375DC80 1E3DCC90 3A5 DCF60 1V6DD6 6AL5DD7 6AM5DD77 5726 DDR7 6AM5DF26 1S5DF33 1N5GT DF60 5678DF62 1AD4DF668 1AD4 DF67 5911 DF67 6008 DF904 1U4 DF91 1T4DF92 1L4DF96 1AJ4 DF97 1AN5 DH118 14L7 DH119 14G6 DH142 14L7 DH149 7C6 DH150 6CV7 DH63 6Q7 DH718 6CV7 DH719 6AK8 DH74 12Q7GT DH76 12Q7GT DH77 6AT6 DH81 7B6 DH817 6CV7 DK32 1A7GT DK91 1R5DK92 1AC6 DK96 1AB6 DK97 1AB6 DL29 3D6DL31 1A5G DL33 3Q5GT DL35 1C5GT DL36 1Q5GT DL37 6L6GC DL620 5672 DL67 5913 DL67 6007 DL82 7B6DL91 1S4DL92 3S4DL93 3A4DL94 3V4DL95 3Q4DL96 3C4DL98 3B4DM70 1M3 DM71 1N3 DP61 6AK5 DY30 1B3GT DY51 1BG2 DY70 5642 DY80 1X2A DY802 1BQ2 DY86 1S2 DY87 1S2AE130L 7534 E1485 3A4E180CC 7062 E180F 6688 E180L 7534 E182CC 7119 E182F 5847 E186F 7737 E188CC 7308 E1F 954E2016 6CQ6 E2157 12AT7 E2163 12AU7 E2164 12AX7 E280F 7722 E288CC 8223 E55L 8233E80CC 6085 E80CF 7643 E80F 6084E80L 6227E80T 6218E810F 7788 E81CC 12AT7 E81CC 6201 E81L 6686E82CC 12AU7 E83CC 6681 E83F 6689E84L 7320E88C 6DL4E88C 8255E88CC 6922E902 6X4E90C 5920E90CC 5920 E90F 6BH6E90Z 6X4E91AA 5726 E91H 6687E91N 5727E95F 6AK5E99F 6BJ6 EA41 6CT7 EA50 2B35 EA76 6489 EAA901 5726 EAA91 6AL5 EABC80 6AK8 EAF41 6CT7 EAF42 6CT7 EAM86 6GX8 EB34 6H6 EB91 6AL5 EBC3 6BD7A EBC41 6CV7 EBC80 6BD7 EBC81 6BD7 EBC90 6AT6 EBC91 6AV6 EBF32 6B8 EBF41 6CJ5 EBF80 6N8 EBF81 6AD8 EBF83 6DR8 EBF85 6DC8 EBF89 6DC8 EC1000 8254 EC22 6R4 EC55 5861 EC70 5718 EC71 5718 EC80 6Q4 EC806S 6CM4 EC81 6R4 EC84 6AJ4EC88 6DL4 EC88 8255 EC90 6C4EC900 6HA5 EC91 6AQ4 EC92 6AB4 EC93 6BS4 EC94 6AF4 EC95 6ER5 EC97 6FY5 ECC180 6BQ7A ECC186 12AU7 ECC189 6ES8 ECC230 6080 ECC32 6SN7GT ECC35 6SL7 ECC70 6021 ECC801 6060 ECC802 6189 ECC803 6057 ECC804 6GA8 ECC81 12AT7 ECC813 6463 ECC82 12AU7 ECC83 12AX7 ECC84 6CW7 ECC85 6AQ8 ECC86 6GM8 ECC863 12DT7 ECC88 6DJ8 ECC89 6FC7 ECC900 6HA5 ECC91 6J6 ECF200 6X9 ECF201 6U9 ECF202 6AJ9 ECF80 6BL8 ECF801 6GJ7 ECF802 6JW8 ECF805 6GV7 ECF82 6U8 ECF86 6HG8 ECH113 6CU7ECH35 6E8G ECH42 6CU7 ECH80 6AN7 ECH81 6AJ8 ECH82 6E8 ECH83 6DS8 ECH84 6JX8 ECL80 6AB8 ECL82 6BM8 ECL821 6CH6 ECL84 6DX8 ECL85 6GV8 ECL86 6GW8 ECLL800 16KH8 ED2 6AL5ED500 6ED4 EF13 6DA6EF183 6EH7 EF184 6EJ7EF190 6CB6 EF22 7A7EF36 6J7EF37 6J7GT EF39 6K7EF41 6CJ5EF70 6487EF71 5899EF72 5840EF73 6488EF730 5636 EF731 5899 EF732 5840 EF732 5901 EF734 6205 EF74 6391EF80 6BX6EF81 6BH5EF811 6EH7 EF812 6EL7 EF814 6EJ7EF82 6CH6EF83 6BK8EF85 6BY7EF87 6267 EF89 6DA6 EF89F 6DG7 EF905 5654 EF91 6AM6 EF92 6CQ6 EF93 6BA6 EF94 6AU6 EF95 6AK5 EF96 6AG5 EF97 6ES6 EF98 6ET6 EFL200 6Y9 EH90 6CS6 EK90 6BE6 EL180 12BY7 EL300 6FN5 EL33 6M6G EL34 6CA7 EL36 6CM5 EL37 6L6 EL38 6CN6 EL41 6CK5 EL500 6GB5 EL503 8278 EL504 6GB5 EL505 6KG6 EL508 6KW6 EL71 5902 EL80 6M5 EL802 6LD6 EL803 6CK6 EL81 6CJ6 EL82 6DY5 EL820 6CK6 EL821 6CH6 EL822 6CH6 EL83 6CK6 EL84 6BQ5 EL85 6BN5 EL86 6CW5 EL90 6AQ5 EL91 6AM5ELF86 6HG8 ELL80 6HU8 EM34 6CD7 EM35 6U5 EM80 6BR5 EM81 6DA5 EM84 6FG6 EM840 6FG6 EM85 6DG7 EM87 6HU6 EN32 2050 EN91 2D21 EN93 6D4 EQ80 6BE7 EY500 6EC4 EY51 6X2EY80 6U3EY81 6R3EY81F 6V3 EY82 6N3EY83 6AL3 EY84 6374 EY86 6S2EY87 6S2A EY88 6AL3 EZ11 6V4EZ22 7Y4EZ3 6V4EZ35 6X5G EZ4 6CA4EZ40 6BT4 EZ80 6V4EZ81 6CA4 EZ90 6X4EZ900 6063 EZ91 6AV4F1EL 8278 FA6 5677G/50/4K OA2 G105/1D OC3 G150/3D OD3 G75/2D OA3 G77 6C6GZ30 5Z4GGZ31 5U4GGZ32 5V4GA GZ34 5AR4H2-10 2X2AH52 5U4GBH63 6F5GT HAA91 12AL5 HABC80 19T8 HBC90 12AT6 HBC91 12AV6 HCC85 17EW8 HCH81 12AJ7 HD14 1H5GT HD30 3B4HD51 OA2HD52 OB2HD93 1X2BHD94 6BQ6GTB HD96 25BQ6GTB HF121 12AC5 HF61 6CJ5HF93 12BA6HF94 12AU6 HK90 12BE6HL86 30CW5 HL90 19AQ5HL92 50C5HL94 30A5HM04 6BE6HP6 6AM6HY145 1U4HY90 35W4HZ50 14Z3HZ90 12X4KD21 OA3KD24 OC3KD25 OD3KL35 1F5GKT32 25W6GT KT33 25A6KT61 6M6GKT63 6F6GKT71 50L6GT KT77 6CA7 KT88 6550 KTW63 6J7GT KTZ63 6K7GT KTZ63M 6J7GT KY80 5J2L63 6J5L63B 6J5L77 6C4LC900 3HA5 LC97 3FY5 LCC189 5ES8 LCF200 5X9 LCF201 5U9 LCF80 6LN8 LCF801 5GJ7 LCF802 6LX8 LCF86 5HG8 LCH200 5V9 LCL200 10DX8 LCL82 11BM8 LCL84 10DX8 LCL85 10GV8 LF183 4EH7 LF184 4EJ7 LFL200 11Y9 LL500 18GB5 LL505 27KG66 LL521 21KQ6 LL86 10CW5 LN119 50BM8 LN152 6AB8 LN319 13GC8 LY500 28EC4 LY81 11R3LY88 20AQ3 LZ319 9A8LZ329 9A8LZ339 9EN7M8063 6AM6 M8079 5726 M8081 6J6M8100 5654M8121 5840M8136 6189M8137 12AX7A M8162 12AT7WA M8196 5725M8204 5727M8212 5726M8223 OA2WA M8224 OB2WA M8232 6J4WAM8245 6005 MU14 6BT4MV6-5 6SA7GT N119 45B5N14 1C5GTN142 45A5N144 6AM5N147 6M6GN148 7C5N15 3Q5GTN150 6CK5N152 21A6N153 15A6N154 16A5N155 6BN5N16 3Q5GTN17 3S4N18 3Q4N19 3V4N22LL 19KF6N25 3C4N2ED 6HT5N308 25E5N309 15A6N30EL 6LF6N329 16A5N359 21A6N369 16A8N378 15CW5N379 15CW5N389 25GF6N47 6AM5N66 6L6GTN709 6BQ5N727 6AQ5N77 6AM5N78 6BJ5OA2 150C1OA2 150C2OA2 150C4OA2 G/50/4K OA2 HD51OA2 QS1207 OA2 S856OA2 SM150-30 OA2 STR108/30 OA2 STR150/30 OA2 STV150/30 OA2WA M8223 OA2WA QS1210 OA3 G75/2D OA3 KD21OA3 QS1205 OA4G PL1267 OA4G RL1267 OA4G Z300T OB2 108C1OB2 HD52OB2 QS1208 OB2 S860OB2 SR55OB2 STV108/30 OB2WA M8224 OB2WA QS1211 OBC3 12SQ7 OC3 G105/1D OC3 KD24OC3 QS1206 OD3 150C3 OD3 G150/3D OD3 KD25OD3 QS150/40 OD3 VR150 OE3 85A1OF1 6S7OG3 85A2OG3 SR2OG3 STR85/10 OG3 STV85/10 OH4 12A8OM3 6H6OM5 6S7OM6 6K7OSW2190 6AC7 OSW2192 6AG7 OSW2600 6AC7 OSW2601 6AG7 OSW3104 6SA7 OSW3105 6SQ7 OSW3106 6V6GT OSW3107 5CG4 OSW3107 5Z4G OSW3109 6H6 OSW3110 6E5 OSW3111 6SK7 OSW3112 6J5P17A 807 PABC80 9AK8 PC86 4CM4PC88 4DL4PC900 4HA5PC95 4GK5PC97 4FY5 PCC186 7AU7 PCC189 7ES8 PCC805 7EK7 PCC84 7AN7 PCC85 9AQ8 PCC88 7DJ8 PCC89 7FC7 PCE800 9GB8 PCF200 8X9 PCF201 8U9 PCF80 9A8PCF800 9EN7 PCF801 8GJ7 PCF802 9JW8 PCF805 7GV7。
常用电子管代换(增补中)[font=宋体][size=7][size=12px][color=navy][size=12px][color=navy][size=4]国内外电子管代换[/size][size=4]常用型号管芯结构主要用途国外同类型号代备注[/size][/color][/size][/color][/size] [/size][/font][font=宋体][size=7][size=12px][color=navy][size=12px][color=navy][size=4]5X4G 直热式双阳极二极管小功率全波整流氧化物阴极5Z3P 直热式双阳极二极管小功率全波整流5T4、5ц3C、CV1861、5R4GY、U52、CV1071、5V3、5AU4、5U4G氧化物阴极5Z4P 旁热式双阳极二极管小功率全波整流*5B×1、*5ц4C,GZ30、CV2748、5Z4G/GT 氧化物阴极5Z1P 直热式双阳极二极管小功率全波整流氧化物阴极5Z2P 直热式双阳极二极管小功率全波整流5W4、5Y3G、80、U50 氧化物阴极5Z8P 旁热式双阳极二极管全波整流*5ц8C 氧化物阴极5Z9P 旁热式双阳极二极管全波整流*5ц9C 氧化物阴极6Z4 旁热式双阳极二极管全波整流*6ц4П、6B×4、6×4、6Z31 共阴极6Z5P 旁热式双阳极二极管小功率全波整流*6ц5C 共阴极6H2 旁热式双阳极二极管检波、整流*6×2П、6AL5、C 氧化物阴极6C1 旁热式三极管宽带电压放大*6C1П、CV664、9002 氧化物阴极6C3 旁热式三极管宽带电压放大*6C3П 阴地三极管6C4 旁热式三极管宽带电压放大*6C4П 栅地三极管6C5P 旁热式三极管低频电压放大6C5GT、*6C5C、6C5 、CV1067、L63氧化物阴极6C6B 旁热式三极管低频电压放大5703、CV3917、*6C6Ь 氧化物阴极6C7B 旁热式三极管低频电压放大*6C7Ь 氧化物阴极6C12 旁热式三极管宽带电压放大EC88、5842 高S、低N6C31B-Q 旁热式三极管电压放大*6C31Ь-B 氧化物阴极6C32B-Q 旁热式三极管电压放大*6C32Ь-B 遥截止三极管6N1 旁热式双三极管低频电压放大*6H1П、6AQ8、AA61、ECC40/82 氧化物阴极6N2 旁热式双三极管低频电压放大*6H2П、6AX7、6AV7、ECC41 氧化物阴极[/size][size=4]6N3 旁热式双三极管高频电压放大*6H3П、6A8Q、2C51、ECC42 氧化物阴极6N4 旁热式双三极管低噪声电压放大ECC83、12A×7 高μ、低N6N5P 旁热式双三极管低频功率放大*6H13C、6AS7、CV2523、6NS7G/GT 低Ri6N6(T)旁热式双三极管低频电压放大*6H6П、E182CC、12BH7 、CV50427P 旁热式双三极管低频功率放大6H7、*H7C、6N7/G/GT 共阴极6N8P 旁热式双三极管低频电压放大*6H8C*6H8M、6SN7、6F8G、CV181、QB65、ECC32 氧化物阴极6N9P 旁热式双三极管低频电压放大*6H9C、6SL7、ECC35、6SC7、6CY7 高μ6N10 旁热式双三极管低频电压放大*6H10M、12AV7A、E82CC、CV491 氧化物阴极[/size] [size=4]6N11 旁热式双三极管宽带电压放大*6H23П、6DJ8、ECC84、E88CC、6922、CV2492 高S、低RI、N6N12P 旁热式双三极管低频电压放大*6H12C、TS229、5687 氧化物阴极6N13P 旁热式双三极管低频功率放大*6H13C、6AS7、CV2523、6NS7G/GT 低内阻6N15 旁热式双三极管低频电压放大*6H15П、6J6WA、6CC31、CV858 共阴极6N16B 旁热式双三极管低频电压放大氧化物阴极6N17B 旁热式双三极管低频电压放大*6H17Ь、6112、CV5007 氧化物阴极6N21B-Q 旁热式双三极管低频电压放大氧化物阴极6N23 旁热式双三极管低频电压放大6DJ8、ECC88、PCC88 高μ低N6J1 旁热锐止五极管宽带电压放大*6ж1П、6AK5、6BC5、EF40、EF95、CV850 高频管6J1B 锐截止五极管宽带电压放大*6ж1Ь、CV3929、61489、CK5702/7083 旁热式阴极[/size][size=4]6J2 锐截止五极管宽带电压放大*6ж2П、6AS6、CV2522、EF11/732、CV4011 旁热式阴极6J2B 锐截止五极管宽带电压放大*6ж2Ь、CK5639 旁热式阴极6J3 锐截止四极管宽带电压放大*6ж3П、EF96、CV848、6BC6、6AG5 束射四极管6J4 锐截止五极管宽带电压放大*6ж4、6136、6BX6、6AC7、EF94 旁热式阴极6J4P 锐截止五极管宽带电压放大*6ж4C、CV849、1852 旁热式阴极6J5 锐截止高频管宽带电压放大*6ж5П、EF80、CV2521、6F36、6AH6 高S、束射四极管[/size][/color][/size][/color][/size][/size][/font][size=12px][color=navy][size=12px][font=宋体][size=4][color=navy]6J7 旁热式阴极五极管低频电压放大 6*7 、OM5C、CV1056、CV1404、EF36、NR49、VR56、KTW61、EF37A、5A/157D、CV358、CV5080、OM5B、W310A、57、STR4141、低噪声N6J8 锐截止五极管低频电压放大CV2901、6SJ7、6CF8、6267、EF16、EF86、2729 低噪声N6J8P 锐截止五极管宽带电压放大*6ж8C、5693、EF6、EBC3、CV592 旁热式阴极6J9 锐截止五极管宽带电压放大*6ж9П、EF861 旁热式阴极6J20 锐截止五极管宽带电压放大*6ж20П 空间电荷栅6J23 高互导双五极管宽带电压放大*6ж23П 阴极框架栅6J23B-Q 锐截止五极管宽带电压放大*6ж23B-K 低振动噪声12J1S 锐截止五极管小功率放大*12ж1л 氧化物阴极6K1B 遥截止五极管宽带电压放大*6K16K3P 遥截止五极管宽带电压放大*6K3、6SK7、6K7、KTZ63、CV1074、6D6、6SG7 旁热式阴极6K4 遥截止五极管宽带电压放大*6K4П、6BA6、6DA6、EF89/93、5749、6K5 旁热式阴极6K5 遥截止五极管宽带电压放大同6K4 旁热式阴极12K3P 遥截止五极管宽带电压放大12K3、12SK7/GT 旁热式阴极2P2 输出四极管低频功率放大2П2П、DL92、1S4T、1L33、1L34 直热式阴极2P3 束射四极管低频功率放大3A4、1662、CV807、DL93 直热式阴极2P19B 五极管功率放大直热式阴极2P29 直热式五极管功率放大*2、*2П29л 氧化物阴极4P1S 直热式阴极功率放大*4П1л、4L2D 五极管6P1 束射四极管低频功率放大*6П1П、6AQ5、6BW6、6L31、EL14、90 旁热式阴极6P3P 束射四极管低频功率放大*6П3C、*6л6C、6L6、6L6G/GT、1614、1619、1622 同型:1631、6TT3C6P4P 束射四极管低频功率放大旁热式阴极6P6P 旁热式束射四极管低频功率放大*6П2、*6П6C、6Φ6、1611、1613、1621、6K6、CV509、6V6GT、CV510、CV1912、CV511、6N6C、KT636P9P 旁热式五极管宽带功率放大*6П9C、CV569 氧化物阴极6P13P 束射四极管低频功率放大*6П13C(旁热)旁热式阴极6P14P 旁热式五极管宽带功率放大*6П14П、6BQ5、N709、EL84、CV2975、7320、6L40 氧化物阴极6P15P 旁热式五极管低频功率放大6CH6、6CW5、EL180、EL821、CV2127、12BY7A 氧化物阴极6P25B 束射四极管低频功率放大*6П25Ь、EL71、5902 氧化物阴极6P30B-Q 束射四极管低频功率放大*6П30Ь-B(旁热)氧化物阴极6P31B-Q 束射四极管低频功率放大*6П31Ь-B(旁热)氧化物阴极13P1P 输出五极管低频功率放大*13П1C 旁热式阴极6S6 高S五极管电压/功率放大*6Э1П(旁热)氧化物阴极6T1 高频双四极管推挽输出QM322、5656 旁热式阴极6A2 七极电子管TUNER变频CV453、EK90、X77、*6A2П、6BE5、5750 旁热式阴极6F1 三极-五极管变频/电压放大*6Φ1П、6BL8、6C16 旁热式阴极6F2 三极-五极管变频/电压放大6Φ2П、6U8、6GH、CV5065、ECF82、6BL8 旁热式阴极6G2P 双二极-三极管检波、电压放大*6Γ2、6SQ7、6SQ7GT/G 旁热式阴极WE300B 直热式三极管功率放大300B、4300A 古典式低内阻FU-5 直热式三极管低频功率放大T100-1、RK57、ML714、NU-150、CV2622、CV2768 F123A、GL805、HF150、CV25FU-7 旁热式四极管大S功率放大QV05-25、RK39、HY-61、QE06-50、CV124、807 5B/250A、807V、5S1FU-13 直热束射四极管功率放大*гY-13、813、4B13 TT10、QY2-100、QB2、250、CV278、4T100 CV1927、3874A、5C/100AFU-15 直热束射五极管中功率放大*гY-15 氧化物热子FU-17 双束射四极管中功率放大*гY-17、CV3517、6360、QQV03-10、QQV03/12 旁热式阴极FU-25 旁热束射四极管宽带功率放大1625、FD-25 氧化物阴极FU-29 双束射四极管宽带功率放大*гY-29、829B 旁热式阴极FU-31 直热式三极管宽带功率放大2T26、826、826“RCA” 钍钨阴极FU-32 双束射四极管宽带功率放大*гY-32、RS1019、TT20SRS4452、QQE03/20、P2-12 与FU-29类同FU-33 直热式三极管功率放大ES833、CV635、B142、3578、833A、5T33 钍钨阴极FU-46 旁热式五极管中功率放大QV06-20、P40、QE05/40、7212、6146、2B46 氧化物阴极FU-50 束射五极管宽带功率放大*гY-50、SRS552、P50/2 旁热式阴极FU-811 直热式三极管宽带功率放大*г-811、811A 钍钨阴极FU-250F 旁热式四极管宽带功率放大4C×250A 金属陶瓷型EL81 旁热式五极管功率放大6CJ6 氧化物阴极845 直热式三极管功率放大UV-845 Po≈100W6CY7 旁热式双二极管电压放大每组**管特性参数不同Rg< 100kΩ6CX8 旁热式三极管-五极管电压放大和P-K分割比6U9、6F2靓高S18045 旁热式五极管小型功放作耳机放大有极佳表现Po> 1WFC4 旁热式三极管电压放大*гC4 金属陶瓷管6C22D 旁热式三极管电压放大5876 金属陶瓷管6550 旁热束射四极管功率放大KT88 氧化物阴极KT100 旁热束射四极管功率放大KT94 氧化物阴极PL81 旁热式五极管功率放大21A6 氧化物阴极EL34 旁热式五极管功率放大6CA7、KT66 氧化物阴极2A3 直热式三极管功率放大*2C4、AD1、6A3、6B4G、6C4C 211 直热式三极管功率放大FD422 直热式五极管功率放大2E226C33C-B 旁热式三极管功率放大[b]欧美电子管置换表[/b]0A2 AG52110A2 SR560B2 SR3108C1 OB210BQ5 YL8410C14 19D810CW5 LL8610CW5 YL8610DE7 9R-AL110DX8 LCL20010DX8 LCL8410DX8 YCL8410EB8 11JE810F18 13EC710F9 12AC510GN8 11JE810GV8 LCL8510HF8 11JE810JA8 11JE810JY8 11JE810LD13 14G610LD3 14L710LZ8 11JE810P18 45B510PL12 50BM811BM8 LCL8211JE8 10EB811JE8 10GN811JE8 10HF811JE8 10JA811JE8 10JY811JE8 10LZ811R3 LY8111Y9 LFL200121VP 12AC512A8 OH412AC5 10F912AC5 121VP12AC5 HF12112AC5 UF4112AC5 W11812AC5 W14212AC5 W14512AD6 UF8912AD7 12AX7 12AF3 12BR312AH8 20D312AJ7 HCH8112AL5 HAA9112AT6 HBC90 12AT7 A290012AT7 B15212AT7 B30912AT7 B73912AT7 E215712AT7 E81CC12AT7 ECC8112AT7 QB309 12AT7WA CC81E 12AT7WA M8162 12AT7WA QS2406 12AT7WB QA2406 12AU6 HF9412AU7 12AX7 12AU7 B32912AU7 B74912AU7 E216312AU7 E82CC 12AU7 ECC186 12AU7 ECC82 12AU7A 12AX7 12AV6 12BC32 12AV7 12R-LL3 12AX7 12AD7 12AX7 12AU7 12AX7 12AU7A 12AX7 12AX7A 12AX7 12BZ712AX7 12DM7 12AX7 12DT712AX7 6L1312AX7 702512AX7 7025A12AX7 B33912AX7 B75912AX7 E216412AX7 ECC8312AX7A 12AX7 12AX7A M8137 12B-B14 13GB5 12BA6 12F3112BA6 HF9312BC32 12AV6 12BE6 12H3112BE6 HK9012BE7 UQ8012BQ6GT 12G-B6 12BR3 12AF312BR3 12R-K19 12BY7 EL18012BZ7 12AX712C8 VP12D12D4A 12G-K17 12DF7 12AX712DM7 12AX7 12DT7 12AX712DT7 ECC863 12E13 655012F31 12BA612FB5 30P1212FB5 PL80112FG6 UM8412FQ7 12R-LL5 12G-B3 12GW6 12G-B6 12BQ6GT 12G-B7 13CM5 12G-K17 12D4A 12GW6 12G-B3 12H31 12BE612HU8 PLL8012K7 W7612K8 X71M12K8GT X76M 12Q7GT DH74 12Q7GT DH76 12R-K19 12BR3 12R-LL3 12AV7 12R-LL5 12FQ7 12S7 UAF42 12S7 WD142 12SN7GT B3612SQ7 OBC3 12X4 HZ9013CM5 12G-B7 13CM5 XL3613D2 6SN7GT 13D3 615813EC7 10F18 13EC7 W110 13EC7 W119 13GB5 12B-B14 13GB5 XL500 13GC8 30PL1 13GC8 30PL10 13GC8 LN319 13GC8 PCL801 141DDT 14L7 141TH 14K714F7 XXD14G6 10LD13 14G6 DH119 14G6 UBC80 14G6 UBC81 14GW8 PCL86 14K7 141TH 14K7 UCH42 14K7 X14214L7 10LD3 14L7 141DDT 14L7 DH118 14L7 DH142 14L7 UBC41 14Y7 UCH80 14Z3 HZ50150C1 OA2 150C2 OA2 150C3 OD3 150C4 OA215A6 N15315A6 N30915A6 PL8315CW5 30P18 15CW5 N378 15CW5 N379 15CW5 PL8415DQ8 PCL84 163PEN 16A5 16A 6AM516A5 163PEN 16A5 30P16 16A5 N15416A5 N32916A5 PL8216A8 30PL12 16A8 N36916A8 PCL82 16AQ3 XY8816GK8 30PL13 16GK8 30PL14 16GK8 PCL800 16GK8 PCL88 16KH8 ECLL800 16Y9 PFL200 171DDP 17C8 17C8 171DDP 17C8 17N817C8 UBF80 17EW8 HCC85 17KW6 PL508 17N8 17C817Z3 A6117Z3 PY800 17Z3 PY801 17Z3 PY8117Z3 PY8317Z3 U15317Z3 U19317Z3 U34918AK5 602818FX6 X10718GB5 LL500 18GD6 19M-R10 18GD6 19M-R9 18GV8 PCL85 19AJ8 19D819AQ5 HL9019BD 19X319CS4 PY301 19CS4 U19119CS4 U33919D8 10C14 19D8 19AJ819D8 UCH81 19D8 X11919FL8 UBF8919KF6 N22LL19M-R10 18GD6 19M-R9 18GD6 19SU 19Y319T8 HABC80 19U3 19X319W3 19X319X3 19BD19X3 19U319X3 19W319X3 PY8019X3 U15219X3 U30919Y3 19SU19Y3 PY8219Y3 U15419Y3 U19219Y3 U3191A3 1D131A3 DA901A3 DAF901A5G DL311A7GT DK321A7GT X141AB6 1C31AB6 DK96 1AB6 DK97 1AB6 X251AC6 1C21AC6 DK92 1AC6 X181AC6 X201AD4 DF62 1AD4 DF652 1AD4 DF668 1AH5 1FD1 1AH5 DAF96 1AH5 ZD25 1AJ4 1F11AJ4 DF96 1AJ4 W251AN5 DAF97 1AN5 DF97 1AQ5 1H33 1AR5 1S5SF 1AS5 1U5SF 1B3GT DY30 1B3GT U41 1BG2 DY51 1BQ2 DY802 1C1 1R51C2 1AC6 1C3 1AB6 1C5GT DL35 1C5GT N14 1D13 1A31D5 40SUA 1E3 DC80 1F1 1AJ41F2 1L41F3 1T41F5G KL35 1FD1 1AH5 1FD9 1S51G50 2050A 1H2 1S21H33 1AQ5 1H33 1R5SF1H5GT DAC32 1H5GT HD14 1L4 1F21L4 DF921M1 1N31M3 DM70 1M3 Y251N3 1M11N3 DM71 1N5GT DF33 1N5GT Z141P1 3C41P10 3S41P11 3V41Q5GT DL36 1R5 1C11R5 DK91 1R5 X171R5SF 1H33 1R5^ 1H33 1RK23 1S21S2 1H21S2 1RK23 1S2 DY861S2A DY87 1S4 DL911S5 1FD91S5 DAC21 1S5 DAF91 1S5 DF261S5 ZD17 1S5SF 1AR5 1T2 R161T2 U371T4 1F31T4 DF911T4 W171U4 DF904 1U4 HY145 1U5 DAF92 1U5SF 1AS5 1V6 DCF60 1W4 R31X2 1X2B1X2A 1X21X2A DY801X2A R191X2B 1X21X2B HD93 2050 BA22050 EN32 2050A 1G5020A3 2D2120AQ3 LY8820D3 12AH820D4 6AJ8213PEN 21A621A6 213PEN 21A6 N15221A6 N35921A6 PL8121A6 PL82021KQ6 LL52125A6 KT3325BQ6GT 25G-B6 25BQ6GTB HD96 25BR3 25R-K19 25BR3 U32925E5 N30825E5 PL3625G-B6 25BQ6GT 25GF6 30P1925GF6 30P425GF6 N38925GF6 PL30225R-K19 25BR3 25W6GT KT3225Z4GT U3127GB5 PL50027KG66 LL505 28EC4 LY50029KQ6 PL5212B/250A 8072B35 6D12B35 EA502B35 T6D2D21 4G280K 2D21 ASG512 2D21 EN912D21 PL212D21 RL212ER5 XC952FY5 XC972HA5 XC900 2HR8 XCF86 2J2 R202J2 U262J2 U492X2 2X2A2X2 2Y22X2A 2X22X2A H2-10 2Y2 2X230A5 HL94 30AE3 PY88 30C1 9A830C1 9A830C15 9EN7 30C18 7GV7 30CW5 HL86 30F5 7ED7 30FL1 9GB8 30L1 7AN7 30L15 7EK7 30P12 12FB5 30P16 16A5 30P18 15CW5 30P19 25GF6 30P4 25GF6 30PL1 13GC8 30PL10 13GC8 30PL12 16A8 30PL13 16GK8 30PL14 16GK8 311SU 31A3 31A3 311SU 31A3 U118 31A3 U142 31A3 U14531A3 UY42 31A3 V311 31A3 V312 32F 95635FN5 PL300 35W4 HY90 35Z4GT U74 35Z4GT U76 38A3 U119 38A3 U381 38A3 UT85 38A3 UY893A4 DL933A4 E1485 3A5 DCC90 3AJ8 XCH81 3AL5 XAA91 3AL5 XB913AU6 XF943B4 DL983B4 HD303BH2 GY501 3BX6 XF803BY7 XF853BZ6 3M-V7 3C4 1P13C4 DL963C4 N253C6 XXB3D6 DL293DK6 3M-R24 3EH7 XF183 3EJ7 XF184 3ER5 YC953FY5 LC973FY5 YC973HA5 LC900 3M-R24 3DK6 3M-V7 3BZ63Q4 DL953Q4 N183Q5GT DL33 3Q5GT N153Q5GT N163S4 1P103S4 DL923S4 N173S4SF 3W43V4 1P113V4 DL943V4 N193W4 3S4SF 40KG6 PL505 40SUA 1D542EC4 PY500 451PT 45A5 45A5 451PT 45A5 BF451 45A5 N142 45A5 UL41 45B5 10P18 45B5 N119 45B5 UL844BL8 5R-HP1 4BL8 XCF80 4BS8 4R-HH2 4CM4 PC864DL4 PC884EH7 LF183 4EH7 YF183 4EJ7 LF1844EJ7 YF184 4ES8 XCC189 4FY5 PC974G280K 2D21 4GJ7 4GX74GJ7 XCF801 4GK5 PC954GX7 4GJ74HA5 PC900 4HR8 PF864KN8 4R-HH8 4R-HH2 4BS8 4R-HH8 4KN8 4Y25 80750BM8 10PL12 50BM8 LN11950BM8 UCL82 50C5 HL9250L6GT KT71 52KU 5Z4G 54KU 5AQ4 55N3 UY82 5636 EF730 5642 DY70 5651A QS1209 5654 EF905 5654 M8100 5654 QM557 5670 6CC42 5672 DL620 5677 FA6 5678 DF60 5692 6CC10 5692 QA2408 5718 EC70 5718 EC71 5725 M8196 5725 QM558 5726 AA91E 5726 DD77 5726 E91AA 5726 EAA901 5726 M8079 5726 M8212 5726 QA2404 5726 QM559 5726 QS2404 5727 E91N 5727 M8204 5763 M8096 5763 QE03/10 5763 QV03-12 5783 85A3 5823 Z900T 5840 EF72 5840 EF732 5840 M8121 5847 6R-R8C 5847 E182F 5861 EC555894 QQE06/40 5899 EF71 5899 EF731 5901 EF732 5902 EL71 5911 DF67 5913 DL67 5920 E90C 5920 E90CC5A/160H 6AM65AQ4 54KU5AR4 GZ345AR4 U775B/250A 8075CG4 OSW3107 5ES8 LCC1895ES8 YCC1895GJ7 LCF8015HG8 LCF865HG8 YCF865J2 KY805J6 5M-HH35L509 6KG6A5M-HH3 5J65P29 6CN65R-HP1 4BL85S1 8075U4G 5Z105U4G GZ315U4G U525U4GB H525U8 XCF825U9 LCF2015V4GA GZ325V9 LCH2005W4GT U515X9 LCF2005Y3GT U505Z10 5U4G5Z4 RS25Z4G 52KU5Z4G GZ305Z4G OSW3107 5Z4G R526005 M8245 6007 DL67 6008 DF67 6021 ECC70 6028 18AK5 6057 ECC803 6060 ECC801 6063 EZ900 6079 QB5/1750 6080 ECC230 6084 E80F 6085 E80CC 6135 QA2401 6146 QE05/40 6146 QV06-20 6158 13D3 6159 QE05/40H 6189 ECC802 6189 M8136 6201 E81CC 6201 QA2407 6205 EF734 6218 E80T 6227 E80L 6252 QQE03/20 6252 QQV03-20 6267 6CF8 6267 6F22 6267 8D86267 EF86 6267 EF87 6267 Z72962DDT 6CV762TH 6CU762VP 6CJ5 6351 X319 6354 150B2 6360 QQE03/12 6360 QQV03-10 6360 RS1029 6374 EY84 6375 DC70 6391 EF746463 ECC813 6487 EF70 6488 EF73 6489 EA7664ME 6CD764SPT 6BX4 6550 12E13 6550 7D11 6550 KT8865ME 6BR5 6681 E83CC 6686 E81L 6687 E91H 6688 E180F 6689 E83F66KU 6BT467PT 6CK5 6922 E88CC 6939 QQE02/5 6939 QQV02-6 6977 DM1606A6 B636A8 6Q86A8 PH46AB X636AB4 EC926AB8 63TP6AB8 ECL806AB8 LN1526AC7 6F106AC7 OSW2190 6AC7 OSW2600 6AD8 EBF816AE8 X796AF4 6T16AF4 EC946AG5 EF966AG6 6P256AG6G BVA264 6AG6G BVA265 6AG7 6L106AG7 OSW2192 6AG7 OSW26016AH6 6F366AJ4 EC846AJ5 6F356AJ8 20D46AJ8 6C126AJ8 6CH406AJ8 ECH816AJ8 X7196AJ9 ECF202 6AK5 6F326AK5 DP616AK5 E95F6AK5 EF956AK5 PM056AK6 PM956AK8 6LD126AK8 DH719 6AK8 EABC80 6AL3 EY836AL3 EY886AL5 6B326AL5 6D26AL5 D1526AL5 D2M96AL5 D7176AL5 D776AL5 DD66AL5 EAA916AL5 EB916AL5 ED26AM5 16A6AM5 6P176AM5 7D96AM5 DD76AM5 DDR76AM5 EL916AM5 N1446AM5 N476AM5 N776AM5 QN776AM5 V8866AM6 5A/160H 6AM6 6F116AM6 8D36AM6 EF916AM6 HP66AM6 M8063 6AM6 PM076AM6 QZ776AM6 R1446AM6 S6F126AM6 SP66AM6 Z776AN7 ECH80 6AQ4 6L346AQ4 EC916AQ5 6L316AQ5 BPM04 6AQ5 EL906AQ5 N7276AQ6 6BK66AQ8 6CC43 6AQ8 6L126AQ8 B7196AQ8 ECC85 6AS6 6F336AS7G A1834 6AT6 6BK66AT6 DH776AT6 EBC906AT7N 6DT86AU4GT 6G-K17 6AU6 EF946AV3 6R-K19 6AV4 EZ916AV4^ 6FX46AV6 6BC326AV6 6BK66AV6 EBC916B32 6AL56B8 EBF326BA6 6F316BA6 EF936BA6 PM046BA6 W7276BC32 6AV66BD7 EBC806BD7 EBC816BD7A EBC36BE6 6H316BE6 EK906BE6 HM046BE6 X7276BE6 X776BE7 EQ806BH5 EF816BH6 E90F6BJ5 N786BJ6 E99F6BK6 6AQ66BK6 6AT66BK6 6AV66BK6 6BT66BK8 EF836BL8 6C166BL8 ECF806BM5 6P96BM8 6LP126BM8 6PL126BM8 6PL126BM8 ECL826BN5 EL856BN5 N1556BQ5 6P156BQ5 EL846BQ5 N7096BQ6GT 6G-B3A 6BQ6GTB HD94 6BQ7A ECC180 6BR5 65ME6BR5 EM806BR7 8D56BS4 EC936BS7 8D76BS8 6R-HH2 6BT4 66KU6BT4 EZ406BT4 MU146BT4 U1506BT4 UU5 6BT4 UU9 6BT4 V616BT6 6BK6 6BW7 8D6 6BX4 64SPT 6BX4 6Z46BX6 EF80 6BX6 Z152 6BX6 Z719 6BY7 6F19 6BY7 6F26 6BY7 EF85 6BY7 W719 6BZ8 X155 6C12 6AJ8 6C15 6CJ5 6C16 6BL8 6C18 6GV7 6C31 6K86C4 EC90 6C4 L776C4 QL77 6C4 V741 6C6 A677 6C6 G776C6 T776CA4 6V46CA4 EZ46CA4 EZ81 6CA4 U709 6CA4 UU12 6CA7 EL34 6CA7 KT77 6CB6 EF190 6CC10 5692 6CC31 6J66CC42 5670 6CC43 6AQ8 6CD7 64ME 6CD7 6M2 6CD7 EM34 6CF8 62676CH6 7D106CH6 ECL821 6CH6 EF826CH6 EL821 6CH6 EL822 6CJ5 62VP6CJ5 6C156CJ5 6F156CJ5 6F166CJ5 7F166CJ5 EBF41 6CJ5 EF416CJ5 HF616CJ5 W1506CJ6 EL816CK5 67PT6CK5 BF616CK5 EL416CK5 N1506CK6 EL803 6CK6 EL820 6CK6 EL836CL6 6L436CM4 EC806S 6CM4 EC866CM5 EL366CN6 5P296CN6 EL386CQ6 6F216CQ6 9D66CQ6 E2016 6CQ6 EF926CQ6 QW77 6CQ6 V1776CQ6 V8846CQ6 VP66CQ6 W776CR4 A2521 6CS6 EH906CT7 EA416CT7 EAF42 6CT7 WD150 6CU7 62TH6CU7 ECH426CU7 X1506CU7 Z1506CV7 62DDT6CV7 6LD36CV7 DH1506CV7 DH7186CV7 DH8176CV7 EBC416CW5 EL866CW7 6L166CW7 ECC84 6D-HH13 6FX76D1 2B356D2 6AL56D4 EN936D8 X736D8 X73M6DA5 EM816DA6 EF136DA6 EF896DC8 6FD126DC8 EBF856DC8 EBF896DG7 E89F6DG7 EF89F6DG7 EM856DJ8 ECC886DL4 E88C6DL4 EC886DL5 EL956DQ6A 6G-B66DR8 EBF836DS8 ECH836DT8 6AT7N6DX8 ECL846DY5 EL826E5 6S5G6E5 OSW3110 6E8 ECH826E8 X656E8G ECH356E8G TH626E8G X61M 6EC4 EY500 6EC7 6F186EC7 W739 6ED4 ED500 6EH7 6F296EH7 EF183 6EH7 EF811 6EJ7 6F246EJ7 6F256EJ7 6F306EJ7 EF184 6EJ7 EF814 6EL7 6F236EL7 EF812 6EL7 Z7496ER5 EC956ES6 EF976ES8 ECC189 6ET6 EF986EW6 6GM6 6EW6 6HS6 6F10 6AC76F11 6AM66F12 6AM66F15 6CJ56F16 6CJ56F18 6EC76F19 6BY76F21 6CQ66F22 62676F23 6EL76F24 6EJ76F25 6EJ76F26 6BY76F29 6EH76F30 6EJ76F31 6BA66F32 6AK56F33 6AS66F35 6AJ56F36 6AH66F5GT H636FC7 ECC896FD12 6DC86FG6 EM846FG6 EM8406FN5 EL3006FX4 6AV46FX7 6D-HH13 6FY5 EC976G-B3A 6BQ6GT 6G-B6 6DQ6A6G-B9 6GW66G-K17 6AU4GT 6GA8 6/30L26GA8 ECC804 6GB5 EL5006GB5 EL5046GJ7 ECF8016GM6 6EW66GM8 CC86E6GM8 ECC866GV7 6C186GV7 ECF805 6GV8 ECL856GW6 6G-B96GW8 ECL866GX8 EAM866H31 6BE66H6 D636H6 EB346H6 OM36H6 OSW3109 6HA5 EC9006HA5 ECC900 6HG8 ECF866HG8 ELF866HS6 6EW66HT5 N2ED6HU6 EM876HU8 ELL806J4 6M-H16J4 TM126J4WA M82326J5 L636J5 OSW3112 6J6 6CC316J6 6M-HH3 6J6 ECC916J6 M80816J6 T2M056J7 EF366J7 TTZ636J7 Z636J7GT A8636J7GT EF376J7GT KTW63 6J7GT KTZ63M 6JE6B 6JE6C6JE6C 6JE6B6JE6C 6LQ66JW8 6LX86JW8 ECF802 6JX8 ECH846K6 6K6G6K6 6K6GT6K6 6K6GT/G 6K6 6K6MG 6K6G 6K66K6GT 6K66K6GT N636K6GT/G 6K66K6MG 6K66K7 EF396K7 OM66K7 PF96K7 W1476K7 W616K7 W636K7GT KTZ63 6K8 6C316KG6 EL5056KG6A 5L5096KN8 6R-HH8 6KV6 6KV6A6KV6A 6KV66KW6 EL508 6L10 6AG76L13 12AX7 6L16 6CW7 6L31 6AQ5 6L34 6AQ4 6L43 6CL66L6 EL376L6GC DL37 6L6GC KT66 6L6GT N666L7 X646LC6 6LH6 6LC6 6LH6A 6LD12 6AK8 6LD13 6BD7 6LD3 6CV7 6LD6 EL802 6LF6 6LV66LF6 N30EL 6LH6 6LC6 6LH6A 6LC6 6LN8 LCF80 6LP12 6BM8 6LQ6 6JE6C 6LV6 6LF66LX8 6JW8 6LX8 LCF802 6M-H1 6J46M-HH3 6J6 6M1 6U5G 6M2 6CD7 6M5 EL80 6M6G EL33 6M6G KT61 6M6G N147 6M6G PP6BG 6N3 6U36N3 EY826N8 EBF80 6N8 WD709 6N8 ZD152 6P15 6BQ5 6P17 6AM5 6P25 6AG66PL12 6BM86PL12 6BM86Q4 EC806Q7 DH636Q8 6A86R-HH2 6BS86R-HH8 6KN86R-K19 6AV36R-R8C 58476R3 EY816R3 6V3P6R4 EC226R4 EC816S2 EY866S2A EY876S5G 6E56S7 OF16S7 OM56SA7 OSW3104 6SA7GT MV6-56SK7 OSW3111 6SL7 ECC356SN7GT 13D26SN7GT B656SN7GT ECC32 6SN7GT QB656SQ7 OSW3105 6T1 6AF46U3 6N36U3 EY806U5 EM356U5 Y646U5G 6M16U8 ECF826U9 ECF2016V3 EY81F6V3P 6R36V4 6CA46V4 EZ116V4 EZ36V4 EZ806V6GT OSW3106 6V9 ECH2006X2 EY516X2 R126X2 SU616X2 U1516X2 U436X2 U456X4 6Z316X4 E9026X4 E90Z6X4 EZ906X4 U7076X4 U786X4 V2M70 6X4W QM556 6X4W QM556 6X5G EZ35 6X5G U147 6X5G U706X9 ECF200 6Y9 EFL200 6Z3 AD6Z31 6X46Z4 6BX4 7025 12AX7 7025A 12AX7 7062 E180CC 7119 E182CC 7308 E188CC 7320 E84L 7534 E130L 7534 E180L 7643 E80CF 7722 E280F 7737 E186F 7788 E810F 7A7 EF227A7 W143 7A7 W148 7A7 W817AN7 30L17AN7 B139 7AN7 B319 7AN7 PCC847AU7 XCC82 7B6 DH817B6 DL827B7 W1497C5 N1487C6 DH149 7D10 6CH67D11 65507D9 6AM57DJ8 PCC887ED7 30F57ED7 Z3297EK7 30L157EK7 B3497EK7 PCC805 7ES8 PCC189 7F16 6CJ57FC7 PCC89 7GV7 30C18 7GV7 PCF805 7J7 C6107S7 X1487S7 X817X7 XXFM7Y4 EZ227Y4 U1497Y4 U82807 2B/250A 807 4Y25 807 5B/250A 807 5S1807 ARS25A 807 ATS225A 807 P17A 807 QE06/50 807 QV05-25 8223 E288CC 8228 ZZ1000 8233 E55L 8254 EC1000 8255 E88C 8255 EC88 8278 EL50383 VT8383 WT301 8453 Z550M 85A1 OE385A2 OG385A3 57838A8 9U88B8 8R-HP1 8B8 XCL82 8BQ5 XL848CW5 XL86 8D3 6AM68D4 6W7G 8D5 6BR78D6 6BW7 8D7 6BS78D8 62678GJ7 PCF801 8GJ7 PCF806 8HG8 PCF86 8R-HP1 8B88U9 PCF201 8X9 PCF200 954 E1F 954 UN954 954 ZA2 955 UN955 956 32F 957 D1C 958A D2C 959 D3F9A8 30C19A8 30C19A8 9U89A8 LZ319 9A8 LZ329 9A8 PCF80 9AK8 PABC80 9AQ8 PCC85 9BM5 9P99D6 6CQ69EA8 9U89ED4 PD5009EN7 LZ3399EN7 PCF800 9GB8 30FL19GB8 PCE800 9GH8A 9R-HH2 9GV8 XCL859JW8 PCF802 9P9 9BM59R-AL1 10DE7 9R-HH2 9GH8A 9U8 8A89U8 9A89U8 9EA89U8 9U8A9U8 PCF829U8A 9U89V9 PCH200 A1834 6AS7G A2521 6CR4A2900 12AT7A61 17Z3A677 6C6A863 6J7GT AA91E 5726 ABC91 12A6 AD 6Z3AG5211 0A2 ARS25A 807 ASG512 2D21 ATS225A 807B139 7AN7B152 12AT7B309 12AT7B319 7AN7B329 12AU7B339 12AX7B349 7EK7B36 12SN7GT B63 6A6B65 6SN7GT B719 6AQ8B729 6AG8B739 12AT7B759 12AX7 BA2 2050BF451 45A5BF61 6CK5 BPM04 6AQ5 BVA264 6AG6G BVA265 6AG6G C610 7J7CC81E 12AT7WA CC86E 6GM8D152 6AL5D1C 957D2C 958AD2M9 6AL5D3F 959D61 6CT7D63 6H6D717 6AL5D77 6AL5DA90 1A3DAC21 1S5 DAC32 1H5GT DAF90 1A3DAF91 1S5DAF92 1U5DAF96 1AH5 DAF97 1AN5DC70 6375DC80 1E3DCC90 3A5 DCF60 1V6DD6 6AL5DD7 6AM5DD77 5726 DDR7 6AM5DF26 1S5DF33 1N5GT DF60 5678DF62 1AD4DF652 1AD4DF668 1AD4DF67 5911DF67 6008DF91 1T4DF92 1L4DF96 1AJ4 DF97 1AN5 DH118 14L7 DH119 14G6 DH142 14L7 DH149 7C6 DH150 6CV7 DH63 6Q7 DH718 6CV7 DH719 6AK8 DH74 12Q7GT DH76 12Q7GT DH77 6AT6 DH81 7B6DH817 6CV7 DK32 1A7GT DK91 1R5DK92 1AC6 DK96 1AB6 DK97 1AB6 DL29 3D6DL31 1A5G DL33 3Q5GT DL35 1C5GT DL36 1Q5GT DL37 6L6GC DL620 5672 DL67 5913 DL67 6007 DL82 7B6DL91 1S4DL92 3S4DL93 3A4DL94 3V4DL95 3Q4DL96 3C4DL98 3B4DM160 6977 DM70 1M3 DM71 1N3 DP61 6AK5DY51 1BG2 DY70 5642 DY80 1X2A DY802 1BQ2 DY86 1S2 DY87 1S2A E130L 7534 E1485 3A4E180CC 7062 E180F 6688 E180L 7534 E182CC 7119 E182F 5847 E186F 7737 E188CC 7308 E1F 954E2016 6CQ6 E2157 12AT7 E2163 12AU7 E2164 12AX7 E280F 7722 E288CC 8223 E55L 8233 E80CC 6085 E80CF 7643 E80F 6084 E80L 6227 E80T 6218 E810F 7788 E81CC 12AT7 E81CC 6201 E81L 6686 E82CC 12AU7 E83CC 6681 E83F 6689 E84L 7320 E88C 6DL4 E88C 8255 E88CC 6922 E89F 6DG7 E902 6X4E90C 5920 E90CC 5920E90Z 6X4E91AA 5726 E91H 6687 E91N 5727 E95F 6AK5 E99F 6BJ6 EA41 6CT7 EA50 2B35 EA76 6489 EAA901 5726 EAA91 6AL5 EABC80 6AK8 EAF41 6CT7 EAF42 6CT7 EAM86 6GX8 EB34 6H6 EB91 6AL5 EBC3 6BD7A EBC41 6CV7 EBC80 6BD7 EBC81 6BD7 EBC90 6AT6 EBC91 6AV6 EBF32 6B8 EBF41 6CJ5 EBF80 6N8 EBF81 6AD8 EBF83 6DR8 EBF85 6DC8 EBF89 6DC8 EC1000 8254 EC22 6R4 EC55 5861 EC70 5718 EC71 5718 EC80 6Q4 EC806S 6CM4 EC81 6R4 EC84 6AJ4 EC86 6CM4 EC88 6DL4 EC88 8255 EC90 6C4EC91 6AQ4 EC92 6AB4 EC93 6BS4 EC94 6AF4 EC95 6ER5 EC97 6FY5 ECC180 6BQ7A ECC186 12AU7 ECC189 6ES8 ECC230 6080 ECC32 6SN7GT ECC35 6SL7 ECC70 6021 ECC801 6060 ECC802 6189 ECC803 6057 ECC804 6GA8 ECC81 12AT7 ECC813 6463 ECC82 12AU7 ECC83 12AX7 ECC84 6CW7 ECC85 6AQ8 ECC86 6GM8 ECC863 12DT7 ECC88 6DJ8 ECC89 6FC7 ECC900 6HA5 ECC91 6J6 ECF200 6X9 ECF201 6U9 ECF202 6AJ9 ECF80 6BL8 ECF801 6GJ7 ECF802 6JW8 ECF805 6GV7 ECF82 6U8 ECF86 6HG8 ECH113 6CU7 ECH200 6V9 ECH35 6E8G ECH42 6CU7 ECH80 6AN7ECH82 6E8 ECH83 6DS8 ECH84 6JX8 ECL80 6AB8 ECL82 6BM8 ECL821 6CH6 ECL84 6DX8 ECL85 6GV8 ECL86 6GW8 ECLL800 16KH8 ED2 6AL5 ED500 6ED4 EF13 6DA6 EF183 6EH7 EF184 6EJ7 EF190 6CB6 EF22 7A7EF36 6J7EF37 6J7GT EF39 6K7EF41 6CJ5 EF70 6487 EF71 5899 EF72 5840 EF73 6488 EF730 5636 EF731 5899 EF732 5840 EF732 5901 EF734 6205 EF74 6391 EF80 6BX6 EF81 6BH5 EF811 6EH7 EF812 6EL7 EF814 6EJ7 EF82 6CH6 EF83 6BK8 EF85 6BY7 EF86 6267 EF87 6267 EF89 6DA6 EF89F 6DG7EF91 6AM6 EF92 6CQ6 EF93 6BA6 EF94 6AU6 EF95 6AK5 EF96 6AG5 EF97 6ES6 EF98 6ET6 EFL200 6Y9 EH90 6CS6 EK90 6BE6 EL180 12BY7 EL300 6FN5 EL33 6M6G EL34 6CA7 EL36 6CM5 EL37 6L6 EL38 6CN6 EL41 6CK5 EL500 6GB5 EL503 8278 EL504 6GB5 EL505 6KG6 EL508 6KW6 EL71 5902 EL80 6M5 EL802 6LD6 EL803 6CK6 EL81 6CJ6 EL82 6DY5 EL820 6CK6 EL821 6CH6 EL822 6CH6 EL83 6CK6 EL84 6BQ5 EL85 6BN5 EL86 6CW5 EL90 6AQ5 EL91 6AM5 EL95 6DL5 ELF86 6HG8 ELL80 6HU8 EM34 6CD7EM80 6BR5 EM81 6DA5 EM84 6FG6 EM840 6FG6 EM85 6DG7 EM87 6HU6 EN32 2050 EN91 2D21 EN93 6D4 EQ80 6BE7 EY500 6EC4 EY51 6X2 EY80 6U3 EY81 6R3 EY81F 6V3 EY82 6N3 EY83 6AL3 EY84 6374 EY86 6S2 EY87 6S2A EY88 6AL3 EZ11 6V4 EZ22 7Y4 EZ3 6V4 EZ35 6X5G EZ4 6CA4 EZ40 6BT4 EZ80 6V4 EZ81 6CA4 EZ90 6X4 EZ900 6063 EZ91 6AV4 F1EL 8278 FA6 5677 G/50/4K OA2 G105/1D OC3 G150/3D OD3 G75/2D OA3 G77 6C6 GY501 3BH2 GZ30 5Z4G GZ31 5U4G GZ32 5V4GAH2-10 2X2AH52 5U4GBH63 6F5GT HAA91 12AL5 HABC80 19T8 HBC90 12AT6 HBC91 12AV6 HCC85 17EW8 HCH81 12AJ7HD14 1H5GT HD30 3B4HD51 OA2HD52 OB2HD93 1X2BHD94 6BQ6GTB HD96 25BQ6GTB HF121 12AC5HF61 6CJ5HF93 12BA6HF94 12AU6HK90 12BE6HL86 30CW5HL90 19AQ5HL92 50C5HL94 30A5HM04 6BE6HP6 6AM6HY145 1U4HY90 35W4HZ50 14Z3HZ90 12X4KD21 OA3KD24 OC3KD25 OD3KL35 1F5GKT32 25W6GT KT33 25A6KT61 6M6GKT63 6F6GKT66 6L6GCKT71 50L6GT KT77 6CA7KT88 6550KTW63 6J7GT KTZ63 6K7GT KTZ63M 6J7GT KY80 5J2L63 6J5L63B 6J5L77 6C4LC900 3HA5 LC97 3FY5 LCC189 5ES8 LCF200 5X9 LCF201 5U9 LCF80 6LN8 LCF801 5GJ7 LCF802 6LX8 LCF86 5HG8 LCH200 5V9 LCL200 10DX8 LCL82 11BM8 LCL84 10DX8 LCL85 10GV8 LF183 4EH7 LF184 4EJ7 LFL200 11Y9 LL500 18GB5 LL505 27KG66 LL521 21KQ6 LL86 10CW5 LN119 50BM8 LN152 6AB8 LN319 13GC8 LY500 28EC4 LY81 11R3 LY88 20AQ3 LZ319 9A8LZ329 9A8LZ339 9EN7 M8063 6AM6 M8079 5726 M8081 6J6M8096 5763 M8100 5654 M8121 5840 M8136 6189M8137 12AX7A M8162 12AT7WA M8196 5725M8204 5727M8212 5726M8223 OA2WA M8224 OB2WA M8232 6J4WAM8245 6005MU14 6BT4MV6-5 6SA7GT N119 45B5N14 1C5GTN142 45A5N144 6AM5N147 6M6GN148 7C5N15 3Q5GTN150 6CK5N152 21A6N153 15A6N154 16A5N155 6BN5N16 3Q5GTN17 3S4N18 3Q4N19 3V4N22LL 19KF6N25 3C4N2ED 6HT5N308 25E5N309 15A6N30EL 6LF6N329 16A5N359 21A6N369 16A8N378 15CW5N379 15CW5N389 25GF6N47 6AM5N63 6K6GTN66 6L6GTN709 6BQ5N727 6AQ5N77 6AM5N78 6BJ5OA2 150C1OA2 150C2OA2 150C4OA2 G/50/4K OA2 HD51OA2 QS1207 OA2 S856OA2 SM150-30 OA2 STR108/30 OA2 STR150/30 OA2 STV150/30 OA2WA M8223 OA2WA QS1210 OA3 G75/2D OA3 KD21OA3 QS1205 OA4G PL1267 OA4G RL1267 OA4G Z300TOB2 108C1OB2 HD52OB2 QS1208 OB2 S860OB2 SR55OB2 STV108/30 OB2WA M8224 OB2WA QS1211 OBC3 12SQ7 OC3 G105/1D OC3 KD24OC3 QS1206 OD3 150C3OD3 G150/3D OD3 KD25OD3 QS150/40 OD3 VR150OE3 85A1OF1 6S7OF5 12K7GT OG3 85A2OG3 SR2OG3 STR85/10OG3 STV85/10 OH4 12A8OM3 6H6OM5 6S7OM6 6K7 OSW2190 6AC7 OSW2192 6AG7 OSW2600 6AC7 OSW2601 6AG7 OSW3104 6SA7 OSW3105 6SQ7 OSW3106 6V6GT OSW3107 5CG4 OSW3107 5Z4G OSW3109 6H6 OSW3110 6E5 OSW3111 6SK7 OSW3112 6J5P17A 807 PABC80 9AK8 PC86 4CM4PC88 4DL4PC900 4HA5PC95 4GK5PC97 4FY5 PCC186 7AU7 PCC189 7ES8 PCC805 7EK7 PCC84 7AN7 PCC85 9AQ8 PCC88 7DJ8 PCC89 7FC7 PCE800 9GB8 PCF200 8X9 PCF201 8U9 PCF80 9A8PCF800 9EN7 PCF801 8GJ7 PCF802 9JW8 PCF805 7GV7 PCF806 8GJ7 PCF82 9U8PCF86 8HG8 PCH200 9V9。
电子管代换及说明常用电压放大级即前级放大胆管代换表6N1ECC85,6AQ8,6H1л6N412AX7,ECC83,E83CC,7729,CV4004,B759,CV4926N10 12AU7,ECC82,E82CC,7316,CV4003,5814,B749,61896N11 6DJ8,E88CC,ECC88,6922,ECC189,6J5,6H11N,7308,El88CC6N8P 6SN7,B65,5692,33S30,CV1988,6H8C,6HM,6F8G,16336H8C 6HM,6F8G,1633,9002,6C8G6J8P 6SJ7,6267,EF86,12AT7ECC81,CV4024,6201,B739,A2900,2025,ECC80156N9P 6SL7,5691,33S29,VT2296F2ECF82,6U86N26H2л电子管代换及说明可以直接代用12AU7的型号有:ECC82,E82CC,ECC802S,B329,CV491,CV4003,CV8155,M8136,5814,6189,7730,6067,7730。
可以直接代用12AX7的管子有:ECC83,ECC803S,B339,E283CC,M8137,CV492,CV4004,CV8156,6057,7729。
7025,5751,7058,6N4。
前级管的选择:12AX7:品牌一:AMPEREX 『橙字』『地球嘜』品牌二:RCA 5751 『红字』『黑屏』『方环胆』『三云母』三:『黃字』『三雲母』『黑屏』『方環』『閃電嘜』SYLVANIA 5157。
12AU7:品牌一:AMPEREX『地球嘜』品牌二:MULLARD ecc826922:品牌一:西门子 CCA品牌二:AMPEREX 7308PHILIPS电子管大家族“买Philips电子管?不是真的吧,他们好像只是生产灯泡和光管,其音响用电子管的质素想必好不到哪里吧!”,“Philips电子管?他们根本没有生产音响用电子管,全部都是买别人家的出品回来印牌发售,又谈何Philips电子管的音色呢?”“Amperex电子管?Amperex只是一个商标,并无自己的出品,好像其吹喇叭系列电子管,都是买Philips电子管来印牌发售的”。