服务器性能计算公式
- 格式:docx
- 大小:60.73 KB
- 文档页数:14
服务器性能计算公式服务器性能计算公式1、确定业务需求在计算服务器性能之前,首先需要明确业务需求。
这包括对服务器响应时间、并发用户数、每秒请求数等指标的要求。
只有了解业务需求,才能正确地评估服务器的性能。
2、计算请求处理时间请求处理时间是服务器性能重要的指标之一。
可以通过以下公式计算一个请求到达服务器直到返回响应所花费的时间:请求处理时间 = 服务器响应时间 + 网络传输时间其中,服务器响应时间指服务器处理请求的时间,网络传输时间指请求从客户端发送到服务器以及从服务器返回到客户端的网络传输时间。
3、计算并发用户数根据业务需求和请求处理时间,可以计算出服务器能够同时处理的并发用户数。
假设一个请求处理时间为t,业务需求为N个并发用户,那么并发用户数C可以通过以下公式计算:C = N / t4、计算每秒请求数每秒请求数是服务器性能的另一个重要指标。
可以通过以下公式计算每秒请求数:每秒请求数 = C D其中,C是并发用户数,D是每个用户的平均请求次数。
根据具体业务需求和用户行为特点来确定D的值。
5、考虑其他因素除了上述计算服务器性能的基本公式,还需要考虑其他因素对服务器性能的影响。
例如,服务器的处理能力、存储容量、带宽等。
在计算服务器性能时,要综合考虑这些因素,并根据实际情况进行调整。
附件:本文档中涉及的附件包括从业务需求到性能计算的详细计算表格,以及实际案例的性能计算结果。
法律名词及注释:1、服务器性能:指服务器在处理请求和提供服务方面的能力和效率。
2、并发用户数:指同时访问服务器的用户数量。
3、请求处理时间:指一个请求从到达服务器到返回响应所花费的时间。
4、每秒请求数:指服务器每秒可以处理的请求数量。
5、带宽:指服务器和客户端之间数据传输的速率。
6、存储容量:指服务器可以存储的数据量。
服务器性能计算公式(二)引言概述:服务器性能计算公式(二)是关于如何评估服务器的性能表现的文档。
本文将介绍一个用于计算服务器性能的公式,并详细阐述该公式的五个关键大点。
通过阅读本文,读者将能够了解如何使用该公式来评估服务器的性能,并得出相应的结论。
正文:大点1:服务器处理能力- 服务器的处理能力是指服务器能够同时处理的请求数量。
- 可以通过计算服务器的每秒请求数量来评估其处理能力。
- 考虑到服务器响应时间和服务器的配置,可以使用以下公式来计算服务器的处理能力:处理能力 = 每秒请求数量 / 平均响应时间大点2:服务器带宽- 服务器带宽是指服务器网络连接的速度和容量。
- 可以通过计算服务器的网络上传和下载速度来评估其带宽性能。
- 考虑到所需的带宽和服务器的配置,可以使用以下公式来计算服务器的带宽性能:带宽性能 = 最大上传速度 + 最大下载速度大点3:服务器存储性能- 服务器存储性能是指服务器存储系统的读取和写入速度。
- 可以通过计算服务器的存储读取和写入速度来评估其存储性能。
- 考虑到所需的存储容量和服务器的配置,可以使用以下公式来计算服务器的存储性能:存储性能 = 存储读取速度 + 存储写入速度大点4:服务器内存性能- 服务器内存性能是指服务器内存系统的读取和写入速度。
- 可以通过计算服务器的内存读取和写入速度来评估其内存性能。
- 考虑到所需的内存容量和服务器的配置,可以使用以下公式来计算服务器的内存性能:内存性能 = 内存读取速度 + 内存写入速度大点5:服务器可靠性- 服务器可靠性是指服务器在长时间运行中的稳定性和可靠性。
- 可以通过计算服务器的可靠性指标(如平均无故障时间和平均恢复时间)来评估其可靠性。
- 考虑到所需的可靠性指标和服务器的配置,可以使用以下公式来计算服务器的可靠性:可靠性 = 1 - (平均无故障时间 / 平均恢复时间)总结:通过本文介绍的服务器性能计算公式,我们可以对服务器的处理能力、带宽、存储性能、内存性能和可靠性进行评估。
1.一技术建议书1.1.系统部署结构及软硬件配置1.1.1.设备部署方案常见的集团式部署方案有三种:●集中式部署:目录数据与原文均集中在总部服务器中;●分布式部署:目录数据与原文数据均分散在各个二级单位中存储,再由一套分布式全文检索系统将全集团数据提供统一门户、统一权限的检索;●混合式部署:目录数据集中存储在总部服务器中,电子文件存放在各个二级单位服务器中;XXXX根据本次项目需求与特点推举以纯B/S软件平台构成的集中式部署方案。
各种方案优点对比:1.1.2.硬件说明1.1.2.1. Hyper-V硬件需求安装并使用Hyper-V角色,需要满足以下条件:●一个基于64位的处理器。
Hyper-V仅在64位Windows Server 2008中可用——具体包括64位的Windows Server 2008标准版、Windows Server 2008企业版以及Windows Server 2008数据中心版。
Hyper-V在32位(x86)版本的或基于安腾系统版本的Windows Server 2008不可用。
虽然如此,Hyper-V 管理工具仍然提供32位版本。
●硬件辅助虚拟化。
这可用于包含了虚拟化选项的处理器——具体来说,包括拥有Intel VirtualizationTechnology(Intel VT)或AMD Virtualization(AMD-V)技术的处理器。
●硬件强制数据执行保护(DEP)必须可用并启动。
具体来说,必须启用Intel XD bit(execute disable bit)或AMD NX bit(no execute bit)。
●硬件辅助虚拟化以及硬件强制DEP在BIOS中设置。
虽然如此,设定的名称可能与以上有所不同。
了解特定的处理器型号是否支持Hyper-V,请与计算机制造商进行联系。
如果调整了硬件辅助虚拟化和硬件强制DEP的设定,可能需要断开计算机电源,并重新开机。
如何对服务器性能计算的公式参考服务器性能计算的公式参考(TPC-TPM_C)TPM_C即每分钟处理的事务数,可以通过以下公式计算:TPM_C = (New Order Transactions + Order Status Transactions+ Payment Transactions + Delivery Transactions + Stock Level Transactions) / Benchmark Time(minutes)其中,Benchmark Time代表用于性能基准测试的时间长度(通常为10分钟)。
在这个公式中,不同类型的事务被计算在内,以反映服务器在不同负载和使用情境下的性能。
下面解释每个事务类型的含义:1. New Order Transactions(新订单事务):模拟生成新订单、检查库存、更新订单状态、计算订单总价、更新库存等操作的事务。
2. Order Status Transactions(订单状态事务):模拟查询订单状态的事务。
3. Payment Transactions(支付事务):模拟付款操作的事务。
4. Delivery Transactions(交付事务):模拟交货操作的事务。
5. Stock Level Transactions(库存水平事务):模拟查询库存水平的事务。
这些事务类型的权重通常是固定的,例如:新订单事务的权重为45%,订单状态事务的权重为5%,支付事务的权重为43%,交付事务的权重为4%,库存水平事务的权重为3%。
要计算服务器的性能1. 设置基准时间(Benchmark Time),通常为10分钟。
2.执行TPC基准测试,模拟不同类型的事务以评估服务器的性能。
3.计算每种事务类型的执行次数,包括新订单事务、订单状态事务、支付事务、交付事务和库存水平事务。
4.根据每种事务类型的权重计算每种事务类型的总得分。
5.将总得分除以基准时间(单位:分钟),得到每分钟处理的事务数(TPM_C)。
服务器性能计算公式服务器性能计算公式==================⒈引言⒉本文档适用于各种类型的服务器,包括物理服务器和虚拟机。
⒉性能指标⒈CPU- 计算服务器所需的CPU核心数量⒉内存- 计算服务器所需的内存容量⒊存储- 计算服务器所需的存储空间容量⒋网络带宽- 计算服务器所需的网络带宽容量⒌并发连接- 计算服务器所需的并发连接数量⒊CPU性能计算⒈根据预估的负载和每个任务的CPU消耗来确定所需的CPU 核心数量。
⒉使用以下公式计算CPU核心数量:```CPU核心数量 = (总CPU时间 / 目标响应时间) 并发请求数```⒊其中,总CPU时间是在给定时间内所有任务所需的CPU时间总和,目标响应时间是服务器对每个请求的期望响应时间,而并发请求数是在给定时间内同时处理的请求数量。
⒋内存性能计算⒈根据预估的负载和每个任务的内存消耗来确定所需的内存容量。
⒉使用以下公式计算内存容量:```内存容量 = 最大任务内存消耗并发请求数 ```⒊其中,最大任务内存消耗是在给定时间内所有任务中所需的最大内存消耗。
⒌存储性能计算⒈根据预估的负载和每个任务对存储空间的需求来确定所需的存储容量。
⒉使用以下公式计算存储空间容量:```存储空间容量 = 总数据量 + 额外的冗余存储空间 ```⒊其中,总数据量是在给定时间内所有任务产生的数据总量,额外的冗余存储空间是为了容错和备份而需额外分配的存储空间。
⒍网络带宽性能计算⒈根据预估的负载和每个请求对网络带宽的需求来确定所需的网络带宽容量。
⒉使用以下公式计算网络带宽容量:```网络带宽容量 = 平均传输速度并发请求数```⒊其中,平均传输速度是服务器每秒传输的平均数据量。
⒎并发连接性能计算⒈根据预估的负载和每个连接对服务器并发连接的需求来确定所需的并发连接数量。
⒉使用以下公式计算并发连接数量:```并发连接数量 = 平均连接时间 / 目标响应时间 ```⒊其中,平均连接时间是一个连接从建立到断开所需的平均时间。
一.系统吞吐量要素:一个系统的吞吐量(承压能力)与request对CPU的消耗、外部接口、IO等等紧密关联。
单个request 对CPU消耗越高,外部系统接口、IO速度越慢,系统吞吐能力越低,反之越高。
系统吞吐量几个重要参数:QPS(TPS)、并发数、响应时间QPS(TPS):(Query Per Second)每秒钟request/事务数量并发数:系统同时处理的request/事务数响应时间:一般取平均响应时间(很多人经常会把并发数和TPS理解混淆)理解了上面三个要素的意义之后,就能推算出它们之间的关系:QPS(TPS)= 并发数/平均响应时间或者并发数 = QPS*平均响应时间TPS获取新系统:没有历史数据作参考,只能通过业务部门进行评估。
旧系统:对于已经上线的系统,可以选取高峰时刻,在5分钟或10分钟内,获取系统每笔交易的业务量和总业务量,按照单位时间内完成的笔数计算出TPS,即业务笔数/单位时间(5*60或10*60)例子:一个典型的上班签到系统,早上8点上班,7点半到8点的30分钟的时间里用户会登录签到系统进行签到。
公司员工为1000人,平均每个员上登录签到系统的时长为5分钟。
可以用下面的方法计算。
QPS = 1000/(30*60) (事务/秒)平均响应时间为 = 5*60 (秒)并发数= QPS*平均响应时间 = 1000/(30*60) *(5*60)=166.7一个系统吞吐量通常由QPS(TPS)、并发数两个因素决定,每套系统这两个值都有一个相对极限值,在应用场景访问压力下,只要某一项达到系统最高值,系统的吞吐量就上不去了,如果压力继续增大,系统的吞吐量反而会下降,原因是系统超负荷工作,上下文切换、内存等等其它消耗导致系统性能下降。
决定系统响应时间要素我们做项目要排计划,可以多人同时并发做多项任务,也可以一个人或者多个人串行工作,始终会有一条关键路径,这条路径就是项目的工期。
系统一次调用的响应时间跟项目计划一样,也有一条关键路径,这个关键路径是就是系统影响时间;关键路径是有CPU运算、IO、外部系统响应等等组成。
服务器性能计算方法1.处理能力计算:处理能力是指服务器在单位时间内能够处理的任务数量或数据量。
通常可以用请求/秒(RPS)或每秒数据传输率(TPS)来衡量。
计算服务器的处理能力需要考虑到服务器的处理器速度、核心数、架构、缓存大小等因素。
处理能力计算公式:处理能力=单位时间内处理的任务数量2. 带宽计算:服务器的带宽是指服务器与外部网络之间的数据传输速度。
带宽通常以每秒传输的数据量(bps、Kbps、Mbps、Gbps)来计算。
计算服务器的带宽需要考虑到服务器的网络接口(NIC)速度、网络传输协议、网络拓扑结构等因素。
带宽计算公式:带宽=每秒传输的数据量3. 响应时间计算:服务器的响应时间是指服务器在接收到请求后,完成处理并返回响应的时间。
响应时间通常以毫秒(ms)为单位。
计算服务器的响应时间需要考虑到服务器的处理能力、网络延迟、数据库查询时间等因素。
响应时间计算公式:响应时间=请求完成时间-请求开始时间4.资源利用率计算:服务器的资源利用率是指服务器在运行过程中,各种资源(CPU、内存、存储等)的利用情况。
资源利用率通常以百分比来计算。
计算服务器的资源利用率需要考虑到服务器的资源容量和实际使用量。
资源利用率计算公式:资源利用率=实际使用量/资源容量*100%5.可用性计算:服务器的可用性是指服务器在给定的时间段内能够正常运行的时间比例。
可用性通常以百分比(%)来计算。
计算服务器的可用性需要考虑到服务器的硬件可靠性、冗余配置、故障恢复时间等因素。
可用性计算公式:可用性=正常运行时间/总时间*100%以上仅是一些常用的服务器性能计算方法,实际计算过程中还需要根据具体情况选择合适的指标和计算方式。
可以通过性能测试工具和监控系统来收集服务器性能数据,并进行分析和评估,以提升服务器的性能和可靠性。
服务器性能计算公式服务器性能计算公式一、计算服务器性能所需的参数1.CPU性能指标CPU主频(MHz/GHz):指CPU的时钟频率,表示CPU每秒钟能够执行多少条指令。
CPU核心数:表示CPU中有多少个独立的处理单元。
每核心线程数:表示每个CPU核心可以同时执行的线程数。
CPU架构:指CPU的基本结构和设计。
Cache缓存大小(MB):表示CPU内部的缓存容量,主要分为L1、L2和L3三级缓存。
CPU使用率:表示CPU在某个时间段内实际被使用的时间与总时间的比例。
2.内存性能指标内存大小(GB):表示服务器上的内存容量。
内存频率(MHz):指内存的时钟频率,表示内存每秒钟能够传输的数据量。
内存带宽(GB/s):指内存传输数据的速率,表示每秒钟可以传输的数据量。
3.磁盘性能指标磁盘类型:包括机械硬盘(HDD)和固态硬盘(SSD)两种。
磁盘容量(GB):表示磁盘的存储空间大小。
磁盘读取速度(MB/s):指磁盘读取数据的速率。
磁盘写入速度(MB/s):指磁盘写入数据的速率。
二、计算服务器性能的公式1.计算CPU性能CPU性能 = CPU主频 CPU核心数每核心线程数 (1 ●CPU使用率)例如:CPU主频为2.5GHz,核心数为8,每核心线程数为2,CPU使用率为80%则 CPU性能 = 2.5GHz 8 2 (1 ●0.8) = 4GHz2.计算内存性能内存性能 = 内存大小内存频率内存带宽例如:内存大小为32GB,内存频率为2666MHz,内存带宽为21.3GB/s则内存性能 = 32GB 2666MHz 21.3GB/s = 181.17T3.计算磁盘性能磁盘性能 = 磁盘读取速度 + 磁盘写入速度例如:磁盘读取速度为240MB/s,磁盘写入速度为160MB/s 则磁盘性能 = 240MB/s + 160MB/s = 400MB/s三、附件本文档涉及的附件包括:1.原始数据采集表格:用于记录服务器性能参数的原始数据。
数据中心算力计算公式
数据中心算力计算公式为:数据中心算力(P) = 服务器数量(N)× 每台服务器计算能力(C)× 运行时间(T)。
其中,服务器数量、每台服务器
计算能力以及运行时间都是影响数据中心算力的关键因素。
另外,热效率公式也可以用于计算数据中心算力:热效率 = 服务器数量×
热量产生率÷ 冷却能力。
其中,热量产生率指服务器在运行时产生的热量,冷却能力指数据中心的冷却能力。
在考虑如何计算数据中心算力时,还要考虑其他因素,如能源消耗、网络能力和存储能力等。
这些因素会影响数据中心的总体性能和效率。
因此,在实际应用中,计算数据中心的算力需要综合考虑各种因素,采用适当的模型和方法进行评估和预测。
同时,为了提高数据中心的算力,需要从多个方面入手,如提升服务器性能、优化算法和系统架构、加强散热和能源管理等方面进行改进和升级。
2000用户服务器要求计算公式服务器要求计算公式为标题的文章服务器是一种用于存储、管理和处理数据的计算机设备。
在使用服务器时,我们经常会遇到需要进行计算的情况。
为了满足这些计算需求,服务器通常会要求使用特定的计算公式。
在本文中,我们将讨论一个服务器要求的计算公式。
这个计算公式的具体内容可能因服务器的用途和配置而有所不同,但我们可以通过以下的例子来理解这个概念。
假设我们有一个用于处理用户数据的服务器,该服务器上有2000个用户。
服务器要求计算公式为:每个用户的数据大小乘以用户的访问频率再除以服务器的处理能力。
这个计算公式的目的是根据用户的数据大小和访问频率来评估服务器的处理能力是否足够。
我们需要知道每个用户的数据大小。
这可以通过统计每个用户的数据量来获得。
然后,我们需要了解用户的访问频率,也就是每个用户每天访问服务器的次数。
最后,我们需要知道服务器的处理能力,通常以每秒处理的请求数来衡量。
假设每个用户的数据大小平均为100MB,用户的访问频率平均为10次/天,服务器的处理能力为1000个请求/秒。
我们可以使用上述的计算公式来评估服务器的处理能力。
计算每个用户的数据大小乘以用户的访问频率:100MB * 10次/天= 1000MB/天。
然后,将这个结果除以服务器的处理能力:1000MB/天 / 1000个请求/秒 = 1MB/秒。
通过这个计算公式,我们可以得出结论:在这个例子中,服务器的处理能力足够,每秒可以处理1MB的数据。
当然,这个计算公式只是一个简单的示例。
在实际情况中,服务器的要求计算公式可能更加复杂,涉及更多的因素和变量。
例如,可能还需要考虑服务器的存储容量、网络带宽等因素。
为了满足服务器的要求,我们可以采取一些措施。
首先,我们可以优化服务器的配置,增加处理能力和存储容量。
其次,我们可以优化用户数据的处理方式,减少数据的大小或者优化访问频率。
总结一下,服务器要求计算公式为标题是指在使用服务器时,为了评估服务器的处理能力是否足够,我们需要根据特定的计算公式来进行计算。
qps tps计算公式
一、概述
QPS(QueriesPerSecond)和TPS(TransactionsPerSecond)是衡量计算机系统或网络服务性能的重要指标。
它们分别代表每秒查询数和每秒事务处理数,用于评估系统的处理能力、响应速度和可靠性。
本文档将介绍QPS和TPS的计算公式。
二、QPS计算公式
QPS的计算公式为:QPS=处理的请求数/秒/服务器时间。
其中,处理的请求数是指一秒钟内系统接收到的请求总数;服务器时间是指服务器在一秒钟内的时间长度。
这个公式考虑了服务器的实际运行时间,可以反映系统的真实处理能力。
TPS的计算公式为:TPS=(处理的事务数/秒)*事务的复杂度。
其中,处理的事务数是系统在一秒钟内完成的所有业务操作;事务的复杂度是指每个事务的复杂程度,如是否涉及到数据库查询、网络通信等。
这个公式考虑了系统处理事务的能力,可以反映系统的性能瓶颈。
四、应用场景
QPS和TPS的计算公式在各种应用场景中都有广泛的应用,例如:
1.网站性能测试:用于评估网站在不同负载下的性能表现,找出性能瓶颈并进行优化。
2.服务器性能评估:用于评估服务器的真实处理能力,以便合理分配资源。
3.系统集成和开发:用于评估系统之间的通信效率和数据传输性能。
4.软件开发和调试:用于测试和优化软件代码的性能,找出瓶颈并进行优化。
五、总结
QPS和TPS是衡量计算机系统或网络服务性能的重要指标,通过计算公式可以评估系统的处理能力、响应速度和可靠性。
在各种应用场景中,QPS和TPS的计算公式都有广泛的应用,可以帮助我们更好地了解系统的性能表现并进行优化。
运维年度考核指标表计算公式运维年度考核指标表是衡量运维工作绩效的重要工具,通过定量指标衡量运维工作的完成情况和质量。
下面以四个方面的指标来说明计算公式的相关参考内容。
1. 服务器可用性指标服务器可用性是指服务器在一段时间内持续可用的概率,是运维工作中重要的指标之一。
计算服务器可用性可以使用以下公式:服务器可用性 = (服务器运行时间 - 停机时间) / 服务器运行时间 * 100%其中,服务器运行时间是指服务器在一段时间内的总运行时间,停机时间是指服务器在这段时间内发生故障或维护导致不可用的时间。
该指标越高,说明服务器的可用性越高。
2. 故障处理及时性指标故障处理及时性是评估运维团队对故障响应和处理的效率的指标。
计算故障处理及时性可以使用以下公式:故障处理及时性 = (故障处理及时完成的次数 / 总故障次数) * 100%其中,故障处理及时完成的次数是指故障在规定时间内得到完成的次数,总故障次数是指一段时间内发生的总故障次数。
高的故障处理及时性意味着运维团队对故障的处理速度快。
3. 工单处理效率指标工单处理效率是评估运维团队对各种工单的处理速度和准确性的指标。
计算工单处理效率可以使用以下公式:工单处理效率 = (工单处理完成的数量 / 工单总数量) * 100%其中,工单处理完成的数量是指一段时间内成功处理的工单数量,工单总数量是指一段时间内所有提交的工单数量。
高的工单处理效率意味着运维团队能够快速高效地处理工单。
4. 应急响应效率指标应急响应效率是评估运维团队对各种应急事件的响应速度和解决效果的指标。
计算应急响应效率可以使用以下公式:应急响应效率 = (应急事件解决的数量 / 应急事件总数量) * 100%其中,应急事件解决的数量是指一段时间内成功解决的应急事件数量,应急事件总数量是指一段时间内发生的所有应急事件数量。
高的应急响应效率意味着运维团队能够快速响应和处理应急事件。
综上所述,以上列举的是运维年度考核指标表中四个常用的指标以及其相关的计算公式。
服务器阀值计算公式(二)服务器阀值计算公式在运维领域中,服务器的性能监控是至关重要的任务之一。
服务器阀值计算公式是用于预测和确定服务器资源使用的计算公式。
根据服务器的配置和应用程序的需求,可以通过以下几个公式来计算服务器的阀值:CPU 阀值计算公式CPU 是服务器中最重要的组件之一,对服务器性能有重要影响。
计算 CPU 阀值的常见公式包括:CPU 使用率CPU 使用率可以通过以下公式计算:CPU 使用率 = (空闲 CPU 时间 / 总 CPU 时间) * 100%其中,空闲 CPU 时间是指 CPU 在某个时间段内没有运行任何任务的时间,总 CPU 时间是指某个时间段内 CPU 运行的总时间。
CPU 负载CPU 负载指的是 CPU 正在处理的任务队列的长度。
可以通过以下公式计算 CPU 负载:CPU 负载 = CPU 任务队列长度 / CPU 核数其中,CPU 任务队列长度是指正在等待 CPU 处理的任务数量,CPU 核数是指服务器上的 CPU 核心数量。
内存阀值计算公式内存是服务器中的另一个重要组件,也需要计算阀值来监控和优化性能。
以下是常见的内存阀值计算公式:内存利用率内存利用率可以通过以下公式计算:内存利用率 = (已使用内存 / 总内存) * 100%其中,已使用内存是指服务器中正在被应用程序使用的内存大小,总内存是指服务器上的总内存大小。
内存交换内存交换是指服务器中发生的物理内存不足时,将内存中的部分数据写入硬盘的过程。
可以通过以下公式计算内存交换阀值:内存交换阀值 = 已使用交换空间 / 总交换空间其中,已使用交换空间是指当前已经使用的交换空间大小,总交换空间是指服务器上可用的交换空间大小。
网络阀值计算公式网络也是服务器性能监控中重要的组成部分,以下是常见的网络阀值计算公式:带宽利用率带宽利用率可以通过以下公式计算:带宽利用率 = (已使用带宽 / 总带宽) * 100%其中,已使用带宽是指服务器正在使用的网络带宽,总带宽是指服务器所拥有的总带宽。
服务器性能计算公式服务器性能计算公式:在设计和规划服务器架构时,计算服务器的性能是非常重要的。
通过合理的性能计算,可以确保服务器能够满足用户的需求,并能够提供稳定可靠的服务。
下面是一些常用的服务器性能计算公式供参考:1·响应时间计算公式:响应时间是指服务器处理用户请求所需要的时间。
可以通过以下公式来计算服务器的响应时间:响应时间 = 服务器处理时间 + 网络传输时间其中,服务器处理时间是指服务器执行请求所需的时间,网络传输时间是指请求从客户端发送到服务器并返回的时间。
2·吞吐量计算公式:吞吐量是指在一定时间内服务器处理的请求数量。
可以通过以下公式来计算服务器的吞吐量:吞吐量 = 请求总数 / 总时间其中,请求总数是指在总时间内服务器所处理的请求数量,总时间是指服务器在一定时间内的运行时间。
3·并发连接数计算公式:并发连接数是指同时连接到服务器的用户数量。
可以通过以下公式来计算服务器的并发连接数:并发连接数 = (每秒请求数平均请求处理时间)/ 服务时间其中,每秒请求数是指用户每秒钟发送给服务器的请求数量,平均请求处理时间是指服务器处理单个请求的平均时间,服务时间是指服务器运行的总时间。
4·CPU利用率计算公式:CPU利用率是指CPU在一定时间内的平均负载程度。
可以通过以下公式来计算服务器的CPU利用率:CPU利用率 = (服务器的CPU时间●空闲CPU时间)/ 服务器的CPU时间 100%其中,服务器的CPU时间是指服务器在一定时间内的总CPU时间,空闲CPU时间是指服务器在同一时间内的空闲CPU时间。
5·内存利用率计算公式:内存利用率是指服务器内存的使用情况。
可以通过以下公式来计算服务器的内存利用率:内存利用率 = (已使用内存大小 / 总内存大小) 100%其中,已使用内存大小是指服务器已使用的内存大小,总内存大小是指服务器的总内存大小。
附:本文涉及的法律名词及注释:1·性能计算公式:指用来计算服务器性能的数学公式。
服务器性能计算公式(一)引言概述:服务器性能计算公式对于服务器的评估和性能优化至关重要。
通过精确测量服务器的性能指标,我们可以确定服务器在承载工作负载时的能力,并根据需要进行调整和优化。
本文将介绍服务器性能计算公式的基本原理和常用的指标,以帮助读者更好地理解和应用。
正文:1. CPU性能指标- 主频:计算服务器每秒钟执行的指令数量,通常以 GHz 为单位。
- 核心数:表示服务器可以并行执行的任务数量。
- 缓存大小:用于存储和快速访问重要数据的高速缓存大小。
2. 内存性能指标- 容量:表示服务器可以存储的数据量。
- 带宽:指示服务器在一段时间内传输数据的速度。
- 响应时间:衡量内存访问延迟的指标。
3. 存储性能指标- 磁盘容量:表示服务器上可用的存储空间。
- 读写速度:指示服务器从磁盘读取或写入数据的速度。
- 随机访问时间:衡量存储设备响应读取请求的速度。
4. 网络性能指标- 带宽:指示服务器在一段时间内传输数据的速度。
- 延迟:衡量数据从服务器发送到接收方所需的时间。
- 丢包率:表示在数据传输过程中丢失的数据包的比例。
5. 软件性能指标- 进程/线程并发数:表示服务器可以同时处理的进程/线程数量。
- 响应时间:衡量服务器响应用户请求的速度。
- 故障率:表示服务器在特定时间段内出现故障的频率。
总结:通过了解和应用服务器性能计算公式,我们可以全面评估服务器的性能并根据需要进行优化。
CPU、内存、存储、网络和软件等方面的性能指标都对服务器的性能发挥重要作用。
通过综合考虑这些指标,我们可以判断服务器是否满足工作负载需求,并制定合适的优化策略。
这些性能计算公式为企业提供了重要的参考依据,帮助他们提高服务器的性能和效率。
功能系数的计算公式功能系数是指用于衡量一个系统、设备或组件的性能或效能的一个指标。
它通常是一个数值,表示系统在特定条件下的性能水平。
功能系数的计算公式是根据系统的特性和需求而确定的,不同的系统有不同的计算方法。
在计算功能系数时,首先需要明确系统的功能和性能要求。
然后根据这些要求,确定适合的计算公式。
计算公式通常包括系统的输入和输出量,以及与系统功能相关的其他因素。
这些因素可以是系统的处理能力、响应时间、可靠性等。
以一个网络服务器为例,可以通过以下公式计算功能系数:功能系数 = (每秒处理的请求数 / 平均响应时间) * 可用性其中,每秒处理的请求数表示服务器每秒能够处理的请求数量,平均响应时间表示服务器平均处理一个请求所需的时间,可用性表示服务器在给定时间内可用的百分比。
通过这个功能系数的计算公式,我们可以评估服务器的性能。
如果功能系数越高,表示服务器的性能越好,能够更快地处理请求,并且具有更高的可用性。
功能系数的计算方法可以根据具体的应用场景和需求进行调整。
例如,在评估一个电子产品的功能系数时,可以考虑产品的各项功能是否完备,使用是否便捷,以及产品的稳定性和安全性等因素。
根据不同的需求,可以设计出适合的计算公式来评估产品的功能系数。
功能系数的计算不仅可以用于评估系统的性能,还可以用于优化系统的设计。
通过计算功能系数,可以确定系统的瓶颈和不足之处,从而采取相应的措施进行改进。
例如,如果某个系统的功能系数较低,可以通过提升系统的处理能力、优化算法、增加硬件设备等方式来提高系统的性能。
除了用于评估和优化系统性能外,功能系数还可以用于比较不同系统之间的性能差异。
通过计算功能系数,可以对比不同系统在相同条件下的性能表现,并选择性能最优的系统。
这对于用户来说是非常有价值的,可以帮助他们做出更明智的选择。
功能系数是一种用于衡量系统性能的重要指标。
通过合适的计算公式,可以准确地评估系统的功能和性能,优化系统设计,并进行系统间的性能比较。
1.技术建议书1.1.系统部署结构及软硬件配置1.1.1.设备部署方案常见的集团式部署方案有三种:集中式部署:目录数据与原文均集中在总部服务器中;分布式部署:目录数据与原文数据均分散在各个二级单位中存储, 统将全集团数据再由一套分布式全文检索系提供统一门户、统一权限的检索;混合式部署:目录数据集中存储在总部服务器中,电子文件存放在各个二级单位服务器中;XXXX根据本次项目需求与特点推举以纯B/S软件平台构成的集中式部署方案。
各种方案优点对比:1.1.2.硬件说明 1.121. Hyper-V 硬件需求安装并使用Hyper-V 角色,需要满足以下条件一个基于64位的处理器。
Hyper-V 仅在64位Windows Server 2008 中可用 ----------------- 具体包括 64位的Windows Server 2008 标准版、Windows Server 2008 企业版以及 Windows Server 2008 数据中心版。
Hyper-V 在32位(x86)版本的或基于安腾系统版本的 Windows Server 2008 不可用。
虽然如此,Hyper-V 管理工具仍然提供 32位版本。
硬件辅助虚拟化。
这可用于包含了虚拟化选项的处理器一一具体来说,包括拥有In tel(Intel VT )或 AMD Virtualization (AMD-V 技术的处理器。
硬件强制数据执行保护 (DEP 必须可用并启动。
具体来说,必须启用In tel XDbit ( execute disablebit )或 AMD NX bit (no execute bit )。
硬件辅助虚拟化以及硬件强制 DEP 在 BIOS 中设置。
虽然如此,设定的名称可能与以上有所不同。
了解特定的处理器型号是否支持Hyper-V ,请与计算机制造商进行联系。
如果调整了硬件辅助虚拟化和硬件强制 DEP 的设定,可能需要断开计算机电源,并重新开机。
简单的重新启动可能无法使设 置生效。
1.1.2.1.1.内存可以使用的最大内存数量由操作系统来决定。
具体如下:对于 Windows Server 2008 企业版和 Windows Server 2008 数据中心版来说,物理计算机可以配置最多1 TB 物理内存,运行这些版本操作系统的虚拟机可以为每台虚拟机分配Server 2008标准版来说,物理计算机可以配置最多32 GB 物理内存,运行这些版本做系统的虚拟机可以为每台虚拟机分配 31 GB 内存。
Virtualizati on Tech no logy 64 GB 内存。
对于 Windows1.1.2.1.2.处理器拥有最多16个逻辑处理器的物理计算机可以支持Hyper-V 。
逻辑处理器可以是一个核心处理器或者使用超线程技术的处理器。
可以为一个虚拟机配置最多四个虚拟处理器。
虽然如此,一个客户操作系 统可以支持的虚拟处理器数量可能更少。
以下列表是受支持的系统以及其提供的逻辑处理器数量的示例:1.1.2.1.3.网络Hyper-V 提供了以下网络支持:每个虚拟机可以配置最多 12个虚拟网络适配器,8个可以被配置为网络适配器类型, 4个可以配置为老式网络适配器类型。
网络适配器类型可以提供更好的性能, 并需要一个虚拟机驱动程序,该驱动程序包含在了集成的服务包之中。
道。
可以创建无限数量的虚拟网络,对应无限数量的虚拟机的虚拟网络。
1.1.2.1.4. 存储Hyper-V 支持多种存储选项。
可以为运行Hyper-V 的服务器提供下列类型的物理存储:—SATA 、外部串行进阶技术连接( external Serial Adva need Techno logy Attachme nt 并行高级技术连接(P arallel Adva need Tech nology Attachme ntSAN :可以使用 In ternet SCSI (iSCSI 、、光纤通道(Fibre Channel 、及 SAS 技术。
网络连接存储。
可以配置虚拟机来使用以下类型的虚拟存储。
虚拟硬盘支持最大2040 GB 。
可以使用固定大小的虚拟硬盘、动态扩张的虚拟硬盘以及差异磁一个单处理器 双核系统提供两个逻辑处理器。
一个单处理器 四核系统提供四个逻辑处理器。
一个双处理器 双核系统提供四个逻辑处理器。
一个双处理器 四核系统提供八个逻辑处理器。
一个四处理器 双核系统提供八个逻辑处理器。
一个四处理器 双核、超线程系统提供十六个逻辑处理器。
一个四处理器四核系统提供十六个逻辑处理器。
每个虚拟网络适配器可以配置使用静态或动态 MAC 地 址。
每个虚拟网络适配器提供集成的虚拟本地网络(VLAN 支持,并可以分配一个唯一的VLAN 通直接连接的存储:可以使用串行进阶技术连接(Serial Adva need Tech no logy Attachme nteSATA 、Attached SCSISAS 、SCSI 、USB 及火线连接。
PATA 、串行连接 SCSI (Serial存储区网络(Storage area network盘。
虚拟IDE设备。
每个虚拟机支持最多4个虚拟IDE设备。
启动盘(有时也称为引导盘)必须连接到其中一个IDE设备商。
启动盘可以是一个虚拟硬盘也可以是一个物理硬盘。
虚拟SCSI设备。
每个虚拟机最多支持4个虚拟SCSI控制器,每个虚拟控制器支持最多64个磁盘。
也就是说,每个虚拟机可以配置为支持256个虚拟SCSI磁盘。
物理磁盘。
直接连接在虚拟机上的物理磁盘(有时也称为穿透磁盘)在客户操作系统所支持的范围内没有容量限制。
虚拟机存储能力。
使用虚拟硬盘,每个虚拟机可以支持最大512 TB的存储容量。
使用物理磁盘,这一数量可以根据客户操作系统所支持的容量变得更大。
虚拟机快照。
Hyper-V对每个虚拟机支持最多50个快照。
1.1.2.1.5. DVD S 区动器一个虚拟机在创建的时候便缺省拥有一个虚拟DVD驱动器。
虚拟机可以配置最多3个DVD驱动器,连接到IDE控制器上。
(虚拟机最多支持4个IDE设备,但其中一个必须作为启动盘)一个虚拟DVD驱动器可以访问.iso文件或物理介质的CD和DVD虽然如此,在同一时间只有一个虚拟机可以配置访问物理CD/DVD驱动器。
1.1.2.1.6. 硬件的要求根据Hyper-V虚拟服务器部署的要求,目前XXX现有的利旧HPDL580G5服务器,可满足Hyper-V安装的需求,该服务器的硬件配置可满足数字档案管理系统部署的需要,并且该服务器支持Microsoft Win dows Server 2008 Hyp er-V 。
如果服务器在实际部署应用中不足时,建议购置HP DL580G5同等配置的或者高于HP DL580G5配置的服务器。
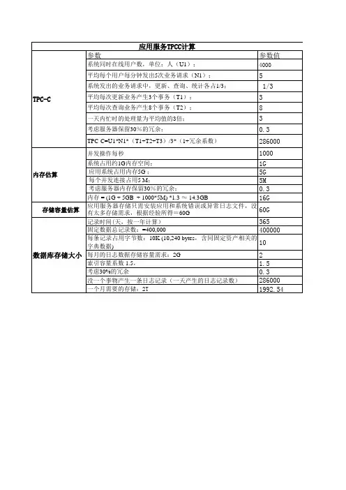
1.1.2.2.计算方法和依据应用服务器从处理能力上来讲,最重要的指标是业务处理过程中所需要的并行处理能力, 这一指标通常都是通过衡量主机的TPMC直取得;其它对主机硬件性能上的需求还包括内存大小,以及对外连接的数据线路带宽。
在计算主机所需要的TPMC硬盘及带宽时,直接影响这些计算结果的因素包括:用户的业务模型(也可以用一定收敛比来表示)、所开展的业务种类、所开展业务的并行应用需求;在组网设备上,一般根据带宽及所需要的网络接口及数量来选取网络设备。
以及所选设备应支持微软Microsoft Win dows Server 2008 Hyp er-V 虚拟化。
我们设定企业用户数为8000人,平均每个人员每月登录应用服务器的次数为110次,每个管理员每月平均登录30次。
忙时并发用户不超过100 人。
预计业务模型参数如下表所示:参数名称数量单位/60 / /网 每月使用业务数:用户数X 个人用户月使用次数=8000X 110 = 880000 次。
量10K以及应用服务器与客户侧业务系统之间的通讯流量带宽=(42240*10/3600*50K*8bit) / 0.41.1.2.3.4.硬盘容量WEB容器的日志40K。
=115 Mbps。
用户操作产生的日志:用户每次操作产生日志文件大小为 10K每年用户产生的日志文件大小=所有使用用户数*用户每次操作产生日志文件大小 *用户每月登录次数*每次登录操作数*12个月=8000*10*110*10*12 =1000G 。
即每月产生:1000/12=84G,每三月备份一次应用服务器 WEB 容器日志84*3=252G 系统产生的日志 系统运行每天产生 5M 的日志文件 系统每年产生的日志文件大小=5*30*12 = 1800M = 1.7G 配置选型结果: 硬盘:256G*4 1.124.数据库服务器 1.1.2.4.1. CPU生能 用户应用服务器要求的 TPCC=单位用户数忙时每分钟登录次数X 每用户每次登录操作数 /60 (分钟/小时)X 平均每用户每操作消耗 2 个 TPMC= (42240*10/60)*2 = 14080TPMC 30%的冗余,则主机 TPCC 要求 14080/(1-30%) = 20114TPMC 管理服务要求的TPCC=管理员忙时每分钟峰值登录次数X 管理员每次登录操作数 /60 (分钟/ 小时)X 平均每操作消耗 2个TPM & 576*2.9/60*2 = 56 考虑30%的冗余,则主机 TPCC 要求56/(1-30%) = 80 TPMC 应用服务器 TPCC 要求=20114+80=20194TPMC 本次配置HP ProLiant DL580 G5 (2个CPU 可满足性能需求 1.1.2.4.2. 内存大小 内存取CPU 个数的4倍,即8G. 1.1.2.4.3. 带宽计算应用带宽要求=忙时峰值登录次数 *每次登录操作数/3600 X 每次操作应用服务器产生流量 /网 络使用效率; 每用户每次操作应用服务器产生流量平均为 10KB;带宽=(42240*10/3600*10K*8bit) / 0.4=23 Mbps 1.1.2.4.4.硬盘容量系统产生的日志系统运行每天产生10M的日志文件系统每年产生的日志文件大小=10*30*12 =3.6G=80*1.5*365=43G 。
=65*2.5*365=58G 。
=90*365=32G 。
系统需要保存数据的时间长度:按照档案法规定,分为“永久” 档案类型较多,档案数据有文档、图片、视频等数量比较大,也为系统应用和数据存储的长远发展考虑,建议数据存储容量大于10TBo 1.1.2.6.网络设备 综上网络带宽为:115+23+23+23=184Mb ps推荐的网络设备:Cisco 3825 路由器、Cisco WS-C3560G-24TS-S 交换机、Cisco ASA5520-K8 防火 墙均满足带宽要求。