三相电路实验报告
- 格式:doc
- 大小:249.50 KB
- 文档页数:4
三相交流电路实验报告答:本次实验分为在线模拟和现场实践两部分。
在线模拟部分主要是通过电路模拟软件进行模拟操作,现场实践部分则需要使用实验设备进行实际操作。
具体实验内容如下:1.在线模拟部分1) 打开电路模拟软件,选择三相电路实验模块。
2) 根据实验要求,进行星形连接和三角形连接的负载接法操作,观察电路参数的变化,记录实验结果。
2.现场实践部分1) 按照实验要求,连接灯箱和交流电压表、交流电流表。
2) 进行星形连接和三角形连接的负载接法操作,调节电路参数,记录实验结果。
五、实验结果与分析答:根据实验数据和记录,可以得出以下结论:1.在三相电路中,负载的连接分为星形连接和三角形连接两种。
2.在对称三相电路中,线、相电压和线、相电流都对称,中线电流等于零。
3.在不对称三相电路中,负载端各相电压将不对称,电流和线电压也不对称。
4.三相负载接线原则是连接后加在每相负载上的电压应等于其额定值。
六、实验总结答:通过本次实验,我了解了三相交流电路中负载的星形接法和三角形接法,以及三相负载接线原则。
同时,我也掌握了在线模拟和现场实践的实验方法和技巧,提高了实验操作能力。
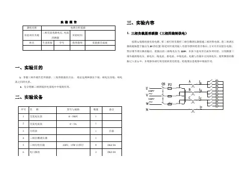
本实验采用线电压为220V的三相交流电源。
首先测量该电源的线电压和相电压,并记录在表1中。
接着,按照图1接线,每相开3盏灯,测各线电压、各相电压、各相电流、两中点间电压UOO',记录在表1中。
接下来,重复步骤2,但将各相灯数分别改为1、2、3盏,观察灯泡亮度有无变化,并记录在表1中。
再次重复步骤4,但去掉中线,每相开3盏灯,测各线电压、各相电压(每相负载上的电压)、各相电流、UOO',记于表1中。
最后,重复步骤5,但将各相灯数分别改为1、2、3盏,观察灯泡亮度有无变化,并记录在表1中。
从表1中可以看出,对于负载对称星形连接有无中线对电路无影响,此时中线可以去掉。
无中线时,对于负载对称连接与有中线情况相同,因此负载对称连接可用三相三线制连接。
三相电路实验报告摘要:本实验通过搭建三相电路并进行实验测量,验证了三相电路中电流和电压之间的关系。
实验结果表明,在三相电路中,电流之间的相位差为120度,电压之间的相位差也为120度。
此外,实验中还研究了三相电路的平衡性和不平衡性,并观察了电压和电流的波形。
引言:三相电路是现代电力系统中常见的电路配置。
三相电路中,电流和电压之间的关系是实验研究的重点,也是电力系统工程师需要掌握的基本知识。
本实验旨在通过实验测量,验证三相电路中电流和电压之间的关系,并进一步研究三相电路的平衡性和不平衡性。
实验步骤:1. 搭建三相电路,包括三个电阻、三个电感和三个电容。
2. 使用电压表和电流表分别测量三相电路中电压和电流的数值。
3. 记录实验测量数据,并绘制电流和电压的波形图。
4. 根据测量数据,计算电流和电压之间的相位差。
5. 分析实验结果,验证三相电路中电流和电压之间的关系。
实验结果与讨论:通过实验测量,我们得到了三相电路中电压和电流的测量数据。
根据这些数据,我们计算得到了电流和电压之间的相位差为120度,验证了三相电路中电流和电压之间的关系。
此外,我们还观察到了电流和电压的波形图。
在三相电路中,电流和电压的波形呈现出120度的相位差,这与我们的理论预期一致。
我们还研究了三相电路的平衡性和不平衡性。
当三相电路中的电阻、电感和电容值相等时,电路是平衡的。
在平衡电路中,三相电流和电压相等,电流之间的相位差为120度,电压之间的相位差也为120度。
而当电路不平衡时,电流和电压的相位差将会发生变化。
结论:本实验通过实验测量验证了三相电路中电流和电压之间的关系。
实验结果表明,在三相电路中,电流之间的相位差为120度,电压之间的相位差也为120度。
此外,实验中还研究了三相电路的平衡性和不平衡性,并观察了电压和电流的波形。
通过这个实验,我们对三相电路有了更深入的理解,这对我们理解电力系统中的电路配置和电力传输具有重要意义。
竭诚为您提供优质文档/双击可除三相交流电路的实验报告篇一:电路基础实验报告三相电路实验报告实验六三相交流电路实验一、实验目的1、学会负载的星形和三角形连接法。
2、验证对称负载作星形和三角形连接时,相电压和线电压及相电流和线电流的关系。
3、了解非对称负载作星形连接时,中线的作用。
二、实验设备电工电子电力拖动实验装置,型号:Th-DT。
三、实验原理1、三相负载的星形连接对有中线的星形连接,不论负载是否对称,其线电压与相电压有uL=up。
若没有中线,在对称负载的情况下,上面关系式不变;若负载不对称,则上式不成立,此时三个电压将是不等的。
2、三相负载的三角形接法三相负载的三角形接法的特点为:在对称负载的情况下有uL=up,IL=3Ip;在不对称负载的情况下电压关系式仍然成立,电流关系式则不成立。
表6-1三角形连接各电压、电流关系四、实验内容1、负载星形连接的测量按图6-1连接电路,分别测量对称负载(ux端、VY端和wZ端都接两个灯泡)和非对称负载(ux端、VY端接两个灯泡,wZ端接一个灯泡)的相电压(uu、uv、uw)线电压(uuv、uvw、uwu)、相电流(Iuv、Ivw、Iwv)、线电流(Iu、Iv、Iw)、中线电流(有中线时)u0,记录于表6-2中图6-1三相交流负载电路的星形连接2、负载三角形连接的测量按图6-2连接电路,分别测试线电压、相电压(uuv、uvw、uwu)、线电流(Iu、Iv、Iw)和相电流(Iuv、Ivw、Iwu),将测量数据记录于表6-3中。
图6-2三相交流负载电路的三角形连接五、数据处理与分析表6-4表6-5数据分析:由表6-4可知,uL/up的值在星形电路中对称时有中线(不论中线有无阻抗)、无中线和非对称时有中线(中线无阻抗)近似等于1.732,非对称无中线时uL/up的值不等于1.732。
线电流都等于相电流。
中线电压在对称有无中线时以及非对称有中线(中线无阻抗)时等于0,在非对称无中线时不等于0。
三相桥式全控整流电路实验报告实验报告:三相桥式全控整流电路一、实验目的1.了解三相桥式全控整流电路的工作原理;2.掌握三相桥式全控整流电路的实际应用;3.熟悉实验中相关的仪器设备使用和操作;4.通过实验,加深对三相桥式全控整流电路的认识和理解。
二、实验原理1.三相交流电源通过三相桥式整流器,经过电感L1平滑滤波,然后由IGBT或晶闸管等元件构成的全控整流桥对交流电进行整流;2.控制信号通过控制电路产生,并通过触发电路以一定的脉冲方式送入IGBT或晶闸管触发端,从而实现对整流桥的控制。
三、实验所需器材和材料三相交流电源、电感、电容、IGBT或晶闸管、示波器、台式多功能电源等。
四、实验步骤及调试过程1.搭建三相桥式全控整流电路。
2.将三相交流电源连接到整流电路的输入端。
3.连接示波器,通过示波器观察输入和输出波形。
4.连接控制电路,根据实验要求对整流电路进行控制。
5.进行相应的实验数据采集和记录。
五、实验数据记录和分析1.实验中记录了输入电压、输出电压、输出电流等数据。
2.通过分析记录的数据,可以得出整流电路的性能指标,例如:输出电流的大小、纹波系数、效率等。
3.通过数据的分析可以得出实验结果。
六、实验结果分析1.通过数据分析得出输入输出电流的关系,验证了三相桥式全控整流电路的工作原理。
2.通过实验结果可以得出整流电路的性能指标,并对实验结果进行评价。
3.通过实验结果的分析可以对整流电路进行改进和优化。
七、实验结论八、实验中遇到的问题和解决方法1.连接电路时,需要注意电源的极性和电路的连接顺序,否则会导致电路不能正常工作。
解决方法是仔细查阅电路图和实验指导书,正确连接电路。
2.控制电路的参数设置不当,导致无法对整流电路进行控制。
解决方法是按照实验要求对控制电路进行参数调整,确保其能够正常工作。
3.示波器波形不清晰,无法正确观察到输入和输出波形。
解决方法是检查示波器和连接线路,确保其连接良好,并对示波器参数进行适当调整。
三相交流电路实验报告实验名称:三相交流电路的研究与应用实验目的:1.了解三相交流电的基本原理和特点;2.学习使用三相交流电路进行功率测量;3.掌握三相电路的相关性能参数的计算方法。
实验器材:1.三相交流电源;2.三相感性负载电阻;3.三相电能表;4.示波器。
实验原理:实验步骤:1.搭建三相交流电路。
将三相交流电源连接到三相感性负载电阻上,再通过三相电能表进行功率测量。
2.调节交流电源的电压和频率。
保持电压和频率稳定。
3.使用示波器测量电压和电流波形。
观察并记录数据。
4.计算功率。
根据测得的电压、电流和功率因数计算三相功率的大小。
实验结果与分析:1.根据示波器测量的波形数据,可以观察到电压和电流之间存在相位差。
根据负载电阻和电源的特性,可以推测负载上存在一定的感性电阻。
2.根据测得的电压、电流和功率因数,可以计算出三相功率的大小。
根据功率的计算结果,可以分析电路的功率传输效率以及电力消耗情况。
实验结论:通过对三相交流电路的研究和实验,我们可以得出以下结论:1.三相交流电路的三个相位之间存在120度的相位差;2.三相交流电路具有更高的功率传输效率和更好的稳定性;3.三相交流电路的负载上存在感性电阻;4.利用示波器、电能表等设备可以对三相交流电路进行测量和分析。
实验心得:通过本次实验,我对三相交流电路的基本原理和特点有了更加深入的理解。
实验过程中,我学会了如何搭建三相交流电路,并使用示波器、电能表等设备进行电路参数的测量和分析。
通过分析实验结果,我进一步认识到三相交流电路的功率传输效率以及电力消耗情况。
这次实验对于我的电路学习具有重要的实践意义,为我今后的学习和研究提供了有力的支持和帮助。
电路实验报告三相交流电路电压、电流的测量院系软件学院班级学号姓名实验名称三相交流电路电压、电流的测量成绩日期 2013.12.05 同组者姓名一、实验目的和要求1 、掌握三相负载作星形联接、三角形联接的方法,验证这两种接法下线、相电压及线、相电流之间的关系。
2 、充分理解三相四线供电系统中中线的作用。
二、基本原理1 、三相负载可接成星形(又称“ Y ”接)或三角形(又称“ ? ”接)。
当三相对称负载作 Y 形联接时,线电压 U l 是相电压 Up 的倍。
线电流 I l 等于相电流 I p ,即在这种情况下,流过中线的电流 I 0 =0 ,所以可以省去中线。
当对称三相负载 ? 形联接时,有,。
2 、不对称三相负载作 Y 联接时,必须采用三相四线制接法,即 Y 0 接法。
而且中线必须牢固联接,以保证三相不对称负载的每相电压维持对称不变。
倘若中线断开,会导致三相负载电压的不对称,致使负载轻的那一相的相电压过高,使负载遭受损坏;负载重的一相相电压又过低,使负载不能正常工作。
尤其是对三相照明负载,不能无条件地一律采用 Y 0 接法。
3 、当不对称负载作 ? 接时,,但只要电源的线电压 U l 对称,加在三相负载上的电压仍是对称的,对各相负载工作没有影响。
三、实验步骤1 、三相负载星形联接(三相四线制供电)联接实验线路电路,即三相灯组负载经三相自耦调压器接通三相对称电源。
将三相调压器的旋柄置于输出为 0V 的位置(即逆时针旋到底)。
经检查合格后,开启实验台电源,然后调节调压器的输出,使输出的三相电压为 220V ,并按下述内容完成各项实验,分别测量三相负载的线电压、相电压、线电流、相电流、中线电流、电源与负载中点间的电压。
记录测得的数据,并观察各相灯组亮暗的变化程度,特别要注意观察中线的作用。
表(一)线电流线电压相电压中点电开灯盏数中线电 ( A ) ( V ) ( V ) 压 U 流 I0 N0 ( A A B C U U U U U U ( V I A I B I C 相相相 ) AB BC CA A0 B0 C0 ) Y 0 接平衡负载Y 接平衡负载 Y 0 接不平衡负载Y 接不平衡负载Y 0 接 B 相断开Y 接 B 相断开Y 接 B 相短路2 、负载三角形联接(三相三线供电)改接线路,检查合格后接通三相电源,并调节调压器,使其输出线电压为220V ,并按表(二)的内容进行测试。
三相桥式全控整流电路实验报告.doc
实验目的:
1. 熟悉三相桥式全控整流电路的电气特性。
实验原理:
三相桥式全控整流电路是一种采用单相半波可控整流器结构组成的三相可控整流电路。
一般采用交-直-交的方式将三相电源的电能转换为直流电源供给负载使用。
该电路结构简单,可靠性高,输出电流稳定。
实验设备:
2. 示波器。
3. 多用表。
实验步骤:
1. 将三相交流电源接入实验箱的三相输入端,注意接线正确。
2. 打开实验箱电源开关,使电源工作。
3. 调整多用表测量输出电压和输出电流。
4. 通过改变触发角来改变输出电压的大小,记录不同触发角对输出电压和电流的影响。
5. 将示波器连接到电路中测量输出波形,观察波形随着触发角的变化而发生的变化。
实验结果:
观察实验箱测量仪器读数,当改变触发角时,输出电压大小也会相应改变。
输出电压
与触发角度是成反比关系的。
通过观察示波器显示的实验结果,可以看到,随着触发角的变化,输出波形也会随之
发生变化。
当触发角为0时,输出波形为直流电平;当触发角为90时,输出波形为正半波;当触发角为180度时,输出波形为负半波;当触发角为270度时,输出波形又变为正
半波。
三相桥式全控整流电路是一种常用的电力电子器件,其输出电压大小与触发角成反比
关系,输出波形则随触发角的变化而变化。
掌握该电路的工作原理,能够较好地开发利用
其电气特性。
实验1.6 三相交流电路1.实验目的(1)掌握三相负载正确接入电源的方法。
(2)进一步了解三相电路中线电压和相电压、线电流和相电流的关系。
(3)了解中线在三相四线制电源中的作用。
2.实验预习要求(1)复习教材中三相交流电路的有关内容。
(2)若三相电源的线电压为380V,三相负载(U N = 220V)应如何联接?若三相电源的线电压为220V,三相负载(U N = 220V)应如何联接?(3)三相对称负载作星形连接,若在无中线的情况下断开一相,其它两相电压将会发生什么变化?若为三角形联接时又如何?3.实验仪器和设备三相负载白炽灯泡的布置图见图1.6.1所示,灯泡分为A、B、C三组,每组为两盏灯并联,其中C组的一盏灯可由短路桥控制接通或断开。
4.实验内容及要求(1)负载作三角形联接按图1.6.2连接电路,注意电源标识。
接线完毕,必须经教师检查后方可接通电源。
按下列要求测量数据并填入表1.6.1中:→测量对称负载时的各电量:每相两盏灯泡都接入电源,测量各电量。
→测量不对称负载时的各电量:将CA相灯泡关掉一盏(拔下短路桥),另外两相负载不变,测量各电量。
B图1.6.112(2)负载作星形联接将三相灯泡负载作星形联接(见图1.6.3)。
接好线后,必须经教师检查无误方可通电。
按以下要求测量数据并填入表1.6.2中。
380V N图1.6.3图1.6.2(b )连线图L1L2 L3~220V220V~ (a )原理图L1L2L3→测量对称负载、有中线和无中线时的各电量。
对称负载:即为每相两盏灯泡均接入。
→测量不对称负载、有中线和无中线时的各电量。
不对称负载:即将C相负载的灯泡改为一盏,其它两相负载不变。
注意:a) 在负载侧测量各相电压的有效值。
b)在负载不对称、断开中线时,由于各相电压不平衡,某相负载上的电压超过其额定值,故不应将中线断开时间过长,测量完毕应立即接通中线或断开电源。
(3)测量三相四线制电源的相电压和线电压将实验线路拆除,直接测量两组三相电源线电压和相电压的数值,填入表1.6.3中。
三相全控桥式整流电路实验报告篇一:实验一、三相桥式全控整流电路实验实验一、三相桥式全控整流电路实验一、实验目的1. 熟悉三相桥式全控整流电路的接线、器件和保护情况。
2. 明确对触发脉冲的要求。
3. 掌握电力电子电路调试的方法。
4. 观察在电阻负载、电阻电感负载情况下输出电压和电流的波形。
二、实验类型本实验为验证型实验,通过对整流电路的输出波形分析,验证整流电路的工作原理和输入与输出电压之间的数量关系。
三、实验仪器1.MCL-III教学实验台主控制屏。
2.MCL—33组件及MCL35组件。
3.二踪示波器 4.万用表 5.电阻(灯箱)四、实验原理实验线路图见后面。
主电路为三相全控整流电路,三相桥式整流的工作原理可参见“电力电子技术”的有关教材。
五、实验内容和要求1. 三相桥式全控整流电路2. 观察整流状态下,模拟电路故障现象时的波形。
实验方法:1.按图接好主回路。
2.接好触发脉冲的控制回路。
将给定器输出Ug接至MCL-33面板的Uct端,将MCL-33 面板上的Ublf接地。
打开MCL-32的钥匙开关,检查晶闸管的脉冲是否正常。
(1)用示波器观察MCL-33的双脉冲观察孔,应有间隔均匀,相互间隔60的幅度相同的双脉冲。
(2)检查相序,用示波器观察“1”,“2”单脉冲观察孔,“1”脉冲超前“2”脉冲60,则相序正确,否则,应调整输入电源。
3.三相桥式全控整流电路(1)电路带电阻负载(灯箱)的情况下:调节Uct(Ug),使?在30o~90o范围内,用示波器观察记录?=30O、60O、90O 时,整流电压ud=f(t),晶闸管两端电压uVT=f(t)的波形,并用万用表记录相应的Ud和交流输入电压U2数值。
ou??= 30°uuia?tOuab=30O?ti a?=90O?tuuabacOuabuac??= 60°u(2)电路带阻感负载的情况下:在负载中串入700mH 的电感调节Uct(Ug),使?在30o~90o范围内,用示波器观察记录?=30O、60O、90O时,整流电压ud=f(t),晶闸管两端电压uVT=f(t)的波形,并用万用表记录相应的Ud和交流输入电压U2数值。
实验六三相交流电路实验一、实验目的1、学会负载的星形和三角形连接法。
2、验证对称负载作星形和三角形连接时,相电压和线电压及相电流和线电流的关系。
3、了解非对称负载作星形连接时,中线的作用。
二、实验设备电工电子电力拖动实验装置,型号:TH-DT。
三、实验原理1、三相负载的星形连接对有中线的星形连接,不论负载是否对称,其线电压与相电压有UL =3UP。
若没有中线,在对称负载的情况下,上面关系式不变;若负载不对称,则上式不成立,此时三个电压将是不等的。
表6-1 星形连接各电压、电流关系负载性质中线情况电压、电流之间的关系对称有中线,不论中线有无阻抗U L=3U P I L=I P U0=0 I0=0无中线U L=3U P I L=I P U0=0非对称有中线,中线无阻抗U L=3U P I L=I P U0=0 I0≠0有中线,中线有阻抗U L≠3U P I L=I P U0≠0 I0≠0无中线U L≠3U P I L=I P U0≠02、三相负载的三角形接法三相负载的三角形接法的特点为:在对称负载的情况下有UL =UP,IL=3IP;在不对称负载的情况下电压关系式仍然成立,电流关系式则不成立。
表6-1 三角形连接各电压、电流关系负载性质电压、电流之间的关系对称U L=U P I L=3I P四、实验内容1、负载星形连接的测量 按图6-1连接电路,分别测量对称负载(UX 端、VY 端和WZ 端都接两个灯泡)和 非对称负载(UX 端、VY 端接两个灯泡,WZ 端接一个灯泡)的相电压(Uu 、U v 、Uw)线电压(Uuv 、Uvw 、Uwu)、相电流(Iuv 、Ivw 、Iwv)、线电流(Iu 、Iv 、Iw)、中线电流(有中线时)U 0,记录于表6-2中图6-1 三相交流负载电路的星形连接2、负载三角形连接的测量按图6-2连接电路,分别测试线电压、相电压(Uuv 、Uvw 、Uwu )、线电流(Iu 、Iv 、Iw)和相电流(Iuv 、Ivw 、Iwu ),将测量数据记录于表6-3中。
实验报告一、实验目的1. 掌握三相负载作星形联接、三角形联接的方法,验证这两种接法下线、相电压及线、相电流之间的关系。
2. 充分理解三相四线供电系统中中线的作用。
二、实验设备三、实验内容1. 三相负载星形联接(三相四线制供电)按图1线路组接实验电路。
即三相灯组负载经三相自耦调压器接通三相对称电源。
将三相调压器的旋柄置于输出为0V的位置(即逆时针旋到底)。
经指导教师检查合格后,方可开启实验台电源,然后调节调压器的输出,使输出的三相线电压为220V,并按下述内容完成各项实验,分别测量三相负载的线电压、相电压、线电流、相电流、中线电流、电源与负载中点间的电压。
将所测得的数据记入表1中,并观察各相灯组亮暗的变化程度,特别要注意观察中线的作用。
2. 负载三角形联接(三相三线制供电)按图2改接线路,经指导教师检查合格后接通三相电源,并调节调压器,使其输出线电压为220V ,并按表24-2的内容进行测试。
表2四、实验报告1. 用实验测得的数据验证对称三相电路中的3关系。
答:(1)当三相负载星形联接,电源和负载都对称时:U AB=220V U A0=126V√3U A0=218.2VU AB≈√3U A0所以当三相负载星形联接,电源和负载都对称时,线电压在数值上等于√3倍相电压。
(2)同理,当负载三角形联接,电源和负载都对称时:I A=0.57A I AB=0.34A√3I AB=0.6AI A≈√3I AB所以当负载三角形联接,电源和负载都对称时,线电流在数值上等于√3倍相电流。
2. 用实验数据和观察到的现象,总结三相四线供电系统中中线的作用。
答:当三相负载不对称时,中线提供各相电流的回路。
即使各相各自保持独立,不会相互影响。
3. 不对称三角形联接的负载,能否正常工作?实验是否能证明这一点?答:能,只要电源的线电压对称,加三相负载上的电压仍是对称的,对各项负载工作没有影响。
4. 根据不对称负载三角形联接时的相电流值作相量图,并求出线电流值,然后与实验测得的线电流作比较,分析之。
三相交流电路电压电流的测量实验报告
1、变压器的出线端电压。
(国家是有规定的误差数值)。
2、电网的长度会造成轻微的压降。
3、测量仪表的精度。
(正规的仪表国家有有规定的误差数值)电流产生误差的:电压的准确、平稳。
用电设备的实际电流值与名牌上电流存在的差异、功率因数的差异等。
4、测量仪表的精度等(正规的仪表国家有有规定的误差数值)以上的,不知道是不是你需要的因素,虽然以上所提及的内容都有国家规定的误差值,误差很小。
但实际中是存在的。
三相桥式全控整流电路实验报告实验目的,通过搭建三相桥式全控整流电路,了解其工作原理和特性,掌握整流电路的调试方法和技巧。
实验器材,三相交流电源、三相桥式全控整流电路板、示波器、电压表、电流表、直流电源。
实验原理,三相桥式全控整流电路由六个可控硅组成,分别为T1、T2、T3、T4、T5、T6,接在三相交流电源上。
当T1和T4导通时,电流从A相正半周流向负极,当T2和T5导通时,电流从B相正半周流向负极,当T3和T6导通时,电流从C相正半周流向负极。
这样便实现了三相桥式全控整流电路的整流功能。
实验步骤:1. 按照实验电路原理图,搭建三相桥式全控整流电路。
2. 接通三相交流电源,调节电压和频率,观察整流电路的工作状态。
3. 使用示波器观察整流电路的输入输出波形,记录波形特点。
4. 调节触发脉冲的相位和宽度,观察整流电路的输出电压和电流变化。
5. 测量整流电路的输出电压和电流,绘制特性曲线。
实验结果与分析:通过实验观察和测量,我们得到了三相桥式全控整流电路的输入输出波形和特性曲线。
在不同触发脉冲相位和宽度的情况下,整流电路的输出电压和电流呈现出不同的变化规律。
当触发脉冲提前或延迟,整流电路的输出电压和电流波形会发生相位移动和变形,从而影响整流电路的工作效果。
结论:通过本次实验,我们深入了解了三相桥式全控整流电路的工作原理和特性,掌握了整流电路的调试方法和技巧。
同时,我们也发现了整流电路在不同触发脉冲条件下的输出特性,为今后的实际工程应用提供了重要的参考依据。
实验总结:三相桥式全控整流电路作为一种常见的电力电子器件,具有广泛的应用前景。
通过本次实验,我们不仅学习了整流电路的基本原理,还掌握了实际调试和测量的技能。
希望通过今后的实验和学习,能够更深入地理解电力电子技术,为工程实践和科研创新提供有力支持。
以上就是本次三相桥式全控整流电路实验的报告内容,希望能够对大家有所帮助。
1.本实验采用三相交流电压,线电压为380v,应穿绝缘鞋进入实验室。
实验时要注意人身安全,不可触及导电部件,防止意外事故发生。
2,每次接线完毕,同组同学应自查一遍,然后由指导教师检查后,方可接通电源,必须严格遵守先断电、再接线、后通电,先断电、后拆线的实验操作原则。
3.星形负载进行短路实验时,必须首先断开中线,以免发生短路事故!
4.为避免烧坏灯泡,dgj-04实验挂箱内设有过压保护装置,当任一相电压大于245~250 v时,既有声光报警并跳闸。
因此,在进行y形连接、负载不平衡或缺相实验时,所加电压应以最高相电压小于240v为宜。
三相电路实验报告引言:在现代社会中,电力已成为人们生活中不可或缺的一部分。
电力的传输和使用,离不开电路的支持。
而三相电路是电力系统中最为常见和重要的一种电路类型。
本次实验旨在探究三相电路的特性和应用,以及进行实验验证。
一、实验目的本次实验旨在:1.了解三相电路的基本原理和特性。
2.掌握三相电路的基本计算方法和测量技术。
3.实验验证三相电路的功率平衡原理。
二、实验器材和仪器本次实验所用到的器材和仪器有:1.三相电压源。
2.三相电流表和电压表。
3.三相负载。
三、实验步骤1.接线:按照实验图纸将三相电压源、电流表和电压表以及负载按照正确的接线方式连接起来。
2.测量:使用电压表和电流表分别测量三相电压和电流的数值。
3.记录数据:将测得的数据记录下来,包括三相电压和电流的大小。
四、实验结果分析根据实验数据,我们可以计算出三相电路的功率、功率因数等数值,并进行相应的分析。
1.功率:根据公式P=UIcosθ,其中P为功率,U为电压,I为电流,θ为电压和电流的相位差。
根据实验数据的测量,我们可以计算三相电路中每相的功率数值,并进行比较。
通过对比,我们可以发现三相电路中的功率一般是相等的,这是因为三相电路中的负载是均匀分布的。
由于余弦函数的特性,功率因数确定后,功率的数值也会相应确定。
2.功率因数:功率因数是功率与视在功率的比值,也可以表示为电流与电压之间的相位差。
功率因数的大小反映了电路中的有功功率与无功功率之间的占比。
功率因数通常需要保持在一个合适的范围内,以提高电网的效率。
3.三相平衡:为了验证三相电路的功率平衡原理,我们可以通过计算三相电流的和是否为零来判断。
在理想状态下,三相电路的负载应均匀分布,三相电流的大小应相等且相位差为120°。
然而,在实际情况中,由于负载不均衡或其他外界因素,三相电流的大小和相位差可能存在一定的偏差。
五、实验结论通过本次实验可以得出以下结论:1.三相电路中的功率一般是相等的,这是因为三相电路中的负载是均匀分布的。
三. 实验设备
四. 实验内容及数据
4.1.三相负载星形联接(三相四线制供电)
实验准备:将3 E相调压器的旋柄置于输出为0V的位置(即逆时针旋转到底),将交流电压表接到调压器的输出端。
开启实验台电源,调节调压器,使输出的三相电源的线电压为220V (即相电压为127V)关闭电源开关,按图连接实验电路。
分别测量3三相负载的线电压、相电压、线电流、线电流、中线电流、电源与负载中点间的电压。
将所测得的数据记入表1中,并观察各相灯组亮暗的变化程度,特别要注意观察中线的作用。
4.2负载三角形联接(三相三线制供电技表段下国反接线路,按表2的内容进行测试。
关闭电源开关,注意三角形连接时没有中线
五. 数据分析
1.验证对称三相电路中的关系。
2.用实验数据和观察到的现象,总结三相四线供电系统中的
中线作用。
3.不对称三角形联接的负载,能否正常工作?实验是否能证
明这一点?
4.根据不对称负载三角形联接时的相电流值作相量图,并求
出线电流值,然后与实验测得的线电流作比较,分析之。