安全全套资料新版2011GDAQ安全监理资料(安全监理资料)30页记录表
- 格式:docx
- 大小:122.17 KB
- 文档页数:31
第一部分安全管理一、工程项目基本情况1.工程概况表GDAQ201012.项目安全管理组织机构框架图(无表式)GDAQ201023.项目管理人员登记表GDAQ201034.项目安全生产管理人员登记表GDAQ201045.项目特种作业人员登记表GDAQ201056.作业人员平安卡办理情况汇总表GDAQ201067.施工总承包单位安全生产管理人员签名笔迹备查表GDAQ201078.专业分包单位安全生产管理人员签名笔迹备查表GDAQ201089.安全防护、文明施工措施费用使用计划(无表式)GDAQ2010910.分包方进场登记表GDAQ2011011.危险性较大分部分项工程汇总表GDAQ2011112.超过一定规模的危险性较大分部分项工程汇总表GDAQ2011213.项目部工劳动防护用品发放登记表GDAQ20113二、安全生产责任制度三、安全生产责任制考核1.安全生产管理人员岗位安全责任书(无表式)GDAQ202012.安全生产责任制考核汇总表GDAQ202023.管理人员安全生产责任制考核表GDAQ20202014.安全生产责任制班组(部门)考核表GDAQ20202025.安全生产管理目标考核表GDAQ202036.项目部安全生产管理目标考核表GDAQ20204四、安全专项施工方案(分别归档至各分部分项工程)五、各工种及机械设备安全技术操作规程(分别归档至各分部分项工程)(一)各工种安全操作规程1.普通工(杂工)安全操作规程GDAQ3401012.凿岩爆破工安全操作规程GDAQ3401023.木工安全操作规程GDAQ3401034.钢筋工安全操作规程GDAQ3401045.混凝土工安全操作规程GDAQ3401056.搅拌机操作工安全操作规程GDAQ3401067.抹灰工安全操作规程GDAQ3401078.瓦工安全操作规程GDAQ3401089.架子工安全操作规程GDAQ34010910.高空作业安全操作规程GDAQ34011011.建筑电工安全操作规程GDAQ34011112.电焊工安全操作规程GDAQ34011213.气焊(割)工安全操作规程GDAQ34011314.机械操作工安全操作规程GDAQ34011415.机械维修工安全操作规程GDAQ34011516.卷扬机司机安全操作规程GDAQ34011617.物料提升机司机安全操作规程GDAQ34011718.施工升降机司机安全操作规程GDAQ34011819.塔式超重机司机安全操作规程GDAQ34011920.架桥机司机安全操作规程GDAQ34012021.门式起得机司机安全操作规程GDAQ34012122.桥式起重机司机安全操作规程GDAQ34012223.起重指挥司索工安全操作规程GDAQ34012324.流动式起重机司机安全操作规程GDAQ34012425.打桩机司机安全操作规程GDAQ34012526.打桩工安全操作规程GDAQ34012627.机动车司机安全操作规程GDAQ34012728.土方机械司机安全操作规程GDAQ34012829.保温、防水工安全操作规程GDAQ34012930.安装钳工铆工安全操作规程GDAQ34013031.管道安装工安全操作规程GDAQ34013132.通风工安全操作规程GDAQ34013233.油漆涂料工安全操作规程GDAQ34013334.玻璃工安全操作规程GDAQ34013435.其他工种安全操作规程(根据工程现场情况制定)(二)各种机械设备安全操作规程1.塔式起重机安全操作规程GDAQ3402012.施工升降机安全操作规程GDAQ3402023.物料提升机安全操作规程GDAQ3402034.架桥机安全操作规程GDAQ3402045.门式、桥式起重安全操作规程GDAQ3402056.起重吊车安全操作规程GDAQ3402067.圆盘锯安全操作规程GDAQ3402078.木工平刨机安全操作规程GDAQ3402089.钢筋切断机安全操作规程GDAQ34020910.钢筋对焊机安全操作规程GDAQ34021011.钢筋弯曲机安全操作规程GDAQ34021112.套丝切管机安全操作规程GDAQ34021213.钢筋冷挤压连接机安全操作规程GDAQ34021314.混凝土泵机安全操作规程GDAQ34021415.混凝土搅拌机安全操作规程GDAQ34021516.混凝土插入式振动器安全操作规程GDAQ34021617.混凝土附着式、平板式振动器安全操作规程GDAQ34021718.砂浆搅拌机安全操作规程GDAQ34021819.蛙式夯实机安全操作规程GDAQ34021920.振动冲击夯机安全操作规程GDAQ34022021.交流电焊机安全操作规程GDAQ34022122.水磨石机安全操作规程GDAQ34022223.手持电动工具安全操作规程GDAQ34022324.砂轮机安全操作规程GDAQ34022425.机动翻斗车安全操作规程GDAQ34022526.装载机安全操作规程GDAQ34022627.柴油锤桩机安全操作规程GDAQ34022728.振动锤桩机安全操作规程GDAQ34022829.静力压桩机安全操作规程GDAQ34022930.强夯机安全操作规程GDAQ34023031.风动凿岩机安全操作规程GDAQ34023132.空气压缩机安全操作规程GDAQ34023233.发电机安全操作规程GDAQ34023334.潜水泵安全操作规程GDAQ34023435.混凝土切割机安全操作规程GDAQ34023536.混凝土切割机安全操作规程GDAQ34023637.推土机安全操作规程GDAQ34023738.振动压路机安全操作规程GDAQ34023839.其他设备安全操作规程(根据工程现场情况制定)六、分部(分项)工程安全技术交底(分别归档至各分部分项工程)(一)分部(分项)工程安全技术交底汇总表GDAQ3403(二)地基与基础工程1.土方工程安全技术交底GDAQ3301012.回填土工程安全技术交底GDAQ3301023.深基坑工程安全技术交底GDAQ3301034.静力压桩工程安全技术交底GDAQ3301045.钻孔桩机安全技术交底GDAQ3301056.冲孔桩机安全技术交底GDAQ3301067.蒸汽打桩机安全交底GDAQ3301078.多功能打桩机安全技术交底GDAQ3301089.水上打桩工程安全技术交底GDAQ33010910.振动沉拔桩机安全技术交底GDAQ33011011.人工挖孔桩安全技术交底GDAQ33011112.人工挖孔桩钢筋安装安全技术交底GDAQ33011213.人工挖孔桩混凝土浇筑安全技术交底GDAQ33011314.人工土方开挖安全技术交底GDAQ33011415.地下连续墙施工安全技术交底GDAQ33011516.沉井施工安全技术交底GDAQ33011617.干作业螺旋钻孔成孔灌注桩施工安全技术交底GDAQ33011718.钻孔灌注桩安全技术交底GDAQ33011819.其他地基与基础工程安全技术交底(根据工程现场情况制定)(三)模板工程1.模板工程安全技术交底GDAQ3302012.高支模模板支架工程安全技术交底GDAQ3302023.大模板的堆放、安装和拆除安全技术交底GDAQ3302034.滑升模板安全技术交底GDAQ3302045.拆除模板支架安全技术交底GDAQ3302056.其他模板工程安全技术交底(根据工程现场情况制定)(四)脚手架工程1.门式钢管脚手架安全技术交底GDAQ3303012.落地式钢管脚手架搭设安全技术交底GDAQ3303023.落地式钢管脚手架拆除安全技术交底GDAQ3303034.附着式整体和分片提升脚手架工程安全技术交底GDAQ3303045.附着式整体和分片提升脚手架升降作业技术交底GDAQ3303056.附着式整体和分片脚手架安装搭设施工技术交底GDAQ3303067.悬挑脚手架作业安全技术交底GDAQ3303078.其他脚手架工程安全技术交底(根据工程现场情况制定)(五)钢筋混凝土工程1.钢筋工程安全技术交底GDAQ3304012.钢筋调直机安全技术交底GDAQ3304023.钢筋弯曲机安全技术交底GDAQ3304034.钢筋冷拉机安全技术交底GDAQ3304045.预应力钢筋拉伸设备安全技术交底GDAQ3304056.钢筋切断机安全技术交底GDAQ3304067.钢筋对焊机安全技术交底GDAQ3304078.混凝土工程安全技术交底GDAQ3304089.砌块工程施工安全技术交底GDAQ33040910.泵送混凝土工程作业安全技术交底GDAQ330401011.其他钢筋混凝土工程安全技术交底(根据工程现场情况制定)(六)施工机具1.混凝土喷射机安全技术交底GDAQ3305012.搅拌机安全技术交底GDAQ3305023.砂浆拌合机安全技术交底GDAQ3305034.圆盘锯安全技术交底GDAQ3305045.木工平刨安全技术交底GDAQ3305056.自动压刨安全技术交底GDAQ3305067.砂轮转机安全技术交底GDAQ3305078.空气压缩机安全技术交底GDAQ3305089.机动翻斗车安全技术交底GDAQ33050910.水磨石机安全技术交底GDAQ33051011.其他施工机具安全技术交底(根据工程现场情况制定)(七)机械设备1.塔式起重机安装(拆卸)安全技术交底GDAQ3306012.塔式起重机附着爬升(降塔)安全技术交底GDAQ3306023.塔式起重机操作安全技术交底GDAQ3306034.施工升降机安装(拆卸)安全技术交底GDAQ3306045.施工升降机操作安全技术交底GDAQ3306056.物料提升机安装(拆卸)安全技术交底GDAQ3306067.物料提升机操作安全技术交底GDAQ3306078.桥(门)式起重机安装(拆卸)安全技术交底GDAQ3306089.桥(门)式起重机操作安全技术交底GDAQ33060910.架桥机安装(拆卸)安全技术交底GDAQ33061011.架桥机操作安全技术交底GDAQ33061112.挖掘机安全技术交底GDAQ33061213.起重指挥司索工安全技术交底GDAQ33061314.其他机械设备安全技术交底(根据工程现场情况制定)(八)装饰装修工程1.外墙装饰抹灰工程安全技术交底GDAQ3307012.油漆作业安全技术交底GDAQ3307023.玻璃工程安全技术交底GDAQ3307034.玻璃幕墙工程安全技术交底GDAQ3307045.门窗安装工程安全技术交底GDAQ3307056.卷材屋面施工安全技术交底GDAQ3307067.灌浆堵漏施工安全技术交底GDAQ3307078.其他装饰装修工程安全技术交底(根据工程现场情况制定)(九)钢结构工程1.金属加工、机修工程安全技术交底GDAQ3308012.铁器构件安装工程安全技术交底GDAQ3308023.钢结构及铁件制作工程安全技术交底GDAQ3308034.钢结构吊装安全技术交底GDAQ3308045.构件吊装安全技术交底GDAQ3308056.其他钢结构工程安全技术交底(根据工程现场情况制定)(十)其他作业1.电焊工安全技术交底GDAQ3309012.高处作业及登高架设作业安全技术交底GDAQ3309023.气焊(割)作业技术交底GDAQ3309034.拆除工程安全技术交底GDAQ3309045.临时用电工程安全技术交底GDAQ3309056.装卸工作安全技术交底GDAQ3309067.爆破工程安全技术交底GDAQ3309078.顶管工程安全技术交底GDAQ3309089.管道施工工程安全技术交底GDAQ33090910.电梯安装安全技术交底GDAQ33091011.通风与空调工程设备安装安全技术交底GDAQ330911七、安全检查(一)安全检查制度(二)施工安全日记GDAQ20602(三)检查评分表1.建筑施工安全检查评分汇总表GDAQ20301012.安全管理检查评分表GDAQ20301023.文明施工检查评分表GDAQ20301034.落地式外脚手架检查评分表GDAQ20301045.悬挑式脚手架检查评分表GDAQ20301056.门型脚手架检查评分表GDAQ20301067.挂脚手架检查评分表GDAQ20301078.吊篮脚手架检查评分表GDAQ20301089.附着式升降脚手架(整体提升架或爬架)检查评分表GDAQ203010910.基坑支护安全检查评分表GDAQ203011011.模板工程安全检查评分表GDAQ203011112.“三宝”、“四口”防护检查评分表GDAQ203011213.施工用电检查评分表GDAQ203011314.物料提升机(龙门架、井字架)检查评分表GDAQ203011415.外用电梯(人货两用电梯)检查评分表GDAQ203011516.塔吊检查评分表GDAQ203011617.起重吊装安全检查评分表GDAQ203011718.施工机具检查评分表GDAQ203018(四)施工安全评价书GDAQ4318(五)整改停工通知1.施工单位自检整、停工通知书(1)项目部安全检查及隐患整改记录表GDAQ2030201(2)停工通知书GDAQ2030202(3)复工申请表GDAQ20302032.监理单位对工程项目发出的整改、停工通知书(1)安全隐患整改通知GDAQ4309(2)安全隐患整改通知回复GDAQ4310(3)暂时停止施工通知GDAQ4311(4)复工申请GDAQ43123.行政主管部门、安监机构发出的执法文书八、安全教育1.新工人安全教育汇总表GDAQ205012.新工人入场三级安全教育登记表GDAQ20502(1)公司(第一级)安全教育记录GDAQ2050201(2)项目部(第二级)安全教育记录GDAQ2050202(3)班组(第三级)安全教育记录GDAQ20502033.变换工种安全教育登记表GDAQ205034.作业人员安全教育登记表GDAQ205045.管理人员安全教育登记表GDAQ205056.急救人员安全教育登记表GDAQ205067.节前(节后)安全教育登记表GDAQ205078.日常安全教育登记表GDAQ205089.应急知识教育登记表GDAQ20509九、班前安全活动(一)班前安全活动制度(二)班组班前安全活动记录GDAQ20601十、特种作业持证上岗(一)项目特种作业人员登记表GDAQ20105(二)特种作业人员上岗证复印件十一、事故应急救援及调查处理(一)事故应急救援演练计划(无表式)GDAQ20701(二)事故应急救援演练记录(无表式)GDAQ20702(三)工程建设质量安全事故快报GDAQ20703(四)事故调查处理有关文件汇总(无表式)GDAQ20704(五)意外伤害保险登记表GDAQ20705十二、安全警示标志(一)安全警示标志平面布置图GDAQ20801(二)施工现场安全警示标志检查表GDAQ20802第二部分文明施工一、管理制度、措施1.防火消防安全制度2.治安保卫制度3.门卫制度4.卫生管理制度5.工地生活区管理制度6.施工现场防扬尘、防噪声污染措施7.不拢民施工措施二、动火审批、人员登记及消防验收1.五牌一图GDAQ212012.消防安全管理组织机构框架图GDAQ212023.动火作业审批表GDAQ212034.急救人员登记表GDAQ212045.厨房工作人员健康证登记表GDAQ212056.施工现场消防设施验收表GDAQ212067.施工现场消防重点部位登记表GDAQ21207第三部分脚手架工程一、安全专项施工方案二、项目特种作业人员登记表(架子工)三、安全技术交底四、安全操作规程五、检查验收表1.扣件式钢管脚手架基础验收表2.门式钢管脚手架基础验收表3.扣件式钢管脚手架验收表4.门式钢管脚手架验收表5.悬挑式脚手架验收表6.吊蓝脚手架验收表7.附着式整体和分片提升脚手架验收表8.卸料平台验收表GDAQ2090207六、检验报告1.安全网检验报告GDAQ213032.钢管脚手架(对接)扣件检验报告GDAQ213043.钢管脚手架(旋转)扣件检验报告GDAQ213054.钢管脚手架(直角)扣件检验报告GDAQ213065.门式钢管脚手架(门架)检验报告GDAQ213076.门式钢管脚手架(底座)检验报告GDAQ213087.碗扣式钢管脚手架检验报告GDAQ21309第四部分基坑支护一、安全专项施工方案二、安全技术交底三、安全操作规程四、基坑支护变形监测1.基坑支护水平位移观测记录表GDAQ206032.基坑支护沉降观测记录表GDAQ20604五、检查验收表1.基坑支护、开挖及降水工程验收表GDAQ20902062.人工挖孔桩防护验收表GDAQ20902053.气体检测记录表GDAQ20605六、检验报告第五部分模板工程一、安全专项施工方案二、安全技术交底三、安全操作规程四、检查验收表1.混凝土模板工程验收表GDAQ20902022.模板拆除审批表GDAQ211043.模板工程拆除混凝土强度报告五、监测记录第六部分“三宝”、“四口”防护一、检查验收表1.安全防护用具进场查验登记表GDAQ20901012.临边洞口防护验收表GDAQ20902033.安全防护用具检查记录表GDAQ20610二、检验报告1.安全带检验报告GDAQ213012.安全帽检验报告GDAQ21302第七部分施工用电一、安全专项施工方案二、项目特种作业人员登记表(电工)三、安全技术交底四、安全操作规程五、检查验收1.施工现场临时用电设备明细表GDAQ206062.施工现场临时用电验收表GDAQ20902043.电工巡视维修记录表4.接地电阻测试记录表GDAQ206075.电气线路绝缘强度测试记录GDAQ206086.施工现场临时用电设备检查记录表GDAQ20609第八部分物料提升机一、证明文件1.产品出厂合格证2.特种设备制造许可证或工业产品生产许可证3.起重机械制造监督检验证4.产品说明书5.建筑起重机械产权备案证6.安装单位资质证书、安全生产许可证7.安装单位特种作业人员名单及特种作业证书复印件8.安装单位负责建筑起重机械安装(拆卸)工程专职安全生产管理人员、专业技术人员名单9.使用单位特种作业人员名单及特种作业证书复印件二、合同、协议和专项方案1.安装单位与使用单位签订的安装(拆卸)合同2.安装单位与施工总承包单位签订的安全协议书3.使用单位与产权(出租租赁)单位签订的租赁合同4.设备维修保养合同5.建筑起重机械使用及维护保养制度6.物料提升机基础专项施工方案7.物料提升机安装专项施工方案8.物料提升机拆卸专项施工方案9.特料提升机安装(拆卸)工程生产安全事故应急救援预案10.物料提升机生产安全事故应急救援预案三、安全技术交底四、安全操作规程五、检查验收1.建筑起重机械安装(拆卸)告知表GDAQ210062.机械(电气)设备进场查验登记表GDAQ20901023.建筑起重机械基础验收表GDAQ20901044.物料提升机安装自检表5.建筑起重机械检验检测报告6.建筑起重机械安装验收表GDAQ20901057.建筑起重机械动行记录GDAQ206138.建筑起重机械维护保养记录GDAQ206129.物料提升机定期自检表10.建筑起重机械使用登记牌(物料提升机)GDAQ21012第九部分施工升降机一、证明文件1.产品出厂合格证2.特种设备制造许可证或工业产品生产许可证3.起重机械制造监督检验证4.产品说明书5.建筑起重机械产权备案证6.安装单位资质证书、安全生产许可证7.安装单位特种作业人员名单及特种作业证书复印件8.安装单位负责建筑起重机械安装(拆卸)工程专职安全生产管理人员、专业技术人员名单9.辅助起重机械资料及其特种作业人员证书10.使用单位特种作业人员名单及特种作业证书复印件二、合同、协议和专项方案1.安装单位与使用单位签订的安装(拆卸)合同2.安装单位与施工总承包单位签订的安全协议书3.使用单位与产权(出租租赁)单位签订的租赁合同4.设备维修保养合同5.建筑起重机械使用及维护保养制度6.施工升降机基础专项施工方案7.施工升降机安装专项施工方案8.施工升降机拆卸专项施工方案9.施工升降机安装(拆卸)工程生产安全事故应急救援预案10.施工升降机生产安全事故应急救援预案三、安全技术交底四、安全操作规程五、检查验收1.建筑起重机械安装(拆卸)告知表GDAQ210062.机械(电气)设备进场查验登记表GDAQ20901023.建筑起重机械基础验收表GDAQ20901044.施工升降机安装自检表5.建筑起重机械检验检测报告6.安全防坠器检验检测报告7.建筑起重机械安装验收表GDAQ20901058.施工升降机附着自检表9.施工升降机附着(加节)验收表GDAQ209010610.建筑起重机械动行记录GDAQ2061311.建筑起重机械维护保养记录表GDAQ2061212.施工升降机定期自检表13.建筑起重机械使用登记牌(施工升降机)GDAQ21009第十部分塔式起重机一、证明文件1.产品出厂合格证2.特种设备制造许可证或工业产品生产许可证3.起重机械制造监督检验证4.产品说明书5.建筑起重机械产权备案证6.安装单位资质证书、安全生产许可证7.安装单位特种作业人员名单及特种作业证书复印件8.安装单位负责建筑起重机械安装(拆卸)工程专职安全生产管理人员、专业技术人员名单9.辅助起重机械资料及其特种作业人员证书10.使用单位特种作业人员名单及特种作业证书复印件二、合同、协议和专项方案1.安装单位与使用单位签订的安装(拆卸)合同2.安装单位与施工总承包单位签订的安全协议书3.使用单位与产权(出租租赁)单位签订的租赁合同4.设备维修保养合同5.建筑起重机械使用及维护保养制度6.塔式起重机基础专项施工方案7.塔式起重机安装专项施工方案8.塔式起重机拆卸专项施工方案9.塔式起重机安装(拆卸)工程生产安全事故应急救援预案10.塔式起重机生产安全事故应急救援预案三、安全技术交底四、安全操作规程五、检查验收1.安装塔式起重机相关安全条件确认表GDAQ210082.建筑起重机械安装(拆卸)告知表GDAQ210063.机械(电气)设备进场查验登记表GDAQ20901024.建筑起重机械基础验收表GDAQ20901045.建筑起重机械检验检测报告6.塔式起重机安装自检表7.建筑起重机械安装验收表GDAQ20901058.塔式起重机附着自检表9.塔式起重机附着验收表GDAQ209010710.建筑起重机械动行记录GDAQ2061311.建筑起重机械维护保养记录表GDAQ2061212.塔式起重机定期自检表13.建筑起重机械使用登记牌(塔式起重机)GDAQ21010第十一部分起重吊装一、安全专项施工方案二、项目特种作业人员登记表(司机、司索、指挥)三、安全技术交底四、安全操作规程五、检查验收1.机械(电气)设备进场查验登记表GDAQ20901022.建筑起重机械维护保养记录表GDAQ20612第十二部分施工机具一、安全技术交底二、安全操作规程三、检查验收1.施工机具及配件进场查验登记表GDAQ20901032.施工机具及配件检查维护保养记录表GDAQ20611。
2011年版《广东省建筑施工安全管理资料统一用表》广东省建筑施工安全管理资料统一用表目录第一章施工企业安全生产管理第一节企业安全管理策划1.在建项目一览表GDAQ1101 (2)2.安全生产保证体系文件一览表GDAQ1102 (3)3.企业安全目标GDAQ1103 (4)4.企业安全目标管理方案(无表式)GDAQ1104 (5)5.施工现场安全生产保证计划(无表式)GDAQ1105 (6)6.施工现场安全生产保证计划评审记录表GDAQ1106 (7)7.施工现场安全生产保证计划变更审评记录表GDAQ1107 (8)8.在建项目危险源与不利环境因素识别与评价汇总表GDAQ1108(9)9.在建项目危险源与不利环境因素识别评价表GDAQ1109 (10)10.在建项目危险源或不利环境因素控制措施方案要素表GDAQ1110 (11)第二节企业安全管理实施1.安全管理制度一览表GDAQ1201 (13)2.安全教育培训记录汇总表GDAQ1202 (14)3.安全教育培训记录表GDAQ1203 (15)4.安全物资供应商选择、评价记录表GDAQ1204 (16)5.采购和租赁安全物资验证记录表GDAQ1205 (17)6.分包方评价记录表GDAQ1206 (18)7.分包方控制记录表GDAQ1207 (19)8.分包方采购、租赁或自备安全物资验证记录表GDAQ1208 (20)9.施工企业生产安全事故应急救援预案GDAQ1209 (21)第三节企业安全检查1.安全检查和整改记录GDAQ1301 (23)2.安全会议记录表GDAQ1302 (24)3.安全监测仪器校准和维护记录表GDAQ1303 (25)第四节企业安全生产评价一、安全生产条件评价1.安全生产管理评分表(含续表)GDAQ1401 (27)2.安全技术管理评分表GDAQ1402 (29)3.设备与设施管理分项评分表GDAQ1403 (36)4.企业市场行为评分表GDAQ1404 (37)二、安全生产业绩评价5.施工现场安全管理评分表GDAQ1405 (38)三、安全生产评价汇总6.施工企业安全生产评价汇总表GDAQ1406 (39)第二章工程项目安全生产管理第一节工程项目基本情况1.工程概况表GDAQ20101 (43)2.项目安全管理组织机构框架图(无表式)GDAQ20102 (44)3.项目管理人员登记表GDAQ20103 (45)4.项目安全生产管理人员登记表GDAQ20104 (46)5.项目特种作业人员登记表GDAQ20105 (47)6.作业人员平安卡办理情况汇总表GDAQ20106 (48)7.施工总承包单位安全生产管理人员签名笔迹备查表GDAQ20107 (49)8.专业分包单位安全生产管理人员签名笔迹备查表GDAQ20108 (50)9.安全防护、文明施工措施费用使用计划(无表式)GDAQ20109 (51)10.分包方进场登记表GDAQ20110 (52)11.危险性较大分部分项工程汇总表GDAQ20111 (53)12.超过一定规模的危险性较大分部分项工程汇总表GDAQ20112 (54)13.项目部劳动防护用品发放登记表GDAQ20113 (55)第二节责任、目标考核1.安全生产管理人员岗位安全责任书(无表式)GDAQ20201 (59)2.安全生产责任制考核汇总表(年)GDAQ20202 (60)(1)管理人员安全生产责任制考核表GDAQ2020201 (61)(2)安全生产责任制班组(部门)考核表GDAQ2020202 (62)3.安全生产管理目标考核表(年月)GDAQ20203 (63)4.项目部安全生产管理目标考核表(含续表)GDAQ20204 (64)第三节安全检查一、检查评分1.建筑施工安全检查评分汇总表GDAQ2030101 (69)2.安全管理检查评分表GDAQ2030102 (70)3.文明施工检查评分表(含续表)GDAQ2030103 (71)4.落地式外脚手架检查评分表GDAQ2030104 (73)5.悬挑式脚手架检查评分表GDAQ2030105 (74)6.门型脚手架检查评分表GDAQ2030106 (75)7.挂脚手架检查评分表GDAQ2030107 (76)8.吊篮脚手架检查评分表GDAQ2030108 (77)9.附着式升降脚手架(整体提升架或爬架)检查评分表(含续表)GDAQ2030109 (78)10.基坑支护安全检查评分表GDAQ2030110 (80)11.模板工程安全检查评分表GDAQ2030111 (81)12.“三宝”、“四口”防护检查评分表GDAQ2030112 (82)13.施工用电检查评分表GDAQ2030113 (83)14.物料提升机(龙门架、井字架)检查评分表(含续表)GDAQ2030114 (84)15.外用电梯(人货两用电梯)检查评分表GDAQ2030115 (86)16.塔吊检查评分表GDAQ2030116 (87)17.起重吊装安全检查评分表GDAQ2030117 (88)18.施工机具检查评分表GDAQ2030118 (89)二、隐患整改、停工通知1.项目部安全检查及隐患整改记录表GDAQ2030201 (90)2.停工通知书(公司对项目)GDAQ2030202 (91)3.复工申请书(项目部报公司)GDAQ2030203 (92)第四节分部分项工程安全技术交底1.管理人员进场安全交底表GDAQ20401 (95)2.分部(分项)工程安全技术交底GDAQ20402 (96)3.分部(分项)工程安全技术交底汇总表GDAQ20403 (97) 第五节安全教育1.新工人安全教育汇总表GDAQ20501 (101)2.新工人入场三级安全教育登记表GDAQ20502 (102)(1)公司(第一级)安全教育记录GDAQ2050201 (103)(2)项目部(第二级)安全教育记录GDAQ2050202 (105)(3)班组(第三级)安全教育记录GDAQ2050203 (107)3.变换工种安全教育登记表GDAQ20503 (109)4.作业人员安全教育登记表GDAQ20504 (110)5.管理人员安全教育登记表GDAQ20505 (111)6.急救人员安全教育登记表GDAQ20506 (112)7.节后安全教育登记表GDAQ20507 (113)8.日常安全教育登记表GDAQ20508 (114)9.应急知识教育登记表GDAQ20509 (115)第六节安全活动记录1.班组班前安全活动记录(含续表)GDAQ20601 (119)2.施工安全日记GDAQ20602(含续表) (121)3.基坑支护水平位移观测记录表GDAQ20603 (124)4.基坑支护沉降观测记录表GDAQ20604 (125)5.气体检测记录GDAQ20605 (126)6.施工现场临时用电设备明细表GDAQ20606 (127)7.接地电阻测试记录表GDAQ20607 (128)8.电气线路绝缘强度测试记录表GDAQ20608 (129)9.施工现场临时用电设备检查记录表GDAQ20609 (130)10.安全防护用具检查记录表GDAQ20610 (131)11.施工机具及配件检查维护保养记录表GDAQ20611 (132)12.建筑起重机械维护保养记录表(含续表)GDAQ20612 (133)13.建筑起重机械运行记录(含续表)GDAQ20613 (135)第七节事故应急救援及调查处理1.事故应急救援演练计划(无表式)GDAQJ207012.事故应急救援演练记录(无表式)GDAQ3207023.工程建设质量安全事故快报(含续表)GDAQ20703 (141) 4.事故调查处理有关文件汇总(无表式)GDAQ20704 (143) 5.意外伤害保险登记表GDAQ20705 (144)第八节安全警示标志1.安全警示标志平面布置图GDAQ20801 (147)2.施工现场安全警示标志检查表(含续表)GDAQ20802 (148)第九节安全防护用具、设备设施验收表一、安全防护用具、设备验收表1.安全防护用具进场查验登记表GDAQ2090101 (153)2.机械设备进场查验登记表GDAQ2090102 (154)3.施工机具及配件进场查验登记表GDAQ2090103 (155)4.建筑起重机械安装验收表GDAQ2090104 (157)5.建筑起重机械基础验收表GDAQ2090105 (158)6.施工升降机附着验收表(含续表)GDAQ2090106 (159)7.塔式起重机附着验收记录表GDAQ2090107 (161)8.安装自检记录表(1)施工升降机安装自检表(含续表)GDAQ209010801 (162)(2)施工升降机附着自检表(含续表)GDAQ209010802 (173)(3)塔式起重机安装自检表(含续表)GDAQ209010803 (175)(4)塔式起重机附着自检表(含续表)GDAQ209010804 (187)(5)物料提升机安装自检表(含续表)GDAQ209010805 (189)(6)架桥机安装自检表(含续表)GDAQ209010806 (197)(7)桥(门)式起重机安装自检表(含续表)GDAQ209010807 (207)9.定期自检记录表(1)施工升降机定期自检表(含续表)GDAQ209010901 (218)(2)塔式起重机定期自检表(含续表)GDAQ209010902 (220)(3)物料提升机定期自检表(含续表)GDAQ209010903 (222)(4)架桥机定期自检表(含续表)GDAQ209010904 (224)(5)桥(门)式起重机定期自检表(含续表)GDAQ209010905 (226)二、设施验收表1.脚手架验收表(1)扣件式钢管脚手架基础验收表GDAQ209020101 (228)(2)门式钢管脚手架基础验收表GDAQ209020102 (229)(3)扣件式钢管脚手架验收表GDAQ209020103 (230)(4)门型脚手架验收表(含续表)GDAQ209020104 (232)(5)悬挑式脚手架验收表GDAQ209020105 (234)(6)吊篮脚手架验收表GDAQ209020106 (235)(7)附着式整体和分片提升脚手架验收表(含续表)GDAQ209020107 (236)2.混凝土模板工程验收表(含续表)GDAQ2090202 (238)3.临边洞口防护验收表GDAQ2090203 (240)4.施工现场临时用电验收表(含续表)GDAQ2090204 (241)5.人工挖孔桩防护验收表(含续表)GDAQ2090205 (243)第十节建筑起重机械产权备案、安装(拆卸)告知、使用登记用表1.建筑起重机械备案申报表(施工升降机)GDAQ21001 (247)2.建筑起重机械备案申报表(塔式起重机)GDAQ21002 (248)3.建筑起重机械备案申报表(门式起重机)GDAQ21003 (249)4.建筑起重机械备案申报表(物料提升机)GDAQ21004 (250)5.建筑起重机械备案申报材料清单GDAQ21005 (251)6.建筑起重机械安装(拆卸)告知表GDAQ21006 (252)7.建筑起重机械安装(拆卸)告知材料清单GDAQ21007 (253)8.安装塔式起重机相关安全条件确认表GDAQ21008 (254)9.建筑起重机械使用登记牌(施工升降机)GDAQ21009 (255)10.建筑起重机械使用登记牌(塔式起重机)GDAQ21010 (256)11.建筑起重机械使用登记牌(门式起重机)GDAQ21011 (257)12.建筑起重机械使用登记牌(物料提升机)GDAQ21012 (258)13.建筑起重机械办理使用登记牌材料清单GDAQ21013 (259)14.建筑起重机械安装(拆卸)作业公示牌GDAQ21014 (260) 第十一节报审表1.安全专项施工方案GDAQ21101 (263)2.专业承包工程安全专项施工方案GDAQ21102 (264)3.安全专项施工方案报审表GDAQ21103 (265)4.模板拆除审批表GDAQ21104 (266)第十二节文明施工1.五牌一图(无表式)GDAQ21201 (269)2.消防安全管理组织机构框架图(无表式)GDAQ21202 (270)3.动火作业审批表GDAQ21203 (271)4.急救人员登记表GDAQ21204 (273)5.厨房工作人员健康证登记表GDAQ21205 (274)6.施工现场消防设施验收表GDAQ21206 (275)7.施工现场消防重点部位登记表GDAQ21207 (276)第十三节施工起重机械、安全设施、安全防护用品检测报告1.安全带检验报告GDAQ21301 (279)2.安全帽检验报告GDAQ21302 (280)3.安全网检验报告GDAQ21303 (281)4.钢管脚手架(对接)扣件检验报告GDAQ21304 (282)5.钢管脚手架(旋转)扣件检验报告GDAQ21305 (283)6.钢管脚手架(直角)扣件检验报告GDAQ21306 (284)7.门式钢管脚手架(门架)检验报告GDAQ21307 (285)8.门式钢管脚手架(底座)检验报告GDAQ21308 (286)9.碗扣式钢管脚手架检验报告GDAQ21309 (287)10.广东省建筑工程施工升降机安装检验评定报告GDAQ21310 (288)11.广东省建筑工程塔式起重机安装检验评定报告(含续表)GDAQ21311 (301)12.广东省建筑工程物料提升机安装检验评定报告(含续表)GDAQ21312 (312)13.高处作业吊篮检测报告GDAQ2131314.桥(门)式起重机检验报告GDAQ21314第三章施工安全生产技术资料第一节安全生产管理制度1.项目安全管理制度汇编GDAQ3101 (327)第二节安全专项施工方案1.施工现场临时用电安全专项施工方案编制要点GDAQ32012.建筑基坑支护安全专项施工方案编制要点GDAQ32023.土方开挖施工安全专项施工方案编制要点GDAQ32034.模板施工安全专项施工方案编制要点GDAQ32045.起重吊装工程安全专项施工方案编制要点GDAQ32056.扣件式钢管脚手架安全专项施工方案编制要点GDAQ32067.塔式起重机、施工升降机、物料提升机安装(拆卸)安全专项施工方案编制要点GDAQ32078.人工挖孔桩工程安全专项施工方案编制要点GDAQ32089.拆除工程安全专项施工方案编制要点GDAQ320910.施工现场应急救援预案编制要点GDAQ3210第三节安全技术交底一、地基与基础工程1.土方工程安全技术交底GDAQ330101 (359)2.回填土工程安全技术交底GDAQ330102 (360)3.深基坑工程安全技术交底GDAQ330103 (361)4.静力压桩工程安全技术交底GDAQ330104 (362)5.钻孔桩机安全技术交底GDAQ330105 (363)6.冲孔桩机安全技术交底GDAQ330106 (364)7.蒸汽打桩机安全技术交底GDAQ330107 (365)8.多功能打桩机安全技术交底GDAQ330108 (367)9.水上打桩工程安全技术交底GDAQ330109 (368)10.振动沉拔桩机安全技术交底GDAQ330110 (369)11.人工挖孔桩安全技术交底GDAQ330111 (370)12.人工挖孔桩钢筋安装安全技术交底GDAQ330112 (371)13.人工挖孔桩混凝土浇灌安全技术交底GDAQ330113 (372)14.人工土方开挖安全技术交底GDAQ330114 (373)15.地下连续墙施工安全技术交底GDAQ330115 (374)16.沉井施工安全技术交底GDAQ330116 (375)17.干作业螺旋钻孔成孔灌注桩施工安全技术交底GDAQ330117 (376)二、模板工程1.模板工程安全技术交底GDAQ330201 (378)2.高支模模板支架工程安全技术交底GDAQ330202 (379)3.大模板的堆放、安装和拆除安全技术交底GDAQ330203 (380)4.滑升模板安全技术交底GDAQ330204 (381)5.拆除模板支架安全技术交底GDAQ330205 (382)三、脚手架工程1.门型钢管外脚手架安全技术交底GDAQ330301 (383)2.落地式钢管外脚手架搭设安全技术交底GDAQ330302 (384)3.落地式钢管外脚手架拆除安全技术交底GDAQ330303 (385)4.附着式整体和分片提升脚手架工程安全技术交底GDAQ330304 (386)5.附着整体和分片提升脚手架升降作业技术交底GDAQ330305 (387)6.附着整体和分片脚手架安装搭设施工技术交底GDAQ330306 (388)7.悬挑脚手架作业安全技术交底GDAQ330307 (389)四、钢筋混凝土工程1.钢筋工程安全技术交底GDAQ330401 (390)2.钢筋调直机安全技术交底GDAQ330402 (391)3.钢筋弯曲机安全技术交底GDAQ330403 (392)4.钢筋冷拉机安全技术交底GDAQ330404 (393)5.预应力钢筋拉伸设备安全技术交底GDAQ330405 (394)6.钢筋切断机安全技术交底GDAQ330406 (395)7.钢筋对焊机安全技术交底GDAQ330407 (396)8.混凝土工程安全技术交底GDAQ330408 (397)9.砌块工程施工安全技术交底GDAQ330409 (398)10.泵送混凝土工程作业安全技术交底GDAQ330410 (399)五、施工机具1.混凝土喷射机安全技术交底GDAQ330501 (400)2.搅拌机安全技术交底GDAQ330502 (401)3.砂浆拌和机安全技术交底GDAQ330503 (402)4.圆盘锯安全技术交底GDAQ330504 (403)5.木工平刨安全技术交底GDAQ330505 (404)6.自动压刨安全技术交底GDAQ330506 (405)7.砂轮转机安全技术交底GDAQ330507 (406)8.空气压缩机安全技术交底GDAQ330508 (407)9.机动翻斗车安全技术交底GDAQ330509 (409)10.水磨石机安全技术交底GDAQ330510 (410)六、机械设备1.塔式起重机安装(拆卸)安全技术交底GDAQ330601 2.塔式起重机附着爬升(降塔)安全技术交底GDAQ330602 3.塔式起重机操作安全技术交底GDAQ3306034.施工升降机安装(拆卸)安全技术交底GDAQ330604 5.施工升降机操作安全技术交底GDAQ3306056.物料提升机安装(拆卸)安全技术交底GDAQ330606 7.物料提升机操作安全技术交底GDAQ3306078.桥(门)式起重机安装(拆卸)安全技术交底GDAQ330608 9.桥(门)式起重机操作安全技术交底GDAQ330609 10.架桥机安装(拆卸)安全技术交底GDAQ33061011.架桥机操作安全技术交底GDAQ33061112.挖掘机安全技术交底GDAQ33061213.起重指挥司索工安全技术交底GDAQ330613七、装饰装修工程1.外墙装饰抹灰工程安全技术交底GDAQ330701 (433)2.油漆作业安全技术交底GDAQ330702 (434)4.玻璃幕墙工程安全技术交底GDAQ330704 (436)5.门窗安装工程安全技术交底GDAQ330705 (437)6.卷材屋面施工安全技术交底GDAQ330706 (438)7.灌浆堵漏施工安全技术交底GDAQ330707 (439)八、钢结构工程1.金属加工、机修工程安全技术交底GDAQ330801 (440)2.铁器构件安装工程安全技术交底GDAQ330802 (441)3.钢结构及铁件制作工程安全技术交底GDAQ330803 (442)4.钢结构吊装安全技术交底GDAQ330804 (443)5.构件吊装安全技术交底GDAQ330805 (444)九、其他作业1.电焊工安全技术交底GDAQ330901 (445)2.高处作业及登高架设作业安全技术交底GDAQ330902 (446)3.气焊(割)作业技术交底GDAQ330903 (447)4.拆除工程安全技术交底GDAQ330904 (448)5.临时用电工程安全技术交底GDAQ330905 (449)6.装卸工作安全技术交底GDAQ330906 (451)7.爆破工程安全技术交底GDAQ330907 (452)8.顶管工程安全技术交底GDAQ330908 (453)9.管道施工工程安全技术交底GDAQ330909 (454)10.电梯安装安全技术交底GDAQ330910 (455)11.通风与空调工程设备安装安全技术交底GDAQ330911 (456) 第四节各工种及机械设备安全操作规程一、各工种安全操作规程1.普通工(杂工)安全操作规程GDAQ340101 (459)2.凿岩爆破工安全操作规程GDAQ340102 (460)3.木工安全操作规程GDAQ340103 (462)4.钢筋工安全操作规程GDAQ340104 (463)5.混凝土工安全操作规程GDAQ340105 (465)6.搅拌机操作工安全操作规程GDAQ340106 (466)7.抹灰工安全操作规程GDAQ340107 (467)8.瓦工安全操作规程GDAQ340108 (468)9.架子工安全操作规程GDAQ340109 (469)10.高空作业安全操作规程GDAQ340110 (471)11.建筑电工安全操作规程GDAQ340111 (472)12.电焊工安全操作规程GDAQ340112 (474)13.气焊(割)工安全操作规程GDAQ340113 (475)14.机械操作工安全操作规程GDAQ340114 (476)15.机械维修工安全操作规程GDAQ340115 (477)16.卷扬机司机安全操作规程GDAQ340116 (478)17.物料提升机司机安全操作规程GDAQ340117 (479)18.施工升降机司机安全操作规程GDAQ340118 (480)19.塔式起重机司机安全操作规程GDAQ340119 (481)20.架桥机司机安全操作规程GDAQ340120 (482)21.门式起重机司机安全操作规程GDAQ340121 (484)22.桥式起重机司机安全操作规程GDAQ340122 (486) 23.起重指挥司索工安全操作规程GDAQ234012324.流动式起重机司机安全操作规程GDAQ J3T40124 25.打桩机司机安全操作规程GDAQ34012526.打桩工安全操作规程GDAQ234012627.机动车司机安全操作规程GDAQ234012728.土方机械司机安全操作规程GDAQ34012829.保温、防水工安全操作规程GDAQ234012930.安装钳工铆工安全操作规程GDAQ334013031.管道安装工安全操作规程GDAQ234013L32.通风工安全操作规程GDAQ234013233.油漆涂料工安全操作规程GDAQ34013334.玻璃工安全操作规程GDAQ340134二.各种机械设备安全操作规程1.塔式起重机安全操作规程GDAQ340201 (503)2.施工升降机安全操作规程GDAQ340202 (505)3.物料提升机安全操作规程GDAQ340203 (507)4.架桥机安全操作规程GDAQ340204 (508)5.门式、桥式起重机安全操作规程GDAQ340205 (514)6.起重吊车安全操作规程GDAQ340206 (515)7.圆盘锯安全操作规程GDAQ340207 (517)8.木工平刨机安全操作规程GDAQ340208 (518)9.钢筋切断机安全操作规程GDAQ340209 (519)10.钢筋对焊机安全操作规程GDAQ340210 (520)11.钢筋弯曲机安全操作规程GDAQ340211 (521)12.套丝切管机安全操作规程GDAQ340212 (522)13.钢筋冷挤压连接机安全操作规程GDAQ340213 (523)14.混凝土泵机安全操作规程GDAQ340214 (524)15.混凝土搅拌机安全操作规程GDAQ340215 (526)16.混凝土插人式振动器安全操作规程GDAQ340216 (528)17.混凝土附着式、平板式振动器安全操作规程GDAQ340217 (529)18.砂浆搅拌机安全操作规程GDAQ340218 (530)19.蛙式夯实机安全操作规程GDAQ340219 (531)20.振动冲击夯机安全操作规程GDAQ340220 (532)21.交流电焊机安全操作规程GDAQ340221 (533)22.水磨石机安全操作规程GDAQ340222 (534)23.手持电动工具安全操作规程GDAQ340223 (535)24.砂轮机安全操作规程GDAQ340224 (537)25.机动翻斗车安全操作规程GDAQ340225 (538)26.装载机安全操作规程GDAQ340226 (539)27.柴油锤桩机安全操作规程GDAQ340227 (540)28.振动锤桩机安全操作规程GDAQ340228 (541)29.静力压桩机安全操作规程GDAQ340229 (543)30.强夯机安全操作规程GDAQ340230 (544)31.风动凿岩机安全操作规程GDAQ340231 (545)32.空气压缩机安全操作规程GDAQ340232 (546)33.发电机安全操作规程GDAQ340233 (547)34.潜水泵安全操作规程GDAQ340234 (548)35.混凝土真空吸水设备安全操作规程GDAQ340235 (549)36.混凝土切割机安全操作规程GDAQ340236 (550)37.推土机安全操作规程GDAQ340237 (551)38.振动压路机安全操作规程GDAQ340238 (553)第四章安全监理资料第一节安全监理制度1.监理单位安全监理责任制编制要点GDAQ4101 (557)2.监理单位安全管理制度编制要点GDAQ4102 (560)3.监理单位安全教育培训制度编制要点GDAQ4103 (562) 第二节安全监理方案及实施细则1.安全监理方案GDAQ4201 (565)2.安全监理实施细则GDAQ4202 (566)第三节安全监理用表1.监理单位管理人员签名笔迹备查表GDAQ4301 (569)2.安全会议纪要(含续表)GDAQ4302 (570)3.安全监理工作计划表GDAQ4303 (572)4.安全监理工作联系单GDAQ4304 (573)5.安全监理日志GDAQ4305 (574)6.施工安全监理周报(报建设工程安全监督站)GDAQ4306 (575)7.建筑施工起重机械安装/拆卸旁站监理记录表GDAQ4307 (576)8.危险性较大的分部分项工程旁站监理记录表GDAQ4308 (577)9.安全隐患整改通知(监理对施工单位项目部)GDAQ430910.安全隐患整改通知回复(施工单位项目部报监理)GDAQ4310 11.暂时停止施工通知(监理对施工单位项目部)GDAQ431112.复工申请(施工单位项目部报监理)GDAQ431213.安全监理重大情况报告GDAQ431314.安全专项施工方案报审表GDAQ2110315.危险性较大分部分项工程安全专项施工方案专家论证审查表GDAQ431416.安全防护、文明施工措施费用使用计划报审表GDAQ4315 17.施工单位(总包,分包)安全管理体系报审表GDAQ431618.施工安全防护用具、设备、器材报审表GDAQ431719.建设工程施工安全评价书GDAQ4318录一工程项目安全生产管理资料组卷目录本页为著作的封面,下载以后可以删除本页!【最新资料Word版可自由编辑!!员工录用管理制度为规范试用期员工的管理和辅导工作,创造良好的试用期工作环境,加速试用员工的成长和进步,特制定目标责任制制度。
第四节分部分项工程安全技术交底(GDAQ20401- GDAQ20403)1.管理人员进场安全交底表2.分部(分项)工程安全技术交底2.分部(分项)工程安全技术交底汇总表第五节安全教育(GDAQ20501- GDAQ20509)1.新工人安全教育汇总表2.新工人入场三级安全教育登记表(1)公司(第一级)安全教育记录(2)项目部(第二级)安全教育记录(3)班组(第三级)安全教育记录3.变换工种安全教育登记表4.作业人员安全教育登记表5.管理人员安全教育登记表(年度)6.急救人员安全教育登记表(年度)7.节前(节后)安全教育登记表8.日常安全教育登记表9.应急知识教育登记表管理人员进场安全交底表工程名称:施工单位:分部(分项)工程安全技术交底施工单位:分部(分项)工程安全技术交底汇总表工程名称:施工单位:填表人(签名):年月日新工人安全教育汇总表工程名称:施工单位:填表人(签名):年月日新工人入场三级安全教育登记表工程名称:施工单位:1.应建立健全定期的安全生产教育培训制度。
2.新工人入场必须填写登记表个人部分的内容。
3.进行公司、项目部、班组每级安全教育后,经教育人和受教育人分别签名。
公司(第一级)安全教育记录工程名称:施工单位:填表人(签名):年月日项目部(第二级)安全教育记录工程名称:施工单位:填表人(签名):年月日班组(第三级)安全教育记表工程名称:韶关宝能国际度假旅游丹霞天街铝合金门窗工程施工单位:深圳金粤幕墙装饰工程有限公司填表人(签名):年月日变换工种安全教育登记表工程名称:施工单位:填表人(签名):年月日注:工人变换工种,应进行操作技能和安全操作知识的教育和培训,时间不得少于20学时,考核合格后,方可上岗操作。
作业人员安全教育登记表(年度)工程名称:施工单位:填表人(签名):年月日管理人员安全教育登记表(年度)工程名称:施工单位:填表人(签名):年月日注:项目安全人员、管理人员按规定每年必须进行安全培训,考核合格后持证上岗。
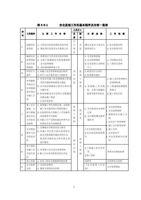
表3-3-1安全监理工作的基本程序与内容一览表《广东省建设工程安全监理统一用表》目录1、项目监理机构安全管理体系记录表2、安全监理规划、细则、方案、措施编制与实施登记表3、施工安全涉与强制性规定落实情况记录表4、安全监理专项活动登记表5、项目监理机构安全检查记录汇总表6、施工安全技术方案、措施落实情况监理检查记录表7、建筑施工现场安全管理监理检查记录表8、施工安全管理资料监理检查记录表9、安全隐患整改跟踪记录汇总表10、安全隐患整改通知单11、安全隐患整改通知单回复12、安全隐患暂时停工通知书13、安全整改复工报审表14、施工安全隐患监理快报表15、施工安全监理月报表16、施工安全监理总结评价表17、施工单位安全管理体系审查登记表18、分包单位安全资格报审表19、专项施工安全方案与措施审查登记20、专项安全施工方案(技术措施)报审表21、特种作业人员安全资质审查登记22、施工安全教育培训、技术交底审查记录23、施工企业各级安全生产检查与验收登记表24、施工机械设备设施安全审查登记表25、施工机械设备设施安全报审表26、施工安全事故监理分析报告表项目监理机构安全管理体系记录表1、本表一式三份,监理单位、建设单位、施工安全监督机构各一份,工程开工前填报;2、项目监理机构应如实、全面填写本表的内容,以从安全监理组织管理体系上保证履行安全监理责任。
3、随表应附相关人员资格、资历等证明资料与工作岗位分工与责任制度。
安全监理规划、细则、方案、措施编制与实施登记表填表说明1、本表一式一份,项目监理机构保存,以备监理单位、建设单位、安全监督机构检查,并考核项目监理机构履行安全监理责任情况;2、项目监理机构应如实、全面填写本表的内容,从安全监理技术措施上保证履行安全监理责任。
3、随表应附相应安全监理规划、方案、措施等文件保存在项目监理机构(也可报建设单位、施工安全监督机构)。
施工安全涉与强制性规定落实情况记录表填表说明1、本表一式一份,由项目监理机构保存;监理单位、建设单位和安全监督机构与时检查,并考核项目监理机构履行安全监理责任情况;2、项目监理机构在监理过程中应如实、与时和全面填写本表的内容,以从国家法律、法规要求,和国家规范与标准的强制性条款方面保证履行安全监理责任。
第四章安全监理资料第一节安全监理制度监理单位安全监理责任制编制要点监理单位应落实安全监理责任制,建立安全监理管理体系,制定安全监理规章制度,检查指导项目监理机构的安全监理工作。
根据《关于落实建设工程安全生产监理责任的若干意见》(建市[2006]248号),结合企业和工程项目特点,明确各岗位监理人员的安全监理职责,设立相应的专职或兼职安全监理员。
监理单位安全监理责任制包含以下内容:一、监理单位法定代表人安全监理工作职责;二、监理单位分管安全负责人安全监理工作职责;三、总监理工程师安全监理工作职责;四、专业监理工程师安全监理工作职责;五、安全监理员安全监理工作职责。
监理单位安全管理制度编制要点GDAQ4102监理单位安全管理制度编制应包括五项基本内容,审查、审核制度;巡视、检查、验收制度;督促整改制度;工地例会制度和安全监理资料管理、归档制度。
各项内容的编制要点分别为:一、审查、审核制度编制要点(一)对施工单位编制的施工组织设计中的安全技术措施和危险性较大的分部分项工程安全专项施工方案,审查是否符合工程建设强制性标准要求。
(二)检查施工单位在工程项目上的安全生产规章制度和安全管理机构的建立情况,督促施工单位检查各分包单位的安全生产规章制度的建立情况。
(三)审查施工单位资质和安全生产许可证是否合法有效。
(四)审查项目负责人和专职安全生产管理人员是否具备合法资格,是否与投标文件相一致。
(五)审核特种作业人员的特种作业操作资格证书是否合法有效。
(六)审核施工单位应急救援预案、安全防护措施费用使用计划和支付申请。
(七)核查施工起重机械、整体提升脚手架、模板等自升式架设设施和安全设施的拆除、安装和验收手续是否符合要求。
二、巡视、检查、验收制度编制要点(一)现场监理人员应对施工现场安全情况进行定期或不定期的巡视检查,对监理过程中发现存在安全事故隐患,及时书面要求施工单位整改。
情况严重的,责令施工单位暂时停止施工并呈报建设单位,施工单位拒不整改或者不停止施工的,及时向上级主管部门报告;(二)监理人员应在施工过程中采取巡查或抽查方式,随时对施工现场的安全进行检查,对于违章指挥、违章操作应当立即制止,对于需要协调解决的,应组织召开施工现场安全问题专题会研究解决,及时消除安全隐患。
表3-3-1安全监理工作的基本程序及内容一览表序号工作程序主要工作内容人员分工主要成果工作依据负责配合1 组建项目监理部1.分清安全监理范围及具体内容2.确定项目总监及安全监理人员公司领导总监确定总监及主要安全监理责任人1.安全监理法规2.安全监理合同2 编制安全监理规划及安全监理细则1.熟悉设计文件及有关技术资料2.总监主持编制安全监理规划和安全监理细则3.进驻现场做准备工作项目总监监理工程师1.安全监理规划2.安全监理细则3.安全监理人员职责分工1.合同规定内容2.工程有关资料3 审查开工条件1.对施工安全管理体系进行检查2.对开工安全条件进行全面检查1.检查评分与评价2.监理整改通知1.施工安全管理相关法规和标准2.工程建设标准强制性条文3.施工承包合同3 审查施组中的安全技术措施或专项安全施工方案1.审查安全施工技术措施或方案是否符合强制性标准条文规定2.安全技术措施或方案否完善并具可操作性3.机构设置及安全管理人员配置是否满足施工要求4.汇总审查意见1.各项施工安全施组、方案与措施的监理书面审查意见4 施工安全施组、方案与措施落实及安全目标动态监控1.监督施工单位按照法规、标准和施工安全组织设计等组织施工2.对危险性较大的施工工序实施旁站监督和平行检验3.对施工生产过程实施定时和不定时的综合安全巡视检查监理工程师监理员1.安全检查评分表和记录2.安全隐患整改监理通知书1.安全监理规划2.安全监理细则3.批准的安全施工方案4.安全生产管理条例5.施工安全检查标准6.施工合同7.安全协议书8.安全管理相关法规等5 安全情况报告与安全状况评价1.定期就安全情况向业主报告2.对施工单位拒不执行监理发出的安全隐患整改通知书的行为,要及时书面向业主和行政主管部门报告项目总监监理工程师1安全监理月报表2.安全状况阶段性报告6 竣工验收及施工安全综合评价1.审查竣工有关安全管理资料2.施工安全评定核查及综合评定1.工程施工安全评价书2.竣工资料质量安全验收标准7 竣工结算 1.审查工程安全措施费用的结算结算书合同和有关资料8 安全监理总结1.总结经验教训2.整理文档资料及归档《安全监理工作总结》公司管理规定1。
D-a1施工总包单位资格报审表监理单位)现将我单位的企业资质和人员资格资料上报,请予以审查。
如企业资质和人员资格发生变化,另将补报调整资料。
专职安全生产管理人员姓名附:①上海市建设工程施工中标通知书② 企业营业执照、资质证书、安全生产许可证 ③ 项目经理岗位证书、安全生产考核合格证书 ④ 专职安全生产管理人员安全生产考核合格证书 ⑤ 其他:施工单位 项目经理 日期—审查意见:安全监理人员 日期审核意见:项目监理机构 总监理工程师 日期 ________说明:相关执照、证书等复印件必须由该项目的上级单位盖红章有效。
工程名称:编号:注册资本资质类别和等级安全生产许可证有效期项目经理姓名岗位证书安全生产考核合格证书编号的施工资质和施工能力,其项目经理和专职安全生产管理人员配备符合要求, 可以保证工程项目按合同的规定进行施工。
分包后,我方仍承担总包单位的全部责审查意见:安全监理人员日期审核意见:项目监理机构总监理工程师日期_________说明:每一个分包单位填报一份。
相关证件复印件必须由该项目的上级单位盖红章有效D — a2施工分包单位资格报审表工程名称: 编号致 (监理单位)经我单位审查,拟选择的分包单位)具有承担下列工程任。
请予以审查。
分包工程名称分包类别分包工程数量分包工程规模分包工程造价注册资本 资质类别和等级 安全生产许可证有效期项目经理姓名专职安全生产管理人员姓名岗位证书 安全生产考核证书编号附:①企业营业执照、资质证书、安全生产许可证② 项目经理岗位证书、安全生产考核合格证书 ③ 专职安全生产管理人员安全生产考核合格证书口 口 口 施工单位 项目经理 日期—D—a3施工单位特种作业人员报审表工程名称: 编号说明:工作单位应填写施工总包单位或分包单位名称,审核时应抽查证书原件。
D — a4施工组织设计(方案)报审表工程名称: 编号监理单位)我单位已完成了工程(施工组织设计中的安全技术措施/专项施工方案/应急救援预案)的编制, 审批手续齐全,请予以审查。
表3-3-1安全监理工作的基本程序及内容一览表《广东省建设工程安全监理统一用表》目录1、项目监理机构安全管理体系记录表2、安全监理规划、细则、方案、措施编制与实施登记表3、施工安全涉及强制性规定落实情况记录表4、安全监理专项活动登记表5、项目监理机构安全检查记录汇总表6、施工安全技术方案、措施落实情况监理检查记录表7、建筑施工现场安全管理监理检查记录表8、施工安全管理资料监理检查记录表9、安全隐患整改跟踪记录汇总表10、安全隐患整改通知单11、安全隐患整改通知单回复12、安全隐患暂时停工通知书13、安全整改复工报审表14、施工安全隐患监理快报表15、施工安全监理月报表16、施工安全监理总结评价表17、施工单位安全管理体系审查登记表18、分包单位安全资格报审表19、专项施工安全方案与措施审查登记20、专项安全施工方案(技术措施)报审表21、特种作业人员安全资质审查登记22、施工安全教育培训、技术交底审查记录23、施工企业各级安全生产检查与验收登记表24、施工机械设备设施安全审查登记表25、施工机械设备设施安全报审表26、施工安全事故监理分析报告表项目监理机构安全管理体系记录表1、本表一式三份,监理单位、建设单位、施工安全监督机构各一份,工程开工前填报;2、项目监理机构应如实、全面填写本表的内容,以从安全监理组织管理体系上保证履行安全监理责任。
3、随表应附相关人员资格、资历等证明资料及工作岗位分工与责任制度。
安全监理规划、细则、方案、措施编制与实施登记表填表说明1、本表一式一份,项目监理机构保存,以备监理单位、建设单位、安全监督机构检查,并考核项目监理机构履行安全监理责任情况;2、项目监理机构应如实、全面填写本表的内容,从安全监理技术措施上保证履行安全监理责任。
3、随表应附相应安全监理规划、方案、措施等文件保存在项目监理机构(也可报建设单位、施工安全监督机构)。
施工安全涉及强制性规定落实情况记录表填表说明1、本表一式一份,由项目监理机构保存;监理单位、建设单位和安全监督机构及时检查,并考核项目监理机构履行安全监理责任情况;2、项目监理机构在监理过程中应如实、及时和全面填写本表的内容,以从国家法律、法规要求,和国家规范与标准的强制性条款方面保证履行安全监理责任。
监理单位安全监理责任制编制要点 GDAQ4101 监理单位应落实安全监理责任制,建立安全监理管理体系,制定安全监理规章制度,检查 指导项目监理机构的安全监理工作。根据《关于落实建设工程安全生产监理责任的若干意见》 (建市〔2006〕248号),结合企业和工程项目特点,明确各岗位监理人员的安全监理职责, 设立相应的专职或兼职安全监理员。监理单位安全监理责任制应包含以下内容: 一、监理单位法定代表人安全监理工作职责; 二、监理单位分管安全负责人安全监理工作职责; 三、总监理工程师安全监理工作职责; 四、专业监理工程师安全监理工作职责; 五、安全监理员安全监理工作职责。 监理单位安全管理制度编制要点 GDAQ4102 监理单位安全管理制度编制应包括五项基本内容,审查、审核制度;巡视、检查、验收制度;督促整改制 度;工地例会制度和安全监理资料管理、归档制度。 各项内容的编制要点分别为: 一、审查、审核制度编制要点 (一)对施工单位编制的施工组织设计中的安全技术措施和危险性较大的分部分项工程安全专项施工方案,审查 是否符合工程建设强制性标准要求。 (二)检查施工单位在工程项目上的安全生产规章制度和安全管理机构的建立情况,督促施工单位检查各分包 单位的安全生产规章制度的建立情况。 (三)审查施工单位资质和安全生产许可证是否合法有效。 (四)审查项目负责人和专职安全生产管理人员是否具备合法资格,是否与投标文件相一致。 (五)审核特种作业人员的特种作业操作资格证书是否合法有效。 (六)审核施工单位应急救援预案、安全防护措施费用使用计划和支付申请。 (七)核查施工起重机械、整体提升脚手架、模板等自升式架设设施和安全设施的拆除、安装和验收手续是否 符合要求。 二、巡视、检查、验收制度编制要点 (一)现场监理人员应对施工现场安全情况进行定期或不定期的巡视检查,对监理过程中发现存在安全事故隐 患,及时书面要求施工单位整改。情况严重的,责令施工单位暂时停止位施工并呈报建设单位,施工单位拒不整改 或者不停止施工的,及时向上级主管部门报告; (二)监理人员应在施工过程中采取巡查或抽查的方式,随时对施工现场的安全进行检查,对于违章指挥、违 章操作应当立即制止,对于需要协调解决的,应组织召开施工现场安全问题专题会研究解决,及时消除安全隐患。 (三)对危险性较大的分部分项工程,监理人员要加强巡视、旁站; (四)检查现场施工单位是否按照施工组织设计中的安全技术措施和专项施工方案组织施工,及时制止违章施工 作业; (五)检查施工现场起重机械、整体提升脚手架、模板等自升式架设设施和安全设施的验收手续是否符合规定; (六)检查施工现场各种安全标志和安全防护措施是否符合强制性标准要求; (七)督促施工单位进行安全自查工作,并对施工单位自查情况进行抽查; (八)要求施工单位对其使用的安全防护用具及机械设备提供出产合格证及安全性能说明文件。 (九)对建设单位、政府部门组织的安全大检查中提出的问题,督促施工单位按期整改,复查后将整改情况向 检查单位反馈。 三、督促整改制度编制要点 (一)对发现的各类安全事故隐患,应书面通知施工单位,并督促其立即整改;情况严重的,监理单位应及时下达 工程暂停令,要求施工单位停工整改,并同时报告建设单位。安全,监理单位应检查整事故隐患消除后改结果,签署 复查或复工意见。 (二)施工单位拒不整改或不停工整改的,监理单位应当及时向工程所在地建设主管部门或工程项目的行业主 管部门报告,以电话形式报告的,应当有通话记录,并及时补充书面报告。 (三)检查、整改、复查、报告等情况应记载在监理日志、监理月报中。 四、工地例会制度编制要点 (一)日常的工地例会中,应有安全生产方面的内容,针对薄弱环节和存在问题,提出整改意见,并督促 落实; (二)必要时,可由总监理工程师、总监代表、专业监理工程师或安全监理员组织各参建单位召开 安全专题会议; (三)工地例会会议纪要由项目监理机构负责起草,并经与会各方代表会签。 五、安全监理资料管理、归档制度编制要点 (一)安全监理资料的管理由总监理工程师负责,安全监理员负责收集,总监指定专人保管; (二)总监理工程师要对安全监理资料的收集、保管工作经常进行监督检查; (三)建立安全监理资料归档制度,指定专人负责安全监理内业资料的收集、整理、分类及 立卷归档。
(四)工程竣工后,将有关安全监理资料按规定立卷归档。 监理单位安全教育培训制度编制要点 GDAQ4103 一、建立监理人员安全生产教育培训制度。监理单位的总监理工程师和安全监理人员需经安全 生产教育培训后方可上岗。 二、总监理工程师应定期或不定期组织监理人员学习安全生产的法律法规、规范标准;培训内容 包括:国家有关安全生产的方针、政策、法规、及省市有关安全监理方面的规定、安全监理工作制度、 程序和用表,危险性较大的分部分项工程的安全监理实施细则等。
GDAQ4201
工程
安全监理方案
编 制: 校 核: 审 批:
公司 (公章) 年 月 日 GDAQ4202 工程
安全监理实施细则
编 制:
审 批:
工程项目监理部 年 月 日 监理单位管理人员签名笔迹备查表 GDAQ4301 工程名称:
单 位 名 称 总监理工程师 (签名) 总监代表 (签名)
专业监理工程师 (签名) 专业监理工程师 (签名)
专业监理工程师 (签名) 专业监理工程师 (签名)
安全监理员 (签名)
安全监理员 (签名)
声明:以上签名均由本人亲笔签署,如有作假,本单位愿意承担相关法律责任。 ( 单位公章 ) 年 月 日 安全会议纪要 GDAQ4302 工程名称: 会议名称 会议日期 会议地点 主 持 人 参加会议单位及人员、职称、职务 姓名(签名) 单 位 职 称 职 务 安全会议纪要(续表) GDAQ4302-1
工程名称: 会议纪要内容:(可加页) 记录人(签名): 年 月 日 安全监理危险源控制表 GDAQ4303 工程名称: 分部分项工程 工 程 进 度 危险源识别 安全监理对策 检 查 要 求 备 注
安全监理员(签名): 年 月 日 总监理工程师(签名): 年 月 日 说明: 分部分项工程在不同的作业时期,将存在不同的危险、有害因素,所在施工前项目监理机构应进行深入的分析和研究,对施工现场危险源加以识别、评价和
控制策划,拟定在本分部分项工程不同进度期间的安全监理对策和检查要求,并形成此表,以指导安全监理工作。此表可按项目或单位工程填写,安全监理对策应有针对性和可操作性。 安全监理工作联系单 GDAQ4304 工程名称: 致:
事由:
内容:
项目监理机构(章): 总监理工程师(签名): 日 期:
说明:用于各方安全管理联系用。 安 全 监 理 日 志 GDAQ4305 工程名称:
日期 年 月 日 星期 天气 上午 下午 夜间 施工内容:
安全检查情况(包括旁站监理情况): 处理措施(限期整改、暂时停工、上报建设单位或有关部门): 施工单位隐患整改情况: 危险性较大分部分项工程安全状况: 其他: 安全监理员 总监理工程师 审阅日期 年 月 日 施工安全监理周报 (报建设工程安全监督站) GDAQ4306 项目监理机构(章): 年 月 日 安监登记号 安监监督员 项目名称 总监理工程师 建设单位 项目负责人 施工单位 项目负责人 总(分)包单位 施工进度情况
施工单位安全 管理架构及履 行职责情况
特种作业人员 持证上岗情况
项目监理定期 安全检查情况
施工单位落实 安监站安全隐 患整改指令的 情况
施工单位落实 监理单位安全 隐患整改指令 的情况
本周危险性较 大分部分项工 程安全状况
其他安全状况 填写人(签名): 总监理工程师(签名): 建筑施工起重机械安装/拆卸旁站监理记录表 GDAQ4307 工程名称: 作业日期 天气 风力 起重机械名称 自编号 型 号 安装位置 安装类别 总承包单位 使用单位 安装/拆卸单位 旁站监理时间 1.安装/拆卸前是否已履行监理报审手续? 2.安装/拆卸前是否已办理告知手续? 3.总承包单位专职安全生产管理人员到位情况: ; 4.使用单位专职设备管理人员、专职安全生产管理人员到位情况: ;
5.安装/拆卸单位专业技术人员、专职安全生产管理人员到位情况: ; 6.安装/拆卸单位安全技术交底情况: ; 7.安装/拆卸特种作业人员到位情况:是否与方案相符? 证书与人员是否相符? 8.安装/拆卸准备情况是否符合专项方案要求? 9.安装/拆卸应急救援准备情况: ; 10.安装/拆卸作业警戒区的设立与警戒人员到位情况: ; 11.安装/拆卸作业执行专项方案情况:
12.其他: 总承包单位专职安全员(签名): 旁站监理人员(签名): 使用单位专职安全员(签名): 安装/拆卸单位项目负责人(签名): 年 月 日 总监理工程师(签名):
年 月 日 审阅日期: 年 月 日