起重机械自查自纠表
- 格式:doc
- 大小:62.00 KB
- 文档页数:2
吊车自检自查表序号:______ 检查日期:_______检查人:_______ 检查部位:_______检查内容:1. 外观及工况检查:- 检查吊车外观是否完整,是否有锈蚀、损坏等情况;- 检查吊臂、支腿、起重钩等是否存在异常;- 检查行走制动器、转台制动器、起升制动器等是否正常。
2. 起重系统检查:- 检查起重机构的钢丝绳是否损坏、磨损等情况;- 检查起重机构的起重链条是否存在异常磨损;- 检查重载限位器、高度限位器等是否正常可用。
3. 动力系统检查:- 检查发动机、液压系统、液压油箱等是否有泄漏情况; - 检查液压系统的油位、油质是否符合要求;- 检查液压油管、接头是否存在破损、漏油情况。
4. 操作系统检查:- 检查控制柜、操作台等操作设备是否齐全,功能是否正常;- 检查各个指示灯、报警装置等是否正常;- 检查行走、转动、起升、平衡等操作是否灵活可靠。
5. 安全保护装置检查:- 检查安全保护装置是否完好,是否能够正确起作用;- 检查限位装置、过载保护装置等是否准确可靠;- 检查紧急停车开关、紧急停车按钮等是否正常。
6. 紧固件检查:- 检查各个连接部位的螺栓、螺母是否松动、缺失;- 检查吊车各个部位是否存在异常震动、晃动。
检查结果:1. 检查部位:___________________________________________________________检查结果:___________________________________________________________2. 检查部位:___________________________________________________________检查结果:___________________________________________________________3. 检查部位:___________________________________________________________检查结果:___________________________________________________________ ...备注:- 对于发现的问题,请详细描述问题状况,并采取相应的维修、更换或调整措施;- 如无问题,可在检查结果栏写明“正常”字样。
吊车自检自查表以下是一个典型的吊车自检自查表,用于确保吊车的安全运行和正常工作。
此自检自查表旨在提供一个指导工具,以帮助吊车操作人员在每次使用吊车之前进行必要的检查和评估。
吊车信息:1. 吊车型号:2. 吊车编号:3. 检查日期:自检自查项目:A. 吊车外部检查:1. 检查吊车身体外观是否有明显的损坏或移位。
2. 检查吊车钢丝绳是否有磨损、断裂或离线。
3. 检查吊车底座和支撑腿是否牢固。
4. 检查吊车轮胎和轮轴是否正常工作。
5. 检查吊车喇叭、灯光和信号装置是否正常。
B. 吊具检查:1. 检查起重机和钢丝绳是否完整。
2. 检查起重机的吊具是否有磨损或裂纹。
3. 检查吊钩是否有裂纹、变形或损坏。
4. 检查吊钩的安全销是否完整,能够正常工作。
5. 检查吊钩的旋转和锁定装置是否正常工作。
6. 检查吊具的额定承载量是否符合实际工作要求。
C. 液压系统检查:1. 检查液压系统是否有泄漏。
2. 检查液压油的水平是否符合标准。
3. 检查液压油的滤芯是否需要更换。
4. 检查液压油的温度和压力是否处于正常范围。
D. 电气系统检查:1. 检查电气系统的电源是否正常。
2. 检查电气线路和插头是否完好。
3. 检查电气仪表和控制器是否正常工作。
4. 检查警示灯和报警器是否能够正常发出信号。
E. 其他注意事项:1. 检查操作手册是否齐全,并与操作员一起阅读和理解。
2. 检查操作员是否熟悉吊车的操作程序和安全规定。
3. 检查操作员是否具备所需的资质和证书。
以上是一个典型的吊车自检自查表,供吊车操作员在每次使用吊车之前参考和使用。
通过使用此自检自查表,可以确保吊车在使用过程中的安全和正常工作,并最大程度地减少事故和故障的发生。
需要注意的是,此自检自查表仅提供了一般性的检查项目,实际使用中可能需要根据具体吊车型号和工作环境进行适当的调整和补充。
塔式起重机项目管理行为自查自纠表一、项目启动阶段1.是否制定了完整的项目计划,并明确项目目标、项目范围、项目资源和时间计划?2.是否对项目需求进行了详尽、准确的分析和理解,并获得了相关方的认可?3.是否执行了项目启动会议,明确了项目角色、任务和职责分配,并保证参与方的充分沟通和理解?4.是否报备了项目,按照上级部门的要求获得了相关许可和批文?5.是否制定了项目组织架构,明确了各级人员的职责、权利和义务?二、项目规划阶段1.是否跟进了项目计划的实施和推进,保证了项目进度的有效管理?2.是否根据项目具体情况,精细化制定了项目各项任务执行的详细计划,对风险进行了预警和评估?3.是否全面考虑了项目所需要的资源和资金,并制定了相关的管理措施和预算报告?4.是否明确了项目的标准和质量要求,制定了相应的技术标准和管理流程,并使之贯彻到项目的实施过程中?5.是否制定了项目评审和验收的标准和流程,以确保项目成果的达成和交付?三、项目实施阶段1.是否在项目实施过程中,严格执行各项管理规定和流程,遵循相关法律法规和规范标准?2.是否按照各项计划和任务表,在预算和时间的限制下,安排并实施了各项工作并及时跟进和调整?3.是否在质量、安全、生产等方面进行了充分的管理和控制,并保证了项目进度和成本的协调?4.是否制定了有效的变更控制和风险管理机制,及时响应项目变更和风险事件,并及时处理和调整?5.是否及时向项目相关方报告项目进度、质量、安全、预算等方面的情况,并进行风险预警和应对措施的沟通和协同?四、项目收尾阶段1.是否制定了项目交付的标准和要求,并根据接收方的需求和要求进行了成果的验收和交付?2.是否完整地总结了项目的经验和教训,并制定了相应的文件和报告?3.是否对项目成果进行了清理和归档,彻底销毁了所有不合格的物品和设备?4.是否对参与项目的成员进行了综合评价,并清理和交接了相关的项目文件和资料?5.是否严格保护了项目的知识产权,避免了项目在知识和技术方面的泄漏和侵权问题的发生?五、自查自纠结果本次自查自纠结果如下:•项目启动阶段:5项均符合标准。
吊车自检自查表一、基本信息吊车型号:_____吊车编号:_____检查日期:_____检查人员:_____二、外观检查1、车身结构检查吊车的车架、吊臂、支腿等结构部件是否有变形、裂纹或腐蚀现象。
观察焊接部位是否牢固,有无开焊情况。
2、漆面查看车身漆面是否完好,有无剥落、生锈等情况。
3、灯光与标识检查前后大灯、转向灯、刹车灯等灯光是否正常工作。
确认吊车的警示标识、编号等是否清晰可见。
三、动力系统检查1、发动机检查发动机的外观,有无漏油、漏水现象。
启动发动机,听其运转声音是否正常,有无异常抖动。
查看仪表盘上的水温、油压等指示是否在正常范围内。
2、传动系统检查离合器的工作是否顺畅,有无打滑现象。
检查变速器的换挡是否灵活,有无异响。
3、燃油系统检查油箱及油管是否有渗漏,燃油滤清器是否需要更换。
4、冷却系统检查水箱、水泵、散热器等部件是否正常,冷却液液位是否符合要求。
四、电气系统检查1、电池检查电池的外观是否有损坏,电极桩头是否清洁、紧固。
测量电池的电压,确保其在正常范围内。
2、电线与线束查看电线和线束是否有破损、老化、接触不良等情况。
3、电器设备检查喇叭、雨刮器、空调等电器设备是否正常工作。
五、起重系统检查1、吊钩检查吊钩的表面是否有裂纹、磨损或变形。
确认吊钩的防脱钩装置是否完好有效。
2、钢丝绳检查钢丝绳的磨损、断丝情况,是否达到报废标准。
观察钢丝绳在卷筒上的排列是否整齐。
3、卷筒检查卷筒的表面是否有磨损、裂纹。
查看卷筒的制动装置是否灵敏可靠。
4、滑轮检查滑轮的转动是否灵活,轮缘是否有破损。
六、液压系统检查1、油泵检查油泵的工作是否正常,有无异常噪音。
2、油缸观察油缸的外观,有无漏油现象。
测试油缸的伸缩是否平稳,有无卡顿。
3、液压阀检查液压阀的操作是否灵活,有无卡滞现象。
4、液压管路查看液压管路是否有渗漏,接头是否紧固。
七、制动系统检查1、行车制动测试行车制动的效果,制动距离是否符合要求。
检查制动片的磨损情况,是否需要更换。
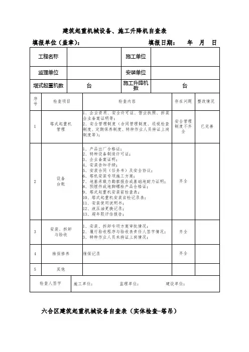
表1-1-1 施工企业在用建筑起重机械自查汇总表
填报单位(公章):填报人:联系电话:
表1-1-2 工程项目部建筑起重机械自查汇总表
项目经理:填报人:联系电话:
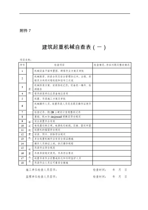
表1-1-3 施工总包或使用单位建筑起重机械自查表
施工总包企业(使用单位)名称(盖章):填报日期:年月日
注:每部起重机械应填一份自查表检查人(至少2人):
项目经理确认(签章):
表1-1-4 工程项目监理单位建筑起重机械自查表
项目监理单位名称(盖章): 填报日期:年月日
注:每部起重机械应填一份自查表
检查人(至少2人):项目总监确认(签章):
表1-1-5 设备安装(拆卸)单位建筑起重机械自查表
设备安装(拆除)单位名称:(盖章)填报日期:年月日
注:每部起重机械应填一份自查表
检查人(至少2人):
设备安装(拆卸)单位项目负责人确认(签字):
表1-1-6 设备出租单位建筑起重机械自查表
设备出租单位名称:(盖章)填报日期:年月日
检查人(至少2人):
设备出租单位项目负责人确认(签字):
表1-1-7 检测单位建筑起重机械自查表
检查人(至少2人):
检测单位项目负责人确认(签字):
表1-1-8 工程项目部建筑起重机械特种作业人员持证情况汇总表项目名称:
填报单位:填报人:填报日期:。