压路机碾压技术交底_共5页
- 格式:docx
- 大小:37.82 KB
- 文档页数:6
承包单位: ######################监理单位: ################## 有限责任公司工程名称@######################交底工程路基冲击碾压技术交底编号日期合同号:第 1 页1、适用范围##############第二合同标段道路路基工程。
2、冲击碾压前的准备工作⑴、进行冲击碾压补强前的路床必定由监理单位组织进行初验压实度和弯沉值,压实度和弯沉值必定满足标准和设计要求。
⑵、每 20m 布设一个沉降观察断面,依照路基宽度的不同样,每断面设 4~6 个观察点。
设置4 个观察点时,分别在距行车道边缘5m 处部署;设置6 个观察点时,分别在距行车道边缘 5m、行车道中心处部署。
⑶、冲击碾压补强前填层顶面需整平、压实,在各观察点地址埋设40cm 长钢筋,钢筋头顶端与填层顶齐平,并作好碾压前的高程数据采集。
⑷、不能够推行冲击碾压的范围由施工单位依照水安全全距离要求,用石灰画线交区分冲击碾压地域和非碾压地域,由施工冲击碾压的施工单位一致制作补强区、非底内补强区、安全警示等表记牌,碾压前将表记牌安装就位。
容3、对构造物的安全距离要求⑴、桥台:U 形桥台距桥台翼墙端水安全全距离为5m,其余种类桥台为10m。
⑵、涵洞:涵洞顶填筑高度小于 3m 的涵洞,距涵背边缘水安全全距离为 5m;涵洞顶填筑高度大于等于3m 的涵洞,可正常进行冲击碾压。
⑶、挡墙:重力式挡墙距墙背内侧水安全全距离为2m,扶壁 (悬臂 )式挡墙距扶(立 )壁内侧水安全全距离为,加筋土挡墙段不进行冲击碾压。
⑷、路肩:距路肩内侧水安全全距离为2m。
⑸、地下管线:距地下管线水安全全距离为5m。
承包单位: ########## 程局合同号:监理单位: ########## 有限责任公司第2页工程名称##############编号交底工程路基冲击碾压技术交底日期交底内容4、推行冲击碾压⑴、控制冲击式压路机的行驶速度保持在每小时10~15km,不能够低于每小时10km,行驶速度低于10km/h 的碾压必定重新进行。
碾压基础技术交底
1、碾压机械压实填方时,应控制行驶速度,一般情况下,不得超过以下规定:
平的碾:2km/h
振动压路机:2km/h
2、碾压基础要求需达到八遍。
碾压顺序为交叉施工,现横向四遍碾压完毕之后,再纵向四遍碾压。
3、碾压时,轮(夯)迹应相互搭接达到1/2,防止漏压或漏夯。
每层接缝应做成斜坡,碾迹重叠。
上下层错缝距离不应小于1m。
4、在机械施工碾压不到的填土部位,应配合人工推土填充,用蛙式或柴油夯实机分层夯实。
5、碾压完成后,表面应继续找平的,凡超过标准高程的地方,及时依线铲平的;未达到标准标高的地方,应补土找平的继续碾压。
交底人:技术总监:接交人:。
压路机碾压基础技术交底1. 引言压路机是一种常用的工程施工机械,广泛用于道路建设和维护。
它通过碾压的方式将路面材料压实,提高路面的密实度和承载能力。
本文将介绍压路机碾压基础技术,包括碾压原理、适用材料、碾压方法等内容。
2. 碾压原理压路机的碾压原理是利用辊筒的重力作用和振动力来压实材料。
辊筒的重力可以使材料受到压力,从而提高材料的密实度。
同时,辊筒的振动力可以改变材料颗粒的排列方式,进一步增加材料的密实度。
3. 适用材料压路机适用于碾压各种不同类型的材料,例如土壤、砾石、沥青等。
不同的材料在碾压时需要采用不同的碾压方法和参数。
对于土壤,需要采用较大的辊筒重力和低频振动。
对于砾石,需要采用较小的辊筒重力和高频振动。
对于沥青,需要采用非振动碾压。
4. 碾压方法4.1 前行碾压压路机在前行时进行碾压,这是最常见的碾压方法。
前行碾压可以使材料在辊筒下获得较高的压力,提高碾压效果。
前行碾压时要注意保持辊筒与地面的接触,避免空转和滑动。
4.2 后推碾压压路机在后推时进行碾压,这种碾压方法适用于较大面积的材料压实。
后推碾压可以提高碾压效率,但同时也需要注意保持辊筒与地面的接触,避免空转和滑动。
4.3 振动碾压振动碾压是通过辊筒的振动力来改变材料的排列方式,进一步提高材料的密实度。
振动碾压适用于土壤和砾石等材料的碾压。
在振动碾压时要注意选择适当的振动频率和振动幅度,避免对材料造成损坏。
5. 碾压参数在进行碾压作业时,需要根据材料的性质和工程要求选择合适的碾压参数。
主要的碾压参数包括辊筒重力、振动频率、振动幅度等。
这些参数的选择直接影响着碾压的效果和质量。
通常情况下,较重的辊筒重力可以提高材料的密实度,但也可能对材料造成损坏。
适当的振动频率和振动幅度可以改善材料的排列方式,进一步提高密实度。
6. 安全注意事项在进行压路机碾压作业时,需要注意以下安全事项:•确保操作人员具备相关的操作证书和经验;•严格遵守操作规程,确保作业过程安全;•穿戴好个人防护装备,如安全帽、安全鞋等;•定期检查和维护压路机,确保其正常运行;•注意周围环境,避免碰撞其他设施或行人。
交底内容:1、压路机碾压的工作面,应经过适当的平整,对新填的松软路基,应先用羊足碾或打夯机逐层碾压或夯实后,方可用压路机碾压。
2、当土的含水量超过30% 时不得碾压,含水量少于5% 时,宜适当洒水。
3、工作地段的纵坡不应超过压路机最大爬坡能力,横坡不应大于20°。
4、应根据碾压要求选择机重。
当光轮压路机需要增加机重时,可在滚轮内加砂或水。
当气温降至0℃时,不得用水增重。
5、轮胎压路机不宜在大块石基础层上作业。
6、作业前,各系统管路及接头部分应无裂纹、松动和泄漏现象,滚轮的刮泥板应平整良好,各紧固件不得松动,轮胎压路机还应检查轮胎气压,确认正常后方可启动。
7、启动后,应进行试运转,确认运转正常,制动及转向功能灵敏可靠,方可作业。
开动前,压路机周围应无障碍物或人员。
8、碾压时应低速行驶,变速时必须停机。
速度宜控制在3~4km/h 范围内,在一个碾压行程中不得变速。
碾压过程应保持正确的行驶方向,碾压第二行时必须与第一行重叠半个滚轮压痕。
9、变换压路机前进、后退方向,应待滚轮停止后进行。
不得利用换向离合器作制动用。
10、在新建道路上进行辗压时,应从中间向两侧辗压。
辗压时,距路基边缘不应少于0.5m 。
11、碾压傍山道路时,应由里侧向外侧碾压,距路基边缘不应少于1m 。
13、上、下坡时,应事先选好档位,禁止在坡上换档,下坡时严禁脱档滑行或溜放。
13、两台以上压路机同时作业时,其间距要保持在3m以上,坡道上禁止纵队行驶。
14、在运行中,不得进行修理或加油。
需要在机械底部进行修理时,应将内燃机熄火,用制动器制动住,并楔住滚轮。
15、对有差速器锁住装置的三轮压路机,当只有一只轮子打滑时,方可使用差速器锁住装置,但不得转弯。
16、作业后,应将压路机停放在平坦坚实的地方,并制动住。
不得停放在土路边缘及斜坡上,也不得停放在妨碍交通的地方。
17、压路机转移工地距离较远时,应采用汽车或平板拖车装运,不得用其它车辆拖拉牵运。
压路机使用安全技术交底记录一、目的为了确保压路机的安全使用,减少事故的发生,特制定了本安全技术交底记录,供所有使用压路机的工作人员参考。
二、适用范围本安全技术交底记录适用于现场作业人员、机械操作人员以及相关监管人员等。
三、压路机使用安全技术交底内容1.压路机的基本构造和工作原理压路机是一种用于道路基础和路面的压实工作的大型机械设备。
它由底盘、发动机、压路机主体等部分组成,主要通过震动和压实两种方式来提高路面的密实度。
2.压路机的基本操作方法首先,确保压路机所处的工作地点平坦而不含有杂物。
然后,启动压路机的发动机,并进行预热,确保发动机正常工作。
接着,根据道路的具体情况选择合适的振动频率和行驶速度。
开始操作时,应保持良好的视线,并遵循所处工作场所的相关规定和要求。
3.压路机的安全操作要点3.1操作前的准备操作人员在使用压路机前,应首先检查机械设备是否存在损坏、漏油等问题。
检查后,确认设备安全可用后方可使用。
3.2操作时的安全要求在操作压路机时,应保持高度注意力集中,不得分心。
操作人员不得施加超过压路机承受范围的力量,以免引发设备损坏或意外事故。
同时,操作人员要严格遵守交通法规,礼让行人和其他车辆。
3.3操作后的安全要求操作人员在使用完毕后,要及时关闭发动机,并进行设备清理和维护工作。
在设备清理时,应注意避免直接用手触摸压路机的热表面,防止烫伤。
4.压路机的维护保养操作人员在使用压路机时,应定期检查设备的润滑油、冷却水、刹车系统等,并及时更换必要的部件。
同时,在长时间的使用后,对设备进行冷却,并进行全面的检查和维护。
5.压路机的急救措施在操作过程中,如果发生事故或突发情况,操作人员应事先学习和掌握正确的急救方法,例如人员受伤、设备故障等情况,应及时向相关人员汇报并采取相应的急救和修复措施。
四、培训与考核根据上述内容,进行培训宣讲,并组织实际操作演练。
对参与培训的人员进行考核,确保培训效果和操作能力。
一、工程名称:____________________二、交底日期:____________________三、施工单位:____________________四、分项工程名称:路基工程作业五、交底提要:为确保压路机作业安全,提高施工效率,现将压路机安全技术交底如下:一、压路机操作前的准备工作1. 检查压路机各部件是否完好,如发动机、传动系统、液压系统、制动系统等。
2. 检查压路机轮胎气压是否符合要求,轮胎花纹是否磨损严重。
3. 检查液压油、冷却液、润滑油等是否充足。
4. 检查压路机灯光、喇叭、指示器等是否正常。
5. 检查驾驶室内的安全带、座椅调节装置等是否正常。
二、压路机操作注意事项1. 操作人员必须熟悉压路机的性能、操作规程和安全注意事项。
2. 操作前,应穿戴好安全帽、安全鞋、手套等防护用品。
3. 启动压路机前,确保周围无障碍物,人员远离。
4. 操作过程中,不得离开驾驶室,不得擅自离岗。
5. 严禁在斜坡、陡坡、狭窄路段、交叉路口等危险区域作业。
6. 严禁在压路机运行过程中进行检修、加油、加水等操作。
7. 严禁酒后驾驶、疲劳驾驶。
8. 严禁在压路机未停稳时上下车。
9. 严禁在压路机作业过程中进行非操作人员搭乘。
10. 严禁在压路机作业过程中进行无关人员进入驾驶室。
三、压路机作业现场安全措施1. 设置警示标志,提醒过往行人、车辆注意安全。
2. 作业区域应设置隔离带,确保施工安全。
3. 作业区域应配备急救箱、灭火器等应急设备。
4. 作业现场应安排专人负责指挥、协调,确保施工有序进行。
5. 作业现场应定期进行安全巡查,发现问题及时整改。
四、压路机作业结束后1. 关闭压路机,确保所有操作人员离开作业区域。
2. 清理作业现场,确保无遗留安全隐患。
3. 检查压路机各部件是否完好,做好保养工作。
4. 将压路机停放在安全区域,确保下次作业顺利进行。
五、培训及考核1. 对操作人员进行压路机安全技术培训,确保其掌握安全操作规程。
压路机安全技术交底一、前言压路机作为一种常用的工程机械设备,广泛应用于道路、停机坪、场地等基础建设和维修工作中。
然而,由于压路机的操作繁琐且存在一定风险,为了确保工作人员的安全,并有效地使用压路机,必须对其安全技术进行交底。
本文将详细介绍压路机的相关安全技术,以确保操作人员的人身安全和机械设备的正常运行。
二、压路机类型和原理1. 压路机类型按压路机振动系统划分,可以将压路机分为双钢轮压路机、单钢轮压路机和震动压路机三种类型。
双钢轮压路机适用于较大型的路面建设,能够提供较高的线性压实力,具有较好的抗剪强度。
单钢轮压路机适用于中型和小型路面建设,具有较高的点压实力,能够有效地进行碾压作业。
震动压路机在压路作业中加入振动,可以进一步提高压实效果。
2. 压路机原理压路机通过辊筒的作用在松土压实土壤,以达到改良土壤结构、提高土壤承载能力的目的。
其原理主要包括压紧、震动和行驶三个方面。
首先,压路机通过调节辊筒的压实力,使其适应不同土壤的压实需求。
然后,压路机可以通过振动辊筒产生震动,以进一步提高压实效果。
最后,通过辊筒的行驶,压路机能够在施工区域内完成相对连续的压实作业。
三、压路机操作安全技术1. 操作前准备工作在操作压路机之前,首先要进行一系列的准备工作,以确保机器的正常运行并保障操作人员的安全。
1.1 检查压路机的电气系统、液压系统、驱动系统等各个部分的工作情况,确保没有异常,同时检查油液和水位等。
1.2 检查压路机的刹车系统和紧急停机装置,确认其工作正常。
1.3 确认作业区域内的地面条件,避免行驶过程中遭遇不平整路面和障碍物。
2. 压路机操作技术在进行压路机操作时,必须严格按照操作流程进行,同时需要掌握以下技术要点,以确保操作人员的安全和机器的正常运行。
2.1 驾驶技巧:控制好压路机的行驶方向和速度,确保安全、平稳行驶。
2.2 振动控制:当进行振动压实作业时,根据实际需要选择合适的振动频率和振动力,避免过度振动导致设备损坏或速度过快导致土壤质量下降。
施工技术交底工程名称兰岭路道路工程分部工程路基工程分项工程(工种)名称:分层碾压交底内容:分层碾压1、填土分层的压实厚度和压实遍数与压路机、地的种类和压实度要求有关,应通过实验来确定。
2、碾压时,横向接头的轮迹应有一部分重叠,对振动压路机一般重叠40-50cm;前后两相邻填方段宜纵向重叠1-1.5cm。
碾压应做到无漏压、无死角和确保碾压均匀。
3、碾压时,在直线路段和曲线路段,应先压边缘,后压中间。
4、道路挡土墙背后填土应分层压实,其密实度要求按道路标准执行,但要注意保护泄水孔周围的碎石反滤层。
5.、开始碾压时,土体较疏松,强度低,故宜先轻压,随着土体密度的增加,再逐步提高压强。
推运摊土料时,力求机械车辆均匀分布行驶。
6、路堤边缘往往压实不到,仍处于松散状态,雨后容易滑塌,两侧采取多填宽度20-50cm,压实工作完成后再按设计宽度和坡度予以刷齐整平。
7、用重型轮胎压路机(18-20T以上)先静压一遍,后振动碾压。
8、压实作业前用平地机充分整平,以保证被压实路堤各层的均匀性。
9、填方路段的天然路基应达到90%以上的压实度。
软基必须处理验收后再回填土。
填方路基必须全幅分层(每层松铺厚度为30cm)回填压实,才允许二次回填。
每层回填土均应达到设计或规范要求。
10、压路机行驶速度规定:光轮压路机最佳速度为2-5km/h。
碾压开始宜用慢速,随着土层的逐步密实,速度逐步提高。
11.、压实度要求如下(重型击实标准)填方高度路槽底面以下深度压实度路堤路槽底距地面高度≥80cm0-80cm ≥95%80cm以下≥93% 挖方及零填方0-30cm ≥95%交底人:年月日接底人:年月日。
压路机安全技术交底安全技术交底单位:中铁十四局成兰铁路工程指挥部编号: 主送单位工程部位工程名称成兰铁路CLZQ—11标日期年月日交底部门第四架子队交底人交底内容:推土机1、岗位安全职责1.1负责压路机的日常例行保养,及进行检查性能,并做好记录,使处于良好工作状态。
1.2压路机操作必须遵守施工机械的一般安全技术要求。
1。
3遵守《道路交通安全法》、《道路交通安全法实施条例》。
2、岗位任职条件2.1装载机司机必须经过专业训练.2。
2持证上岗。
3、上岗作业准备3。
2检查车辆转向装置是否灵敏可靠.3。
3检查车辆履带、螺帽、有无爆裂和松动现象。
3.4检查车辆制动器及离合器应灵敏可靠,变速杆应置于“空档”位置. 3.5检查车辆喇叭及仪表是否灵敏、准确。
3.6检查车辆燃油及润滑油是否充足。
3.7检查车辆车门是否严密,照明及蓄电池电液是否符合规定。
3.8检查车辆冷却水是否充足,检查车辆引擎是否正常。
3。
9严禁酒后驾驶。
安全技术交底单位:中铁十四局成兰铁路工程指挥部编号:4、安全操作规程4。
1压路机碾压的工作面应平整,工作地段的横、纵坡不应超过压路机的设计能力.4。
2必须在压路机前后,左右无人和障碍物时才能启动.4.3不得用牵引法强制启动,也不得用压路机拖拉任何机械或物件。
变换压路机前进后退方向应待滚轮停止后进行。
4。
4碾压傍山道路时,应由里侧向外侧碾压,距路基边缘不应少于1m.4.5在新建道路上进行碾压时,应从中间向两侧碾压。
碾压时,距路基边缘不应少于0。
5m。
4。
6作业后应将压路机停放在平坦坚实的场地并制动,不得停放在斜坡上。
4.7压路机靠近路堤边缘作业时,应根据路堤高度留有必要的安全距离。
碾压傍山的道路时,必须由里侧向外碾压。
上坡时变速应在制动后进行,下坡时严禁脱档滑行。
4。
8振动压路机作业时尚应遵守以下述规定:(1)起振和停振必须在压路机行走时进行;在坚硬路面上行走,严禁振动.(2)碾压松软路基,应先在不振动情况下碾压1~2遍,然后在振动碾压。
技术交底书
xxx技术交底书表格编号
YXZQ-9-002 项目名称 Xxx项目第 1 页
共 8 页交底编号 002
工程名称路基工程
设计文件01
施工部位DK512+207.9~DK513+227
交底日期201x年x月x日
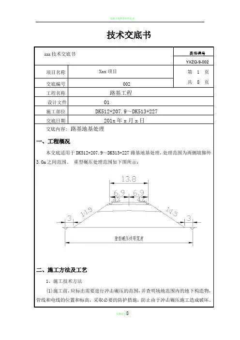
交底内容:路基地基处理
一、工程概况
本交底适用于DK512+207.9~DK513+227路基地基处理,处理范围为两侧坡脚外
3.0m之间范围。
重型碾压处理范围如下图所示:
二、施工方法及工艺
1、施工技术方法
(1)施工前,应标出需要进行冲击碾压的范围,并查明场地范围内的地下构造物,
管线和电线的位置和标高,采取必要的防护措施,防止由于冲击碾压施工造成破坏。
技术交底签认表。
压路机、挖机安全技术交底记录一、安全意识1.1 提高安全意识的必要性在日常生产和施工过程中,安全意识是非常重要的。
所有员工都应该具备高度的安全意识才能有效预防和避免发生安全事故。
只有从人员自身方面提高安全意识,才能有效促进施工工作的安全生产和顺利推进。
1.2 安全意识的培养为了提高员工的安全意识,本文提出以下方法: 1. 制定并实施安全标准,要求员工严格按照标准执行,才能保证施工安全; 2. 开展安全培训和宣传活动,让员工了解施工中各项安全事项相关内容,从而提高安全责任心; 3. 建立安全机制,加强安全检查和监管,确保施工实现全过程安全。
二、压路机安全技术交底2.1 压路机使用前的安全检查使用前检查的主要内容包括:燃油、液压油、水的检查,积液和积石的清理,安装挂件、张紧螺栓等。
2.2 压路机操作要点1.在操作前,应确保车间无人,操作区域宽敞及才可对打开发动机;2.启动时,应挂上空挡,不要降档启动;3.起动后,应等油压指示表指针正常波动后,方可开始工作;4.当压路机在行驶中碰到障碍物或灰土块时,不可急刹车,应及时收刀停机。
2.3 压路机乘车要点1.压路机行驶时,不能有其他人员上下车或站在斗管旁;2.乘车人员应挎好工具,按照操作上车上下车,不得越过压路机的护拦;3.在压路机无法观察地形时,应有人类顶探镜观察前方障碍物。
三、挖机安全技术交底3.1 挖机的安全检查使用前应检查点火系统、液压系统、操作装置、底盘、传动装置、制动装置等安全方面的要素是否正常。
必要时要进行试运行。
3.2 挖机操作要点1.初次启动时,应先让动力机怠速运行一段时间,再行操作;2.操作时,应在视线范围内掌握坑内情况,如需要改变坑内作业情况,要提前做好标记;3.在转运中途停机时,应按制动器制动,把操作杆移至“停”位;4.离挖机一定距离时,停机应离开驾驶室,锁紧车门,切断电源和燃料供应,防止发生意外事故。
3.3 挖机维护保养1.每日的要点检查及维护保养;2.严格遵守维护保养规程;3.定期进行大修、末尾清洗和油污清除工作。
安全/技术交底书ZT1303GLJL-15-02单位:中铁十三局集团公司乌阿项目经理部第1页共 6 页主送单位路基施工队编号工程名称路基工程日期路基施工前期准备已完成,具备开工条件,为明确施工尺寸、施工标准、施工要求,对施工中部分问题交底如下:首先准备下层,然后进行施工放样,集料装车时,应控制每车料的数量基本相等。
卸料之前必须用白灰洒出方格线,现场必须有填筑标杆,距离应严格掌握,避免料不够或过多。
集料在下层上的堆置时间不宜过长。
通过平地机摊铺的经验来确定集料的松铺系数,并确定松铺厚度,松浦厚度不宜超过27cm。
用平地机将料均匀地摊铺在预定的宽度上,表面应力求平整,并有规定的路拱。
应同时摊铺路肩用料,检查松铺料层的厚度是否符合预计要求,必要时,应进行减料或补料工作。
在整形过程中,严禁任何车辆通行。
整形后,当混合料的含水量等于或略大于最佳含水量时,立即用12t以上振动压路机进行碾压。
直线和不设超高的平曲线段,由两侧路肩开始向路中心碾压;在设超高的平曲线段,由内侧向外侧路肩进行碾压。
碾压时,后轮应重叠1/2轮宽;后轮必须超过两段的接缝处。
后轮压完路面全宽时,即为一遍。
碾压一直进行到要求的密实度为止。
一般需碾压5~6遍,应使表面无明显轮迹。
压路机的碾压速度,头三遍强震以1.5~1.7km/h为宜,后两遍轻震以2.0~2.5km/h,最后静压两遍收光。
严禁压路机在已完成的或正在碾压的路段上掉头或急刹车。
试验人员应在碾压好的路段及时检测压实度,作到及时、准确的控制现场压实度。
编制者:审核者:批准人:接收单位:接收负责人:。
压路机安全技术交底
压路机安全技术交底是指将压路机的安全使用方法和注意事项向操作人员进行详细解释和说明的过程。
以下是一些常见的压路机安全技术交底内容:
1. 了解机器结构:介绍压路机的基本结构,包括底盘、发动机、驾驶室等部分,让操作人员能够熟悉机器的构造和各个部件的功能。
2. 理解操作原理:讲解压路机的工作原理和操作方法,如振动方式、行驶控制方式等,操作人员应理解振动对土壤和道路的作用以及合理的行驶速度。
3. 操作安全要求:强调操作人员必须严格遵守操作规程,包括驾驶员需要佩戴安全帽、安全带等个人防护装备,遵守交通规则等。
4. 巡视检查程序:详细介绍压路机的巡视检查程序,包括
日常维护和保养工作,如检查润滑油、刹车系统、振动系
统等,确保机器的正常运行。
5. 紧急情况应对:介绍应对突发情况的方法,如车辆故障、紧急停车等,以及如何使用紧急制动装置,保证操作人员
和周围人员的安全。
6. 操作事项注意:提醒操作人员在操作过程中需保持高度
警惕,注意周围的人员和环境,避免发生意外伤害。
7. 安全规范遵守:强调操作人员必须遵守相关的压路机安
全规范和操作指南,严禁违反规定的行为。
通过对压路机安全技术的交底,能够增强操作人员的安全
意识,降低事故发生的风险,确保工作场所的安全。
同时,还可以提高操作人员的操作技能和效率,提高工作效果。
三级技术交底
三门峡至淅川高速公路卢氏 河南省三门峡至淅川高速公 路项目有限公司 工程名称
监理单位
交底部位 交底内容
建设单位 施工单位 交底日期 至西坪段 LXLM-4标工程 北京中通公路桥梁工程 咨询发展有限责任公司 山西远方路桥(集团)有限 责任公司 基层碾压 2015.04.22 1、胶轮压路机
碾压段落应层次分明,设置明显的分界标志,碾压段落分界线应呈齿状 或阶梯状。
胶轮压路机紧跟摊铺机初步稳压,开进去倒回来为一遍,每次碾 压至段落分界线时倒回,倒车后必须原路返回,换挡位置应在已压好的段落 上。
严禁压路机在已完成的或正在碾压的路段上调头和急刹车。
第二道碾压 轮迹应紧贴第一道碾压轮迹,不得漏压。
胶轮压路机碾压速度为1.5km/h (即 25m/min ),严禁超速碾压。
直线段碾压时,压路机应从外侧向路中心碾压; 平曲线有超高路段,由低侧向高侧碾压。
胶轮压路机碾压至全宽后将胶轮压路机移至下一路段碾压,碾压方法同 上。
胶轮压路机完成本段施工初压后,回到初压起点,开始终压收面,终压 须在单钢轮压路机碾压完成段落进行,不得驶入单钢轮压路机碾压作业区。
终压以弥合摊铺层表面微裂纹、松散以及消除轮迹印为停压标准。
终压前, 如有局部晒干和风干迹象,胶轮压路机操作手应主动通知现场施工负责人, 抽调人工采用喷雾形式补水。
2、双钢轮压路机
(1)双钢轮压路机在胶轮压路机初压完一个来回后,开始碾压,每遍重叠 1/2轮宽。
双钢轮压路机一次碾压长度应与胶轮压路机一次碾压长度相同,严
禁超出胶轮压路机碾压范围碾压。
开进去倒回来为一遍,每次碾压至段落分界线时倒回,倒车后必须原路返回,换挡位置应在已压好的段落上。
严禁压路机在已完成或正在碾压的路段上调头和急刹车。
双钢轮压路机碾压速度为1.5km/h(即25m/min),严禁超速碾压。
(2)双钢轮压路机碾压至全宽后将压路机移至下一路段碾压,碾压方法同上。
3、单钢轮压路机
(1)第一台22T单钢轮振动压路机
在双钢轮压路机碾压完3个来回后,开始第一遍强振碾压,每遍重叠 1/2 轮宽。
单钢轮压路机一次碾压长度同胶轮压路机和双钢轮压路机相同,严禁超出双钢轮压路机碾压范围碾压。
开进去倒回来为一遍,每次碾压至段落分界线时倒回,倒车后必须原路返回,换挡位置应在已压好的段落上。
严禁压路机在已完成或正在碾压的路段上调头和急刹车。
单钢轮压路机碾压速度为1.8km/h(即30m/min),严禁超速碾压。
第一台22T双钢轮压路机第一遍强振碾压至全宽后回到本段初始碾压位置,方法同上,进行第二遍强振碾压。
第二遍强振碾压至全宽后回到本段初始碾压位置,方法同上,进行最后一遍弱振碾压,碾压至全宽后进入下一路段碾压,方法同本段碾压。
(2)第二台22T单钢轮振动压路机
在第一台单钢轮振动压路机碾压完3个来回后,开始第一遍强振碾压,碾压方法同上,第一遍碾压至全宽后,回到初始碾压位置,进行第二遍弱振碾压,碾压结束后,回到初始碾压位置,进行第三遍弱振碾压,碾压完成后进入下一路段碾压。
方法同本段碾压。
4、附表
碾压方案
阶段压路机类型及组合碾压速度工艺要求遍数
胶轮压路机+双钢轮
压路机
紧跟摊铺机,胶轮压路机不少于2
在前,双钢轮压路机在后遍
1.5-1.7
km/h
初压
复压终压
先强振不少于3遍,再弱不少于6
振不低于3遍遍
1.8-
2.2
km/h
振动压路机
胶轮压路机或与双
钢轮压路机组合
以弥合表面微裂纹、松散
以及消除轮迹为停压标准
1.5-1.7
km/h
交
底
现场负责人人
接
受
人。