落地式脚手架检查表
- 格式:doc
- 大小:26.50 KB
- 文档页数:2
脚手架安全检查表关键信息项:1、脚手架类型:____________________________2、搭建位置:____________________________3、搭建日期:____________________________4、检查日期:____________________________5、检查人员:____________________________6、总体安全评估:____________________________ 11 基础与支撑111 脚手架基础是否牢固,无下沉、松动现象。
112 地面是否平整,排水是否良好。
113 支撑结构是否稳定,无变形、损坏。
12 立杆与横杆121 立杆间距是否符合设计要求。
122 横杆步距是否均匀,连接是否牢固。
123 立杆和横杆的垂直度是否在允许范围内。
13 连接件与扣件131 连接件的设置是否符合规范,连接是否可靠。
132 扣件的紧固程度是否达标,有无松动、缺失。
14 脚手板141 脚手板铺设是否严密、牢固,无探头板。
142 脚手板材质是否符合要求,无破损、腐朽。
15 防护栏杆与安全网151 防护栏杆的高度、间距是否符合标准。
152 安全网的张挂是否严密,无破损、孔洞。
16 斜撑与剪刀撑161 斜撑和剪刀撑的设置是否符合规定。
162 斜撑和剪刀撑的连接是否牢固,无松动。
17 通道与爬梯171 通道的宽度、坡度是否适宜,防滑措施是否到位。
172 爬梯的设置是否安全,踏步间距是否合理。
18 荷载限制181 脚手架上的荷载是否超过设计允许值。
182 是否有明显的超载现象。
19 变形与损坏191 脚手架各部件是否有变形、裂缝等损坏情况。
192 损坏部件是否及时修复或更换。
110 警示标识1101 施工现场是否设置明显的安全警示标识。
1102 警示标识是否清晰、完整。
21 定期检查与维护211 是否制定定期检查计划,并按计划执行。
212 检查记录是否完整、准确。
______________________________________________________________________________________________________________A.0.4 苏地2016-WG-62号地块一期商住用房(一标) 工程监理实施细则(落地脚手架)内容提要:工程及脚手架搭设、拆除概况脚手架搭设、拆除重点、难点监理工作依据监理组织机构监理工作流程监理工作的目标及要点监理工作的方法及措施项目监理机构(章):专业监理工程师:总监理工程师:日期:江苏省住房与城乡建设厅监制扣件式钢管脚手架搭设、拆除工程监理实施细则1 工程概况1.1 工程概况:工程名称:苏地2016-WG-62号地块一期商住用房工程地点:苏州市相城区青龙港路南,相融路东,蠡太路北,民一路西建设单位:苏州聿盛房地产开发有限公司设计单位:除人防部分:启迪设计集团股份有限公司人防部分:江苏省第二建筑设计研究院有限责任公司围护部分:苏州市城市设计院有限责任公司勘察单位:苏州市民用建筑设计院有限责任公司施工单位:中国建筑第八工程局有限公司工程规模:本期工程用地面积:总建筑面积:103907平方米。
工程造价:控制在合同价内结构形式: 框架剪力墙工期要求:该工程开工时间2017年9月27日,工期904天。
1.2 脚手架搭设、拆除概况:1.2.1拟搭设、拆除的脚手架型式:拟搭设、拆除的落地脚手架构造要求一览表表1.11.3 脚手架地基与基础构造:地面砼硬化处理,硬化四周排水沟设施。
2扣件式钢管脚手架搭设、拆除工程的特点、难点。
2.1 扣件式钢管脚手架搭设、拆除的特点、难点:构配件质量、地基与基础、剪刀撑设置、立杆横杆构造、连墙件设置和连接、防雷接地。
2.2 脚手架搭设、拆除施工安全生产管理监理工作的重点:门洞架体拆除。
3 监理依据3.1 本工程施工合同、协议等资料。
3.2 本工程《监理规划》。
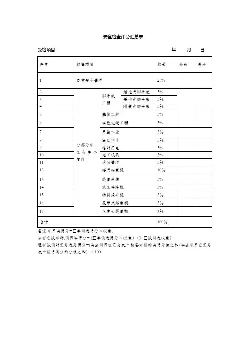
安全检查评分汇总表
受检项目:年月日
当存在缺项时,项目实得分= (∑单项表得分×权重)/(1-∑缺项表权重)
遇有缺项时汇总表总得分=(实查项目在汇总表中按各对应的实得分值之和/实查项目在汇总表中应得满分的分值之和)×100
表1:
安全检查表(日常安全管理)
分部分项工程安全管理安全检查表(落地式脚手架工程)
分部分项工程安全管理安全检查表(悬挑式脚手架工程)
分部分项工程安全管理安全检查表(吊篮作业)
表9:
分部分项工程安全管理安全检查表(临时用电)
表12:
分部分项工程安全管理安全检查表(塔式起重机)
序号检查内容检查标准及依据检查记录应得分实得分1 日常管理1、专业安拆分包的建筑起重机械未与施工总承包单位签订10
表14:
表15:
分部分项工程安全管理安全检查表(物料提升机)
合计100 表17:。
脚手架检查表一、基础部分1、地面状况检查脚手架搭建区域的地面是否平整、坚实,有无松软、下沉或积水现象。
确认地面能够承受脚手架及其承载物的重量。
2、垫板和底座观察垫板是否铺设平稳,尺寸是否符合要求。
检查底座是否完好,有无损坏或变形。
3、排水措施查看脚手架周围是否有良好的排水系统,以防止雨水浸泡基础。
二、立杆部分1、立杆间距测量立杆之间的间距,是否符合施工方案和相关标准的规定。
2、立杆垂直度使用铅垂线或其他测量工具,检查立杆的垂直度偏差是否在允许范围内。
3、连接方式检查立杆之间的连接是否牢固,扣件或连接件有无松动、损坏。
三、横杆部分1、横杆间距确认横杆的间距是否均匀,符合设计要求。
2、水平度检查横杆的水平度,确保脚手架整体结构平稳。
四、剪刀撑部分1、设置位置核实剪刀撑是否按照规定的位置和角度设置。
2、连接牢固性检查剪刀撑的连接节点是否紧固,无松动现象。
五、脚手板部分1、铺设情况观察脚手板是否铺满、铺稳,有无探头板。
2、固定方式确认脚手板的固定是否可靠,防止滑动或翘起。
六、防护栏杆部分1、高度测量防护栏杆的高度是否达到安全标准。
2、横杆设置检查防护栏杆的横杆数量和间距是否符合要求。
3、密目网查看密目网是否张挂严密,无破损或漏洞。
七、连接件和扣件部分1、质量检查连接件和扣件的质量,有无裂纹、变形等缺陷。
2、紧固程度用扳手等工具检查连接件和扣件的紧固程度,是否达到规定的扭矩。
八、荷载情况1、限载标识查看脚手架上是否有明确的限载标识。
2、实际荷载评估脚手架上实际承载的荷载是否超过限载要求。
九、通道部分1、宽度和坡度测量通道的宽度和坡度,是否便于人员和物料通行。
2、防滑措施检查通道表面是否有防滑处理。
十、使用中的检查1、变形和位移定期观察脚手架在使用过程中是否有明显的变形或位移。
2、部件损坏及时发现并更换损坏的部件,如立杆、横杆、脚手板等。
3、违规使用制止工人在脚手架上的违规操作,如超载、攀爬非通道部位等。
在进行脚手架检查时,检查人员应认真填写检查表,详细记录检查情况和发现的问题。
脚手架安全检查表范本注意事项:1. 本检查表的目的是确保脚手架工作安全可靠,遵循相关法律法规和标准要求。
2. 对于以下检查内容,应进行全面、细致地检查,确保每一项都符合要求。
3. 检查过程中如发现问题,应及时进行整改和修复。
4. 检查结束后,应将检查结果记录并提交给相关部门备案。
第一部分:脚手架基础结构检查1. 检查脚手架基础结构是否牢固可靠,无结构缺陷、坚固强度是否符合要求。
2. 检查脚手架的支撑杆、垫板、斜撑等是否完整、无损坏情况。
3. 检查脚手架的连接件和固定件是否牢固可靠,无锈蚀、断裂等情况。
4. 检查脚手架的水平、垂直等参数是否符合设计要求,无倾斜、偏离等情况。
5. 检查脚手架的悬挑部分是否设置安全措施,如增加栏杆、防护网等。
第二部分:脚手架操作检查1. 检查脚手架上是否有操作规程和安全警示标识,并保持清晰可见。
2. 检查脚手架的搭建、拆除、改建等操作是否按照规程进行,并由专业人员操作。
3. 检查脚手架使用过程中是否设置必要的安全围护措施,如防护栏杆、防护网等。
4. 检查脚手架使用过程中是否设置合理的上下通道和安全出入口。
5. 检查脚手架上是否有堆放材料、工具等物品,是否固定牢固、不易掉落。
第三部分:脚手架材料检查1. 检查脚手架所使用的钢管、扣件等材料是否合格,无损坏、腐蚀、锈蚀等情况。
2. 检查脚手架材料是否标有生产厂家、规格型号等相关信息,是否与实际使用一致。
3. 检查脚手架材料垛放是否整齐有序,无倾斜、堆积过高等情况。
4. 检查脚手架材料的贮存和保养条件是否符合要求,避免长期暴露在恶劣环境中。
5. 检查脚手架材料的损坏、报废情况是否及时记录并进行处理,确保不再使用。
第四部分:脚手架安全管理检查1. 检查脚手架的安全管理制度是否健全、完善,主要包括人员管理、安全培训、事故报告等方面。
2. 检查脚手架的安全警示标识是否完整、清晰可见,包括脚手架的悬挑、禁止通行等警示标识。
3. 检查脚手架的安全巡视记录是否完整、真实,是否对发现的问题进行了及时整改。
脚手架月检查表1. 概述脚手架作为建筑施工过程中的重要设备,对工程的施工质量和安全起着至关重要的作用。
为了确保脚手架的安全可靠运行,每月需要进行一次全面检查。
本检查表提供了对脚手架在使用过程中需要关注的关键点进行检查的指导。
2. 检查内容2.1. 架体结构- [ ] 检查脚手架的平整度,防止出现倾斜或不稳定的现象。
- [ ] 检查脚手架结构的连接件,如螺丝、钉子等,确保其牢固可靠。
- [ ] 检查脚手架杆件,如立杆、横杆等,是否存在损坏或变形的情况。
- [ ] 检查脚手架钢管是否存在严重锈蚀或腐蚀的情况,如有需要及时更换。
2.2. 安全设施- [ ] 检查脚手架的安全扶手是否完好,没有松动或破损的情况。
- [ ] 检查脚手架的踏板是否完整,没有断裂或变形的情况。
- [ ] 检查脚手架的防护栏杆是否稳固可靠,没有松动或杆件脱离的情况。
- [ ] 检查脚手架上的安全网是否完整,没有破损或缺失的情况。
2.3. 运行设备- [ ] 检查脚手架的升降设备是否正常运行,有无异常噪音或抖动的情况。
- [ ] 检查脚手架的电源设备是否正常工作,无漏电或电线老化等安全隐患。
- [ ] 检查脚手架的传动装置是否正常,无滑移或松动的情况。
- [ ] 检查脚手架的操作台是否稳固,没有变形或松动的情况。
2.4. 环境安全- [ ] 检查脚手架周围是否存在堆垛物、杂物等,及时清理避免阻碍施工。
- [ ] 检查脚手架周围的道路、地面是否平整,避免起伏不平对脚手架造成影响。
- [ ] 检查脚手架施工区域的天气情况,避免在恶劣天气下进行施工。
3. 审核与改进3.1. 审核- [ ] 检查人员:(填写检查人员姓名)- [ ] 审核人员:(填写审核人员姓名)3.2. 改进- [ ] 综合检查结果,发现问题及时进行整改,并记录整改情况。
- [ ] 对检查表进行反馈,根据实际情况完善与更新。
4. 总结脚手架月检查表是保障施工安全和质量的重要工具,只有经过定期全面的检查和及时的整改措施,才能确保脚手架设备的安全可靠运行。
脚手架安全检查表一、基础检查1、脚手架基础是否平整、坚实,无积水、杂物等。
2、基础是否有不均匀沉降现象,如有,沉降量是否在允许范围内。
3、对于直接搭设在地面上的脚手架,是否设置了垫板或底座,其规格和材质是否符合要求。
二、立杆检查1、立杆的间距是否符合施工方案和规范要求。
2、立杆的垂直度偏差是否在规定范围内(通常不超过架高的1/200)。
3、相邻立杆的接头是否错开,且在不同的步距内。
三、横杆检查1、横杆的步距是否符合设计要求。
2、横杆是否水平,其水平度偏差是否在允许范围内。
3、横杆与立杆的连接是否牢固,扣件是否拧紧。
四、剪刀撑检查1、剪刀撑的设置是否符合规范要求,包括角度、间距等。
2、剪刀撑的杆件是否连续,无中断或缺失。
3、剪刀撑与立杆、横杆的连接是否可靠。
五、脚手板检查1、脚手板是否铺满、铺平,不得有探头板。
2、脚手板的材质是否符合要求,是否有破损、腐朽等情况。
3、脚手板与横杆的绑扎是否牢固,绑扎点间距是否符合规定。
六、防护栏杆检查1、脚手架外侧是否设置了两道防护栏杆,上栏杆高度是否不低于12 米,下栏杆高度是否不低于 06 米。
2、防护栏杆是否牢固可靠,立杆间距是否符合要求。
3、栏杆是否涂刷了醒目的安全警示色。
七、安全网检查1、安全网的规格、材质是否符合要求。
2、安全网是否张挂严密,无漏洞、破损。
3、安全网的绑扎是否牢固,与脚手架的连接是否可靠。
八、连墙件检查1、连墙件的设置数量、位置是否符合施工方案和规范要求。
2、连墙件的连接是否牢固,扣件或预埋件是否有松动现象。
3、连墙件是否被擅自拆除或改动。
九、通道检查1、脚手架上是否设置了上下通道,通道的坡度是否合理,防滑措施是否到位。
2、通道的宽度是否满足人员通行和材料运输的要求。
3、通道的防护栏杆和脚手板是否符合安全要求。
十、构配件检查1、脚手架的构配件(如钢管、扣件、脚手板等)是否有质量缺陷,如裂缝、变形、锈蚀等。
2、扣件的拧紧力矩是否达到规定值(通常为 40-65N·m)。