高层办公楼钢结构施工方案修订稿
- 格式:docx
- 大小:125.30 KB
- 文档页数:26
钢结构办公楼施工方案1. 引言钢结构办公楼因其轻巧、强度高、施工周期短等优势,在现代建筑领域得到了广泛应用。
本文将介绍钢结构办公楼的施工方案,包括设计、施工流程、安全考虑等方面。
2. 设计阶段在设计阶段,需要进行结构设计、材料选择、布局规划等工作。
2.1 结构设计钢结构办公楼的结构设计需要考虑楼层承重、地震抗性、抗风性能等因素。
一般采用框架结构或桁架结构,同时结合楼层布置和功能需求进行合理的设计。
2.2 材料选择钢结构办公楼的主要材料为钢材,包括钢梁、钢柱、钢板等。
在选择材料时需要考虑强度、耐久性、防腐蚀性等因素,以确保建筑的安全性和可靠性。
2.3 布局规划钢结构办公楼的布局规划需要充分考虑空间利用率、通风采光、功能分区等因素。
合理的布局规划可以提高办公效率并提供良好的工作环境。
3. 施工流程钢结构办公楼的施工流程包括基础施工、整体搭设、内外装修等几个阶段。
3.1 基础施工基础施工是钢结构办公楼施工的重要一步,需要确保地基的稳定性和承重能力。
基础施工包括土方开挖、混凝土浇筑等工作。
3.2 整体搭设整体搭设阶段是将制作好的钢结构部件进行组装和安装。
这一阶段需要专业的施工队伍和设备来保证施工效率和质量。
3.3 内外装修钢结构办公楼的内外装修可以根据需求进行设计和施工。
内部装修包括地板、墙壁、天花板等装修工作;外部装修可以选择适合的外墙材料和建筑风格。
4. 安全考虑在钢结构办公楼的施工过程中,安全是至关重要的。
以下是一些安全考虑:4.1 施工安全施工期间需要严格遵守相关安全规定,包括施工现场的安全设施、工人的个人防护措施、施工过程中的安全操作等,以预防意外事故的发生。
4.2 结构安全钢结构办公楼的结构安全性是施工过程中需要特别关注的问题。
需要确保钢结构的连接牢固、各部位的承重能力符合设计要求,并进行必要的质量检验和验收。
4.3 环境安全钢结构办公楼的施工应注意环境保护和资源利用。
遵循环保要求,减少污染物排放,合理利用资源,推动绿色施工。
高层十字柱项目工程钢结构施工方案方案第()号编制:审核:审批:目录1。
工程概况 (3)1.1。
编制依据 (3)1.2.建设工程总体概况 (4)1。
3.钢结构工程概况 (4)1.4。
结构设计技术要求 (5)2.施工部署 (7)2。
1。
施工目标 (7)2.2.施工特点、难点 (7)2。
3。
施工管理机构 (8)2.4。
施工管理人员岗位职责 (8)2。
5.施工现场平面布置 (10)2。
6.施工区域划分 (10)2.7。
施工顺序 (10)3.施工进度计划 (11)4。
施工准备与资源配置计划 (12)4。
1.施工准备 (12)4。
2.资源配置计划 (12)5.钢结构制作 (15)5.1.深化设计 (15)5.2.深化设计总体思路 (15)5.3。
深化设计流程 (15)5。
4。
材料采购 (15)5.5。
焊接工艺评定 (17)5。
6.钢结构制作 (17)5。
7。
成品运输 (20)6.钢结构安装 (22)6.1.钢构件进场验收及交接 (22)6。
2.钢构件吊重分析 (22)6。
3.钢构件安装要求 (24)7。
测量控制 (30)7.1。
测量校正 (30)7.2。
测量控制 (30)7。
3.测量保证措施 (32)7。
4。
注意事项 (32)8.焊接施工 (34)8。
1.焊前准备 (34)8.2.焊接管理 (35)8。
3.焊接接点形式 (36)8.4.焊接施工工艺 (36)8.5。
焊接过程中应注意事项 (37)8.6.焊后清理及外观检查 (37)8.7。
检验 (38)9.防腐涂装施工 (39)9.1。
一般要求 (39)9。
2.涂装工艺 (40)10.质量保证体系及措施 (49)10。
1.质量管理组织保证体系 (49)10.2.各主要工序质量控制程序 (52)10。
3。
工程质量保证措施5311。
安全生产、文明施工保证措施 (55)11。
1。
安全生产保证措施5511。
2。
文明施工保证措施5911.3。
环境管理 (59)11.4。
本项目为一座高层钢架结构建筑,位于某市中心区域,占地面积约10000平方米,总建筑面积约100000平方米。
建筑高度为100米,共28层,其中地上27层,地下1层。
工程主要功能为办公楼,包含办公室、会议室、餐厅、休息室等。
为确保工程顺利进行,特制定本施工方案。
二、施工组织设计1. 施工队伍(1)项目经理:负责整个工程的施工组织、协调和管理。
(2)技术负责人:负责施工过程中的技术指导和监督。
(3)质量负责人:负责施工过程中的质量控制。
(4)安全负责人:负责施工过程中的安全监督。
(5)施工班组:负责具体的施工任务。
2. 施工进度计划(1)施工准备阶段:3个月。
(2)基础施工阶段:6个月。
(3)主体结构施工阶段:12个月。
(4)装饰装修阶段:6个月。
(5)竣工验收阶段:1个月。
三、施工工艺及措施1. 基础施工(1)采用钻孔灌注桩基础,桩径为Φ800mm,桩长为20m。
(2)桩基施工采用旋挖钻机成孔,混凝土采用C30等级。
(3)桩基检测合格后,进行承台施工,承台采用C30混凝土,厚度为1.5m。
2. 主体结构施工(1)钢架结构采用焊接H型钢,截面尺寸为H600x300x20x30。
(2)钢架焊接采用CO2气体保护焊,确保焊接质量。
(3)柱、梁、板等构件采用工厂预制,现场组装。
(4)钢架安装顺序:先安装柱子,再安装梁,最后安装板。
(5)钢架安装完成后,进行节点连接和防腐处理。
3. 装饰装修施工(1)墙面采用乳胶漆,地面采用环氧树脂地坪。
(2)门窗采用断桥铝材质,隔断采用轻钢龙骨石膏板。
(3)室内外水电安装按照设计要求进行。
四、质量控制及保证措施1. 质量控制(1)严格按照施工规范和设计要求进行施工。
(2)对施工过程中出现的问题及时整改,确保工程质量。
(3)加强施工过程中的监督检查,确保工程质量符合要求。
2. 保证措施(1)加强施工人员的技术培训,提高施工技能。
(2)选用优质建筑材料,确保工程质量。
(3)加强施工现场的管理,确保施工安全。
高层钢结构专项施工方案Document number:PBGCG-0857-BTDO-0089-PTT1998苏地2011-G-32号地块项目B塔楼钢结构专项施工方案时间:2014年8月目录附件施工进度计划横道图 (87)附件施工进度计划横道图 (88)附件施工总平面布置图 (89)附件塔吊平面布置图 (90)第一章、工程概况、钢结构工程概况苏地2011-G-32号地块项目位于苏州市平泷路以南、锦升路以北、江坤路以东、齐溪街以东区域。
总建筑面积为367463m2,其中地下建筑面积为,地上建筑面积为。
本项目由A、B两幢塔楼与C、D、E三幢裙房组成。
裙房主要功能为公积金中心、社保中心、人社局、行政服务中心、公共资源交易中心及配套商业,塔楼为办公用房。
地下部分共3层,其中地下一层为配套商业及机动车与非机动车停车库,地下二层及三层为机动车库。
地下室共3层,-3层底标高为,地下室各层层高为、4m、。
我司主要承建B塔楼工程,B塔楼地上41层,建筑高度为 m,核心筒钢柱为-3~7层,外框钢柱为-3~37层。
地上1层层高为、2~6层层高为,7层层高为,避难层1、避难层3层高为,避难层2层高为,8~13层层高为,14~17层、19~29层、31~40层层高均为,18层、30层层高为,41层层高为,屋顶层层高为,机房屋顶层层高为。
总体结构模型主楼外框架劲性柱以十字柱为主,局部楼层设H型柱、十字型与T型组合异型柱,核心筒与裙房劲性柱为十字柱、H型柱,裙房劲性梁为H型梁。
劲性十字柱截面规格为H1200*600*40*50+H800*600*40*50、H1200*400*40*50+H800*600*40*50、H1200*400*36*50+H800*500*36*50、H1200*350*36*60+H800*350*36*60、H1200*350*36*50+H700*350*36*50、H1100*350*36*60+H700*350*36*60、H1100*500*50*50+H1000*500*50*50、H1000*300*30*50+H700*300*30*50、H900*300*25*36+H700*300*25*36、2H700*250*20*36、2H600*300*50*60、2H600*250*28*50等; H型柱截面规格为H600*400*40*50、H600*400*30*50、H600*350*40*50、H600*300*20*40、H600*250*20*50、H550*250*20*50、H350*250*20*30等;异型柱截面规格为H1200X350X36X50+H700X350X36X50+T400X350X40X50、H1200X350X36X50+H700X350X36X50+T400X350X36X50、H1200X400X40X50+H800X600X40X50+T400X400X40X50、H1200X600X40X50+H800X600X40X50+ T400X600X40X50;H型劲性梁截面规格为H1300*300*30*60、H1200*250*24*50、H1000*250*24*50等。
版办公大厦项目钢结构工程专项施工方案一、项目概况办公大厦项目是一座多层钢结构建筑,总高度为50米,地上20层,地下2层。
该项目位于城市中心,需满足高强度、刚性和安全的要求。
本文将详细阐述办公大厦项目的钢结构工程专项施工方案。
二、施工工序1.地基处理工序:a.初步调查和勘测:对场地进行初步勘测和测试,确定地基的类型和质量。
b.地基处理:依据勘测结果,采用适当的地基处理方法,如挖土、填土、压实等。
2.钢结构制作工序:a.制作工艺设计:根据设计方案和施工图纸,制定钢结构制作工艺设计,并进行审核。
b.材料采购:根据设计方案和施工图纸,采购所需的钢材和其他辅助材料。
c.钢结构制作:在制作厂房内按照施工图纸和工艺要求进行钢结构的切割、焊接、钻孔等工作。
d.检查验收:对制作好的钢结构进行质量检查和验收,确保符合设计和施工要求。
3.钢结构安装工序:a.技术准备:组织施工队伍,制定详细的施工方案,准备所需的设备和工具。
b.钢结构安装:按照施工图纸和安装方案,进行钢结构的吊装、定位、连接等工作。
c.检查验收:对安装好的钢结构进行质量检查和验收,确保安全可靠。
4.防腐处理工序:a.表面处理:对钢结构表面进行除锈处理,确保基材表面干净、光滑。
b.防腐涂覆:采用适当的防腐涂料对钢结构进行涂覆,提高钢结构的耐腐蚀能力。
5.结构验收工序:a.结构验收:对钢结构进行整体验收,检查各种连接是否牢固,结构是否满足设计和规范要求。
b.缺陷整改:如有发现缺陷或不符合要求的地方,及时进行整改和修复。
6.玻璃幕墙安装工序:a.幕墙制作:根据设计要求制作和加工玻璃幕墙所需的玻璃、铝材、密封胶等构件。
b.幕墙安装:根据施工图纸和安装方案进行玻璃幕墙的安装和固定。
c.幕墙验收:对安装好的玻璃幕墙进行质量检查和验收,确保安全可靠。
7.屋面工序:a.屋面制作:根据设计要求制作屋面所需的材料,如钢板、隔热材料、防水层等。
b.屋面安装:根据施工图纸和安装方案进行屋面的安装和固定。
高层建筑物钢结构项目工程施工方案
项目概述
该工程计划在市区建造一幢高层建筑物。
建筑的主体结构将采
用钢结构,该方案将详细描述钢结构施工的具体步骤和施工流程。
施工准备
1. 组建施工团队,指派专业人员负责安全、质量和进度的管控,并做好岗位培训工作。
2. 聘请具备施工资质的施工单位,并与监理单位签订合同。
3. 购买施工材料和设备,包括各类钢材、脚手架、起重机械等。
施工流程
1. 准备工作:搭设钢结构施工脚手架,搭设安全防护网,进行
基坑处理和土方开挖等。
2. 加工制作:将钢结构杆件运至制作厂加工,包括切割、钻孔
和喷漆等。
3. 运输安装:将加工好的钢结构杆件运至工地,进行吊装和安装,并进行焊接和螺栓连接等。
4. 质量检验:完成钢结构的安装后,做好验收工作,包括杆件
的尺寸、焊缝的质量和表面的质量等。
5. 防火处理:完成钢结构的验收工作后,对表面进行防火处理,做好消防工作。
安全保障
1. 制定安全管理制度,加强安全管理,做好安全防护工作。
2. 做好危险源管理,对作业现场进行监控,并做好风险防范措施。
3. 做好紧急事件的应对措施和救援预案,做好疏散逃生工作。
总结
本方案针对高层建筑物的钢结构项目工程施工流程进行了详细
的描述,如按照该方案实施,将有利于施工单位做好项目施工工作,确保施工安全、质量和进度。
高层钢结构工程施工方案一、工程概况(一)项目名称:某高层钢结构工程(二)项目地点:XX市(三)项目概况:该高层钢结构工程是一座XX层,总高度约XX米的办公楼,总建筑面积约XX平方米。
该项目采用钢结构框架体系,主要结构包括立柱、梁、楼板和外墙挂板等。
二、施工前的准备工作(一)施工前的地基处理:对于高层建筑来说,地基很重要,需要进行相应的处理工作。
先进行土壤勘探,确定地基承载力。
然后进行地基处理,包括挖土、夯实、回填等工作。
(二)施工前的勘察设计审核:施工前需要对施工图纸进行认真的审核,确保其符合规范要求。
同时,要对现场进行勘察,确定周围环境和地形地貌等情况。
(三)施工前的相关手续办理:在施工前,需要进行相关手续的办理,如领取施工许可证、办理施工用电等手续。
(四)施工前的物资准备:包括施工所需的材料、机械设备、辅助工具等的准备。
三、主体结构施工(一)支撑系统搭设:在进行主体结构施工前,先进行支撑系统的搭设,确保工程施工期间的安全。
(二)立柱、梁、楼板的安装:按照设计图纸和规范要求,对立柱、梁、楼板等主体结构进行安装。
(三)钢结构的焊接:对于钢结构框架体系,需要进行相应的焊接工作,确保结构的牢固性和稳定性。
(四)楼面混凝土浇筑:在主体结构安装完成后,对楼板进行混凝土浇筑,同时进行楼板的钢筋加固。
(五)外墙挂板的安装:对外墙挂板进行安装,包括固定和翻新等工作,确保其符合规范要求。
(六)施工中的质量控制:在主体结构施工的过程中,要进行严格的质量控制,包括对焊接质量、混凝土质量等的检测。
四、次要结构施工(一)楼梯、扶手的安装:对楼梯、扶手进行安装,确保其符合设计要求。
(二)屋面防水施工:对屋面进行防水施工,确保建筑在雨水的情况下不会渗漏。
(三)钢结构构件的防腐工作:对钢结构构件进行防腐处理,确保其在使用中不会出现锈蚀等问题。
(四)玻璃幕墙的安装:对玻璃幕墙进行安装,确保其外观效果和使用功能。
五、收尾工作(一)建筑的粉刷和装饰:对建筑进行粉刷和装饰工作,确保其外观美观。
高层钢结构设计施工方案一、项目概况与特点本工程为一高层钢结构建筑,具有结构复杂、施工难度大、质量要求高、安全标准严等特点。
本工程位于[具体地址],总建筑面积约为[具体面积],建筑高度为[具体高度]。
结构设计使用年限为XX年,抗震设防烈度为XX度。
二、设计依据与标准设计依据:本工程设计依据《钢结构设计规范》、《高层建筑混凝土结构技术规程》等相关国家及地方标准、规范进行。
设计标准:设计遵循安全可靠、经济合理、技术先进、施工方便的原则,确保结构的安全性、适用性和耐久性。
三、材料选择与采购材料选择:本工程主要采用Q345B、Q390B等高强度钢材,符合国家标准,具有良好的焊接性和力学性能。
材料采购:材料采购应严格按照设计要求进行,选择信誉良好的供应商,确保材料质量稳定可靠。
四、结构分析与计算结构分析:利用专业的结构分析软件进行整体结构分析,包括静力分析、动力分析、稳定分析等,确保结构的安全性。
结构计算:根据分析结果,进行详细的结构计算,包括杆件截面选择、节点设计、连接件计算等,满足设计要求。
五、节点设计与处理节点设计:节点设计是钢结构设计中的关键环节,应保证节点的传力明确、构造简单、方便施工。
节点处理:节点处理包括焊缝连接、螺栓连接等,应严格按照设计要求进行,确保连接质量。
六、施工流程与方法施工流程:施工流程包括基础施工、钢结构安装、围护结构施工、机电安装等阶段,应合理安排施工顺序,确保施工效率。
施工方法:采用吊装、焊接、螺栓连接等施工方法,应严格按照施工规范进行,确保施工质量。
七、质量控制与安全措施质量控制:建立严格的质量管理体系,对原材料、构件加工、施工安装等各个环节进行质量控制,确保工程质量。
安全措施:制定详细的安全施工措施,包括高处作业、临时设施、防火防电等方面,确保施工安全。
八、工程验收与后期维护工程验收:工程完成后,按照相关标准和规范进行验收,确保工程质量符合设计要求。
后期维护:定期对钢结构进行检查和维护,包括防腐处理、紧固松动部件等,确保结构长期安全使用。
高层办公楼钢结构施工方案1. 引言随着城市化进程的加速,高层建筑越来越多地成为城市地标和流行的办公空间。
而由于施工时的不确定因素和作业高度的要求,高层建筑施工安全常常面临挑战。
钢结构因其轻量化、高强度、可靠性强等优点,而在高层建筑用途中广为应用。
在本文中,我们将介绍高层办公楼钢结构施工的方案,旨在提供一些有关钢结构施工的知识和指导。
2. 钢结构概述钢结构是以钢材为主要材料进行建造的结构。
它是轻型、高强度、成本相对较低的建筑材料,因此在现代建筑中得到广泛应用。
通常情况下,钢结构可以分为框架结构、拱结构、索承结构和板壳结构等四种类型。
3. 钢结构施工方案3.1 建设前准备在进行任何施工活动之前,必须进行充分的准备工作。
对于高层办公楼的钢结构施工来说,准备工作可能包括但不限于以下内容:•组织相关资料的收集和整理,包括施工图纸、设计图、技术文件等;•进行场地调研,评估钢结构的施工条件,包括场地大小、地形、地质、环境等;•制定并实施标准化安全措施,以确保工人和现场人员的安全;•筹备所需材料、设备和工具,时刻保持充足的材料储备和设备备件。
3.2 施工方案制定在建设前准备工作完成后,必须制定详细的施工方案,确保施工进程的全面、高效、顺畅和安全。
根据高层办公楼的钢结构施工实际情况,施工方案可能包括但不限于以下几个方面:3.2.1 施工流程总体规划针对高层办公楼的钢结构施工,要制定满足工期要求的施工总流程,确定施工步骤和时间,各工序之间相互联系、有条不紊、顺畅无阻,使施工进度可持续推进。
3.2.2 施工方法和技术方案高层钢结构的制造、加工、建造都有较严格的标准,其中施工方法和技术方案的制定更为关键。
在这一步骤中,必须制定出合适的工序,通过科学地组织施工流程来提高施工效率和质量。
3.2.3 施工人员和设备安排在组织好施工流程和方案后,需要根据实际情况对施工人员与设备进行科学合理的调配,以保证施工安全和效率。
要针对不同工种、不同技能、不同工作内容,合理配置工人。
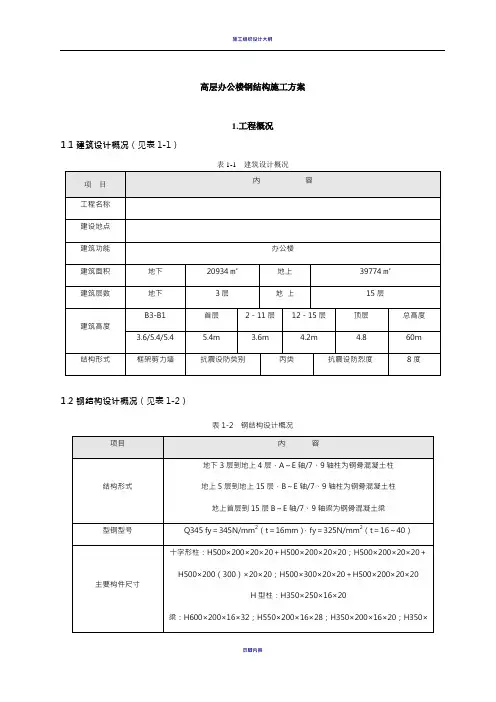
高层办公楼钢结构施工方案1.工程概况1.1建筑设计概况(见表1-1)表1-1 建筑设计概况1.2钢结构设计概况(见表1-2)表1-2 钢结构设计概况3.1项目管理组织机构3.2施工质量工期目标与进度计划3.2.1质量目标确保北京市结构“长城杯”,争创竣工“鲁班”奖。
3.2.2工期目标:本工程的钢结构施工总工期约为225天,工程计划于20××年9月25日开工,至20××年4月1日全部完成。
3.2.3施工进度计划钢结构施工需根据主体结构工程进度进行调整,合理安排施工进度计划,保证钢结构施工不影响主体结构的施工。
4.1技术准备(1)深化设计内容1)深化(优化)设计应根据原设计所提供的节点详图进行,如在节点图中无相应的节点时,可按照中国钢结构设计规范进行制定,但必须提交原设计认可。
同时如须对原设计节点进行优化,事先须得到原设计同意。
2)节点图应包括钢柱与钢柱、钢梁与钢柱等连接详图。
3)节点图内容应包括各个节点的连接类型,连接件的尺寸,高强度螺栓的直径和数量,焊缝的形式和尺寸等一系列施工详图设计所必须具备的信息和数据。
4)安装布置图:安装布置图所包含的内容有构件编号、安装方向、标高、安装说明等一系列安装所必须具有的信息。
5)构件详图,它至少应包含以下内容:构件细部、重量表、材质、构件编号、焊接标记、连接细部、坡口形式和索引图等。
螺栓统计表,螺栓标记,螺栓直径。
轴线号及相对应的轴线位置。
加工、安装所必须具有的尺寸。
方向、构件的对称和相同标记(构件编号对称,此构件也应视为对称)。
图纸标题、编号、改版号、出图日期。
加工厂所需要的信息。
6)整个结构和每件构件的紧固螺栓清单。
螺栓尺寸(直径、长度、重量)。
净重量。
构件编号、详图号、连接部分螺栓长度的确定,必须按照中国钢结构规范或业主所提供的规程进行计算。
7)图纸清单应注明详图号、构件号、数量、重量、构件类别、改版号、提交日期。
办公大楼钢结构工程施工方案(5)办公大楼钢结构工程施工方案(五)本工程新建部分局部的柱、梁、屋面、壁柱、挑板、隔栅等采用钢结构,此部分施工图钢结构构件根据结构专业确定的尺寸绘制,待钢结构厂家确定后,须会同厂家、设计单位对图纸重新确定,并根据结构要求增加预埋件,经认可后方可施工。
一、材料选用1.钢材:钢结构用钢材按设计要求全部选用Q235-A Z,其质量标准符合现行规范《碳素结构钢》(GB700-88)的规定,所用钢材的抗拉强度、伸长率、屈服强度和冷弯强度等性能指标必须符合规范要求,其碳、硫、磷的含量指标必须保证。
2.焊接材料:手工焊接采用E4315 、E4316 型号焊条,焊条的性能必须符合GB5117-85 的规定,且必须有出厂合格证明,施焊前经烘焙处理,严禁使用药皮脱落、焊芯生锈的焊条;自动或半自动焊接时采用H08A 焊丝,焊丝的性能应符合GB1300-77 的规定。
3.螺栓及配件:螺栓、螺母、垫圈均应附有质量证明书,普通螺栓须选用Q235-A F钢制作,应符合现行标准(GB700-88)的规定标准;高强螺栓螺杆采用16Mn 钢,螺母采用15MnVB,垫圈采用45 号钢,性能等级为10.9 级,且应符合现行标准(GB1228-91)或(GB3632-83)的规定要求;高强螺栓入库按规格分类存放,防雨防潮,遇有螺栓螺母不配套、螺纹损伤时不得使用;螺栓、螺母、垫圈有锈蚀应抽样检查紧固轴力,满足要求后方可使用,螺栓不得被泥土、油污污染,保持洁净干燥。
二、钢结构制作钢结构构件加工制作前应根据设计图纸重新进行二次设计,并经原设计单位认可,编制加工工艺规程,制作、安装、检查所用钢尺等检测工具精度应一致,并经计量部门鉴定合格。
1.加工准备及备料(1)放样:按照施工图放实样,放样时要予留焊接收缩量,经检验人员复验后办理预检核定手续。
(2)根据实样作样板、样杆。
(3)钢材矫正:钢材下料前必须先进行矫正,矫正后的偏差不应超过规范规定的允许偏差值,以保证下料的质量;下料时零件都应号孔。
高层钢结构施工方案高层钢结构施工方案一、工程概况:本工程是一栋xx层的高层建筑项目,主体结构采用钢结构,总建筑面积xxxx平方米。
二、施工方案:1. 前期准备工作在施工前期,应组织施工队伍进行集体培训,详细分工,明确各自职责,同时开展安全教育,确保施工过程安全可靠。
2. 施工流程(1)基础施工:在承包方指导下,进行地基开挖,桩基施工等工作,确保钢结构建筑的稳固。
(2)钢柱和梁的安装:根据施工图纸和设计要求,按照从下往上,从内到外的原则进行安装,保证结构的稳定性和安全可靠性。
(3)钢屋面和墙板的安装:负责钢构件的拼装和安装,包括屋顶防水、排水系统的安装等工作。
(4)主体结构的强度与稳定性验收:完成钢结构的安装后,进行强度与稳定性验收,确保结构的安全可靠。
(5)装饰和细部工程:包括玻璃幕墙、电气工程、给排水工程等细部施工,使建筑物达到设计要求。
3. 施工要点(1)合理安排施工进度,做好人员调配,确保高效率地完成工程建设。
(2)严格按照施工图进行施工,保证施工质量。
(3)施工过程中,严格按照安全操作规范进行施工,保障人员安全。
(4)钢结构施工中,建议采用平台脚手架搭设,方便施工人员操作,确保施工安全。
(5)加强施工现场管理,严禁乱堆乱放,确保工地整洁有序。
4. 施工设备和材料(1)施工设备:起重机、吊篮、搅拌站、喷涂机等。
(2)施工材料:各类钢构材料、水泥、砂子、砖块、玻璃幕墙等。
5. 安全措施(1)施工现场要设置安全警示标志,指示施工区域,区域内人员必须佩戴安全帽。
(2)施工过程中必须严格按照操作规程进行,特别是起重机械操作人员必须经过合格培训和持证上岗。
(3)每个班组必须配备专职安全员,监督工地安全工作。
(4)加强对施工高处作业的安全防护,必须设置围护网,并安装安全网。
经过以上的施工方案,可确保高层钢结构的施工顺利进行,保证施工质量和人员安全。
较好地实现了高层建筑工程的目标。
第一章工程概况 01.1工程简介 01.2工程特点 (4)1.3编制依据 (5)1.4施工技术路线 (6)1.5工程目标 (6)第二章施工总体部署 (7)2.1钢结构施工管理组织机构 (7)2.2拟投入的劳动力 (12)2.3拟投入安装的机械设备 (12)2.4施工现场平面布置 (14)第三章构件制作 (17)3.1钢结构材料 (17)3.2构件的制作须满足下列规范: (17)3.3加工技术准备工作: (17)3.4加工制造工艺: (21)第四章构件的吊装 (29)4.1构件进场、验收 (29)4.2预埋螺栓施工 (29)4.3钢立柱吊装 (31)4.4钢梁吊装 (34)4.5吊装盲区区域内的构件吊装 (36)4.6钢柱梁的就位与校正: (39)4.7框架调整 (40)第五章焊接施工 (41)5.1焊接对象分析 (41)5.2焊接工艺 (41)5.3焊前准备 (44)5.4过程控制 (45)5.5焊接检查检验 (51)5.6焊接缺陷返修 (52)5.7现场焊接质量保证措施 (53)第六章高强螺栓施工 (55)6.1高强螺栓的保管 (55)6.2高强螺栓的安装: (55)第七章施工进度计划及保证措施 (58)7.1总进度计划编制说明 (58)7.2工程控制措施 (58)7.3恶劣气候条件下施工保证措施 (61)第八章安全生产及文明生产措施 (63)8.1安全文明施工目标及承诺 (63)8.2施工危险性分析 (63)8.3施工安全保证措施 (66)8.4对突发事件的预防措施 (71)8.5工程文明施工保证措施 (75)8.6应急预案 (75)第九章质量保证体系及质量保证措施 (79)9.1质量保证体系 (79)9.2质量检查控制程序 (79)9.3质量控制重点 (80)9.4施工准备阶段质量控制 (80)9.5现场安装质量控制 (80)9.6焊接质量保证措施 (80)第一章工程概况1.1工程简介xx国际财富中心工程位于xx区xx新区商务分区9-3地块,北临城市主干道xx 路并毗临保留建筑原xx住宅,同时与xx花园对望,东侧为xx路,南为xx石路,西靠保护历史建筑群xx宾馆,工程地处xx市西区黄金地带。
重庆高层办公楼钢结构施工方案一、项目概况重庆是一个地形复杂且人口众多的城市,高层办公楼的建设需满足城市化发展的需要。
本项目是一座高层办公楼,主要由钢结构构成,包括型钢混凝土柱和型钢楼梯。
本施工方案旨在保证施工的安全性、高效性和质量可控性。
二、施工方案1.型钢混凝土柱施工:a.基础施工:首先进行地基开挖和浇筑混凝土基础,确保基础的稳定性和承重能力。
b.柱身加工:将型钢按照设计要求加工成柱身,并进行防腐处理,确保钢材的耐久性。
c.安装柱身:将加工好的型钢柱身分段运输至施工现场,使用起重设备将柱身安装至基础上,并进行水平校准。
d.混凝土浇筑:在柱身上进行混凝土浇筑,形成型钢混凝土柱。
并进行养护和验收。
2.型钢楼梯施工:a.楼梯框架制作:按照设计要求和平面布置,制作楼梯的钢框架,并进行防腐处理。
b.楼梯踏面安装:根据楼梯踏面的设计尺寸和材料要求,安装踏面并进行校准和固定。
c.扶手及其他配件安装:安装楼梯扶手和其他配件,确保楼梯的安全使用。
d.楼梯验收和保养:对楼梯进行验收,并制定楼梯保养计划,确保楼梯的安全和可靠性。
三、施工要点1.安全防护:施工现场必须设置警示标志,并配备必要的安全防护设施,如安全帽、工作服和安全绳等。
2.施工进度管理:制定详细的施工计划,合理安排工序和施工任务,确保施工进度的合理性和高效性。
3.质量控制:建立质量管理制度,严格执行相关标准和规范,对施工过程中的质量进行检查和验收。
4.施工技术:采用先进的施工技术和设备,提高施工效率和质量,确保项目的成功实施。
四、施工流程1.基础施工:地基开挖、土方回填、基础浇筑。
2.型钢柱身加工:按照设计要求加工型钢,并进行防腐处理。
3.柱身安装:将加工好的型钢柱身分段运输至施工现场,安装至基础上。
4.混凝土浇筑:在柱身上进行混凝土浇筑,形成型钢混凝土柱。
5.楼梯框架制作:制作楼梯的钢框架,并进行防腐处理。
6.楼梯踏面安装:安装踏面并进行校准和固定。
第一章工程概况及程特点第一节工程概况1.1.1 工程名称及相关单位工程名称工程地点建设单位装饰设计单位监理单位1.1.2 工程现状本工程建设资金已落实,设计图纸已完成。
施工现场为原影剧院改装为政务大厅、办公层,符合三通一平条件,有施工用电、用水和交通通道。
本装饰工程在施工期间,将于建设单位指定消防自喷管道改增、中央空调、通风系统,弱电系统同期施工,施工条件因而受到一定限制,须调节好各施工参建单位施工顺序与衔接的关系。
1.1.3 工程承包范围三至六层所有室内装饰工程、低压配电照明工程、五层加装钢结构加层工程、给排水改造工程,卫生间、厨房装饰改造及器具安装工程等。
1.1.4 工程承包方式总承包1.1.5 工期总工期90个日历天1.1.6 工程质量等级标准全部工程达到优良工程标准1.1.7 文明施工达到市优良文明样板工地1.1.8 安全施工达到市安全生产优良工地1.1.9 工程保修期二年第二节工程特点本工程施工工地为原西关影剧院新建大楼,原有楼层三至五层为大开间,五层顶高6M,本工程主要施工项目之一就是在五层3M标高处增加钢结构夹层一层;原建筑内消防喷淋管道已安装到位,本工程中将依据装饰方案进行增减;原建筑供电主电缆已基本放到电缆井,可以提供本工程用电的需求;本工程同时进行中央空调、通风系统新建施工;弱电网络系统安装工程;本工程主要特点就是施工项目多,施工单位多,穿插作业内容多,各施工单位、各工序协调多,施工工期紧,资金使用量大等;综合以上工程特点,建设期间,业主需给予总包方在施工中大力支持,由总包方制定切实可行的统筹施工方案,各施工单位在总包方的统筹部署下进行有序施工,加强统一管理、统一协调的力度,确保在既定工期内完成这项艰巨的施工任务。
因此,施工组织须考虑在不影响工期的情况下组织好施工进度搭接的安排、成品半成品的保护工作以及安全生产的防护措施。
本工程施工组织重点做好以下工作:(1)施工进度计划的安排,在尊重业主方意见的前提下,组织合理的施工场地和办公场所的交接过渡。
高层办公楼钢结构施工方案Coca-cola standardization office【ZZ5AB-ZZSYT-ZZ2C-ZZ682T-ZZT18】高层办公楼钢结构施工方案1.工程概况建筑设计概况(见表1-1)表1-1 建筑设计概况表1-2 钢结构设计概况项目管理组织机构施工质量工期目标与进度计划3.2.1质量目标确保北京市结构“长城杯”,争创竣工“鲁班”奖。
3.2.2工期目标:本工程的钢结构施工总工期约为225天,工程计划于20××年9月25日开工,至20××年4月1日全部完成。
3.2.3施工进度计划钢结构施工需根据主体结构工程进度进行调整,合理安排施工进度计划,保证钢结构施工不影响主体结构的施工。
技术准备(1)深化设计内容1)深化(优化)设计应根据原设计所提供的节点详图进行,如在节点图中无相应的节点时,可按照中国钢结构设计规范进行制定,但必须提交原设计认可。
同时如须对原设计节点进行优化,事先须得到原设计同意。
2)节点图应包括钢柱与钢柱、钢梁与钢柱等连接详图。
3)节点图内容应包括各个节点的连接类型,连接件的尺寸,高强度螺栓的直径和数量,焊缝的形式和尺寸等一系列施工详图设计所必须具备的信息和数据。
4)安装布置图:安装布置图所包含的内容有构件编号、安装方向、标高、安装说明等一系列安装所必须具有的信息。
5)构件详图,它至少应包含以下内容:构件细部、重量表、材质、构件编号、焊接标记、连接细部、坡口形式和索引图等。
螺栓统计表,螺栓标记,螺栓直径。
轴线号及相对应的轴线位置。
加工、安装所必须具有的尺寸。
方向、构件的对称和相同标记(构件编号对称,此构件也应视为对称)。
图纸标题、编号、改版号、出图日期。
加工厂所需要的信息。
6)整个结构和每件构件的紧固螺栓清单。
螺栓尺寸(直径、长度、重量)。
净重量。
构件编号、详图号、连接部分螺栓长度的确定,必须按照中国钢结构规范或业主所提供的规程进行计算。
7)图纸清单应注明详图号、构件号、数量、重量、构件类别、改版号、提交日期。
8)图纸、资料的格式图纸、资料的格式(如标题、承包商所提及的标记等),需向业主提供样张确认。
9)焊接a.详图中所有焊缝标注应符合中国钢结构焊接规范。
b.详图中应对所有焊缝进行标注(类型、高度、坡口尺寸等)。
10)修改对发现的问题进行修改,修改成果须经设计确认。
劳动力准备本工程钢结构安装、焊接与栓钉施焊等各工种劳动力初步配备(如下表4-1),但在施工过程中还要根据工期要求和供货情况以及现场的安装条件再作调整.表4-1 现场施工人员配备一览表(1)参与施工的特种作业人员均持证上岗。
必要时施工前针对本工程特点进行安装、焊接作业人员的培训与考核。
(2)施工人员均参加过多层钢结构工程施工,熟悉钢结构吊装工艺和要求,有丰富的施工经验。
(3)焊缝检测和原材料检验均委托有资质的单位和人员进行检测。
主要施工设备准备表4-2 起吊、运输设备一览表表4-3 安装用具一览表(1)塔吊布置:(见附图现场塔吊布置平面图)根据塔楼施工图纸构件的布置和采用一柱三层梁吊装时的构件最大重量,计划主要使用一台H3/36B(50m)塔吊装钢构杆件,柱子最大重量为,塔吊最大吊重。
(2)运输通道和堆放场:1)根据现场总平面布置,在现场西北角、正北方向各有一个大门,作为钢构件的进出场入口,但地下室的钢柱由于西侧未拆迁,只能从正北门进入。
2)由于施工场地条件所限,前期施工仅考虑堆放供两天吊装的钢构件,尽量将所有钢构件堆放在建筑物周边(确保在塔吊起吊能力的范围内),减少二次倒运。
在构件安装过程中,根据具体情况,建立第二场地作为钢构件的周转堆放场地,根据安装施工进度再由第二场地提前一天或当天配套发运到安装现场,以满足总进度要求。
3)现场材料、构件的储存,堆放和成品保护:①加工成型的钢构件,按现场的施工进度要求,分期分批配套运到现场堆放,应把柱子、梁等各类构件,按照构件的安装顺序,分区,分类进行堆放。
场的维修小组自行处理,但不得延误钢结构的正常吊装,特殊情况可书面委托施工单位处理。
其处理费用由加工厂承担。
(3)构件质量的检查要点:A 检查构件、配套件的出厂合格证、材质证明和材料的复试报告,焊缝外观质量与无损检测报告,焊接工艺评定、施工试验报告以及同批交验的施工技术资料。
B 检查进场构件的外观质量、构件的挠曲变形,节点板表面损坏与变形、焊缝外观质量、有摩擦面抗滑移系数要求的表面喷砂质量。
C 检查构件的几何尺寸、特别是两端铣平时,构件长度(应将焊接收缩值和压缩变形值计入构件的长度内)以及平面度、垂直度。
安装焊缝坡口尺寸精度,构件连接处的截面几何尺寸,孔径大小及位置,焊钉数量及位置等。
D 在检查构件外形尺寸,构件上的节点板,螺栓孔等位置时,应以构件的中心线为基准进行检查,不得以构件的棱边,侧面为基准线进行检查,否则可能导致误差。
(4)各种构件加工的外形尺寸的允许偏差:表4-4 焊接H型钢的允许偏差(mm)表4-5 多节钢柱外形尺寸的允许偏差(mm)表4-6 焊接实腹钢梁外形尺寸的允许偏差(mm)表4-7 端部铣平的允许偏差(mm)5.钢结构安装钢柱地脚螺栓的埋设本工程地脚螺栓的形式(见图5-1 )图5-1柱脚螺栓的形式钢柱地脚螺栓埋设施工具体埋设方法如下:5.1.1固定板加工:每个柱脚地脚螺栓加工一个定位钢板,钢板采用660×660×8MM,定位钢板加工大小、开孔尺寸同柱脚板。
5.1.2地脚螺栓加长:为保证地脚螺栓能有两点固定,把地脚螺栓加长至底板钢筋位置,在厂家完成。
5.1.3安装顺序:下铁钢筋绑扎→上铁钢筋绑扎(注意:钢筋绑扎过程中放线空出螺杆位置)→地脚螺栓就位→测量调整→下部固定、箍筋固定→定位板固定→地脚螺栓再次校核就位。
5.1.4测量定位校正:在钢板上做定位中线,在现场两个方向架经纬仪器对其进行校正。
完成7或9轴上的五个柱子固定后,再统一进行最后校核,保证在一条轴线上。
测量标高校正:保证螺杆外露部分超过160mm。
5.1.5地脚螺栓最终定位螺栓位置确定后,再次用经纬仪找准轴线无误后,将定位钢板与底板上铁加钢筋点焊固定。
混凝土浇筑前将上部螺栓丝扣保护起来。
5.1.6混凝土浇筑安装完毕后,等待浇筑混凝土,在浇筑顶板混凝土前,检查锚栓的轴线和垂直度,以及固定是否牢固。
严禁振捣棒接触螺栓杆,并派人负责看守。
5.1.7上部钢板去除:混凝土终凝后,用气焊烧掉固定用的钢筋,取出定位板,并对柱范围内混凝土进行凿毛处理。
5.1.8找钢柱底标高混凝土浇筑后,在底板上弹出轴线,如发现螺栓有超过允许的偏移,按1∶ 6坡度调直螺栓,再将设计要求的柱底标高弹在柱子钢筋上,以此作为无收缩混凝土标高,构件的吊装5.2.1钢骨柱分节本工程钢骨柱三层为一节,每节柱子单独吊装,具体柱子标高见表5-1。
表5-1 各节柱标高5.2.25.2.2.1钢骨柱的吊装:(1)钢柱的吊装流程见图“钢柱的吊装流程图”。
(2)吊装准备吊装前应清除柱身上的油污、泥土等杂物以及连接面上的浮锈。
检查钢柱质量符合设计要求和现行规范(GB 50205—2001)的规定后,在柱身上测放出十字中心线并在上下端适当部位用白色或红色油漆标出中心标记,以便就位对中和校正钢柱垂直偏差用。
在构件弹线的同时,应按照施工图,核对构件上的编号标记,如不齐全、不明显的,应加以补编,不易判别方向的应在构件上加以标明,以免装错。
将吊索具、防坠器、缆风绳、爬梯,溜绳等,固定在钢柱上的相应位置上,固定要牢靠。
准备好柱脚螺母的扳手(规格根据螺栓的大小确定)及加力杆、柱脚板下的调整垫铁。
图5-2 钢柱的吊装流程(3)吊点选择及起吊方式吊点的选择:利用专用吊具与柱身上端安装耳板连接作为四吊点。
钢柱的起吊方式:通过吊索具,与H3/36B塔吊吊钩连接,起吊时采用单机回转法起吊。
起吊前,钢柱应横放在垫木上,柱脚板位置垫好木板或木方,起吊时,不得使柱的底端在地面上有拖拉现象。
钢柱起吊时必须边起钩、边转臂使钢柱垂直离地。
(4)临时固定临时固定:见图5-3“临时固定图”当钢柱吊到就位上方200mm时,停机稳定,对准螺栓孔和十字线后,缓慢下落,下落中应避免磕碰地脚螺栓丝扣,当柱脚板刚与基础接触后应停止下落,检查钢柱四边中心线与基础十字轴线的对准情况(四边要兼顾),如有不符,立即进行调整。
(调整时,需三人操作,一人移动钢柱、一人协助稳固,另一人进行检测)经调整,钢柱的就位偏差在3mm以内后,再下落钢柱,使之落实。
收紧四个方向的缆风绳,拧紧临时连接(5)测量校正(见图5-4“钢柱标高调整示意”)①钢柱标高调整:先在柱身上标定标高基准点,然后以水准仪测定其偏差值,利用在柱脚底板下设置的调整螺母来调整柱的标高和垂直偏差。
钢柱吊装前可通过水准仪先将调整螺母上表面的标高调整到与柱底板标高齐平。
放上柱子后,利用底板下的螺母控制柱子的标高,柱子底板下预留的50mm空隙用高一级混凝土浇灌密实,使用钢筋棍或30振捣棒振实,同时为保证密实度,柱角板上开四个直径50mm透气孔,但整个开孔截面损失不得超过地脚板面积的25%。
图钢柱标高的调整②位移的调整标高调整好后,再将钢柱四边中心线与基础的十字轴线对准,四边要兼顾,位移偏差要控制在3mm以内。
③钢柱垂直校正:a先采用带磁性的双向水准的水平尺对钢柱垂直度进行初校,然后再利用纵横轴线上的全站仪或经纬仪,借助柱顶上缆风绳同下端各相连的手拉葫芦或硬支撑、调整螺母等将钢柱的垂直度调整到允许偏差范围后,将柱脚锁紧螺母拧紧固定。
b校正时应先校正偏差大的,后校偏差小的。
如两个方向偏差相近,则先校正小面,后校正大面。
5.2.2.2钢骨梁的吊装(1)钢骨梁的吊装顺序钢梁吊装紧随钢柱其后,当钢柱构成一个单元后,随后应将该单元的框架梁由下而上,与柱连接组成空间刚度单元,经校正紧固符合要求后,依次向四周扩展。
(2)吊装前准备:A 吊装前,必须对钢梁定位轴线、标高、钢梁的编号、长度、截面尺寸、螺孔直径及位置,节点板表面质量,高强度螺栓连接处的摩擦面质量等进行全面复核,符合设计施工图和规范规定后,才能进行附件安装。
B 用钢丝刷清除摩擦面上的浮锈,保证连接面上平整,无毛刺,飞边、油污、水、泥土等杂物。
C 梁端节点采用栓—焊连接,应将腹板的连接板用一螺栓连接在梁的腹板相应的位置处,并与梁齐平不能伸出梁端。
D节点连接用的螺栓,按所需数量装入帆布包内挂在梁端节点处,一个节点用一个帆布包。
E 在梁上装溜绳、扶手绳(待钢梁与柱连接后,将扶手绳固定在梁两端的钢柱上)。
(3)钢梁的附件安装A 钢梁要用两点起吊,以吊起后钢梁不变形、平衡稳定为宜。
B 为确保安全,钢梁在工厂制作时,在距梁端~0.3 L(梁长)地方,焊好两个临时吊耳,供装卸和吊装用。