10KV断路器的技术参数要求 文档
- 格式:doc
- 大小:26.50 KB
- 文档页数:3
10千伏柱上断路器技术规范10千伏柱上断路器技术规范 1 范围本技术条件规定了上述10 kV配电负荷开关的使用环境条件、性能参数、技术要求等具体内容。
本规范中凡标明参数数值的是作为特殊强调的条款,未标明的按DL/T403-2000 执行。
本技术条件适用于天津市电力公司管辖的10kV架空配电线路柱上断路器。
2 规范性引用文件下列文件中的条款通过本标准的引用而成为本标准的条款。
凡是注日期的引用文件,其随后所有的修改单(不包括勘误的内容)或修订版均不适用于本标准,然而,鼓励根据本标准达成协议的各方研究是否可使用这些文件的最新版本。
凡是不注日期的引用文件,其最新版本适用于本标准。
GB1984,1989 《交流高压开关》GB/T 11022-1999 《高压开关设备通用技术条件》GB311.1-1997 《高压输变电设备的绝缘配合》GB763-1990 《交流高压电器在长期工作时的发热》GB3309-1989 《高压开关设备常温下机械试验》GB2706-1989 《交流高压电器动热稳定试验方法》GB8905/T-1998 《六氟化硫电气设备中气体管理和检测导则》DL/T403-2000 《12,40.5Kv高压真空开关订货技术条件》DL/T593-1996 《高压开关设备的共用订货技术导则》当以上标准中的条款与本技术条件发生偏差时,应满足本技术条件。
3 设备技术规范3.1 SF6负荷气体绝缘真空断路器。
3.2 使用环境条件——海拔高度: ?1000米.——环境温度: 户外―25?,+50?——相对湿度: ?90%(25?)2——日照强度(风速0.5m/s时):0.1W/cm——最大风速: ?35m/s——外绝缘污秽等级IV;外绝缘爬电比距不小于31mm/kV.——覆冰: 按10mm考虑——地震裂度: 不超过8度,水平加速度0.15g——安装位置: 户外柱上3.3 性能参数——额定电压: 10kV——额定绝缘水平 12 kV——额定电流: 630A——额定频率: 50Hz——额定峰值耐受电流:50 kA1——额定短时耐受电流: 20kA、4秒——额定短路开断电流: 20kA——额定开断短路电流次数: ?30次——额定电流开断次数;?10000次——机械寿命:?10000次——工频耐压(有效值1min):相对相42kV,相对地42kV,断口间48kV——雷电冲击耐压(1.2/50цs):相对相75kV,相对地75kV,隔离断口间85kV +1——触头开距: 9mm -0.5——分、合闸时间: <45ms——分合闸同期性: <2ms——单相导电回路电阻<120uΩ—— SF6气体年漏气率 < 1%——储能电动机额定功率: <40W4 断路器结构及附属设备要求4.1 采用真空灭弧室,高压部分、操作机构、低压回路全部采用SF6气体绝缘密封。
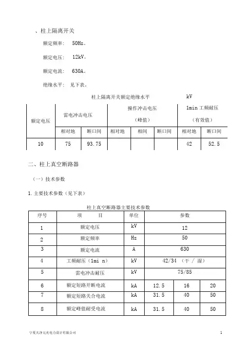
、柱上隔离开关额定频率: 50Hz。
额定电压: 12kV。
额定电流: 630A。
绝缘水平: 见下表。
柱上隔离开关额定绝缘水平kV二、柱上真空断路器(一)技术参数1.主要技术参数(见下表)柱上真空断路器主要技术参数2.技术规范(1) 环境条件1) 海拔高度:W 3000m2) 最大风速:30m/s。
3) 环境相对湿度:日平均值95%月平均值90%4) 地震烈度: 8度。
5) 污秽等级: 3级。
使用条件1) 系统电压: 10kV;系统最高电压:12kV;系统额定频率:50Hz;系统中性点接地方式:非有效。
2)安装地点:户外。
3)安装方式:柱上垂直。
(3)技术性能要求1)断路器应在规定的各种工作情况下达到开断性能的要求而不发生拒动或误动。
2)噪声:户外不大于55dBo 3)操动机构。
形式:弹簧机构或永磁电动机构;操作方式:手动操作或电动操作。
4)辅助回路。
辅助回路应能长期承载10A电流,温升不超过GB/T 11022—1999《高压开关设备和控制设备标准的共用技术要求》规定值。
辅助触点10对,其中5对动合触点,5对动断触点,并能按需要改换。
采用阻燃端子,留有15%&用端子排。
5)一次端子。
断路器提供连接导线的板式端子,端子受力:水平750N;垂直500N;横向400N。
断路器端子型式和尺寸应满足GB/T 5273 —1985《高压器、高压电器和套管的接线端子》标准中有关规定。
6)断路器瓷套的爬电距离不小于31mm/kV( 42kV以下)。
7)接地。
每台断路器应装设满足接地热稳定电流要求的接地极板,并配有与接地线连接用的接地螺栓,螺栓的直径不小于12mm8)寿命。
机械寿命(连续操作不调整):10000次;电气寿命:开断100%额定开断短路电流30次。
9)每台断路器配有位置指示器。
合闸为红色;分闸为绿色。
10)所有支架按工程需要要进行热镀锌的防腐处理。
11)有符合国标的铭牌,铭牌用耐腐蚀的材料制成,字样、符号应清晰耐久,铭牌在正常运行时安装位置应明显可见。
10kv户内真空断路器技术要求(一)10kV户内真空断路器技术要求一、基本要求•额定电压:10kV•额定电流:根据不同场合的需要确定,通常为200A、630A、1250A等•额定短路开断电流:根据系统要求,典型值为20-50kA •额定短路关合电流:与额定短路开断电流相同•机械耐久性:满足相应标准要求,保证可靠运行•绝缘水平:满足绝缘水平要求,确保操作安全可靠•额定频率:50Hz二、外观要求•整体结构:紧凑、坚固、美观•外壳材料:阻燃、耐高温、耐腐蚀材料•颜色:通常为黄色、灰色等明显标识颜色,方便区分•操作机构:手动和电动操作机构应满足相应标准要求•显示装置:配备操作状态显示装置,方便操作监视三、电气性能要求•操作机构电气性能:动作可靠,符合相关标准要求•断口电流互感器性能:满足精确测量、实时监测要求•绝缘性能:满足高电压操作要求,防止操作人员触电•遮蔽板性能:具有良好遮蔽效果,防止触摸到带电部位•操作单位性能:灵敏、可靠性好,满足操作要求四、举例解释说明例如,一款10kV户内真空断路器产品在技术要求方面应具备以下特点:•额定电压为10kV,额定电流可选630A或1250A,额定短路开断电流为30kA。
•机械耐久性要求能够经受恶劣条件下的长期运行,可达到10000次以上的开关机操作寿命。
•外壳采用阻燃材料制成,具有优良的耐高温和耐腐蚀性能,外观颜色为明显的黄色,便于识别和区分。
•操作机构采用电动机构,动作可靠,配备显示装置显示操作状态,方便操作监视。
•电气性能要求断口电流互感器精确测量断路器的负载电流,绝缘性能能够满足高电压操作要求,防止操作人员触电。
以上只是一些示例说明,实际的10kV户内真空断路器技术要求还需根据具体应用场景和相关标准进行具体的设计和评估。
10kV 柱上真空断路器技术规范书单位:批准:审核:编制:年月1. 总则2. 引用标准3. 使用条件4. 技术参数5. 技术要求6. 附属设备技术参数及要求7. 质量保证及试验(监造)8. 供货商应提供的供货范围和技术文件9. 包装、运输附录一供方投标文件要求附录二买方提出的技术文件附录三试验大纲附录四售后服务附录五备品备件及专用工具1 总则1.1 本技术规范书适用于10KV 线路户外柱上交流真空断路器,型号为ZW □—12/630 — ( 20〜25kA )带隔离刀闸,它提出了断路器的功能设计、结构、性能、安装和试验等方面的技术要求。
1.2 本规范书提出的是最低限度的技术要求,并未对一切技术细节作出规定,也未充分引述有关标准和规范的条文,卖方应提供符合本规范书和相关标准的优质产品。
1.3 本设备技术规范书所使用的标准如遇与卖方所执行的标准不一致时,按较高标准执行。
1.4 本设备技术规范书经买、卖双方确认后作为订货合同的技术附件,与合同正文具有同等的法律效力。
1.5 本设备技术规范书未尽事宜,由买卖双方协商确定。
1.6 未尽事宜, 由买卖双方协商确定。
2 引用标准GB3ll.1 《高压输变电设备的绝缘配合》GBll022 《高压开关设备通用技术条件》GB2706 《交流高压电器动热稳定试验方法》GB763 《交流高压电器在长期工作时的发热》GB3906 《3〜35KV 交流金属封闭开关设备》SD/T318 《高压开关柜闭锁装置技术条件》DL/T593 《高压开关设备的共用订货技术条件》GB3309 《高压开关设备常温下的机械试验》DL/T486 《交流高压隔离开关和接地开关订货技术条件》DL/T615 交流高压断路器参数选用导则》DL/T403《12Kv 〜40.5kV 高压真空断路器订货技术条件》3 、 使用条件安装场所: 户外 海拔高度 : 1000 米 最高温度: 40 C 最低温度:-40 C最大日平均温差:25 °C8度水平加速度不大于 0.2m/S 2 垂直加速度不大于 0.25m/S 24 、 技术参数 4.1 主要技术参数名称 单位 数据额定电压 kV 12额定电流 A 630额定频率Hz 501min 工频耐压(干试 / 湿试)kV42( 断口 49 )/30污秽等级 :4级空气相对湿度: 日平均相对湿度不大于 95 % 月平均相对湿度不大于 90 %地震裂雷电冲击耐压(峰值)kV75( 断口85 )额定短路开断电流HZ20额定峰值耐受电流kA50DL/T615 交流高压断路器参数选用导则》4S额定短时耐受电流kA20额定短路关合电流(峰值)kA50额定操作顺序分-0.3s-合分-180s-合分机械寿命次10000额定短路电流开断次数次30额定操作电压V220 (DC, AC)辅助回路额定电压V220(DC,AC)过电流脱扣器额定电流A5电流互感器变比A200/5,400/5,600/5 (保护级:3级,测量级:0.5级)操作方式弹簧操作(手动/电动)二次回路1min工频耐压kV 24.2断路器调整后达到的技术数据名称单位数据触头开距mm10 ±1触头超行程mm 2 ±0.5分闸速度m/s 1 ±0.3合闸速度m/s0.6 ±0.2触头合闸弹跳时间ms< 2相间中心距mm340 ±1.5三相分合闸不同期性ms< 2各相导电回路电阻卩Q< 60分闸时间ms < 45动触头允许磨损累计厚度mm 34.3操动机构主要技术数据5、技术要求5.1真空断路器的外壳应为不锈钢外壳。
曲咼压真空断路器ZN12-12型户内高压真空断路器ZN12-40.5型户内高压真空断路器ZN65-12型户内高压真空断路器VS1-12型户内高压真空断路器ZN28-12型户内高压真空断路器ZN28A-12型户内高压真空断路器ZW32-12型户外高压真空断路器ZN12-12户内高压真空断路器一、概述ZN12-12型真空断路器为额定电压12kV、三相交流50Hz的户内高压开关设备,是引进德国西门子公司3AF技术的国产化产品。
本断路器的操作机构为弹簧储能式,可以用交流或直流扣作,亦可用手动扣作。
本断路器结构简单,开断能力强,机械寿命长,操作功能齐全,无爆炸危险,维修简便,适于作发电厂、变电所等输配电系统的控制或保护开关,尤其适用于开断重要负荷及频繁操作的场所。
二、使用环境条件海拔高度:低于1000m。
环境温度:最高+40 C,最低-25 C。
相对湿度:日平均不大于95%,月平均不大于90%。
地震烈度:低于8°。
无火灾、爆炸危险,无腐蚀性气体及无剧烈震动的场所。
三、技术参数注:合闸速度指触头最后6mm时的平均速度分闸速度指触头刚分6mm时的平均速度采用小型化纵磁场灭弧室每相回路电阻w 40注:图中尺寸 b2000A 及以上为360, 2000A以下为350 ; 2000A 及以上,上下出线端孔 为4-M12,1600A 及以下,上下出线端孔为 2-M12 。
()内的尺寸为40、50kA 产品尺寸。
e 210 230 250 280 c 610 650 690 750 d 514 554 594 514f 586 626 666 726 g215235255215四、产品外形及安装尺寸寸6? OFF W问一一空40MQ -®-4)-®- U F' U机械联锁孔位置ZN12-40.5户内高压真空断路器一、概述ZN12-40.5型真空断路器为额定电压40.5kV、三相交流50Hz的户内高压开关设备,是引进德国西门子公司3AF技术的国产化产品。
实用文档目录高压真空断路器ZN12-12型户内高压真空断路器………………………………………ZN12-40.5型户内高压真空断路器………………………………………ZN65-12型户内高压真空断路器………………………………………VS1-12型户内高压真空断路器…………………………………………ZN28-12型户内高压真空断路器………………………………………ZN28A-12型户内高压真空断路器………………………………………ZW32-12型户外高压真空断路器………………………………………ZN12-12户内高压真空断路器一、概述ZN12-12型真空断路器为额定电压12kV、三相交流50Hz的户内高压开关设备,是引进德国西门子公司3AF技术的国产化产品。
本断路器的操作机构为弹簧储能式,可以用交流或直流扣作,亦可用手动扣作。
本断路器结构简单,开断能力强,机械寿命长,操作功能齐全,无爆炸危险,维修简便,适于作发电厂、变电所等输配电系统的控制或保护开关,尤其适用于开断重要负荷及频繁操作的场所。
二、使用环境条件海拔高度:低于1000m。
环境温度:最高+40℃,最低-25℃。
相对湿度:日平均不大于95%,月平均不大于90%。
地震烈度:低于8°。
无火灾、爆炸危险,无腐蚀性气体及无剧烈震动的场所。
三、技术参数注:合闸速度指触头最后6mm时的平均速度分闸速度指触头刚分6mm时的平均速度采用小型化纵磁场灭弧室每相回路电阻≤40μΩ四、 产品外形及安装尺寸A 向机械联锁孔位置◆表内所列为各项对应尺寸注:图中尺寸b2000A 及以上为360,2000A 以下为350;2000A 及以上,上下出线端孔为4-M12,1600A 及以下,上下出线端孔为2-M12。
()内的尺寸为40、50kA 产品尺寸。
ZN12-40.5户内高压真空断路器一、概述ZN12-40.5型真空断路器为额定电压40.5kV、三相交流50Hz的户内高压开关设备,是引进德国西门子公司3AF技术的国产化产品。
专用技术规范
1 标准技术参数
柱上断路器,AC10kV,630A,25kA,真空,户外。
空气绝缘,电动,弹簧,支柱式技术参数特性见表1。
表1 技术参数响应表(投标人填写)
附件:一二次设备连接
a)一次开关侧航空接插件管脚定义
与馈线终端配套的一次开关,应配置26芯航空接插插座。
26芯航空接插插件管脚定义见附表1。
附表1 26芯航空插件管脚电气定义
a) 一二次设备连接电缆(开关厂商不配置)
馈线终端典型设计提供一次开关与馈线终端的连接电缆示意图、PT与馈线终端的连接电缆示意图,分别见附图1、附图2。
附图1 一次开关与馈线终端的连接电缆示意图
附图1中6芯,10芯航空接插件管脚定义参见国家电网公司《配电自动化终端技术规范》附录B。
6芯,10芯、26芯航空接插件结构尺寸和安装尺寸参见《配电自动化设备典型设计》。
附图2 PT与馈线终端的连接电缆示意图
附图2中4芯航空接插件管脚定义参见国家电网公司《配电自动化终端技术规范》附录B。
4芯航空接插件结构尺寸和安装尺寸参见《配电自动化设备典型设计》。
4芯航空接插件和PT侧电缆标记的对应关系见附表2。
附表2 4芯航空接插件和PT侧电缆标记的对应关系表
4芯航空接插件引脚
号PT侧电缆标
记
标记说明备注
1 1TVa AB线电压TV二次侧电压(对应A
相)
2 2TVc CB线电压TV二次侧电压(对应C
相)
3 1TVb AB线电压TV二次侧电压(对应B
相)
可短接
4 2TVb CB线电压TV二次侧电压(对应B
相)。
10千伏断路器型号参数10千伏断路器是一种重要的电气设备,用于在电力系统中控制和保护电路。
它具有承受高电压和大电流的能力,可以有效地切断电路中的故障和故障电流,保护电力设备和人员的安全。
在选择10千伏断路器时,其型号参数至关重要,以下是一些常见的10千伏断路器型号参数:1. 额定电压(Rated Voltage):10千伏断路器的额定电压通常为10千伏,这意味着它可以在10千伏的电压下正常工作,同时也有一定的过电压容限。
2. 额定电流(Rated Current):10千伏断路器的额定电流是指断路器可以承受的最大电流值。
通常情况下,10千伏断路器的额定电流范围为数十至数百安培。
3. 额定短路开断电流(Rated Short-circuit Breaking Current):10千伏断路器在额定电压下能够可靠地切断的最大短路电流。
这个参数对于保护设备和系统的安全非常重要。
4. 额定峰值耐受电压(Rated Peak Withstand Voltage):10千伏断路器在额定电压下可以承受的最大峰值耐受电压。
这个参数是考虑设备在高电压冲击下的稳定性和可靠性。
5. 使用环境(Operating Environment):10千伏断路器通常设计用于室内或室外环境,因此其适用的工作温度范围、湿度和海拔高度等因素需要考虑在内。
6. 制造标准(Manufacturing Standard):10千伏断路器的生产需要符合一定的制造标准,比如国家标准、行业标准或国际标准,以确保产品质量和安全性。
7. 触头电极数(Number of Pole):10千伏断路器通常有单极、双极、三极或四极等不同触头电极数,以满足不同的电气布置和运行要求。
8. 操作方式(Operation Mode):10千伏断路器可采用手动、电动、液压或气动操作方式,以便实现远程控制和自动化管理。
9. 联锁功能(Interlocking Function):10千伏断路器可以具备过载、短路、欠压、过压和漏电等多种保护功能,通过智能联锁系统提高系统的安全性和可靠性。
10KV柱上真空断路器技术条件型号:ZW32 –12G/630A-20KA (不锈钢外壳)一、使用环境:1.海拔高度:≤1800M2.环境温度:+ 60 ℃~ -30℃3.最大日温差:≤15K4.风速:≤34 m/s5.抗震能力:地面水平加速度0.25g地面垂直加速度0.125g6.覆冰厚度:10mm7.使用地点: 户外二、产品应符合下列标准要求:1.GB1984-89 交流高压断路器2.GB1985-89 交流高压隔离开关和接地开关3.GB11022-89 高压开关设备通用技术条件4.DL406-91 交流自动分段器订货技术条件5.DL/T 402-91 交流高压断路器订货技术条件6.SD317-89 10KV交流自动重合器技术条件三、技术参数要求:1.额定电压:12KV2.额定工作电压:10KV3.额定电流:630 A4.频率50Hz5.额定开断电流:20 KA6.额定关合电流: 50 KA7.额定短时耐受电流: 20 KA8.额定短时耐受电流时间: 4S9.额定峰值耐受电流: 50 KA10.绝缘水平一分钟工频耐压对地42KV(干试)断口48KV雷电冲击耐压对地75KV断口85KV12.外绝缘污秽等级:III级13.主绝缘距离要求: 导体相间及对地≥125mm瓷绝缘爬电比距1.8 cm/KV有机绝缘爬电比距2.0cm/KV绝缘隔板两边距带电体的净距离每边不小于30 mm 14.绝缘材料: 应选用阻燃材料如SMC。
15.断路器机械寿命:10000次16.辅助开关额定电流:DC10A17.断路器合闸时间:≤0.06S(最高操作电压)≤0.1S(最低操作电压) 18.断路器分闸时间:≤0.1S19.断路器合分闸不同期:≤ 2 MS20.断路器弹跳时间:≤ 2 MS21.操作电压的波动范围:65%~120%Un能可靠分闸85%~110%Un能可靠合闸22.断路器应装设指示明显的分合闸位置指示及计数器。
10千伏断路器型号参数一、型号介绍10千伏断路器是一种用于10千伏电力系统的保护设备,主要用于控制和保护电力设备免受过载、短路和接地故障的影响。
不同的型号具有不同的参数和特性,可以根据实际需求选择合适的型号。
二、额定电压和额定电流10千伏断路器的额定电压为10千伏,额定电流则根据具体型号的不同而有所变化。
一般来说,10千伏断路器的额定电流范围从几百安培到几千安培不等。
根据电力系统的负荷情况和设备容量,可以选择适当的额定电流。
三、短路开断能力短路开断能力是指断路器在短路故障发生时,能够安全、可靠地切断电路并承受短路电流的能力。
对于10千伏断路器,其短路开断能力一般在几千安培到几万安培之间。
短路开断能力越大,说明断路器在短路故障时的安全性和可靠性越高。
四、额定频率和极数10千伏断路器的额定频率通常为50赫兹或60赫兹,这取决于电力系统的频率标准。
极数是指断路器的触头数量,常见的极数有三极、四极和六极等。
不同的极数适用于不同的电力系统配置,可以根据实际需要进行选择。
五、操作机构和动作特性10千伏断路器的操作机构可以是手动操作、电动操作或液压操作等,用于实现断路器的合闸和分闸动作。
动作特性是指断路器在不同故障情况下的动作保护特性,如过载保护、短路保护和接地保护等。
根据实际需要,可以选择适合的操作机构和动作特性。
六、额定耐久性和机械寿命额定耐久性是指断路器在额定电流和额定操作次数下的使用寿命。
机械寿命是指断路器在正常操作和维护条件下的寿命。
一般来说,10千伏断路器的额定耐久性可以达到几万次以上,机械寿命可以达到几十年。
七、防护等级和安装方式10千伏断路器的防护等级通常采用国际电工委员会(IEC)的标准,如IP20、IP40等。
防护等级越高,断路器对外界环境的影响越小,安全性越高。
安装方式可以是固定式、可移动式或可拉出式等,根据具体的安装要求选择适当的方式。
八、其他特性和附加功能除了上述参数外,10千伏断路器还可以具有其他特性和附加功能,如远动控制、故障记录、通信接口等。
10kV架空线路真空断路器(开关)技术规范书工程项目:XXX公司年月1.总则1.1本规范书适用于本合同的设备,它提出设备的功能设计、结构、性能、安装和试验等方面的技术要求。
1.2本真空断路器(开关)适用于架空线路相间故障,采用过流脱扣方式跳闸隔离;不配置二次保护控制装置。
1.3供方须执行现行国家标准和电力行业标准。
有矛盾时,按要求较高的标准执行。
1.4供方须执行现行国家标准和行业标准。
应遵循的主要现行标准如下:GB1984-2003 高压交流断路器GB 3906-2006 3.6kV~40.5kV交流金属封闭开关设备和控制设备GB/T 11022-1999 高压开关设备和控制设备标准的共用技术要求GB/T 4208-1993 外壳防护等级(IP代码)GB3309—1989 高压开关设备在常温下的机械试验DL402-2007 高压交流断路器订货技术条件DL/T404—2007 《3.6kV~40.5kV交流金属封闭开关设备和控制设备》DL/T593-2006 高压开关设备和控制设备标准的共用技术要求1.5本设备技术规范书未尽事宜,由需供双方协商确定。
1.6供方应获得ISO9000(GB/T 19000)资格认证书或具备等同质量认证证书,必须已经生产过三台以上或高于本招标书技术规范的设备,并在相同或更恶劣的运行条件下持续运行三年以上的成功经验。
提供的产品应有鉴定文件或等同有效的证明文件。
对于新产品,必须经过挂网试运行,并通过产品鉴定。
2.使用条件3.技术参数及要求3.1基本技术参数表3.2柱上真空断路器(开关)技术要求要求采用以下两种结构之一:1、采用三相共箱式SF6气体全密封结构,内置真空灭弧介质断路器、过流脱扣线圈、弹簧操作机构等部件,箱壳与内置带电部件采用SF6气体绝缘;手动操作方式。
2、采用三相极柱式,真空断路器采用环氧树脂浇注与弹簧操作机构底座及过流脱扣线圈成一体结构;手动操作方式。
过流脱扣线圈保护方式至少配置两档及以上一次电流值可整定,也可以设置退出不用。
目录高压真空断路器ZN12-12型户内高压真空断路器………………………………………ZN12-40.5型户内高压真空断路器………………………………………ZN65-12型户内高压真空断路器………………………………………VS1-12型户内高压真空断路器…………………………………………ZN28-12型户内高压真空断路器………………………………………ZN28A-12型户内高压真空断路器………………………………………ZW32-12型户外高压真空断路器………………………………………ZN12-12户内高压真空断路器一、概述ZN12-12型真空断路器为额定电压12kV、三相交流50Hz的户内高压开关设备,是引进德国西门子公司3AF技术的国产化产品。
本断路器的操作机构为弹簧储能式,可以用交流或直流扣作,亦可用手动扣作。
本断路器结构简单,开断能力强,机械寿命长,操作功能齐全,无爆炸危险,维修简便,适于作发电厂、变电所等输配电系统的控制或保护开关,尤其适用于开断重要负荷及频繁操作的场所。
二、使用环境条件海拔高度:低于1000m。
环境温度:最高+40℃,最低-25℃。
相对湿度:日平均不大于95%,月平均不大于90%。
地震烈度:低于8°。
无火灾、爆炸危险,无腐蚀性气体及无剧烈震动的场所。
三、技术参数注:合闸速度指触头最后6mm时的平均速度分闸速度指触头刚分6mm时的平均速度采用小型化纵磁场灭弧室每相回路电阻≤40μΩ四、 产品外形及安装尺寸A 向机械联锁孔位置◆表内所列为各项对应尺寸注:图中尺寸b2000A 及以上为360,2000A 以下为350;2000A 及以上,上下出线端孔为4-M12,1600A 及以下,上下出线端孔为2-M12。
()内的尺寸为40、50kA 产品尺寸。
ZN12-40.5户内高压真空断路器一、概述ZN12-40.5型真空断路器为额定电压40.5kV、三相交流50Hz的户内高压开关设备,是引进德国西门子公司3AF技术的国产化产品。
10kv真空断路器参数
一、引言
10kv真空断路器是电力系统中常用的一种开关设备,其主要作用是在电路中的故障情况下自动切断电路,以保护设备和人员安全。
本文将
详细介绍10kv真空断路器的参数。
二、外观参数
1. 外形尺寸:通常为长宽高三个方向,一般为
400mm×300mm×600mm。
2. 重量:一般为30kg左右。
3. 外壳材质:通常采用不锈钢或铝合金材料。
三、电气参数
1. 额定电压:10kV。
2. 额定频率:50Hz或60Hz。
3. 额定电流:通常为630A或1250A。
4. 短时耐受电流:20kA或25kA。
5. 短时稳定电流:16kA或20kA。
四、机械参数
1. 机械寿命:通常为20000次以上,具体取决于使用环境和保养情况。
2. 操作力矩:通常为100N.m左右。
3. 开合时间:通常为40ms以下。
五、环境参数
1. 工作温度范围:-40℃~+60℃。
2. 相对湿度范围:≤95%。
3. 海拔高度范围:≤3000m。
六、其他参数
1. 绝缘水平:达到10kV级别。
2. 防护等级:一般为IP40或IP54。
3. 接线方式:通常为上进下出或上出下进。
七、结论
10kv真空断路器是电力系统中重要的开关设备,其参数包括外观参数、电气参数、机械参数、环境参数和其他参数等。
在使用过程中,需要
根据实际情况选择合适的型号,并根据厂家提供的使用说明书进行正
确使用和保养。
XGN20-12型户内交流高压六氟化硫环网断路器柜技术要求1、技术规范产品遵循的现行标准产品满足如下的专用标准:IEC60694-1996《高压开关设备和控制设备标准的共用技术要求》JB/T8144.1《额定电压26/35KV及以下电力电缆附件基本技术要求》GB3906《3.6~40KV交流金属封闭开关设备》GB1984《高压交流断路器》GB/T11022《高压开关设备和控制设备标准的共用技术要求》DL/T593《高压开关设备的共用订货技术导则》DL/T404《户内交流高压开关柜订货技术条件》2、主要技术条件2.1环境条件最高温度:+40ºC(24小时内平均值≤35ºC)最热月平均温度:30 ºC最低温度:-35 ºC最大日温差:15K海拔高度:1000m环境湿度:日平均相对湿度不大于85%日平均水蒸汽压力值不超过2.2kpa地震烈度:8度污秽等级:不低于III级安装场所:户内2.2 工程条件a. 系统额定电压:12KVb. 系统额定频率:50HZ2.3 设备主要参数环网柜一进一出。
3、供货范围本工程需两套XGN20-12型户内交流高压六氟化硫10KV环网柜,每套为一进一出,每套所供负荷为1600KV A变压器一台。
4、结构性能(1)10KV环网断路器柜采用全绝缘、全密封型,一次带电部分密封于SF6气箱中,断路器电气寿命达到E2级,气箱防护等级(含一次部分):IP67,外壳和操作机构部分:IP3X。
(2)10KV环网断路器柜采用进出线正面连接。
(3)结构型式:在零电压下,开关不能进行任何操作时,在额定工况下可运行半小时,并可带负荷开断。
(4)断路器的灭弧、绝缘介质为SF6。
(5)设备免维护。
SF6气体年泄露率不超过0.1%,使用寿命不低于30年。
5、金属封闭环网柜技术要求断路器柜的出线回路采用SF6断路器,出线采用许继微机型变压器保护综合装置。
进线柜主要配置:避雷器、接地刀、负荷开关、带电显示。
1.10kv断路器机械寿命运行中的问题10kv断路器机械寿命。
是高压断路器产品质量的主要考核指标。
根据相关资料报道,国家高压电器质量检测中心对国产高压真空断路器进行过6次(1993、1995、1996、1999、2002及2003年)监督抽查,其合格率分别为83.3%、91.3%、58.8%、60%、57.1%及78.6%,此情令人堪忧。
其中一个主要问题是机械寿命达不到企业标准规定值,机械特性主要参数也超出产品技术条件规定范围。
通常一台高压断路器都是由几百只零部件组成,而每一个零部件的加工和工艺缺陷、相互配合链接咬合都将直接影响到高压断路器的机械特性。
同时与操动机构配套的辅助开关、微动开关、减速器、接线端子等绝大部分都是外协件,存在有一定的分散性,质量不可能达到100%,这些问题,都是直接影响断路器机械寿命的主要因素。
所以,在高压真空断路器的选型应用中,不宜轻信产品说明书的不实之词,应以实际试验报告为依据。
2.真空断路器额定开距参数的选择技术参考真空断路器处于分闸状态时,真空开关管动、静触头之间的距离选择与真空断路器的额定电压、使用条件、开断电流的性质及触头材料、真空间隙的耐压强度等因素有关,主要取决于额定电压和触头材料。
由于真空开关管的额定开距对绝缘性能的影响较大,当额定开距从零开距增大时,其绝缘水平也将提高,但当开距增大到一定数值时,开距对绝缘性能的影响就不大了,若进一步增大开距,将严重影响开关管的机械寿命。
通过对真空断路器的安装、运行及检修得出真空断路器额定开距一般选择范围为:10kV及以下一般为8~12mm,35kV一般为20~40mm。
3.真空断路触头工作压力参数的选择真空断路器触头的工作压力对真空断路器的性能有很大的影响,其压力等于真空开关管的自闭力与触头弹簧力之和。
断路器触头的工作压力选择应该满足4方面的要求:1、使真空开关管的触头接触电阻保持在规定的范围内,2、满足动稳定试验的要求,3、抑制合闸弹跳,4、减小分闸弹振。
一、柱上隔离开关(1)额定频率:50Hz。
(2)额定电压:12kV。
(3)额定电流:630A。
(4)绝缘水平:见下表。
柱上隔离开关额定绝缘水平kV二、柱上真空断路器(一)技术参数1.主要技术参数(见下表)柱上真空断路器主要技术参数2.技术规范(1)环境条件1)海拔高度:≤3000m。
2)最大风速:30m/s。
3)环境相对湿度:日平均值95%;月平均值90%。
4)地震烈度:8度。
5)污秽等级:3级。
(2)使用条件1)系统电压:10kV;系统最高电压:12kV;系统额定频率:50Hz;系统中性点接地方式:非有效。
2)安装地点:户外。
3)安装方式:柱上垂直。
(3)技术性能要求1)断路器应在规定的各种工作情况下达到开断性能的要求而不发生拒动或误动。
2)噪声:户外不大于55dB。
3)操动机构。
形式:弹簧机构或永磁电动机构;操作方式:手动操作或电动操作。
4)辅助回路。
辅助回路应能长期承载10A电流,温升不超过GB/T 11022—1999《高压开关设备和控制设备标准的共用技术要求》规定值。
辅助触点10对,其中5对动合触点,5对动断触点,并能按需要改换。
采用阻燃端子,留有15%备用端子排。
5)一次端子。
断路器提供连接导线的板式端子,端子受力:水平750N;垂直500N;横向400N。
断路器端子型式和尺寸应满足GB/T 5273—1985《高压器、高压电器和套管的接线端子》标准中有关规定。
6)断路器瓷套的爬电距离不小于31mm/kV(42kV以下)。
7)接地。
每台断路器应装设满足接地热稳定电流要求的接地极板,并配有与接地线连接用的接地螺栓,螺栓的直径不小于12mm。
8)寿命。
机械寿命(连续操作不调整):10000次;电气寿命:开断100%额定开断短路电流30次。
9)每台断路器配有位置指示器。
合闸为红色;分闸为绿色。
10)所有支架按工程需要要进行热镀锌的防腐处理。
11)有符合国标的铭牌,铭牌用耐腐蚀的材料制成,字样、符号应清晰耐久,铭牌在正常运行时安装位置应明显可见。
高压真空断路器ZN12-12 型户内高压真空断路器ZN12-40.5 型户内高压真空断路器ZN65-12 型户内高压真空断路器VS1-12 型户内高压真空断路器ZN28-12 型户内高压真空断路器ZN28A-12 型户内高压真空断路器ZW32-12型户外高压真空断路器ZN12-12 户内高压真空断路器一、概述ZN12-12 型真空断路器为额定电压 12kV、三相交流 50Hz 的户内高压开关设备,是引进德国西门子公司 3AF 技术的国产化产品。
本断路器的操作机构为弹簧储能式,可以用交流或直流扣作,亦可用手动扣作。
本断路器结构简单,开断能力强,机械寿命长,操作功能齐全,无爆炸危险,维修简便,适于作发电厂、变电所等输配电系统的控制或保护开关,尤其适用于开断重要负荷及频繁操作的场所。
二、使用环境条件海拔高度:低于 1000m。
环境温度:最高+40℃,最低 -25 ℃。
相对湿度:日平均不大于 95%,月平均不大于 90%。
地震烈度:低于8°。
无火灾、爆炸危险,无腐蚀性气体及无剧烈震动的场所。
三、技术参数注:合闸速度指触头最后6mm时的平均速度分闸速度指触头刚分6mm时的平均速度采用小型化纵磁场灭弧室每相回路电阻≤40μΩ四、 产品外形及安装尺寸注:图中尺寸 b2000A 及以上为 360, 2000A 以下为350; 2000A 及以上,上下出线端孔 为 4-M12 , 1600A 及以下,上下出线端孔为 2-M12 。
()内的尺寸为 40、50kA 产品尺寸。
◆表内所列为各项对应尺寸e 210 230 250 280 c 610 650 690 750 d 514 554 594 514 f586 626 666 726 g215235255215ZN12-40.5 户内高压真空断路器一、 概述ZN12-40.5 型真空断路器为额定电压 40.5kV 、三相交流 50Hz 的户内高压开关设备,是 引进德国西门子公司 3AF 技术的国产化产品。
1.10kv断路器机械寿命运行中的问题
10kv断路器机械寿命。
是高压断路器产品质量的主要考核指标。
根据相关资料报道,国家高压电器质量检测中心对国产高压真空断路器进行过6次(1993、1995、1996、1999、2002及2003年)监督抽查,其合格率分别为83.3%、91.3%、58.8%、60%、57.1%及78.6%,此情令人堪忧。
其中一个主要问题是机械寿命达不到企业标准规定值,机械特性主要参数也超出产品技术条件规定范围。
通常一台高压断路器都是由几百只零部件组成,而每一个零部件的加工和工艺缺陷、相互配合链接咬合都将直接影响到高压断路器的机械特性。
同时与操动机构配套的辅助开关、微动开关、减速器、接线端子等绝大部分都是外协件,存在有一定的分散性,质量不可能达到100%,这些问题,都是直接影响断路器机械寿命的主要因素。
所以,在高压真空断路器的选型应用中,不宜轻信产品说明书的不实之词,应以实际试验报告为依据。
2.真空断路器额定开距参数的选择技术参考
真空断路器处于分闸状态时,真空开关管动、静触头之间的距离选择与真空断路器的额定电压、使用条件、开断电流的性质及触头材料、真空间隙的耐压强度等因素有关,主要取决于额定电压和触头材料。
由于真空开关管的额定开距对绝缘性能的影响较大,当额定开距从零开距增大时,其绝缘水平也将提高,但当开距增大到一定数值时,开距对绝缘性能的影响就不大了,若进一步增大开距,将严重影响开关管的机械寿命。
通过对真空断路器的安装、运行及检修得出真空断路器额定开距一般选择范围为:10kV及以下一般为8~12mm,35kV一般为20~40mm。
3.真空断路触头工作压力参数的选择
真空断路器触头的工作压力对真空断路器的性能有很大的影响,其压力等于真空开关管的自闭力与触头弹簧力之和。
断路器触头的工作压力选择应该满足4方面的要求:1、使真空开关管的触头接触电阻保持在规定的范围内,2、满足动稳定试验的要求,3、抑制合闸弹跳,4、减小分闸弹振。
由于真空断路器在关合短路电流时,触头在予击穿后要产生电弧和电动斥力,触头产生弹跳,机构合闸速度也最慢,所以,关合短路电流是考核触头工作压力是否满足要求的最苛刻的条件。
如果触头的工作压力太小,将增长触头合闸时的弹跳时间,同时,造成一次回路的电阻增大,直接影响真空断路器的长期工作温升。
如果触头的工作压力太大,由于真空开关管的自闭力是一个恒定值,则工作压力增大,从而增加触头的弹簧力,造成操作机构的合闸功增加,增大对真空管的冲击和振动。
在实际工作中不仅要考虑触头间的电动力除与短路电流峰值有关外,还必须考虑开关的触头结构及大小尺寸,同时,还必须考虑触头的硬度、分闸速度等因素。
总之,必须在实践中进行综合考虑。
真空开关的触头接触压力根据分断电流大小得出经验数据为分断电流为12.5kA时,选择压力为50kg。
分断电流为16kA时,选择压力为70kg。
分断电流为20kA 时,选择压力为90~120kg。
分断电流为31.5kA时,选择压力为140~180kg。
分断电流为40kA,选择压力为230~250kg。
4.真空断路器分闸速度参数的选择技术参考
由于分闸速度直接影响电流过零后触头间介质强度恢复的速度,如果电弧熄灭后,触头间介质强度恢复速度小于恢复电压,将造成电弧重燃,为了防止电弧重燃,以及缩短燃弧时间,
必须满足分闸速度。
分闸速度的大小主要取决于额定电压,当额定电压和触头开距一定时,分闸速度的波动范围取决于开断电流的大小,负载性质,恢复电压等因素,开断电流较大时,分闸速度也应较大,开断电容电流时,由于恢复电压较高,为了减小重燃的几率,分闸速度也应较大。
10kV真空开关分闸速度通常取值为0.8-1.2m/s,必要时还可以高于1.5m/s。
实际上,对开断能力影响最大的是初始分闸速度,而不是平均分闸速度,因而,一些高性能的真空断路器,及35kv级的真空断路器,通党考核刚分时几毫米内的分闸速度。
似乎分闸速度越大越好,但实际并非如此,分闸速度越大,引起的分闸弹振越历害,过冲也就越历害,这样对开关管波纹管的振动、压缩也就越严重,容易造成波纹管提早损坏而漏气,同时,对速机的振动也越大,容易造成零部件的损坏。
5.真空断路器触头接触行程参数的选择
触头接触行程的选择必须保证触头在磨损后仍能保持一定的压力;在分闸时使动触头获得一定的初始动能,提高开关的初始分闸速度,拉断熔焊点,减小燃弧时间,提高介质恢复速度;在合闸时能利用触头弹簧得到平滑的缓冲,减小弹跳。
开关的接触行程太小,不能保证触头在烧毁后具有的触头压力,开关的初始速度太小,影响真空断路器的开断和动热稳定性,同时产生严重的合闸弹振。
开关的接触行程太大,将增加操作机构的合闸功,或者使合闸变的极不可靠。
通常真空断路器的触头接触行程一般取额定开距的20% ~40%,10kV真空断路器的接触行程一般取3~4mm。
6.真空断路器合闸速度参数的选择
由于真空开关管在额定开距时的静态耐压水平比较高,所以真空断路器的合闸速度比分闸速度明显低。
为了尽量减小触头在合闸过程中由于予击穿造成的电磨损,以及避免发生触头熔焊,因此必须具备一定的合闸速度,但过高的合闸速度不仅增加操作机构的合闸功,同时使开关管受到的合闸冲击增大,大大降低其使用寿命。
通常情况下10kV级的真空断路器的合闸速度为0.4-0.7m/s必要时可取为0.8-1.2m/s。
7.真空断路器触头合闸弹跳时间参数的选择
真空断路器合闸时间的大小,是衡量真空断路器性能好坏的一个重要标志,其与断路器的触头弹跳压力、合闸速度、开距及真空开关管的触头材料等有关,同时还与开关管的结构、断路器的结构及安装调试有关。
触头合闸弹跳时间越小,其性能越好,弹跳时间越长,触头的电磨损越严重,容易产生合闸过电压,在关合短路电流或电容器时,以及行动、热稳定试验时将导致触头熔焊。
另外,触头合闸弹跳时间越长,严重危害开关管的波纹管使用寿命。
10kV级铜络触头材料的真空断路器合闸弹跳时间不超2ms,其他触头材料的真空断路器合闸弹跳时间可以相对大一些,但是不得超过5ms
真空断路器三极同期性参数的选择技术参考家
真空断路器的三极同期性表示三极不同时闭合或分离的程度,由于分、合闸同期性是相对的,数值也差异不大,所以一般情况下只考核三极合闸同期性。
三极同期性差的断路器将严重影响开关的分断能力,容易产生过长的燃弧时间。
由于断路器的分合闸速度较快,开距较小,通过准确调试,达到参数要求并不困难,一般规定合闸同期性不超过1ms。
8.真空断路器分闸速度参数的选择技术参考
由于分闸速度直接影响电流过零后触头间介质强度恢复的速度,如果电弧熄灭后,触头间介质强度恢复速度小于恢复电压,将造成电弧重燃,为了防止电弧重燃,以及缩短燃弧时间,必须满足分闸速度。
分闸速度的大小主要取决于额定电压,当额定电压和触头开距一定时,
分闸速度的波动范围取决于开断电流的大小,负载性质,恢复电压等因素,开断电流较大时,分闸速度也应较大,开断电容电流时,由于恢复电压较高,为了减小重燃的几率,分闸速度也应较大。
10kV真空开关分闸速度通常取值为0.8-1.2m/s,必要时还可以高于1.5m/s。
实际上,对开断能力影响最大的是初始分闸速度,而不是平均分闸速度,因而,一些高性能的真空断路器,及35kv级的真空断路器,通党考核刚分时几毫米内的分闸速度。
似乎分闸速度越大越好,但实际并非如此,分闸速度越大,引起的分闸弹振越历害,过冲也就越历害,这样对开关管波纹管的振动、压缩也就越严重,容易造成波纹管提早损坏而漏气,同时,对速机的振动也越大,容易造成零部件的损坏。