屋面单双向板活荷载自动计算表
- 格式:xlsx
- 大小:1.57 MB
- 文档页数:7
4 楼面和屋面活荷载4.1 民用建筑楼面均布活荷载4.1.1 民用建筑楼面均布活荷载的标准值及其组合值、频遇值和准永久值系数,应按表4.1.1的规定采用。
注:1 本表所给各项活荷载适用于一般使用条件,当使用荷载较大或情况特殊时,应按实际情况采用。
2 第6项书库活荷载当书架高度大于2m时,书库活荷载尚应按每米书架高度不小于2.5kN/m2确定。
3 第8项中的客车活荷载只适用于停放载人少于9人的客车;消防车活荷载是适用于满载总重为300kN的大型车辆;当不符合本表的要求时,应将车轮的局部荷载按结构效应的等效原则,换算为等效均布荷载。
4 第11项楼梯活荷载,对预制楼梯踏步平板,尚应按1.5kN集中荷载验算。
5 本表各项荷载不包括隔墙自重和二次装修荷载。
对固定隔墙的自重应按恒荷载考虑,当隔墙位置可灵活自由布置时,非固定隔墙的自重可取每延米长墙重(kN/m)的1/3作为楼面活荷载的附加值(kN/m2)计入,附加值不小于1.0kN/m2。
4.1.2 设计楼面梁、墙、柱及基础时,表4.1.1中的楼面活荷载标准值在下列情况下应乘以规定的折减系数。
1 设计楼面梁时的折减系数:1)第1(1)项当楼面梁从属面积超过25m2时,应取0.9;2)第1(2)~7项当楼面梁从属面积超过50m2/时应取0.9;3)第8项对单向板楼盖的次梁和槽形板的纵肋应取0.8;对单向板楼盖的主梁应取0.6对双向板楼盖的梁应取0.8;4)第9—12项应采用与所属房屋类别相同的折减系数。
2 设计墙、柱和基础时的折减系数1)第1(1)项应按表4.1.2规定采用;2)第1(2)~7项应采用与其楼面梁相同的折减系数;3)第8项对单向板楼盖应取0.5;对双向板楼盖和无梁楼盖应取0.8;4)第9~12项应采用与所属房屋类别相同的折减系数。
注:楼面梁的从属面积应按梁两侧各延伸二分之一梁间距的范围内的实际面积确定。
表4.1.2 活荷载按楼层的折减系数注:当楼面梁的从属面积超过25m2时,应采用括号内的系数。
荷载统计(讨论版)D.荷载与作用基本风压:按荷载规范0.4kN/m2地面粗糙程度:郊区B,市区C抗震设防烈度/地震分组:按抗规场地类别:按地勘报告一.住宅1.客厅/餐厅/卧室/衣帽间/阳台10厚地砖(用户自理) 0.010x20=0.2kN/m225 厚水泥砂浆找平,含水泥浆结合层(用户自理) 0.025x20=0.50kN/m225mm厚C20自拌细石混凝土找平层,提浆拉毛0.025x20=0.50kN/m2保温层(20厚无机保温砂浆)界面砂浆5mm结构层(自动计算)20厚板底抹灰 0.020x20=0.4kN/m2 合计恒载 g=1.60 kN/m2活载p=2.0,阳台2.5 kN/m22.厨房10厚地砖(此部分由用户自理)0.010x20=0.2kN/m2 20厚水泥砂浆找平,含水泥浆结合层(用户自理)0.020x20=0.40kN/m2 20厚1:3水泥砂浆找平拉毛 0.020x20=0.4kN/m2 300g/m2丙纶防水层0.03 kN/m2 20厚1:2.5水泥砂浆找平0.020x20=0.4kN/m2结构层(自动计算)铝塑板吊顶(此部分由用户自理) 0.20 kN/m2合计恒载g=1.73kN/m2 (取1.8kN/m2)活载p=2.0 kN/m23.卫生间(结构降板420mm,考虑用户二次装修,材料为地砖)10厚地砖(由用户自理) 0.010x20=0.20kN/m2 20厚1:2干硬性水泥砂浆结合层(自理) 0.02x20=0.40kN/m21.5厚聚合物水泥(JS)涂料防水层 0.03 kN/m220厚1:3水泥砂浆找平层 0.02X20=0.40 kN/m2 350厚1:6水泥炉渣回填层兼找坡 0.35X14=4.90 kN/m2 20厚1:3水泥砂浆找平层0.02X20=0.40 kN/m2 300g/m2丙纶防水层0.03 kN/m2 15厚1:2.5水泥砂浆找平0.015X20=0.30 kN/m2结构层(自动计算)铝塑板吊顶(此部分由用户自理) 0.20 kN/m2合计恒载g=6.86 kN/m2(取6.9 kN/m2)活载p=2.5 kN/m2 (注意:卫生间降板高度如建筑确定为其它值,水泥炉渣回填层兼找坡此项按实际回填厚度计算)4 .强弱电井道/水井20厚水泥砂浆豆石地坪 0.020X20=0.40 kN/m21.5厚聚合物水泥(JS)涂料防水层 0.03 kN/m220厚1:3水泥砂浆找平层 0.020x20=0.40kN/m2结构层(程序自动计算)20厚板底抹灰0.4 kN/m2合计恒载g=1.23 kN/m2(取1.3 kN/m2)活载p=2.0 kN/m25.电梯厅及入户大堂20厚花岗石块面层水泥浆擦缝 0.02x28=0.56kN/m220厚1:2干硬性水泥砂浆结合层户(自理) 0.02x20=0.4kN/m220厚1:3水泥砂浆找平层 0.02X20=0.40 kN/m2结构层(自动计算)20厚板底抹灰 0.002x20=0.4 kN/m2合计恒载g=1.76kN/m2(取1.8kN/m2)活载p=3.5 kN/m26.双跑楼梯(梯板厚100,cosa=actg(166.7/260)=0.8418)步宽X步高=260 X 166.67面层 1.00+1.00X166.67/260=1.64 kN/m2踏步自重 0.16667X25/2=2.08 kN/m2板自重 0.10X25/0.8418=2.97 kN/m220厚板底粉0.020X20/0.8418=0.48 kN/m2 合计(三跑以上,按比例增加恒载)恒载g=7.17kN/m2(取8kN/m2)活载p=3.5 kN/m27.上人屋面(排水找坡水平距离不大于10米)水泥砂浆贴防滑地砖,水泥填缝0.60kN/m2 30厚C20自拌细石混凝土0.03x20=0.60kN/m2 50mm挤塑聚苯乙烯石膏复合板4mmSBS防水卷材20mm厚1:3水泥砂浆隔离保护层0.02x20=0.40kN/m2 2mm 厚涂膜防水层0.05 kN/m2 20mm厚1:2.5水泥砂浆找平层0.02x20=0.40 kN/m2 150厚(平均值)加气混凝土砖渣(1:6)找2%坡层(最薄处25厚)0.150X14=2.1kN/m2结构层(自动计算)20厚板底粉 0.020X20=0.40 kN/m2合计恒载g=4.15kN/m2(取4.2kN/m2)活载p=2.0 kN/m28.不上人屋面(排水找坡水平距离不大于10米)40厚C20自拌细石混凝土0.04x20=0.80kN/m250mm挤塑聚苯乙烯石膏复合板4mmSBS防水卷材20mm厚1:3水泥砂浆隔离保护层 0.02x20=0.40kN/m22mm厚涂膜防水层 0.05 kN/m2 20mm厚1:2.5水泥砂浆找平层 0.04x20=0.8 kN/m2 150厚(平均值)加气混凝土砖渣(1:6)找2%坡层(最薄处25厚) 0.150X14=2.1kN/m2结构层(自动计算)20厚板底粉 0.020X20=0.40 kN/m2合计恒载g=4.20kN/m2活载p=0.5 kN/m2二、商业部分1.商场20厚花岗石面层 0.020X28=0.56 kN/m220厚1:2干硬性水泥砂浆结合层(自理) 0.04x20=0.8kN/m220厚水泥砂浆找平层 0.03X20=0.60kN/m2结构层(自动计算)吊顶及设备桥架0.5kN/m2 合计恒载g=2.46kN/m2(取2.5kN/m2)活载p=3.5 kN/m2(注意:如有卸货区等特殊位置,提前和甲方另行确定。
D.荷载与作用基本风压:按荷载规范0.4kN/m2地面粗糙程度:郊区B,市区C抗震设防烈度/地震分组:按抗规场地类别:按地勘报告一.住宅1.客厅/餐厅/卧室/衣帽间/阳台10厚地砖(用户自理)0.010x20=0.2kN/m225 厚水泥砂浆找平,含水泥浆结合层(用户自理) 0.025x20=0.50kN/m225mm厚C20自拌细石混凝土找平层,提浆拉毛0.025x20=0.50kN/m2保温层(20厚无机保温砂浆)界面砂浆5mm结构层(自动计算)20厚板底抹灰0.020x20=0.4kN/m2合计恒载g=1.60 kN/m2活载p=2.0,阳台2.5 kN/m22.厨房10厚地砖(此部分由用户自理)0.010x20=0.2kN/m220厚水泥砂浆找平,含水泥浆结合层(用户自理)0.020x20=0.40kN/m220厚1:3水泥砂浆找平拉毛0.020x20=0.4kN/m2300g/m²丙纶防水层0.03 kN/m220厚1:2.5水泥砂浆找平0.020x20=0.4kN/m2结构层(自动计算)铝塑板吊顶(此部分由用户自理)0.20 kN/m2合计恒载g=1.73kN/m2 (取1.8kN/m2)活载p=2.0 kN/m2 3.卫生间(结构降板420mm,考虑用户二次装修,材料为地砖)10厚地砖(由用户自理)0.010x20=0.20kN/m2 20厚1:2干硬性水泥砂浆结合层(自理) 0.02x20=0.40kN/m2 1.5厚聚合物水泥(JS)涂料防水层0.03 kN/m220厚1:3水泥砂浆找平层0.02X20=0.40 kN/m2 350厚1:6水泥炉渣回填层兼找坡0.35X14=4.90 kN/m2 20厚1:3水泥砂浆找平层0.02X20=0.40 kN/m2 300g/m²丙纶防水层0.03 kN/m215厚1:2.5水泥砂浆找平0.015X20=0.30 kN/m2结构层(自动计算)铝塑板吊顶(此部分由用户自理)0.20 kN/m2合计恒载g=6.86 kN/m2(取6.9 kN/m2)活载p=2.5 kN/m2(注意:卫生间降板高度如建筑确定为其它值,水泥炉渣回填层兼找坡此项按实际回填厚度计算)4 .强弱电井道/水井20厚水泥砂浆豆石地坪0.020X20=0.40 kN/m2 1.5厚聚合物水泥(JS)涂料防水层0.03 kN/m220厚1:3水泥砂浆找平层0.020x20=0.40kN/m2结构层(程序自动计算)20厚板底抹灰 0.4 kN/m2合计恒载g=1.23 kN/m2(取1.3 kN/m2)活载p=2.0 kN/m25.电梯厅及入户大堂20厚花岗石块面层水泥浆擦缝0.02x28=0.56kN/m220厚1:2干硬性水泥砂浆结合层户(自理) 0.02x20=0.4kN/m220厚1:3水泥砂浆找平层0.02X20=0.40 kN/m2结构层(自动计算)20厚板底抹灰0.002x20=0.4 kN/m2合计恒载g=1.76kN/m2(取1.8kN/m2)活载p=3.5 kN/m26.双跑楼梯(梯板厚100,cosa=actg(166.7/260)=0.8418)步宽X步高=260 X 166.67面层 1.00+1.00X166.67/260=1.64 kN/m2踏步自重0.16667X25/2=2.08 kN/m2板自重0.10X25/0.8418=2.97 kN/m220厚板底粉0.020X20/0.8418=0.48 kN/m2合计(三跑以上,按比例增加恒载)恒载g=7.17kN/m2(取8kN/m2)活载p=3.5 kN/m27.上人屋面(排水找坡水平距离不大于10米)水泥砂浆贴防滑地砖,水泥填缝0.60kN/m230厚C20自拌细石混凝土0.03x20=0.60kN/m2 50mm挤塑聚苯乙烯石膏复合板4mmSBS防水卷材20mm厚1:3水泥砂浆隔离保护层0.02x20=0.40kN/m2 2mm厚涂膜防水层0.05 kN/m2 20mm厚1:2.5水泥砂浆找平层0.02x20=0.40kN/m2150厚(平均值)加气混凝土砖渣(1:6)找2%坡层(最薄处25厚)0.150X14=2.1kN/m2结构层(自动计算)20厚板底粉0.020X20=0.40 kN/m2合计恒载g=4.15kN/m2(取4.2kN/m2)活载p=2.0 kN/m28.不上人屋面(排水找坡水平距离不大于10米)40厚C20自拌细石混凝土0.04x20=0.80kN/m250mm挤塑聚苯乙烯石膏复合板4mmSBS防水卷材20mm厚1:3水泥砂浆隔离保护层0.02x20=0.40kN/m22mm厚涂膜防水层0.05 kN/m2 20mm厚1:2.5水泥砂浆找平层0.04x20=0.8kN/m2150厚(平均值)加气混凝土砖渣(1:6)找2%坡层(最薄处25厚)0.150X14=2.1kN/m2结构层(自动计算)20厚板底粉0.020X20=0.40 kN/m2合计恒载g=4.20kN/m2活载p=0.5 kN/m2二、商业部分1.商场20厚花岗石面层0.020X28=0.56 kN/m220厚1:2干硬性水泥砂浆结合层(自理) 0.04x20=0.8kN/m220厚水泥砂浆找平层0.03X20=0.60kN/m2结构层(自动计算)吊顶及设备桥架0.5kN/m2 合计恒载g=2.46kN/m2(取2.5kN/m2)活载p=3.5 kN/m2(注意:如有卸货区等特殊位置,提前和甲方另行确定。
2-6 木结构计算12-6-1 木结构计算用表1.承重结构构件材质等级(表2-97)承重结构构件材质等级表2-97注:1.屋面板、挂瓦条等次要构件可根据各地习惯选材,不统一规定其材质等级。
2.本表中的材质等级系按承重结构的受力要求分级,其选材应符合《木结构设计规范》GBJ 5-88材质标准的规定,不得用一般商品材等级标准代替。
2.常用树种木材的强度设计值和弹性模量(表2-98)常用树种木材的强度设计值和弹性模量(N/mm2)表2-98注:1.对位于木构件端部(如接头处)的拉力螺栓垫板,其计算中所取用的木材横纹承压强度设计值,应按“局部表面及齿面”一栏的数值采用。
木材树种归类说明见《木结构设计规范》附录五。
2.当采用原木时,若验算部位未经切削,其顺纹抗压和抗弯强度设计值和弹性模量可提高15%。
1因新的木结构设计规范尚未出版,此处仍按“木结构设计规范”(GBJ 5-88)编写。
3.当构件矩形截面短边尺寸不小于150mm时,其抗弯强度设计值可提高10%。
4.当采用湿材时,各种木材横纹承压强度设计值和弹性模量,以及落叶松木材的抗弯强度设计值宜降低10%。
5.在表2-99所列的使用条件下,木材的强度设计值及弹性模量应乘以该表中给出的调整系数。
木材强度设计值和弹性模量的调整系数表2-99验算。
2.当若干条件同时出现,表列各系数应连乘。
木材强度检验标准见表2-100。
木材强度检验标准表2-100注:1.检验时,应从每批木材的总根数中随机抽取3根为试材,在每根试材髓心以外部分切取3个试件为一组,根据各组平均值中最低的一个值确定该批木材的强度等级。
2.试验应按现行国家标准《木材物理力学性能试验方法》进行。
并应将试验结果换算到含水率为12%的数值。
3.按检验结果确定的木材强度等级,不得高于表2-98中同树种木材的强度等级。
对于树名不详的木材,应按检验结果确定的等级,采用表2-98中该等级B的设计指标。
3.新利用树种木材的强度设计值和弹性模量(表2-101)新利用树种木材的强度设计值和弹性模量(N/mm2)表2-101注:杨木和拟赤杨的顺纹强度设计值和弹性模量可按TB11级数值乘以0.9采用;横纹强度设计值可按TB11级数值乘以0.6采用。
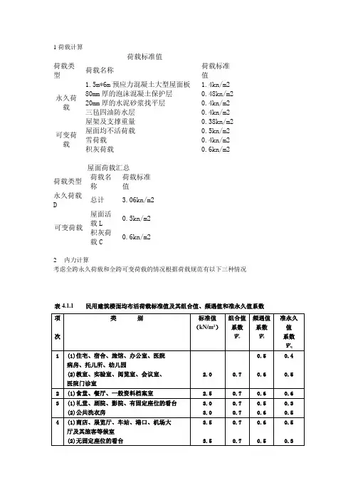
1荷载计算
荷载标准值
荷载类型荷载名称
荷载标准
值
永久荷载1.5m*6m预应力混凝土大型屋面板 1.4kn/m2 80mm厚的泡沫混凝土保护层0.48kn/m2 20mm厚的水泥砂浆找平层0.4kn/m2 三毡四油防水层0.4kn/m2 屋架及支撑重量0.38kn/m2
可变荷载屋面均不活荷载0.5kn/m2 雪荷载0.4kn/m2 积灰荷载0.6kn/m2
屋面荷载汇总
荷载类型荷载名
称
荷载标准
值
永久荷载
D
总计 3.06kn/m2
可变荷载屋面活
载L
0.5kn/m2 积灰荷
载C
0.6kn/m2
2 内力计算
考虑全跨永久荷载和全跨可变荷载的情况根据荷载规范有以下三种情况
表4.1.1 民用建筑楼面均布活荷载标准值及其组合值、频遇值和准永久值系数
1.2*D+1.4*L+1.4*C*0.7=1.2*3.06+1.4*0.5+1.4*0.6*0.7=3.672+0.7+0.588=4.96kn/m2
1.2*D+1.4*C+1.4*L*0.7=1.2*3.06+1.4*0.6+1.4*0.5*0.7=3.672+0.84+0.49=5.002kn/m2 1.35*D+1.4*0.7C+1.4*0.7L=1.35*3.06+1.4*0.6*0.7+1.4*0.5*0.7=4.131+0.588+0.49=5.209 所以上弦节点荷载
P=5.209*1.5*6=46.881kn/m2 其中恒载4.131*9=37.179活载为9.702。
作用在板上的荷载永久荷载标准值:0.60(kN/m2)水泥砂浆面层自重= 厚度×206.25(kN/m2)钢筋混凝土板自重= h×250.34(kN/m2)混合砂浆天棚抹灰自重= 厚度×17qGk= 6.85(kN/m2)永久荷载标准值qGk可变荷载标准值:qQk= 2.50(kN/m2)可变荷载标准值qQk基本组合(支座最大负弯矩):qg1=11.72(kN/m2)可变荷载效应组合qg1=1.2qGk+1.4qQkqg2=11.70(kN/m2)永久荷载效应组合qg2=1.35qGk+1.4*0.7qQk qg=11.72(kN/m2)qg=max(qg1,qg2)基本组合(跨中最大正弯矩):g1=9.97(kN/m2)可变荷载效应组合g1=1.2qGk+1.4qQk/2g2=10.47(kN/m2)永久荷载效应组合g2=1.35qGk+1.4*0.7qQk/2 q1= 1.75(kN/m2)q1=1.4qQk/2q2= 1.23(kN/m2)q2=1.4*0.7qQk/2g=10.47(kN/m2)g=max(g1,g2)q= 1.75(kN/m2)q=max(q1,q2)标准组合(支座最大负弯矩):qgKK9.35(kN/m2)qgKK=qGk+qQk标准组合(跨中最大正弯矩):gKK=8.10(kN/m2)gKK=qGk+qQk/2qKK= 1.25(kN/m2)qKK=qQk/2准永久组合(支座最大负弯矩):qgQQ=8.10(kN/m2)qgQQ=qGk+0.5qQk准永久组合(跨中最大正弯矩):gQQ=7.48(kN/m2)gQQ=qGK+0.5qQk/2qQQ=0.63(kN/m2)qQQ=0.5qQk/2永久荷载标准值:(1-2α^2+α^3)×(qGk×lcy)=15.64(kN/m)bx×(hx -h)×25/1000000= 2.63(kN/m)2×20×(hx -h)×20/1000000=0.28(kN/m)qxGk =18.26(kN/m)可变荷载标准值:由板传来qxQk =(1-2α^2+α^3)×(qQk ×lcy)= 5.71(kN/m)基本组合:.由可变荷载效应控制qgx1=1.2qxGk+1.4qxQk =29.91(kN/m)由永久荷载效应控制qgx2=1.35qxGk+1.4*0.7qxQk =30.25(kN/m)qgx =max(qgx1,qgx2)=30.25(kN/m)标准组合:qgxK =qxGk+qxQk =23.97(kN/m)准永久组合:qgxQ =qxGk+0.5qxQk =21.12(kN/m)作用在长边梁上的荷载作用在短边梁上的荷载永久荷载标准值:由板传来(5/8)×(qGk×lcy)=12.84短边梁自重by×(hy-h)×25/1000000= 5.63短边梁梁侧抹灰自重2×20×(hy-h)×20/1000000=0.60qyGk=可变荷载标准值:由板传来qyQk=(5/8)×(qQk×lcy)=基本组合:m)由可变荷载效应控制qgy1=1.2qyGk+1.4qyQk=m)由永久荷载效应控制qgy2=1.35qyGk+1.4*0.7qyQk=m)qgy=max(qgy1,qgy2)=m)标准组合:qgyK=qyGk+qyQk =m)准永久组合:qgyQ=qyGk+0.5qyQk=(kN/m)(kN/m)(kN/m)18.47(kN/m)4.69(kN/m).28.73(kN/m)29.53(kN/m)29.53(kN/m)23.16(kN/m)20.81(kN/m)。
2 常用结构计算2-1 荷载与结构静力计算表2-1-1 荷载1.结构上的荷载结构上的荷载分为下列三类:(1)永久荷载如结构自重、土压力、预应力等。
(2)可变荷载如楼面活荷载、屋面活荷载和积灰荷载、吊车荷载、风荷载、雪活载等。
(3)偶然荷载如爆炸力、撞击力等。
建筑结构设计时,对不同荷载应采用不同的代表值。
对永久荷载应采用标准值作为代表值。
对可变荷载应根据设计要求,采用标准值、组合值、频遇值或准永久值作为代表值。
对偶然荷载应按建筑结构使用的特点确定其代表值。
2.荷载组合建筑结构设计应根据使用过程中在结构上可能同时出现的荷载,按承载能力极限状态和正常使用极限状态分别进行荷载(效应)组合,并应取各自的最不利的效应组合进行设计。
对于承载能力极限状态,应按荷载效应的基本组合或偶然组合进行荷载(效应)组合。
γ0S≤R (2-1)式中γ0——结构重要性系数;S——荷载效应组合的设计值;R——结构构件抗力的设计值。
对于基本组合,荷载效应组合的设计值S应从下列组合值中取最不利值确定:(1)由可变荷载效应控制的组合(2-2)式中γG——永久荷载的分项系数;γQi——第i个可变荷载的分项系数,其中Y Q1为可变荷载Q1的分项系数;S GK——按永久荷载标准值G K计算的荷载效应值;S QiK——按可变荷载标准值Q ik计算的荷载效应值,其中S Q1K为诸可变荷载效应中起控制作用者;ψci——可变荷载Q i的组合值系数;n——参与组合的可变荷载数。
(2)由永久荷载效应控制的组合(2-3)(3)基本组合的荷载分项系数1)永久荷载的分项系数当其效应对结构不利时:对由可变荷载效应控制的组合,应取1.2;对由永久荷载效应控制的组合,应取1.35;当其效应对结构有利时:一般情况下应取1.0;对结构的倾覆、滑移或漂浮验算,应取0.9。
2)可变荷载的分项系数一般情况下应取1.4;对标准值大于4kN/m2的工业房屋楼面结构活荷载应取1.3。
作用在板上的荷载永久荷载标准值:0.60(kN/m2)水泥砂浆面层自重= 厚度×206.25(kN/m2)钢筋混凝土板自重= h×250.34(kN/m2)混合砂浆天棚抹灰自重= 厚度×17qGk= 6.85(kN/m2)永久荷载标准值qGk可变荷载标准值:qQk= 2.50(kN/m2)可变荷载标准值qQk基本组合(支座最大负弯矩):qg1=11.72(kN/m2)可变荷载效应组合qg1=1.2qGk+1.4qQkqg2=11.70(kN/m2)永久荷载效应组合qg2=1.35qGk+1.4*0.7qQk qg=11.72(kN/m2)qg=max(qg1,qg2)基本组合(跨中最大正弯矩):g1=9.97(kN/m2)可变荷载效应组合g1=1.2qGk+1.4qQk/2g2=10.47(kN/m2)永久荷载效应组合g2=1.35qGk+1.4*0.7qQk/2 q1= 1.75(kN/m2)q1=1.4qQk/2q2= 1.23(kN/m2)q2=1.4*0.7qQk/2g=10.47(kN/m2)g=max(g1,g2)q= 1.75(kN/m2)q=max(q1,q2)标准组合(支座最大负弯矩):qgKK9.35(kN/m2)qgKK=qGk+qQk标准组合(跨中最大正弯矩):gKK=8.10(kN/m2)gKK=qGk+qQk/2qKK= 1.25(kN/m2)qKK=qQk/2准永久组合(支座最大负弯矩):qgQQ=8.10(kN/m2)qgQQ=qGk+0.5qQk准永久组合(跨中最大正弯矩):gQQ=7.48(kN/m2)gQQ=qGK+0.5qQk/2qQQ=0.63(kN/m2)qQQ=0.5qQk/2永久荷载标准值:由板传-2α^2+α^3)×(qGk×lcy)=15.64(kN/m)由板传长边梁x×(hx -h)×25/1000000= 2.63(kN/m)短边梁长边梁0×(hx -h)×20/1000000=0.28(kN/m)短边梁qxGk =18.26(kN/m)可变荷载标准值:由板传来qxQk =(1-2α^2+α^3)×(qQk ×lcy)= 5.71(kN/m)基本组合:.由可变荷载效应控制qgx1=1.2qxGk+1.4qxQk =29.91(kN/m)由永久荷载效应控制qgx2=1.35qxGk+1.4*0.7qxQk =30.25(kN/m)qgx =max(qgx1,qgx2)=30.25(kN/m)标准组合:qgxK =qxGk+qxQk =23.97(kN/m)准永久组合:qgxQ =qxGk+0.5qxQk =21.12(kN/m)作用在长边梁上的荷载作用在短边梁上的荷载永久荷载标准值:(5/8)×(qGk×lcy)=12.84(kN/m)y×(hy-h)×25/1000000= 5.63(kN/m)0×(hy-h)×20/1000000=0.60(kN/m)qyGk=18.47(kN/m)可变荷载标准值:由板传来qyQk=(5/8)×(qQk×lcy)= 4.69(kN/m)基本组合:.由可变荷载效应控制qgy1=1.2qyGk+1.4qyQk=28.73(kN/m)由永久荷载效应控制qgy2=1.35qyGk+1.4*0.7qyQk=29.53(kN/m)qgy=max(qgy1,qgy2)=29.53(kN/m)标准组合:qgyK=qyGk+qyQk =23.16(kN/m)准永久组合:qgyQ=qyGk+0.5qyQk=20.81(kN/m)。
楼面双向板等效均布活荷载的计算方法这个题目来自于《建筑结构荷载规范GB50009-2001》的附录B,要弄清它需要先知道楼面等效均布活荷载。
规范中虽然介绍了计算的原则,但究其本源,其实就是为了方便地统一处理各种类型的局部活荷载,也就是说寻找一个均布面荷载值,使它对结构产生的效果与局部活荷载产生的效果相同(也就是等效的含义),这样我们对结构荷载问题的处理就比较统一,因为我们进行结构分析时,已习惯输入KN/m2这样的荷载方式,甚至有时候对某些楼面(比如地下室顶板)进行荷载值限定时,会写下该处的荷载不能超过多少KN/m2这样的说明文字。
所谓“等效”,主要是指内力的等值,而且对于连续跨也常常是按单跨简支来考虑。
在处理单向板和悬臂板时,很容易理解,规范中也给出了计算的原则。
但是对于双向板而言,规范中仅给出一条简单的说明:“按四边简支板的绝对最大弯矩等值来确定”,让很多人望而却步。
有些耐心的结构工程师在针对具体的工程项目时,还是可以得到一些关于这个问题的结果的。
他可以近似地让局部荷载作用于双向板的跨中,因为这种荷载布置以及均布荷载下的四边简支双向板的绝对最大弯矩都可以在《建筑结构静力计算手册》中查表得到。
有多些耐心的结构工作者还可以通过有限元分析来得到结果,这些结构人士以高校老师诸多。
其实学过《板壳理论》的力学专业出身的人可能会有这样的印象,那就是薄板理论中首先推导的就是双向板局部荷载下的挠曲面方程,对其偏导就可以得到弯矩方程,结果是一个级数方程式。
我们可以在程序中取前面几项,就可以得到足够近似的值。
你可以通过访问的在线计算部分得到结果。
这里有两个问题需要特别强调一下,有些程序处理双向板时,可能是因为规范的嘎然而止,导致其武断地用两个方向的单向板来分别计算,取其中大者作为结果,这是偏不安全的。
(Morgain好像是这样计算的)。
还有个问题是关于绝对最大弯矩的问题,这是针对当局部荷载不是作用在板的正中间的情况。
5 楼面和屋面活荷载5.1 民用建筑楼面均布活荷载5.1.1民用建筑楼面均布活荷载的标准值及其组合值系数、频遇值系数和准永久值系数的取值,不应小于表5.1.1的规定。
注:1,本表所给各项活荷载适用于一般使用条件,当使用荷载较大、情况特殊或有专门要求时,应按实际情况采用;2,第6项书库活荷载当书架高度大于2m时,书库活荷载尚应按每米书架高度不小于2.5 kN/m2确定;3,第8项中的客车活荷载仅适用于停放载人少于9人的客车;消防车活荷载适用于满载总重为300kN的大型车辆;当不符合本表的要求时,应将车轮的局部荷载按结构效应的等效原则,换算为等效均布荷载;4,第8项消防车活荷载,当双向板楼盖板跨介于3m×3m~6m×6m之间时,应按跨度线性插值确定;5,第12项楼梯活荷载,对预制楼梯踏步平板,尚应按1.5kN集中荷载验算;6,本表各项荷载不包括隔墙自重和二次装修荷载;对固定隔墙的自重应按永久荷载考虑,当隔墙位置可灵活自由布置时,非固定隔墙的自重应取不小于1/3的每延米长墙重(kN/m)作为楼面活荷载的附加值(kN/m2)计入,且附加值不应小于1.OkN/m2。
5.1.2设计楼面梁、墙,柱及基础时,本规范表5.1.1中楼面活荷载标准值的折减系数取值不应小于下列规定:1,设计楼面梁时:1)第1(1)项当楼面梁从属面积超过25m2时,应取0.9;2)第1(2)~7项当楼面梁从属面积超过50m2时,应取0.9;3)第8项对单向板楼盖的次梁和槽形板的纵肋应取0.8,对单向板楼盖的主梁应取0.6.对双向板楼盖的梁应取0.8;4)第9~13项应采用与所属房屋类别相同的折减系数。
2,设计墙、柱和基础时:1)第1(1)项应按表5.1.2规定采用;2)第1(2)~7项应采用与其楼面梁相同的折减系数;3)第8项的客车,对单向板楼盖应取0.5,对双向板楼盖和无梁楼盖应取0.8;4)第9~13项应采用与所属房屋类别相同的折减系数。
梁配筋计算实例,求高手怎么算双向板梁的配筋;梁荷载如何计算
满意回答
检举| 2011-08-24 18:51
支承双向板的梁和支承单项板的梁在配筋计算上没有本质区别,只是荷载倒算上不太一样,单向板作用在梁上的荷载是均布荷载,而双向板作用在梁上的荷载是三角形荷载或梯形荷载。
具体作法:
1.从双向板的四个角画45度线,将两个交点连接起来(正方形双向板四线交与一点),这样将板分成四个荷载板块,每个梁紧挨着的板块上的荷载就是该梁的承受荷载。
2.查静力计算手册可得梁的内力。
3.查混凝土结构计算手册可得梁的配筋。
如果条件不允许,需要手算时,也可把三角形或梯形荷载等效成均布荷载,然后手算内力和配筋。
因不知道你的具体情况,上述所说比较基础,如果低估了你的水平,请见谅。
追问
这个我懂啊,就是板的荷载如何换算到梁上,就是画45度线,那个荷载怎么换算啊,还有我那个是内框架结构,四周是370厚的墙体,那梁上的恒载如何计算。
我是手算的,课程设计
回答
板上均布荷载乘以板块上梯形或三角形的高就是线荷载最大值。
作用在梁上也是45度的梯形或三角形。
砖墙是均布荷载,与板传来的荷载叠加在梁上。
追问
线荷载的最大值怎么换算成均布荷载,不好意思,因为上课时老师没讲过双向板的计算,很菜啊
回答
算出作用在梁上的梯形或三角形荷载面积,再除以梁跨度就转化成了均布荷载。
建筑施工之荷载与结构静力计算表2-1-1 荷载1.结构上的荷载结构上的荷载分为下列三类:(1)永久荷载如结构自重、土压力、预应力等。
(2)可变荷载如楼面活荷载、屋面活荷载和积灰荷载、吊车荷载、风荷载、雪活载等。
(3)偶然荷载如爆炸力、撞击力等。
建筑结构设计时,对不同荷载应采用不同的代表值。
对永久荷载应采用标准值作为代表值。
对可变荷载应根据设计要求,采用标准值、组合值、频遇值或准永久值作为代表值。
对偶然荷载应按建筑结构使用的特点确定其代表值。
2.荷载组合建筑结构设计应根据使用过程中在结构上可能同时出现的荷载,按承载能力极限状态和正常使用极限状态分别进行荷载(效应)组合,并应取各自的最不利的效应组合进行设计。
对于承载能力极限状态,应按荷载效应的基本组合或偶然组合进行荷载(效应)组合。
γ0S≤R (2-1)式中γ0——结构重要性系数;S——荷载效应组合的设计值;R——结构构件抗力的设计值。
对于基本组合,荷载效应组合的设计值S应从下列组合值中取最不利值确定:(1)由可变荷载效应控制的组合(2-2)式中γG——永久荷载的分项系数;γQi——第i个可变荷载的分项系数,其中Y Q1为可变荷载Q1的分项系数;S GK——按永久荷载标准值G K计算的荷载效应值;S QiK——按可变荷载标准值Q ik计算的荷载效应值,其中S Q1K为诸可变荷载效应中起控制作用者;ψci——可变荷载Q i的组合值系数;n——参与组合的可变荷载数。
(2)由永久荷载效应控制的组合(2-3)(3)基本组合的荷载分项系数1)永久荷载的分项系数当其效应对结构不利时:对由可变荷载效应控制的组合,应取1.2;对由永久荷载效应控制的组合,应取1.35;当其效应对结构有利时:一般情况下应取1.0;对结构的倾覆、滑移或漂浮验算,应取0.9。
2)可变荷载的分项系数一般情况下应取1.4;对标准值大于4kN/m2的工业房屋楼面结构活荷载应取1.3。
对于偶然组合,荷载效应组合的设计值宜按下列规定确定:偶然荷载的代表值不乘分项系数;与偶然荷载同时出现的其他荷载可根据观测资料和工程经验采用适当的代表值。