-乳粉生产危害分析工作单
- 格式:doc
- 大小:86.50 KB
- 文档页数:6
实用文档
工作危害分析(JHA)记录表
编制
审核
日期:2017年4月
单位:山东盛大饲料有限公司工作岗位:所有岗位工作任务:巡回检查NO.001
分析人员分析日期审核人员审核日期
单位:山东盛大饲料有限公司工作岗位:维修工作任务:动火作业NO.002
分析人员分析日期审核人员审核日期
工作危害分析(JHA)记录表
分析人员分析日期审核人员审核日期
工作危害分析(JHA)记录表
工作危害分析(JHA)记录表
分析人员分析日期审核人员审核日期
工作危害分析(JHA)记录表
工作危害分析(JHA)记录表
分析人员分析日期审核人员审核日期
工作危害分析(JHA)记录表
分析人员分析日期审核人员审核日期
作危害分析(JHA)记录表
工作危害分析(JHA)记录表
分析人员分析日期审核人员审核日期
工作危害分析(JHA)记录表
分析人员分析日期审核人员审核日期
工作危害分析(JHA)记录表
分析人员分析日期审核人员审核日期。
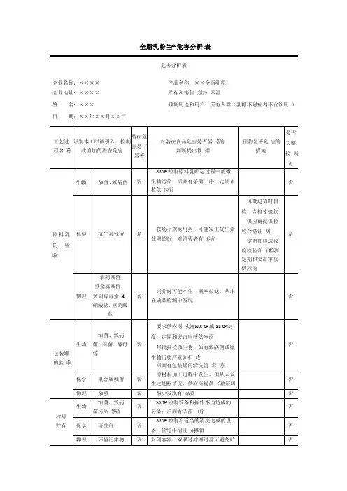
建立婴儿配方奶粉的危害分析工作单
危害分析工作单
产品名称:婴儿配方奶粉
生产厂家:XXXX有限公司
1. 可能的危害因素:
- 产品存在细菌、病毒、重金属等污染物质;
- 配方不合理,营养成分缺乏或过多;
- 生产工艺不当,无法杀灭细菌和病毒;
- 包装材料含有有害物质,如塑化剂等;
- 不合规的广告宣传,误导消费者。
2. 影响对象:
- 婴儿和幼儿;
- 消费者家庭;
- 分销渠道商;
- 婴儿配方奶粉生产厂家;
- 相关监管机构。
3. 可能造成的影响:
- 婴幼儿的身体健康受到损害,可能导致生长发育不良和各种疾病;
- 妨碍消费者对婴儿配方奶粉的信任,不利于市场的稳定;
- 给消费者家庭、分销渠道商和生产厂家带来法律和经济损失。
4. 控制措施:
- 加强婴儿配方奶粉的质量监管,确保产品符合标准和法规;
- 对生产工艺进行规范和监督,确保生产过程卫生,符合标准;
- 加强对配方的研究,科学制定配方,保证产品营养均衡;
- 对包装材料的使用进行审查和监督,避免有害物质的使用;
- 加强广告宣传的监管,保证广告真实合法,消费者不会因误导而购买不合格产品。
5. 风险评估:
- 危害等级:中等;
- 发生概率:低;
- 影响范围:大;
- 风险程度:中等。
以上仅为示例,实际危害分析工作单需要根据产品和实际情况进行具体的编制和完善。