(完整版)土钉墙施工工序手册
- 格式:doc
- 大小:7.34 MB
- 文档页数:19
土钉墙施工工艺7.9.1工艺概述土钉墙是在土质或破碎软弱岩质路堑边坡中设置钢筋土钉,靠土钉拉力维持边坡稳定的支挡结构。
土钉墙支护的适应性强,适用面宽,适用于一般地区土质及破碎软弱岩质路堑地段。
与通常的护坡结构相比较,土钉墙加固的最大特点是其施工简便,工程量小,材料消耗少,而且支护的效果好,是一种经济性的加固形式。
在腐蚀性地层、膨胀土地段及地下水较发育或边坡土质松散时,不宜采用土钉墙。
7.9.2作业内容1.搭设脚手架;2.刷坡嵌平;3.安设伸缩缝、泄水管;4.初喷混凝土;5.钻孔;6.安装土钉;7.注浆;8.挂网、安装垫板紧螺栓;9.复喷混凝土及水泥砂浆;10.坡脚墙施工7.9.3质量标准及验收方法一、原材料检验1.所采用的中(粗)砂、碎石、钢筋、水泥等原材料应符合设计及相关验标要求,进场时必需对其进行抽样检查。
2.土钉钢材的品种、规格、性能应符合设计要求;下料后应做调直、除污处理,并焊接定位支架,在腐蚀环境下钢筋表面应按设计要求进行处理。
3.土钉墙所用的土工合成材料的品种、规格、质量应符合设计要求。
同一厂家、品种、批号的土工合成材料。
二、施工质量检验标准及验收方法1.土钉墙质量检验应符合表7.9.3-1 规定。
表7.9.3-1 土钉墙施工质量要求、检验数量及检验方法2.土钉孔位、孔深、间距允许偏差及检验方法见表 7.9.3-2。
表7.9.3-2 土钉施工的允许偏差及检验方法3.挂网采用土工合成材料时,其铺设范围、搭接宽度的允许偏差、检验数量及检验方法见表 7.9.3-3。
表 7.9.3-2 土工合成材料施工检验表土钉墙施工工艺流程如图7.9.4 所示。
图7.9.4 土钉墙施工工艺流程图7.9.5工序步骤及质量控制说明一、施工准备1.路堑开挖路堑大批量土石方采用挖掘机开挖或爆破开挖方法。
开挖作业采用机械时,预留30~50cm 厚人工修整,确保边坡的坡角和坡面的平整度。
爆破开挖时为减少爆破对边坡的扰动,应采用光面或预裂爆破技术。
土钉墙施工作业指导书一、适用范围适用于新建兰新铁路二线新建乌鲁木齐铁路局调度所工程。
二、作业准备(1)技术准备①认真熟悉图纸,发现问题提前解决。
②做好测量放线、定位及控制孔位点保护工作。
③在三通一平的基础上,进行施工场地围挡,根据护坡支护的要求接好电源及水源。
④做好夜间施工照明设施⑤钢筋等原材料均具备出厂合格证,进场后及时送试验室做原材料复试,为施工提供合格的材料。
(2)现场准备①施工现场已架设足够的照明设施,满足夜间施工照明要求。
②在基坑四周设置1.2m高的围护,并设置警示灯,以防坠落。
三、施工程序与工艺流程(1)工艺流程清理边坡→孔位布点→成孔→安设土钉钢筋→注浆→铺设钢筋网→喷射混凝土面层→开挖下一步。
(2)主要技术参数①土钉孔径110mm,孔内注浆体为0.5~0.55水泥浆;②土钉锚杆:φ20钢筋;③土钉布置形式:梅花形;④挂网钢筋:加强筋HRB400 直径12mm,与土钉焊接,间距与土钉相同;网筋φ8@200×200mm钢筋,节点绑扎;⑤泄水孔:pvc管φ110@2000×3000mm,最低一排距坡底500mm,排水管墙内端头用滤水材料包裹成反滤包,尺寸不小于500×500×500mm;⑥喷射混凝土强度等级:C20;⑦喷射混凝土厚度:150mm;⑧坡顶混凝土;外延1.0m,做好护坡排水。
(3)清理边坡基坑开挖后,基坑的边壁宜采用小型机具或铲锹进行切削清坡,已达到设计规定的坡度。
(4)孔位布点土钉成孔前,应按设计要求定出孔位并做出标记编号。
(5)成孔采用潜挖钻成孔,孔径、孔深、孔距、倾角必须满足设计标准。
成孔过程中如遇障碍物需调整孔位时,不得影响支护安全,成孔后要进行清孔检查,对塌孔处应及时处理。
(6)置钉及注浆①置钉。
在直径20mm的一级钢筋上设置定位架,保证钢筋处于孔中心部位,支架沿钉长的间距2m,支架的构造应不妨碍注浆时浆液的自由流动。
②注浆。
土钉墙施工作业指导书1、适用范围适用于基坑深度不宜大于12m、基坑侧壁安全等级为二、三级的非软土基坑支护。
当地下水位高于基坑底面时,应釆取降水或截水措施。
2、作业准备2.1技术准备2.1.1施工前,认真审阅施工图纸和施工技术文件,了解和掌握施工区域的水文、地质情况,了解和掌握施工区域的测量资料,地下管线、设施、障碍资料和相邻建筑基础资料,明确图纸及技术文件对基坑和基坑支护的技术要求。
并应制定相应的技术方案或技术措施。
2.1.2认真进行图纸会审,与业主履行必要的围护平面图的审核手续。
项目经理应组织技术人员、施工人员,由工程师进行技术交底、施工组织设计交底和施工承包合同交底,进行质量、安全、文明施工教育。
2.2材料要求略2.3主要机具2.3.1机具:水平钻机、空气压缩机、喷浆泵、高压注浆泵、砂浆搅拌机、电焊机、钢筋切断机、钢筋对焊机、钢筋弯曲机、水泵等。
2.3.2工具:尖镐、尖锹、平锹、机动翻斗车、手推车、筛子、抹子等。
2.3.3量具:钢卷尺、水准仪、经纬仪等。
2.4作业条件2.4.1地下水降至开挖层以下。
2.4.2施工机具、设备进场并处于完好状态。
2.4.3施工用水、电、道路、临时设施准备就绪,施工场地已整平。
在雨季施工时,应做好地表面排水措施。
2.4.4施工组织设计或施工技术方案已编制、审核、批准;并经建设单位、监理单位批准。
2.4.5施工动土手续已办理完并按要求釆取了必要的安全措施;施工场地范围内的地上及地下一切障碍物已排除,邻近的建(构)筑物已釆取保护措施。
2.4.6基坑边坡位移观测点及沉降观测点已按要求设置完。
2.4.7 土钉所在范围内的地下障碍物的具体位置已经清楚,并釆取了可靠的措施。
2.4.8基坑顶边1/4基坑深度范围内的物料已清除干净。
3、技术要求3.1编制依据略3.2土钉墙工程质量技术要求3.3原材料技术要求土钉钢筋在使用前应除锈、除油,并做强度检验;优先选用42.5号以上标号普通硅酸盐水泥;选用的中、粗砂应干净,含水量不宜大于5%;选用的豆石,其料径宜在2-4mm,应干净无杂质;喷射混凝土使用的速凝剂,应做到与水泥的相容性试验及水泥浆凝效果试验。
土钉墙施工1.施工材料及机具的准备1.1土钉墙使用材料土钉使用Φ28mm的HRB400钢筋制作,土钉长8m,与32cm长螺丝端杆接触焊接,端杆上螺纹长20cm,安装土钉时螺纹外露10cm,端杆外套20×20×2cm、中心孔直径 3.5cm的钢板,钢板外使用5×5×5.77cm的螺母加以固定。
锁顶锚杆使用Φ16mm的HRB335钢筋制作,锚杆长2.9m,外露15cm外露部分弯10cm长弯钩。
泄水孔采用Φ42PVC管,每根泄水管长1.0m(最下一排管长3.0m)。
托架采用φ6圆钢制作,由2根耳筋成120度角共同构成,沿土钉钢筋每隔2m焊接一个托架。
土钉墙外层钢筋网架立钢筋使用45cmφ8圆钢制作,架立钢筋长30cm,宽15cm。
钢筋网采用15×15cmφ8钢筋制作。
灌浆采用M30水泥砂浆,配合比水泥:砂:水=1:3.38:0.52,注浆压力不小于0.2MPa。
1.22.复合型土钉墙防护的施工工艺复合型土钉墙防护施工流程:图2 复合土钉墙施工流程图2.1施工准备场地清理→施工放样→天沟、截水沟施作2.2路堑开挖自上而下分层开挖路堑至预加固桩顶面,施工上部边坡防护。
2.3预加固桩施工上部边坡防护施工完成后,进行预加固桩开挖,开挖结束后进行混凝土浇注。
2.4锁顶锚杆施工待预加固桩混凝土强度达到设计的80%后施工锁顶锚杆,土钉墙防护上级边坡距离土钉墙防护边坡0.5m处以坡面成90度进行锁顶锚杆的施作,每根锁顶锚杆纵线间距1.2m。
附图3 锁顶锚杆示意图2.5分层开挖桩间土体锁顶锚杆施工完成后,分层开挖土钉墙所加固边坡,土钉防护从上至下施工。
分层开挖高度土层宜为0.5~2m,岩层宜为1~4m。
2.6喷射混凝土开挖结束后,在施工土钉前,对加固边坡进行喷射5cm厚C25混凝土。
2.7土钉、第一层钢筋网及泄水孔施工喷射混凝土结束后,在混凝土面上进行放点,土钉间距1.2m,正方形布置,最下层土钉距坡脚60cm,放点时需注意预加固桩位置不用进行土钉防护,放点结束后需经现场技术人员及监理工程师确认后方可进行土钉施工。
(完整版)⼟钉墙施⼯流程⼟钉墙施⼯流程⼀、⼯程概况三、施⼯准备(⼀)作业条件了解地质情况和地下管⽹,构筑情况。
认真编制基坑⽀护的设计,施⼯⽅案,做好施⼯前的三通⼯作,根据现场实际情况,对可能出现的突发情况采取有效的防范措施。
(⼆)施⼯材料原材料⽔泥,采⽤强度等级为32。
5MPa的普通硅酸盐,矿渣硅酸盐⽔泥。
砂。
⽯⼦:采⽤细度模数2.3的中砂和粒径不⼤于12㎜的细⽯,砂含泥量不⼤于3﹪,⽯⼦含泥量不⼤于2﹪.钢筋。
钢管‖钢筋。
直径18-32㎜,盘条钢筋6-8㎜,直径48㎜的钢管。
外加剂;采⽤符合有关规定要求的早强剂。
膨胀剂和速凝剂,在冬季施⼯时喷射混凝⼟中应加⼊防冻剂。
(三)施⼯机械设备施⼯机械设备(见表1)表1机械设备-览表(四)施⼯组织1.劳动组织(见表2)每班配制管理⼈员4名施⼯⼈员25-30名表2 ⼈员配备⼀览表四、施⼯⼯艺流程(⼀)⼯艺流程⼯序编写施⼯⽅案及施⼯准备→开挖→清理边坡→孔位布点→成孔→安设⼟钉钢筋(钢管)→注浆→铺设钢筋⽹→喷射混凝⼟⾯层→开挖下⼀步。
根据不同⼟性特点和⽀护构造⽅法个别顺序可以变化。
⽀护的内排⽔以及坡顶和基底的排⽔系统应按整个⽀护从上到下的施⼯过程穿插置(⼆)主要技术参数-(1)⼟钉孔径100MM,孔内注浆体强度等级M15(2)钻孔深度(⾃上⽽下):第⼀排:4M.第⼆派:4M(3)钻孔间距:⽔平间距2.0M,竖向间距:1.5M(4)⼟钉锚杆:热轧钢管48×3焊接铜管(5)⼟钉布置形式:三⾓形(6)⽹⽚钢筋:HDB235直径6.间距200MM(7)喷射混凝⼟强度等级:C20(8)喷射混凝⼟厚度:80-100MM(9)坡顶混凝⼟;外延1.0M,做好护坡排⽔(三)施⼯⽅法(1)准备⼯作1)认真学习规范,熟悉设计图纸,以书⾯形式让甲⽅出据地下障碍物,管线位置图,了解⼯程的质量要求以及施⼯中的监控内容,编写施⼯⽅案。
2)施⼯前应确定基坑开挖线,轴线定位点。
⽔准基点,变形观测点等。
土钉墙施工作业指导书1.适用范围适用于新建贵广铁路GGTJ-5标段第一经理部路基构造发育的深路堑土石质高边坡地段的预应力锚索土钉墙施工。
2.作业准备2.1技术准备作业指导书编制后,应在开工前组织钻爆破施工技术人员认真学习实施性施工组织设计,审核施工图纸,澄清有关技术问题,熟悉规范和技术标准。
编制应急预案,制定安全保障措施。
组织技术交底。
对参加施工人员进行上岗前技术培训,考核合格后持证上岗。
2.2现场准备施工场地必须做好“三通一平”。
现场四周设置排水沟,保证排水畅通。
2.3料具准备按照设计图纸备齐所需的材料和机具。
3.技术要求3.1 预应力锚索土钉墙施工技术性、专业性较强,应由经过技术培训的人员进行施工。
3.2 施工前按设计提供的配合比进行室内试验,确定砂浆施工配合比。
4.施工程序4.1施工程序开挖工作面→喷射第一层砼→安装土钉→绑扎钢筋网→喷射第二层砼→养护5.施工要求5.1施工准备锚索施工前应完成材料、现场试验、施工设备、测量放线等一系列的施工准备。
5.1.1 材料5.1.2 现场试验锚索施工应按《规范》(SL 46-94 , DL/T 5083-2004 )要求先进行现场试验,检验施工工艺和测试张拉锁定后应力衰变规律,提供超张拉或补偿张拉依据,以便指导正常施工。
5.1.3 施工设备张拉设备、机具和仪表进行成套标定,报监理人审批,并按标定结果配套使用。
5.1.4 测量放线根据设计图纸,施工测量放样采用全站仪进行。
测量确定孔位及方向线后,用红油漆在施工现场做好明显的标记,并向现场技术员做好交底工作。
5.1.5 支架搭设满足施工要求、安全可靠的施工排架。
5.2钻孔5.2.1 一般采用KLEM 和MD 系列钻机进行钻孔。
施工时根据设计要求,不同的锚索选用不同直径的钻头。
施工排架搭设要牢固,钻机定位要准确,水平孔须用2mm / m 精度的水平尺校核钻机钻杆水平,测量仪测定钻进方向角,调整好孔向后再固定钻机。
土钉墙支护工程
1、工艺流程
2、施工方法
2.1边坡土方开挖
边坡采用反铲挖土机挖土,坡面预留50~100mm人工修坡,开挖深度在土钉孔位下500mm,预留成孔工作面宽度保证5m以上,以确保土钉成孔的工作面。
土方开挖严格按设计规定的分层分段开挖,按顺序施工,从第三步往下土钉施工不少于3天一层。
2.2边坡修整与清理
采用人工清理,为确保喷射砼面层的平整,此工序必须挂线定位。
对于土层含水量较大的边坡,可在支护面层背部插入长度为400~600mm,直径不小于50mm的水平PVC排水管包滤网,其外端伸出支护面层,间距为2m,以便将喷混凝土面层后的积水排走。
(具体详见图纸要求)
2.3定位放线
按设计图纸由测量人员放出每一个土钉的位置。
2.4土钉制作及安放
采用直径为8mm的三级螺纹钢1.5m长,水平距离为2m,采用锤击打入土坡中。
2.5挂网及锚头安装
钢筋网片用插入土中的钢筋固定,与坡面间隙3~4cm,不应小于3cm,搭接时上下左右一根对一根搭接绑扎,搭接长度应大于30cm,并不少于两点点焊。
钢筋网片借助于井字架与土钉外端的弯勾焊接成
一个整体。
2.6喷射砼
喷射砼顺序可根据地层情况“先锚后喷”,土质条件不好时采取“先喷后锚”,喷射作业时,空压机风量不宜小于9m3/min,气压0.2~0.5MPa,喷头水压不应小于0.15 MPa,喷射距离控制在0.6~1.0m,通过外加速凝剂控制砼初凝和终凝时间在5~10 min,喷射厚度大于等于100mm。
2.7养护
在砼喷射完后12h内采取浇水养护。
土钉墙防护施工作业指导书1.适用范围适用于****的一般地区土质及破碎软弱岩质路堑地段。
2.作业准备2.1技术准备开工前组织爆破施工技术人员认真学习实施性施工组织设计,审核施工图纸,澄清有关技术问题,熟悉规范和技术标准。
编制应急预案,制定安全保障措施。
组织技术交底。
对参加施工人员进行上岗前技术培训,考核合格后持证上岗。
2.2现场准备施工场地必须做好“三通一平”。
现场四周设置排水沟,保证排水畅通。
3.技术要求3.1土钉采用HRB400螺纹钢制作,土钉间距1.0~1.5m,土钉与水平方向夹角按“土钉墙面坡率和与土钉倾角对应表”进行设计。
土钉锚孔直径100mm,注浆材料一般环境下采用M35水泥砂浆或水泥浆,注浆压力不小于0.2MPa。
3.2 施工前按设计提供的配合比进行室内试验,确定砂浆施工配合比。
一般环境和碳化环境下,注浆材料所用水泥采用P²O 42.5普通硅酸盐水泥;氯盐环境、化学侵蚀环境下,根据环境作用等级注浆材料选用抗侵蚀性水泥。
3.3 泄水孔采用A42PVC花管,水平倾角5~10°,间距3m上下错开布置,其中靠近坡脚第一排泄水孔长度为4m,其余为2.0m。
地下水发育地段设置深层泄水孔。
钻式锚杆(外径A40mm,内径A20mm)做钉材,钻头直径为A80mm,成孔直径为A85mm。
4.施工程序与工艺流程4.1施工程序施工锁顶锚杆→从上到下分层开挖墙前边坡→同一分层喷射同模筑面层混凝土强度等级的混凝土→安装土钉、绑扎钢筋网(同时施工本分层范围内的泄水孔)→上一层土钉施作完成且达到设计强度,开挖下一层岩土体(工序同上,各分层间第一层钢筋网搭接采用焊接)→土钉全部施作完成→架设第二层钢筋网并立模现浇土钉墙面板→养护4.2 工艺流程参见“土钉墙工艺流程图”5.施工要求5.1施工准备土钉施工前应完成材料、现场试验、施工设备、测量放线等一系列的施工准备。
5.1.1 材料使用具有材质证明,符合规范及设计要求的钢筋,水泥,砂,碎石,并进行进场二次检验,检验合格后,经监理见证同意后方可使用。
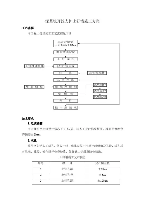
深基坑开挖支护土钉墙施工方案工艺流程1.边坡修整土方开挖至土钉设计标高下0.5m后,应人工及时修整坡面。
坡面平整度允许偏差±20mm。
2.成孔采用洛阳铲人工成孔,俩人一组。
成孔过程中注意控制倾角及孔径,成孔后对孔深、孔径、倾角进行检查验收,做好施工记录及隐检记录。
土钉墙施工允许偏差3.按设计要求制作钢管杆体,并按设计要求加焊定位支架。
4.注浆按设计要求水灰比搅拌水泥浆,注浆时,注浆管应插至孔底,在一次注浆完成2.0小时内进行二次补浆,并将孔口封堵。
水泥浆须拌合均匀,随拌随用,一次拌合的水泥浆须在初凝前用完,锚管均为对齐布置,平均每延米锚管注浆量不少于50kg。
5.钢筋网片制作与安装钢筋网片按设计要求制作,网片规格φ6.5@250×250,网节点采用点焊或绑扎,网片搭接长度不少于300mm。
网片外侧按设计要求加焊加强筋。
6.土钉头焊接土钉钢筋按设计要求焊接在钢筋网片的加强钢筋上,加强钢筋与土钉钢筋的焊接长度不小于200mm。
7.面层喷射砼喷射砼施工过程中严格计量配比,喷射作业应分段进行,同一分段内喷射顺序应自下而上,喷射时喷头与受喷面应保持垂直。
喷射射距0.8~1.5m,喷射砼终凝2小时后应喷水养护。
每层土钉喷射砼施工时,作一组砼试块,标养28天后进行检验。
喷射砼厚度允许偏差±10mm。
8.杂填土中土钉锚杆质量保证措施土钉墙施工完成后现场选取土钉总数的5%,且不少于3根作现场拉拔试验,试验的抗拉力不少于其承载力设计值。
如遇现场土钉施工时不满足要求,则应通过与设计院沟通,采取二次灌浆工艺,一方面确保土钉抗拔设计值小于满足设计要求;另一方面通过加压注浆,有效填充杂填土层中的空隙,改善土层力学性能,从而提高边坡自身稳定性。
9.填土层中土钉遇流塑状淤泥的加强措施淤泥层开挖每段不超过6m,并采用跳槽开挖,下层土体应在上层土钉墙注浆3d后方可开挖,每层开挖出作业面后,应立即进行支护。
土钉墙施工工序标准化手册目录1、熟悉图纸 (2)2、编写、上报、审批施工方案 (2)3、现场考察 (2)4、测量放样、撒白灰线 (3)5、材料进场、取样检测 (3)6、土方开挖 (4)7、边坡修整与验收 (4)8、土钉成孔与验收 (5)9、钢筋绑扎与验收 (7)10、土钉孔注浆与验收 (9)11、喷锚与验收 (10)12、锚杆成孔 (13)13、钢绞线长度检查 (14)14、张拉机具 (15)15、千斤顶安装 (16)16、张拉施工 (16)17、成型锚杆 (16)18、土钉墙施工易出现问题的工序及预防措施 (17)1、熟悉图纸2、编写、上报、审批施工方案3、现场考察认真审阅施工图纸和有关设计文件,相关施工规范和验收标准;参加图纸会审,提前发现各专业图纸矛盾和冲突,并协助设计院在施工前进行解决;按照流程手册及时办理工程中出现的变更、洽商,并及时提交正式文件给预算部和资料室;参加变更、洽商交底会。
本工程适用规范:《锚杆喷射混凝土支护技术规范》GB50086-2001、《建筑基坑支护技术规程》JGJ 120-2012、《建筑地基基础工程施工质量验收规范》GB50202-2002。
编写施工方案,经公司、监理审核通过,上报审批并归档。
同时,对批复完成的方案对项目部管理人员进行交底;根据施工方案编写工序作业交底,交底给施工队伍。
开工前考察施工现场,选择开工作业面,做好人员、材料、机械的进场等准备工作。
4、测量放样、撒白灰线5、材料进场、取样检测根据设计图纸,按照施工方案,对现场进行测量放样。
对进场原材料(钢筋、钢绞线)进行取样检验,取样时通知监理旁站。
试验合格后,通知监理、技术人员、施工工长、施工队伍原材料可用。
对进场材料(砂、碎石)进行取样检验,取样时通知监理旁站。
6、土方开挖7、边坡修整与验收土方开挖,根据现场施工情况,选择施工机械的型号和数量;本段第一层开挖段落长度300m,深度 1.8m,上口宽11m,下口9.2m工程量为5454方。
土钉墙施工程序与方法1、程序土钉支护技术是由上而下分段施工加固土体的支护方法,需要土体开挖和支护工作密切配合,每次开挖深度一般不超过1.5m。
土体开挖后实施土钉锚作业,采用如下工艺流程:现场情况的复杂根据程度,锚杆的长度和密度、喷层厚度、施工程序可作适当调整。
2、方法2.1修边坡根据基坑放样尺寸放线,进行第一层土体的开挖。
断面挖出后,人工修整边坡以满足尺寸要求。
要求坡面平整。
2.2挂网、焊拉筋钢筋搭接70mm,用铅丝绑扎,网面与坡面距离不小于20mm,纵向钢筋插入土中210mm,与下一层钢筋搭接,与上层钢筋搭接点要焊牢。
为了固定第一排锚杆的钢筋网,可在边坡顶部打地锚或在边坡顶下200-300mm处打摩擦锚杆。
拉筋应和网片焊牢,且应插入层土中210mm。
拉筋上部与上排拉筋焊接。
2.3喷砼为了保证砼厚度,修坡完成后在坡面插标杆,每隔1m一根,露出坡面高度为喷层厚度。
喷射砼采用干喷法,使用425水泥,骨料为中粗砂和直径10~15mm的碎石,水泥:砂:石为1:2:2.5,水灰比为0.4~0.5,掺8640速凝剂,掺量为水泥的4﹪(可保证喷层10分钟初凝),砼干料至少拌和三次。
喷射机开机顺序为先送风一再送水一后送料,关机顺序反之。
保证钢筋保护层20mm。
复喷前要先喷水清洗初喷砼表面,喷射时喷头应与作业面垂直,喷头至作业面距离0.6~1.0m,喷射顺序由下至上螺旋运动。
回弹料不得再用。
要及时清理喷射机。
2.4打入注浆钢管(掏孔放螺纹钢筋)。
2.4.1注浆钢管或锚杆(螺纹钢筋)按锚杆制作规范制作。
2.4.2根据设计要求的平面位置,选择合理的机具。
Φ32锚管用7655钻靠空气动力强制打入。
2.5注浆2.5.1压力注浆的浆液配置,采用标号不低于425号的硅酸盐水泥。
水灰比为0.4~0.5,根据现场情况掺入水泥量5%的水玻璃液,使浆体早强。
2.5.2采用一次全方位压力注浆,注浆压力控制为0.3~0.5Mpa。
水泥浆液应拌和均匀,拌和的浆液在初凝前用完,随拌随用。
土钉墙施工作业指导书1.适用范围适用于中铁四局集团有限公司涪秀二线铁路项目经理部管段路基土钉墙施工。
2.作业准备2.1技术准备作业指导书编制后,应在开工前组织钻爆破施工技术人员认真学习设计文件,审核施工图纸,澄清有关技术问题,熟悉规范和技术标准。
编制应急预案,制定安全保障措施。
组织技术交底。
对参加施工人员进行上岗前技术培训,考核合格后持证上岗。
2.2现场准备施工场地必须做好“三通一平”。
现场四周设置排水沟,保证排水畅通。
2.3料具准备按照设计图纸备齐所需的材料和机具。
3.技术要求⑴土钉墙施工技术性、专业性较强,应由经过技术培训的人员进行施工。
⑵施工前按设计提供的配合比进行室内试验,确定砂浆施工配合比。
⑶土钉采用HRB400螺纹钢制作,土钉间距1.0~1.5m,垂直于坡面施作,土钉锚孔直径100mm,注浆材料一般环境下采用水泥砂浆或水泥浆,注浆压力不小于0.2MPa。
⑷土钉墙采用双层钢筋网,网格尺寸15cm*15cm;墙面板砼采用采用细石砼,骨料粒径宜采用8~10mm。
第一次模筑砼厚15cm,第二次模筑砼厚10cm。
⑸一般地段与侧沟平台1.2m以上每间隔3m(正方形布置)设置一孔泄水孔,其中最下一排泄水孔孔深比相邻排土钉伸入岩土中的长度不小于 1.0m,其余孔深 2.0m,钻孔直径采用Φ49mm,内置Φ42mmPVC花管,钻孔仰斜角度5°~10°。
地下水发育地段设置深层泄水孔。
⑹墙身材料采用混凝土最低强度等级不小于C30,无侵蚀环境或碳化环境下,注浆材料采用M35水泥砂浆。
4.施工程序与工艺流程4.1施工程序施工准备→开挖工作面→喷射第一层砼→钻孔→安装土钉→绑扎钢筋网→模筑第二层砼→养护4.2工艺流程施工准备开挖工作面喷射第一层砼钻孔安装土钉绑扎钢筋网模筑第二层养护5.施工要求⑴土钉施工前应完成材料、注浆工艺试验、土钉拉拔试验、测量放线等一系列的施工准备。
⑵土钉墙墙面岩体开挖距设计边坡2m时,应采用小爆破法施工,以防震坏墙后岩体及破坏桩身等其他支挡结构,必须确保坡面胸坡坡率与土钉墙设计坡率一致,坡面规则平整,不得出现严重的超欠挖现象,确保工程质量。
第1篇一、前期准备1. 设计审查:根据地质勘察报告和施工图纸,对土钉墙支护方案进行审查,确保设计方案符合规范要求。
2. 施工组织:成立施工项目组,明确各岗位人员职责,制定施工计划,包括施工进度、质量要求、安全措施等。
3. 材料设备:准备施工所需的材料、设备,如钢筋、水泥、土钉、钻孔设备、喷射混凝土设备等。
4. 施工现场:清理施工现场,平整场地,设置施工围挡,确保施工安全。
二、施工工艺1. 修整坡面:土方应分层分段开挖,每层开挖深度与土钉竖向间距一致,开挖标高为土钉位置下200mm。
每层土开挖后进行修整,去除突出土体,压实表面松动的土体,确保喷射混凝土面层的平整。
2. 初喷底层混凝土:喷射混凝土喷射顺序应自上而下,喷头与受喷面距离控制在0.8~1.5m范围内,喷射方向垂直喷射面,一次喷射厚度不宜小于40mm。
喷射混凝土适当加入速凝剂,提高混凝土的凝结速度,防止混凝土塌落。
3. 土钉定位钻孔清孔:钻孔前,根据设计要求定出孔位并作出标记及编号。
土钉开孔时对准孔位徐徐钻进,待达到一定深度且土层较稳定时,方可正常速度钻进。
钻孔不得扰动周围地层,钻孔后清孔采用高压空气或水清孔。
4. 放置土钉:钢筋主筋按设计长度加20cm下料,外端设90度20cm的弯勾。
主筋每隔1~2m焊对中支架,防止主筋偏离土钉中心,支架构造应不妨碍注浆时浆液的自由流动。
安放主筋时,将注浆管与主筋捆绑在一起,注浆管离孔底0.5m左右,土钉端部与面层内的加强筋及钢筋网通过加强筋连接。
5. 注浆:采用压力注浆,导管先插至距孔底250~500mm处,并在孔口安装阀门,确保注浆均匀。
6. 喷射混凝土面层:在土钉和钢筋网的基础上,喷射混凝土面层,厚度根据设计要求确定。
喷射顺序自上而下,喷头与受喷面距离控制在0.8~1.5m范围内,喷射方向垂直喷射面。
7. 喷射混凝土养护:喷射混凝土完成后,进行养护,确保混凝土强度达到设计要求。
8. 施工质量检测:施工过程中,对土钉墙支护工程进行质量检测,包括钻孔深度、土钉长度、喷射混凝土厚度、强度等。
说明土钉墙的施工工艺流程及具体施工做法下载温馨提示:该文档是我店铺精心编制而成,希望大家下载以后,能够帮助大家解决实际的问题。
文档下载后可定制随意修改,请根据实际需要进行相应的调整和使用,谢谢!并且,本店铺为大家提供各种各样类型的实用资料,如教育随笔、日记赏析、句子摘抄、古诗大全、经典美文、话题作文、工作总结、词语解析、文案摘录、其他资料等等,如想了解不同资料格式和写法,敬请关注!Download tips: This document is carefully compiled by theeditor.I hope that after you download them,they can help yousolve practical problems. The document can be customized andmodified after downloading,please adjust and use it according toactual needs, thank you!In addition, our shop provides you with various types ofpractical materials,such as educational essays, diaryappreciation,sentence excerpts,ancient poems,classic articles,topic composition,work summary,word parsing,copy excerpts,other materials and so on,want to know different data formats andwriting methods,please pay attention!土钉墙施工工艺流程及具体施工做法详解土钉墙,作为一项常见的边坡稳定技术,广泛应用于建筑、公路、铁路等工程领域。
(完整版)土钉墙施工方案-CAL-FENGHAI-(2020YEAR-YICAI)_JINGBIAN目录第一章编制说明 (1)1.1 施工方案编制依据 (1)第二章工程概况 (1)2.1工程概况 (1)2.2工程地质 (2)第三章土钉墙施工方案 (3)3.1技术参数 (3)3.2施工顺序 (4)3.3主要施工机械 (4)3.4土钉墙施工工艺流程 (4)3.4施工工艺说明 (5)第四章质量保证措施 (8)第一章编制说明1.1 施工方案编制依据施工方案主要依据设计图纸、地质勘察资料等,围绕着确保安全、保证质量、保证工期的目标来编制的。
在施工方案编制过程中,依据工程特点和我们的施工能力针对设计文件中涉及的各单项技术按设计、施工要求的理解及细化,针对设计中提出的安全、文明施工、质量和工期目标,从劳、材、机等几个方面提出了合理的组织计划和相应的保证体系。
编制上述文件的主要依据包括:1、深圳市儿童医院改扩建工程一期基坑施工图纸;2、地质勘察及踏勘现场调查资料;3、设计、施工过程中涉及的有关规范、规程。
第二章工程概况2.1工程概况深圳市儿童医院改扩建工程一期基坑位于福田区深圳市儿童医院内,北临红荔西路,西临民田路,东临儿童医院医务楼。
儿童医院改扩建工程面积约13000㎡,建筑为14层住院大楼,采用框架剪力墙结构,建筑物等级为Ⅱ级。
深圳地铁三号线西延段从一期地下室基坑正下方穿过,地铁顶板到基坑底部的距离介于2.51m~5.72m之间。
地下室施工采用明挖法施工,基坑围护结构采用桩锚支护设计。
由于三号线西延段下穿于基坑,故在三号线通过区域,围护桩桩长受到限制从而达不到支护作用,在这区域土方开挖采取放坡形式通过土钉墙支护以保证施工安全。
在基坑东北角车库坡道段采用土钉墙支护进行放坡开挖。
基坑围护结构土钉支护部位如图1-1所示(断面3-3、10-10、13-13)。
91078图1-1基坑平面布置图2.2工程地质根据钻孔揭露,土钉墙施工部分场地地层有人工填土,第四系冲洪积层、残积层,自上至下分述如下:⑴人工填土层(Q ml)素填土:场地内均有分布, 褐黄色、褐红色,稍湿,松散,未固结,主要由石英质砾砂混碎块石和粘性土组成,其中砾砂含量40%左右,部分钻孔含有少量碎砖块等建筑垃圾。
关于复合土钉墙施工的培训施工主料⑴钢筋土钉钢筋采用128, 125两种,焊接采用帮条焊或搭接焊。
土钉面层钢筋为±22主筋,(l)8@150X 150钢筋网。
预应力锚索采用高强钢绞线(1*7),公称直径d=15.2mm,fptk=1860N/ram2o ⑵水泥采用不小于P.0 32.5R,普通硅酸盐水泥,唐山冀东产,用于C20喷射砼、水泥净浆和砂浆。
⑶石采用琢州产碎石,最大粒径10mm。
⑷砂:采用涿州中细纱。
⑸外加剂:C20喷射砼防冻剂采用JM-IV砼粉状防冻剂、JM-I粉状速凝剂。
M20砂浆采用北京丰台JM-VIII早强减水剂,UEA膨胀剂。
M20水泥净浆采用北京丰台JM-VIII早强减水剂,UEA膨胀剂。
施工配合比⑴、C20喷射砼配合比⑵、M20砂浆砼配合比工艺流程施工工艺流程如下:进行下一工序土钉施工技术要求(1) 土方开挖严格按设计要求控制坡度,人工修坡与机械开挖交替进行, 及时修坡,为保证受喷面的放坡角和平整度机械开挖时预留20〜30cm 土层采 用人工修坡,坡面平整度不大于±20醐,喷砼前应清除坡面虚土。
(2) 土钉支护应与土方开挖协调配合,土钉墙施工时必须分段分层进行 土方开挖,每段长度7〜8m ,最长不超过15m 。
每层挖土深度与土钉垂直间距 相匹配,保证开挖标高不得低于该层土钉标高300画,严禁超挖一则便于土钉 施工,二则避免超挖造成边坡塌方。
(3) 修坡结束后确定土钉孔位,然后用洛阳铲成孔,孔位误差不大于 100mm,如遇特殊情况需要移孔位,应由现场技术负责人审定;成孔后检查孔 深、孔径、锚筋长度,合格后及时插入锚筋和注浆管进行注浆,注浆管距孔 底250-500mm ;水泥浆干缩后应进行二次补浆。
(4) 钻孔直径、深度、角度、注浆均要满足设计要求,做到各环节施工 完成后有人验收。
孔深允许偏差为+200mni 〜50mm ,孔径允许偏差+20mm 〜5酮, 钻孔倾角误差不大于3°。
土钉墙施工工艺及方法①施工工艺流程施工顺序为:施工准备→测量放线→预加固粧施工→边坡开挖→喷射混凝土→土钉钻孔、放置、注浆→仰斜泄水孔施工→铺设钢筋网→立模→灌注混凝土。
②施工方法土钉墙每级边坡应分级、分段、分层开挖,分层厚度应与土钉竖向间距一致,下层土的开挖应在上层土钉注浆体强度达到设计强度的70%后方可进行。
坡面分层开挖后立即喷射第一层混凝土,封闭临空面,再施工土钉,分层循环至单级边坡完成。
每级坡面土钉施工完成后立即施工钢筋混凝土及仰斜排水孔、坡面泄水孔。
同一级边坡每块土钉墙施工流程应错开2m施工以确保安全,每级土钉墙施工完成后才能开挖下一级边坡。
土钉采用HRB400钢筋,土钉墙面坡率与锚杆倾角相对应,土钉沿钢筋轴向每隔1.0m设定位支架,钻孔直径为110mm,土钉注楽材料采用M35水泥楽。
施工时按设计要求先施工锁顶锚杆,锁顶锚杆采用016的HRB400钢筋制作,长3m,间距1.2m,钻孔直径采用d90mm。
从上而下分层开挖墙前边坡,分层开挖高度土层宜为0.5~2m,岩层宜为1~4m。
在同一层内先喷射厚度为0.05m的同模筑混凝土强度等级的混凝土。
待喷射混凝土完成后按要求进行土钉钻孔、安装土钉、灌浆、铺设第一钢筋网及螺丝端杆锚固施工,同时进行本分层内的泄水孔施工。
待上一层土钉施作完成且达到设计强度后,按分层高要求开挖下一层岩土体,施工顺序同上一层。
待土钉自上至下施作完成后,架设第二层钢筋网并立模现浇土钉墙面板。
锚孔采用M35水泥浆孔底返衆法注浆,注浆压力一般为0.2Mpa,土钉注浆时宜添加膨胀剂。
施工前,在与工作面岩性岩体一致的邻近场地进行现场抗拔破坏性试验,验证水泥浆与锚固段地层孔壁的粘结强度。
路堑施工开挖后如局部超挖部分要求采用同级模筑混凝土回填嵌补。
由于地质条件、荷载条件、支护材料、施工条件等因素的复杂性,施工过程对土钉支护结构边坡的支护结构水平位移、沉降、结构内力,土压力、深层水平位移、边坡变形等项目进行监测,及时根据反馈结果,优化调整设计参数和下一步施工措施,以确保支护结构和边坡的安全,减少对环境的影响。
目录1、熟悉图纸 (2)2、编写、上报、审批施工方案 (2)3、现场考察 (2)4、测量放样、撒白灰线 (3)5、材料进场、取样检测 (3)6、土方开挖 (4)7、边坡修整与验收 (4)8、土钉成孔与验收 (5)9、钢筋绑扎与验收 (7)10、土钉孔注浆与验收 (9)11、喷锚与验收 (10)12、锚杆成孔 (13)13、钢绞线长度检查 (14)14、张拉机具 (15)15、千斤顶安装 (16)16、张拉施工 (16)17、成型锚杆 (16)18、土钉墙施工易出现问题的工序及预防措施 (17)1、熟悉图纸2、编写、上报、审批施工方案3、现场考察认真审阅施工图纸和有关设计文件,相关施工规范和验收标准;参加图纸会审,提前发现各专业图纸矛盾和冲突,并协助设计院在施工前进行解决;按照流程手册及时办理工程中出现的变更、洽商,并及时提交正式文件给预算部和资料室;参加变更、洽商交底会。
本工程适用规范:《锚杆喷射混凝土支护技术规范》GB50086-2001、《建筑基坑支护技术规程》JGJ 120-2012、《建筑地基基础工程施工质量验收规范》GB50202-2002。
编写施工方案,经公司、监理审核通过,上报审批并归档。
同时,对批复完成的方案对项目部管理人员进行交底;根据施工方案编写工序作业交底,交底给施工队伍。
开工前考察施工现场,选择开工作业面,做好人员、材料、机械的进场等准备工作。
4、测量放样、撒白灰线5、材料进场、取样检测根据设计图纸,按照施工方案,对现场进行测量放样。
对进场原材料(钢筋、钢绞线)进行取样检验,取样时通知监理旁站。
试验合格后,通知监理、技术人员、施工工长、施工队伍原材料可用。
对进场材料(砂、碎石)进行取样检验,取样时通知监理旁站。
6、土方开挖7、边坡修整与验收土方开挖,根据现场施工情况,选择施工机械的型号和数量;本段第一层开挖段落长度300m,深度 1.8m,上口宽11m,下口9.2m工程量为5454方。
考虑合理配置,选择220(360)挖掘机1台,自卸车3台。
土方外运,每天外运土方量1500方。
边坡坡比检查成型的基坑边坡8、土钉成孔与验收坡比验收,设计坡比1:0.5,修坡工人3人,正常工作时间每天10小时,每天修坡长度100米,平均每人每天修坡33米。
能满足现场施工需要。
按照设计要求修理翻边,宽度1米。
土钉设计第一层标高33m,水平间距1.5米,施工时,按照测量放样进行布点,点位采用红色油漆进行标示,方便钻孔时进行定位。
土钉孔水平间距土钉机械成孔钻机型号土钉水平间距测量,1.5米。
根据地勘报告、现场土质情况确定机械成孔或人工成孔;土钉成孔,每台钻机配置3人,1人操作机械,2人拆装钻杆;每个孔成孔时间30分钟,每台钻机每天工作10小时,成孔20个。
现场2台钻机,计每天成孔40个。
孔深6.8米。
钻机标签,标示出钻机型号等数据。
土钉长度检查土钉孔径检查9、钢筋绑扎与验收现场报验土钉成孔深度,采用钢筋进行检验。
本段土钉孔设计深度 6.8米,实际孔深6.83米,土钉孔深度允许误差±50mm,深度符合规范要求。
报验程序:项目部工长、质检员自检合格后,报监理进行检验,检验合格进行下道工序。
土钉孔径检验,设计11cm,实际成孔11.5cm,土钉孔径允许偏差±5mm,符合规范要求。
在钢筋场地土钉加工与制作,土钉设计为1C20钢筋,本段设计长度为第一层6.8m, 第二层12m,设计为锚杆(采用φs15.2钢绞线制作),第三层5.8m,第四层4.8m。
土钉加工,切割机1台,工人2人;土钉运输采用三轮车运输,人员数量2人。
满足现场施工需要。
钢筋绑扎现场成型钢筋网钢筋绑扎现场5人,边坡翻边位置2人,边坡下方3人;每天绑扎50米,能满足施工需要;随开展工作面的数量,增加工人数量。
钢筋网片绑扎成型现场,设计钢筋型号C6间距20cm,钢筋网格允许误差±10mm,钢筋网块与块搭接长度不小于200mm,钢筋网与坡面间隙不小于30mm,经现场检验符钢筋网现场检验土钉与水平压筋连接方式(单面焊接)10、土钉孔注浆与验收土钉孔检验合格后,安放土钉,土钉与水平压筋进行连接,设计双“L”型。
连接采用焊接方式,单面搭接焊10D,设计水平压筋C14,搭接焊长度设计14cm,实测15cm,满足要求。
注浆配浆现场,设计水灰比0.45~0.5之间,施工采用0.5。
根据搅拌机搅拌桶的容量,现场采用6袋水泥300Kg,600Kg水进行掺配施工。
工人配置3人,2人抬运水泥,1人加水,同时将搅拌好的水泥浆放入提前设置好的浆池,方便注浆。
注浆机型号:BW-250。
水泥品种PSA32.5。
注浆泵规格、压力和输浆量必须满足生产要求。
注浆现场,工人配置1人,首先将注浆管(直径3.2cm),插入土钉孔底部,插到底后拔出30-50cm,然后进行注浆。
注浆压力0.3MPa。
注浆最远长度150m。
土钉孔第一次注浆后第二次注浆后(饱满)11、喷锚与验收喷锚混凝土配料称重,确定施工配合比第一次注浆后,孔内不饱满;必须进行二次注浆第二次注浆后效果,浆体到孔口,在喷锚时能保证浆体与混凝土的良好结合。
如果二次注浆还不饱满,继续注浆直至饱满;如果注浆次数多于2次,说明浆体质量不合格,应该调整配比,直至达到要求为止,重新进行注浆施工。
喷锚混凝土现场调试配比,砂石料称重,然后按照配比固定容器,按照容器设置数量进行施工;现场配比由项目部试验室调配,试验监理旁站。
设计C20混凝土,材料选用:PSA 32.5水泥,砂的含泥量宜小于5%,碎石粒径为3-8mm。
喷锚混凝土拌料现场喷锚施工现场机具配置喷锚混凝土厚度控制喷锚混凝土拌制现场,普通滚筒搅拌机1台;锚喷机1台,型号PZ-5;工人5人,往滚筒内送料:1人加砂,1人加碎石,1人加水泥;2人往锚喷机内填置拌好的混合料。
锚喷机和空压机进行连接,由空压机的空气压力将混合料由锚喷机喷射到施工现场。
空压机性能应满足锚喷机工作风压和耗风量的要求,选用不小于12m3/min,压力大于0.5MPa的空压机。
喷锚混凝土厚度控制:通过在坡面上设置钢筋头,长度10cm,来控制喷完混凝土厚度。
喷锚施工翻边混凝土宽度喷锚成型段落锚喷现场,输料管应能承受0.8MPa以上的压力,并应有良好的耐磨性, 不得使用老化破损的输料管。
供水设施应保证喷头处足够的水压,不小于0.2MPa。
喷射时,喷头与受喷面应垂直,宜保持1.0~1.5m距离,控制好水灰比,保持混凝土喷射面平整,湿润光泽、无干斑和滑移流淌现象。
翻边混凝土宽1m,厚度10cm。
喷锚完成现场,坡面平整,线形顺直,混凝土密实喷锚完成现场12、锚杆成孔钻杆检查13、钢绞线长度检查孔内穿入钢绞线锚杆材料为钢绞线,本工程用型号为φs15.2,设计长度12m。
现场加工长度:设计长度+工作长度=12m+0.8m。
其中设计锚固长度7m,自由段长度5m。
自由段采用软塑料套管成型,自由段设计长度位置用软塑料套管进行包裹,将两头用绑丝扎紧,防止两头进浆。
锚杆孔中定位采用定位环,定位环采用塑料支架。
间距2m布置,绑扎在钢绞线上。
14、张拉机具千斤顶校准证书张拉油泵和油表锚杆张拉使用的千斤顶使用之前必须进行检验,千斤顶的检测时间根据规范规定,每半年或者每张拉200次检测一次。
保证使用时在有效期内。
项目部技术人员通过校准证书计算张拉力,经由项目技术负责人审核后,报监理工程师审批。
张拉前将现场制作的同条件注浆试块进行试验,要求强度达到15Mpa或者设计强度的75%以上后,才允许张拉。
15、千斤顶安装16、张拉施工17、成型锚杆喷锚完成后,锚具的安装顺序:20#槽钢→钢垫板→锚具夹片→锚垫板→千斤顶张拉前,安装好千斤顶,将油泵连接好,通知项目部技术人员和监理工程师,进行张拉施工。
张拉控制:预紧→初张20%→100%→105%稳压5分钟→回顶。
为了保证施工安全,张拉过程中施工人员不得站在千斤顶的正前方。
张拉完后,将外露钢绞线切掉,剩余长度3~5cm。
18、土钉墙施工易出现问题的工序及预防措施(1)原材料进场(2)基坑开挖、边坡控制(3)翻边钢筋钢筋锈蚀严重预防措施:钢筋进场后进行检验,对于锈蚀严重不能使用的,退场。
进场合格的钢筋,存放高度不低于地面20cm,并覆盖塑料布进行保护。
边坡开口线不顺直、边坡不平整预防措施:开挖前按照测量放线撒白灰线,要求顺直、无折线;开挖过程中,要有专人看坡,随时检测开挖边坡的坡度是否合格,不合格及时进行调整。
翻边钢筋绑扎不顺直翻边钢筋绑扎要挂线进行施工,同时在纵向钢筋上标记出设计钢筋间距,施工过程中,按照标记的刻度线进行绑扎,随时检查钢筋间距是否满足要求,不满足及时进行调整。
(4)水平压筋(5)水泥浆(6)土钉孔注浆焊缝不合格,土钉与水平压筋焊接焊缝不饱满,长度不够。
预防措施:首先焊工必须持证上岗;在施工过程中,严格按照操作规程进行施工,不饱满的位置进行补焊直至合格。
焊完后将焊渣敲掉。
水泥浆太稀,未按照设计配比施工,配比范围0.45~0.5预防措施:施工前,由试验人员到现场确定施工配比,然后给工长和工班长进行交底。
施工过程中,不定期进行检查,发现不合格的,及时进行整改。
注浆不饱满预防措施:注浆必须进行二次注浆,直至饱满为止;如果注浆三次或以上还未饱满,则从浆体的稠度查找问题,不合适则调整施工配比。
(7)喷锚混凝土厚度喷锚厚度不足预防措施:喷锚前,在喷锚坡面上插上钢筋头,水平间距1.5m均布,外露长度为喷锚的设计厚度,喷锚过程中,喷锚坡面与外露钢筋头平齐,表明达到设计厚度。