怎样快速看懂钢结构图纸
- 格式:docx
- 大小:35.61 KB
- 文档页数:2
1、基础布置图这个算基础预埋板和筋板重量。
2、平台布置图这个是主要的重量所在,比较好看懂,也比较好核算。
3、轴面结构布置图这个主要计算柱子和斜撑横拉等。
4、轴面檩条布置图这个主要算檩条长度,包括窗檩等;拉条一般也在这种图里,通常为圆钢算长度乘以理论重量就行。
5、屋面结构布置、檩条布置等主要计算门架梁等的重量6、外封图这个主要计算外封面积。
采购时按面积采购。
7、节点图这个算是最难算的了如果是想要精确差不多相当于拆了一次钢结构的图。
主要算连接板、筋板等的重量。
8、这些重量出来后记得要乘以损耗系数基本就是预算了。
算了几年了一点经验,希望能帮到你,注意有些型材在图中可能重复出现了,要扣除,材料表没有有时只是设计人员忘了,需要你去核实是否需计算在内。
钢结构图纸符号代表含义及识图常识GJ钢架GL钢架梁或GJL钢架梁GZ钢架柱或GJZ钢架柱XG系杆SC水平支撑YC隅撑ZC柱间支撑LT檩条TL托梁QL墙梁GLT刚性檩条WLT屋脊檩条GXG刚性系杆YXB压型金属板SQZ山墙柱XT斜拉条MZ门边柱ML门上梁T 拉条CG撑杆HJ 桁架FHB复合板YG:压杆或是圆管(从材料表中分别)XG:系杆LG拉管QLG:墙拉管QCG:墙撑管GZL直拉条GXL斜拉条GJ30-1跨度为30m的门式刚架,编号为 1 号1 。
算量最基本的就是看图纸,土建的人都烦钢构图纸的太乱,其实我也有这种看法,因为平法并没有用在其上面,图样还保留了一前土建制图的原则,所以做为老人看比较习惯(101 图集出之前的人),后来像我这样人看钢结构图纸真的看不习惯,不过没有办法,还是要习惯的,我们知道麻烦,但任何事情都有规律的,钢结构的详图结点相当的多,但这些变化真的在算的时候影响相当的小,重要是大的方向把握好,钢结构的结点图也是相当科学的,都和科学受力相对应。
有许多是重复或对称等。
认真的看都会看出来。
对于图纸的特点,我会在下面讲春夏秋冬走健康之路看四季养生网健康饮食养生问题母婴保健养生小常识2。
学看钢结构图纸的最快方法钢结构图纸是一种用于指导钢结构施工和设计的图纸,它包含了关于钢结构施工的方式和细节。
由于这些信息对施工质量有着重要的影响,因此钢结构图纸一定要被正确地解读和使用。
但是,也有很多人不知道如何阅读和理解这些图纸,为此,我们将介绍学习如何阅读钢结构图纸的最快方法。
首先,要学习如何阅读钢结构图纸,必须了解其所使用的符号及其含义。
每一种不同的符号都有自己的含义,这些符号可能会描述施工材料、施工方法、尺寸或重量等信息。
因此,当阅读钢结构图纸时,首先要学习和理解这些符号,以便正确地解读图纸。
其次,要学习如何使用模型钢结构图纸。
模型图纸是一种小型钢结构图纸,它几乎省略了一切细节,只提供基本信息,但它仍然是一张完整的钢结构图纸,它能够提供有关某些元素的信息,例如,梁的样式、螺栓的类型和数量等。
了解模型图纸的规则和特点,可以在解读图纸时加快速度。
第三,在阅读钢结构图纸时,要注意各种标记、标志和说明,这些标记和标志可以提供关于施工材料、施工方法、尺寸和重量等重要信息。
因此,阅读图纸时,应该充分利用这些标记和标志,以便更好地理解图纸。
最后,要学习如何结合实际施工现场来解读钢结构图纸。
虽然钢结构图纸能够提供有关施工的重要信息,但是施工现场的实际情况并不总是符合图纸上的要求,因此,要结合实际情况来解读图纸,以便了解图纸可能存在的偏差,并纠正其中的错误。
总之,学习如何阅读钢结构图纸可以有效地提高施工质量,增加施工效率。
本文从了解钢结构图纸符号、使用模型图纸、注意标志和标记,以及结合实际情况进行解读等四方面,分析了学习阅读钢结构图纸的最快方法。
只有学会了解及正确使用钢结构图纸,才能保证施工的安全、准确和高效。
完整版)钢结构识图图集图标讲解XXX钢结构识图培训讲义技术部XXX 2009年5月24日第一章:识图基础一、投影及三视图三视图包括正视图(上左)、侧视图(上右)和俯视图(下)。
在使用时不一定要完整出现,可能只有其中两个。
如果有剖视符号,按照符号所示方向看物体。
如果没有剖视符号,则一般遵循以下惯:侧视图在正视图的右侧时,表示是站在正视图中物体的右侧向左看;侧视图在正视图的左侧时,表示是站在正视图中物体的左侧向右看;俯视图表示从上向下看到的正视图中的物体。
正确的看图方向至关重要,决定了装配方向的正确与否。
由于详图绘制人员的个体差异,选择表达方式上会有所差异,需要在图面上相互印证,如有不一致处及时和制图人员沟通确认。
二、剖面符号和断面符号1.断面符号表示从符号处剖开看到的断面,不表示断面后方的其他东西。
2.剖面符号表示从符号处剖开看到的断面及断面后方的其他东西。
3.在钢构详图中,断面符号和剖面符号使用上有些随意,是因为功能上比较接近,着重表达的是看物体的方向。
看物的方向是从粗线朝文字的方向看。
粗线表示人的眼睛,文字表示看的朝向。
三、索引符号及节点符号1.不带剖视方向的索引:左边为索引,右边为对应的节点,表示将圈画中的部分放大绘制细节。
字母a表示参看中的节点,底下的“—”表示“在本图中”。
如果节点详图不在本图中,就写对应的图纸编号,比如“详图-09”或“09”等。
有时也直接索引出来后直接放大,不用到节点符号。
2.带剖视符号的索引:与剖(断)面符号类似,看物的方向是从粗线朝细线的方向看。
粗线表示人的眼睛,细线表示看的朝向。
四、对称符号五、焊缝符号1.焊缝基本符号(常用):表示焊缝横截面形状的符号。
序号名称示意图符号1 卷边焊缝2 I形焊缝3 V形焊缝4 单边V形焊缝5 带钝边V形焊缝6 带钝边单边V形焊缝7 6角焊缝8 塞焊缝或槽焊缝2.辅助符号:表示焊缝表面形状特征的符号。
序号名称示意图符号说明1 平面符号焊缝表面XXX(一般通过加工)2 凹面符号焊缝表面凹陷3 凸面符号焊缝表面凸起不需要确切说明焊缝表面形状时,可以不用辅助符号。
三分钟内看懂钢结构图纸的技巧一.钢结构图1.钢结构由型钢连接而成的结构物,例如:钢梁、钢屋架、钢塔架、钢脚手架等。
2. 钢结构图用来表示钢结构的图样。
3. 型钢型钢是由钢厂按照标准规格轧制而成的钢材,其断面形状如尺寸是定型的,例如:角钢、工字钢、槽钢等。
(1)型钢的代号及标注二. 钢结构中型钢的连接方法1. 焊接2. 铆接3. 螺栓连接一、焊接将被连接的型钢在连接部位加热使其和焊条熔化,凝结后成为不可分割的整体。
1、焊缝类型及其符号1. 坡口焊缝2. 贴角焊缝3. 塞焊缝焊缝的图形符号和辅助符号2、焊缝的标注在钢结构图中,必须把焊缝的位置、形式、尺寸和辅助要求标准清楚。
焊缝的标注方法焊缝不连续时的画法及标注当焊缝分布不连续时,可见焊缝宜在焊缝处加中实线,不可见焊缝加细栅线二、铆接用铆钉将两块或两块以上的钢板连接在一起铆接分类1. 工厂连接2. 现场连接铆钉类型三、螺栓连接1. 焊接和铆接都是不可拆卸的连接,螺栓连接是可拆卸的连接2. 连接方法螺栓、孔、电焊铆钉图例三. 钢梁结构图概述钢梁常用于大、中跨度桥梁中钢梁的种类1. 钢板梁2. 钢桁梁下承式简支栓焊梁四. 钢梁结构图的内容1. 设计轮廓图2. 节点图3. 杆件图4. 零件图1.设计轮廓图2.节点图3.节点构造图拼接板、填板的拼装立体图节点板详图杆件图4.零件图五.钢屋架结构图概述1. 钢屋架2. 钢屋架结构图屋架简图、屋架详图(包括节点图)、杆件详图、连接板详图。
屋架简图1. 屋架简图又称屋架示意图、屋架杆件几何尺寸简图。
2. 比例:1:100、1:2003. 单线条表示,杆件长度直接注在单线条旁边。
屋架详图1. 图样:立面图,上弦实形辅助投影,剖面断面图。
2. 比例:两种比例:杆件轴线采用较小比例(1:20,1:15)节点板、杆件、断面采用较大比例(1:10,1:5)3. 图线:可见轮廓线——中实线不可见轮廓线——中虚线杆件拼接支座节点图屋脊节点图。
如何看钢结构图纸钢结构图纸是指用于构建钢结构的建筑图纸。
在施工和设计过程中,正确理解和解释钢结构图纸是非常重要的。
下面将详细介绍如何看钢结构图纸。
1.理解图纸符号和标记钢结构图纸上使用了许多特定的符号和标记,例如箭头、实线、虚线等。
在开始查看钢结构图纸之前,我们需要了解这些符号和标记的含义,以便正确理解图纸的内容。
通常,可以在图纸的图例或标题中找到这些符号和标记的说明。
2.确定图纸的比例尺钢结构图纸通常使用比例尺来表示图纸和实际尺寸之间的比例关系,例如1:50或1:100。
为了准确理解图纸上的尺寸和比例关系,我们需要先确定图纸的比例尺,并在查看图纸时按照相应的比例进行测量和计算。
3.理解构件的命名和编号钢结构图纸中的构件通常会被命名和编号,以便在施工和布置过程中进行识别和标记。
例如,钢梁可以被标记为"BL",而柱子可以被标记为"C"。
通过理解这些命名和编号,我们可以快速准确地查找和定位构件。
4.分析构件的形状和尺寸钢结构图纸上会详细标注每个构件的形状和尺寸。
通过仔细分析这些标注,我们可以了解构件的长度、宽度、厚度等尺寸信息。
这将有助于我们了解构件的几何属性以及它们在实际结构中的布置方式。
5.查看构件之间的连接和细节钢结构图纸上通常会显示构件之间的连接和细节。
这些细节可以包括连接方式、焊缝、螺栓等。
通过仔细查看和理解图纸上的这些细节,我们可以确保在施工和布置过程中正确连接和安装构件。
6.参考其他图纸和文件钢结构图纸通常并不是独立存在的,它们可能需要参考其他图纸和文件。
例如,地基图纸、基础图纸等可以与钢结构图纸相互参考。
在查看钢结构图纸时,我们需要综合参考其他相关文件和图纸,以便理解整个结构系统的设计和布局。
7.辅助软件和技术的应用在现代建筑设计和施工中,辅助软件和技术已经广泛应用于钢结构的设计和分析过程中。
使用这些软件和技术可以帮助我们更准确地理解和分析钢结构图纸。
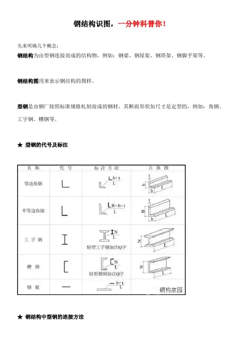
钢结构识图,一分钟科普你!先来明确几个概念:钢结构为由型钢连接而成的结构物,例如:钢梁、钢屋架、钢塔架、钢脚手架等。
钢结构图用来表示钢结构的图样。
型钢是由钢厂按照标准规格轧制而成的钢材,其断面形状如尺寸是定型的,例如:角钢、工字钢、槽钢等。
★ 型钢的代号及标注★ 钢结构中型钢的连接方法1、焊接2、铆接3、螺栓连接焊接将被连接的型钢在连接部位加热使其和焊条熔化,凝结后成为不可分割的整体。
1、焊缝类型及其符号(1)坡口焊缝(2)贴角焊缝(3)塞焊缝焊缝的图形符号和辅助符号2、焊缝的标注在钢结构图中,必须把焊缝的位置、形式、尺寸和辅助要求标准清楚。
焊缝的标注方法焊接标注示例焊缝不连续时的画法及标注当焊缝分布不连续时,可见焊缝宜在焊缝处加中实线,不可见焊缝加细栅线铆接用铆钉将两块或两块以上的钢板连接在一起铆接分类1、工厂连接2、现场连接铆钉类型螺栓连接1、焊接和铆接都是不可拆卸的连接,螺栓连接是可拆卸的连接2、连接方法螺栓、孔、电焊铆钉图例钢梁结构图钢梁常用于大、中跨度桥梁中钢梁的种类1、钢板梁2、钢桁梁★ 下承式简支栓焊梁★ 钢梁结构图的内容1、设计轮廓图2、节点图3、杆件图4、零件图★ 设计轮廓图★ 节点图★ 节点构造图★ 拼接板、填板的拼装★ 立体图★ 节点板详图★ 杆件图★ 零件图钢屋架结构图★ 概述1、钢屋架2、钢屋架结构图屋架简图、屋架详图(包括节点图)、杆件详图、连接板详图。
★ 屋架简图1、屋架简图又称屋架示意图、屋架杆件几何尺寸简图。
2、比例:1:100、1:2003、单线条表示,杆件长度直接注在单线条旁边。
★ 屋架详图1、图样:立面图,上弦实形辅助投影,剖面断面图。
2、比例:两种比例:(1)杆件轴线采用较小比例(1:20,1:15)(2)节点板、杆件、断面采用较**例(1:10,1:5)3、图线:(1)可见轮廓线——中实线(2)不可见轮廓线——中虚线★ 杆件拼接★ 支座节点图★ 屋脊节点图。
如何看钢结构图纸,反正我收藏了!一、总平面图(一)作用:用于建筑物的定位、定标高,施工放线,土方工程和施工现场布置。
(二)内容:1、新建房屋的平面形状、尺寸,标高,层数、出入口。
2、用地范围,新建房屋和原有房屋、构筑物的间距。
3、新建房屋室内外地坪标高、道路的标高,土方填挖与地面坡度,雨水排除方向等。
4、用指北针表示房屋的朝向。
5、有时还有水、暖、电的管线布置,道路庭园绿化的布置。
二、建筑专业图(一)平面图1、作用:用于施工放线,主体结构施工,门窗安装、室内装饰及编制工程预算。
2、基本内容(1)建筑物的朝向,平面形状和房间布局;(2)建筑物的平面尺寸和轴线间距:柱距、跨度。
(3)建筑物的结构形式为框架结构;(4)主要建筑材料:钢筋混凝土柱,粘土空心砖墙。
(5)门窗的编号、尺寸见门窗表;(6)变形缝的位置、作用;(7)散水、台阶的尺寸。
(二)立面图1、作用:主要用于立面装饰。
2、基本内容(1)建筑物的外形、高度、门窗、雨罩、台阶等的位置和形式。
(2)建筑物的总高、层高、窗台高、窗高等尺寸。
(3)室外地坪、室内陆面及门窗的标高。
(4)外墙面的装饰做法、勒脚的高度和做法。
(5)变形缝的位置和做法。
(6)雨水管的位置。
(三)屋顶平面图1、作用:表明屋面排水情况和突出屋面构造的位置。
2、基本内容(1)屋顶的形状和尺寸,屋檐的挑出尺寸、女儿墙的位置和厚度。
突出屋面的楼梯间、水箱间、烟囱、通风道等;(2)屋面排水情况,排水分区、排水方向、屋面坡度和雨水管等;(3)屋顶、屋面有关详图的索引。
(四)外墙详图1、作用:外墙详图是某处外墙的大样图,它表示了从室外地面到屋顶各部位的详细做法。
外墙详图可以作为砌墙、室内外装修、门窗安装和编制施工预算的依据。
2、内容:(1)墙与轴线的关系;墙的厚度,墙与轴线的关系;(2)室内外地面处的节点:地面做法、散水、勒脚、墙身防潮层、踢脚和室内外窗台的做法等;(3)门窗的节点:窗台做法、门窗过梁等;(4)屋顶檐口处的节点:屋顶板、梁与墙的连接,屋面做法、顶棚做法、挑檐或女儿墙的做法等。
如何快速看懂钢结构施工图要点展开全文一、选材变通方法1. 在实际应用中,当所供应的钢材不能完全满足设计要求时,可按下述变通方法处理。
2. 钢材的化学成分容许按表4—3与表4—4规定的标准有一定的偏差。
3. 钢材机械性能所需的保证项目仅有一项不合格者,可按以下原则处理:(1)抗拉强度比表4-2规定的下限值低5%以内时容许使用,当冷弯合格时,抗拉强度上限值可以不限。
(2)伸长率比表4-1规定的数值低3%以内时容许使用,但不宜用于考虑塑性变形发展的构件。
(3)屈服点比表4-1规定的数值低5%以内时,可按比例折减容许应力。
(4)冷弯折角为150°<α<180°时,容许使用于铆接或螺栓连接以及焊接结构的次要构件。
(5)冲击韧性不容许降低。
钢材的力学性能注: 1 质量等级为A级不要求V型冲击试验。
2 δ5括号内数值适用于C~E级。
4.对无牌号或无证明书的钢材一般可按下列情况处理:(1)按现行标准经试验证明其化学成分和机械性能符合GB/T700—1988中所列牌号的要求,但未查明其冶炼方法时,可按相应的空气转炉沸腾钢使用。
(2)如有充分根据证明其为平炉或氧气转炉钢,但未查明其为镇静钢时,可按相应的沸腾钢使用。
(3)按现行标准经试验证明其化学成分和机械性能符合GB/T1591—1994中所列之Q345钢、Q390钢和Q420钢的要求时,可用于一般承重构件。
(4)对于成批混合的钢材,用于主要承重结构时,必须逐根按现行标准对其化学成分和机械性能分别进行试验;检验不合格要求时,可根据实际情况用于非承重结构构件。
钢材的化学成分 %标准代号钢材牌号化学成分CS P Si≤Mn≤GB/T700—1988 Q235A级0.14~0.22 0.0500.0450.300.30~0.65 注1B级0.12~0.20 0.045 0.30~0.70 注1C级≤0.180.040 0.0400.35~0.80D级≤0.170.035 0.035GB/T1591—1994 Q345A级0.20(0.18)0.0450.55 1.00~1.60B级0.040C级0.035D级0.030E级0.025GB/T 1591—1994 Q390A级0.200.0450.551.00~1.60B级0.040C级0.035D级0.030E级0.025Q420 A级0.045 1.00~1.70B级0.040C级0.035D级0.030注 1 Q235A、B级沸腾钢锰含量上限为0.60%。
如何看钢结构图纸有的钢结构行业同仁对彩钢板了解的多一点,但是当一张张钢结构图纸摆在我们面前的时候,可能会有点不知所措。
这篇图文详细介绍了钢结构图纸表现的内容,希望可以给大家一点帮助和启发。
任务一钢结构的基本知识A钢转构的概合心>钢结构的基本知识钢屋架施工图的组成及识读A钢屋架施工图的组成A钢屋架施工图的识读lx 钢结构的基本知识2.钢屋架施工图的组成及识读重点难点一、什么叫钢结构?钢结构主要指由钢板,热轧型钢、薄壁型钢、钢管等构件组合而成的结构.1、钢结构的各种表示符号2.钢屋架施工图中各杆件连接构造的识、型钢的种类及表示方法二、型钢的种类及表示方法三,焊缝的种类及表示方法焊缝连接是现代钢结构中最主要的连接方式三,焊缝的种类及表示方法名称符号示意图标注示榔说明三南作籍符号衰示三面能焊的离焊缝现均符号芸示现场沿工阵周围旄埠的角焊楂每条角焊缝的尺寸都包括焊脚尺寸和焊缝长度两个部分.腹背焊缝长度钢屋架施工图是进行钢屋架施工的依据屋架几何尺寸及内力图读图原则:先整体后局部立面、平面、侧面对照看构件序号和檄料表对照看屋架上弦、下弦平面图屋架立面.侧面图屋架材料表屋架零件详图侧面材料屋第几何工 寸及内力图屋架立面图 上弦HIJ । ? HM«« । Bp 干Q ;X ,1 4 口瓦.■*此.工事***时餐*.*3.曰.彳聘'F 许♦:_田・・■・口・仃打)・^LM ・T j=_一:!■■:£L*・T L …上 _一强晨肃j a to * n屋面板I副)节点杆件由两个角钢组成, 分别依靠两条侧螂缝连接在节点板上J腰杆'•--------------------------- I \r 图左边的数字为该钢屋架______________ \v_黏[的杆件长度J 1图右边的数字为该钢屋架k 各杆件的内力,正值代表, 技力、负值代表压力畿——匕- 1二_ _屋架的几何尺寸及内力图厂、'屋架正面图和'侧面图中用各种符号将各杆件的编号,肢尖,肢再焊缝再度和长度表出来)((就20—结果.jpg (48.04 KB,下载次数:2)下载附件保存到相册2015-11-30 10:30 上传 材料表中将各杆件的型 号”长度、数量、自重 等各种信息列出,供施 工人员查阅. 钢屋架施工说明中将材料型号、要求、连接材料等各种图中无法直接表达清楚的信息说明清楚。
1、基础布置图这个算基础预埋板和筋板重量;2、平台布置图这个是主要的重量所在,比较好看懂,也比较好核算;3、轴面结构布置图这个主要计算柱子和斜撑横拉等;4、轴面檩条布置图这个主要算檩条长度,包括窗檩等;拉条一般也在这种图里,通常为圆钢算长度乘以理论重量就行;5、屋面结构布置、檩条布置等主要计算门架梁等的重量6、外封图这个主要计算外封面积;采购时按面积采购;7、节点图这个算是最难算的了如果是想要精确差不多相当于拆了一次钢结构的图;主要算连接板、筋板等的重量;8、这些重量出来后记得要乘以损耗系数基本就是预算了;算了几年了一点经验,希望能帮到你,注意有些型材在图中可能重复出现了,要扣除,材料表没有有时只是设计人员忘了,需要你去核实是否需计算在内;钢结构图纸符号代表含义及识图常识 GJ钢架 GL钢架梁或GJL钢架梁GZ钢架柱或GJZ钢架柱XG系杆 SC水平支撑YC隅撑 ZC柱间支撑LT檩条TL托梁QL墙梁 GLT 刚性檩条WLT屋脊檩条GXG刚性系杆YXB压型金属板SQZ山墙柱XT斜拉条MZ门边柱ML门上梁T拉条CG撑杆HJ桁架FHB复合板 YG:压杆或是圆管从材料表中分别XG:系杆LG:拉管QLG:墙拉管QCG:墙撑管GZL直拉条GXL斜拉条 GJ30-1跨度为30m的门式刚架,编号为1号 1;算量最基本的就是看图纸,土建的人都烦钢构图纸的太乱,其实我也有这种看法,因为平法并没有用在其上面,图样还保留了一前土建制图的原则,所以做为老人看比较习惯101图集出之前的人,后来像我这样人看钢结构图纸真的看不习惯,不过没有办法,还是要习惯的,我们知道麻烦,但任何事情都有规律的,钢结构的详图结点相当的多,但这些变化真的在算的时候影响相当的小,重要是大的方向把握好,钢结构的结点图也是相当科学的,都和科学受力相对应;有许多是重复或对称等;认真的看都会看出来;对于图纸的特点,我会在下面讲春夏秋冬走健康之路看四季养生网健康饮食养生问题母婴保健养生小常识 2;算重量,因为钢结构的算量基本上全是按吨计板按M2;钢材+钢材就是钢结构;而钢材多指型钢,对于型钢的分类算量的方法,我也会一一列出;并做出讲解; 3;统计汇总,哈哈,此类应该是不难的,以清单为基本,分类汇总而以了;识图问路 1;我对钢结构的认识,应该比大家深一些,因为我毕业的时候就进了一家钢结构公司,工作不到两个月,经常的工作就是画一个图纸的钢构件,把这个钢构件看明白了,画出来,他们叫钢结构深化设计细化方案做加工所用,说白了,一张钢板怎么加工这样的东东的;我讲的图识别,其它就是03G102上面的东东,大家有机会可以去下载看一下;闲言碎语不多讲,说说吧,钢结构图应该怎么看不头痛; 把握好看图不难的原则,其实很简单,比建筑的施工简单多了,因为他每个部分都有详图,哪里不明白了,就看此图有没有什么详图符号,有就找,其实我看明白的地方不是详图的地方,拿出来与原图一对就明白了,是什么柱,是什么梁就明白了许多; 一.钢结构 1钢结构设计制图分为钢结构设计图和钢结构施工详图两阶段; 2钢结构设计图应由具有设计资质的设计单位完成,设计图的内容和深度应满足编制钢结构施工详图的要求;钢结构施工详图即加工制作图一般应由具有钢结构专项设计资质的加工制作单位完成,也可由具有该项资质的其他单位完成; 注:若设计合同未指明要求设计钢结构施工详图,则钢结构设计内容仅为钢结构设计图; 3钢结构设计图 1设计说明:设计依据、荷载资料、项目类别、工程概况、所用钢材牌号和质量等级必要时提出物理、力学性能和化学成份要求及连接件的型号、规格、焊缝质量等级、防腐及防火措施; 2基础平面及详图应表达钢柱与下部混凝土构件的连结构造详图; 3结构平面包括各层楼面、屋面布置图应注明定位关系、标高、构件可布置单线绘制的位置及编号、节点详图索引号等;必要时应绘制檩条、墙梁布置图和关键剖面图;空间网架应绘制上、下弦杆和关键剖面图; 4构件与节点详图 a简单的钢梁、柱可用统一详图和列表法表示,注明构年钢材牌号、尺寸、规格、加劲肋做法,连接节点详图,施工、安装要求; b格构式梁、柱、支撑应绘出平、剖面必要时加立面、与定位尺寸、总尺寸、分尺寸、分尺寸、注明单构件型号、规格,组装节点和其他构件连接详图; 4钢结构施工详图根据钢结构设计图编制组成结构构件的每个零件的放大图,标准细部尺寸、材质要求、加工精度、工艺流程要求、焊缝质量等级等,宜对零件进行编号;并考虑运输和安装能力确定构件的分段和拼装节点; 常用用术语钢结构:是由钢板、型钢、冷弯薄壁型钢等通过焊接或螺栓连接所组成的结构; 钢结构的特点:轻质高强;塑性、韧性好;各向同性,性能稳定;可焊性;不易渗漏;耐热但不耐火;耐腐蚀性差;制造简便,施工周期短; 塑性:承受静力荷载时,材料吸收变形能的能力;塑性好,会使结构一般情况下不会由于偶然超载而突然断裂,给人以安全保障; 结构设计的目的:是保证所设计的结构和结构构件在施工和工作过程中能满足各种预定功能要求并具有适当的可靠性; 注明钢构件,我在算量的时候再讲什么是支承呀,什么是斜承呀什么的,哈哈钢结构通常有框架、平面桁架、网架壳、索膜、轻钢、塔桅等结构形式;其理论与技术大都成熟;亦有部分难题没有解决,或没有简单实用的设计方法,比如网壳的稳定等; 结构选型时,应考虑不同结构形式的特点;在工业厂房中,当有较大悬挂荷载或大范围移动荷载,就可考虑放弃门式刚架而采用网架;基本雪压大的地区,屋面曲线应有利于积雪滑落切线50度外不需考虑雪载,如亚东水泥厂石灰石仓棚采用三心圆网壳,总雪载和坡屋面相比释放近一半;降雨量大的地区相似考虑;建筑允许时,在框架中布置支撑会比简单的节点刚接的框架有更好的经济性;而屋面覆盖跨度较大的建筑中,可选择构件受拉为主的悬索或索膜结构体系;高层钢结构设计中,常采用钢混凝土组合结构,在地震烈度高或很不规则的高层中,不应单纯为了经济去选择不利抗震的核心筒加外框的形式;宜选择周边巨型SRC柱,核心为支撑框架的结构体系;我国半数以上的此类高层为前者,对抗震不利; 结构的布置要根据体系特征,荷载分布情况及性质等综合考虑.一般的说要刚度均匀.力学模型清晰.尽可能限制大荷载或移动荷载的影响范围,使其以最直接的线路传递到基础.柱间抗侧支撑的分布应均匀.其形心要尽量靠近侧向力风、震的作用线.否则应考虑结构的扭转.结构的抗侧应有多道防线.比如有支撑框架结构,柱子至少应能单独承受1/4的总水平力. 框架结构的楼层平面次梁的布置,有时可以调整其荷载传递方向以满足不同的要求;通常为了减小截面沿短向布置次梁,但是这会使主梁截面加大,减少了楼层净高,顶层边柱也有时会吃不消,此时把次梁支撑在较短的主梁上可以牺牲次梁保住主梁和柱子. 构件设计首先是材料的选择. 比较常用的是Q235和Q345.当强度起控制作用时,可选择Q345;稳定控制时,宜使用Q235.通常主结构使用单一钢种以便于工程管理.经济考虑,也可以选择不同强度钢材的焊接组合截面翼缘Q345,腹板Q235.另外,焊接结构宜选择Q235B或Q345B; 节点设计 1.焊接:对焊接焊缝的尺寸及形式等,规范有强制规定,应严格遵守.焊条的选用应和被连接金属材质适应.E43对应Q235,E50对应与Q345连接时,应该选择低强度的E43,而不是E50. 焊接设计中不得任意加大焊缝.焊缝的重心应尽量与被连接构件重心接近.其他详细内容可查规范关于焊缝构造方面的规定. 2.栓接: 铆接形式,在建筑工程中,现已很少采用.普通螺栓抗剪性能差,可在次要结构部位使用. 高强螺栓,使用日益广泛.常用和两个强度等级.根据受力特点分承压型和摩擦型.两者计算方法不同.高强螺栓最小规格M12.常用M16~M30.超大规格的螺栓性能不稳定,应慎重使用; 自攻螺丝用于板材与薄壁型钢间的次要连接.在低层墙板式住宅中也常用于主结构的连接.难以解决的是自攻过程中防腐层的破坏问题; 3.连接板:需验算栓孔削弱处的净截面抗剪等.连接板厚度可简单取为梁腹板厚度加4mm,则除短梁或有较大集中荷载的梁外,常不需验算抗剪;这个东东,其实就是两个对焊件上边加的哪个钢板一般是 4.梁腹板:应验算栓孔处腹板的净截面抗剪.承压型高强螺栓连接还需验算孔壁局部承压. 5.节点设计必须考虑安装螺栓、现场焊接等的施工空间及构件吊装顺序等;构件运到现场无法安装是初学者长犯的错误;此外,还应尽可能使工人能方便的进行现场定位与临时固定; 6.节点设计还应考虑制造厂的工艺水平.比如钢管连接节点的相贯线的切口可能需要数控机床等设备才能完成. 八图纸编制钢结构设计出图分设计图和施工详图两阶段,设计图由设计单位提供,施工详图通常由钢结构制造公司根据设计图编制,有时也会由设计单位代为编制;由于近年钢结构项目增多和设计院钢结构工程师缺乏的矛盾,有设计能力的钢结构公司参与设计图编制的情况也很普遍; 1.设计图:是提供制造厂编制施工详图的依据.深度及内容应完整但不冗余.在设计图中,对于设计依据、荷载资料包括地震作用、技术数据、材料选用及材质要求、设计要求包括制造和安装、焊缝质量检验的等级、涂装及运输等、结构布置、构件截面选用以及结构的主要节点构造等均应表示清楚,以利于施工详图的顺利编制,并能正确体现设计的意图;主要材料应列表表示; 2.施工详图:又称加工图或放样图等.深度须能满足车间直接制造加工.不完全相同的另构件单元须单独绘制表达,并应附有详尽的材料表. 梁柱铰接.梁柱刚接铰接柱脚.梁梁续接焊接符号注:1焊缝尺寸符号:a---坡口角度;b---根部间隙;p---钝边;H---坡口深度;K---焊角高度;l---焊缝长度; 2焊缝横断面上的尺寸如p、H、K等标注在图形符号的上侧或下侧;在图形符号右侧如无任何标注,且又无任何说明时,表示焊缝是连续的; 3当箭头指向在焊缝所在的一侧时,应将图形符号和尺寸标注在横线的上方,反之,应标注在横线的下方; 当焊缝分布不规则时,在标注焊缝代号的同时,宜在焊缝处加粗线表示可见焊缝或线表示不可见焊缝,如下图所示; 焊缝符号表示方法这里有个国标,大家下载下去温习一下,哈哈,不多讲了,没有意思,你看完后,就应该明白了,上面的接点什么意思,GB324-1988+焊缝符号表示方法见附件螺栓、孔、电焊铆钉图例2.钢构件的重量计算及解释钢结构的安装工艺不一样的,大家多看看方案就会了,对我们的报价是有影响,但对我的算量影响不大,除非他的方案要拆除,哈钢结构的重量计算主要围绕着铁的密度通常为就行了,注明一下钢与铁的质量通常按一样的. 铁的密度是cm3---有的时候用哪么钢构件的重量其实就是一个体积与密度的,事,重量都以T表示,就是算方量的体积m3这就是重量重量,现实中说重量以吨为基本的,力学上用牛在图纸上表示的时候,大部分的符号用汉语拼音的第一个字母表示这个构件件看下面这个表格,是清单的项目,后面是并入的项目,对于其算量级意义,我们再在就讲讲哈所包含计算构件指,在算出来后,与共并入清单报价.项目编码项目名称单位所包含计算构件螺栓t螺栓与螺母、垫片重量合计钢屋架t樘钢架结构指的是整个钢架柱、梁组合、排架结构指钢屋架、钢屋架相接型钢类配件钢网架t樘钢丝网片及配件钢托架t托架及配件钢桁架t桁架各杆件及相接型钢配件实腹柱t单柱及相接型钢类配件空腹柱t同上钢管柱t同上钢梁t同上钢吊车梁t吊车梁、连接板及相接型钢类配件压型钢板楼板m2屋面板压型钢板墙板m2图示面积,不包括包边钢支撑t支撑ZC、斜撑SC、隅撑钢檩条t檩条LT、墙檩条QL、拉条钢天窗架t天窗架及型钢类配件钢挡风架t挡风架及型钢类配件钢墙架钢平台钢走道t钢走道板、栏杆扶手、支架及其它型钢类配件钢梯t踏步板、底梁、平台板、护笼等其它型钢类配件钢栏杆t栏杆及型钢类构件。
钢结构图纸识图技巧
一、钢结构施工图基本内容
1、总体可分建筑施工图,结构施工图,设备施工图。
2、一套完整的图纸一般由:图纸目录,设施施工总说明,建筑施工图,结构施工图,设备施工图等组成。
二、钢结构施工图识图步骤
1、图纸目录
2、设计总说明
3、建筑总平面图,立面图,剖面图等
4、结构平面布置图,立面图,剖面图,节点详图等
三、看图方法与技巧
1、从左至右
2、从上至下
3、从大体至局部
4、建筑与结构相结合
四、图纸中的符号
1、标高符号:表示建筑物的地面或某一部位的高度。
在钢结构施工图中标高以m为单位。
2、剖面符号:表示从符号处剖开所能看到的截面形状。
3、索引符号:图样中某一局部需另见详图时,以索引符号引出。
索引符号用圆圈与数字表示。
4、引出线:多用于需分层次表达的图例。
五、投影(剖面)
六、三维模型
七、构件截面—H 型钢
八、构件截面—C/Z型钢。
钢结构图纸符号代表含义及识图常识钢结构图纸在建筑设计和施工中起着关键的作用,它通过符号和标记的方式传达了丰富的信息,帮助工程师、施工人员以及其他相关人员理解和识别结构要素、构件以及其它重要细节。
本文将介绍钢结构图纸中常见的符号代表的含义,以及一些识图常识。
粗线代表轮廓在钢结构图纸中,粗线通常被用来勾勒出结构的轮廓。
根据标准规定,粗线常用于表示主要框架、柱子、梁和其他重要构件的位置。
它们帮助人们在一张图纸上快速识别建筑物的外形和主要结构组成。
箭头指示方向箭头在钢结构图纸中常被用来表示方向。
例如,箭头可以用于指示施工过程中的上下平移方向、装配方向以及其他重要操作顺序。
此外,在图纸中也会使用箭头标记出钢构件的顶部或底部,以帮助人们正确安装。
标记符号表明特定要求标记符号在图纸中用于表明特定要求或注意事项。
常见的标记符号包括等高线图、心形图、斜线图等。
这些标记符号的含义可通过钢结构图纸的符号说明表或图例来解读,确保工程师和施工人员能够正确理解和遵守设计要求。
标尺和尺寸标注图纸中的标尺和尺寸标注是非常重要的元素,它们提供了对结构和构件尺寸的准确描述。
标尺通常位于图纸的边缘,并用来测量和比较长度。
尺寸标注则用具体的数值来表示结构和构件的尺寸,如长度、宽度、高度等。
这些标注有助于施工人员根据设计要求来制作和安装钢结构。
施工符号指导施工工艺施工符号在钢结构图纸中被广泛使用,用于指导施工工艺和步骤。
例如,施工符号可以表示焊接、螺栓连接、切割、锤击等操作。
这些符号为施工提供了具体指导,确保工程师和施工人员按照正确的工艺进行操作和组装。
材料标识和编号为了便于管理和追踪材料,在钢结构图纸中常会使用标识和编号。
材料标识通常是字母和数字的组合,用于标记和分类不同种类的钢材。
在图纸中使用材料标识可以帮助人们准确识别和选择所需的构件。
此外,材料编号也用于标记图纸上的构件,方便查找和对应。
总结钢结构图纸符号代表的含义包括轮廓、方向、要求、尺寸、工艺以及材料标识和编号等。
1、基础布置图这个算基础预埋板和筋板重量。
2、平台布置图这个是主要的重量所在,比较好看懂,也比较好核算。
3、轴面结构布置图这个主要计算柱子和斜撑横拉等。
4、轴面檩条布置图这个主要算檩条长度,包括窗檩等;拉条一般也在这种图里,通常为圆钢算长度乘以理论重量就行。
5、屋面结构布置、檩条布置等主要计算门架梁等的重量6、外封图这个主要计算外封面积。
采购时按面积采购。
7、节点图这个算是最难算的了如果是想要精确差不多相当于拆了一次钢结构的图。
主要算连接板、筋板等的重量。
8、这些重量出来后记得要乘以损耗系数基本就是预算了。
算了几年了一点经验,希望能帮到你,注意有些型材在图中可能重复出现了,要扣除,材料表没有有时只是设计人员忘了,需要你去核实是否需计算在内。
钢结构图纸符号代表含义及识图常识GJ钢架GL钢架梁或GJL钢架梁 GZ钢架柱或GJZ 钢架柱 XG系杆SC水平支撑 YC隅撑ZC柱间支撑 LT檩条 TL托梁 QL墙梁GLT刚性檩条 WLT屋脊檩条 GXG刚性系杆 YXB压型金属板 SQZ山墙柱 XT斜拉条 MZ门边柱 ML门上梁 T 拉条 CG撑杆 HJ桁架 FHB复合板YG:压杆或是圆管(从材料表中分别) XG:系杆 LG:拉管 QLG:墙拉管 QCG:墙撑管 GZL直拉条 GXL斜拉条GJ30-1跨度为30m的门式刚架,编号为1号1。
算量最基本的就是看图纸,土建的人都烦钢构图纸的太乱,其实我也有这种看法,因为平法并没有用在其上面,图样还保留了一前土建制图的原则,所以做为老人看比较习惯(101图集出之前的人),后来像我这样人看钢结构图纸真的看不习惯,不过没有办法,还是要习惯的,我们知道麻烦,但任何事情都有规律的,钢结构的详图结点相当的多,但这些变化真的在算的时候影响相当的小,重要是大的方向把握好,钢结构的结点图也是相当科学的,都和科学受力相对应。
有许多是重复或对称等。
认真的看都会看出来。
对于图纸的特点,我会在下面讲春夏秋冬走健康之路看四季养生网健康饮食养生问题母婴保健养生小常识2。
钢结构识图是怎么看?发一套钢结构识图的学习资料,一起学习下吧。
钢结构施工图识读:工程量计算方法及规则:金属结构工程(一)钢屋架、钢网架(1)按设计图示尺寸以钢材重量计算,不扣除孔眼、切边、切肢的重量,焊条、铆钉、螺栓等重量不另增加。
(2)不规则或多边形钢板,以其外接规则矩形面积计算。
(3)钢网架应区分球形结点、钢板结点等连接形式。
(4)计量单位为t。
(二)钢托架,钢桁架(1)按设计图示尺寸以钢材重量计算。
不扣除孔眼、切边、切肢的重量,焊条、铆钉、螺栓等重量不另增加。
(2)不规则或多边形钢板,以其外接矩形面积计算。
(3)计量单位为t。
(三)钢柱、钢梁(1)按设计图示尺寸以钢材重量计算。
不扣除孔眼、切边、切肢的重量,焊条、铆钉、螺栓等重量不另增加。
不规则或多边形钢板,以其外接矩形面积计算。
具体包括实腹柱、空腹柱、钢管柱、钢梁及钢吊车梁等。
计量单位为t。
(2)依附在钢柱上的牛腿等并入钢柱工程量内。
(3)钢管柱上的节点板、加强环、内衬管、牛腿等并入钢管柱工程量内。
(4)设计规定设置钢制动梁、钢制动桁架、车挡时,其工程量应并入钢吊车梁内。
(四)压型钢板楼板,墙板压型钢板楼板:按设计图示尺寸以铺设水平投影面积计算,柱、垛以及0.3m2以内孔洞面积不扣除。
计量单位为m2。
压型钢板墙板:按设计图示尺寸以铺挂面积计算。
0.3m2以内孔洞面积不扣除,包角、包边、窗台泛水等面积不另计算。
计量单位为m2。
压型钢板楼板浇筑钢筋混凝土,混凝土和钢筋按混凝土及钢筋混凝土中的有关规定计算。
(五)钢构件钢构件一般计算规则如下:(1)按设计图示尺寸以钢材重量计算。
如钢支撑、钢檩条、钢天窗架、钢墙架(包括柱、梁和连接杆件)、钢平台、钢走道、钢栏杆、钢漏斗、钢支架、零星钢构件等。
不扣除孔眼、切边、切肢的重量,焊条、铆钉、螺栓等重量不另增加。
(2)不规则或多边形钢板,以其外接矩形面积计算。
计量单位为t。
(六)金属网按设计图示尺寸以面积计算,包括制作、运输、安装、油漆等。
钢结构图纸看图要点HUA SyStem OffiCe room [HUA 16H-TTMS2A-HUAS8Q8-HUAH1688] 1、基础布置图这个算基础预埋板和筋板重量。
2、平台布置图这个是主要的重量所在,比较好看懂,也比较好核算。
3、轴面结构布置图这个主要汁算柱子和斜撑横拉等。
4、轴面標条布置图这个主要算標条长度,包括窗標等;拉条一般也在这种图里,通常为圆钢算长度乘以理论重量就行。
5、屋面结构布置、標条布置等主要计算门架梁等的重量6、外封图这个主要计算外封面积。
釆购时按面积采购。
7、节点图这个算是最难算的了如果是想要精确差不多相当于拆了一次钢结构的图。
主要算连接板、筋板等的重量。
8、这些重量出来后记得要乘以损耗系数基本就是预算To算了儿年了一点经验,希望能帮到你,注意有些型材在图中可能重复出现了,要扣除,材料表没有有时只是设计人员忘了,需要你去核实是否需计算在内。
钢结构图纸符号代表含义及识图常识GJ钢架GL钢架梁或GJL钢架梁GZ钢架柱或GJZ 钢架柱XG系杆SC水平支撑YC隅撑ZC柱间支撑LT標条TL托梁QL墙梁GLT刚性標条 WLT屋脊標条GXG刚性系杆YXB压型金属板SQZ山墙柱XT斜拉条MZ门边柱ML门上梁T 拉条CG撑杆HJ桁架FHB复合板YG:压杆或是圆管(从材料表中分别)XG:系杆LG:拉管QLG:墙拉管QCG:墙撑管GZL直拉条GXL斜拉条GJ30-1跨度为30m的门式刚架,编号为1号1。
算量最基本的就是看图纸,土建的人都烦钢构图纸的太乱,其实我也有这种看法,因为平法并没有用在其上面,图样还保留了一前土建制图的原则,所以做为老人看比较习惯(101图集出之前的人),后来像我这样人看钢结构图纸真的看不习惯,不过没有办法,还是要习惯的,我们知道麻烦,但任何事情都有规律的,钢结构的详图结点相当的多,但这些变化真的在算的时候影响相当的小,重要是大的方向把握好,钢结构的结点图也是相当科学的,都和科学受力相对应。
怎样快速看懂钢结构图纸
从图纸上判断砖混结构还是框架结构是看承重墙和承重梁柱子所占的比例。
砖混中也有承重梁柱,框架中也有承重墙。
步骤/方法
1、建筑图:先看底层平面图,要是开间比较大,大厅大开间房间比较多,就是属于底框结构或框架结构。
2、看房屋类型,要是公共服务建筑,比如超市,商场等就是框架居多,要是住宅就看层数或是否有电梯,要是多于七八层,十有八九就是框架。
3、继续看标准层平面图,要是上面和下面都是大开间,就是框架结构,要是上面变小开间房间,而且层数不高,很可能就是底框结构。
4、结构说明,最直接的判断结构类型,结构说明可以表达很清楚是什么结构。
在结构说明中,还可以看混凝土标号,要是比较高比如C30,C40就是框架结构了。
5、基础图,如果是大面积条形基础,而且图纸上涂黑的柱标的GZ比较多,就是砖混(不过也有框架结构使用条形基础,主要用于上部荷载相当大而且土质差的情况,但造价高,不是很多),如果是独立柱基,片筏基础等就是框架,如果是桩基础,可能砖混可能框架。
6、还是基础图,看柱子截面大小,如果宽高截面大于350mm的柱子居多,归于底框或框架,GZ居多,归于砖混。
7、看结构布置图,如果是平法,直接看梁的标号是KL,如果是就是框架,如果不是就看梁所占比例多少,如果有墙位置都是设置梁,就是框架了,或更简单就看梁的截面,和配钢筋大小了,都比较大,就是框架了。
要是过去的梁柱表法,就直接看梁表,如果看到的是多如牛毛的梁,或标的编号的是KL,或梁截面钢
筋都比较大就是框架了。
同样还可以看柱子大小,如果改为GZ居多那么就是砖混或底框上面砖混结构了,如果标准层结构布置图的柱子依然截面大,就是框架了。
8、在结构图中,多看几块板,看板是压在标有KL或L上,还是压在直接画有虚线的墙上,如果很多的板是压在KL或L上就是框了,如果是多数压在墙上,就是砖混了。
9、结构图,看梁两头压的是墙还是柱子,要是墙就是砖混,要是柱子,看是GZ 还是截面大的柱,GZ居多,砖混,要是截面350mm居多,框架了。
我们暂时就总结这么多,文字来表达怎么看图是很累的。
其实更具体方法还有很多,判断最好的办法就是看结构说明了,直接表达出结构类型。