螺纹
- 格式:ppt
- 大小:401.00 KB
- 文档页数:19
螺纹第一章国标螺纹的一般知识一.螺纹的分类1.螺纹分螺纹和外螺纹两种;2.按牙形分可分为:1)三角形螺纹2)梯形螺纹3)矩形螺纹4)锯齿形螺纹;3.按线数分单头螺纹和多头螺纹;4.按旋入方向分左旋螺纹和右旋螺纹两种, 右旋不标注,左旋加LH,如M24×1.5LH;5.按用途不同分有:米制普通螺纹、用螺纹密封的管螺纹、非螺纹密封的管螺纹、60°圆锥管螺纹、米制锥螺纹等二.米制普通螺纹1.米制普通螺纹用大写M表示,牙型角2α=60°(α表示牙型半角);2.米制普通螺纹按螺距分粗牙普通螺纹和细牙普通螺纹两种;2.1.粗牙普通螺纹标记一般不标明螺距,如M20表示粗牙螺纹;细牙螺纹标记必须标明螺距,如M30×1.5表示细牙螺纹、其中螺距为1.5。
2.2.普通螺纹用于机械零件之间的连接和紧固,一般螺纹连接多用粗牙螺纹,细牙螺纹比同一公称直径的粗牙螺纹强度略高,自锁性能较好。
3.米制普通螺纹的标记:M20-6H、M20×1.5LH-6g-40,其中M 表示米制普通螺纹,20表示螺纹的公称直径为20mm,1.5表示螺距,LH表示左旋,6H、6g表示螺纹精度等级,大写精度等级代号表示螺纹,小写精度等级代号表示外螺纹,40表示旋合长度;3.1.常用米制普通粗牙螺纹的螺距如下表(螺纹底孔直径:碳钢φ=公称直径-P;铸铁φ=公称直径-1.05~1.1P;加工外螺纹光杆直径取φ=公称直径-0.13P):表1 常用米制普通粗牙螺纹的直径/螺距3.2.米制普通螺纹的加工底孔直径可用下式作近似计算:d=D-1.0825P,其中D为公称直径,P为螺距。
三.用螺纹密封的管螺纹(GB 7306与ISO7/1相同)1.用螺纹密封的管螺纹不加填料或密封质就能防止渗漏。
用螺纹密封的管螺纹有圆柱螺纹和圆锥外螺纹、圆锥螺纹和圆锥外螺纹两种连接形式。
压力在5×105Pa以下时,用前一种连接已足够紧密,后一种连接通常只在高温及高压下采用。
螺纹基本知识螺纹基本知识⼀、螺纹的名词术语螺纹:在圆柱或圆锥表⾯上,沿着螺旋线所形成的具有规定⽛型的连续凸起。
圆柱螺纹/圆锥螺纹;外螺纹/内螺纹;右旋螺纹/左旋螺纹。
右旋螺纹:顺时针旋转时选⼊的螺纹。
左旋螺纹:逆时针旋转时选⼊的螺纹。
完整螺纹:⽛顶和⽛底具有完整形状的螺纹。
不完整螺纹:⽛底完整⽽⽛顶不完整的螺纹。
螺尾:向光滑表⾯过渡的⽛底不完整的螺纹。
有效螺纹:由完整螺纹和不完整螺纹组成的螺纹,不包括螺尾。
公称直径:代表螺纹尺⼨的直径。
⼤径:外螺纹的顶径、内螺纹的底径。
⼩径:外螺纹的底径、内螺纹的顶径。
中径:⼀个假想圆柱或圆锥的直径,该圆柱或圆锥的母线通过⽛型上沟槽和凸起宽度相等的地⽅。
单⼀中径:⽛型上沟槽宽度等于1/2基本螺距的地⽅。
作⽤中径:在规定的旋合长度内,恰好包容实际螺纹的⼀个假想螺纹的中径,这个假想螺纹具有理想的螺距、螺纹半⾓、及⽛型⾼度,并在⽛顶和⽛底留有间隙,不与实际螺纹⼤、⼩径发⽣⼲涉。
⽛型⾓:在螺纹⽛型上,两相邻⽛侧间的夹⾓。
螺距:相邻两⽛在中径线上对应两点间的轴向距离。
螺纹精度:由螺纹公差带和旋合长度共同组成的衡量螺纹质量的综合指标。
⼆、.螺纹概述⼀般将螺纹分为圆柱螺纹和圆锥螺纹。
(⼀)圆柱螺纹1. 普通螺纹(⼜称⽶制或公制螺纹)螺纹代号M,⽛形⾓60°,基本⽛形为平顶。
精度等级:内螺纹4~8级,外螺纹3~9级。
2. 美标统⼀螺纹(⼜称60°英制螺纹)螺纹代号UNC、UNF、UNEF、UN、UNS,⽛形⾓60°,基本⽛形为平顶。
精度等级:内螺纹1B~3B,外螺纹1A~3A。
3. ⾮螺纹密封的管螺纹(⼜称圆柱管螺纹)螺纹代号G,⽛形⾓55°,基本⽛形为圆顶圆底。
精度等级:内螺纹标准级和D级,外螺纹A、B级。
4. 梯形螺纹螺纹代号Tr,⽛形⾓30°(美标为29°),基本⽛形为平顶平底。
精度等级:7~9级,(美标为2G~6G)。
螺纹第一章国标螺纹的一般知识一.螺纹的分类1.螺纹分内螺纹和外螺纹两种;2.按牙形分可分为:1)三角形螺纹2)梯形螺纹3)矩形螺纹4)锯齿形螺纹;3.按线数分单头螺纹和多头螺纹;4.按旋入方向分左旋螺纹和右旋螺纹两种, 右旋不标注,左旋加LH,如M24×1.5LH;5.按用途不同分有:米制普通螺纹、用螺纹密封的管螺纹、非螺纹密封的管螺纹、60°圆锥管螺纹、米制锥螺纹等二.米制普通螺纹1.米制普通螺纹用大写M表示,牙型角2α=60°(α表示牙型半角);2.米制普通螺纹按螺距分粗牙普通螺纹和细牙普通螺纹两种;2.1.粗牙普通螺纹标记一般不标明螺距,如M20表示粗牙螺纹;细牙螺纹标记必须标明螺距,如M30×1.5表示细牙螺纹、其中螺距为1.5。
2.2.普通螺纹用于机械零件之间的连接和紧固,一般螺纹连接多用粗牙螺纹,细牙螺纹比同一公称直径的粗牙螺纹强度略高,自锁性能较好。
3.米制普通螺纹的标记:M20-6H、M20×1.5LH-6g-40,其中M 表示米制普通螺纹,20表示螺纹的公称直径为20mm,1.5表示螺距,LH表示左旋,6H、6g表示螺纹精度等级,大写精度等级代号表示内螺纹,小写精度等级代号表示外螺纹,40表示旋合长度;3.1.常用米制普通粗牙螺纹的螺距如下表(螺纹底孔直径:碳钢φ=公称直径-P;铸铁φ=公称直径-1.05~1.1P;加工外螺纹光杆直径取φ=公称直径-0.13P):表1 常用米制普通粗牙螺纹的直径/螺距3.2.米制普通内螺纹的加工底孔直径可用下式作近似计算:d=D-1.0825P,其中D为公称直径,P为螺距。
三.用螺纹密封的管螺纹(GB 7306与ISO7/1相同)1.用螺纹密封的管螺纹不加填料或密封质就能防止渗漏。
用螺纹密封的管螺纹有圆柱内螺纹和圆锥外螺纹、圆锥内螺纹和圆锥外螺纹两种连接形式。
压力在5×105Pa以下时,用前一种连接已足够紧密,后一种连接通常只在高温及高压下采用。
螺纹知识大全( 最全)螺纹在产品占有极其重要的位置, 就用途而言,目前公司产品中所用到的绝大部份螺纹属于连接用螺纹,它包括米制普通螺纹(公制螺纹)、惠氏螺纹、美国统一螺纹及“柱/柱”配合的管螺纹.而“柱/锥”和“锥/锥”配合的管螺纹则同时具有连接和密封之双重功效.另外,我公司部份产品中所用的慢开阀芯(螺旋阀芯)的螺纹副则属于传动类螺纹,这类螺纹多为梯形螺纹、矩形螺纹或锯齿形螺纹,它们主要用于传动类用途,但也可用于连接用途. 今天,我将简单介绍一下几类常用螺纹的基本知识及其相关的加工工艺。
因为本人才识有限,所编讲稿中必有一些错误之处,希望各位能及时给予指出与纠正,谢谢!螺纹的分类方法1) 用途分类法分为:紧固螺纹、密封螺纹、管螺纹、传动螺纹、普通(或一般用途)螺纹、专用螺纹等.2) 牙型分类法分为:梯形螺纹、锯齿形螺纹、矩形螺纹、三角形螺纹、短(或矮)牙螺纹、60∘及55∘螺纹等.3) 配合性质或型式法分为:过渡配合螺纹、过盈配合螺纹、间隙配合螺纹、“锥/锥”配合螺纹、“柱/锥”配合螺纹、“柱/柱”配合螺纹等.4) 螺距或直径大小分类法分为: 粗牙螺纹、细牙螺纹、超细牙螺纹、小螺纹等.5) 单位分类法分为: 英制螺纹和米制螺纹.6) 发明者姓氏或发明国分类法分为: 惠氏螺纹、美制螺纹、英制螺纹、统一螺纹等.上述六种分类法中,用途分类法为最基本的分类方法.卫浴行业常用螺纹汇总卫浴行业常用螺纹的标注形式举列第一章公制普通螺纹1.1 公制普通螺纹综述普通螺纹是联接螺纹的基本形式,其牙型呈三角形,牙型角为60∘,它是米制螺纹中应用最广的一种螺纹.公制普通螺纹是销住欧洲、澳洲和国内产品中应用最为广泛的一种螺纹. 中国的普通螺纹标准与ISO标准基本相同,其它各国的米制普通螺纹标准也基本上与ISO标准相同.我们在这里介绍的就是中国的普通螺纹国家标准.其系列标准代号可在后面附录中查询.其它国家的公制普通螺纹标准如下:英国BS 3643;德国DIN 13;法国NFE03-013;日本JIS B0205、JIS B0207;国际ISO 68、ISO 261、ISO 724、ISO 965/1~965/3.日常的设计工作中应依椐产品销售地的不同选择相应的标准进行设计和生产指导.在世界主要工业国中,德国和法国的普通螺纹使用米制而不用英寸制;日本的普通螺纹是米制和英寸制并存且以米制为主;而美、英虽也颁布了米制普通螺纹国家标准,但美国实际使用却较少,他大量使用的是英寸制统一螺纹.在英国米制普通螺纹的应用范围正逐渐扩大,大部分厂家现在同时使用米制普通螺纹和英寸制统一螺纹,早期的英寸制惠氏螺纹正逐步被淘汰.普通螺纹要素尺寸由直径和螺距二者所组成.普通螺纹将螺纹大径的基本尺寸作为代表螺纹尺寸的直径即公称直径.其直径分为三个系列,规定应优先选用第一系列,其次是第二系列,第三系列尽可能不用.普通螺纹有粗、细牙之分,其中对小于和等于68mm的直径,可分为粗牙和细牙两种.对于大于68mm的螺纹,标准给定的所有规格全部为细牙螺纹.普通螺纹的螺纹代号是由字母“M”、“公称直径X螺距”及“旋向”所组成的.螺纹代号中普通螺纹的粗牙螺距不标示但细牙螺距必标示,右旋普通螺纹在螺纹代号中其旋向“右”不标示, 但左旋必标示“左”. 如:M24 表示公称直径为24mm的粗牙右旋普通螺纹,其螺距为3mm. M24X1.5左表示公称直径为24mm、螺距为1.5mm、方向为左旋的细牙普通螺纹.普通螺纹中公差带的两个要素是公差等级(表示公差带大小)和基本尺寸偏差(表示公差带位置)(见表1-1和表1-2).表1-1 内、外螺纹各直径的公差等级螺纹直径公差等级内螺纹小径D1 4、 5、 6、 7、 8内螺纹中径D2 4、 5、 6、 7、 8外螺纹大径d 4、6、8外螺纹中径d2 3、 4、 5、 6、 7、 8、 9表1-2内、外螺纹的基本偏差螺纹基本偏差公差带位置描述内螺纹G、H H的基本偏差是下偏差且为零G的基本偏差为下偏差是正值外螺纹e、f、g、h h的基本偏差是上偏差且为零e、f、g的基本偏差为上偏差是负值考虑到旋合长度对螺纹的配合精度有一定影响,新国标将同一直径螺纹的旋合长度分为短、中、长三组,其螺纹旋合长度代号列于表1-3中.一般情况下尽可能采用中等旋合长度.螺纹精度由公差带和旋合长度共同组合而定,可分为精密、中等和粗糙三种.Q/GOBOJS006-2002 ~3~表1-3螺纹旋合长度分组短旋合长度中等旋合长度长旋合长度代号S N L普通螺纹的螺纹公差带代号包括中径公差带代号与顶径(指外螺纹大径和内螺纹小径)公差带代号.中径或顶径公差带代号由公差等级数字和公差位置字母所组成,数字在前,字母在后.1.2 公制普通螺纹公差带的选择为了减少量刃具的规格,对内、外螺纹规定了一些常用公差带作为选用公差带.同时按短、中、长三组旋合长度给定了精密、中等、粗糙三种精度,见表1-4和表1-5.表1-4 内螺纹选用公差带(GB197-81) 精度公差带位置G 公差带位置HS N L S N L精密4H 4H5H 5H6H中等(5G) (6G) (7G) *5H *6H *7H 粗糙(7G) 7H表1-5 外螺纹选用公差带(GB197-81)精度公差带位置e 公差带位置f 公差带位置g 公差带位置hS N L S N L S N L S N L精密(3h4h) *4h (5h4h)中等*6e *6f (5g6g) *6g (7g6g) (5h6h) *6h (7h6h)粗糙8g(8h)精密级主要用于精密螺纹,当要求配合性质变动较小时采用;中等精度用于一般用途;粗糙级在对精度要求不高或制造比较困难时采用.内螺纹选用公差带共11种,外螺纹选用公差带共13种.其中的中等旋合长度下的6级公差带是最常用、最基本的公差等级.选用公差带的原则(1) 带*的公差带应优先选用,不带*的公差带其次,括号内的公差带尽可能不用.(2) 大量生产的精制紧固件螺纹,推荐采用带方框的公差带.(3) 内、外螺纹的选用公差带可以任意组合,即并不一定要求所选内、外螺纹的公差带在表中所处的位置一一对应,但为了保证足够的接触高度(即保证螺纹有足够的连接强度),完工后的零件最好组合成H/g、H/h或G/h的配合.对直径小于和等于1.4mm的螺纹副,应采用5H/6h或更精密的配合.通常米制普通螺纹多组合成6H/6g和7H/8g,其中6H/6g属中等精度用于一般要求的螺纹,而7H/8g属粗糙级用于精度要求不高的螺纹.对于不同配合要求的螺纹应选择相适应的内、外螺纹公差带进行组合.特别是需要涂镀保护层的螺纹在组合选择中还应结合工厂镀前螺纹尺寸的控制方式及镀后的合格率情况做出综合评估和选择.这一点目前在公司也算是一大难题,虽然属于加工工艺方面的难题,但产品结构设计人员也可在平时的工作中加以关注和研究.英国BS 5412和欧洲EN 817的水龙头标准中就明确规定起泡器产品上选公制普通细牙螺纹副M22X1-6H/6g 、M24X1-6H/6g或M28X1-6H/6g.可见在水龙头行业中,公制普通螺纹一般应组合成6H/6g.对于精度要求不高的非重要用途的螺纹副,从制造成本上考虑可组合成7H/8g.卫浴配件产品上的公制螺纹一般均可组合成7H/8g.但对直径小于和等于1.4mm的螺纹副,应采用5H/6h或更精密的配合,以保证其有足够的连接强度.1.3 公制普通螺纹的标记方法a.螺纹的完整标记由螺纹代号、螺纹公差带代号和螺纹旋合长度代号所组成.b.螺纹公差带代号包括中径公差带代号与顶径(指外螺纹大径和内螺纹小径)公差带代号.公差带代号是由表示其大小的公差等级数字和表示其位置的字母所组成,例如:6H、6g、7H、8g等.c.在一般情况下,不标注螺纹旋合长度,其螺纹公差带按中等旋合长度确定.必要时,在螺纹公差带代号之后加注旋合长度代号S或L,中间用“-”分开.例如:M10-5g6g-S M10-7H-L普通螺纹标记示例如下:M10左-5g6g M10X1-6H顶径公差带代号中径公差带代号中径和顶径公差带代号(相同)螺纹代号螺纹代号d.内、外螺纹装配在一起,其公差带代号用斜线分开,左边表示内螺纹公差带代号,右边表示外螺纹公差带代号.例如:M20X2-6H/6g M10X2左-6H/5g6g目前,我公司产品资料中,对于公制普通螺纹大多只是标注了螺纹代号如:M4、M5和M12X1等,实际上这只是标注了螺纹的规格,是一种不完整的标记,会给生产技术的准备工作带来不便,从而在一定程度上影响了产品的生产质量。
螺纹的基础知识螺纹是机械制造中常见的一种连接形式,具有重要的作用。
本文将介绍螺纹的基础知识,包括螺纹的定义、分类、标注和应用等方面内容。
一、螺纹的定义螺纹是一种具有螺旋形状的结构,由螺纹山和螺纹谷组成。
螺纹分为内螺纹和外螺纹,内螺纹是指螺纹在孔内的形式,外螺纹是指螺纹在轴上的形式。
二、螺纹的分类根据螺纹的用途和形状,螺纹可以分为很多种类,常见的有三角形螺纹、梯形螺纹和圆弧形螺纹等。
其中,三角形螺纹是最常见的一种,具有较高的连接强度和密封性能。
三、螺纹的标注螺纹标注是描述螺纹的重要方式,常用的标注方法有两种,即直径制和公称直径制。
直径制是以螺纹的内径或外径作为标准,公称直径制是以螺纹的公称直径作为标准。
螺纹标注通常包括螺纹直径、螺距和螺纹类型等信息。
四、螺纹的应用螺纹广泛应用于机械制造、汽车制造、航空航天等领域。
在机械制造中,螺纹可以用于连接零件、调整间隙、传递力量等;在汽车制造中,螺纹用于连接发动机和其他部件,保证汽车的正常运行;在航空航天领域,螺纹用于连接飞机的结构件,确保飞机的安全性能。
五、螺纹的加工螺纹的加工通常有多种方法,包括车削、铣削、切割和磨削等。
其中,车削是最常用的螺纹加工方法,可以通过车床进行内外螺纹的加工;铣削适用于一些特殊形状的螺纹加工;切割适用于大批量螺纹的加工;磨削适用于高精度的螺纹加工。
六、螺纹的注意事项在进行螺纹加工时,需要注意以下几点。
首先,螺纹加工前需要进行合理的工艺规划,确保加工质量和效率;其次,在加工过程中,要根据螺纹的要求选择合适的工具和切削参数,以避免加工过程中产生的问题;最后,完成螺纹加工后,需要进行质量检验,确保螺纹的尺寸和形状满足要求。
螺纹是一种常见的连接形式,具有广泛的应用。
了解螺纹的基础知识对于机械制造行业的从业人员至关重要,只有掌握了螺纹的定义、分类、标注和加工等方面的内容,才能更好地应用于实际生产中,提高工作效率和质量水平。
螺纹第一章国标螺纹的一般知识一.螺纹的分类1.螺纹分内螺纹和外螺纹两种;2.按牙形分可分为:1)三角形螺纹2)梯形螺纹3)矩形螺纹4)锯齿形螺纹;3.按线数分单头螺纹和多头螺纹;4.按旋入方向分左旋螺纹和右旋螺纹两种, 右旋不标注,左旋加LH,如M24×1.5LH;5.按用途不同分有:米制普通螺纹、用螺纹密封的管螺纹、非螺纹密封的管螺纹、60°圆锥管螺纹、米制锥螺纹等二.米制普通螺纹1.米制普通螺纹用大写M表示,牙型角2α=60°(α表示牙型半角);2.米制普通螺纹按螺距分粗牙普通螺纹和细牙普通螺纹两种;2.1.粗牙普通螺纹标记一般不标明螺距,如M20表示粗牙螺纹;细牙螺纹标记必须标明螺距,如M30×1.5表示细牙螺纹、其中螺距为1.5。
2.2.普通螺纹用于机械零件之间的连接和紧固,一般螺纹连接多用粗牙螺纹,细牙螺纹比同一公称直径的粗牙螺纹强度略高,自锁性能较好。
3.米制普通螺纹的标记:M20-6H、M20×1.5LH-6g-40,其中M 表示米制普通螺纹,20表示螺纹的公称直径为20mm,1.5表示螺距,LH表示左旋,6H、6g表示螺纹精度等级,大写精度等级代号表示内螺纹,小写精度等级代号表示外螺纹,40表示旋合长度;3.1.常用米制普通粗牙螺纹的螺距如下表(螺纹底孔直径:碳钢φ=公称直径-P;铸铁φ=公称直径-1.05~1.1P;加工外螺纹光杆直径取φ=公称直径-0.13P):表1 常用米制普通粗牙螺纹的直径/螺距3.2.米制普通内螺纹的加工底孔直径可用下式作近似计算:d=D-1.0825P,其中D为公称直径,P为螺距。
三.用螺纹密封的管螺纹(GB 7306与ISO7/1相同)1.用螺纹密封的管螺纹不加填料或密封质就能防止渗漏。
用螺纹密封的管螺纹有圆柱内螺纹和圆锥外螺纹、圆锥内螺纹和圆锥外螺纹两种连接形式。
压力在5×105Pa以下时,用前一种连接已足够紧密,后一种连接通常只在高温及高压下采用。
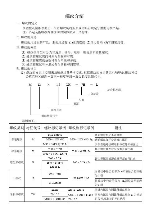
螺纹介绍一.螺纹的定义在圆柱或圆锥表面上,沿着螺纹旋线所形成的具有规定牙型的连续凸起。
注:凸起是指螺纹两侧面间的实体部分,又称牙。
二.螺纹的用途螺纹的用途极其广泛,主要用途有: (1)紧固连接(2)动力传动(3)管路密封等。
三.螺纹的分类(1)螺纹按牙型可分为三角形、梯形、矩形、锯齿形和圆弧螺纹。
(2)螺纹按螺纹旋向可分为左旋和右旋。
(3)螺纹按螺旋线条数可分为单线和多线。
(4)螺纹按螺纹母体形式分为圆柱和圆锥等。
四.螺纹的标记(1) 螺纹的标记主要用来反映螺纹各基本要素。
标准螺纹的标记其表示顺序是:螺纹种类公称直径×螺距-旋向-精度等级-旋合长度组别代号。
注: 1.右螺纹不注旋向,左螺纹注LH2.中径和顶径公差带代号相同时只标注一次。
3.一般情况下不标注螺纹旋合长度时,螺纹按中等旋合长度考虑,可不标注代号N ,长旋合长度加注代号L ,短旋合长度加注代号S 。
(2) 英制螺纹的标记:1/4 –20UNC -2A -double -LH国外常用英制螺纹的代号、名称和标准号五.螺纹基本尺寸和啮合要素1.螺纹要素 螺纹要素包括牙型、公称直径、螺距(或导程)、线数、精度和旋向等. (1) 牙型是在通过螺纹轴线的剖面上螺纹的轮廓形状.(2) 公称直径是代表螺纹尺寸的直径,指螺纹大径的基本尺寸.(大径是指:与外螺纹牙顶或内螺纹牙底相重合的假想圆柱面的直径.)(3) 螺距(或导程)是相邻两牙在中径线上对应两点间的轴向距离称为螺距.导程是指同一条螺旋线上的相邻两牙在中径线上对应两点间的轴向距离.螺纹旋向 螺纹线数 精度等级 标记代号P= 25.4 n螺纹牙数(每英寸) 螺纹直径(4)线数(n)是指一个螺纹上螺旋线的数目.(5)螺纹精度由螺纹公差带和旋合长度组成.(6)旋向螺纹分左旋和右旋两种旋向.顺时针旋转时旋入的螺纹称右旋螺纹;逆时针旋转时,旋入的螺纹称左旋螺纹.判别螺纹旋向时,当螺纹从左向右升高的为右旋螺纹;螺纹从右向左升高的为左旋螺纹.六.普通螺纹普通螺纹标准对螺纹的牙型、尺寸系列、公差及标记做了全面的规定,是很有代表性的螺纹标准,许多其他螺纹都是在普通螺纹标准的基础上制订的。
螺纹的基本知识
螺纹是指在圆柱表面或圆锥表面上,沿着螺旋线形成的、具有相同断面的连续凸起和沟槽。
生产实际中加工螺纹有多种方法,图2为在圆柱表面上车削螺纹的过程。
在工件外表面形成的螺纹称为外螺纹,在工件内表面形成的螺纹称为内螺纹。
一、螺纹的结构要素(摘自GB/T14791,圆柱螺纹)
(1)螺纹牙型:在通过螺纹轴线的断面上,螺纹的轮廓形状称为螺纹牙型。
(2)大径、中径、小径
(3)线数:圆柱端面上螺纹的数目,用n表示。
沿一条螺旋线形成的螺纹为单线螺纹;沿两条或两条以上,在轴向等距离分布的螺旋线所形成的螺纹,为多线螺纹,(4)螺距和导程:。
螺距(代号:P):相邻两牙中径线上对应两点间的轴向距离。
导程(代号:Ph):螺旋线形成的螺纹上的相邻两牙,在中径线上对应两点间的轴向距离。
对于单线螺纹,螺距= 导程,
对于多线螺纹,螺距= 导程/线数。
(5)旋向:
顺时针旋转时旋入的螺纹,称为右旋螺纹
逆时针旋转时旋入的螺纹,称为左旋螺纹。
各种螺纹尺寸与结构大全螺纹是一种常见的连接方式,在工程中广泛应用。
不同的螺纹尺寸和结构适用于不同的应用场景,下面是各种常见的螺纹尺寸和结构的详细介绍。
1.螺纹尺寸:-螺纹直径(D):螺纹直径是指螺纹内径或外径的直径。
常见的螺纹直径尺寸有M、UNC、UNF、BSW、BSF等。
-螺距(P):螺距是指螺纹螺旋线上两个相邻纹高的距离,通常用毫米表示。
常见的螺距尺寸有0.5、0.7、0.8、1、1.25、1.5、1.75、2、2.5、3等。
-螺纹长度(L):螺纹长度是指螺纹的有效长度,即螺纹的长度不包括头部和尾部非螺纹部分。
2.螺纹结构:-三角形螺纹:三角形螺纹是最常见的螺纹结构,其纹形为等腰三角形。
常见的三角形螺纹有ISO标准的M螺纹和UNC、UNF标准的美国螺纹。
-矩形螺纹:矩形螺纹的纹形为矩形,常用于粗大螺纹连接,如管接头等。
-梯形螺纹:梯形螺纹的纹形为梯形,常用于高强度连接,如汽车轮毂等。
-锯齿螺纹:锯齿螺纹的纹形为锯齿状,常用于临时连接,如吊钩等。
-半圆螺纹:半圆螺纹的纹形为半圆状,常用于易拧紧和易放松的连接,如手摇紧固螺母等。
3.美国标准螺纹:- UNC(Unified National Coarse):UNC螺纹是一种粗牙螺纹,纹型为三角形,通常用于一般工程应用。
常见尺寸有1/4-20、3/8-16、1/2-13等。
- UNF(Unified National Fine):UNF螺纹是一种细牙螺纹,纹型为三角形,用于对螺栓或螺母要求较高的场合。
常见尺寸有1/4-28、3/8-24、1/2-20等。
4.英国标准螺纹:- BSW(British Standard Whitworth):BSW螺纹是一种常见的英制粗牙螺纹,纹型为三角形,常用于英制产品和一些老式机械。
常见尺寸有1/4-20、3/8-16、1/2-12等。
- BSF(British Standard Fine):BSF螺纹是一种英制细牙螺纹,纹型为三角形,用于对螺栓或螺母要求较高的场合。
1、螺纹基本参数:螺纹六要素:牙型(三角形、梯形、矩形、锯齿形和方形等。
)、公称直径、小径、线数、螺距和导程、旋向。
(螺纹五要素:牙型、直径(大径、小径、中径)、线数、螺距和导程、旋向)只有六个螺纹要素完全相同的内、外螺纹才能旋合。
螺纹牙型、大径和螺距是最基本要素,称为螺纹三要素。
凡是牙型、直径、螺距符合标准的为标准螺纹;牙型符合标准,直径或螺距不符合标准的为特殊螺纹;牙型不符合标准的为非标准螺纹。
不同牙型的用途:三角形螺纹用于连接;梯形、方形螺纹用于传动等。
2、螺纹的画法1、“摸得着的画粗实线,摸不着的画细实线”,应将表示牙底的细实线画入圆角或倒角部分。
在垂直于螺纹轴线的投影图的视图中,表示牙底的细实线圆只画约3/4圈,此时轴或孔上的倒角的投影不应画出。
2、有效内、外螺纹的终止界线(简称螺纹终止线),规定用一条粗实线来表示。
3、螺纹尾部一般不必画出,当需要表示螺尾时,该部分的牙底用与轴线成30°的细实线绘制。
4、螺纹不可见时所有图线用虚线绘制。
5、在内、外螺纹的剖视或断面图中,剖面线都必须画到粗实线为止。
6、在绘制不穿通的螺孔(螺纹盲孔)时,一般应将钻孔深度与螺纹深度分别画出,且钻孔深度一般应比螺纹深度大0.5D,其中D位螺纹大径,钻头端都有一圆锥,锥顶角为118°,钻孔时不穿通(称为盲孔),底部造成一锥面,在画图时钻孔底部锥面的顶角可简化为120°。
螺纹的自锁:连接螺纹的自锁条件:螺纹升角φ小于或等于当量摩擦角。
螺纹连接的主要类型:1)螺栓连接:普通螺栓连接、铰制孔螺栓连接;2)螺钉连接;3)双头螺栓连接;4)紧定螺钉连接;5)地脚螺栓连接;6)吊环螺钉连接,分A型和B型两种结构,A型无退刀槽,B型有退刀槽。
螺纹种类和应用场合:按用途分:连接螺纹和传动螺纹;常见的连接螺纹有粗牙普通螺纹、细牙普通螺纹和管螺纹三种。
连接螺纹的共同特点是牙型都是三角形,其中普通螺纹的牙型角为60°,管螺纹的牙型角为55°。
螺纹基础知识大全螺纹是一种常见的机械连接方式,广泛应用于各个领域。
以下是对螺纹基础知识的详细且丰富的介绍。
1.螺纹的定义与分类-螺纹定义:螺纹是一种沿轴线上呈螺旋形的凸起和凹陷的装配结构。
-螺纹分类:常见的螺纹可以分为内螺纹(孔螺纹)和外螺纹(柱螺纹)两种类型。
2.螺纹表示方法-直径表示法:使用螺纹直径(d)和螺距(P)来表示,如M12×1.75表示直径为12mm、螺距为1.75mm的度量制螺纹。
-齿数表示法:使用螺纹齿数(n)和螺距(P)来表示,如1/4-20表示齿数为20、螺距为1/4英寸的英制螺纹。
3.螺纹尺寸与参数-螺纹直径:指螺纹的最大直径,通常使用公称直径(d)表示。
-螺距:指螺纹的螺旋线在轴向上的推移距离,通常使用公称螺距(P)表示。
-螺纹齿高:指螺纹齿的高度,即螺纹凸起和凹陷之间的距离。
-螺纹迹长:指螺纹完整一周的长度,即沿螺纹轴线上的线段长度。
4.常见螺纹类型-三角形螺纹:最常见的螺纹类型,包括等腰三角形螺纹(ISO螺纹)、矩形螺纹和锥形螺纹等。
-圆柱螺纹:圆柱螺纹主要用于密封和连接,如火花塞螺纹。
-特殊螺纹:还有一些特殊的螺纹类型,如圆锥管螺纹、圆锥接合螺纹等。
5.螺纹制造与加工方法-切削加工:使用切削工具(如螺纹刀具)按照预定的螺纹规格进行加工。
-滚压加工:将螺纹材料通过滚压机进行塑性变形,形成螺纹结构。
-滚切加工:使用滚刀沿着螺纹轴向滚动,逐步形成螺纹。
6.螺纹连接的特点与应用-特点:螺纹连接具有拧紧力大、结构简单、拆卸方便等优点,但对于高载荷和高精度要求的情况不适用。
-应用:螺纹连接广泛应用于机械设备、汽车、航空航天、建筑等领域,如螺栓、螺母、螺杆等。
7.螺纹相关标准-ISO标准:国际标准化组织(ISO)制定了一系列螺纹标准,如ISO68-1(度量制螺纹)、ISO965(公称尺寸及公差)等。
-ANSI/ASME标准:美国国家标准学会(ANSI)和美国机械工程师学会(ASME)制定了一系列英制螺纹标准。
管螺纹简介NPT BSP螺纹技术---- NPT,PT,G螺纹的区别NPT,PT,G各种螺纹的区别NPT,PT,G 都是管螺纹.NPT 是 National (American) Pipe Thread 的缩写,属于美国标准的 60 度锥管螺纹,用于北美地区.国家标准可查阅 GB/T12716-1991PT 是 Pipe Thread 的缩写,是 55 度密封圆锥管螺纹,属惠氏螺纹家族,多用于欧洲及英联邦国家.常用于水及煤气管行业,锥度规定为 1:16.国家标准可查阅 GB/T7306-2000G 是 55 度非螺纹密封管螺纹,属惠氏螺纹家族.标记为 G 代表圆柱螺纹.国家标准可查阅 GB/T7307-2001另外螺纹中的1/4、1/2、1/8 标记是指螺纹尺寸的直径,单位是英寸.行内人通常用分来称呼螺纹尺寸,一寸等于8分,1/4 寸就是2分,如此类推.G 就是管螺纹的统称(Guan),55,60度的划分属于功能性的,俗称管圆。
即螺纹由一圆柱面加工而成。
ZG俗称管锥,即螺纹由一圆锥面加工而成,一般的水管接头都是这样的,国标标注为Rc公制螺纹用螺距来表示,美英制螺纹用每英寸内的螺纹牙数来表示,这是它们最大的区别,公制螺纹是60度等边牙型,英制螺纹是等腰55度牙型,美制螺纹60度。
公制螺纹用公制单位,美英制螺纹用英制单位。
管螺纹主要用来进行管道的连接,其内外螺纹的配合紧密,有直管与锥管两种。
公称直径是指所连接的管道直径,显然螺纹直径比公称直径大。
1/4,1/2,1/8是英制螺纹的公称直径,单位是英寸。
R Rp Rc PT DIN2999 PS G PF DIN259 NPT NPSC NPSH NPSM 都是管螺纹。
M UNC UNF UNEF BSW BSF 都是紧固螺纹。
Tr 传动螺纹。
M:米制普通螺纹UN:美制统一螺纹,其中UNC为粗牙,UNF为细牙B.S.W/B.S.F:分别为英制惠氏粗牙、细牙螺纹S:米制小螺纹以上为紧固连接螺纹R:一般密封管螺纹(英制,55°),其中:Rp:英制密封圆柱内螺纹Rc:英制密封圆锥内螺纹R1、R2:分别与Rp、Rc配合使用的英制密封圆锥外螺纹G:非密封管螺纹NPT:一般密封管螺纹(美制,60°)一般地说,没有什么通用代号,各类螺纹之间参数、公差、用途的区别都是很大的,相互之间基本上没有互换的可能。