智能中流量总悬浮颗粒物采样器,PM10采样器
- 格式:doc
- 大小:76.50 KB
- 文档页数:3
崂应2030型中流量智能TSP采样器(03代)
产品概述
本仪器应用滤膜称重法捕集环境大气中的总悬浮微粒(TSP)和可吸入微粒(PM10)。
可供环保、卫生、劳动、安监、军事、科研、教育等部门用于气溶胶常规监测。
产品图片
采用标准
◆JJG 943-1998 《总悬浮颗粒物采样器》
◆HJ/T 374-2007 《总悬浮颗粒物采样器技术要求及检测方法》
技术创新◆原创的嵌入式软件;
◆采样流量自动控制;
◆可设置定时采样,等间隔多次采样;
◆故障自动保护功能;
◆自动计算采样体积;
◆重量轻,携带方便;
◆采样过程中停电,来电自动恢复采样;
◆良好的人机界面;
◆采样数据自动记忆;
◆具有实时时钟;
◆测量大气压;
◆软件标定、密码保护功能;
◆可根据用户需求,安装有碳刷采样泵或无碳刷采样泵
◆高效的噪音消除功能,实现超低噪音运行,噪音小于59dB(A);
◆TSP/PM10采样头采用铝合金材质,抗静电吸附。
以上参数完全符合国家相关标准的要求,因产品升级或有图片与实机不符,请以实机为准。
如果您的需求与其有所偏离,请致电全国统一客服热线: 400-676-6892 详细咨询,谢谢合作!全国营销服务网络: 崂应官网: 。
智能中流量TSP采样器操作规程1.目的规范TH-150c智能中流量TSP采样器的操作程序,正确使用仪器。
2.适用范围适用于TH-150系列智能中流量TSP采样器的使用操作。
3.职责3.1 仪器操作人员按照本规程操作仪器,及时做好记录,对仪器进行日常维护、保养。
3.2 仪器保管人员对仪器进行定期维护、保养、管理。
3.3 科室负责人负责对仪器进行综合管理。
4.操作程序4.1 安全操作注意事项和特别提示4.1.1 该仪器必须有专人保管,专人使用,使用人员必须经过专门培训,取得上岗操作证。
4.1.2 被检测的环境适合本仪器:环境温度-20~50℃;相对湿度≤90%;大气压60~110kPa;供电电源(220±22)V,频率(50±1)Hz。
4.1.3采样器不使用时,并在采样孔上盖上防尘盖,以防止灰尘落入负压泵内。
4.1.4仪器内配有可充电电池,仪器长期不用每月应充一次电,充电时间为10~12小时。
开始充电时,可将定时开机调到12小时后,仪器开机采样后即将电源插头拨掉,关掉电源开关,即充电完毕。
这样即可确保充电12小时。
4.1.5如发现负压泵时停时转,流量不稳或流量达不到设定值时,应更换碳刷。
在其碳刷磨损时间到期时要及时更换,负压泵老化后也应及时予以更换,以免损坏主控板。
换上的新碳刷需在低流量状态下磨合,将流量设定为80L/min,不带滤膜,空转6小时。
4.1.6定期校准流量,发现仪器运行不正常应及时维修,不能让其强行运行。
4.1.7采样器需要经常清洁。
储存于通风、干燥、无腐蚀物质的环境中。
运输过程中禁摔,注意防雨防潮。
4.2 采样前的准备4.2.1采样头的构件采样头由风罩、切割器、入口栏座、滤膜压盖、滤膜、网板、密封垫、滤膜托座等部件组成4.2.2采样头的安装(1)多级切割器由TSP采样气流入口组件、PM10组件、PM2.5组件和滤膜夹组件构成。
(2)将切割器拆开清洗,出去污物。
冲击板和捕集板用中性洗涤剂浸泡,除去积尘和污物,再用蒸馏水清洗,最后用脱脂棉球沾95%的乙醇擦拭。
颗粒物采样器原理
颗粒物采样器是一种用于测量空气中颗粒物浓度的仪器。
其工作原理基于颗粒物在空气中的悬浮和沉降特性。
颗粒物采样器包括一个进气口和一个采样装置。
进气口通常位于采样器的上部,用于将大气中的空气引入仪器内。
采样装置通常由一个过滤器组成,用于捕集悬浮在空气中的颗粒物。
过滤器可以是一种特定的材料,如玻璃纤维滤纸,具有精细的孔隙结构,以便捕集不同大小的颗粒物。
当空气通过进气口进入采样器时,其速度会减小,使颗粒物在空气中悬浮并向下沉降。
由于采样装置中的过滤器具有细小的孔隙,悬浮在空气中的颗粒物无法通过过滤器的孔隙进入采样器内部,从而被捕集在过滤器上。
采样器通常通过一定的时间间隔更换过滤器,以便获得一定时间段内的颗粒物浓度数据。
更换过滤器后,可以使用不同的方法对过滤器上的颗粒物进行分析和计算,从而确定空气中颗粒物的浓度。
此外,为了确保采样器的准确性和可靠性,采样器通常还配备了温度传感器和湿度传感器,以监测和记录空气中的温度和湿度。
这些参数可以对颗粒物的浓度进行校正和修正,以提高测量结果的准确性。
总的来说,颗粒物采样器通过引导空气通过过滤器,可收集悬浮在空气中的颗粒物,并根据采集到的颗粒物进行浓度测量。
这种仪器广泛应用于环境监测、室内空气质量评估以及科学研究等领域。
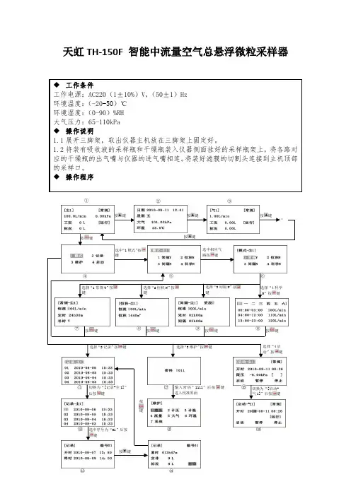
天虹TH -150F 智能中流量空气总悬浮微粒采样器◆ 工作条件工作电源:AC220(1±10%)V ,(50±1)Hz 环境温度:(-20-50)℃ 环境湿度:(0-90)%RH 大气压力:65-110kPa ◆ 操作说明1.1展开三脚架,取出仪器主机放在三脚架上固定好。
1.2将装有吸收液的采样瓶和干燥瓶装入仪器侧面挂好的采样瓶架上,将各路对应的干燥瓶的出气嘴与仪器的进气嘴相连。
将装好滤膜的切割头连接到主机顶部的采样口。
◆ 操作程序①按键按键按键选中“1模式”按键选中相应气 路按键②③④⑤⑥选择“1常规Y ”按键选择“2恒积N ”按键选择“3间隔N ”按键选择“4科学 N ”按键⑦ ⑧ ⑨ ⑩ 选择“2记录”按键 选择“3维护”按键选择“4启动”按键输入密码”1111”后按键进入校准界面切换为“[记录-尘1]”后按键选中序号为“01”后按键切换为“[启动- 气1]”后按键按键按键…按键按键按键按键按键按键采样结束后样品收集和处理大气采样:采样气体中的污染物流经吸收瓶中的特定吸收液而被吸收,采集后的样品需在实验室用规定的方法分析后,根据采样器的采样流量和采样时间求得其采样体积,并计算出相应污染物(SO2、NOx )的浓度。
颗粒物采样:采样结束后,打开采样头,用镊子轻轻取下滤膜,采样面向里,将滤膜对折,放入号码相同的滤膜袋中。
取滤膜时,如发现滤膜损坏,或滤膜上尘的边缘轮廓不清晰、滤膜安装歪斜等,表示采样时漏气,则本次采样作废,需重新采样。
尘膜与采样前相同的温度、湿度条件下平衡24小时后称量,记录此时尘膜的重量。
根据采样前后两次称重之差和才气体积,确定空气中颗粒物的浓度。
注意:采样前后称量滤膜的天平应为同一台天平。
环境颗粒物采样器使用说明书1. 产品介绍环境颗粒物采样器是一款用于采集大气中悬浮颗粒物的仪器。
它可以测量不同粒径的颗粒物,并提供准确的数据用于环境监测和分析。
本使用说明书将为您提供详细的操作指南和维护建议,以确保您能够正确使用该采样器并获得准确可靠的结果。
2. 安全注意事项- 在操作采样器之前,请确保您已经阅读并了解本使用说明书的内容。
- 在操作过程中,请佩戴适当的防护设备,如手套、口罩和护目镜,以保护自身安全。
- 避免触摸采样器的内部部件,以免造成污染或损坏。
- 使用合适的电源电压,并确保电源线路可靠接地,以避免电击风险。
- 请勿将采样器放置在高温、高湿度或腐蚀性环境中,以免影响其正常运行。
3. 操作步骤3.1 准备工作- 将采样器放置在平稳的台面上,并确保周围环境整洁。
- 检查电源线是否完好,并将电源线连接至稳定可靠的电源插座。
3.2 采样器设置- 打开采样器的电源开关,并等待系统自检完成。
- 使用触摸屏或按钮控制,输入所需的采样时间和采样流量。
- 确认设置无误后,按下开始按钮,采样器将开始正常运行。
3.3 采样器维护- 定期清洁采样器外壳和滤纸等部件,可以使用清洁布轻轻擦拭,避免使用化学溶剂。
- 定期校准和检查采样器的流量稳定性,可使用专业设备进行校准或联系维修人员。
- 及时更换滤纸或滤芯,以保证采样器的准确性和采样效率。
4. 数据分析和报告- 将采样器连接至计算机,导出采样数据。
- 使用专业软件进行数据分析和处理,生成质量报告或出具分析结果。
- 根据分析结果,采取相应的环境保护措施,并及时发布相关通知或公告。
5. 故障排除- 在采样器出现异常运行或故障时,请及时关闭电源,并排查故障原因。
- 您可以参考附带的故障排除指南,或联系售后服务人员进行咨询和维修。
- 请勿私自拆卸或修理采样器,以免造成其他故障或人身伤害。
6. 售后服务- 如您在使用过程中遇到任何问题或需要技术支持,请及时与我们联系。
一、空气中TSP、PM10、PM5及PM2.5的测定实验总悬浮颗粒物简称TSP,是指空气中空气动力学直径小于100μm的颗粒物。
测定TSP采用重量法。
所用的采样器按采气量大小,分为大流量采样器和中流量采样器。
方法的检出限为0.001mg/m3。
本实验选用中流量采样法。
1.原理通过具有一定切割特性的采样器,以恒速抽取定量体积的空气,空气中粒径小于100μm的悬浮颗粒物,被截留在已恒重的滤膜上。
根据采样前、后滤膜重量之差及采样体积,计算出TSP的质量浓度。
PM10、PM5及PM2.5的测定原理与之相同,但需要采用不同切割特性的采样器。
2.仪器⑴中流量采样器:采样器采样口的抽气速度为0.3m/s,采气流量(工作点流量)为100L/min。
⑵滤膜:超细玻璃纤维滤膜或聚氯乙烯等有机滤膜,直径9cm。
滤膜性能:滤膜对0.3μm标准粒子的截留效率不低于99%,在气流速度为0.45m/s时,单张滤膜阻力不大于3.5kPa,在同样气流速度下,抽取经高效过滤器净化的空气5h,每平方厘米滤膜失重不大于0.012mg。
⑶滤膜袋:用于存放采样后对折的采尘滤膜。
袋面印有编号、采样日期、采样地点、采样人等项栏目。
⑷滤膜保存盒:用于保存滤膜,保证滤膜在采样前处于平展不受折状态。
⑸镊子:用于夹取滤膜。
⑹X光看片机:用于检查滤膜有无缺损。
⑺打号机:用于在滤膜及滤膜袋上打号。
⑻恒温恒湿箱:箱内空气温度要求在15~30℃范围内连续可调,控温精度±1℃;箱内空气相对湿度应控制在45%~55%范围内。
恒温恒湿箱可连续工作。
⑼分析天平:感量0.1mg 。
⑽中流量孔口流量计:量程75~125L/min;准确度不超过±2%。
附有与孔口流量计配套的U 型管压差计(或智能流量效准器),最小分度值10Pa 。
⑾气压计。
⑿温度计 3.步骤⑴中流量采样器流量校准(用中流量孔口流量计校准):(注:本次实验不做)新购置或维修后的采样器在启用前,需进行流量校准;正常使用的采样器每月需进行一次流量校准。
弘光科技大學環工系空氣污染實驗PM10(高流量採樣器)一、目的:利用PM10高流量採樣器,採集空氣中小於10μm之微粒,是否符合空氣品質標準以判定是否有害,並以離子層析(IC)分析微粒中陰離子種類與濃度。
二、原理:2.1 PM10原理美國環保署於1987年宣布以PM10代替TSP當為空氣品質標準中之微粒項目,PM10意義微小於10μm之微粒濃度,其標準為在24小時之採樣下,PM10濃度不得大於150 mg/stdm3,由於小微粒能進入至人體之呼吸道,因此PM10之數據就顯得非常重要。
本實驗所用之儀器為高流量PM10採樣器(圖一),空氣由入口處吸入經由噴嘴加速,大於10μm之微粒會因慣性作用撞擊在塗grease的衝擊板上,而小於10μm之微粒跟隨流線經由vent tube撞擊在濾紙由濾紙收集。
因為氣體流速與收進微粒之粒徑有關,為了收集小於10μm之微粒此設計之流量須維持在1.13 m3/min (40 ft3/min) ,流量則由濾紙下方的臨界流孔(critical orifice) 控制。
2.2離子層析儀原理離子層析法是一種可以分離各種陰離子或陽離子之層析法,其原理為以離子交換樹脂當作靜相,分析物離子與流洗液得離子在樹脂上進行離子交換平衡反應,利用不同離子對離子交換樹脂的親和力之不同而達到分離的目的。
此實驗是藉陰離子交換層析法來分離樣品中的陰離子,並以電導度計來偵測之。
所使用的分離管柱是裝填有低容量(low capacity)之陰離子或陽離子交換樹脂,但由於所使用之流洗液(Eluent)是容易解離的陰離子電解質溶Na2CO3/NaHCO3,而且其濃度又比待測離子大很多,所以偵測到的分析離子訊號都要比流洗液所產生的背景訊號為小,因此分析結果的誤差就相當大,也無法分析濃度較低的待測離子。
為了解決此一問題通常是在分離管柱之後、電導度偵測器之前多加一個抑制裝置(Suppressor),它能有效的將流洗液轉變成微弱電解質,當此弱電解質溶液流過電導度計偵測時,只會微量解離,故產生較小之導電度,而且此導電度又為一定值,故可再儀器上歸零。
智能TSP颗粒物采样器的采样步骤有哪些?
智能TSP颗粒物采样器应用滤膜称重法捕集环境大气中的总悬浮微粒(TSP)和可吸入微粒(PM10)或细颗粒物(PM2.5)。
可供环保、卫生、劳动、安监科研、教育等部门用于气溶胶常规监测。
RH-2031型智能TSP颗粒物采样器采用高精度进口压力传感器,原创流量算法,采样流量稳定。
采用优质无刷风机,低噪音,高负载,保证长时间连续运行。
采样器体积小,便于携带。
那么我们应该如何操作使用呢?下面为大家介绍一下仪器的采样步骤。
1、干燥、避阳处,将仪器放置平稳或放置在三角支架上。
2、将采样滤膜装进TSP采样头里面并正确的组装采样头,再将其拧紧在采样器上。
3、确认电源为交流220V后,接通电源线,打开电源开关;或者直接使用内置锂电池开机,查看采样器自检时有没有错误提示,若有,请排除后再使用。
4、在菜单选择状态时,按左键可以循环选中菜单;按右键执行选中的菜单功能;按取消键退回到上一级菜单。
5、参数修改时,按、键有循环移位功能,可以选中需要修改的位;按、键可以对选中的位进行在0~9之间循环修改;按键确认修改好的数字;若取消本次修改操作,则按键,原数据保持不变。
精彩文档
精彩文档
精彩文档
精彩文档
精彩文档
精彩文档
精彩文档
精彩文档
精彩文档
精彩文档
精彩文档
精彩文档
精彩文档
精彩文档
精彩文档
精彩文档
精彩文档
精彩文档
精彩文档
精彩文档
精彩文档
精彩文档
精彩文档
注:空气样品采集时记录空气温度、大气压、温度等气象参数,废气样品采集时须测定烟气温度、压力、含湿量、流速和流量等烟气参数。
参考文献:《空气和废气监测分析方法》(第四版)
《空气中又喊物质的测定方法》(第二版)
相关的监测方法国家标准
精彩文档。
百特推出雾霾检测利器“BTPM—AS1智能PM2.5采样器”一、产品简介:BTPM—AS1智能环境空气颗粒物采样器,获得5项创造专利的、世界首创的智能环境空气颗粒物采样器。
它内置十万分之一电子天平,在机械手和掌控系统的作用下实现自动采样和称量,并通过GPRS系统将数据传输到指定的网站上,从而实现自动采样,自动称量和远程数据传输。
此外,系统还设有滤膜更换系统、恒温恒湿系统,除静电系统、触摸屏显示系统和气路系统等。
BTPM—AS1实现了空气颗粒物采样工作由手工到智能的变化,节省了人力,降低了成本,提高了效率,保证了质量,是新一代的环境空气颗粒物采样器。
PM2.5PM10一体化智能采样器双通道智能环境空气颗粒物采样器BTPM—AS2BTPM—AS2采纳了百特独有的专利技术PM2.5PM10双通道切割器的环境空气颗粒物采样器,这种切割器可将PM2.5和2.5—10m的颗粒分流到两个通道中,实现了同时分别过滤收集,同时得到PM10和PM2.5两种颗粒。
这种采样器的优点效率高,可有效避开PM2.5和PM10“倒挂”的现象发生。
除所用的切割器不同外,BTPM—AS2的其余性能与BTPM—AS1完全相同。
二、重要技术指标与性能:序号项目性能指标序号项目性能指标1称量精度十万分之一克(10ug)7恒定温度251℃2滤膜数30个8恒定湿度50%3%3采样时间1—30天9流量掌控质量流量计,工况/标况4采样对象PM1、PM2.5、PM10、TSP10滤膜PTFE,直径47mm5空气流量16.67升/分钟11掌控系统单片机掌控,触摸屏操作6除静电离子风12运行环境室内,15℃—25℃7防震系统工作台3级,天平4级13电源220VAC,400W三、执行标准:《HJ93—2023环境空气颗粒物(PM10和PM2.5)采样器技术要求与检测方法》《HJ656—2023环境空气颗粒物(PM2.5)手工监测方法(重量法)技术规范》《环境空气质量监测规范(试行)》四、重要应用领域:环境空气监测站:做为标准采样器,用来与自动监测仪器进行手工平行对比。
智能中流量总悬浮颗粒物采样器,PM10采样器产品介绍
智能中流量总悬浮颗粒物采样器,PM10采样器产品概述:
总悬浮颗粒物采样器,指能够采集空气中空气动力学当量直径<100 颗粒物的采样器,PM10采样器指能够采集空气中空气动力学当量直径<10 颗粒物的采样器,PM2.5采样器指能够采集空气中空气动力学当量直径<10 颗粒物的采样器。
空气动力学当量直径指密度为1000 kg/m 的球形粒子直径。
采样器按采气流量分为两类,大流量采样器:工作点流量为1.05 L/min 的采样器,中流量采样器:工作点流量为0.10L /min的采样器。
本仪器应用滤膜称重法捕集环境大气中的总悬浮微粒(如TSP、PM10、PM2.5等),广泛应用于环保、职业卫生、厂矿企业、大专院校、科研等机构。
智能中流量总悬浮颗粒物采样器,PM10采样器采用标准
JJG 943-2011 《总悬浮颗粒物采样器》
HJ/T 374-2007 《总悬浮颗粒物采样器技术要求及检测方法》
HJ 618-2011 《环境空气PM10和PM2.5的测定重量法》
HJ 93-2013 《环境空气颗粒物(PM10和PM2.5)采样器技术要求及检测方法》
Q/0213TWB 001-2014 企业标准
智能中流量总悬浮颗粒物采样器,PM10采样器主要特点
1.采用无刷电机,可连续长时间工作;
2.电子流量计,恒流采样;
3.具有实时时钟,可设置定时采样,等间隔多次采样;
4. TSP/PM10/ PM5/PM2.5采样头采用铝合金材质,抗静电吸附;
5.自动测量温度、气压,自动计算标况采样体积;
6.体积小、重量轻,携带方便;
7.大尺寸中文点阵式液晶显示屏;
8.随温度不同,自动调节液晶显示屏对比度,可在零下20度正常工作;
9.掉电保护功能,来电自动采样;
10.采样数据可打印,也可U盘导出;
11.可外接便携式交直流电源野外进行采样。
采样头指标
TC-120F型智能TSP、PM10、PM2.5采样器
装箱单。