墙梁计算规则等
- 格式:doc
- 大小:83.00 KB
- 文档页数:8
本文从网络收集而来,上传到平台为了帮到更多的人,如果您需要使用本文档,请点击下载,另外祝您生活愉快,工作顺利,万事如意!《砌体结构设计规范》GB 50003-2011【13条】3.2.1 龄期为28d 的以毛截面计算的砌体抗压强度设计值,当施工质量控制等级为B 级时,应根据块体和砂浆的强度等级分别按下列规定采用:1 烧结普通砖、烧结多孔砖砌体的抗压强度设计值,应按表3.2.1-1采用。
注:当烧结多孔砖的孔洞率大于30%时,表中数值应乘以0.9。
2 混凝土普通砖和混凝土多孔砖砌体的抗压强度设计值,应按表3.2.1-2采用。
3 蒸压灰砂普通砖和蒸压粉煤灰普通砖砌体的抗压强度设计值,应按3.2.1-3 采用。
注:当采用专用砂浆砌筑时,其抗压强度设计值按表中数值采用。
4 单排孔混凝土和轻集料混凝土砌块对孔砌筑砌体的抗压强度设计值,应按表3.2.1-4 采用。
注: 1 对独立柱或厚度为双排组砌的砌块砌体,应按表中数值乘以0.7;2 对T 形截面墙体、柱,应按表中数值乘以0.85 。
5 单排孔混凝土砌块对孔砌筑时,灌孔砌体的抗压强度设计值fg,应按下列方法确定:1)混凝土砌块砌体的灌孔混凝土强度等级不应低于Cb20,且不应低于1.5 倍的块体强度等级。
灌孔混凝土强度指标取同强度等级的混凝土强度指标。
2) 灌孔混凝土砌块砌体的抗压强度设计值fg,应按下列公式计算:6 双排孔或多排孔轻集料混凝土砌块砌体的抗压强度设计值,应按表3.2.1-5 采用。
7 块体高度为180mm~350mm 的毛料石砌体的抗压强度设计值,应按3.2.1-6 采用。
注:对细料石砌体、粗料石砌体和干砌勾缝石砌体,表中数值应分别乘以调整系数1.4 、1.2 和0.8 。
8 毛石砌体的抗压强度设计值,应按表3.2.1-7 采用。
3.2.2 龄期为28d 的以毛截面计算的各类砌体的轴心抗拉强度设计值、弯曲抗拉强度设计值和抗剪强度设计值,应符合下列规定:1 当施工质量控制等级为B 级时,强度设计值应按表3.2.2 采用:2 单排孔混凝土砌块对孔砌筑时,灌孔砌体的抗剪强度设计值f vg应按下式计算:式中: fg——灌孔砌体的抗压强度设计值(MPa) 。
《砌体结构设计规范》GB 50003-2011【13条】3.2.1 龄期为 28d 的以毛截面计算的砌体抗压强度设计值,当施工质量控制等级为 B 级时,应根据块体和砂浆的强度等级分别按下列规定采用:1 烧结普通砖、烧结多孔砖砌体的抗压强度设计值,应按表 3.2.1-1采用。
注:当烧结多孔砖的孔洞率大于30%时,表中数值应乘以0.9。
2 混凝土普通砖和混凝土多孔砖砌体的抗压强度设计值,应按表3.2.1-2采用。
3 蒸压灰砂普通砖和蒸压粉煤灰普通砖砌体的抗压强度设计值,应按3.2.1-3 采用。
注:当采用专用砂浆砌筑时,其抗压强度设计值按表中数值采用。
4 单排孔混凝土和轻集料混凝土砌块对孔砌筑砌体的抗压强度设计值,应按表3.2.1-4 采用。
注: 1 对独立柱或厚度为双排组砌的砌块砌体,应按表中数值乘以0.7;2 对T 形截面墙体、柱,应按表中数值乘以0.85 。
5 单排孔混凝土砌块对孔砌筑时,灌孔砌体的抗压强度设计值fg,应按下列方法确定:1)混凝土砌块砌体的灌孔混凝土强度等级不应低于Cb20,且不应低于1.5倍的块体强度等级。
灌孔混凝土强度指标取同强度等级的混凝土强度指标。
2) 灌孔混凝土砌块砌体的抗压强度设计值fg,应按下列公式计算:6 双排孔或多排孔轻集料混凝土砌块砌体的抗压强度设计值,应按表 3.2.1-5 采用。
7 块体高度为180mm~350mm 的毛料石砌体的抗压强度设计值,应按3.2.1-6采用。
注:对细料石砌体、粗料石砌体和干砌勾缝石砌体,表中数值应分别乘以调整系数1.4 、1.2 和0.8 。
8 毛石砌体的抗压强度设计值,应按表3.2.1-7 采用。
3.2.2 龄期为28d 的以毛截面计算的各类砌体的轴心抗拉强度设计值、弯曲抗拉强度设计值和抗剪强度设计值,应符合下列规定:1 当施工质量控制等级为B 级时,强度设计值应按表3.2.2 采用:2 单排孔混凝土砌块对孔砌筑时,灌孔砌体的抗剪强度设计值f vg应按下式计算:式中: fg——灌孔砌体的抗压强度设计值(MPa) 。
钢结构计算规则为了建立和健全公司预(结)算管理体系,统一钢结构工程量计算标准,规范预(结)算管理行为,有效控制项目实施运营成本,确保实现项目利益最大化,特制订本规则。
本规则适用于公司本级和各事业部对外商务报价、计划利润的测算、工程竣工决算、项目经理(或分包单位)承包费用和公司内部加工制作费用的结算管理。
一、工程量计算原则(一)、商务报价工程量的计算原则1、商务报价按招(投)标方案图或招标施工图计算工程量。
2、按招(投)标方案图报价的项目,如工程量由公司设计院负责提供的,则公司设计院在提供工程量时须注明设计使用软件、设计依据及荷载、适用规范、建筑物基本尺寸、构件型号规格等,手工计算部分工程量须提供详细的计算稿,计算稿须经计算人员和审核人员签名确认后方可提供。
如工程量由商务技术部门负责编制的,则由商务技术部门按照招(投)标方案图计算好工程量,并保存好工程量计算稿。
3、按招(投)标施工图报价的项目,由商务技术部门负责,按照招(投)标施工图计算工程量,并保存好工程量计算稿。
4、投标项目中标后,由商务技术部门负责将投标文件[包括招(投)标方案图或施工图、工程量计算稿、综合单价测算表及计算稿等资料]整理成册后,存档备查。
5、投标项目中标后,招(投)标方案图或施工图必须由营销部门负责送项目发包单位或招标单位进行书面确认后,方可移交商务技术部门存档。
6、中标项目的招(投)标方案图或施工图,如项目发包单位(或招标单位)在招标结束后要求退还的,则由营销部门负责将招(投)标方案图或施工图复印后,送项目发包单位(或招标单位)书面确认后,移交商务技术部门存档。
7、工程变更或设计变更联系单的工程量计算原则,参照商务报价工程量计算原则执行。
(二)、项目竣工决算(或进度结算)工程量的计算原则1、营销部门在签订工程施工承包[或构(配)件及材料供应]合同时,须明确项目竣工决算(或进度结算)工程量的计算标准及规则。
2、工程量按实结算的项目和实行暂定总价包干、但工程量需根据实际变更进行调整的项目,营销部门在签订合同时,须明确工程量按最终版深化设计图计算。
《砌体结构设计规范》GB 50003-2011【13条】3.2.1 龄期为 28d 的以毛截面计算的砌体抗压强度设计值,当施工质量控制等级为 B 级时,应根据块体和砂浆的强度等级分别按下列规定采用:1 烧结普通砖、烧结多孔砖砌体的抗压强度设计值,应按表 3.2.1-1采用。
注:当烧结多孔砖的孔洞率大于30%时,表中数值应乘以0.9。
2 混凝土普通砖和混凝土多孔砖砌体的抗压强度设计值,应按表3.2.1-2采用。
3 蒸压灰砂普通砖和蒸压粉煤灰普通砖砌体的抗压强度设计值,应按3.2.1-3 采用。
注:当采用专用砂浆砌筑时,其抗压强度设计值按表中数值采用。
4 单排孔混凝土和轻集料混凝土砌块对孔砌筑砌体的抗压强度设计值,应按表3.2.1-4 采用。
注: 1 对独立柱或厚度为双排组砌的砌块砌体,应按表中数值乘以0.7;2 对T 形截面墙体、柱,应按表中数值乘以0.85 。
5 单排孔混凝土砌块对孔砌筑时,灌孔砌体的抗压强度设计值fg,应按下列方法确定:1)混凝土砌块砌体的灌孔混凝土强度等级不应低于Cb20,且不应低于1.5倍的块体强度等级。
灌孔混凝土强度指标取同强度等级的混凝土强度指标。
2) 灌孔混凝土砌块砌体的抗压强度设计值fg,应按下列公式计算:6 双排孔或多排孔轻集料混凝土砌块砌体的抗压强度设计值,应按表 3.2.1-5 采用。
7 块体高度为180mm~350mm 的毛料石砌体的抗压强度设计值,应按3.2.1-6采用。
注:对细料石砌体、粗料石砌体和干砌勾缝石砌体,表中数值应分别乘以调整系数1.4 、1.2 和0.8 。
8 毛石砌体的抗压强度设计值,应按表3.2.1-7 采用。
3.2.2 龄期为28d 的以毛截面计算的各类砌体的轴心抗拉强度设计值、弯曲抗拉强度设计值和抗剪强度设计值,应符合下列规定:1 当施工质量控制等级为B 级时,强度设计值应按表3.2.2 采用:2 单排孔混凝土砌块对孔砌筑时,灌孔砌体的抗剪强度设计值f vg应按下式计算:式中: fg——灌孔砌体的抗压强度设计值(MPa) 。
框架柱规范要求一、《混凝土结构设计规范》(GB50010—2010):1、4.2.1-2:梁、柱纵向受力钢筋应采用HRB400、HRB500、HRBF400、HRBF500钢筋。
2、设计使用年限为50年,混凝土保护层最小厚度:一类环境20mm,二a类环境25mm,二b类环境35mm,三a类环境40mm,三b类环境50mm。
(设计使用年限为100年时最外层保护层厚度为50年数值的1.4倍。
混凝土等级不大于C25时,保护层厚度增加5mm。
)3、柱中纵向钢筋的配置规定:1)柱中纵向受力钢筋直径不宜小于12mm,全部纵向钢筋的配筋率不宜大于5%;2)柱中纵向受力钢筋的净间距不应小于50mm,且不宜大于300mm;3)偏心受压柱的截面高度不小于600mm时,在柱的侧面上应设置直径不小于10mm的纵向构造钢筋,并相应设置复合箍筋或拉筋;4)圆柱中纵向钢筋不宜少于8根,不应少于6根,且宜沿周边均匀布置;5)在偏心受压柱中,垂直于弯矩作用平面的侧面上的纵向受力钢筋以及轴心受压柱中个边的纵向受力钢筋,其中距不宜大于300mm。
4、柱中箍筋应符合下列规定:1)箍筋直径不应小于d/4,且不应小于6mm,d为纵向钢筋的最大直径;2)箍筋间距不应大于400mm及构件截面的短边尺寸,且不应大于15d,d为纵向钢筋的最小直径;3)柱及其他受压构件中的周边箍筋应做成封闭式;对圆柱中的箍筋,搭接长度不应小于规范8.3.1条规定的锚固长度,且末端应做成135°弯钩,弯钩末端平直段长度不应小于5d,d为箍筋直径;4)当柱截面短边尺寸大于400mm且各边总下次昂钢筋多余3根时,或当柱截面短边尺寸不大于400mm但各边钟祥钢筋多余4根时,应设置复合箍筋;5)注重全部纵向受力赶紧的配筋率大于3%时,箍筋直径不应小于8mm,间距不应大于10d,强切不应大于200mm。
箍筋末端应做成135°弯钩,且弯钩末端平直段长度不应小于10d,d为纵向受力钢筋的最小直径;6)在配有螺旋式或焊接环式箍筋的柱中,如在正截面受压承载力计算中考虑间接钢筋的作用时,箍筋间距不应大于80mm及dcor/5,且不宜小于40mm,dcor 为按箍筋内表面确定的核心截面直径。
平法规则精华:墙梁板柱应如何计算?
框架结构中的柱、板、梁、墙构件的配筋在平法规则中的内容,哪些您还不知道?
柱
≥LaE(LaE,35d)
;端
梁
端支座钢筋Max(LaE,hc-保护层+15d),LaE是直锚长度标准,当弯锚时,在弯折上钢筋的锚固机理发生本质的变化,不应以LaE作为衡量弯锚长度的标准。
第一排都是通长筋时,下排支座负筋为第二排从1/3,第三排为1/4,依次类推。
侧部钢筋:侧部受扭钢筋与梁下部钢筋锚固相同;侧部构造钢筋锚固15d。
下部钢筋:能通则通,图集上为支座处两端均锚固。
箍筋长度:周长(中心线)+11.9d×2。
屋面框架梁梁带悬挑:当屋面框架梁延伸出来时,其配筋构造由设计者补充。
墙
墙身水平筋:内侧钢筋伸至对边弯折15d。
遇暗柱时,无论暗柱多长,均需伸到对边
过。
混凝土、钢筋混凝土及模板及支撑工程工程量计算规则一、一般规则1、基础(1)基础与墙、柱的划分,均以基础扩大顶面为界。
(2)有肋式带形基础,肋高与肋宽之比在4:1以为的按有肋式带形基础计算,肋高与肋宽之比超过4:1的,其底板按板式带形基础计算,以上部分按墙计算。
(3)箱式满堂基础应分别按满堂基础、柱、墙、梁、板有关规定计算。
(4)设备基础除块体外,其他类型设备基础分别按基础、梁、柱、板墙等有关规定计算。
(5)基础侧边弧形增加费按弧形接触面长度计算,每个面计算一道2、柱(1)有梁板的柱高按基础上表面或楼板上表面至楼板上表面。
(1)无梁板的柱高按基础上表面或楼板上表面至柱帽下表面计算。
(3)构造柱的柱高有梁时按梁间的高度(不含梁高),无梁时按全高计算。
(4)依附柱上的牛腿,并入柱内计算。
(5)单面附墙柱并入墙内计算;双面附墙柱按柱计算3、梁(1)梁与柱连接时,梁长算至柱侧面。
(2)主梁与次梁连接时,次梁长算至主梁侧面。
(3)圈梁与过梁连接时,过梁长度按门窗洞口宽度共加500mm计算。
(4)现浇挑梁的悬挑部分按单梁计算,嵌入墙身部分分别按圈梁、过梁计算。
4、板(1)有梁板包括主梁、次梁与板,梁板合并计算。
(2)无梁板的柱帽并入板内计算。
(3)平板与圈梁、过梁连接时,板算至梁的侧面。
(4)预制板缝宽度在60mm以上时,按现浇平板计算,60mm宽一下的板缝已在接头的子目内考虑,不再列项计算。
5、墙(1)墙与梁重叠,当墙厚等于梁宽时,墙与梁合并按墙计算,当墙厚小于梁宽时,墙梁分别计算。
(2)墙与板相交,墙高算至板的底面。
(3)墙净长小于或等于4倍的墙厚时,按柱计算,墙净长大于4倍的墙厚,而小于或等于7倍的墙厚时,按断肢剪力墙计算。
6、其他(1)带反梁的雨篷按有梁板定额子目计算(2)零星混凝土构件,系指每件体积在0.05m³以内的未列出定额项目的构件(3)现浇挑檐天沟与板(包括屋面板、楼板)连接时,以外墙为分界线,与圈梁(包括其他梁)连接时,以梁外边线为分界线。
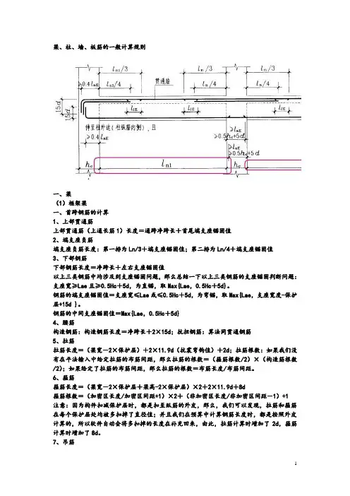
梁、柱、墙、板筋的一般计算规则一、梁(1)框架梁一、首跨钢筋的计算1、上部贯通筋上部贯通筋(上通长筋1)长度=通跨净跨长+首尾端支座锚固值2、端支座负筋端支座负筋长度:第一排为Ln/3+端支座锚固值;第二排为Ln/4+端支座锚固值3、下部钢筋下部钢筋长度=净跨长+左右支座锚固值以上三类钢筋中均涉及到支座锚固问题,那么总结一下以上三类钢筋的支座锚固判断问题:支座宽≥Lae且≥0.5Hc+5d,为直锚,取Max{Lae,0.5Hc+5d}。
钢筋的端支座锚固值=支座宽≤Lae或≤0.5Hc+5d,为弯锚,取Max{Lae,支座宽度-保护层+15d }。
钢筋的中间支座锚固值=Max{Lae,0.5Hc+5d}4、腰筋构造钢筋:构造钢筋长度=净跨长+2×15d;抗扭钢筋:算法同贯通钢筋5、拉筋拉筋长度=(梁宽-2×保护层)+2×11.9d(抗震弯钩值)+2d;拉筋根数:如果我们没有在平法输入中给定拉筋的布筋间距,那么拉筋的根数=(箍筋根数/2)×(构造筋根数/2);如果给定了拉筋的布筋间距,那么拉筋的根数=布筋长度/布筋间距。
6、箍筋箍筋长度=(梁宽-2×保护层+梁高-2×保护层)×2+2×11.9d+8d箍筋根数=(加密区长度/加密区间距+1)×2+(非加密区长度/非加密区间距-1)+1注意:因为构件扣减保护层时,都是扣至纵筋的外皮,那么,我们可以发现,拉筋和箍筋在每个保护层处均被多扣掉了直径值;并且我们在预算中计算钢筋长度时,都是按照外皮计算的,所以软件自动会将多扣掉的长度在补充回来,由此,拉筋计算时增加了2d,箍筋计算时增加了8d。
7、吊筋吊筋长度=2×锚固(20d)+2×斜段长度+次梁宽度+2×50,其中框梁高度>800mm夹角=60°≤800mm夹角=45°二、中间跨钢筋的计算1、中间支座负筋中间支座负筋:第一排为:Ln/3+中间支座值+Ln/3;第二排为:Ln/4+中间支座值+Ln/4 注意:当中间跨两端的支座负筋延伸长度之和≥该跨的净跨长时,其钢筋长度:第一排为:该跨净跨长+(Ln/3+前中间支座值)+(Ln/3+后中间支座值);第二排为:该跨净跨长+(Ln/4+前中间支座值)+(Ln/4+后中间支座值)。
梁、柱,板、墙里的钢筋计算规则技术要求2010-10-10 22:20:50 阅读192 评论0 字号:大中小订阅钢筋计算原理及计算方法钢筋重量=钢筋长度*根数*理论重量钢筋长度=净长+节点锚固+搭接+弯钩(一级抗震)柱基础层:筏板基础〈=2000mm时,基础插筋长度=基础层层高-保护层+基础弯折a+基础纵筋外露长度HN/3+与上层纵筋搭接长度LLE(如焊接时,搭接长度为0)筏板基础〉2000mm时,基础插筋长度=基础层层高/2-保护层+基础弯折a+基础纵筋外露长度HN/3+与上层纵筋搭接的长度LLE(如焊接时,搭接长度为0)地下室:柱纵筋长度=地下室层高-本层净高HN/3+首层楼层净高HN/3+与首层纵筋搭接LLE(如焊接时,搭接长度为0)首层:柱纵筋长度=首层层高-首层净高HN/3+max(二层净高HN/6,500,柱截面边长尺寸(圆柱直径))+与二层纵筋搭接的长度LLE(如焊接时,搭接长度为0)中间层:柱纵筋长度=二层层高-max(二层层高HN/6,500,柱截面尺寸(圆柱直径))+max(三层层高HN/6,500,柱截面尺寸(圆柱直径))+与三层搭接LLE(如焊接时,搭接长度为0)顶层:角柱:外侧钢筋长度=顶层层高-max(本层楼层净高HN/6,500,柱截面长边尺寸(圆柱直径))-梁高+1.5LAE内侧钢筋长度=顶层层高-max(本层楼层净高HN/6,500,柱截面长边尺寸(圆柱直径))-梁高+LAE其中锚固长度取值:当柱纵筋伸入梁内的直径长〈LAE时,则使用弯锚,柱纵筋伸至柱顶后弯折12d,锚固长度=梁高-保护层+12d;当柱纵筋伸入梁内的直径长〉=LAE时,则使用直锚:柱纵筋伸至柱顶后截断,锚固长度=梁高-保护层,当框架柱为矩形截面时,外侧钢筋根数为:3根角筋,b边钢筋总数的1/2,h边总数的1/2。
内侧钢筋根数为:1根角筋,b边钢筋总数的1/2,h边总数的1/2。
边柱:外侧钢筋长度=顶层层高-max(本层楼层净高HN/6,500,柱截面长边尺寸(圆柱直径))-梁高+1.5LAE内侧钢筋长度=顶层层高-max(本层楼层净高HN/6,500,柱截面长边尺寸(圆柱直径))-梁高+LAE 当框架柱为矩形截面时,外侧钢筋根数为:2根角筋,b边一侧钢筋总数内侧钢筋根数为:2根角筋,b边一侧钢筋总数,h边两侧钢筋总数。
钢结构预算注意事项及计算规则钢结构预算注意事项及计算规则在进行钢结构预算时,需要注意以下几点:1.必须区分材料,不同种类的钢材价格不同,应分开计算,不宜把量裹一起。
2.定额所用钢材必须与定额中材料一致,含量也要一致,不一致时应进行调整。
3.所有钢结构构件都必须刷防火涂料,小型构件也不能漏算。
4.钢结构节点必须明确其连接方式,以便施工工艺不漏算。
造价中影响钢结构的因素在进行钢结构造价估算时,主要受以下因素影响:1.设计的保守程度。
2.市场材料价格。
3.施工队伍的水平,直接影响制作、运输、安装的损耗及速度。
4.与消防部门的沟通,防火涂料是一笔不小的费用。
钢结构工程量计算规则以下是钢结构工程量计算规则:1.预埋件部分,预埋锚栓按规格、长度分别计算,以规格分类按套数计算报价,内部结算以吨位计算。
2.钢柱预埋件工程量并入钢柱工程量中,门框柱等预埋件单列。
3.钢柱的柱脚板及加劲板的工程量并入钢柱工程量中,门框柱等预埋件单列。
4.钢柱(等截面)的翼缘板和腹板的工程量计算方法为:翼缘板宽度乘以翼缘板的理论重量,腹板的理论重量为腹板截面高度乘以该规格的理论重量。
5.钢柱(变截面)的翼缘板计算方法与等截面柱翼缘板计算方法相同。
2、工程中有吊车梁,钢柱顶标高减去柱底板板柱上焊牛腿(H型钢)的高度,再减去柱脚板厚度和顶部节点板厚度,得到腹板的最大截面高度。
腹板的重量计算方法与钢梁相同,工程量并入钢柱的计量中。
3、钢柱(等截面)的总重量计算公式为:钢柱实际高度乘以该型号的理论重量乘以根数乘以榀数(参照钢架量布置图)。
其中,理论重量计算方法为:翼缘板宽度乘以翼缘板的理论重量乘以2,再加上腹板截面高度减去两块翼缘板厚度的差乘以腹板的理论重量。
钢板的理论重量为7.85乘以板厚。
1、钢梁(屋面有坡度)的计量规则为:翼缘板的重量为梁实际长度减去端头节点板厚度后乘以翼缘板宽度再乘以翼缘板的理论重量;腹板的重量为梁实际长度减去端头节点板厚度后乘以腹板截面高度减去两块翼缘板厚度的差再乘以腹板的理论重量。
《砌体结构设计规范》GB 50003-2011【13条】3.2.1 龄期为 28d 的以毛截面计算的砌体抗压强度设计值,当施工质量控制等级为 B 级时,应根据块体和砂浆的强度等级分别按下列规定采用:1 烧结普通砖、烧结多孔砖砌体的抗压强度设计值,应按表 3.2.1-1采用。
注:当烧结多孔砖的孔洞率大于30%时,表中数值应乘以0.9。
2 混凝土普通砖和混凝土多孔砖砌体的抗压强度设计值,应按表3.2.1-2采用。
3 蒸压灰砂普通砖和蒸压粉煤灰普通砖砌体的抗压强度设计值,应按3.2.1-3 采用。
注:当采用专用砂浆砌筑时,其抗压强度设计值按表中数值采用。
4 单排孔混凝土和轻集料混凝土砌块对孔砌筑砌体的抗压强度设计值,应按表3.2.1-4 采用。
注: 1 对独立柱或厚度为双排组砌的砌块砌体,应按表中数值乘以0.7;2 对T 形截面墙体、柱,应按表中数值乘以0.85 。
5 单排孔混凝土砌块对孔砌筑时,灌孔砌体的抗压强度设计值fg,应按下列方法确定:1)混凝土砌块砌体的灌孔混凝土强度等级不应低于Cb20,且不应低于1.5倍的块体强度等级。
灌孔混凝土强度指标取同强度等级的混凝土强度指标。
2) 灌孔混凝土砌块砌体的抗压强度设计值fg,应按下列公式计算:6 双排孔或多排孔轻集料混凝土砌块砌体的抗压强度设计值,应按表 3.2.1-5 采用。
7 块体高度为180mm~350mm 的毛料石砌体的抗压强度设计值,应按3.2.1-6采用。
注:对细料石砌体、粗料石砌体和干砌勾缝石砌体,表中数值应分别乘以调整系数1.4 、1.2 和0.8 。
8 毛石砌体的抗压强度设计值,应按表3.2.1-7 采用。
3.2.2 龄期为28d 的以毛截面计算的各类砌体的轴心抗拉强度设计值、弯曲抗拉强度设计值和抗剪强度设计值,应符合下列规定:1 当施工质量控制等级为B 级时,强度设计值应按表3.2.2 采用:2 单排孔混凝土砌块对孔砌筑时,灌孔砌体的抗剪强度设计值f vg应按下式计算:式中: fg——灌孔砌体的抗压强度设计值(MPa) 。
钢结构工程量详细计算规则说明高层 4钢 梁箱型梁T箱型梁:梁实际净长*该规格的理论重量箱型梁理论重量:〔B*厚度*7.85kg/m 3*2+(A -2a )*厚度*7.85kg/m 3*2〕1、箱型梁内的隔板、夹板等节点板参照借点详图计算,工程量并入梁内计算2、如单个加劲板或隔板、夹板等节点板孔洞面积在0.3m 2以内的不扣除孔洞面积;如在0.3m 2以上需扣除孔洞面积3、总重:单根箱型梁重量*根数(参照钢梁布置图)高层 5异型梁截面尺寸不规则的钢梁或者如曲梁等 T组成异型梁的各构件相应计算规则计算 1、在计算异型梁工程量时按照图纸节点详图把相关的节点板工程量计算出来(如节点板形状为不规则或多边形钢板以其最小外接矩形面积*板厚*7.85kg/m 3)。
高层6备注:H 型钢柱、柱间支撑(如垂直支撑)、钢梁支撑(如水平支撑、角隅撑、圆管压杆等)、钢楼梯、钢栏杆参照轻钢类工程计算规则计算工程量(一)板材工程量计算规则序号项目名称构件名称图示计量单位工程量计算规则备注8 气楼板侧板及顶板m2侧板:气楼柱高度*气楼总长度+两侧立面顶板:气楼展开宽度*气楼总长度9雨篷板上层板m2(挑梁长度-墙梁宽度-钢板天沟宽度+雨篷上层板伸出天沟长度150mm)*雨篷长度10 保温棉m2(挑梁长度-墙梁宽度)*雨篷长度11 下层板m2(挑梁长度-墙梁宽度)*雨篷长度12 侧板m2(钢板天沟高度+雨篷挑梁高度)*雨篷展开长度13 楼层钪板楼层钪板m2楼层面积-楼梯面积-电梯井面积-楼层洞口在3m2以上的洞口面积14 落水系统Φ200Φ150Φ100Φ75m天沟底至设计室外地面标高+500mm,以延长米计算(二)门窗工程量计算规则序号项目名称构件名称类型计量单位工程量计算规则备注1门窗部分窗铝合金推拉铝合金固定塑钢推拉窗塑钢固定百叶窗m2实际设计洞口面积(长*宽)2门推拉门m2(设计门洞高度+100mm)*(设计门洞宽度+100mm*2)推拉门单价中包括滑轨部分,不用计算滑轨部分材料工程量3 卷帘门m2(门洞高度+400mm)*(门洞宽度+150mm*2)卷帘门为爱诺卷帘门则电动系统已包括在门单价中,如果是彩钢卷帘门那还需计算电动体统套数,每扇门一套4 平开门m2实际设计洞口面积(长*宽)5 弹簧门m2实际设计洞口面积(长*宽)6 气楼板卡普隆m2(圆弧气楼顶板展开宽度+500MM*2)*气楼长度7 采光板卡普隆m2(圆弧顶板展开宽度+500MM*2)*采光板长度(三)防腐、防火工程量计算规则序号项目名称构件名称类型计量单位工程量计算规则备注1防腐防火工程量计算规则H型钢H型、工字型m2[(上翼板宽+下翼板宽)*2+H型钢高度*2]*构件长度如H型钢作为楼面梁时,上翼板上表面不需做防腐防火处理时,则主扣除不涂部分面积2 封闭型构件箱型、日字型、梯型、菱型、圆管等m2构件断面周长*构件长度3 钢板m2按钢板所示尺寸计算面积*2 如钢板仅一面做防腐、防火处理,则按钢板所示尺寸计算面积计算。
钢结构预算注意事项及计算规则钢结构预算注意事项1、材料必须区分,钢材材料不同价格不同(如普通型钢、Z/C型钢、普通钢板与角钢等价格不同相应计算时应分开计算,不宜把量裹一起)2、注意定额所用钢材是否与定额中材料一致,含量是否一致,不一致时应予调整。
3、规范是所有钢结构构件都须刷防火涂料,小型构件不能漏算。
4、钢结构节点必须明确其连接方式,施工工艺方能不漏算。
钢结构影响造价的主要原因1、设计的保守程度。
2、市场材料价格。
3、施工队伍的水平(直接影响制作、运输、安装的损耗及速度)。
4、与消防部门的沟通,防火涂料是一笔不小得 RMB。
1钢结构工程量计算规则235678910高层3 次梁T计算方法同钢梁:翼缘板=(梁长度-端头节点板至梁的距离*2)*翼缘板宽度*翼缘板理论重量腹板=(梁长度-端头节点板至梁的距离*2)*(腹板截面高度-两块翼缘板厚度)*腹板理论重量〔梁长=主梁腹板中心线间距-主梁腹板厚度)1、在计算楼层次梁工程量时按照图纸节点详图把相关的节点板工程量计算出来并把工程量并入次梁中。
2、总重:单根次梁重量*次梁根数(参照楼面梁布置图)序号项目名称构件名称图示计量单位工程量计算规则备注高层4钢梁箱型梁T箱型梁:梁实际净长*该规格的理论重量箱型梁理论重量:〔B*厚度*7.85kg/m3*2+(A-2a)*厚度*7.85kg/m3*2〕1、箱型梁内的隔板、夹板等节点板参照借点详图计算,工程量并入梁内计算2、如单个加劲板或隔板、夹板等节点板孔洞面积在0.3m2以内的不扣除孔洞面积;如在0.3m2以上需扣除孔洞面积3、总重:单根箱型梁重量*根数(参照钢梁布置图)高层5 异型梁截面尺寸不规则的钢梁或者如曲梁等T组成异型梁的各构件相应计算规则计算1、在计算异型梁工程量时按照图纸节点详图把相关的节点板工程量计算出来(如节点板形状为不规则或多边形钢板以其最小外接矩形面积*板厚*7.85kg/m3)。
序号项目名称构件名称图示计量单位工程量计算规则备注空间1 桁架部分弦杆上图为圆管桁架,如为矩形管、角钢桁架计算规则与圆管相同,理论重量不同T 弦杆长*该规格圆管的理论重量1、在计算时按照图纸节点详图把相关的节点板工程量计算出来(如节点板形状为不规则或多边形钢板以其最小外接矩形面积*理论重量计算),把工程量单列计入节点板中。
内墙计算规则(一)、清单规则建设工程工程量清单计价规范《GB50500—2013》有关内墙面的规则分两种:墙面抹灰和墙面块料面层。
1、墙面抹灰与内墙墙面抹灰规则相关的有2点,下面分别给出清单的规则和相对应的解释。
规则:(1)、按设计图示尺寸以面积计算。
扣除墙裙、门窗洞口及单个>0.3 ㎡的孔洞面积,不扣除踢脚线、挂镜线和墙与构件交接处的面积,门窗洞口和孔洞的侧壁及顶面不增加面积。
附墙柱、梁、垛、烟囱侧壁并入相应的墙面面积内。
(2)、内墙抹灰面积按主墙间的净长乘以高度计算;a.无墙裙的,高度按室内楼地面至天棚底面计算;b.有墙裙的,高度按墙裙顶至天棚底面计算。
清单对规则的描述比较复杂,下把这两条规则分解成计算的规则扣减的规则。
计算的规则“按设计图示尺寸以面积计算”就是指计算两墙之间的净长*净高。
计算装修时应该用结构尺寸,不考虑装修厚度的,如图所示。
扣减的规则需要扣除的:墙裙、门、窗、洞口、≥0.3的洞口。
不扣除的:踢脚线、挂镜线占墙面积,构件交接处面积。
注:挂镜线,又名画镜线,是钉在居室四周墙壁上部的水平木条或不锈钢轨道,一般用来悬挂镜框或者画幅。
如图所示。
扣减关系如图所示。
不增加的面积:门窗、洞口的四周侧面。
需增加的面积:附墙的柱、梁、墙垛、烟囱侧面面积。
注:软件对于一部分的抹灰计算方法是按照块料的规则计算表面积。
但是对规定的理解,没有软件中复杂的扣柱梁贴墙所占面积,再加回来柱梁外露面积。
抹灰的规则就是墙面的净长*净宽。
梁底的抹灰是算在天棚里,这里不考虑。
2、墙面块料面层清单规则按镶贴表面积计算。
清单规则对块料的计算方法只有短短一句话。
理解起来就是块料按实际尺寸计算,与抹灰规则的区别就是更细致了,如门窗侧面的面积需要增加,踢脚的面积需要扣除。
(二)、定额规则1、抹灰规则规则:(1)、墙面抹灰及找平层按设计图示尺寸以面积计算。
扣除墙裙、门窗洞口及单个>0.3m2的孔洞的面积,不扣除踢脚线、挂镜线和墙与构件交接处的面积,门窗洞口和孔洞的侧壁及顶面不增加面积。
一、墙体
1、墙体工程量计算方法:墙体体积=长×宽×高—门窗洞口体积—墙内过梁—墙内柱—墙内梁等
①实心砖墙、空心砖墙及石墙均按设计图示尺寸以体积计算。
扣除门窗洞口、过人洞、空圈、嵌入墙内的钢筋混凝土柱、梁、圈梁、挑梁、过梁及凹进墙内的壁龛、管槽、暖气槽、消火栓箱所占体积。
不扣除梁头、板头、檩头、垫木、木楞头、沿缘木、木砖、门窗走头、砖墙内加固钢筋、木筋、铁件、钢管及单个面积0.3m2以内的孔洞所占体积。
凸出墙面的腰线、挑檐、压顶、窗台线、虎头砖、门窗套的体积亦不增加,凸出墙面的砖垛并入墙体体积内。
-
a墙长度:外墙按中心线,内墙按净长计算。
b墙高度:
外墙:斜(坡)屋面无檐口天棚者算至屋面板底;有屋架且室外均有天棚者算至屋架下弦底另加200mm;无天棚者算至屋架下弦底另加300mm,出檐宽度超过600mm时按实砌高度计算;平屋面算至钢筋混凝土板底。
内墙:位于屋架下弦者,算至屋架下弦底;无屋架者算至天棚底另加100mm;有钢筋混凝土楼板隔层者算至楼板顶;有框架梁时算至梁底。
女儿墙:从屋面板上表面算至女儿墙顶面(如有混凝土压顶时算至压顶下表面)。
内、外山墙:按其平均高度计算。
(加QQ1321118740进空间,看更多建筑精品日志)
围墙:高度算至压顶下表面(如有混凝土压顶时算至压顶下表面)围墙柱并入围墙体积内。
②现浇混凝土墙按设计图示尺寸以体积计算。
不扣除构件内钢筋、预埋铁件所占体积,扣除门窗洞口及单个面积0.3m2以外的孔洞所占体积,墙垛及突出墙面部分并入墙体体积计算内。
a钢筋混凝土墙应扣除门窗洞口所占的体积。
b墙的高度按下层板上皮至上一层板下皮的高度计算。
c混凝土墙与柱连在一起时,如混凝土柱不突出墙外,混凝土柱的体积并入墙体内计算;如婚凝土柱突出墙外,混凝土墙的长度算至柱子侧面,与墙连接的柱另行计算。
d混凝土墙与梁连在一起时,如混凝土梁不突出墙外且梁下没有门窗(或洞口),混凝土梁的体积并入墙体内计算;如混凝土梁突出墙外或梁下有门窗(或洞口),混凝土墙与梁应分别计算。
⑵砼墙体的模板=墙体的外露面积+洞口侧壁面积
天津2004计算规则:混凝土、钢筋混凝土模板及支架按照设计施工图示混凝土体积计算。
⑶砼墙高度超过3.6m增价=砼墙高度超过3.6m的墙体体积总和
⑷内外脚手架按墙面垂直投影面积计算。
外墙脚手架长度按外墙外边线计算,内墙脚手架长度按内墙净长计算。
高度按自然地坪至墙顶的总高计算。
3、墙体工程量计算的难点
⑴、在计算墙体之前,必须计算出相应的扣减量。
比如,柱或梁宽度比墙大的情况,在计算柱或梁时,必须考虑柱或梁嵌入墙内的体积。
⑵、模板类似。
⑶、砼墙计算时要分别计算门窗(或洞口)上墙和非门窗(或洞口)墙。
4、分层墙的计算
⑴、分层墙墙厚以及偏心不一样时要分别计算墙体计算中心线;
⑵、分层墙扣减时要分层扣减。
⑶、女儿墙:从屋面板上表面算至女儿墙顶面(如有混凝土压顶时算至压顶下表面)
二、门窗
1、门窗工程量
⑴、门窗面积:洞口面积;框外围面积。
⑵、门窗个数
⑶、窗玻璃:框外围面积。
⑷、窗台板体积
⑸、窗台板模板
2、门窗工程量的方法
⑴、门窗面积: 洞口面积=洞口宽度*洞口高度
框外围面积=(洞口宽度-框扣尺寸)*(洞口高度-框扣尺寸)
⑵、门窗个数(加QQ1321118740进空间,看更多建筑精品日志)
⑶、窗玻璃面积=框外围面积。
⑷、窗台板体积=窗台板截面积*窗台板长度
⑸、窗台板模板=窗台板的底模+窗台板的侧模
①窗台板的侧模=窗台板侧面长度×窗台板底部外露宽度
②窗台板侧模=窗台板侧面长度之和×窗台板高度
3、门窗工程量计算难点
计算门窗本身工程量并没有难点,实际工程中门窗的难点在于其尺寸不同导致其他构件工程量的变化,主要体现在:⑴、过梁工程量⑵、墙体工程量⑶、内外装修洞口侧壁工程量
⑷、窗台板工程量等。
三、过梁
1、过梁工程量
(1)过梁体积:砖过梁;砼过梁。
(2)砼过梁模板。
⑶挑出部分装修。
1、过梁计算
⑴、过梁的体积
过梁的体积=过梁截面面积×过梁的长度
⑵、过梁的模板
过梁模板面积=过梁的底模+过梁的侧模
①过梁的侧模=洞口净长度×过梁宽度
②过梁侧模=过梁侧面长度之和×过梁高度
⑶、挑出部分装修=过梁侧面长度*过梁外露宽度
2、过梁工程量计算难点
⑴、矩形、异形过梁计算时必须考虑过梁与墙相交的情况,计算嵌墙体积;
⑵、矩形、异形过梁计算时必须注意过梁的标高和圈梁的标高考虑过梁与圈相交的扣减.
四、楼梯(加QQ1321118740进空间,看更多建筑精品日志)
1、楼梯工程量
⑴、现浇楼梯面积;⑵、楼梯的实际体积;⑶、楼梯栏板、栏杆;⑷楼梯装修:楼梯侧面装修;楼梯底面装修。
⑸楼梯模板。
2、楼梯工程量计算方法
⑴楼梯的水平投影面积
现浇混凝土楼梯按设计图示尺寸以水平投影面积计算。
不扣除宽度小于500mm的楼梯井,伸入墙内部分不计算。
①楼梯的水平投影面积包括踏步、斜梁、休息平台、平台梁以及楼梯与楼板连接的梁(楼梯与楼板的划分以楼梯梁的外侧面为分界)。
②当整体楼梯与现浇楼板无梯梁连接时,以楼梯的最后一个踏步边缘加300mm为界。
⑵楼梯的实际体积(部分地区)
分别计算楼梯踏步、楼梯板、休息平台砼体积。
楼梯体积=踏步体积+梯板体积
①踏步体积=三角形面积(1/2*踏步宽度*踏步高度)*梯板净宽*踏宽数。
其中:踏步个数=踏宽数+1;踏宽数=楼梯净长/踏步宽度(楼梯净长:等于踏步段水平投影净长,即扣减(墙)后的长度);踏步高度=楼梯高度/(踏步个数+1);梯板净宽=楼梯宽度扣减墙后的宽度。
②梯板体积=梯板净宽*楼梯斜长*梯板厚度。
其中:楼梯斜长=K*楼梯水平投影长度(楼梯水平投影长度=楼梯净长;K=[SQRT(踏步宽度^2 +踏步高度^2)]/踏步宽度)
③休息平台体积:计算同板。
如果休息平台与墙相交,扣除与墙相交部分体积
⑶楼梯栏板、栏杆
①栏板按面积或者体积计算
栏板体积=栏板面积×栏板厚度计算
栏板面积=栏板长度×栏板高度计算
栏板长度是楼梯的实际长度,即斜长度
②栏杆按长度或者吨位进行计算
栏杆长度是按照楼梯的实际长度(即斜长度)进行计算的。
⑷楼梯装修:楼梯侧面装修;楼梯底面装修。
(加QQ1321118740进空间,看更多建筑精品日志)
①楼梯装饰按设计图示尺寸以楼梯(包括踏步、休息平台及500mm 以内的楼梯井)水平投影面积计算。
楼梯与楼地面相连时,算至梯口梁内侧边沿;无梯口梁者,算至最上一层踏步边沿加300mm。
②楼梯侧面装修=踏步侧面面积+梯板侧面积
其中:踏步侧面面积=1/2*踏步宽度*踏步高度*踏步个数;梯板侧面积=楼梯斜长*梯板厚度。
③楼梯底面装修=楼梯底部面积
⑸楼梯模板=楼梯侧模+楼梯底模;计算同装修面积。
五、屋面
1、平屋面工程量
⑴屋面面积;⑵找平层;⑶保温层;⑷屋面卷材防水;⑸铁皮;⑹UPVC 雨水斗;⑺铸铁落水口⑻UPVC弯头;⑹排水管。
2、屋面工程量计算方法
⑴屋面面积
瓦屋面、型材屋面(包括挑檐部分)均按设计图示尺寸水平投影面积乘以屋面坡度系数(见屋面坡度系数表)以斜面积计算。
①不扣除房上烟囱、风帽底座、风道、屋面小气窗和斜沟等所占面积。
②屋面小气窗出檐与屋面重叠部分的面积不增加,但天窗出檐部分重叠的面积计入相应的屋面工程量内。
③瓦屋面的出线、披水、稍头抹灰、脊瓦加腮等工、料均不另计算。
⑵屋面防水面积
屋面卷材防水、屋面涂膜防水按设计图示尺寸按面积以平方米计算。
①斜屋顶(不包括平屋顶找坡)按图示尺寸的水平投影面积乘以屋面坡度延尺系数按斜面积以平方米计算,平屋顶按水平投影面积计算,由于屋面泛水引起的坡度延长不另考虑。
②不扣除房上烟囱、风帽底座、风道、屋面小气窗和斜沟所占面积,其根部弯起部分不另计算。
③屋面的女儿墙、伸缩缝和天窗等处的弯起部分,并入屋面工程量内。
天窗出檐部分重叠的面积应按图示尺寸,以平方米计算,并入卷材屋面工程内。
如图纸未注明尺寸,伸缩缝、女儿墙可按25cm,天窗处按50cm 计算。
④涂膜屋面的工程量计算同卷材屋面。
涂膜屋面的油膏嵌缝、玻璃布盖缝、屋面分隔缝,以延长米计算。
⑶屋面抹水泥砂浆找平层的工程量与卷材屋面相同。
⑷屋面保温层的工程量与卷材屋面相同。
⑸屋面工程量中铁皮、UPVC雨水斗,铸铁落水口,铸铁、UPVC弯头、短管,铅丝网球按个计算。
⑹屋面排水管按设计图示尺寸以展开长度计算。
如设计未标注尺寸,以檐口下皮算至设计室外地平以上15cm为止,下端与铸铁弯头连接者,算至接头处。