镁牺牲阳极计算
- 格式:doc
- 大小:52.00 KB
- 文档页数:2
牺牲阳极技术规范书(一)锌阳极1、化学成分锌阳极的化学成分(质量分数 %)2、电化学性能土壤中棒状锌阳极的电化学性能3、棒状锌阳极规格及尺寸棒状锌阳极参考规格及尺寸4、其它用于锌阳极的钢芯表面镀锌,阳极体与钢芯之间的接触电阻小于0.001Ω。
(二)镁阳极1、化学成分镁合金牺牲阳极的化学成分(质量分数 %)2、电化学性能镁合金牺牲阳极的电化学性能3、形状、规格及尺寸镁合金阳极形状分为D型,梯形、圆柱型、球型、半球型、棒状(包括圆棒、矩形棒),其规格及尺寸见GB/T17731-2004《镁合金牺牲阳极》。
(三)填包料牺牲阳极的填包料是由石膏粉、膨润土和工业硫酸钠组成的混合物。
牺牲阳极填包料配方填包料可在室内预装,也可在现场包装。
包装带采用棉布袋或麻袋,阳极棒置于袋子的中央,填料均匀分布在袋子中,且密实均匀,四周填料至少为50mm。
填包料拌匀,不得混入石块、泥土、杂草等。
(四)引出电缆引出电缆与阳极连接牢固,抗拉强度大于1.5倍预包装总重。
连接处的密封性保证使用寿命期连接处不腐蚀。
牺牲阳极引出电缆缆芯截面不小于10mm2,电缆长度不小于5m。
电缆符合以下要求:电压等级:0.6/1kV。
绝缘层:PVC。
绝缘护套:PVC。
(五)到货后对外观、重量、钢芯与阳极接触电阻、化学成分或电化学性能进行检验。
按批进行抽检,抽检频率不低于3%,少不少于3支,若不合格加倍抽查,其中一支不合格该批判定不合格,招标方将拒绝批次产品使用在本工程上。
(六)包装和运输1、在搬运过程中考虑阳极的特殊要求。
2、需标示吊装重心,在装卸时严格遵守。
运输时用草垫等材料保护阳极体不被磨损或摔坏变形。
牺牲阳极技术在钢制煤气管道工程中的应用摘要:介绍了电化学腐蚀及牺牲阳极的原理。
牺牲阳极保护技术的使用情况,牺牲阳权保护的设计、计算、施工及投资测算与经济分析。
1 电化学腐蚀及牺牲阳极的原理地下燃气管道在使用过程中,存在不同性质的腐蚀。
其中电化学腐蚀对于埋地煤气钢管威胁最大。
因为电化学腐蚀集中一点,而且速度较快,腐蚀一旦发生、其速度不会减慢也会不停止、往往造成局部穿孔。
产生电化学腐蚀原因如下:由十土壤各处物理化学性质个问,管道本身各部分的金相组织结构个同,如品格的缺陷及含有杂质、金属受冷热加工而变形产生内部应力、特别是钢管表面粗糙度不同等原因,使一部分金属容易电离,带正电的金属离子离开金属、而转移到土壤里,在这部分管段上电子越来越过剩,电位越来越负;而另一部分金属不容易电离,相对来说电位较正。
因此电子沿管道由容易电离的部分向不容易电离的部分流动、在这两部分金属之间的电子有得有失,发生氧化一还原反应。
失去电子的金属管段成为阳极区,得到电子的金属管段成为阴极区。
腐蚀电流从阴极流向阳极、然后从阳极流离管段,经土壤又回到阴极,形成回路。
在作为电解质溶液的土壤中发生了离子迁移、带正电的阳离子(如H )趋向阴极、带负电的阴离子(如OH-)趋向阳极。
在阳极区带正电的金属离子与带负电的阴离子发生电化学作用、使阳极区的金属离子不断电离而受到腐蚀,使钢管表面出现凹穴,以致穿孔;而阴极则保持完好、如图1所示。
基于以上原理,采用牺牲阳极保护技术可保护埋地钠管不受电化学腐蚀。
具体原则如图2所示。
采用比钢管电位较负的金属材料和钢管相连,电极电位较负的金属与电极电位较正的。
图2 牺牲阳极保护技术原理图被保护钢管在土壤中形成原电池、作为保护电源,电位较负的金属成为阳极、输出电流过程中遭受破坏,故达到保护钢管的效果。
2牺牲阳极保护技术的使用情况以前常州市城市煤气中压管网主要使用铸铁管,连接方式是柔性机械接口,使用钢管的工程不多。
但随着燃气用户的发展、管网压力的提高,考虑到今后天然气的引入及过渡、钢管越来越广泛的被应用。
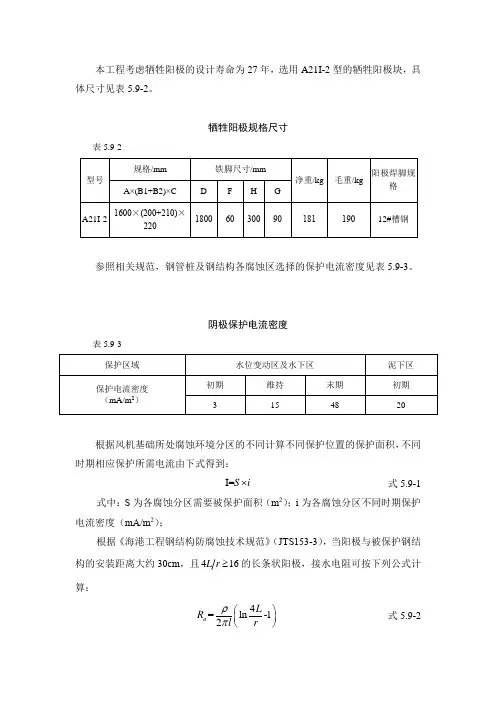
本工程考虑牺牲阳极的设计寿命为27年,选用A21I-2型的牺牲阳极块,具体尺寸见表5.9-2。
牺牲阳极规格尺寸表5.9-2参照相关规范,钢管桩及钢结构各腐蚀区选择的保护电流密度见表5.9-3。
阴极保护电流密度表5.9-3根据风机基础所处腐蚀环境分区的不同计算不同保护位置的保护面积,不同时期相应保护所需电流由下式得到:式5.9-1式中:S 为各腐蚀分区需要被保护面积(m 2);i 为各腐蚀分区不同时期保护电流密度(mA/m 2);根据《海港工程钢结构防腐蚀技术规范》(JTS153-3),当阳极与被保护钢结构的安装距离大约30cm ,且的长条状阳极,接水电阻可按下列公式计算:式5.9-2 I=S i ⨯416L r ≥4=ln-12a L R l r ρπ⎛⎫⎪⎝⎭式5.9-3式5.9-4式中:为阳极的接水电阻(Ω);为海水电阻率(Ω·cm );为阳极长度(cm );为阳极等效半径(cm ),分为和;为初期等效半径(cm );为末期等效半径(cm );为阳极截面周长(cm );为阳极铁芯半径(cm );为牺牲阳极的利用系数,取0.85~0.90。
牺牲阳极发生电量计算公式如下:式5.9-5牺牲阳极的数量N 等于单根钢管桩所需的总保护电流(末期)与单支阳极发生电流(末期)的比值:式5.9-6牺牲阳极的有效使用寿命:式5.9-7式中:t 为牺牲阳极的有效使用寿命(a );为单个牺牲阳极的净重(kg );q 为阳极实际电容量,取2600A·h/kg ;I m 为设计使用年限内每个阳极的平均发生电流,取0.5I a A ;为牺牲阳极的利用系数,取0.90。
经计算,高桩高承台基础为48块,重量约为9.1t 。
计算得到牺牲阳极的有效使用寿命为34年,大于结构防腐蚀年限27年,设计满足要求。
=2c c r π()=--m c c t r r r r μa R ρL r c r m r c r m r C t r μ=a a VI R ∆a=IN I =8760i m W q t I μ⋅⋅⋅i Wμ。
镁合金牺牲阳极用量的计算方法镁合金在盐水中的腐蚀行为受合金中杂质含量和分布状态控制。
对于沉淀硬化镁合金,这些杂质沉淀相的氢超电位低,成为活性阴极,氯离子阻碍保护膜生产,同时由于局部阳极溶解而富聚酸性氯化镁,使镁合金腐蚀加重。
如果把钢和镁用螺栓连接在一起形成电偶,同时放在盐水中,那么宏观电偶对在盐雾试验中镁电偶腐蚀比在海洋大气或者海水飞溅区的均严重。
海洋大气中镁-铝合金的腐蚀速度比盐雾试验的小,但是两个条件下的腐蚀速度均受到合金杂质含量的影响。
牺牲阳极材料的选择和使用量的计算根据对被保护管道的检测得到的实际数据,然后还要参照行业中的一些规范,其中最通用的是《埋地钢制管道牺牲阳极阴极保护设计规范》和《镁合金牺牲阳极应用技术标准》,综合考虑工程设计,进行牺牲阳极材料和规格的选择。
镁合金牺牲阳极用量的计算方法:单支镁阳极输出电流的计算公式是:壹拾伍万乘以重量乘以电位除去土壤电阻率得到单支镁阳极的输出电流。
每组镁阳极放阳极的数量的计算公式是:土壤电阻率系数乘以需要的输出保护电流除以阳极需要保护的管线长度。
阳极使用寿命的计算公式:五十七点零八乘以单支阳极的重量乘以系数零点七五除去单支阳极的输出电流。
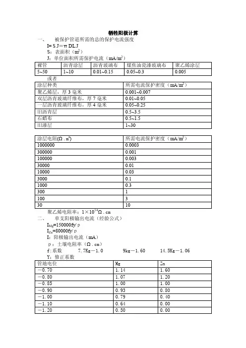
牺牲阳极计算一、被保护管道所需的总的保护电流强度I= S.J=πDL.JS:表面积(m2)2二、单支阳极输出电流(经验公式)I Mg=150000fy/pI Zn=80000fy/pI:阳极输出电流(mA)p:土壤电阻率(Ω.cm)f:系数7.7Kg-1.0 9kg-1.60 14.5Kg-1.06三、并联阳极的输出电流N=2I/I0五、阳极重量(对于永久性管道不低于20~30年)W=8760I.T/ Qηη1W:阳极总重量(千克)I:阳极发生电流(A)T:阳极工作寿命(年)Q:理论发生电量(A.h/Kg)Mg:2210 Zn:820 AI:2880η:电流效率Mg:40~55%Zn:65~90%AI:40~85%η1:阳极利用率0.8~0.85阳极与管道外壁距离一般为3~5米,最小不小于0.3米,埋深不小于1米,阳极间距以3米左右为宜。
阳极开路电位:(-V)Mg:1.55~1.6 Zn:1.05~1.1 AI:0.95~1.1管道自然电位:-0.55V左右(硫酸铜电极)土壤电阻率阳极种类>100 不宜采用牺牲阳极60~100 高电位的纯镁系或镁锰系15~60 Mg-Al-Zn-Mn系<15 Mg-Al-Zn-Mn系或Zn合金<10(含Cl-) Zn合金或Al-Zn-In系<4 不宜采用计算步骤1.确定每组阳极的种类和保护范围。
2.计算牺牲阳极的发生电流(根据绝缘层电阻或最小保护电流密度)和接地电阻。
3.确定总重量。
4.根据总重量选择单支阳极的尺寸及数量。
1.发生电流计算同上2.当管道绝缘良好时,只考虑涂层电阻。
接地电阻:R阳=(E a-E p)/(E p-E c).(r1/S.L)I A=(E a-E c)/(R阳+(r1/S.L))R阳:牺牲阳极接地电阻(欧)E a:阳极开路电位(伏) 1.6E c:被保护管道自然电位(伏)-0.55E p:被保护管道要求的自然电位(伏)r1:1米2管道上,防腐层电阻(欧.米2)S:单位长度管道的表面积(米2/米)L:管道长度(米)I A:牺牲阳极组输出电流(安)3.单支阳极接地电阻(简化公式)L1=0.9,D1=0.2,t=1时,R a=0.43p(8公斤锌阳极)L1=1.2,D1=0.3,t=1.5时,R a=0.32p(8公斤镁阳极)L1=1.2,D1=0.3,t=2时,R a=0.33pL1:填包料体积的长度(米)D1:填包料体积的直径(米)t:从地面至阳极中心的埋设深度(米)R a:单支牺牲阳极接地电阻(欧)p:埋设点土壤电阻率(Ω.m)阳.K。
预包装镁合金牺牲阳极行业标准河南汇龙合金材料有限公司2019年初版预包装镁合金牺牲阳极1.名称:镁合金牺牲阳极2.标准:GB/T17731-20153.型号:MGAZ63B-C-22-S4.规格:(长×宽×高mm):700×(130+150)×125单支重量为22±0.5kg、横截面为梯形。
5.产品说明:预包装镁合金牺牲阳极(预包装镁阳极)主要由一只镁阳极和专用热收缩套管、电缆线组成,阳极体采用在阳极体周围装上所要求成份的填包料。
镁合金牺牲阳极是为了保证阴极保护工程施工质量以及简化现场施工程序而开发的,施工方便快速、将原来在施工现场进行的操作在工厂里完成,有效保证了阳极地床的施工安装质量。
订购时请告知镁阳极规格、所需带电缆的规格和长度。
引出电缆要求:牺牲阳极引出电缆缆芯截面应不小于10mm2,长度不低于5米,电压等级:0.6/1kV, 绝缘层:PVC, 绝缘护套:PVC,(常规所带电缆为VV-1KV/1*10mm2)。
6.使用寿命:10年8.镁合金牺牲阳极及填包料外形图:(图片仅供参考)产品说明:长输埋地管线镁合金牺牲阳极的施工要求首先是牺牲阳极的埋设要求:准备好填料,要按比例配制并调匀,装入直径三十厘米一米长的棉布袋中;按要求将阳极进行表面清洁处理,然后插入准备好的填包料中心位置压实。
ISO9000—效率、效益之源。
填包料外面要绑结实,放平或者数值摆放都可以,埋在相同深度,距离被保护管道两到三米的位置,zui后用准备哈皮的细土掺入盐将阳极坑进行填平。
电缆与其他装置连接的时候都要采用锡焊,分线盒内的连接线除外。
锡焊接前都要剥去防腐绝缘层,并进行表面清洁处理;焊接完成后的焊接点要做好绝缘防腐处理;电缆的埋设也要与管道的的埋设深度相同。
电缆必须要有足够长的预留大约在零点八米左右,预留长度不能加上保护管,方便日后维护的时候将分线盒提出地面检测数据;分线盒的填埋要填实并且要做防水处理。
镁牺牲阳极基本知识镁是电化学阴极保护工程中常用的一种牺牲阳极材料,具有较高的化学活性,它的电极电位较负,驱动电压高。
同时,镁表面难以形成有效的保护膜。
因此,在水介质中,镁表面的微观腐蚀电池驱动力大,保护膜易于溶解,镁的自腐蚀很强烈,在阴极上发生析氢反应2H++2e— H2。
镁基牺牲阳极有纯镁、Mg-Mn系合金和Mg-AI-Zn-Mn系合金等三类,其共同的特点是密度小、理论电容量大、电位负、极化率低,对钢铁的驱动电压很大(>0.6V),适用于电阻率较高的土壤和淡水中金属构件的保护。
1、纯镁牺牲阳极镁为活泼金属,其电化学性能受杂质和合金元素的影响很大。
当其含有少量杂质,特别是含有析氢过电位较低的杂质时,会使镁的自溶倾向增大,电流效率降低。
镁中的一些杂质元素,如Fe, Co, Mn是以单质的形式固溶于镁基体中的,而另一些杂质,如Al, Zn, Ni, Cu等元素则易与镁形成金属间化合物,无论哪类杂质元素,它们相对于镁固溶体都呈现出强烈的阴极性,能增大析氢的有效面积,进一步增大镁的腐蚀速度。
尽可能降低纯镁阳极中杂质元素的含量是必要的。
杂质元素的质量分数(%)应控在:Zn<0.03. Mn<0.01.Fe<0.02, Ni<0.001 Cu<0.001. Si<0.01.但这给纯镁阳极的生产带来了困难。
一般采用合金化方法,向工业镁中加入一定量的合金元素如Mn, Al, Zn等,就可消除杂质元素的不良影响,获得性能优良的镁合金牺牲阳极材料。
一般的纯镁阳极由于电流效率很低(仅为30%左右),使用寿命短,故目前己很少使用。
2、Mg-Mn牺牲阳极锰在镁中的溶解度为3.4%,如果熔炼方法控制适当,可得到含有少量Mn晶体的Mg-Mn单相固溶体组织。
锰是控制镁中杂质的一种很有效的净化元素,可消除杂质的不良影响,降低镁的自腐蚀速度。
在镁合金熔炼过程中,锰与铁能生成比较大的Fe-Mn化合物而沉积于溶体底部,而残留在合金中的铁则溶解于锰中或被锰所包围,不产生阴极杂质的有害作用。
镁合金牺牲阳极:
主要性能:
极高的电化学性能、阳极消耗均匀、寿命长、单位质量发电量大,是理想的牺牲阳极材料,适用于土壤、淡水介质中金属构筑物的阴极保护。
使用范围:
牺牲阳极阴极保护方法中,镁阳极可用于电阻率在20欧.米到100欧.米的土壤或淡水环境。
详细介绍:
我公司生产的高电位镁阳极使用高质镁材料生产,产品符合ASTM97-98标准,采用特定的生产工艺。
阳极具有极佳的电化学性能,在
阴极保护过程中,阳极消耗均匀,因此使用寿命更长。
在实际的使用过程
中,实际测量工作电位-1.8~-1.85V之间,因此对目标结构保护效果更明显。
在电阻率高于8000欧姆.米的土壤中,建议使用高电位镁阳极。
我公司的镁合金牺牲阳极按国际GB/T17731-2004《镁合金牺牲阳极》生产,用于管道的阳极。
镁阳极规格:。
牺牲阳极安装要求1.牺牲阳极采用22kg镁合金制成,每250米设置一组,每组两只。
2.镁牺牲阳极的敷设应与管道垂直,应选择在土层较厚、潮湿、电阻率低的地方。
距管道外壁距离最小不得小于0.5m,埋深与管道中心埋深相同且不得小于1m。
3.牺牲阳极阳极坑尺寸为0.5×0.5×1.5m。
阳极填包料的袋子必须采用天然纤维织品(棉布或麻袋)。
严禁使用人造纤维织品。
填包料可在室内或现场包装。
应保证阳极四周的填包料厚度一致,且厚度不小于50mm,阳极袋子就位后先浇水浸透填包料,然后回填。
施工时应确保填料密实,阳极居中。
4.参比电极用作阴极保护电位的测量,埋设在管道中心线中央位置并尽量靠近管道,水平距离为100mm,埋设前将参比电极同填包料一起浸水超过10小时,埋设后再用水将其周围土壤湿润。
参比电极填包料袋子必须采用天然纤维织品(棉布或麻袋),填包料可在室内或现场包装。
5.电缆与管道连接具体步骤:1)管子清洁2)用刀割开一个口子。
(12点方向,约100mm2大小)3)对割开处进行烤火加热,用铁铲去除PE层,用钢丝刷将环氧层磨光,形成直径约3cm的圆形光面。
4)将四周PE软化处用钢锉打毛,将凸起不平处刮走(方便补伤)。
5)将电缆一端去皮约3cm。
6)用铜片将电缆一端压在光面处,做铝热焊接,将其焊在管材上。
7)将焊接处毛刺、飞溅物、焊渣除去,检查焊接质量。
8)合格后,用热熔胶将此处伤口补伤。
9)两人配合操作,一人将电缆按在管材上,另一人将融化的胶条涂于电缆上,造成一个圆滑的坡面,形成过渡,便于补伤片的安装操作。
10)将伤口补伤(按照防腐补伤要求)。
a)补伤用两张补伤片,先补一张,等其冷却。
再将露出电缆附近清洁、打毛。
冷却原因:第一张补伤片上面也需要打毛,防止因温度太高,打毛时将其刮伤。
b)将第二张补伤片安装,使其与第一张作交叉状安装。
11)将阳极包露出电缆与连接到接线板的电缆用铜套管相连,用液压钳将铜套管两端和中间三个位置压实。
本工程考虑牺牲阳极的设计寿命为27年,选用A21I-2型的牺牲阳极块,具体尺寸见表5.9-2。
牺牲阳极规格尺寸表5.9-2参照相关规范,钢管桩及钢结构各腐蚀区选择的保护电流密度见表5.9-3。
阴极保护电流密度表5.9-3根据风机基础所处腐蚀环境分区的不同计算不同保护位置的保护面积,不同时期相应保护所需电流由下式得到:式5.9-1式中:S 为各腐蚀分区需要被保护面积(m 2);i 为各腐蚀分区不同时期保护电流密度(mA/m 2);根据《海港工程钢结构防腐蚀技术规范》(JTS153-3),当阳极与被保护钢结构的安装距离大约30cm ,且的长条状阳极,接水电阻可按下列公式计算:式5.9-2 I=S i ⨯416L r ≥4=ln-12a L R l r ρπ⎛⎫⎪⎝⎭式5.9-3式5.9-4式中:为阳极的接水电阻(Ω);为海水电阻率(Ω·cm );为阳极长度(cm );为阳极等效半径(cm ),分为和;为初期等效半径(cm );为末期等效半径(cm );为阳极截面周长(cm );为阳极铁芯半径(cm );为牺牲阳极的利用系数,取0.85~0.90。
牺牲阳极发生电量计算公式如下:式5.9-5牺牲阳极的数量N 等于单根钢管桩所需的总保护电流(末期)与单支阳极发生电流(末期)的比值:式5.9-6牺牲阳极的有效使用寿命:式5.9-7式中:t 为牺牲阳极的有效使用寿命(a );为单个牺牲阳极的净重(kg );q 为阳极实际电容量,取2600A·h/kg ;I m 为设计使用年限内每个阳极的平均发生电流,取0.5I a A ;为牺牲阳极的利用系数,取0.90。
经计算,高桩高承台基础为48块,重量约为9.1t 。
计算得到牺牲阳极的有效使用寿命为34年,大于结构防腐蚀年限27年,设计满足要求。
=2c c r π()=--m c c t r r r r μa R ρL r c r m r c r m r C t r μ=a a VI R ∆a=IN I =8760i m W q t I μ⋅⋅⋅i Wμ。
镁牺牲阳极的制备工艺研究镁牺牲阳极是一种常见的金属保护技术,它通过在金属结构表面放置一个更容易氧化的阳极,以牺牲自身来保护被保护金属。
镁作为一种主动金属,能够更容易地发生氧化反应,从而为被保护金属提供了有效的防护。
在这篇文章中,我们将深入探讨镁牺牲阳极的制备工艺。
我们将从镁牺牲阳极的原理入手,介绍常见的制备方法,并就其中的关键技术进行分析和讨论。
1. 镁牺牲阳极的原理镁牺牲阳极的原理基于金属的电位差异。
当镁阳极与被保护金属接触时,在电解液的作用下,产生的电流将使镁阳极发生氧化反应,从而牺牲自身,保护被保护金属不受腐蚀。
2. 制备方法镁牺牲阳极的制备方法主要有以下几种:2.1 铸造法铸造法是最常见的制备镁牺牲阳极的方法之一。
该方法将镁和其他合金元素熔炼,然后通过浇注或压铸的方式制成阳极块。
这种方法制备的阳极具有较高的密度和机械强度,适用于一些特殊环境下的腐蚀保护。
2.2 混凝土浸渍法混凝土浸渍法是将镁牺牲阳极与混凝土结构相结合的一种方法。
通过将镁棒或镁管浸渍在混凝土中,使镁阳极与混凝土结构形成一个整体,以实现腐蚀保护的效果。
这种方法适用于混凝土结构的腐蚀保护,例如桥梁、码头等。
2.3 粉末冶金法粉末冶金法是一种较为先进的镁牺牲阳极制备方法。
该方法通过将镁粉末与其他合金元素进行混合、压制和烧结,制备出具有规定形状的阳极。
这种方法具有制备周期短、形状多样化的优点,适用于一些特殊结构的腐蚀保护。
3. 关键技术分析在镁牺牲阳极的制备过程中,存在一些关键技术需要重点关注和解决。
这些技术包括:3.1 材料选择镁及其合金的选择对镁牺牲阳极的性能和使用寿命有着重要影响。
合适的镁合金应具有高的阳极效率、低的开路电位和合理的机械强度。
在材料选择时,还需要考虑其在实际工作环境中的耐腐蚀性能。
3.2 表面处理镁牺牲阳极的表面处理对阳极的性能和与被保护金属的接触效果有着重要影响。
常见的表面处理方法包括机械研磨、酸洗和阳极氧化等。
镁阳极-镁合金牺牲阳极
镁阳极,又称镁合金牺牲阳极,是金属镁的一种实际应用产品,主要用于阴极保护的一种防腐材料。
根据形状以及电极电位(开路电位)的不同,镁阳极可用于电阻率在15欧姆·米到150欧姆·米的土壤或淡水环境,一般
不应用于土壤电阻率小于10欧姆·米环境。
镁牺牲阳极一般可
以在电阻率20欧姆/米到50欧姆/米的土壤或者淡水环境中使用,当牺牲阳极剩余量为最初重量的15%时,即认为阳极失效,所以,阳极的使用率一般取85%。
镁合金牺牲阳极广泛应用于船舶、码头、油气管道、城市管网等水下地下钢铁构造设施和电器等的保护。
镁阳极与铝阳极的使用条件和消耗量计算方法镁牺牲阳极的使用条件及应用范围镁牺牲阳极一般可以在电阻率20欧姆/米~50欧姆/米的土壤或者淡水环境中,电阻率小于10欧姆/米的环境中一般不会使用镁牺牲阳极。
100℃的是镁牺牲阳极使用时可以达到的温度,镁牺牲阳极的使用率为百分之八十五,所以当阳极的重量剩到百分之十五的时候,就可以认定该阳极已经失效。
镁牺牲阳极的电阻率正常情况下是50%,但是受到各种情况的约束可能会更低一些。
在咸水或者盐水的影响下,使用镁牺牲阳极时,温度最好不要超过30摄氏度,在淡水环境中,温度也不应该超过45摄氏度来使用镁牺牲阳极,所以镁牺牲阳极不适宜在海水中使用,在海水中其腐蚀速度太快,寿命很短。
镁牺牲阳极消耗量计算公式Q Z U T I W ⨯⨯⨯⨯=8766I 阳极电流输出(Amps )T 设计寿命(yrs)U 电流效率(0.90)Z 理论电容量(2500 Ah/kg )Q 阳极使用率(85%)W 阳极重量(Kg )铝牺牲阳极的使用环境以及计算方式处在海水环境中的大部分金属设备或者原油储罐内部底板的阴极保护是不能用在氯离子含量低的土壤环境中。
铝牺牲阳极的电极电位为-1.05伏特 ,当周围温度高于49摄氏度时铝牺牲阳极的电容量随着温度的增长而递减,可以参考公式:Z=2500-27(T-20),T 阳极工作温度,单位℃。
在咸水环境中,铝牺牲阳极的电流容量可能会降低一半。
铝牺牲阳极可以直接与需要保护的设备结构固定在一起而不需要其他物质作为填料。
铝牺牲阳极用量的计算公式Q Z U T I W ⨯⨯⨯⨯=8766I 阳极电流输出(Amps )T 设计寿命(yrs)U 电流效率(0.90)Z 理论电容量(2500 Ah/kg )Q 阳极使用率(85%)W 阳极重量(Kg )。
燃气管道牺牲阳极保护牺牲阳极法是最早应用的电化学保护法。
它简单易行,又不干扰邻近的设施。
牺牲阳极还是抗干扰腐蚀的一种手段,可用来排流、防雷及防静电接地。
与强制电流保护法相比,牺牲阳极法具有独特的优点和功能,因而同样受到人们的重视。
近年来,牺牲阳极技术在我国得到了推广和发展。
在生产上也向标准化、系列化方向发展。
并在油、气管道、海船及海上结构物的防护上得到了成功的应用。
一、牺牲阳极保护原理根据电化学原理,把不同电极电位的两种金属置于电解质体系内,当有导线连接时就有电流流动,这时,电极电位较负的金属为阳极、利用两金属的电极电位差作阴极保护的电流源。
这就是牺牲阳极法的基本原理。
见图10-54。
二、牺牲阳极材料由于牺牲阳极法是通过阳极自身的消耗,给被保护金属体提供保护电流。
因此,对牺牲阳极材料就产生了性能要求。
图10-54 牺牲阳极装配示意图1.要有足够负的电位,在长期放电过程中很少极化。
2.腐蚀产物应不粘附于阳极表面,疏松易脱落,不可形成高电阻硬壳,且无污染。
3.自腐蚀小,电流效率高。
4.单位重量发生的电流量大,且输出电流均匀。
5.有较好的力学性能,价格便宜,来源广。
常用的牺牲阳极有镁及镁合金、锌及锌合金以及铝合金三大类。
它们的电化学性能见表10-59。
牺牲阳极的电化学性能取决于材料的成分和杂质含量。
在牺牲阳极的标准规范中都有规定。
三、牺牲阳极种类及规格型号(一)镁合金牺牲阳极镁是比较活泼的金属,表面不易极化,电极电位比较负,所以是理想的牺牲了极材料。
但是,钝镁的电流效率不高,造价太高,所以一般都使用镁合金做牺牲阳极材料。
目前世界上流行的镁阳极成分很多,但归纳起来只有三个系列:高纯镁系、镁锰系和镁铝锌锰系。
其典型的代表成分见表10-60。
这三个系列中,Mg-6 Al-3 Z n-0.15Mn 是使用最广泛的,也是国内定型生产的商品化镁阳极,用于土壤和淡水中性能最佳。
镁镁锰 <0.01 - 0.5~1.3 余量 - <0.02 <0.001 <0.03 Gal vomag镁铝 锌锰 5.3~6.7 2.5~3.5 0.15~0.6 余量 <0.1 <0.02 <0.03 <0.005 SYJ19-1986镁阳极的化学成分应符合表10-61的规定。
(1) 需Mg 量
初期极化时间1个月。
初期镁阳极极化的最佳阴极保护电流密度为150 mA/m 2 所以,需要总电流22150mA/m 3.14m 471.0mA c I j S ==⨯= 又国标测试镁阳极实际电容量的平均值为1160.46 A ·h/Kg 所以,需镁阳极质量471.0mA 3024h =
292.23g 1160.46A h/Kg I t W q ⨯⨯= 折合成体积为33292.23g
167.95cm 1.74g/cm W V ρ==(约为国标测试用小阳极的倍)
(2) 过保护问题
恒电流测试得镁阳极的平均工作电位为-1.4935V
阴极极化试验发现阴极保护电位不宜再负于-0.95V
所以极限驱动电压0.95V ( 1.4935V)0.5435V E ∆=---=
镁阳极的电流密度为200 mA/m 2,设计的阴极面积为 3.14m 2, 所以整个保护体系电路电流为22200mA/m 3.14m 628mA c I j S ==⨯= 所以电路电阻min min 0.5435V 0.87628mA E R I ∆=
=Ω 已知电阻公式()0.76/8 6.95/2r
R L r ρ=+,当0≤/2L r ≤8时,误差在0.2%以内,所
以在此处计算中选择此式最合适。
式中:R -牺牲阳极的接水电阻,Ω;
ρ-海水电阻率,此取标准海水电阻率23Ω·cm ; r -牺牲阳极的等效半径;
L -牺牲阳极的长度。
设L=2r (外层镁阳极的体积设计),则()0.76//8 6.9514.958 6.95/2r
r R r L r ρρρ
===++ 所以,max min 23cm 1.77cm 14.9514.950.87r R ρ
Ω==⨯Ω
所以,阳极的最大体积
22333max max max max max max V 222 3.14(1.77cm)34.82cm r L r r r πππ====⨯⨯
两种算法体积相差太大了啊,怎么办?。