墩台帽施工技术交底
- 格式:doc
- 大小:49.50 KB
- 文档页数:9
国道主干线哈尔滨绕城公路东北段B2合同段K73+816滨北公铁立交桥
墩台盖梁技术交底
中铁十三局集团第三工程有限公司
哈尔滨绕城公路东北段项目
B2合同段项目经理部
二OO七年五月二十日
监理单位黑龙江省公路工程监理咨询公司编号
技术交底记录表A—32
监理单位黑龙江省公路工程监理咨询公司编号
技术交底记录表A—32
监理单位黑龙江省公路工程监理咨询公司编号
技术交底记录表A—32
监理单位黑龙江省公路工程监理咨询公司编号
技术交底记录表A—32
监理单位黑龙江省公路工程监理咨询公司编号
技术交底记录表A—32
监理单位黑龙江省公路工程监理咨询公司编号
技术交底记录表A—32。
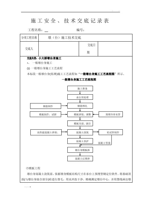
墩台帽和盖梁施工技术交底墩、台身检验合格后进行墩台帽和盖梁施工。
具体施工方法如下:一、支撑施工台身施工完成后检测其强度满足75﹪,方可进行台帽下填土。
台帽施工前做砼垫层,在其上进行桥台台帽施工;桥墩盖梁施工采用抱箍施工方法,为保证沉降均匀,按照盖梁自重的100%加施工荷载进行预压,符合要求后方可进行施工。
二、结合部位施工缝处理对结构物接缝处进行凿毛处理,并应将表面的松散层、石屑等清理干净,要求露出新鲜骨料。
三、模板安装盖梁、墩台帽模板采用工厂定型加工的钢模组拼,其沉重模板在钢筋绑扎之前已经安装就位,待钢筋绑扎完毕再安装侧模及端模。
在墩台帽、盖梁与墩身的连接处,模板与墩台身之间应密贴,防止出现漏浆现象。
盖梁、墩台帽模板由工厂定型加工,其强度、刚度经过验算,均能满足施工需要。
模板按照盖梁结构形式共划分成若干块,块间用螺栓连接,并在盖梁模板顶口和底口设置两层对拉螺杆固定。
模板拼装前对其形状、尺寸进行仔细核查,核查无误后方可投入使用。
钢模拼装时,按照弹好的模板边线用吊车配合人工进行安装就位,块件之间垫一层泡沫双面胶防止漏浆。
模板拼装成型后,由测量人员对模板的垂直度、标高进行复测,必要时通过调整楔形块来调整模板标高。
四、钢筋工绑扎成型后吊装施工。
钢筋安装施工时,应避免在钢筋的接头处起弯,并保证钢筋混凝土的保护层厚度。
钢筋加工的质量标准按照图纸要求准确预埋支座垫石钢筋、防撞挡块钢筋及上部所需要的钢筋。
五、混凝土浇筑及养生混凝土由罐车运至浇筑现场,泵送入模。
混凝土浇筑采取水平分层、从一端向另一端推进的方式,浇筑分层厚度控制在30~40cm左右,并且在下层混凝土初凝前浇筑完成上层混凝土浇筑。
混凝土振捣过程中要随时掌握振捣时间与间距,防止过振和漏浆情况发生,同时应尽量避免振捣棒直接碰撞模板或钢筋。
盖梁混凝土浇筑完成后,待混凝土初凝后及洒水并用塑料薄膜覆盖养生,侧模拆除后同样洒水并用塑料薄膜覆盖养生。
混凝土养生14天。
墩、台帽施工技术交底墩、台帽施工技术交底施工单位及标段徐州市公路工程总公司疏港高速公路ZJG-A2标技术交底日期2014年04 月5 日分项工序名称墩、台帽技术交底地点交底项目部会议室技术交底内容一、工程概况本标段共有七座桥梁,其中,盖梁106个,盖梁为C30砼,数量4282.3m3,钢筋数量899.2t。
台帽26个,台帽砼为C30,数量1442.4m3,钢筋数量200.6t。
二、盖梁施工方案2.1测量放样在墩柱拆模养生到期后,用全站仪放出墩柱顶面中心位置及标高,报测量监理工程师复核,合格后进行盖梁施工。
2.2盖梁施工工艺流程施工准备抱箍安装架设I40工字钢铺设横向方木墩柱与盖梁接触面凿毛及清洗测量放样铺设底膜钢筋加工安装安装侧模板砼浇注砼养生。
2.3模板加工盖梁模板采用定型钢模,模板面板厚度不小于6mm,后面用槽钢加强,以保证模板具有一定的刚度,盖梁内无对穿拉杆;拼缝位置设置定位销,控制错台现象;模板制作完成后应进行试拼,检查模板的刚度、平整度、接缝密合性及结构尺寸等。
2.4安装抱箍、支撑系统及盖梁底模用两个半圆钢抱箍紧扣在立柱上端作为支撑,安装时,用吊机协助起吊,钢箍和立柱之间缠绕毡布或土工布,可以使抱箍贴紧立柱,还可以防止抱箍在立柱上产生挤压和摩擦痕迹。
抱箍用高强螺栓上紧,立柱两侧的钢抱箍上,纵梁采用I40a工字钢做支撑,加固后在钢横梁上铺设方木,采用15cm*15cm 方木做支撑,间距40cm。
最后在方木顶铺设墩帽底模,并木楔调整方木的标高以使底模的顶面标高等于墩帽底面设计标高。
在相邻柱间及帽梁向外悬挑处的“工”字钢下面,采用圆木进行顶撑,防止砼浇筑时挠度过大。
盖梁底模和侧模均采用在厂家定制的大块钢模板,具有良好的强度和刚度,安装前底模表面锈迹打磨清理干净,并刷上脱模剂。
安装模板时模板拼缝用双面胶条塞缝严密,安装时模板平面位置准确,平滑、无错台,并牢靠支撑,确保施工安全。
底模安装好,应复测确保底模标高及平面位置无误。
桥梁墩台施工安全技术交底桥梁墩台施工是桥梁建设过程中不可或缺的一环,它直接关系到桥梁的稳定性和安全性。
为了确保施工过程中的安全,必须进行安全技术交底。
本文将详细介绍桥梁墩台施工安全技术交底的重要性以及具体内容。
第一部分:桥梁墩台施工安全技术交底的重要性1.1 提高工人的安全意识施工人员是桥梁墩台施工过程中的主要参与者,他们的安全意识直接影响到施工的质量和工期。
通过安全技术交底,可以提高工人对施工过程中潜在危险的认知,使他们能够主动采取相应的措施以保护自身的安全。
1.2 避免施工事故的发生桥梁墩台施工是一项高风险的工作,如果不重视安全技术交底,就很容易发生事故。
通过交底,可以明确工作人员在施工过程中应该注意的事项,并告知他们应采取的安全措施,从而避免事故的发生。
1.3 保障施工质量施工质量是桥梁使用寿命和承载能力的关键因素。
只有在安全技术交底的指导下进行施工,才能保障施工质量。
通过交底,可以明确施工的要求和规范,避免因施工不当导致的质量问题。
第二部分:桥梁墩台施工安全技术交底的具体内容2.1 施工人员的安全防护在桥梁墩台施工过程中,施工人员需要配备相应的安全防护用品,例如安全帽、安全鞋、防护眼镜等。
安全技术交底时,应告知施工人员如何正确佩戴和使用这些安全防护用品,以保护其个人安全。
2.2 工作环境的安全措施施工现场是一个复杂的环境,必须采取相应的安全措施。
在安全技术交底过程中,应告知施工人员施工现场的安全规范,例如禁止吸烟、禁止乱丢垃圾等,以保持施工现场的整洁和安全。
2.3 施工过程中的安全操作桥梁墩台施工过程中存在许多危险因素,必须通过安全技术交底告知施工人员如何正确操作。
例如,告知他们如何正确使用各种工具和设备,避免伤害自己和他人。
2.4 应急预案在桥梁墩台施工过程中,突发事件是无法避免的。
在安全技术交底中,应告知施工人员如何正确应对各种突发事件,例如火灾、坍塌等。
并且,还要进行实地演练,确保他们能够快速而有效地应对不同的应急情况。
一、交底目的为确保墩台模板施工过程中的安全,预防安全事故的发生,特进行本次安全技术交底。
二、交底内容1. 施工人员安全培训(1)参加施工的全体人员必须经过专业培训,掌握墩台模板施工的相关知识和技能。
(2)施工人员应熟悉本岗位的安全操作规程,严格遵守安全规定。
(3)施工人员应掌握应急救援措施,提高自我保护能力。
2. 施工现场安全措施(1)施工现场应设置明显的安全警示标志,警示人员注意安全。
(2)施工现场应设置安全通道,保证人员通行畅通。
(3)施工现场应设置临时设施,如防护栏杆、安全网等,防止坠落事故发生。
3. 墩台模板施工安全要求(1)模板安装前,应检查模板及支撑系统,确保其符合设计要求,无变形、损坏等情况。
(2)模板安装时,应使用合适的工具和设备,严禁使用撬棍、铁锤等硬物敲打模板。
(3)模板支撑系统应稳固,支撑点间距应符合设计要求,防止模板变形或倾覆。
(4)模板支撑系统应采用双排支撑,底部应设置垫木,防止支撑点滑动。
(5)模板安装过程中,严禁人员站立在模板上,防止坠落事故发生。
4. 起重吊装安全措施(1)起重吊装作业前,应对起重设备进行检查,确保其完好、有效。
(2)起重吊装作业时,应使用专用吊具,严禁使用非标准吊具。
(3)起重吊装作业时,应设置警戒区域,防止无关人员进入。
(4)起重吊装作业时,应使用信号指挥,确保操作人员与指挥人员沟通顺畅。
(5)起重吊装作业时,应确保吊装物稳固,防止吊装物脱落。
5. 临时设施安全措施(1)临时设施如脚手架、安全网等,应按设计要求进行搭设,确保其稳固可靠。
(2)临时设施在使用过程中,应定期检查,发现隐患及时整改。
(3)临时设施周围应设置警示标志,防止人员误入。
6. 应急救援措施(1)施工现场应配备应急救援器材,如急救箱、灭火器等。
(2)施工人员应熟悉应急救援器材的使用方法,提高应急处置能力。
(3)发生事故时,应立即启动应急预案,迅速进行救援。
三、交底要求1. 施工人员应认真学习本次安全技术交底内容,掌握墩台模板施工的安全操作规程。
一、施工准备:1、墩台身施工前应在基础顶面放出墩台中线和墩台内、外轮廓线的准确位置。
2、施工前应将基坑顶面与墩台身接荐处的浮浆、表面上松动的石子及松弱砼层凿除掉,并用高压水冲洗干净后用高压风将多余的积水冲走,以保证连接处砼表面湿润。
3、如墩台身预埋钢筋有锈蚀的必须进行除锈,经质检人员检查合格后方能开始施工。
二、脚手架施工:根据本项目部工程特点,采用扣件式钢管搭设脚手架。
1、搭设钢称脚手架前必须检查所用钢管及扣件材质是否满足规范要求,检查钢管是否锈蚀严重,如锈蚀严重的钢管不得用于脚手架工程中。
2、脚手架立杆搭接宜采用对接扣件,搭接接头不能在同一平面内。
两立杆搭接应错开大于等于500mm,且不在同步距内。
上下两纵向水平杆搭接接头处理同样如此,应错开大于等于500mm,同一步距内两纵向水平管的接应错开不在同一跨内。
3、立杆纵横向间距不大于100cm、步距不大于100cm。
4、脚手架剪刀撑应每小于等于9m设置一道,每一立面同一设置高度范围内应根据设置组数预先平分纵距,保证剪刀撑尺寸统一;转角处不好设置十字形剪刀撑时应设单道剪刀撑,呈“之”字型上下连续设置。
钢管搭接长度应大于等于400mm,且用不少于2只扣件紧固,钢管头伸出扣件大于等于100mm,以免引起胶扣,剪刀撑应与之相交的每一立杆扣紧。
剪刀撑最下面斜管与立杆连接点离地面不大于500mm,钢管与水平方向夹角宜为45度至60度。
4、施工操作层要满铺2cm木板,四周固定牢固。
脚手架外侧应设扶手栏杆,栏杆内侧挂密目式安全网防护。
三、钢筋施工:1、所有进场钢筋应具有出厂质量证明书和试验报告单。
每批钢筋进场后均应及时通知试验室抽取试样做力学性能试验。
2、钢筋进场后必须分类挂牌堆放,钢筋堆放场地必须采取排水措施。
钢筋下面应设置垫木、上面应遮盖。
已弯扎、焊接成型的成品或半成品钢筋按工程名称和构件名称以顺序堆放。
3、钢筋加工前表面应洁净,使用前应将油渍、漆皮等清除干净。
施工安全技术交底书编号: 015交底编号015一、交底范围新建工程。
二、施工工艺流程墩台施工工艺流程图三、施工安全技术要求3.1.施工准备(1)对《铁路桥涵工程施工安全技术规程》TB10303-2020、《铁路工程基本作业施工安全技术规程》TB10301及营业线施工安全相关规范要求进行学习。
(2)对施工机械进行检查,严禁机械带“病”作业;根据作业内容准备相关防护用品。
3.2.清理基础顶面(1)凿毛前进行弹线切缝,切割机防护罩应完好,切割机、电镐应运转正常。
(2)加强劳动保护,现场施工人员要配齐各种防护用品,并安排合理作息,严禁疲劳作业。
3.3.绑扎墩台钢筋3.3.1.钢筋吊装(1)吊车装卸时,停留起吊设备的场地必须平整、坚硬,避开沟渠、坑洞或松软土质,对吊车撑脚的支垫,应保证起吊时车身平稳,吊车前后轮固定牢靠。
(2)吊装必须有专人指挥。
工作前检查装卸工具和设备情况,不符合要求的严禁使用。
同时应对起重机械设备、现场环境、行使道路、架空线路及其他建筑物和吊重物情况进行了解,确定吊装方法。
(3)起吊钢丝绳必须按规定选用并绑扎牢固,吊钩和吊绳保持垂直,不得斜吊。
(4)吊机司机必须按机械设备的规定使用,不得超出规定的使用范围或超负荷运转。
(5)起吊前必须进行吊臂空载试转,检查角度、高度,确认回转范围内没有吊件上下可能遇到的障碍物。
(6)吊件不得长时间悬空停留,如需停留时,操作人员不得离开岗位,并设专人监护,悬空吊件严禁越过人身或吊机驾驶室。
(7)高处装卸吊件时,应用绳索限制吊件旋转、摆动,防止吊件碰撞模板、脚手架、钢筋骨架及其他构件和结构物。
吊件必须放置平稳,防止翻滚、倾倒。
(8)起吊重物必须绑扎牢固,起吊时,不得在重物上堆放或悬挂零星物件。
3.3.2.钢筋绑扎(1)为确保墩身钢筋稳固,要求承台混凝土浇筑完毕后,拆除钢筋定位卡具的同时,完善钢筋内箍圈,搭设内排架(如下图所示)。
墩柱钢筋自承台顶面以上每2m设置一道内箍圈;墩高小于5m的设置一道。
一、交底目的为确保墩台帽施工过程中的安全,预防事故发生,现将墩台帽施工过程中的安全技术要求进行交底,请全体施工人员认真学习和执行。
二、施工人员要求1. 参加施工的全体人员必须按规定佩戴安全防护用品及安全帽,高空作业人员必须佩戴安全带。
2. 施工前,所有施工人员必须接受安全技术培训,并考核合格后方可上岗。
3. 施工过程中,应严格遵守各项安全操作规程,确保自身和他人的安全。
三、施工场地要求1. 施工场地应平整,确保施工车辆、设备通行顺畅。
2. 基坑周围开挖排水沟,保证排水系统畅通,防止积水。
3. 施工现场应设置明显的警示标志,提醒施工人员注意安全。
四、墩台帽施工安全技术要求1. 模板及支撑系统:(1)模板内外均应安设稳固的支撑,落地处要加设垫木,并有防支点滑动措施。
(2)模板拼接处应严密,防止漏浆、漏筋。
2. 起重吊装:(1)起重机械设备设专人操作并配指挥人员,定责定岗;上岗前进行技术培训,考核合格后,持证上岗。
(2)使用吊机吊装模板合缝时,模板底部用撬棍等工具拔移,不得徒手操作。
3. 脚手架:(1)搭设脚手架平台、脚手板、栏杆并加设防护网及上下扶梯。
脚手架除能够承受一定荷载外,还要具有良好的稳定性、牢固性和可靠性。
(2)脚手架必须是独立体系,不得与模板、支架相连接。
工作人员在行走时不得踏在探头板上。
(3)脚手架经过大风大雨后,必须进行安全检查,遇到倾斜、下沉、松扣等应及时修复。
4. 安全防护:(1)墩台或支架上的作业人员穿着防滑鞋,佩戴安全带。
(2)患有高血压、心脏病等人员不得进行高空作业。
(3)平台上应规定人群荷载和堆放材料的限量标准。
材料的均匀摆放,不得多人聚集一处。
(4)使用吊斗进行混凝土灌注时,线通知下方人员,确保安全。
五、施工过程中注意事项1. 施工过程中,应密切关注天气变化,遇有大风、雨、雪等恶劣天气时,应立即停止施工。
2. 施工过程中,如发现安全隐患,应立即停止施工,及时整改。
3. 施工结束后,应清理现场,确保无安全隐患。