西安产权交易大厦工程施工组织设计
- 格式:doc
- 大小:543.00 KB
- 文档页数:89
大厦施工组织设计方案施工组织方案编制:审核:批准:编制日期:年—月—日审批日期:年—月—日1、工程概况X1-7地块金融大厦位于陆家嘴金融开发区临江地段X1-7地块,与正大广场、香格里拉大酒店、震旦国际大楼并列,西侧为滨江景观绿地,东侧为银城西路,北侧与震旦大厦相对,南侧为花园石桥路。
本工程9月28日开工计划12月30日竣工。
大厦结构属钢筋混泥土框架-筒体结构,占地面积11892m2,建筑总面积约1 0m2,地下三层, 地上四十层,塔楼二层,建筑总高度180m。
地下三层到地下一层为设备机房及停车库,地上1~4层为裙房、大堂、银行营业厅、餐厅及厨房;5~38层为办公室;39~40层为金融家会所,其中13层和27层为避难层及设备用房。
X1-7地块金融大厦的建设将为陆家嘴地区增添一颗亮丽的明珠。
相关单位:业主上海巴鼎房地产发展有限公司建筑师:日本国日建设计株式会社设计顾问:上海建筑设计研究院有限公司工料测量师:伟历信建筑工料测量师事务所监理单位:上海市建筑科学研究院建设工程咨询监理部总承包单位:上海建工(集团)总公司土建单位:上海第一建筑工程有限公司安装单位:上海市安装工程有限公司工程承接内容:(a)电气系统(b)给排水系统(c)空调及通风系统(d)弱电系统(包括消防报警等)(负责预埋套管、安装公共桥架、配合土建预留洞)(e)消防栓及水喷淋系统(f)室外总体给排水、电气工程(g)配合总包系统调试1.1机电安装工程概况1.1.1电气系统大楼由电业提供三路独立的10KV电源,其中一路为备用电源, 以电缆埋地形式进户。
备用线切换为单路停电时白动切换,复电时手动切换;本工程保护接地采用TN-S制,并采用联合接地系统,接地电阻不大于1 Q。
10KV电源均采用电缆敷设,由低压配电室引出的电缆均沿桥架敷设,水平部分采用槽式电缆桥架,进入强电竖井后垂直部分采用梯级式桥架。
本工程按二类防雷建筑设计。
采用共用接地系统,设置总等电位联结。
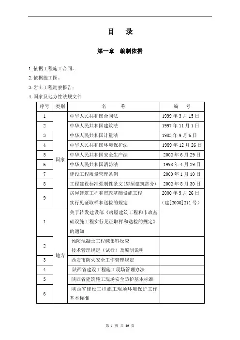
目录第一章编制依据1.依据工程施工合同。
2.依据施工图。
3.岩土工程勘察报告;4.国家及地方性法规文件5.现行施工规范及规程6.施工使用标准7.主要图集8.其它8.1.ISO9001:2000质量保证体系;ISO14001:1996环境管理体系OSHMS18001职业安全卫生管理体系。
8.2.西安xx工程有限公司提供的工程地质勘察报告。
第二章工程概况及特点第一节工程概况1.基本概况2.建筑设计概况本工程建筑类别为一类,防水等级二级,耐火等级一级,抗震设计烈度八度,设计等级一级,1A-4A号楼设计标高±0.000 m相当于绝对标高407.09 m(黄海高程)、5A-7A 号楼设计标高±0.000 m相当于绝对标高407.24 m(黄海高程);本工程建筑面积及层数:1A-4A号楼总建筑面积59275.9m2,其中地上56824.68 m2,地下2451.22 m2;地上32层,地下1层,建筑总高97.75 m。
5A-7A号楼总建筑面积44647.14 m2,其中地上42862.14m2,地下1785 m2;地上32层,地下1层,建筑总高97.75 m。
建筑地上32层均为住宅,地上一层北侧为小型商铺。
本工程建筑室外设有消防环路,地下室为2个防火分区,每个防火分区设有2部封闭楼梯间;地上每层每个单元为一个防火分区,每单元设有剪刀楼梯一部,电梯两部,其中一部为消防电梯。
本工程墙体:地下室填充墙采用MU5砖,M7.5砂浆砌筑。
3.结构设计概况4.暖卫系统概况5.电气专业设计概况拟建场地位于xxxx。
第二节工程特点1.工程特点1.1.本工程要经过2个春节,1个冬节;主体在跨年度施工,给人员组织带来诸多不利因素。
1.2.南侧地下室车库与本工程基础高差较大,无法在南侧设置垂直运输设备。
1.3.本工程有7个独立单元组成,且设置310宽的抗震伸缩缝;给施工带来一定的难度。
第三章施工部署1.施工组织1. 1.施工组织管理为了满足本工程施工的需要,真正让生产组织、指挥、协调适用于本工程施工生产,本项目将形成以项目经理负责制为中心,以合同管理和成本控制为主要内容,以科学的系统管理和先进技术为手段的管理机制。
西安百寰国际商城工程施工组织设计编制人:审核人:审批人:陕西省外经贸实业集团有限公司百寰国际工程项目部目录第一章、编制说明及项目概况 (1)第二章、项目经理部组成人员 (5)第三章、确保工程质量的技术组织措施 (14)第四章、确保安全生产的技术组织措施 (31)第五章、确保文明施工的技术组织措施及环境保护措施 (68)第六章、确保工期的组织措施 (81)第七章、机械设备的配备和材料投入计划 (87)第八章、施工方案 (96)模板专项施工方案 (109)筏板基础大体积混凝土施工方案 (191)第九章、施工进度表或施工网络图 (327)第十章、劳动力安排计划及劳务分包情况表 (331)第十一章、施工总平面布置图 (335)第一章、编制说明及项目概况一、编制说明本工程由西安百寰建材实业有限公司投资建设,由西北建筑设计院设计、西安茂华监理公司进行工程监理;基础开挖及护坡工程由桩基工程有限公司施工。
桩基以上工程结构部分及粗装水、电安装部分由陕外经贸集团施工。
内外精装机电设备安装,电梯、门窗等由甲方分包单位施工。
前期施工基本上是―三边工程‖,但是已定成2016年底要进行交房。
造成工期紧任务重,在很短的工期内要完成总建筑面积10万平方米,高139米多的超高层项目。
工程前期的三边工程,后期政府的治霾管理工作太严,外运土、桩间土方无法正常进行。
导致施工进度无大的进展,致使现场基本无作业面;在无确切的施工图情况下,进行劳务招标进行施工准备受到影响。
前面施工后面维修的工作比较多。
(一)、编制依据依据初步设计图纸及后部分批到位施工现行国家规范、行业标准、法律、法规规章制度。
二、项目概况本工程地处北二环太华路十字东北角约200米处,坐北向南北邻陕交投空地,西邻世纪金花,南邻二环路待建的广场,东邻小区安置楼。
总建筑面积约10.6万平方米,裙楼6万多平方米,主楼4万多平方米,建筑总高度裙楼约37米,主楼约150米。
裙楼为框剪结构,主楼为框筒结构。
(此文档为Word格式,下载后可以任意编辑修改!)(文件备案编号:)施工组织设计工程名称:编制单位:编制人:审核人:批准人:编制日期:年月日目录第一章编制说明 (1)第一节编制说明 (1)第二章工程概况 (2)第一节建筑特点 (2)第二节结构特点: (3)第三节场地地质及水文条件 (3)1. 土层的物理性质 (3)2. 地形地貌 (4)3. 地下水的情况 (4)4. 场地土类别成分 (4)第四节周边环境及施工场地 (4)第三章施工部署 (5)第一节施工阶段划分 (5)1. 内外装修和设备安装阶段 (5)2. 主体施工阶段 (6)3. 施工前期准备阶段 (6)第二节施工管理组织体系 (6)第三节场地使用及总平面布置 (6)第四节施工准备 (7)1. 现场准备 (7)2. 技术准备 (7)3. 现场排水 (7)4. 施工用水准备 (8)5. 施工用电准备 (8)第四章主要施工方法 (10)第一节垂直运输设备和施工机械选择 (10)第二节脚手架工程 (10)第三节定位测量 (10)1. 测量仪器的选用 (10)2. 定位依据 (11)3. 平面控制及垂直度控制 (11)4. 标高控制 (11)5. 沉降观测 (12)6. 电梯井壁垂直度控制 (12)第四节土方开挖 (12)第五节基坑排水 (13)第六节验桩及桩头处理 (14)第七节钢筋工程 (14)1. 施工准备 (14)2. 钢筋加工 (15)3. 钢筋接头 (15)4. 钢筋绑扎 (15)5. 钢筋隐蔽验收 (17)第八节模板工程 (17)1. 模板施工注意事项 (17)2. 本工程模板使用材料为 (18)3. 柱模 (18)4. 集水井模板 (19)5. 有梁楼板 (19)6. 墙模 (19)7. 电梯井内模 (20)第九节砼工程 (20)1. 砼供应 (20)2. 砼配合比 (20)3. 砼运输 (21)4. 砼浇筑 (21)5. 砼养护 (21)6. 砼浇筑劳动力组织 (22)第十节底板大体积砼施工 (22)1. 浇捣前的准备工作 (22)2. 砼浇筑 (23)3. 砼的泌水处理 (24)4. 砼表面处理 (24)5. 砼养护 (25)6. 楼板施工缝的处理 (25)7. 节点砼浇筑 (25)8. 楼层、主次梁板、柱、不同标号砼的施工 (25)第十一节粗装修工程 (26)第十二节安装工程 (26)1. 设备安装工程 (26)2. 给排水工程 (26)3. 电气工程 (27)4. 消防工程 (28)5. 通风空调工程 (28)第五章各类计划 (30)第六章工程目标及各项保证措施 (31)第一节工期目标及各施工段工期安排 (31)第二节施工进度、工期保证措施 (31)第三节质量目标 (32)第四节工程技术、质量保证措施 (32)第五节安全生产保证措施 (33)第七章主要结构部位施工方案及其验算 (35)第一节地下室降水、排水施工方案 (35)第二节后浇带施工方案 (35)第三节地下室外墙抗渗施工方案 (36)第四节商品混凝土施工方案 (36)1. 混凝土的强度控制 (36)2. 混凝土的养护 (37)3. 混凝土拆模时间的控制 (37)4. 混凝土配合比监测 (37)5. 混凝土原材料投料方式 (38)6. 混凝土的技术要求与措施 (38)7. 概述 (39)第五节基础大体积混凝土温差控制 (39)第六节建筑物沉降观测方案 (41)1. 沉降观测的具体步骤 (41)2. 观测成果管理 (42)3. 基准点和观测点的保护 (42)4. 基准点的设置 (42)第七节人群密集区的安全设施方案....................................... 错误!未定义书签。
×××基础工程施工组织设计1 编制依据及工程概况1.1 编制依据1.1.1有关图纸及文件①《×××资有限公司×××大厦基坑支护及降水工程设计》;②《×××投资有限公司×××大厦试桩图》;③《×××投资有限公司×××大厦基坑开挖图》④《×××大厦岩土工程详堪报告》;⑤中标通知书1.1.2与本工程有关的规范、规程①《建筑桩基技术规范》(JGJ94-2008);②《地基与基础工程施工及验收规范》(GBJ5202-2002);③《建筑机械使用安全技术规程》(JGJ33-86);④《施工现场临时用电安全规范》(JGJ46-88);⑤《建筑工程资料管理规程》(DBJ-51-2003);1.1.3本单位质量体系的相关文件①质量手册;②质量体系程序文件;大厦位于友谊东路北侧,长胜街东侧。
施工范围已用围墙圈好,东西各留一出入大门。
建筑总面积51921㎡,主楼为26层,建筑高度100m,裙楼为5层,建筑高度24m。
建筑物安全等级为一级。
1.2.1场地岩土工程条件拟建场地位于×××友谊东路北侧原×××宾馆院内,场地西邻长胜街,南邻友谊东路,东侧为×××家属院,场地地形较平坦,平均地面标高为413.28m。
本工程±0.000为413.300m。
地层特征详见表1-1。
×××地层特征一览表1-1黄土71.4~71.7 341.4~342.0本工程施工范围包括:钢筋混凝土基坑支护桩、工字钢微型桩、钢筋混凝土冠梁制作、深基坑降水、拆除地下构筑物、土方开挖、基坑支护;钢筋混凝土灌注桩(试桩、锚桩、工程桩)的成孔、钢筋笼制作及安装、砼灌注、破桩头、桩间土开挖及外运。
第一章编制说明一、编制依据1.1 国企苑(某某产权交易市场及附属办公用房) 招标文件(编号:BC2005SG008)、初步设计图纸及补充说明等相关文件。
1.2 某某省有关定额及相关商务文件。
1.3 建筑工程抗震设防标准、建筑工程施工质量验收规范、建筑工程施工质量验收统一标准等文件。
1.4 国家有关环境保护、安全文明施工、产品质量等方面的法律法规。
1.5 工程建设标准强制性条文(施工质量和安全部分)。
1.6 现场勘测的工程位置、周围环境、地质资料、气候条件资料。
1.7 企业标准《建筑安装工程施工工艺标准》及ISO9000—2000版《质量手册》、《程序文件》。
1.8 企业的机械设备装备情况。
1.9 本企业成本控制、工期控制、质量控制、技术成果及项目管理等施工经验资料。
二、编制原则2.1 按照“全面规划、突出重点、均衡施工、适当提前”的原则,科学组织、合理安排施工工期和进度。
2.2 遵循文明施工和环境保护的各项规定。
施工中严格执行《环境保护法》和《某某省建筑工程安全文明施工管理办法》,创建“省级安全文明工地”。
2.3 按照“优质、快速、安全、高效”的原则,提高机械配备率,充分发挥现代化机械的效率,为各项目标的实现奠定物质基础。
2.4 按照“以人为本、遵纪守信”的原则,调遣高素质专业性技术人才和本企业有类似工程施工经验的优秀队伍参加本工程的建设。
2.5 按照ISO9000-2000质量管理标准,建立质量保证体系,使施工的全过程处于受控状态,实现创优目标。
2.6 按照业主关于工期、质量、安全目标等要求编制施工组织设计,使业主的各项要求均得到有效保障。
2.7 在编制施工组织设计时,本着遵循设计文件的原则,认真阅读核对技术设计文件等相关资料,了解设计意图,掌握现场情况,严格按设计资料和设计原则编制,满足设计标准和要求。
2.8 本着遵循施工验收规范的原则,在编制施工组织设计时,严格按照施工验收规范要求优化施工方案,强调强制性条文的实施和检验批的质量管理。
第一部分施工组织设计第一章编制说明第一节编制原则一、保证重点统筹安排,遵守承诺和招标文件规定。
二、依据工程项目的内容,科学地安排施工程序,合理组织施工,确保各项活动相互促进,紧密衔接,加快施工进度,缩短工期。
三、采用先进的施工技术,合理选择施工方案,保持质量体系并使之有效运行,确保安全生产和提高工程质量。
四、充分挖掘和利用机械设备潜力,提高机械化程度,减轻劳动强度和提高劳动生产率。
第二节编制依据一、西安产权交易大厦工程施工招标文件及招标答疑会议纪要。
二、由北京中外建建筑设计有限公司负责设计的本工程建筑、结构、水、电、暖通施工图,图纸设计号:BX709001。
三、陕西省有关建筑施工技术、质量、安全规程和规定。
四、本工程的特点,施工现场环境,自然条件等。
五、现行国家建筑施工及验收规范,建筑安装工程质量检验评定标准。
六、我单位ISO9002质量保证体系有关文件。
七、我单位现有的技术装备以及多年积累的建筑施工经验资料。
第三节用于本工程的加工制作、安装施工及验收规范、标准1、工程测量规范GB。
2、土方与爆破工程施工及验收规范GB。
3、地基与基础工程施工及验收规范GB。
4、砼结构工程施工及验收规范GB。
5、组合钢模及技术规范GBJ214-89。
6、砖石工程施工及验收规程GB。
7、屋面工程技术规范GB8、建筑地面工程施工及验收规范JG。
9、建筑装饰工程施工及验收规程JG。
10、钢筋焊接及验收规范JGJ。
11、钢筋机械连接通用技术规程JGJ。
12、带肋钢筋套筒挤压连接技术规程JGJ108-96。
13、钢筋锥螺纹接头技术规程JGJ109-96。
14、镦粗直螺纹钢筋接头JGT。
15、建筑给水、排水及采暖工程施工质量验收规范GB。
16、建筑电气工程施工质量及验收规范GB。
17、智能建筑工程施工质量及验收规范GB。
18、通风与空调工程施工质量验收规范GB。
19、建筑边坡工程技术规程GB;20、建筑建构荷载规范GB(2006年版);21、砼结构设计规范GB;22、建筑抗震设计规范GB;23、建筑地基处理技术规范JGJ;24、高层建筑钢筋砼结构技术规程JGJ3-2002;25、地下工程防水规范GB;26、湿陷性黄土地区建筑规范GB;27、高层民用建筑防火规范GB(2005年版);28、砌体结构设计规范GB;29、火灾自动报警系统设计规范GB;30、自动喷水灭火系统施工及验收规范GB;31、建筑机械使用安全技术规范JGJ59-99。
目录第一章工程概况............................................... 错误!未定义书签。
第1节编制依据........................................... 错误!未定义书签。
第2节工程概况........................................... 错误!未定义书签。
第3节项目管理目标....................................... 错误!未定义书签。
第4节工程特点和控制重点................................. 错误!未定义书签。
第二章项目经理部组成......................................... 错误!未定义书签。
第1节组织管理结构模式................................... 错误!未定义书签。
第2节项目经理部组成..................................... 错误!未定义书签。
第3节项目部职能......................................... 错误!未定义书签。
第三章现场总平面布置及施工布署............................... 错误!未定义书签。
第1节施工现场总平面布置原则............................. 错误!未定义书签。
第2节设计施工总平面图................................... 错误!未定义书签。
第3节施工机械的选择与布置............................... 错误!未定义书签。
第四章施工部署............................................... 错误!未定义书签。
大厦施工组织设计方案1. 项目背景和概述本文档为某大厦的施工组织设计方案,旨在规划和管理大厦的施工过程,确保施工工作的有序进行。
本项目是一座50层的商务大厦,位于城市中心繁华地段。
本文档将详细描述大厦施工组织设计的各个方面,包括施工人员组织、施工流程安排、安全管理措施等内容。
2. 施工组织人员及职责为保证施工进度和质量的控制,我们将组建一个专业的施工组织团队,并明确各个成员的职责。
•项目经理:负责整个施工过程的规划、组织和管理,确保项目按时、按质量完成。
•施工队长:负责指导施工队伍进行具体的施工作业,保证施工进度。
•安全主管:负责安全管理工作,定期检查施工现场,及时处理安全隐患。
•设计工程师:负责施工图纸的解读和现场技术指导,确保按照设计要求施工。
•质量检查员:负责施工质量的检查,确保施工符合质量标准。
3. 施工流程安排本项目的施工流程分为以下几个阶段:3.1 基础施工首先是进行地基基础的施工,包括地表开挖、基础预制桩的安装以及混凝土浇筑等作业。
该阶段主要包括以下流程:1.地表开挖:根据设计要求和土地条件,进行地表的开挖工作。
确保开挖面平整,避免坍塌等安全问题。
2.基础预制桩施工:根据结构设计,进行预制桩的安装,确保桩的垂直度和深度符合要求。
3.地基处理:对地基进行处理,包括夯实、振动加固等工序,确保地基的稳固性。
4.混凝土浇筑:根据结构设计要求进行混凝土浇筑,确保地基的承载力。
3.2 主体结构施工主体结构施工是本项目的核心施工阶段,主要包括钢筋工程、混凝土浇筑、立柱立梁的安装等作业。
该阶段的施工流程如下:1.钢筋工程:根据主体结构设计要求,进行钢筋的制作、安装和焊接等工作。
2.混凝土浇筑:将预制好的混凝土进行吊装至施工现场进行浇筑,确保浇筑质量和工序的安全性。
3.立柱立梁安装:将已浇筑好的混凝土立柱和梁使用起重机吊装至相应位置,确保安装的水平度和垂直度符合要求。
3.3 室内装修主体结构施工完成后,进行室内装修工程,包括地面铺设、墙面装修、天花板安装等作业。
目录第一章施工组织设计综述-------------------------------------------------------3 第一节编制说明----------------------------------------------------------------3 第二节工程概况----------------------------------------------------------------6 第三节工程项目施工特点----------------------------------------------------9 第二章项目经理部组成---------------------------------------------------------10 第一节施工项目经理部------------------------------------------------------10 第二节管理人员岗位职责--------------------------------------------------13 第三章施工部署-----------------------------------------------------------------18 第一节工程项目施工程序--------------------------------------------------18 第二节工程项目施工方法--------------------------------------------------25 第四章施工总平面图布置-----------------------------------------------------30 第五章施工进度计划及工期保证措施--------------------------------------34 第一节施工进度计划--------------------------------------------------------34 第二节工期保证措施--------------------------------------------------------35 第三节冬雨期施工措施-----------------------------------------------------38 第六章施工方案-----------------------------------------------------------------43 第一节工程施工测量--------------------------------------------------------43 第二节钢筋工程施工--------------------------------------------------------49 第三节模板工程施工--------------------------------------------------------59 第四节混凝土工程施工-----------------------------------------------------63 第五节防水工程施工--------------------------------------------------------67 第六节砌体工程施工--------------------------------------------------------72 第七节一般抹灰工程施工--------------------------------------------------75 第八节装饰工程施工--------------------------------------------------------80第九节架子工程施工--------------------------------------------------------84 第十节塔吊专项施工方案---------------------------------------------------88 第十一节安装工程施工方案----------------------------------------------93 第七章工程试验管理措施---------------------------------------------------108 第八章工程质量保证措施---------------------------------------------------114 第九章安全生产保证措施---------------------------------------------------125 第十章使用新技术、新工艺的可行性------------------------------------129 第十一章主要材料构配件计划----------------------------------------------131 第十二章劳动力安排----------------------------------------------------------134 第十三章主要机械设备供应计划-------------------------------------------136 第十四章确保文明施工的技术组织措施及环境保护措施-------------139附表:附表主要设施料投入计划附表主要材料、构配件计划附表主要机械设备供应计划附表劳动力需用计划附图:1、施工计划网络图2、施工现场平面布置图第一章施工组织设计综述第一节编制说明一、工程施工组织设计作为工程项目施工的综合性指导文件,是全体投标人员在熟悉图纸和工程特点的基础上,为了确保本工程施工工期、施工质量等目标的实现,经过认真策划、集体讨论、集思广益编制而成,使其充分体现本施工企业的施工管理技术水平,做到前期精心策划、过程有效控制、向用户交付满意工程。
目录综合说明 (1)第一节编制原则 __________________________________________ 1 第二节编制依据 __________________________________________ 2 第三节招标要求 __________________________________________ 2 第一章工程概况 (3)第一节总述_____________________________________________ 3 第二节工程简况 __________________________________________ 4一、建筑设计概况 (4)二、结构设计简况 (11)第三节工程特点、重点和难点 _____________________________ 13一、工程特点 (13)二、工程的重点 (14)第二章组织机构 (16)一、建立完整的组织机构 (16)二、施工组织管理机构框图 (18)三、项目管理人员组成及岗位职责 (20)第三章施工部署 (21)第一节工程规划 _________________________________________ 21一、施工准备工作 (21)二、基础、主体结构工程 (21)(一)现浇构件模板工程 (21)(二)钢筋的加工连接方式 (22)(三)混凝土工程 (22)(四)砌筑工程 (22)(五)装饰装修 (23)(六)脚手架搭设 (23)(七)与业主分包工程的配合 (23)第二节劳动力计划 _______________________________________ 24 第三节主要施工机械设备 _________________________________ 26 第四章施工现场平面布置 (27)第一节现场平面布置 _____________________________________ 27 第二节施工现场环境保护、安全文明规划 ___________________ 29一、粉尘控制 (29)二、噪音控制 (29)三、安全文明施工布置 (30)第五章基础及地下室施工方案与技术措施 (31)第一节工程定位放线 _____________________________________ 31 第二节基础工程 _________________________________________ 36一、土方工程施工 (36)二、降排水施工 (37)三、冲孔灌注桩基础施工 (37)第三节地下室施工工艺流程 _______________________________ 42 第四节地下室模板工程施工 _______________________________ 42第五节地下室钢筋工程施工 _______________________________ 45 第六节地下室砼工程施工 _________________________________ 48一、大体积砼施工 (48)二、砼的浇筑 (50)第七节地下室防水工程 ___________________________________ 52 第八节土方回填 _________________________________________ 55 第六章主体结构施工方案与措施 (58)第一节主体工程的施工部署 _______________________________ 58 第二节钢筋工程 _________________________________________ 58 第三节模板施工方案 _____________________________________ 64 第四节混凝土工程 _______________________________________ 76 第五节填充墙工程 _______________________________________ 79 第六节脚手架工程 _______________________________________ 83 第七章屋面、楼地面防水工程 (91)第一节屋面防水工程 ______________________________________ 91 第二节室内防水工程 ______________________________________ 97 第八章初装饰施工方案与措施 (102)第九章质量管理体系与措施 (105)第一节质量目标及组织管理措施 __________________________ 105一、质量目标 (105)二、质量保证体系的建立 (105)三、建立、落实质量管理制度 (109)四、施工材料质量保证措施 (111)五、质量控制措施 (114)第二节地下室工程质量保证措施 __________________________ 115一、工程轴线、标高的质量保证措施 (115)二、地下室防水节点施工的质量保证措施 (116)三、土方工程控制措施 (117)第三节上部主体工程质量保证措施 ________________________ 118一、工程轴线、标高的质量保证措施 (118)二、钢筋工程的质量控制 (119)三、模板工程的质量保证措施 (122)四、砼工程质量保证措施及对策表 (126)五、剪力墙钢筋位移的质量保证措施 (130)六、砌筑工程的质量保证措施 (131)第四节防水工程质量控制措施 ____________________________ 134一、技术措施 (134)二、防水成品保护措施 (136)三、用水房间防水质量控制措施 (136)第五节特殊关键部位的处理措施 __________________________ 138一、地下室工程砼浇筑 (138)二、建筑结构防水砼特殊部位的处理 (138)三、混凝土薄弱部位的防渗措施 (140)四、构造柱马牙槎砌筑新法 (140)五、预防变形缝内落入垃圾的方法 (141)。
目录第一章工程概况 (8)第1节编制依据 (8)第2节工程概况 (9)第3节项目管理目标 (29)第4节工程特点和控制重点 (30)第二章项目经理部组成 (32)第1节组织管理结构模式 (32)第2节项目经理部组成 (34)第3节项目部职能 (35)第三章现场总平面布置及施工布署 (37)第1节施工现场总平面布置原则 (37)第2节设计施工总平面图 (38)第3节施工机械的选择与布置 (39)第四章施工部署 (40)1第1节施工部署原则 (40)第2节施工总部署 (40)第3节组织准备 (41)第4节技术准备 (41)第5节主要工程施工部署 (42)第五章施工进度计划和措施 (44)第1节总进度网络计划 (44)第2节施工进度计划 (45)第3节进度控制保证措施 (48)第六章施工方案 (55)第1节工程施工测量 (55)第2节土方工程 (59)第3节筏板、地下室工程 (62)第4节不同强度等级连接混凝土的施工方案 (74)第5节钢筋工程 (76)2第6节模板工程 (84)第7节混凝土工程 (92)第8节脚手架工程 (93)第9节砌体工程 (105)第10节屋面工程、防水工程 (108)第11节楼地面工程 (117)第12节内外墙装饰工程 (124)第13节抹灰工程、涂料、油漆工程 (142)第14节门窗工程 (152)第七章质量保证措施 (153)第1节质量目标与目标管理 (153)第2节质量保证体系 (154)第3节工程质量保证措施 (156)第八章安装工程施工方案 (174)第1节编制依据 (174)3第2节施工准备工作计划 (176)第3节安装工程的进度控制 (180)第4节安装工程的质量控制 (181)第5节检验和试验 (187)第6节初步验收、联动试车、试运行 (188)第7节回访、保修和服务 (189)第8节施工质量检验 (190)第九章新工艺、新技术、新材料的应用 (190)第1节新材料、新工艺、新技术、新设备应用 (191)第2节计算机及网络信息技术的应用 (198)第3节煤灰综合利用技术 (200)第十章主要材料、构配件计划 (200)第1节主要周转材料计划 (200)第2节施工材料的投入计划 (201)第十一章主要机械设备供应计划 (204)4第1节施工机具配备计划 (204)第2节施工机具、仪器的使用、维护、保养 (208)第十二章劳动力安排 (211)第1节劳动力安排和工种配备 (211)第2节劳动力投入计划表 (212)第十三章安全文明、环保施工措施 (215)第1节安全文明管理目标 (215)第2节安全文明施工管理体系 (215)第3节安全管理措施 (216)第4节临时用电及施工机械安全 (218)第5节消防管理措施 (220)第6节创建双标化工程的措施 (222)第7节环境(扬尘、噪声、污水、废弃物等)管理措施 (228)第十四章施工技术措施 (233)第1节施工测量技术措施 (233)5第2节模板工程施工技术措施 (236)第3节钢筋工程施工技术措施 (237)第4节砼工程施工技术措施 (242)第5节清水砼施工技术措施 (245)第6节预防渗漏技术措施 (246)第7节抹灰工程施工技术措施 (247)第8节回填土施工技术措施 (248)第9节砌砖工程施工技术措施 (249)第10节楼地面工程施工技术措施 (250)第11节屋面工程施工技术措施 (251)第12节门窗工程施工技术措施 (251)第13节安装工程施工技术措施 (252)第14节高层建筑施工的特殊措施 (253)第十五章季节性施工措施 (259)第1节雨季施工措施 (260)6第2节冬季施工措施 (261)第十六章风险管理 (261)第1节风险管理的作用 (261)第2节风险管理的措施 (262)第十七章降低成本措施 (263)第十八章保修与服务 (265)第1节工程保修 (265)第2节工程回访 (266)第十九章附表、附图 (266)7第一章工程概况第1节编制依据一、工程施工图纸、施工合同、图纸答疑。
高层商务大厦装修工程施工组织设计西安投标文件第一章编制根据 (2)第二章工程概况及投标综合说明 (4)第一节工程概况: (4)第二节投标综合说明 (5)第三章现场平面布置图 (6)第四章施工组织及施工进度计划 (6)第五章施工方案 (10)第六章要紧机械设备配置计划 (34)第七章要紧劳动力安排 (35)第八章工期保证措施 (36)第九章施工部署 (39)第十章质量体系与保证措施 (41)第十一章施工技术措施及资料整编归档 (47)第十二章安全施工措施 (48)第十三章文明施工措施 (56)第十四章项目经理部构成 (62)后附:施工平面布置图施工进度横道图施工进度网络图第一章编制根据一、本工程技术标(施工组织设计)遵循下列基本原则进行编制:1、保证重点、统筹安排、遵守承诺、施工图纸、变更资料、现场施工条件、我公司自身实力、招标文件与评标办法的规定;2、根据工程项目内容,科学地安排施工程序,合理、周密地组织施工,确保本工程各项施工活动的紧密衔接、相互促进、加快进度、缩短工期;3、使用先进的施工技术,合理选择施工方案,保持质量体系有效运行,确保工程安全生产与提高工程质量;4、充分挖掘与利用机械设备潜力,提高机械化施工程度、减轻劳动强度、提高劳动生产率。
二、编制根据:1、根据建设单位发出的****保险有限公司陕西分公司职场装修工程招标文件等有关事项说明;2、根据本工程全套施工图纸与变更资料;4、根据GB/T19001-2000—ISO9001:2000质量管理体系标准与本公司质量管理手册,程序文件、作业指导书;5、根据我公司对施工现场的勘察情况与我们长期以来积存的同类工程的施工经验;6、根据现场实地踏勘情况,工程地点周边环境情况及与本工程施工有关的资料;三、本工程技术标的编制说明:我公司针对****保险有限公司陕西分公司职场装修工程技术标编制根据的内容与要求,通过认真认真地学习与研讨,在分析了多种有可能影响施工的因素与本工程总承包的特点与我们企业的综合实力等各项优势后,确定了我们的目标,认真细致地编写了****保险有限公司陕西分公司职场装修工程的技术标。
第一章编制说明
第一节编制原则
一、保证重点统筹安排,遵守承诺和招标文件规定。
二、依据工程项目的内容,科学地安排施工程序,合理组织施工,确保各项活动相互促进,紧密衔接,加快施工进度,缩短工期。
三、采用先进的施工技术,合理选择施工方案,保持质量体系并使之有效运行,确保安全生产和提高工程质量。
四、充分挖掘和利用机械设备潜力,提高机械化程度,减轻劳动强度和提
高劳动生产率。
第二节编制依据
一、****西北工程设计研究院设计的“陕西****房地产开发有限公司****火车站商业广场公寓楼”工程建筑图。
二、国家有关建筑施工技术、质量、安全规程和规定。
三、本工程的特点,施工现场环境,自然条件等。
四、现行国家建筑施工及验收规范,建筑安装工程质量检验评定标准。
五、我单位现有的技术装备以及多年积累的建筑施工经验资料。
主要规程规范
地下工程防水技术规范
25 建筑地基处理技术规范
主要验收标准:
质量验收标准
材料标准
低碳钢热轧圆盘条
主要图集。
(此文档为word格式,下载后您可任意编辑修改!)第一部分施工组织设计第一章编制说明第一节编制原则一、保证重点统筹安排,遵守承诺和招标文件规定。
二、依据工程项目的内容,科学地安排施工程序,合理组织施工,确保各项活动相互促进,紧密衔接,加快施工进度,缩短工期。
三、采用先进的施工技术,合理选择施工方案,保持质量体系并使之有效运行,确保安全生产和提高工程质量。
四、充分挖掘和利用机械设备潜力,提高机械化程度,减轻劳动强度和提高劳动生产率。
第二节编制依据一、西安产权交易大厦工程施工招标文件及招标答疑会议纪要。
二、由北京中外建建筑设计有限公司负责设计的本工程建筑、结构、水、电、暖通施工图,图纸设计号:BX709001。
三、陕西省有关建筑施工技术、质量、安全规程和规定。
四、本工程的特点,施工现场环境,自然条件等。
五、现行国家建筑施工及验收规范,建筑安装工程质量检验评定标准。
六、我单位ISO9002质量保证体系有关文件。
七、我单位现有的技术装备以及多年积累的建筑施工经验资料。
第三节用于本工程的加工制作、安装施工及验收规范、标准1、工程测量规范GB。
2、土方与爆破工程施工及验收规范GB。
3、地基与基础工程施工及验收规范GB。
4、砼结构工程施工及验收规范GB。
5、组合钢模及技术规范GBJ214-89。
6、砖石工程施工及验收规程GB。
7、屋面工程技术规范GB8、建筑地面工程施工及验收规范JG。
9、建筑装饰工程施工及验收规程JG。
10、钢筋焊接及验收规范JGJ。
11、钢筋机械连接通用技术规程JGJ。
12、带肋钢筋套筒挤压连接技术规程JGJ108-96。
13、钢筋锥螺纹接头技术规程JGJ109-96。
14、镦粗直螺纹钢筋接头JGT。
15、建筑给水、排水及采暖工程施工质量验收规范GB。
16、建筑电气工程施工质量及验收规范GB。
17、智能建筑工程施工质量及验收规范GB。
18、通风与空调工程施工质量验收规范GB。
19、建筑边坡工程技术规程GB;20、建筑建构荷载规范GB(2006年版);21、砼结构设计规范GB;22、建筑抗震设计规范GB;23、建筑地基处理技术规范JGJ;24、高层建筑钢筋砼结构技术规程JGJ3-2002;25、地下工程防水规范GB;26、湿陷性黄土地区建筑规范GB;27、高层民用建筑防火规范GB(2005年版);28、砌体结构设计规范GB;29、火灾自动报警系统设计规范GB;30、自动喷水灭火系统施工及验收规范GB;31、建筑机械使用安全技术规范JGJ59-99。
32、建筑工程施工质量验收统一标准GB;33、建筑结构可靠度设计统一标准 GB;34、砼质量控制标准GB;35、砼强度检验评定标准GBJ;36、建筑施工场界噪声限值GB;37、建筑施工安全检查标准JGJ。
第二章工程概况一、建筑设计特征及工程做法(一)建筑设计特征本工程系西安产权交易大厦,工程地处环城南路含光门外东南处。
本工程为一栋地下1层、地上7层现浇钢筋混凝土框架结构,总建筑面积为11577m2,基底面积为1365.76m2。
地下室建筑面积为1926.52m2,地下室为汽车库和设备用房,停车总数量为39辆;地上7层,建筑面积为9650.48m2,为办公用房。
本工程设电梯6部,1号为观光电梯,2号为无障碍电梯兼客梯,3、4号为客梯,1、4号电梯不下地下室。
在楼的东西两侧各设一座上人楼梯及卫生间一个。
工程平面呈条形,东西两侧总长为54.60m,南北两侧总宽为25.50m,建筑总高为31.80m,其中底层层高为4.20m,2-6层层高均为3.90m,7层层高为3.60m,室内外高差为0.60m,地下室埋置深度为4.20m。
±0.000相对于绝对标高值为405.000m(黄海系)。
(二)工程做法二、结构设计特征及结构用料(一)结构设计特征本工程场地类别为Ⅲ类,抗震设防裂度为8度,框架抗震等级为一级。
本工程场地地下水位属潜水类型,稳定地下水位深度为-6.70m~-7.10m,水位年变幅为1.0~2.0m,工程埋置深度为-6.50m。
地基处理采用大开挖用级配砂石垫层回填,开挖范围为外边轴线外放1.50、1.80m,基坑开挖至-6.67m,用级配砂石分层回填至-6.07m,其压实系数不小于0.97,要求处理后的地基承载力特征值fak≥220kpa。
基础处理采用钢筋砼筏板,基底标高为-5.90m,筏板除2-3与C-F,8-9与C-F轴间筏板断面厚为0.70m,其余筏板均为0.5m厚,素砼垫层沿筏板外边外放100mm,基础梁断面尺寸为800×900、800×1300、800×1500。
主体采用地下1层、地上7层框架结构,横向共设7间,两端柱距为8.50m,中间柱距均为6.60m;纵向共设5间,两端柱距为5.0m、7.20m,中间柱距为8.40m。
框架柱断面尺寸为850×850~800×800~750×750~700×700~600×600方型变截面柱,地下室钢筋混凝土档土墙厚为250、300mm。
地下室现浇顶板厚主要为180mm,局部为150mm厚,楼层现浇板除卫生间为70mm外,其余主要为100、110mm厚,屋面现浇板厚主要为110、120mm厚。
(二)结构用料1、砼强度等级基础垫层为C15,基础梁板C40。
2、钢筋本工程钢筋种类主要采用HPB235级钢筋,HRB335级钢筋,HRB400级钢筋。
3、钢材采用Q235B钢板,热扎普通型钢4、砖砌体±0.000以上外墙及分户墙采用200厚非承重空心砖,M5混合砂浆砌筑,卫生间采用100厚非承重空心砖,电梯井道采用200厚承重多孔粘土砖;±0.000地坪以下采用MU10普通粘土砖,M7.5水泥砂浆砌筑。
三、设备安装工程设计特征(一)给排水工程本工程给排水工程包括室内生活给水、排水、室内消火栓、自动喷水和雨水排水五个系统。
1、水源:本工程水源由市政管网引来一路DN100给水管。
2、管材及接口(1)生活给水管道采用衬塑钢管,管径大于DN80者卡箍连接,其余丝扣连接。
(2)消火栓系统、自动喷水系统采用内外壁热镀锌钢管,管径大于DN80者卡箍连接,其余丝扣连接。
(3)排水管、雨水管采用GD-UPVC超静音排水管。
(4)压力排水管采用热镀锌钢管,丝扣连接。
3、生活给水系统:本建筑低区给水由市政给水直接供给,高区采用管网叠压供水设备给水,设计工作压力为0.5MPa。
本建筑给水系统分两个区:-1F~3F为低区,4F以上为高区,其中低区由市政压直接供水,工作压力为0.3MPa;高区由管网叠压供水设备给水,设计工作压力为0.50MPa。
4、排水系统:本工程废水、污水合流排放,排水立管通气采用伸顶通气形式和侧墙通气形式。
5、雨水系统:屋面雨水采用内排水方式,雨水经收集后排至室外。
(二)电气工程本工程电气包括100.4KV变配电系统;电力配电系统;照明系统;建筑物防雷、接地系统及安全措施;有线电视系统,电话系统,宽带网络系统;火灾报警及消防联动控制系统。
1、供电电源:由环城南路引来一路10KV电源至高低压变配电室,作为工作电源。
2、变配电所:本工程在地下一层设高低压变配电室,选用一台1250KVA 干式变压器作为工作电源3、电力配电系统:低压配电系统采用220380V放射式与树干相结合的方式,对于单台容量较大的负荷或重要负荷采用放射式供电;对于照明及一般负荷采用树干式与放射式相结合的供电方式,空调用电采用树干式供电。
4、照明系统:照明、插座分别由不同的支路供电,照明为单相二线,插座为单相三线,有吊顶处未注明应急疏散照明线路均采用BV-2.5mm2型导线穿钢管明敷在吊顶内,钢管表面需涂防火涂料;未注明照明线路均采用BV-2.5mm2型导线穿钢管明敷在吊顶内。
无吊顶处未注明照明、应急照明线路均采用BV-2.5mm2型导线穿钢管暗敷在顶板内或墙内。
(三)暖通工程1、空调冷热源:本建筑空调面积5600m2,制冷量为710KW,制热量为493KW,冷指标为:127Wm2,热指标为88Wm2,冷热源为屋顶VRV风冷热泵型室外机组。
2、空调系统:空调系统采用变频式热泵型多联空调机系统,制冷剂为R410A,内机主要采用天花板导管内藏型内机,新风经新风机组处理后送入室内直接从外墙新风口取风,室外机设置于屋面。
3、通风:本工程所有的卫生间、更衣室、淋浴室等所均采用低噪音吸顶式通风器排风换气。
4、风管:空调新风管道及排风管采用镀锌铁皮。
5、空调冷媒管采用R410A专用铜管,空调冷凝水管采用镀锌钢管连接。
6、所有风口均采用铝合金风口。
四、现场施工条件本工程建设地点在环城南路含光门外东北处,目前工程土方地基处理及砼垫层、基础底板以下防水层已处理完,施工图纸设计齐全,具备开工条件。
地下部分施工场地较狭小仅现场北侧有6米宽左右的场地。
五、本工程特点1、工期:工期紧,招标文件要求305天;2、本工程设备安装较多,因此,在主体施工期间的预留、预埋工作必须准确到位;3、本工程功能齐全,很多专业工种需要立体交叉、穿插施工,因而需要网络计划等先进管理手段对整个工程的施工进行统筹计划,并会同建设单位,加强对现场的管理和调度。
4、本工程对我单位来说属重点建设项目,其工程质量的好坏,服务水平的高低,进度快慢,对建设单位和施工队伍的形象和声誉有重要影响。
因此,施工单位必须对本工程施工的计划、组织、指挥、调度、现场管理、交付使用到保修服务的全过程给予高度重视,进行科学设计、周密安排,确保为用户提供最佳的产品和服务。
第三章确保工程质量的技术组织措施深入贯彻ISO19001:2000版质量管理体系和我公司《质量手册》,把我公司“心系顾客、诚信敬业、追求卓越、建造精品”质量方针全面落实到一系列经营管理与生产活动之中。
对管理层和操作层进行增强质量意识的教育,严字当头,常抓不懈,以标准化、规范化的工作质量来确保好的工程质量,在操作层深入开展“三工序管理”做到检查上工序,保证本工序,服务下工序,使施工全过程处于受控状态。
第一节质量标准符合国家工程质量验收“合格”标准第二节质量保证体系我公司按照国际标准经组织颁布的ISO9001:2000质量标准,建立起一套行之有效的文件化的质量保证体系,该体系囊括了从工程项目的投标、签定合同到竣工交付使用,直到交工后保修与回访的全过程,充分体现了ISO9001:2000中19个要素的要求。
该体系以质量手册为核心和指导,以程序文件为日常工作准则,以作业指导书为操作的具体指导,所以质量活动都有质量计划并具体反映到质量记录中,得施工过程标准化、规范化、有章可循、责任分明。
一、质量保体系机构图详见下图质量保证体系示意图二、质量标准的要素及其在保证体系中的具体反映下文是ISO9001:2000中19个要素。