计量检定校准培训考试题-(带答案)
- 格式:doc
- 大小:43.00 KB
- 文档页数:7
公司检定校准人员培训试题及答案公司检定、校准人员培训试题**公司计量检定/校准人员培训班考试试题单位:姓名:分数:---------------------------------------------------------------装订线----------------------------------------------------------------------(不要将答案写到装订线以上)(不要将答案写到装订线以上)(不要将答案写到装订线以上)一、填空题(每空0.5分)25分1、测量误差为减去被测量的真值。
2、对于同一被测量不论其测量程序、条件如何,相同测量结果的相同,而在重复性条件下,则不同结果可有相同的。
3、随机误差是测量结果与重复性条件下对同一量进行无限多次测量所得结果的之差。
4、系统误差是在重复性条件下,对同一被测量进行无限多次测量所得结果的平均值与之差。
5、当测量仪器检定证书上给出准确度级别时,可按检定系统或检定规程所规定的该级别进行不确定度的评定。
6、在测量结果的完整表达式中,应包括和,必要时还应说明有关影响量的取值范围。
7、标准不确定度是以测量不确定度。
8、包含因子取值一般在范围内。
9、计量检定装置误差为、、。
10、我国法定计量单位主要由三部分构成:①②③11、计量检定机构可以分为和两种。
12、校准计量器具合格与否的依据是或。
13、法定计量单位就是由国家以形式规定使用或允许使用的计量单位。
14、误差的两种基本表现形式上是和。
15、误差可以被控制的越来越小,但不能使误差降为。
16、示值是指计量器具指示的。
17、真值常常未知,根据真值的可知情况,可定为理论真值、、。
18、测量误差按其表示方法可分为、和引入误差。
19、误差来源主要来自、、人员误差、。
20、分析误差来源尽量做到、和。
21、随机误差具有4个重要性质:、、和抵偿性。
22、CMC标志的意义是。
23、CMA标志的意义是。
计量培训考题姓名单位成绩一、填空题:1. 计量确认是为确保测量设备处于满足预期使用要求的状态所需要的一组操作。
2. 测试不确定度比是被测单元与其检测设备、检测设备与校准设备之间的最大允许误差或测量不确定度的比值称为测试不确定度比。
3. 专用测试设备的校准应按校准规范进行,其量值应能溯源到国防最高计量标准或国家计量基准、标准。
4. 专用测试设备校准规范的编制应以该设备的技术条件和测试方法(调试细则)为依据,由计量机构组织有关人员参照国防科技工业计量校准规范程编写要求进行。
5.承担军品专用测试设备校准任务的人员,应经过专业培训,考核合格并取得相应的资格证书。
二、单选题:1.国防科技工业企事业单位最高计量标准经(B)后才能投入使用。
A.检定合格 B.省工办计量主管部门考核合格C.检定并考核合格 D.企事业单位决定2.以下活动不属于国防科技工业计量监督范围的是(D)A.武器装备的设计及生产 B.武器装备的试验C.武器装备的售后服务 D.武器装备的使用3.计量机构应对专用测试设备的(B)和校准保证条件提出明确要求。
A.可靠性 B.可校准性 C.可测试性 D.可移动性4.专用测试设备校准规范的编制以该设备的技术条件和测试方法为依据,由(C)组织有关人员参照国防科技工业计量校准规范编写要求进行A.设备使用单位 B.设备研制单位 C.计量机构 D.设备生产单位5. “暂行规定”规定军工企业事业单位建立最高计量标准器具应由( C)组织考核合格后使用。
A. 国防科工委计量管理机构B. 省、自治区、直辖市计量行政部门C. 省、自治区、直辖市国防科技工业行政主管部门D. 企业事业单位三、多选题:1. 国防科技工业专用测试设备是指,为保证国防科技工业产品符合技术指标和性能要求,在科研、生产、服务过程中,用于(ACD)而专门研制或配置的非通用测试设备。
A.质量控制 B.计量检定 C.性能评定 D.产品验证2. 国防科技工业计量是指国防科技工业(ABD)中实现产品量值准确一致,测量数据可靠的全部活动。
计量知识培训试卷答案一、填空题(共30分,每空3分)1、列入强制检定目录的工作计量器具,实行强制检定,未按照规定申请检定或者检定不合格的,不得使用。
2、严格执行使用统一的计量单位,禁止使用非标准计量单位。
3、日常使用的计量器具按照规定进行校准,发现超过规定误差范围的,立即停止使用,并送修。
4、严禁使用未经检定或超过检定周期的计量器具。
5、通常把测量设备的管理分为ABC三个管理类别,A类管理称为“强化管理”,其确认间隔不得超过检定规程规定的最长间隔,B类管理称为“重点管理”, C类管理称为“一般管理”。
二、名词解释(共40分,每题5分,其中第7题10分)1、测量误差:测量误差是指测量结果减去被测量的真值。
2、测量范围:是指测量仪器的误差处在规定极限内的一组被测量的值。
3、分辨力:是指显示装置能有效辨别的最小示值差。
4、准确度等级:是指符合一定的计量要求,使误差保持在规定极限以内的测量仪器的等别、级别。
5、示值误差:是指测量仪器示值与对应输入量的真值之差。
6、最大允许误差:是指对给定的测量仪器,规范、规程等所允许的误差极限值。
7、计量确认:主要是指对测量设备的校准和验证、调整或维修及随后的再校准、以及所要求的封印和标签而进行的一系列活动,与设备预期使用的计量要求相比较。
三、简答题(共30分,每题15分)1、不合格的测量设备有哪些?1)已损坏的2)过载或误操作的3)显示不正常的4)功能出现可以的5)超过了规定的确认间隔的6)封印的完整性已被损坏的2、个人对计量工作重要性的认识。
1)计量是实现集约化生产的重要技术基础。
企业使用计量检测数据为经营管理服务,只有统计数据的准确可靠,才能为企业生产经营决策提供可靠的信息,才能真正实现“一切”以数据说话,从而推动企业质量管理和经济管理,效益工作不断深化,进而提高企业管理素质,提高企业的经济效益。
2)计量是实现物料核算、降低成本的保证。
3)计量检测是提高产品质量的重要手段。
计量工具校准考试题及答案一、选择题(每题2分,共20分)1. 计量工具校准的目的是保证测量结果的准确性和可靠性。
以下哪项不是校准的目的?A. 确保测量结果的一致性B. 延长计量工具的使用寿命C. 保证测量结果的可追溯性D. 减少测量误差2. 校准过程中,以下哪种操作是正确的?A. 使用未经校准的参考标准B. 忽略环境条件对测量结果的影响C. 按照规定的程序进行操作D. 随意更改校准参数3. 计量工具的校准周期通常由以下哪个因素决定?A. 工具的制造成本B. 工具的使用频率C. 工具的精度等级D. 工具的类型4. 校准证书上通常不包含以下哪项信息?A. 校准日期B. 校准结果C. 校准人员姓名D. 校准设备的型号和编号5. 以下哪种情况不需要重新校准计量工具?A. 工具经过长途运输B. 工具经过维修C. 工具的校准周期已过D. 工具的精度等级发生变化6. 在校准过程中,如果发现测量结果超出允许误差范围,应该采取以下哪种措施?A. 继续使用该工具B. 调整工具的校准参数C. 重新进行校准D. 更换新的计量工具7. 以下哪种计量工具不适合使用比较法进行校准?A. 压力表B. 温度计C. 电子秤D. 电压表8. 校准过程中,环境条件对测量结果的影响主要表现在以下哪个方面?A. 测量结果的稳定性B. 测量结果的可重复性C. 测量结果的准确性D. 测量结果的一致性9. 校准记录应该保存多久?A. 1年B. 2年C. 3年D. 5年10. 校准过程中,以下哪种情况下可以认为校准是成功的?A. 测量结果与参考标准一致B. 测量结果在允许误差范围内C. 测量结果与上次校准结果一致D. 测量结果符合预期值答案:1-5 B C B D D 6-10 C D C B B二、简答题(每题5分,共20分)1. 简述计量工具校准的重要性。
答:计量工具校准的重要性在于确保测量结果的准确性和可靠性,减少误差,保证产品质量和安全,满足法规和标准的要求,提高企业竞争力。
计量检定员考试基础知识试题答案一、填空:(每题6分)1. 计量是实现单位统一、保障量值准确可靠的活动,它包括科学技术上的、法律法规上的和行政管理上的一系列活动。
测量是为确定量值而进行的一组操作。
2. 校准:在规定的条件下,为确定测量仪器或测量系统所指示的量值,或实物量具所代表的量值,与对应的由标准所复现的量值之间关系的一组操作,称为校准。
校准的依据是校准规范或校准方法,对其通常应作统一规定,特殊情况下也可自行制定。
3. 我国规定,列入(中华人民共和国强制检定的工作计量器具明细目录)用于贸易结算、安全防护、医疗卫生、环境监测、四个方面的工作计量器具,属国家强制检定的管理范围。
4. 我国法定计量单位的构成:(1)、国际单位制(SI)的单位7个,包括SI辅助单位在内的具有专门名称的SI导出单位,共21个。
(2)、国家选定的作为法定计量单位的非SI单位,共11个由以上单位构成的组合形式的单位5. 对测量仪器的控制包括对测量仪器的下列动作中的一项、两项或三项: 1) 型式批准2)检定3)检验6. 国际单位制:7.标称范围是指测量仪器的操纵器件调到特定位置时可得到的示值范围。
量程是标称范围的上限和下限之差的绝对值。
测量范围(工作范围)是指测量仪器的误差处于规定的极限范围内的被测量的示值范围。
8. 测量仪器的示值误差是测量仪器值与对应的输入量的真值之差。
测量仪器的最大允许差是指对给定的测量仪器,由规范、规程等所允许的误差极限值。
9.显示装置能有效辨别的最小的示值差,称显示装置的分辨力。
模拟式显示装置的分辨力,通常为标尺分度值的一半。
对数字式显示装置,其分辨力为末位数字的一个数码。
10.测量仪器的选用原则是从技术性和经济性出发,使其计量特性适当地满足一定的准确度要求,既要够用,又不过高。
11.测量准确度是指测量结果与被测量值之间的一致程度。
测量准确度是一个定性的概念,一般用准确度等级表示,而不宜与数字直接相连。
2018年度计量检定校准人员培训考试题单位:姓名:得分:说明:1.考试时间90分钟;2•用中性笔或钢笔作答;3.判断题应将答案写在题后面的括号内,否则视为无效答案。
一、单项选择题(共60题,每题1分)1、法定计量单位和词头的符号,单位符号一般为小写字母,只有单位名称来源于( D )时, 其符号的第一个字母大写。
A、中文名 B 、拉丁字母 C 、希腊字母 D 、人名2、从单位制本身到各个单位的名称、符号和使用规则都是标准化的,而且一个单位只有一个名称和一个国际符号。
体现的是国际单位制的(A )。
A、统一性 B 、简明性 C 、科学性 D 、通用性3、在我国历史上曾把计量叫做"度量衡",其中"度"指的是(B )的计量。
A、角度 B 、长度 C 、温度 D 、弧度4、下列各组中属于同类量的是(C)。
A、宽度、半径、波长 B 、周期、频率、光年C、功、热量、能量 D 、流量、容量、电量5、下列说法不正确的是(D )。
A、量的符号通常是单个拉丁字母或希腊字母B、量的符号都必须用斜体表示C、不同量有相同的符号或同一个量有不同的应用或表示不同的值时,可采用下标予以区分D当下标是阿拉伯数字、数学符号、元素符号、序号时用正体表示&不属于基本量的是(C)。
A、质量 B 、电流 C 、压力D 、发光强度7、下列单位中不属于具有专门名称的导出单位的有(A )。
A、速度B、压力C、摄氏温度 D 、电感8、对于给定量制MKS制叫做(A )。
A、米•千克•秒制B、厘米•克•秒制B、C、米•千克力・秒制D、米•吨•秒制9、量纲定义为,以给定量制中基本量的(D)表示某量的表达式。
A、组合B、乘积 C 、倍数单位及组合 D 、幂的乘积10、动能的量纲为(B )。
A MfT2B、L2M『C、L2M/f D、ML除以T211、国际单位制的通用符号为(B )。
A SJ B、SI C、S D、SH12、s-1是(B )。
计量考试试题及答案一、选择题(每题2分,共20分)1. 计量学是研究什么的科学?A. 测量技术B. 测量误差C. 测量单位和测量过程D. 测量设备2. 国际单位制的基本单位包括几个?A. 6个B. 7个C. 8个D. 9个3. 以下哪个不是计量仪器的误差来源?A. 仪器本身B. 操作者C. 环境条件D. 测量对象4. 计量检定的目的是确保什么?A. 测量结果的准确性B. 测量过程的便捷性C. 测量设备的美观性D. 测量数据的可读性5. 以下哪个单位是国际单位制中的长度单位?A. 米B. 英尺C. 英寸D. 码6. 计量检定的周期性原则是什么?A. 根据仪器的精度决定B. 根据仪器的使用频率决定C. 根据仪器的磨损程度决定D. 根据国家规定的时间间隔决定7. 测量结果的不确定度是什么?A. 测量结果的误差B. 测量结果的准确度C. 测量结果的可信度D. 测量结果的偏差8. 计量标准器是什么?A. 用于校准的设备B. 用于测量的设备C. 用于记录的设备D. 用于存储数据的设备9. 计量学中的“溯源性”指的是什么?A. 测量结果的可追溯性B. 测量设备的可追溯性C. 测量过程的可追溯性D. 测量方法的可追溯性10. 计量检定的目的是?A. 确定测量设备是否合格B. 提高测量设备的精度C. 降低测量设备的误差D. 以上都是答案:1-5 C B A A A6-10 D A A A D二、填空题(每空1分,共10分)11. 计量学中的“溯源性”是指测量结果能够追溯到________。
12. 计量检定的周期性原则是根据________的时间间隔进行。
13. 计量学中的“不确定度”是指测量结果的________。
14. 国际单位制的基本单位包括长度单位________(米)等。
15. 计量检定的目的是确保测量结果的________。
答案:11. 国际单位制12. 国家规定13. 可信度14. 米15. 准确性三、简答题(每题10分,共20分)16. 简述计量检定的重要性。
2018年度计量检定校准人员培训考试题说明:1.考试时间90分钟;2.用中性笔或钢笔作答;3.判断题应将答案写在题后面的括号内,否则视为无效答案。
一、单项选择题(共60题,每题1分)1、法定计量单位和词头的符号,单位符号一般为小写字母,只有单位名称来源于(D )时,其符号的第一个字母大写。
A、中文名B、拉丁字母C、希腊字母D、人名2、从单位制本身到各个单位的名称、符号和使用规则都是标准化的,而且一个单位只有一个名称和一个国际符号。
体现的是国际单位制的(A )。
A、统一性B、简明性C、科学性D、通用性3、在我国历史上曾把计量叫做"度量衡",其中"度"指的是(B )的计量。
A、角度B、长度C、温度D、弧度4、下列各组中属于同类量的是( C)。
A、宽度、半径、波长B、周期、频率、光年C、功、热量、能量D、流量、容量、电量5、下列说法不正确的是(D )。
A、量的符号通常是单个拉丁字母或希腊字母B、量的符号都必须用斜体表示C、不同量有相同的符号或同一个量有不同的应用或表示不同的值时,可采用下标予以区分D、当下标是阿拉伯数字、数学符号、元素符号、序号时用正体表示6、不属于基本量的是( C)。
A、质量B、电流C、压力D、发光强度7、下列单位中不属于具有专门名称的导出单位的有( A)。
A、速度B、压力C、摄氏温度D、电感8、对于给定量制MKS制叫做(A )。
A、米·千克·秒制B、厘米·克·秒制B、C、米·千克力·秒制 D、米·吨·秒制9、量纲定义为,以给定量制中基本量的( D)表示某量的表达式。
A、组合B、乘积C、倍数单位及组合D、幂的乘积10、动能的量纲为(B )。
A、ML2T-2B、L2MT-2C、L2M/T2D、ML2除以T211、国际单位制的通用符号为(B )。
A、SJB、SIC、SD、SH12、s-1是( B)。
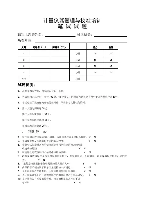
计量仪器管理与校准培训笔试试题请写上您的姓名:姓名拼音:试题说明:1、总共分为四大题,每大题各有若干小题。
2、考试时间为二小时,满分100分。
60分及格,同时每大题得分不得少于该大题总分之60%。
3、考试时除了没有任何注记的教材外,不得参考其他任何资料。
4、第一大题为判断题20分。
第二大题为简答题计30分。
第三大题为陈述题材30分。
第四大题为计算题20分。
一、判断题20’1. 在没有国际或国家标准时,测量、试验和监控设备可以不校准。
Y N2. 正确度主要是反映随机误差的影响程度。
Y N3. 企业可以依据设备使用情况制定非强制检定的设备的检定或校准的周期。
Y N4. 在进行检定或校准时必须考虑环境的影响。
Y N5. 测量仪器的再现性是指在相同测量条件下,重复测量同一个被测量,测量仪器提供相近示值的能力。
Y N6. 量程是指测量仪器能够测量的最大量的大小。
Y N7. 内部校准必须由国家授予计量资格的人员进行。
Y N8. 企业在进行内部校准时,不可以使用外部计量器具。
Y N9. 当计量器具损坏时,必须对以往的测量结果进行重新确定。
Y N10. 在计量设备有明显的编号时,设备的检定状态可以不进行标识。
Y N二、简答题30’1. 从计量学的角度,测量仪器可以分为十类,哪十类?2. 简述测量不确定度的定义。
3. 简述公差、偏差和标准偏差之间的区别。
4. 列出五个法定计量单位。
三、陈述题30’1. 计量器具在何种情况下必须进行强制检定?2. 工艺及质量管理计量器具配备包括哪几个方面,配备时主要依据是什么?四、计算题20’对某量进行15次测量,测得值如表所示,设这些测得值已消除了系统误差,单位:mm平均值为20.404, 标准偏差为0.048a. 试判别该测量列中是否有粗大误差的测得值(采用3 法则)b. 写出测量结果c.。
公司检定、校准人员培训试题**公司计量检定/校准人员培训班考试试题单位:姓名:分数:---------------------------------------------------------------装订线----------------------------------------------------------------------(不要将答案写到装订线以上)(不要将答案写到装订线以上)(不要将答案写到装订线以上)一、填空题(每空0.5分)25分1、测量误差为减去被测量的真值。
2、对于同一被测量不论其测量程序、条件如何,相同测量结果的相同,而在重复性条件下,则不同结果可有相同的。
3、随机误差是测量结果与重复性条件下对同一量进行无限多次测量所得结果的之差。
4、系统误差是在重复性条件下,对同一被测量进行无限多次测量所得结果的平均值与之差。
5、当测量仪器检定证书上给出准确度级别时,可按检定系统或检定规程所规定的该级别进行不确定度的评定。
6、在测量结果的完整表达式中,应包括和,必要时还应说明有关影响量的取值范围。
7、标准不确定度是以测量不确定度。
8、包含因子取值一般在范围内。
9、计量检定装置误差为、、。
10、我国法定计量单位主要由三部分构成:①②③11、计量检定机构可以分为和两种。
12、校准计量器具合格与否的依据是或。
13、法定计量单位就是由国家以形式规定使用或允许使用的计量单位。
14、误差的两种基本表现形式上是和。
15、误差可以被控制的越来越小,但不能使误差降为。
16、示值是指计量器具指示的。
17、真值常常未知,根据真值的可知情况,可定为理论真值、、。
18、测量误差按其表示方法可分为、和引入误差。
19、误差来源主要来自、、人员误差、。
20、分析误差来源尽量做到、和。
21、随机误差具有4个重要性质:、、和抵偿性。
22、CMC标志的意义是。
23、CMA标志的意义是。
24、企业计量器具彩色标志管理中“合格证”标志为色、“限用证”标志为色、“禁用证”标志为色。
计量检定人员考试试题及答案单位姓名分数一、填空题(共20空,每题1分,共20分)1、《计量法》立法宗旨是为了加强计量监督管理,保障国家计量单位制的统一和量值的准确可靠,有利于生产、贸易和科学技术的发展。
适应社会主义现代化建设的需要,维护国家、人民的利益。
2、我国《计量法》规定,国家采用国际单位制。
国际单位制计量单位和国家选定的其他计量单位,为国家法定计量单位。
3、我国《计量法》规定,计量检定必须按照国家计量检定系统表进行。
计量检定必须执行计量检定规程。
4、计量标准考核申请的初审时间一般不超过1个月。
《计量标准考核证书》有效期前6个月,建标单位应当向主持考核的计量行政部门申请计量标准考核复查。
5、我国选定的非国际单位制单位中,体积的计量单位是升,计量单位的符号是L 。
6、我国选定的非国际单位制单位中,流量的计量单位是升每分,计量单位的符号是L/min 。
7、某测量值为2000,真值为1997,则测量误差为 3 ,修正值为-3 。
8、精度0.5级量程0-10的计量仪表,其允许最大示值误差0.05 ,量程0-50的计量仪表,其允许最大示值误差0.25 。
9、标准不确定度A类评定的基本方法是采用贝塞尔公式法。
10、某标准直流电压源输出电压1.000V,被检数字电压表指示为0.998 V,则数字电压表的示值误差为0.998-1.000 =-0.002 V 。
二、选择题(共15题,每题2分,共30分)1、计量学最本质的特征是。
(D)A:准确性B:法制性C:技术性D:统一性2、下列单位名称不是国际单位制单位的是。
(C )A:米(m) B:摩尔(mol)C:摄氏度(℃)D:千克(kg)3、下列单位名称与符号表达正确的是。
(B )A:力矩单位是牛顿•米B:比热容的单位为J/(kg•K)C:瓦特的表达式是焦耳/秒D:2000m2中文符号为2千米2 4、SI基本单位共有七个并有相应的单位符号,以下哪个符号是正确的。
(D)A:质量—m B:物质的量—mm C:热力学温度—℃D:电流—A 5、我国真正按基本单位定义复现的国家基准已有以下5个:质量(kg)、长度(m)、时间(s)、温度(K)、。
计量检定人员基础知识考卷单位:姓名: 一,填空题(每空1分)1,当前,国际上趋向于把计量分为(科学计量),(工程计量)和(法制计量)三类,分别代表计量的(基础),(应用)和(政府起主导作用)的社会事业的三个方面。
2,计量检定人员出具的检定数据,用于(量值传递),计量认证,技术考核,(裁决计量纠纷)和(实施计量监督)具有法律效力。
3,计量器具按技术性能和用途可以分为三类,即(计量基准器具),(计量标准器具)和(工作计量器具)O4,强制检定的(计量标准)和强制检定的(工作计量器具),统称为强制检定的计量器具。
5,我国《计量法》规定,国家采纳国际单位制。
(国际单位制)计量单位和(国家选定的其它)计量单位,为国家法定计量单位。
6,计量检定人员有权拒绝任何人迫使其违反(计量检定规程),或运用0经考核合格)的计量标准进行核定,计量检定人员是指经(考核合格)持有(计量检定证件),从事计量检定工作的人员。
7,国际单位制的国际通用符号是≤sυ,它是由(国际计量大会)规定的,来源于法文。
8,国际上规定的表示倍数和分数单位的(16)个词头,称为(IS)词头。
9,某仪表量程。
〜10,于示值5处计量检定值为4.995,则示值引用误差为(0.05%),示值相对误差为(0.1%)o10,几次测量后,有残差v”则计算单次测量标准差的贝塞尔式为g,计算平均标准偏差的贝塞尔式为二,选择题(每题2分,共20分)1,计量标准考核的目的是②。
①确定其精确度②确认其是否具有质量值传递的资格③评定其计量性能2,强制检定的计量标准是指①。
①社会公用计量标准部门和企业,事业单位运用的最高计i标腔)社会公用计量标准③部门和企业,事业单位运用的最高计量标准3,对计量违法行为具有现场惩罚权的是②。
①计量检定人员②计量监督员③计量管理人员4,按我国法定计量单位运用方法规定,3cm2应读成①①3平方厘米②3厘米平方③平方3厘米5,速度单位“米每秒”用计量单位符号表示,下列错误的是②(Dm.S-I②ms^4③m∕s6,被计量的电源是0.45A,为使计量结果更精确些,应选用下列电流表的②①上量限为5A的0.1级电流表②上量限为0.5A的0.5级电流表③上量限为2A 的0.2级电流表7,某计量装置的A类不确定度分别为0.1,0.1,0.2个单位,B类不确定度为0.1,0.3个单位,且互不相关,则合成不确定度为①①0.4个单位②0.16个单位③0.8个单位8,数据舍入的舍入误差听从的分布为②①正态②匀称③反正弦④三角9,法定计量单位牛顿每平方米的单位中文符号是②。
计量检定员计量基础知识试题单位:姓名:分数:一、判断题(您认为正确的请在()中划“√”,错误在请在()中划“×”)(每题1.5分,共15分)1.(×)我国《计量法》规定,所有计量标准都必须经政府计量政部门考核合格才能使用。
2. (×)强制检定计量器具的检定周期使用单位可以根据使用情况自己确定。
3. (√)强制检定的计量器具必须由法定计量检定机构承担检定。
4. (×)计量器具经检定不合格,由检定单位出具检定证书,任何单位和个人不得使用。
5. (√)目前,SI基本单位共有7个。
6. (×)体积的单位升(L)既是我国的法定计量单位,又是国际单位制单位。
7.(√)测量不确定度是:表征合理赋予被测量之值的分散性,与测量结果相联系的参数。
8.(×)误差是一个有符号的量值。
例如某台加油机的示值误差可以表示为±0.3%。
9.(√)2.36951保留三位小数是2.37010.(×)平面内三角形三内角之和恒为180度是相对真值。
二、选择题(请您在认为正确的句子前划“√”)(每题2分,共24分)1.出不确定报告时,一般取有效数字。
A.1位B.2位√C.1至2位2. 以下那一种说法是不准确的。
√A.秤都是强检计量器具 B.社会公用计量标准器具是强检计量器具C.用于贸易结算的电能表是强检计量器具3.下面几个测量误差的定义,其中JJF 1001-1998的定义是。
A. 含有误差的量值与真值之差√B. 测量结果减去被测量的真值C. 计量器具的示值与实际值之差4.以下那一种计量单位符号使用不正确。
A.升L √B.千克KgC.牛(顿)N5.若电阻的真值是1000Ω,测量结果是1002Ω,则正确的结论是。
√A.测量误差是2Ω; B.该电阻的误差是2Ω; C.计量器具的准确度是0.2%。
6.计量检定是查明和确认计量器具是否符合要求的程序。
A.允许误差范围 B.准确度等级√C.法定7. 测量仪器的稳定性是测量仪器保持其随时间恒定的能力。
公司检定、校准人员培训试题**公司计量检定/校准人员培训班考试试题单位:姓名:分数:---------------------------------------------------------------装订线----------------------------------------------------------------------(不要将答案写到装订线以上)(不要将答案写到装订线以上)(不要将答案写到装订线以上)一、填空题(每空0.5分)25分1、测量误差为减去被测量的真值。
2、对于同一被测量不论其测量程序、条件如何,相同测量结果的相同,而在重复性条件下,则不同结果可有相同的。
3、随机误差是测量结果与重复性条件下对同一量进行无限多次测量所得结果的之差。
4、系统误差是在重复性条件下,对同一被测量进行无限多次测量所得结果的平均值与之差。
5、当测量仪器检定证书上给出准确度级别时,可按检定系统或检定规程所规定的该级别进行不确定度的评定。
6、在测量结果的完整表达式中,应包括和,必要时还应说明有关影响量的取值范围。
7、标准不确定度是以测量不确定度。
8、包含因子取值一般在范围内。
9、计量检定装置误差为、、。
10、我国法定计量单位主要由三部分构成:①②③11、计量检定机构可以分为和两种。
12、校准计量器具合格与否的依据是或。
13、法定计量单位就是由国家以形式规定使用或允许使用的计量单位。
14、误差的两种基本表现形式上是和。
15、误差可以被控制的越来越小,但不能使误差降为。
16、示值是指计量器具指示的。
17、真值常常未知,根据真值的可知情况,可定为理论真值、、。
18、测量误差按其表示方法可分为、和引入误差。
19、误差来源主要来自、、人员误差、。
20、分析误差来源尽量做到、和。
21、随机误差具有4个重要性质:、、和抵偿性。
22、CMC标志的意义是。
23、CMA标志的意义是。
24、企业计量器具彩色标志管理中“合格证”标志为色、“限用证”标志为色、“禁用证”标志为色。
转正考试试题一.姓名: 得分:1、填空题(每个空2分, 共40分)2、根据JJG30-2012 《通用卡尺检定规程》上所述当卡尺测量上限为200mm分度值为0.02mm时, 其示值最大允许误差是。
3、计量器具控制包括、和。
4、在图一中数字5和6分别指示的是部件名称是和。
图一5、在JJG539-2016《数字指示秤检定规程》中检定分度值与实际分度值的关系为。
6、在电子天平天平检定中必须选的五个检定点是、、和、。
7、误差的主要来源有哪几个方面、、、。
8、与之间的差值称为测量误差, 也称为。
9、开展校准首先是要满足的要求。
选择题(每题4分, 共20分)1.国际单位制中, 下列计量单位名称属于具有专门名称的导出单位是()。
A. 摩(尔)B.焦(耳)C.开(尔文)2.质量单位“吨”(单位符号是“t”)是()。
A.国际单位制单.B.法定计量单位中, 国家选定的非国际单位制单位C.英制质量单位3.给出校准结果的同时必须给出()。
A. 误差B.测量不确定度C.校准时间间隔4、在检测一个等级为1.6级, 量程为0~60MPa的一般压力表时其允许误差是()。
A.±9.6MPaB.±0.096MPaC.±0.96MPa5.我国《计量法》规定, 处理计量器具准确度所引起的纠纷, 以()仲裁检定的数据为准。
A.社会公用计量标..B.本地区准确度最高的计量标准二.....C.社会公用计量标准或国家基准1、判断题(每题1分, 共10分)(您认为正确的请在()中划“√”, 错误的请在()中划“×”)2、()强制检定计量器具的检定周期使用单位可以根据使用情况自己确定。
3、()质量的单位千克(kg)是国际单位制基本单位。
4、()体积的单位升(L)既是我国的法定计量单位, 又是国际单位制单位。
5、()不带有测量不确定度的测量结果不是完整的测量结果。
6、()某台测量仪器的示值误差可以表示为±0.3%。
2018年度计量检定校准人员培训考试题说明:1.考试时间90分钟;2.用中性笔或钢笔作答;3.判断题应将答案写在题后面的括号内,否则视为无效答案。
一、单项选择题(共60题,每题1分)1、法定计量单位和词头的符号,单位符号一般为小写字母,只有单位名称来源于(D )时,其符号的第一个字母大写。
A、中文名B、拉丁字母C、希腊字母D、人名2、从单位制本身到各个单位的名称、符号和使用规则都是标准化的,而且一个单位只有一个名称和一个国际符号。
体现的是国际单位制的(A )。
A、统一性B、简明性C、科学性D、通用性3、在我国历史上曾把计量叫做"度量衡",其中"度"指的是(B )的计量。
A、角度B、长度C、温度D、弧度4、下列各组中属于同类量的是( C)。
A、宽度、半径、波长B、周期、频率、光年C、功、热量、能量D、流量、容量、电量5、下列说法不正确的是(D )。
A、量的符号通常是单个拉丁字母或希腊字母B、量的符号都必须用斜体表示C、不同量有相同的符号或同一个量有不同的应用或表示不同的值时,可采用下标予以区分D、当下标是阿拉伯数字、数学符号、元素符号、序号时用正体表示6、不属于基本量的是( C)。
A、质量B、电流C、压力D、发光强度7、下列单位中不属于具有专门名称的导出单位的有( A)。
A、速度B、压力C、摄氏温度D、电感8、对于给定量制MKS制叫做(A )。
A、米·千克·秒制B、厘米·克·秒制B、C、米·千克力·秒制 D、米·吨·秒制9、量纲定义为,以给定量制中基本量的( D)表示某量的表达式。
A、组合B、乘积C、倍数单位及组合D、幂的乘积10、动能的量纲为(B )。
A、ML2T-2B、L2MT-2C、L2M/T2D、ML2除以T211、国际单位制的通用符号为(B )。
A、SJB、SIC、SD、SH12、s-1是( B)。
2022计量检定工考试真题模拟及答案(3)共667道题1、标准电感器按准确度等级分为0.01、0.02、0.05、()、0.2、0.5、和1.0级七个等级(单选题)A. 0.06B. 0.08C. 0.1D. 0.25试题答案:C2、台秤是由多()组成的(单选题)A. 增铊B. 游铊C. 杠杆D. 单杠杆试题答案:C3、重复性测量中,已察觉测量条件受到明显干扰时测得的数据应()(单选题)A. 剔除B. 采用C. 参与D. 视具体情况而定试题答案:A4、分度值又称为刻度值,是指量具相邻两刻线所代表的()之差。
(单选题)A. 量值B. 测量值C. 刻线宽度D. 示值试题答案:A5、为消除温度变化对称量结果的影响,在弹簧度盘秤上设计了()机构(单选题)A. 温度补偿B. 压力补偿C. 电容补偿D. 电压补偿试题答案:A6、分度值为0.1mm的游标卡尺,游标刻线共()格(单选题)A. 7B. 8C. 9D. 10试题答案:D7、测量列中的某个测得值和该测量列的算术平均值之差为()。
(单选题)A. 测量误差B. 标准偏差C. 残余误差D. 样本偏差试题答案:C8、当二次电压相量转过1800后超前一次电压相量时,相角误差为()(单选题)A. 正C. 大D. 小试题答案:A9、光电式光纤防爆发讯器具有()特点。
(单选题)A. 灵敏度好,可靠性强B. 由于内部元器件整体密封,震动C. 防爆等级:dIIBT3、功耗低、使用寿命长D. 以上三项试题答案:D10、游齿轮在传动过程中是使传动系统中产生的空程得到补偿,因此也称为()。
(单选题)A. 组合齿轮B. 中心齿轮C. 补偿齿轮D. 啮合齿轮试题答案:C11、AX-320型直流弧焊机下降特性是由于()而获得的。
(单选题)A. 电枢反应的去磁作用B. 磁极自身结构C. 串联去磁绕组的去磁作用D. 饱和电抗器试题答案:A12、台秤是通过计量杠杆()的平衡调整铊来调整空秤的平衡(单选题)B. 中部C. 尾部D. 任意部试题答案:C13、差值替代法是将标准和被检电池分别与过度标准电池对接,各电池的()连在一起,用测差装置测量其差值。
2018年度计量检定校准人员培训考试题说明:1.考试时间90分钟;2.用中性笔或钢笔作答;3.判断题应将答案写在题后面的括号内,否则视为无效答案。
一、单项选择题(共60题,每题1分)1、法定计量单位和词头的符号,单位符号一般为小写字母,只有单位名称来源于(D )时,其符号的第一个字母大写。
A、中文名B、拉丁字母C、希腊字母D、人名2、从单位制本身到各个单位的名称、符号和使用规则都是标准化的,而且一个单位只有一个名称和一个国际符号。
体现的是国际单位制的(A )。
A、统一性B、简明性C、科学性D、通用性3、在我国历史上曾把计量叫做"度量衡",其中"度"指的是(B )的计量。
A、角度B、长度C、温度D、弧度4、下列各组中属于同类量的是( C)。
A、宽度、半径、波长B、周期、频率、光年C、功、热量、能量D、流量、容量、电量5、下列说法不正确的是(D )。
A、量的符号通常是单个拉丁字母或希腊字母B、量的符号都必须用斜体表示C、不同量有相同的符号或同一个量有不同的应用或表示不同的值时,可采用下标予以区分D、当下标是阿拉伯数字、数学符号、元素符号、序号时用正体表示6、不属于基本量的是( C)。
A、质量B、电流C、压力D、发光强度7、下列单位中不属于具有专门名称的导出单位的有( A)。
A、速度B、压力C、摄氏温度D、电感8、对于给定量制MKS制叫做(A )。
A、米·千克·秒制B、厘米·克·秒制B、C、米·千克力·秒制 D、米·吨·秒制9、量纲定义为,以给定量制中基本量的( D)表示某量的表达式。
A、组合B、乘积C、倍数单位及组合D、幂的乘积10、动能的量纲为(B )。
A、ML2T-2B、L2MT-2C、L2M/T2D、ML2除以T211、国际单位制的通用符号为(B )。
A、SJB、SIC、SD、SH12、s-1是( B)。
A、时间单位B、频率单位C、速度单位D、加速度单位13、在国际单位制的基本单位中,质量计量的名称和符号是( C)。
A、克,gB、千克,kgC、千克(公斤),kgD、克, g14、下列单位的国际符号中,不属于国际单位制的符号是(A )。
A、tB、kgC、nsD、μm15、SI导出单位是用SI基本单位以(A )形式表示的单位。
A、运算B、代数C、计算D、数字16、我国法定计量单位包括SI辅助单位在内的具有专门名称的SI导出单位共有(D )个。
A、7B、16C、20D、2117、下列计量规范性文件中,属于计量行政法规的是(A )A、《国防计量监督管理条例》B、《计量违法行为处罚细则》C、《中华人民共和国计量法条文解释》D、《制造、修理计量器具许可监督管理办法》18、凡进口或者在中国境内销售列入《中华人民共和国进口计量器具型式审查目录》内的计量器具,应当向( A )申请办理型式批准。
A.国务院计量行政部门B.省级政府计量行政部门C.县级以上政府计量行政部门D.国务院计量行政部门授权的计量技术机构19、进口以销售为目的的,列入《中华人民共和国依法管理的计量器具目录》的计量器具,在销售之前必须向( B )申请检定。
A.县级以上政府计量行政部门B.省级政府计量行政部门C.出入境检验检疫部门D.省级法定计量检定机构20、零售商品称重计量监督管理的对象主要是以重量结算的( A )。
A.食品、金银饰品B.化妆品C.药品D.以上全部21、定量包装商品计量监督管理的对象是以销售为目的,在一定量限范围内具有统一的(D )标注等标识内容的预包装商品。
A.质量、体积、长度B.面积C.计数D.以上全部22、用最大允许误差优于或等于所经销商品的负偏差( B)的计量器具直接核称商品,商品的实际重量与结算(标称)重量值之差不应超过商品的负偏差。
A.二分之一B.三分之一C.四分之一D.五分之一23、采用等准确度称重计量器具核称法,商品的核称重量值与结算(标称)重量值之差不应超过商品负偏差的(C )。
A.二分之一B.三分之一C.二倍D.三倍24、( B)是指由政府计量行政部门对产品质量检验机构的计量检定、测试能力和可靠性进行考核和证明。
A.计量确认B.计量认证C.计量保证能力评价D.质量认证25、计量认证合格证书的有效期为(C )。
A.3年B.4年C.5年D.6年26、使用不合格计量器具或破坏计量器具,给国家和消费者造成损失的应承担( B )。
A.行政法律责任B.民事法律责任C.刑事法律责任D.行政处罚27、( B )是由国家特定的行政机关给予有违法行为,尚不构成刑事犯罪的法人及公民的一种法律制裁。
A.行政强制措施B.行政处罚C.行政处分D.行政处罚和行政处分28、计量法律法规的"法律责任"中所规定的"责令改正"是一种( B)。
A.管理要求B.行政强制措施C.行政处罚D.行政处分29、计量检定规程是(A )。
A.为进行计量检定,评定计量器具计量性能,判断计量器具是否合格而制定的法定性技术文件B.计量执法人员对计量器具进行监督管理的重要法定依据C.从计量基准到各等级的计量标准直至工作计量器具的检定程序的技术规定D.一种进行计量检定、校准、测试所依据的方法标准30、在我国历史上曾把计量叫做"度量衡",其中"量"指的是( D )的计量。
A.质量B.流量C.电量D.容量(容积)31、随着计量基、标准的不断发展,目前我国共有国家计量检定系统表(C )个。
A.55B.89C.93D.11132、部门和地方计量检定规程须向国务院计量行政部门( C )后方可生效。
A.上报B.申报C.备案D.报批33、根据计量法规定,计量检定规程分三类,即( B )。
A.几何量、热学、力学专业检定规程,电学、磁学、光学和无线电专业检定规程,化学核辐射及其他专业检定规程B.国家计量检定规程、部门计量检定规程和地方计量检定规程C.国家计量检定规程、地方计量检定规程、企业检定规程D.检定规程、操作规程、校准规程34、计量技术规范由( A )组织制定。
A.国务院计量行政部门B.省级有关主管部门C.国务院有关主管部门D.省级法定计量检定机构35、某技术法规编号为JJG2093-1995,则该技术法规是( C)。
A.国家计量检定规程B.国家计量技术规范C.国家计量检定系统表D.国家标准36、某计量检定规程编号为JJG()××××-××××,()里的中文字代表该规程的( D )。
A.专业领域B.批准单位C.施行范围D.批准单位和施行范围37、计量检定必须执行( D )。
A.国家计量检定规程B.国家计量技术规范C.国家计量检定系统表D.以上都对38、计量检定必须按照( A)进行。
A.国家计量检定系统表B.地方计量检定系统表C.国家标准D.检定规程39、国际计量委员会把每年的( B )确定为"世界计量日"A.3月15日B.5月20日C.6月30日D.9月6日40、BIPM是( D )的英文缩写。
A.国际米制公约组织B.国际计量大会C.国际计量委员会D.国际计量局41、OIML是( A)的英文缩写。
A.国际法制计量组织B.国际法制计量大会C.国际法制计量委员会D.国际法制计量局42、计量器具的调整是使计量器具达到性能正常、消除偏差而适于( A)所进行的操作。
A.使用状态B.销售C.入库D.监督管理43、对质量技术监督部门的行政处罚不服的,当事人可采取哪种方式维护自己的权益?(A )。
A.既可以向人民法院起诉,也可以向其上一级质量技术监督部门申请复议B.必须先向其上一级质量技术监督部门申请复议,然后再向人民法院起诉C.只能向其上一级质量技术监督部门申请复议D.向人民法院起诉44、国际标准(C )规定了国际单位制的构成及其使用方法。
A.ISO9001B.ISO9004C.ISO31D.ISO100045、注册计量师制度属于(C )。
A.计量法律B.计量行政法C.计量规章D.规范性文件46、注册计量师制度的适用对象是( D)。
A.制造、修理强制检定计量器具的专业技术人员B.进口、销售强制检定计量器具的专业技术人员C.使用强制检定计量器具的专业技术人员D.从事计量技术工作的专业技术人员47、国家对从事计量技术工作的专业技术人员,实行( C)准入制度,纳入全国专业技术人员职业资格证书制度统一规划。
A.行业B.归口C.职业D.执业48、注册计量师制度规定所称注册计量师,是指( D)的专业技术人员。
A.经考试取得相应级别注册计量师合格证B.经注册取得相应级别注册计量师注册证C.依法取得有效《计量检定员证》,从事规定范围计量技术工作D.经考试取得相应级别注册计量师资格证书,并依法注册后,从事规定范围计量技术工作49、注册计量师分为(D )。
A.国家级注册计量师和省级注册计量师B.甲级注册计量师和乙级注册计量师C.普通级注册计量师和高级注册计量师D.一级注册计量师和二级注册计量师50、以下说法错误的是( D )。
A.注册计量师资格实行全国统一大纲、统一命题的考试制度,原则上每年举行一次考试B.人事部门组织专家审定注册计量师资格考试科目、考试大纲和考试试题C.质检总局负责拟定注册计量师资格考试科目、考试大纲、考试试题,研究建立考试试题库D.质检总局负责制订考试合格标准51、报考一级注册计量师,取得理学类或工学类专业大学本科学历,工作应当满( B)年,其中从事计量技术工作应当满( )年。
A.6,4B.4,3C.3,2D.2,152、一级注册计量师资格考试合格,颁发人事部统一印制,人事部、质检总局共同用印的(B ),该证书在全国范围内有效。
A.《中华人民共和国一级注册计量师合格证书》B.《中华人民共和国一级注册计量师资格证书》C.《中华人民共和国一级注册计量师注册证书》D.《中华人民共和国一级注册计量师执业资格证书》53、以不正当手段取得注册计量师资格证书的,由发证机关收回。
自收回注册计量师资格证书之日起,当事人( B )不得再次参加注册计量师资格考试。
A.2年内B.3年内C.5年内D.永远54、国家对注册计量师资格实行注册执业管理,取得注册计量师资格证书的人员,经过(C )后方可以相应级别注册计量师名义( )。
A.备案,从事计量技术工作B.审核,从事计量技术工作C.注册,执业D.批准,执业55、取得注册计量师资格证书并申请注册的人员,应当受聘于一个经批准或授权的计量技术机构,并通过聘用单位报本单位所在地的质量技术监督部门,( B )提出注册申请。
A.向质检总局B.向省级质量技术监督部门C.向县级以上质量技术监督部门D.一级向质检总局,二级向省级质量技术监督部门56、省级质量技术监督部门自受理之日起(D )个工作日内,按规定条件、程序完成一级注册计量师资格申报材料的审查和二级注册计量师资格注册的审批工作。