7(天津)工程质量验收证明书
- 格式:xls
- 大小:32.00 KB
- 文档页数:1
验收合格证明验收合格证明范本建设工程规划验收合格证一、事项名称:建设工程规划验收合格证二、办事部门:津南区规划局三、受理地点和窗口:行政许可中心四、事项类型:非行政许可审批事项五、申报条件:1、《建设工程规划验线合格通知书》;2、具有相应测绘资质单位制订的《建设工程规划验收测量技术报告》;3、城建档案管理部门出具的《建设工程档案预验收证明》,验收合格证明,证明范文《验收合格证明》。
六、申报所需材料:建筑工程1、建设工程规划验收合格证申报表(建筑工程);2、建设工程规划验线合格通知书复印件,同时核验原件;3、《建设工程规划竣工测量技术报告》(建筑工程)纸质文件2份和电子文件(包括DWG和SHP两种格式竣工总平面图);4、建设工程档案预验收证明原件;5、《建设用地规划许可证》及通知书复印件,同时核验原件;6、《标准地名证书》及附图复印件,同时核验原件;7、现场实景照片;8、法人已更换的`应重新提供法人身份证明;9、更换委托代理人的还应提交授权委托书和受委托人的身份证明;10、法律、法规、规章规定的其他材料。
市政工程1、建设工程规划验收合格证申报表(市政工程);2、建设工程规划验线合格通知书复印件,同时核验原件;3、《建设工程规划竣工测量技术报告》(市政工程)纸质文件3份和电子文件;4、建设工程档案预验收证明原件;5、法人已更换的应重新提供法人身份证明;6、更换委托代理人的还应提交授权委托书和受委托人的身份证明复印件,同时核验原件;7、法律、法规、规章规定的其他材料。
七、表格下载八、办事流程:1、窗口受理;2、证后管理部门办理;3、审定;4、合格的,核发建设工程规划验收合格证;不合格的,核发建设工程规划验收通知书。
九、勘察天数:不需勘察。
十、审图天数:不需审图。
十一、办理依据:《中华人民共和国城乡规划法》第四十五条:县级以上地方人民政府城乡规划主管部门按照国务院规定对建设工程是否符合规划条件予以核实。
天津市房屋建筑工程质量阶段验收和竣工验收规定第一条为规范我市房屋建筑工程质量阶段验收和竣工验收行为,建立科学公正、真实有效、责任清晰的工程质量验收机制,依据《建设工程质量管理条例》《天津市建设工程质量管理条例》和《房屋建筑和市政基础设施工程竣工验收规定》(建质〔2013〕171号)等有关规定,结合本市实际,制定本规定。
第二条本市行政区域内从事新建、改建、扩建房屋建筑工程阶段验收和竣工验收(以下简称阶段验收或竣工验收)活动以及对房屋建筑工程实施质量监督管理,应当遵守本规定。
第三条阶段验收和竣工验收,应当遵循组织程序严谨合规、内容结论齐全明确的原则。
第四条本规定所称阶段验收是指房屋建筑工程的地基、基础、主体结构和建筑节能工程阶段完工后,在施工单位、工程监理单位按照《建筑工程施工质量验收统一标准》(GB50300)验收合格的基础上,由建设单位组织的验收活动。
地基阶段验收是指地基子分部、全部基桩等工程全部完工,进入建筑基坑、基槽基础垫层施工前的工程质量验收。
基础阶段验收是指按照设计施工图基础结构构件全部完工,进入主体结构施工前的工程质量验收。
主体结构验收是指建筑一、二次结构全部完工,进入装饰装修工程施工前的工程质量验收。
节能阶段验收是指节能工程全部完工进行的建筑节能工程质量验收。
根据工程实际情况,地基、基础、主体结构工程可以划分为若干单元进行验收。
第五条建设单位组织阶段验收或竣工验收应当成立验收组,应当具备下列条件:(一)验收组成员由建设单位、勘察单位(只参加地基阶段验收和竣工验收)、设计单位、施工单位、工程监理单位的专业人员组成,可以按专业划分为若干个专业验收组进行验收。
(二)验收组组长由建设单位人员担任。
(三)专业验收组组长由建设单位人员或者委托的工程监理单位人员担任,组长应当具备相关专业的高级工程师以上职称或者相关专业国家注册资格。
(四)专业验收组应当根据工程的实际情况,配齐具备相关专业工程师以上职称的验收人员。
津园监y53编号:工程名称:建设单位:竣工时间:年月日津园监y53-1天津市园林建设工程竣工验收汇报津园监y53-2津园监y53-3津园监y53-4津园监y53-5篇二:天津市建设工程竣工验收监理评估汇报天津市建设工程竣工验收监理评估报告(建筑工程部分)工程名称: ××××××监理单位:深圳市××建设工程项目管理有限企业年月日天津市××置业有限企业(建设单位):受你方委托我单位按监理协议(编号)有关质量责任旳约定,对该工程旳施工质量实行了监理,于年月日对该工程进行了验收,现将工程质量状况予以评估,报请你方组织竣工验收。
总监理工程师签字:主管领导签字:单位盖章:年月日工程基本概况工程质量监理评估表工程质量评估意见及结论篇三:天津市建设工程竣工验收立案表建备表1-1天津市建设工程竣工验收立案表天津市城镇建设和交通委员会印制建备表1-2天津市建设工程竣工验收立案表建备表1-3建备表1-4建备表1-5 篇四:天津xxxx桥梁整体竣工验收汇报天津市市政工程竣工质量验收汇报工程名称:天津市xxxx立交工程一标段单位名称: xxxx有限企业验收日期:二〇一一年六月二十五日一、工程及管理概况1(一)工程概况1、工程概况xxxx立交为迅速路北横迅速通道与西纵迅速通道相交旳大型互通立交,包括北横与天泰路立交、西纵与新红路立交。
本工程为一标段,迅速路xxxx立交项目北段,详细包括主线z 线桥z-5~z14墩(z-5为桥台,不包括z14墩柱,z-5~z0为后续变更,原设计为道路构造)、主线y线桥y-5~y11墩(y-5为桥台,不包括y11墩柱,y-5~y0为后续变更,原设计为道路构造)旳桥梁工程。
其中,本工程桥梁工程包括主线z线桥z-5~z14墩(不包括z14墩柱)、主线y线桥y-5~y11墩(不包括y11墩柱)。
起点部位位于红桥北大街,向南左右线分离,三跨钢构造桥梁上跨新红路路口后,左右线分布于新红路两侧向南至子牙河河边,本标段结束。
天津市建设工程竣工验收备案及质量监督实施指南根据国务院《建设工程质量管理条例》、建设部建建[2000]151号文《关于建设工程质量监督机构深化改革的指导意义》、建设部建建[2000]142号文关于印发《房屋建筑工程和市政基础设施工程竣工验收暂行规定》的通知、建设部第78号部长令《房屋建筑工程和市政基础设施工程竣工验收备案管理暂行办法》`和《天津市建筑安装工程和市政基础设施工程竣工验收备案管理暂行办法》(建质安管[2000]1134号),结合本市工程质量监督工作实际情况,特制定天津市建设工程竣工验收备案及质量监督实施指南。
一、建设工程质量监督(一)工程质量监督机构应当对工程建设施工、监理、验收等阶段执行强制性标准的情况实施监督。
监督检查的主要内容包括:1、建设各方责任主体的质量行为是否符合国家及天津市有关法律、法规规定;2、工程项目的勘察、设计、施工、验收等是否符合强制性标准的规定;3、工程项目采购的材料、设备等是否符合强制性标准的规定;4、工程项目的结构安全、使用功能质量是否符合强制性标准的规定;(二)建设工程质量监督申报1、建设单位在工程项目开工前,必须按天津市建设工程监督市、区(县)两级管理的要求,向建设工程质量监督机构办理建设工程质量监督申报手续,按国家规定交纳质量监督费。
2、质量监督机构在受理建设工程质量监督申报时,应审查如下资料:(1)、天津市建设工程交易服务中心质量监督申报表;(2)、工程项目报建登记表;(3)、工程项目立项批复(计划);(4)、工程项目中标通知书;(5)、工程项目施工合同;(6)、工程项目监理合同;(7)、施工图设计文件审查批准书;3、建设工程质量监督机构应审查建设单位提供的全部文件资料,对符合要求的项目,签发《建设工程质量监督登记通知书》,对文件资料短缺,达不到规定要求的项目,通知其补办齐全符合规定后,方可办理质量监督手续。
4、建设单位凭《建设工程质量监督登记通知书》按规定向有关部门申领《施工许可证》,并据此可以开始施工。
天津市房屋建筑工程质量阶段验收和竣工验收规定第一条为规范我市房屋建筑工程质量阶段验收和竣工验收行为,建立科学公正、真实有效、责任清晰的工程质量验收机制,依据《建设工程质量管理条例》《天津市建设工程质量管理条例》和《房屋建筑和市政基础设施工程竣工验收规定》(建质〔2013〕171号)等有关规定,结合本市实际,制定本规定。
精品文档,超值下载第二条本市行政区域内从事新建、改建、扩建房屋建筑工程阶段验收和竣工验收(以下简称阶段验收或竣工验收)活动以及对房屋建筑工程实施质量监督管理,应当遵守本规定。
第三条阶段验收和竣工验收,应当遵循组织程序严谨合规、内容结论齐全明确的原则。
第四条本规定所称阶段验收是指房屋建筑工程的地基、基础、主体结构和建筑节能工程阶段完工后,在施工单位、工程监理单位按照《建筑工程施工质量验收统一标准》(GB50300)验收合格的基础上,由建设单位组织的验收活动。
地基阶段验收是指地基子分部、全部基桩等工程全部完工,进入建筑基坑、基槽基础垫层施工前的工程质量验收。
基础阶段验收是指按照设计施工图基础结构构件全部完工,进入主体结构施工前的工程质量验收。
主体结构验收是指建筑一、二次结构全部完工,进入装饰装修工程施工前的工程质量验收。
节能阶段验收是指节能工程全部完工进行的建筑节能工程质量验收。
根据工程实际情况,地基、基础、主体结构工程可以划分为若干单元进行验收。
第五条建设单位组织阶段验收或竣工验收应当成立验收组,应当具备下列条件:(一)验收组成员由建设单位、勘察单位(只参加地基阶段验收和竣工验收)、设计单位、施工单位、工程监理单位的专业人员组成,可以按专业划分为若干个专业验收组进行验收。
(二)验收组组长由建设单位人员担任。
(三)专业验收组组长由建设单位人员或者委托的工程监理单位人员担任,组长应当具备相关专业的高级工程师以上职称或者相关专业国家注册资格。
(工程验收套表)天津市竣工验收备案全套表格(建设表)建设表1天津市市政建设工程()验收通知书天津空港经济区建设工程质量监督站:由写全称勘察,写全称设计, 写全称X公司施工, 写全称监理的, 按图纸(路基、基础、主体、竣工)工程,桩号写桩号或井号或具体构筑物,施工、勘察、设计、监理各责任主体在工程施工中按照有关法规、规章及强制性标准履行了各自的职责,完成了合同、设计文件要求,已具备验收要求。
我方于年月日上午(下午)点,组织工程验收。
验收地点:联系人:电话:附:(路基、基础、主体、竣工)验收组成员名单建设单位:(公章)年月日注:验收前七日通知监督单位。
本表由建设单位填写。
基础包括排水管道基础、桥梁桩基础、道路路基。
主体包括桥梁上部结构,复土前的排水管道、道路基层。
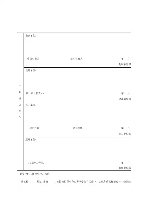
建设表1-1()分部工程验收组成员名单参加验收单位验收组成员姓名职务专业建设单位全称项目负责人写明写明勘察单位全称项目负责人写明写明设计单位全称项目负责人写明写明施工单位全称必须是中标项目经理写明写明监理单位全称必须是中标总监写明写明其它单位能够写代建单位建设单位(公章)年月日建设表2-1工程质量验收证明书工程名称:按图纸建设表2-2工程名称(标段)按图纸。
如:经壹路(纬壹二路—纬五路)道路排水工程单位工程名称如:道路工程部位(工序)名称如:石灰粉煤灰土、石灰粉煤灰碎石、水泥稳定碎石验收范围(桩号)质量验收意见勘察单位意见:必须写明意见,不允许仅签字设计项目负责人:本人签字年月日勘察单位部门章施工单位意见:必须写明意见,不允许仅签字总工程师:本人签字年月日项目经理:本人签字年月日施工企业质量部门章设计单位意见:必须写明意见,不允许仅签字设计项目负责人:本人签字年月日设计单位部门章监理单位意见:必须写明意见,不允许仅签字总监理工程师:本人签字且加盖注册章年月日监理项目部门章验收单位(建设单位)意见:该工程(基础、主体、竣工)部位验收程序和内容严格按有关法律、法规和验收标准进行,验收结果:项目负责人:年月日建设单位部门章本表由参建各方签署后分别存放施工、监理单位,由建设单位报质监站备存。
天津市房屋建筑工程质量阶段验收和竣工验收规定第一条为规范我市房屋建筑工程质量阶段验收和竣工验收行为,建立科学公正、真实有效、责任清晰的工程质量验收机制,依据《建设工程质量管理条例》《天津市建设工程质量管理条例》和《房屋建筑和市政基础设施工程竣工验收规定》(建质〔2013〕171号)等有关规定,结合本市实际,制定本规定。
精品文档,超值下载第二条本市行政区域内从事新建、改建、扩建房屋建筑工程阶段验收和竣工验收(以下简称阶段验收或竣工验收)活动以及对房屋建筑工程实施质量监督管理,应当遵守本规定。
第三条阶段验收和竣工验收,应当遵循组织程序严谨合规、内容结论齐全明确的原则。
第四条本规定所称阶段验收是指房屋建筑工程的地基、基础、主体结构和建筑节能工程阶段完工后,在施工单位、工程监理单位按照《建筑工程施工质量验收统一标准》(GB50300)验收合格的基础上,由建设单位组织的验收活动。
地基阶段验收是指地基子分部、全部基桩等工程全部完工,进入建筑基坑、基槽基础垫层施工前的工程质量验收。
基础阶段验收是指按照设计施工图基础结构构件全部完工,进入主体结构施工前的工程质量验收。
主体结构验收是指建筑一、二次结构全部完工,进入装饰装修工程施工前的工程质量验收。
节能阶段验收是指节能工程全部完工进行的建筑节能工程质量验收。
根据工程实际情况,地基、基础、主体结构工程可以划分为若干单元进行验收。
第五条建设单位组织阶段验收或竣工验收应当成立验收组,应当具备下列条件:(一)验收组成员由建设单位、勘察单位(只参加地基阶段验收和竣工验收)、设计单位、施工单位、工程监理单位的专业人员组成,可以按专业划分为若干个专业验收组进行验收。
(二)验收组组长由建设单位人员担任。
(三)专业验收组组长由建设单位人员或者委托的工程监理单位人员担任,组长应当具备相关专业的高级工程师以上职称或者相关专业国家注册资格。
(四)专业验收组应当根据工程的实际情况,配齐具备相关专业工程师以上职称的验收人员。
附表一
天津市建设工程质量
阶段验收自评报告
□地基□基础□主体结构□节能
工程名称
施工单位名称
报告时间年月日
附表二
天津市建设工程质量
阶段验收评估报告
(建筑工程部分)
□地基□基础□主体结构□节能
工程名称
工程监理单位名称
报告时间年月日
阶段工程质量监理评估表
工程质量评估意见及结论
附表三
勘察单位工程质量合格证明书
附表四
设计单位工程质量合格证明书
检验批质量验收复查记录
天津市建设工程质量
竣工验收自评报告
工程名称
施工单位名称
报告时间年月日工程竣工检查报告
附表七
天津市建设工程质量
竣工验收评估报告
(建筑工程部分)
工程名称
工程监理单位名称
报告日期年月日
工程基本概况
竣工工程质量监理评估表
工程质量评估意见及结论
验收人:日期:
附表十工程安全和功能检验核查及主要功能抽查记录
附表十一单位(子单位)工程观感质量检查记录
附表十二住宅工程质量分户验收表(一)验收人:日期:
土建工程质量分户验收记录表(二)
验收人:日期:
建筑给排水及采暖工程质量分户验收记录表(三)
建筑电气工程质量分户验收记录表(四)验收人:日期:
室内主要空间尺寸抽测记录表(五)。
标题:天津开发区建设工程档案归档范围与排列顺序注:1、有特殊要求的工程,可据实增加内容在相应的类别中。
2、建设单位在办理建设工程档案正式验收时,除向开发区档案馆移交纸质档案外,要求移交与纸质目录相同的城建档案电子目录。
附件A: 质量控制与安全功能文件第一部分建筑安装工程归档文件一、桩基质量控制文件及竣工图1、分包合同、企业资质、管理人员名单、施工方案、开工报告2、图纸会审、设计变更、工程洽商记录3、原材料的出厂质量证明书、检验报告、成品半成品合格证4、原材料的复试报告(水泥、砂、石、钢材等)5、预拌混凝土出厂质量证明书、砼配合比、碱含量、28天补报混凝土强度6、成品桩出厂质量证明书7、混凝土试块试验报告汇总表8、混凝土抗压强度试验报告9、混凝土强度检验评定表10、混凝土抗渗试验报告11、隐蔽工程检查验收记录12、桩基施工记录13、复合地基工程施工验收记录14、桩基工程施工验收记录15、地基承载力检测报告16、桩基检测报告17、------分项质量工程验收记录18、------分部(子分部)工程验收记录19、定位测量放线、水准点引测(经过)记录、技术复核记录A-J4-120、桩位偏移图(表)22、桩基工程竣工图二、钢结构质量控制文件1、钢结构子分部工程开工报告2、分部(子分部)工程施工方案3、首次采用的钢材和焊接材料出厂前的焊接工艺评定报告4、新技术、新材料、新工艺试验研究资料和施工方法5、设计图纸会审、变更及洽商记录6、钢结构构件出厂合格证7、钢材质量证明书或检验报告8、安装所采用焊接材料的质量证明书9、高强度螺栓连接副的质量证明书及复检报告10、安装所采用的涂料质量证明书或检验报告11、防火涂料的质量证明书或检验报告12、高强度螺栓连接摩擦面抗滑移系数试验报告13、设计要求做强度试验构件的试验报告14、一级、二级焊缝超声波无损探伤检测报告15、施工记录⑴、隐蔽工程验收记录⑵、高强度螺栓安装连接检查记录⑶、焊缝外观检查记录和实测记录16、工程安全和功能检验资料??建筑物垂直度、标高、全高测量记录17、钢结构工程分项工程质量评定表18、钢结构子分部工程质量验收记录19、钢结构子分部工程有关安全及功能的检验和见证检测项目检查记录三、幕墙工程质量控制文件1、分包合同、企业资质、管理人员名单、专项工程设计证书2、施工组织设计3、幕墙设计计算书4、图纸会审、设计变更、工程洽商记录5、钢材出厂质量证明书、检测报告6、铝合金型材出厂质量证明书、检测报告7、铝塑板复试报告及检测报告8、石材复试报告及检测报告9、玻璃合格证及检验报告10、焊条、螺栓、防锈漆、化学锚栓合格证及有关检验报告11、幕墙玻璃表面应力现场检查记录12、幕墙玻璃色差现场检验记录13、幕墙工程结构胶、养护环境的温度、湿度记录14、双组分硅酮结构胶的混匀性试验记录及拉断试验记录15、幕墙金属框架防雷连接隐蔽工程验收记录16、幕墙工程(四性试验)检验报告17、隐蔽工程检查验收记录18、------分项质量工程验收记录19、------分部(子分部)工程验收记录20、幕墙工程淋水检查记录四、土建原材料通用文件1、___材料汇总表2、钢材产品质量证明书3、钢材检验报告4、核准证5、___材料汇总表6、水泥出厂检验报告单7、水泥检验报告8、核准证9、___材料汇总表10、砂子检验报告11、___材料汇总表12、石子检验报告13、___材料汇总表14、预拌混凝土出厂质量证明书、砼配合比、碱含量、28天补报混凝土强度15、___材料汇总表16、砖、砌体材料产品合格证17、检验报告18、核准证19、___材料汇总表20、混凝土外加剂材料产品合格证21、检验报告22、核准证23、___材料汇总表24、防水材料产品合格证25、检验报告26、特种作业人员(防水)上岗证27、核准证28、___材料汇总表29、构件材料(门、窗、涂料、油漆、保温板、装饰材料等)产品合格证30、检验报告31、核准证32、___材料汇总表33、焊条(焊剂)出厂质量证明书34、特种作业人员(焊工)上岗证五、土建质量控制文件(一)施工现场准备1、定位测量放线、水准点引测记录2、定位测量放线、水准点引测经过记录(二)地基处理记录1、地基触(钎)探记录2、基坑(槽)工程施工验收记录3、地基处理工程验收记录(三)施工试验记录1、土壤(石硝)干密度检验报告及其它土壤实验报告2、混凝土试块试验报告汇总表3、混凝土抗压强度试验报告4、混凝土强度检验评定表5、混凝土抗渗试验报告6、砂浆抗压强度试验报告汇总表7、砂浆抗压强度试验报告8、钢筋接头(焊接)试验报告9、钢筋接头(机械连接)试验报告(四)隐蔽工程检查记录[用汇总表(津资K-5??通用)分类整理]1、隐蔽工程检查验收记录2、钢筋隐蔽工程检查验收记录3、预应力隐蔽工程检查验收记录(五)施工记录1、现场混凝土施工、养护检查记录2、混凝土测温施工记录3、混凝土实体检测天气温度累计记录4、预应力灌浆记录5、预应力混凝土钢筋张拉施工记录6、装配式(吊装)工程检查验收记录7、焊接材料烘焙记录8、结构实体混凝土强度记录9、结构实体钢筋保护层厚度验收记录10、工程质量事故报告11、工程质量事故调查处理结果12、新材料、新工艺施工记录(六)统表及质量证明书1、施工现场质量管理检查记录2、单位(子单位)工程质量竣工验收记录3、单位(子单位)工程质量控制资料核查记录4、单位(子单位)工程安全和功能检查资料核查及主要功能抽查记录5、单位(子单位)工程观感质量检查记录6、------分部(子分部)工程验收记录7、------分项质量工程验收记录8、工程质量验收证明书(七)安全功能记录1、防水工程试水检查记录2、地下室防水效果检查记录3、技术复核记录4、建筑物垂直度、全高测量记录5、抽气(风)道检查记录6、沉降量汇总表7、沉降观测记录8、砌体裂缝检查验收记录六、给排水与采暖质量控制文件1、图纸会审、设计变更、工程洽商记录2、??材料汇总表3、室内给排水、采暖、通风、空调工程主要材料进场验收记录4、设备、产品质量合格证、质量保证书5、设备开箱检查记录6、承压管道系统、设备、阀门强度及严密性试验记录7、室内给排水、采暖、通风、空调工程隐蔽验收记录8、低温地板辐射采暖隐蔽工程验收记录9、室内排水、雨水、空调冷水管道灌水试验记录10、排水管道通球试验记录11、通水、冲洗试验记录12、地漏排水试验记录13、室内消火栓系统测试记录14、设备单机试运转记录15、采暖系统试运行调试记录16、锅炉安全附件安装检查及调试记录17、锅炉试运行记录18、------分部(子分部)工程验收记录19、------分项质量工程验收记录20、卫生器具满水试验记录21、饮用水质检测报告七、建筑电气质量控制文件1、图纸会审、设计变更、工程洽商记录2、??材料汇总表3、主要电器设备、材料进场验收记录4、材料、设备出厂合格证及鉴定文件5、电气设备??记录汇总表6、电气系统、设备调试、电动机抽芯检查记录7、低压电气设备交接试验记录8、低压电气系统、设备?试运行记录9、发电机交接试验、试运转记录10、___汇总表11、低压电气线路、照明配电箱绝缘电阻测试记录12、景观、庭院灯绝缘电阻测试记录13、??接地电阻测试记录14、___汇总表15、封闭、插接母线隐蔽工程验收记录16、桥架、线槽隐蔽工程验收记录17、直埋、缆沟电缆隐蔽工程验收记录18、电线、电缆导管隐蔽工程验收记录19、大、重型灯具固定、悬吊装置、隐蔽验收记录20、人工接地体隐蔽工程验收记录21、接地装置、防雷、等电位隐蔽工程验收记录22、___汇总表23、施工记录24、------分部(子分部)工程验收记录25、------分项质量工程验收记录26、照明全负荷通电运行记录27、大型灯具牢固性试验记录28、配电线路接线、接地检查记录29、照明分支线路、灯具、开关、插座、接线、接地检查记录八、通风与空调质量控制文件1、图纸会审、设计变更、工程洽商记录2、??材料汇总表3、室内给排水、采暖、通风、空调工程主要材料进场验收记录4、设备、产品质量合格证、质量保证书5、设备开箱检查记录6、承压管道系统、设备、阀门强度及严密性试验记录7、室内排水、雨水、空调冷水管道灌水试验记录8、制冷系统气密性试验记录9、冷却水、冷(热)水系统及制冷系统冲洗(吹污)试验记录10、风管漏光检测记录11、风管漏风检测记录12、室内给排水、采暖、通风、空调工程隐蔽验收记录13、制冷设备运行调试记录14、通风、空调系统调试记录15、------分部(子分部)工程验收记录16、------分项质量工程验收记录17、通风、空调系统试运转记录18、风量、温度测试记录19、洁净室洁净度测试记录九、智能建筑质量控制文件1、图纸会审、设计变更、工程洽商记录2、??材料汇总表3、主要电器设备、材料进场验收记录4、材料、设备出厂合格证、技术文件及进场检(试)验报告5、隐蔽工程验收表6、系统功能测定及设备调试记录7、系统技术、操作和维护手册8、系统管理、操作人员培训记录9、系统检测报告10、------分部(子分部)工程验收记录11、------分项质量工程验收记录十、电梯质量控制文件1、图纸会审、设计变更、洽商记录2、设备出厂合格证书及开箱检查记录3、隐蔽工程验收表4、施工记录5、接地、绝缘电阻测试记录6、符合试验、安全装置检查记录7、分项、分部工程质量验收记录第二部分市政基础设施工程归档文件开发区市政工程技术文件应按照国家现行技术规范和标准及天津市建科教(2003)867号文件颁布的五项标准进行编制,并参照开发区市政工程施工技术文件整理标准进行排列组卷。
天津市房屋建筑工程质量阶段验收和竣工验收规定第一条为规范我市房屋建筑工程质量阶段验收和竣工验收行为,建立科学公正、真实有效、责任清晰的工程质量验收机制,依据《建设工程质量管理条例》《天津市建设工程质量管理条例》和《房屋建筑和市政基础设施工程竣工验收规定》(建质〔2013〕171号)等有关规定,结合本市实际,制定本规定。
第二条本市行政区域内从事新建、改建、扩建房屋建筑工程阶段验收和竣工验收(以下简称阶段验收或竣工验收)活动以及对房屋建筑工程实施质量监督管理,应当遵守本规定。
第三条阶段验收和竣工验收,应当遵循组织程序严谨合规、内容结论齐全明确的原则。
第四条本规定所称阶段验收是指房屋建筑工程的地基、基础、主体结构和建筑节能工程阶段完工后,在施工单位、工程监理单位按照《建筑工程施工质量验收统一标准》(GB50300)验收合格的基础上,由建设单位组织的验收活动。
地基阶段验收是指地基子分部、全部基桩等工程全部完工,进入建筑基坑、基槽基础垫层施工前的工程质量验收。
基础阶段验收是指按照设计施工图基础结构构件全部完工,进入主体结构施工前的工程质量验收。
主体结构验收是指建筑一、二次结构全部完工,进入装饰装修工程施工前的工程质量验收.节能阶段验收是指节能工程全部完工进行的建筑节能工程质量验收。
根据工程实际情况,地基、基础、主体结构工程可以划分为若干单元进行验收.第五条建设单位组织阶段验收或竣工验收应当成立验收组,应当具备下列条件:(一)验收组成员由建设单位、勘察单位(只参加地基阶段验收和竣工验收)、设计单位、施工单位、工程监理单位的专业人员组成,可以按专业划分为若干个专业验收组进行验收。
(二)验收组组长由建设单位人员担任。
(三)专业验收组组长由建设单位人员或者委托的工程监理单位人员担任,组长应当具备相关专业的高级工程师以上职称或者相关专业国家注册资格。
(四)专业验收组应当根据工程的实际情况,配齐具备相关专业工程师以上职称的验收人员。
基础、主体验收建设表1 天津市市政建设工程( )验收通知书监督站:由勘察,设计, 公司施工,监理的, (路基、基础、主体、竣工)工程, 桩号,施工、勘察、设计、监理各责任主体在工程施工中按照有关法规、规章及强制性标准履行了各自的职责,完成了合同、设计文件要求,已具备验收要求。
我方于年月日上午(下午)点,组织工程验收。
验收地点:联系人:电话:附:(路基、基础、主体、竣工)验收组成员名单建设单位:(公章)年月日注:验收前七日通知监督单位。
本表由建设单位填写。
基础包括排水管道基础、桥梁桩基础、道路路基。
主体包括桥梁上部结构,复土前的排水管道、道路基层。
建设表1-1 ( )分部工程验收组成员名单建设单位(公章) 年月日工程质量验收证明书工程名称:天津市快速路人行天桥工程43-9合同施工承包单位:天津第四市政建筑工程有限公司本表由参建各方签署后分别存放施工、监理单位,由建设单位报质监站备存。
建设表2-2本表由参建各方签署后分别存放施工、监理单位,由建设单位报质监站备存。
建设表2-3勘察设计( )质量检查证明(合格证明)工程项目(单位工程)名称及范围:天津市快速路人行天桥工程延吉西道天桥、果园1.本表一式四份,两份交建设单位(备案),一份交监督机构,一份自存。
篇幅不足,可另附页。
2.本表由勘察设计单位填写盖章,如有违反现行标准或达不到国家强制性标准;结构安全、使用功能、环境影响方面,未达到设计要求的,应予以提出或说明。
建设表2-4施工单位( )工程竣工报告(合格证明)3.本表由施工单位填写,一式四份,两份交建设单位(备案),一份交监督机构,一份自存。
篇幅不足,可另附页。
4.本工程地基、基础、主体结构和使用功能方面是否满足设计要求?如有违反现行标准或达不到国家强制性标准;结构安全、使用功能、环境影响方面,未达到设计要求的,应予以提出或说明。
建设表2-5监理单位( )工程质量评估报告(合格证明)5.本表有工程监理单位填写盖章,一式四份,两份交建设单位(备案),一份交监督机构,一份自存。
天津市住房城乡建设委关于印发天津市商品房销售许可证核准及相关工作程序的通知文章属性•【制定机关】天津市住房和城乡建设委员会•【公布日期】2021.05.21•【字号】津住建发〔2021〕3号•【施行日期】2021.05.24•【效力等级】地方规范性文件•【时效性】现行有效•【主题分类】行政许可,房地产市场监管正文天津市住房城乡建设委关于印发天津市商品房销售许可证核准及相关工作程序的通知各区住建委,各有关单位:《关于印发天津市商品房销售许可证核准程序的通知》(津国土房发〔2016〕8号)有效期届满,为进一步加强商品房销售许可审批管理,提高行政审批效能,保护行政管理相对人合法权益,根据《中华人民共和国城市房地产管理法》、《中华人民共和国行政许可法》、《天津市商品房管理条例》、《天津市房地产交易管理条例》等有关规定,结合工作实际,现将文件修改后重新印发给你们,请遵照执行。
2021年5月21日天津市商品房销售许可证核准及相关工作程序一、商品房销售许可证核准(一)申请房地产开发企业申领《天津市商品房销售许可证》,应当提交《商品房销售许可申请书》和下列材料:1.法人营业执照和房地产开发资质证书;2.国有建设用地不动产权证书;3.商品房建设投资计划或者企业固定资产投资项目备案证明;4.建设工程规划许可证;5.建筑工程施工许可证;6.前期物业管理备案通知;7.商品房项目达到工程形象部位的证明(首层室内地坪工程质量验收证明);8.商品房销售方案(含施工进度和竣工交付日期)。
以上第1-7项要件需核对原件并留存复印件。
项目所在地的区住建委在2个工作日内,对房地产开发企业申报楼栋工程形象部位是否达到规定的首层室内地坪标高进行现场查看。
现场查看工作由2名以上工作人员进行,填写商品房销售许可现场查看记录表(附件1),按标准留存图像资料(附件2),并上传至天津市商品房销售审批系统。
(二)审查市住房城乡建设委对以下内容进行审查:1.房地产开发企业所提交的证件资料是否齐全;2.营业执照、开发企业资质证书、商品房建设投资计划或者企业固定资产投资项目备案证明、国有建设用地不动产权证书、建设工程规划许可证、建筑工程施工许可证等证件,记载的权利人是否与申请的房地产开发企业一致;3.有关证件证载内容与申请销售的范围是否相符;4.工程形象部位是否达到规定的要求;5.商品房销售方案内容是否齐全、规范;6.是否符合法律、法规规定的其他条件。
天津市房屋建筑工程质量阶段验收和竣工验收规定第一条为规范我市房屋建筑工程质量阶段验收和竣工验收行为,建立科学公正、真实有效、责任清晰的工程质量验收机制,依据《建设工程质量管理条例》《天津市建设工程质量管理条例》和《房屋建筑和市政基础设施工程竣工验收规定》(建质〔2013〕171号)等有关规定,结合本市实际,制定本规定。
第二条本市行政区域内从事新建、改建、扩建房屋建筑工程阶段验收和竣工验收(以下简称阶段验收或竣工验收)活动以及对房屋建筑工程实施质量监督管理,应当遵守本规定。
第三条阶段验收和竣工验收,应当遵循组织程序严谨合规、内容结论齐全明确的原则。
第四条本规定所称阶段验收是指房屋建筑工程的地基、基础、主体结构和建筑节能工程阶段完工后,在施工单位、工程监理单位按照《建筑工程施工质量验收统一标准》(GB50300)验收合格的基础上,由建设单位组织的验收活动。
地基阶段验收是指地基子分部、全部基桩等工程全部完工,进入建筑基坑、基槽基础垫层施工前的工程质量验收。
基础阶段验收是指按照设计施工图基础结构构件全部完工,进入主体结构施工前的工程质量验收。
主体结构验收是指建筑一、二次结构全部完工,进入装饰装修工程施工前的工程质量验收。
节能阶段验收是指节能工程全部完工进行的建筑节能工程质量验收。
根据工程实际情况,地基、基础、主体结构工程可以划分为若干单元进行验收。
第五条建设单位组织阶段验收或竣工验收应当成立验收组,应当具备下列条件:(一)验收组成员由建设单位、勘察单位(只参加地基阶段验收和竣工验收)、设计单位、施工单位、工程监理单位的专业人员组成,可以按专业划分为若干个专业验收组进行验收。
(二)验收组组长由建设单位人员担任。
(三)专业验收组组长由建设单位人员或者委托的工程监理单位人员担任,组长应当具备相关专业的高级工程师以上职称或者相关专业国家注册资格。
(四)专业验收组应当根据工程的实际情况,配齐具备相关专业工程师以上职称的验收人员。
附录E阶段验收、竣工验收资料及分户验收记录表目录及样表表E阶段验收、竣工验收资料及分户验收记录表目录序号资料名称编号备注1法定代表人授权书津资验1-12建设单位项目负责人工程质量终身责任承诺书津资验1-23勘察单位项目负责人工程质量终身责任承诺书津资验1-34设计单位项目负责人工程质量终身责任承诺书津资验1-45施工单位项目经理工程质量终身责任承诺书津资验1-56监理单位项目总监理工程师工程质量终身责任承诺书津资验1-67天津市建设工程质量验收通知书津资验2-18工程验收组成员名单津资验2-29勘察单位工程质量验收报告津资验310设计单位工程质量验收报告津资验411天津市建设工程质量验收施工自评报告津资验512天津市建设工程质量验收监理评估报告津资验613工程质量验收证明书津资验714检验批质量验收复查记录津资验815工程竣工验收报告津资验916住宅工程质量分户验收表津资验1017土建工程质量分户验收记录表津资验1118室内主要空间尺寸抽测记录表津资验1219建筑给排水及采暖工程质量分户验收记录表津资验1320建筑电气工程质量分户验收记录表津资验14321法定代表人授权书津资验1-1兹授权我单位(姓名)担任工程项目的(建设、勘察、设计、施工、监理)项目负责人,对该工程项目的(建设、勘察、设计、施工、监理)工作实施组织管理,依据国家有关法律法规及标准规范履行职责,并依法对设计使用年限内的工程质量承担相应终身责任。
本授权书自授权之日起生效。
被授权人基本情况姓名身份证号专业技术职称注册执业资格注册执业证号被授权人签字:授权单位(盖章):法定代表人(签字):授权日期:年月日322建设单位项目负责人工程质量终身责任承诺书津资验1-2本人受单位(法定代表人)授权,担任工程项目的建设单位项目负责人,对该工程项目的建设工作实施组织管理。
本人承诺如下:1、依法对工程建设活动履行职责,认真执行国家和本市有关建设工程质量法律、法规、规章、工程建设标准和合同约定,依法承担建设工程质量责任。