有源变压器容量-特性测试仪使用说明
- 格式:docx
- 大小:325.80 KB
- 文档页数:21
VIC-1.0变压器特性测试分析仪使用手册2006年4月目录1.概述电力变压器作为一类重要的静止电气设备,对电力系统和电气设备的安全运行具有极其重要的意义。
例如,电力变压器在空载情况下,高压绕组的电压U1与低压绕组电压U2之比称为电压比,而电压变比试验就是为了检查变压器绕组匝数是否正确,检查变压器的分接头状况,检查绕组有无层(匝)间金属性短路等,为变压器能否投入运行以及能否进行并联运行提供依据。
同时,电力变压器在更换绕组后或特殊情况要求下均要进行空载试验,以测量额定电压下的空载电流和空载损耗,其目的就是检查变压器绕组是否存在匝间短路故障情况,检查变压器铁芯叠片间的绝缘情况,以及变压器穿芯螺杆和压板的绝缘情况,当变压器发生上述故障时,其空载损耗和空载电流都会增大。
电力变压器在更换绕组后还要进行短路阻抗和负载损耗的试验,以检查变压器绕组有无变形或存在股间短路等,当短路阻抗变化2%以上时,变压器绕组一定存在明显变形。
对于变压器由多股绕制的线圈,在出现股间短路后,其股间环流将会造成损耗增加,这些故障情况均能从负载损耗数值中可反映出来。
总之,为保障电力变压器的安全可靠运行,必须定期或不定期地对电力变压器进行各种性能试验,以保证变压器性能参数能满足安全运行的需要。
VIC-1.0变压器特性测试分析仪是采用虚拟仪器技术和软测量技术的设计思想,能满足多种变压器电压变比测试、三相或单相空载特性测试、三相或单相阻抗测试、零序阻抗测试分析等要求,具有高精度、多参数、功能完备、操作简单、维护量少等优点,可计算变压器空载损耗、负载损耗、短路阻抗等。
2.系统安装VIC-1.0变压器特性测试分析仪具有的主要技术特点有:1.具有对三相或单相电力变压器进行电压变比测试分析的功能;2.具有对三相或单相电力变压器进行空载特性测试分析的功能;3.具有对三相或单相电力变压器进行阻抗特性测试分析的功能;4.具有对三相电力变压器进行零序阻抗测试分析的功能;5.对三相交流电压及交流电流的测量精度均满足0.2级表计精度要求;6.基于Windows 9x/NT/2000操作平台的全中文仿真仪表3D图形界面,人机交互接口友好,直观清晰,操作简单,使用灵活;7.软件功能完备,具有实时采集、动态显示、记录保存、追忆回放、报告整理、输出打印等功能;8.实时性强,同步性好;9.各通道具有动态标度变换与非线性补偿功能;10.信号输入通道均具有完善的隔离与保护措施;11.具有高精度、高可靠性,抗电磁干扰能力强;12.采用自锁紧端子设计,使用方便、连接牢固,安全可靠;13.装置体积小,便于携带,外形美观,性价比高;14.硬软件系统具有相对独立性,延扩性好,升级方便,可接受用户定制;3.试验准备3.1 交流电压接线1)在电压变比试验中,应将变压器高压绕组中A、B、C三相交流电压直接接入本测试分析仪的交流电压输入通道端子的1、2、3中,将变压器低压绕组中a、b、c三相交流电压直接接入本测试分析仪的交流电压输入通道端子的4、5、6中。
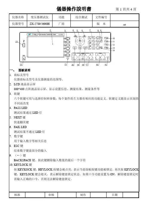
仪器名称变压器测试仪功能综合测试文件编号仪器型号ZX-2789/3690H 厂商版本A0一、面板说明1.商标及型号仪器商标及型号及仪器测量的范围等。
2.LCD液晶显示屏800*480点阵液晶显示屏,显示设置信息、测量结果、测量条件等3.软键六个软键可用与选择控制和参数,每个案件的左方都有相应的功能定义。
软键定义随显示页面的不同而改变4.PASS LED测试结果通过LED灯5.NEXT键快速翻页键6.FAIL LED测试结果不通过LED灯7.数字键用于输入数字等相关信息8.ESC键结束数字键盘部分的输入9.(←)键BACKSPACE键。
按此键删除输入数值的最后一个字符10.KEYLOCK键按KEYKOCK键,HEYLOCK按键会被点亮,表示当前面板按键功能被锁定,再次按KEYLOCK 键,KEYLOCK键会熄灭,表示解除键盘锁定状态。
如果口令功能设置为ON,解除键盘锁定时需输入正确的口令,否则无法解除键盘锁定。
核准审核制作日期仪器名称变压器测试仪功能综合测试文件编号仪器型号ZX-2789/3690H 厂商版本A021FILE 快捷键按FILE键,直接进入文件界面22. 电源开关(POWER)按此键可进行电源开关的打开和关闭23. USB HOST接口用于连接U盘存储器二、屏幕区域:各部分的名称与功能1. 功能设置区域在该区域可设置仪器一些相关参数2.文件域把光标移到该区域,可进行文件管理操作。
文件管理操作包括:加载、保持、删除。
3.工具域一些不常用的功能,在显示页面没有相应的设置域,被列入工具域中。
4. 软键区域该区域被用于显示软键的功能定义。
软键的定义随光标所在的域的位置不同而具有不同的功能5. 消息提示及数据输入区域该区域用于显示系统提示信息以及用户数据输入信息。
2.5基本操作指南变压器综合测试仪的基本操作为:◆使用菜单按键(LCRZ、TRANS、SYSTEM)和对应软键选择你想要的显示页面。
变压器容量测试仪操作指南一、概述二、仪器配置1.变压器容量测试仪主机:包括仪器控制面板、显示屏、操作按钮等。
2.测试连接线:用于连接被测变压器和仪器主机。
3.夹具夹:用于连接测试连接线和变压器端子。
4.电源线:用于给仪器主机供电。
三、操作步骤1.连接测试线a.将主机的测试连接线插头接入主机的测试接口上。
b.将另一端的测试连接线插头接入夹具夹的测试接口上。
c.将夹具夹的另一端接入被测变压器的端子上。
2.参数设置a.打开仪器主机,进入仪器主界面。
b.通过操作按钮或触摸屏选择“参数设置”选项,进入参数设置界面。
c.按照被测变压器的额定容量设置测试仪的参数。
参数包括电压、电流、功率因数等。
d.设置好参数后,保存设置并退出参数设置界面。
3.开始测试a.在主界面选择“开始测试”选项,进入测试界面。
b.确认被测变压器的连接正确无误后,开始进行测试。
c.仪器主机会根据设置的参数自动控制测试电压和电流,并实时显示变压器的容量数据。
d.测试完成后,仪器主机会自动停止,并显示测试结果。
四、注意事项1.在进行测试之前,需仔细检查测试连接线、夹具夹等设备的连接是否牢固。
2.在设置测试参数时,应根据被测变压器的额定容量合理设置电压、电流、功率因数等参数。
3.在测试过程中,应密切观察仪器主机上的显示数值,确保测试数据的准确性。
4.测试过程中发现异常情况,应立即停止测试并检查设备的连接和工作状态。
5.完成测试后,应将仪器主机关闭,并拔掉电源线。
五、维护保养1.定期检查测试连接线、夹具夹等设备的外观是否损坏,如有损坏应及时更换。
2.保持仪器主机的干燥清洁,避免水和灰尘进入仪器内部。
3.定期校准仪器主机的显示准确性,确保测试数据的准确性。
4.不使用时,应将仪器主机存放在干燥通风的地方,避免受潮或受热。
六、故障排除1.当仪器主机无法正常开机时,可以尝试检查电源线是否接好,并尝试更换电源插座。
2.如果测试结果不准确或显示异常,请检查测试连接线和夹具夹的连接是否正常。
上海菲柯特电气科技有限公司目录前言 (1)一、功能特点 (2)二、技术指标 (3)三、结构外观 (4)1、结构尺寸 (4)2、面板布置 (4)3、键盘说明 (5)四、液晶界面 (6)1、主菜单界面 (6)2、容量测试参量设置界面 (7)3、参数设置界面 (10)4、有源负载界面 (11)5、单相空载显示界面 (14)6、三相空载界面 (16)6、单相短路显示界面 (17)7、三线短路显示界面 (17)8、结果查询界面 (18)9、电气参数界面 (19)10、谐波分析 (19)五、使用方法 (21)(一).有源变压器容量、负载损耗测量 (21)1.基本概念 (21)2、测试方法 (21)(二).外接电源变压器损耗测量部分 (22)1.基本概念 (22)2.测试方法 (22)六、电池维护及充电 (24)七、注意事项 (24)八、附录一:系列配电变压器技术参数 (25)九、附录二:单相法测量三相变压器空载损耗接线说明 (28)十、附录三、单相法变压器空载试验接线图 (29)1RTC-800B有源变压器容量-特性测试仪使用说明书前言我国电力系统实行两部制电价:除了收取计量装置所计量的费用外,还要根据变压器容量收取基本电费;对于较大用户在投运变压器时还要一次性交纳增容费。
随着电力行业的发展,用电量的增大,自有变压器和个人承包变压器已渐渐占据了配变中相当的份额,随之而来的就是个人为了达到少交费、多用电的目的而采取的各种弄虚作假的手段(主要是改、换变压器铭牌);有些用户年偷电费额达数十万之多,电力部门苦于没有有效的控制手段。
有源变压器特性-容量综合测试仪是我公司针对这种问题专门开发、研制的专门用于变压器容量、损耗参数测量的高精度仪器。
它自带高效能充电电池,不用外接电源即可工作,充电一次可连续测量500台次;同时,内部数字合成三相标准正弦波信号(绝非简单的逆变交流输出,保证了非额定条件下各测试项目测试数据的准确性),经功率放大器可提供三相精密交流测试源;在测量变压器容量和变压器的短路损耗时不需要外接三相测试电源及调压器、升流等辅助设备,简化了接线,大大提高了工作效率。
HTRL-V变压器容量测试仪操作方法1. 液晶显示屏分为两部分,上部显示菜单及测量数据;下面两行为反白字体,显示下一步操作提示。
2. 将被测变压器分接开关置于额定分接位置(10kV/400V),接好线路,打开电源后进入状态(1)。
该状态下可按“▲”,“▼”键调节液晶显示对比度,仪器自动存储调节最后的对比度值。
按确定键进入主菜单状态(2)。
进入状态(2)以后除关机之外不能再回到状态(1)。
状态(2)菜单为功能选择菜单,对于复合功能型号,在该菜单下选择所需功能,按“确定”或直接按数字键进入选择功能子菜单(3)。
之后应该看所选择功能对应的专用说明书,根据说明书继续后续操作。
3. 设置辅助参数在启动测量之前请确认输入正确的辅助参数,在状态(3),将光标指向“设置辅助参数”,按“确定”键或直接按数字键“3”进入状态(4),显示当前辅助参数值。
每次开机或仪器功能切换后,辅助参数设定值可记忆,关机不丢失,只有改变仪器主功能时,辅助参数值才会设定为默认值,可根据需要重新输入。
各参数说明如下:设备编号:可输入最多九位数字或英文字符(如出厂编号),用于标识被测设备。
电压等级:按国标测量时选择和被测变压器一致的额定电压,按非标变压器测量时设置为“非标”。
额定高压:高压侧额定电压,电压等级选择国标时,从列表中选择设置。
电压等级选择非标时,需手动输入高压侧额定电压。
额定低压:低压侧额定电压,电压等级选择国标时,从列表中选择设置。
电压等级选择非标时,需手动输入低压侧额定电压。
额定温度:变压器绕组额定温度,用于温度换算,初始值75.0℃。
当前温度:变压器绕组当前温度,用于温度换算,初始值20.0℃。
阻抗电压:变压器的阻抗电压,用于按非标测量时计算实测容量。
辅线电阻:应输入低压侧短路线每相平均电阻(换算到额定温度),测量时仪器内部自动消除附加电阻的影响。
时间和日期:是当前实时时间,设置日期和时间时必须输入六位数字。
如果要修改参数,可移动光标至对应项,按“确定”键或直接按数字键进入输入状态(5),在屏幕下部提示区显示输入数据格式为“输入:>ABC123<”,按“▲”,“▼”键可使最后输入位按顺序显示数字和字母,如按错了按键,可按“取消”键重新输入,输入数据后按“确定”键确认输入,屏幕显示修改后的数据。
变压器容量测试仪使用方法一、引言变压器是电力系统中一种重要的电气设备,用于进行电压的升降变换。
为了保证变压器的正常运行,需要对其容量进行测试。
本文将介绍变压器容量测试仪的使用方法,帮助用户正确操作设备,确保测试结果准确可靠。
二、检查设备在使用变压器容量测试仪之前,首先需要检查设备是否完好。
包括检查电源线、传感器、显示屏等部件是否正常,确保设备能够正常供电和显示测试结果。
三、准备工作1. 确定测试对象:根据实际需求,选择待测试的变压器。
可以是新安装的变压器,也可以是已经使用一段时间的变压器。
2. 连接传感器:将变压器容量测试仪的传感器连接到待测试变压器的合适位置。
一般情况下,传感器应连接到变压器的高压侧和低压侧,以便测量输入输出电压和电流。
3. 配置测试参数:根据测试要求,设置变压器容量测试仪的测试参数。
包括测试电压、电流、频率等参数。
根据变压器的额定容量和工作条件,合理设置测试参数,以确保测试结果准确可靠。
四、进行测试1. 开始测试:按下变压器容量测试仪的启动按钮,开始进行测试。
测试仪会自动对待测试变压器的电压和电流进行采样,并计算出变压器的容量。
2. 观察测试结果:测试仪会将测试结果显示在屏幕上。
用户可以根据显示的结果,判断变压器的容量是否符合要求。
如果容量超过额定值,则表示变压器能够满足需求;如果容量低于额定值,则表示变压器存在问题,需要进一步检修或更换。
3. 记录测试数据:在测试过程中,用户可以将测试数据记录下来,以备后续分析和比对。
记录的数据包括测试时间、变压器型号、额定容量、测试结果等信息。
五、注意事项1. 安全第一:在进行变压器容量测试时,务必注意安全。
避免触摸高压导体,防止触电危险。
2. 遵守操作规程:按照设备的使用说明书,正确操作变压器容量测试仪。
避免误操作导致测试结果不准确。
3. 防止误差:在测试过程中,应尽量减小误差的影响。
例如,测试时要保持稳定的电源供应,避免其他设备的干扰。
变压器容量特性测量仪在使用时的注意事项有哪些
变压器容量特性测量仪是专门用于在低电压、小电流情况下测试标准配电电力变压器容量的仪器。
体积小、重量轻,采用一体化设计,便于携带和野外作业。
电力行业中,变压器作为重要的电力设备已经越来越受到电力行业的重视和应用。
在变压器应用过程中,有很多技术指标需要达到相应的国家要求才能够应用到电力输送过程中,才能够保障电力输送的安全以及可靠。
在变压器设备的技术指标中额定容量是非常重要的。
变压器容量特性测量仪在使用时应注意下面这些事项:
1、在测量过程中一定不要接触测试线的金属部分,以避免被电击伤。
2、测量接线一定要严格按说明书操作,否则后果自负。
3、测试之前一定要认真检查设置的参数是否正确。
4、当测试500kVA或630kVA的变压器时,必须要对参比容量进行设置,因为500和630的变压器处于阻抗电压变换区,容量有交叉的可能性,为了避免误判,必须对此参量进行设置。
5、不能在电压和电流过量限的情况下工作。
6、短路试验时,非加压侧的短接必须良好,否则会对测试结果有影响。
7、做短路试验时,如果高压或中压侧出线套管装有环形电流互感器时,试验前电流互感器的二次一定要短接。
8、试验接线工作必须在被试线路接地的情况下进行,防止感应
电压触电。
所有短路、接地和引线都应有足够的截面,且必须连接牢靠。
测试组织工作要严密,通信顺畅,以保证测试工作安全顺利进行。
9、一定要使用有地线的电源插座。
10、当变压器容量特性测量仪需要充电时,一定要关掉工作电源(按下“O”为关),插上电源线,充电指示的黄灯开始闪烁,说明充电进入正常状态。
变压器容量测试仪使用说明变压器容量测试仪有源容量与无源损耗使用方法及接线方式以下将分为二部分来介绍:有源容量负载损耗、无源损耗测量部分。
(一).变压器容量测试仪有源变压器容量、负载损耗测量1.基本概念有源容量试验:通过一些必要的数据来确定某个变压器的实际容量值;从而检查出被试变压器铭牌容量是否真实。
2、测试方法容量测试仪配有三把测试钳(黄、绿、红),每只钳子分别引出两根测试线,一根粗线、一根细线,粗线接到仪器面板上容量测试端子对应颜色的电流端子(Ia、Ib、Ic),细线接到仪器面板上容量测试端子对应颜色的电压端子(Ua、Ub、Uc),将钳头按颜色分别夹在被试变压器的高压侧各相接线柱上,变压器的低压侧要用专用短接线良好短接。
如图十九所示:变压器器容量测试仪接线图图十九接好线后,在主界面选择容量测试项目,此时进入容量参数设置屏,按下列操作步骤进行设置:1、设定当前温度,通过上下键将手型指针指到‘当前温度’选项,用左右键调节温度数值,要求尽量准确,最好以温度计的示值为准。
2、设置高压侧额定电压,通过上下键将手型指针指到‘高额定电压’选项,用左右键调节高额定电压档,例如被测变压器是10KV/400V的配变,则将本项设置为10KV3、设置变压器类型,通过上下键将手型指针指到‘变压器类型’选项,用左右键调节该选项,使之与铭牌相符。
4、设置分接档位,通过上下键将手型指针指到‘分接档位’选项,用左右键调节该选项,通常将分接打到2分接位置,如遇被测变压器分接在其他位置,则将该选项设置到正确位置。
5、通过上下键将手型指针指到‘被试品编号’选项,用左右键调节该选项为某个编号值。
6、按开始键进行测试,结果自动保留在液晶上7、选择‘保存’可将结果保存到内部存储器中,如不需保存,则不选此项。
8、选择‘打印’可将测试结果打印出来。
有源负载试验的接线方法与容量测试完全相同,操作也同样简单,值得注意的是,有源负载试验的参数设置是用主界面中的第三项‘参数设置’,一定要正确设置。
H C B R-I I变压器容量测试仪使用手册HCBR-II型变压器容量—特性测试仪目录一、概述 (1)功能特点 (2)二、技术指标 (3)三、界面及功能介绍 (3)1、结构尺寸 (3)2、操作面板示意图 (4)3、主菜单 (4)4、容量测试 (5)5、空载测试 (7)6、负载测试 (10)7、数据管理 (12)8、数据上传 (13)四、使用方法 (13)1、基本概念介绍 (13)2、变压器容量测试及有源负载测试的接线方法 (14)3、单相电源测量单相变压器的空载损耗的接线方法 (14)4、单相电源测量单相变压器的短路损耗的接线方法 (14)5、单相电源对三相变压器的空载损耗的测量及接线方式 (15)6、单相电源对三相变压器的短路(负载)损耗测量及其接线方式 (17)7、两元件法对变压器空载损耗的测量及接线方式 (17)8、两元件法对变压器短路损耗的测量及接线方式 (19)9、三相电源对变压器空载损耗的测量及接线方式 (19)10、三相电源对变压器负载损耗的测量及接线方式 (19)五、电池充电及维护 (20)六、注意事项 (20)七、附录:系列配电变压器技术参数 (22)HCBR-II型变压器容量—特性测试仪是我公司研发人员专门针对不良电力用户偷逃基本电费、私自增容问题而研发设计的新型仪器,是专门用于变压器容量、特性参数测量的高精密仪器。
本产品采用彩色大屏幕液晶显示器,中文显示,简便快捷的菜单式操作,人机界面友好。
仪器内部自带高效能可充电电池,无需外接电源即可工作。
电池一次完全充电可连续测量500台套左右的变压器。
此外,仪器内可提供三相精密50Hz正弦波交流测试电源,在测量变压器容量及变压器负载损耗时不需要外接三相测试电源及调压器、升流器等辅助设备,从而大大提高了您的工作效率。
本仪器为多功能测量仪器,相当于往常两种测试仪器:即有源变压器容量测试仪+变压器特性参数测试仪,在特性测试中又可以以传统的两表法测试又可以用标准的三线四相制法测试,既能和传统测试法比较参数,又能精确的测量参数。
目录前言 (2)一、功能特点 (3)二、技术指标 (3)三、结构外观 (4)1.结构尺寸 (4)2.面板布置 (4)3.键盘说明 (5)四、液晶界面 (7)五、使用方法 (13)(一).有源测量部分 (13)1.基本概念 (13)2.试验方法 (13)(二).无源测量部分 (14)1.基本概念 (14)2.试验方法 (14)六、打印功能 (21)七、注意事项 (21)八、附录:10KV、35KV配电变压器技术参数…………………22前言我国电力系统实行两部制电价:除了收取计量装置所计量的费用外,还要根据变压器容量收取基本电费;对于较大用户在投运变压器时还要一次性交纳增容费。
随着电力行业的发展,用电量的增大,自有变压器和私人承包变压器已渐渐占据了配变中相当的份额,随之而来的就是个人为了达到少交费、多用电的目的而采取的各种弄虚作假的手段(主要是改、换变压器铭牌);有些用户年偷电费额达数十万之多,电力部门苦于没有有效的控制手段。
有源变压器特性-容量综合测试仪是我公司针对这种问题专门开发、研制的专门用于变压器容量、损耗参数测量的高精度仪器。
它自带高效能充电电池,不用外接电源即可工作,充电一次可连续测量100台次;同时,内部数字合成三相标准正弦波信号(绝非简单的逆变交流输出,保证了非额定条件下各测试项目测试数据的准确性),经功率放大器可提供三相精密交流测试源;在测量变压器容量和变压器的短路损耗时不需要外接三相测试电源及调压器、升流等辅助设备,简化了接线,大大提高了工作效率;容量测试结果准确率达100%。
它一种设备相当于二种设备:有源变压器容量测试仪+变压器损耗参数测试仪。
它可对各种变压器的容量、空载电流、空载损耗、短路损耗、阻抗电压等一系列工频参数可进行精密的测量。
该仪器具有体积小、重量轻、测量准确度高、稳定性好、操作简便易学等优点,完全可取代以往利用多表法测量变压器损耗和容量的方法,接线简单,测试、记录方便,大大提高了工作效率。
变压器容量测试仪方法
变压器容量测试仪是一种用于测试变压器容量的仪器。
在电力系统中,变压器是一种非常重要的设备,它可以将高电压变成低电压,或者将低电压变成高电压,以满足不同电器设备的需求。
因此,对于变压器的容量进行测试是非常必要的,以确保其正常运行和安全使用。
变压器容量测试仪的原理是利用电流互感器和电压互感器来测量变压器的电流和电压,从而计算出变压器的容量。
具体来说,测试仪会将一定电流和电压加到变压器上,然后测量变压器的电流和电压,最后根据公式计算出变压器的容量。
这个过程需要使用一些专业的仪器和设备,如电流互感器、电压互感器、数字电表等。
在进行变压器容量测试之前,需要先进行一些准备工作。
首先,需要检查变压器的接线是否正确,以及测试仪的接线是否牢固。
其次,需要选择合适的测试电流和电压,以确保测试结果的准确性。
最后,需要进行一些安全措施,如戴好绝缘手套、穿好绝缘鞋等,以避免电击事故的发生。
变压器容量测试仪的使用非常广泛,不仅可以用于变压器的容量测试,还可以用于其他电器设备的测试。
在电力系统中,变压器容量测试仪是一种非常重要的工具,它可以帮助工程师们及时发现变压器的故障和问题,从而保障电力系统的正常运行。
FS20SN变压器容量特性测试仪我国电力系统实行两部制电价:除了收取计量装置所计量的费用外,还要根据变压器容量收取基本电费;对于较大用户在投运变压器时还要一次性交纳增容费。
随着电力行业的发展,用电量的增大,自有变压器和私人承包变压器已渐渐占据了配变中相当的份额,随之而来的就是个人为了达到少交费、多用电的目的而采取的各种弄虚作假的手段(主要是改、换变压器铭牌);有些用户年偷电费额达数十万之多,电力部门苦于没有有效的控制手段。
有源变压器特性-容量综合测试仪是我公司针对这种问题专门开发、研制的专门用于变压器容量、损耗参数测量的高精度仪器。
它自带高效能充电电池,不用外接电源即可工作,充电一次可连续测量100台次;同时,内部数字合成三相标准正弦波信号(绝非简单的逆变交流输出,保证了非额定条件下各测试项目测试数据的准确性),经功率放大器可提供三相精密交流测试源;在测量变压器容量和变压器的短路损耗时不需要外接三相测试电源及调压器、升流等辅助设备,简化了接线,大大提高了工作效率;容量测试结果准确率达100%。
它一种设备相当于二种设备:有源变压器容量测试仪+变压器损耗参数测试仪。
它可对各种变压器的容量、空载电流、空载损耗、短路损耗、阻抗电压等一系列工频参数可进行精密的测量。
该仪器具有体积小、重量轻、测量准确度高、稳定性好、操作简便易学等优点,完全可取代以往利用多表法测量变压器损耗和容量的方法,接线简单,测试、记录方便,大大提高了工作效率。
它以大屏幕图形式液晶作为显示窗口,图形式菜单操作并配有汉字提示,集多参量于一屏的显示界面,人机对话界面友好,使用简便、快捷,是各级电力用户的首选产品。
一、功能特点1、可精确测量各种配电变压器的容量,无源测量,方便、准确。
2、内部自带电源、自动产生三相大功率测试电源。
3、可测量各种类型的变压器的空载电流、空载损耗、短路电压、短路损耗。
4、可自动进行波形畸变校正,温度校正,电压校正(非额定电压下的空载试验),电流校正(非额定电流条件下的短路试验),操作人员只需根据变压器类型输入校正指数仪器即可自动计算出校正后的结果,非常适合没有做稍大容量变压器短路试验条件的单位。
变压器测试仪操作說明書第1頁共4頁仪器名称变压器测试仪功能综合测试文件编号仪器型号ZX-2789/3690H 厂商致新版本一、面板说明1.商标及型号仪器商标及型号及仪器测量的范围等。
2.LCD液晶显示屏800*480点阵液晶显示屏,显示设置信息、测量结果、测量条件等3.软键六个软键可用与选择控制和参数,每个案件的左方都有相应的功能定义。
软键定义随显示页面的不同而改变4.PASS LED测试结果通过LED灯5.NEXT键快速翻页键6.FAIL LED测试结果不通过LED灯7.数字键用于输入数字等相关信息8.ESC键结束数字键盘部分的输入9.(←)键BACKSPACE键。
按此键删除输入数值的最后一个字符10.KEYLOCK键按KEYKOCK键,HEYLOCK按键会被点亮,表示当前面板按键功能被锁定,再次按KEYLOCK 键,KEYLOCK键会熄灭,表示解除键盘锁定状态。
如果口令功能设置为ON,解除键盘锁定时需输入正确的口令,否则无法解除键盘锁定。
核准审核制作日期变压器测试仪操作說明書第2頁共4頁变压器测试仪操作說明書第3頁共4頁仪器名称变压器测试仪功能综合测试文件编号仪器型号ZX-2789/3690H 厂商致新版本21FILE 快捷键按FILE键,直接进入文件界面22. 电源开关(POWER)按此键可进行电源开关的打开和关闭23. USB HOST接口用于连接U盘存储器二、屏幕区域:各部分的名称与功能1. 功能设置区域在该区域可设置仪器一些相关参数2.文件域把光标移到该区域,可进行文件管理操作。
文件管理操作包括:加载、保持、删除。
3.工具域一些不常用的功能,在显示页面没有相应的设置域,被列入工具域中。
4. 软键区域该区域被用于显示软键的功能定义。
软键的定义随光标所在的域的位置不同而具有不同的功能5. 消息提示及数据输入区域该区域用于显示系统提示信息以及用户数据输入信息。
2.5基本操作指南变压器综合测试仪的基本操作为:◆使用菜单按键(LCRZ、TRANS、SYSTEM)和对应软键选择你想要的显示页面。
变压器容量测试仪方法
变压器是电力系统中必不可少的设备,在运行过程中,其容量的准确性对于保证电力系统的稳定运行有着重要作用。
为了检测变压器容量是否符合要求,需要使用变压器容量测试仪进行测试。
以下是变压器容量测试仪的使用方法:
1. 测试前准备
首先需要准备好变压器容量测试仪、电源线、电压表和电流表等测试设备。
接着需要查看变压器的容量、相数、额定电压等参数,根据这些参数选择好测试仪的测试范围和接线方式,并将测试仪连接上电源、电流表和电压表等测试仪器。
2. 测试仪器接线
将测试仪的电源线插入电源插座中,打开测试仪电源开关,此时测试仪器开始运行。
根据变压器的接线方式,将测试仪的相序线依次接入变压器的相线上,同时将测试仪的电压线和电流线分别接入变压器的电压线和电流线上。
3. 测试操作
接线完成后,可以进行测试操作。
首先,打开变压器的通电开关,使变压器开始运行;接着,根据变压器的额定电压及容量,设置好测试仪的测试参数,将测试仪的测试模式切换到容量测试模式,等待测试仪进行自动测试。
4. 测试结果分析
测试完成后,测试仪会自动显示出变压器的容量测试结果,包括
容量值、功率因数、误差等信息。
根据测试结果,可以判断出变压器的容量是否符合要求,如果测试结果不理想,则需要进行进一步的排查和处理。
总之,变压器容量测试仪是检测变压器容量的重要设备,其使用方法简单明了,可以帮助检测出变压器容量问题,保证电力系统的正常运行。
变压器特性综合测试仪安全操作及保养规程1. 引言变压器特性综合测试仪是变压器测试中一种重要的设备,用于测量和评估变压器的各种特性参数。
为了确保测试仪的安全运行和延长使用寿命,本文档将介绍变压器特性综合测试仪的安全操作和保养规程。
2. 安全操作规程2.1 环境检查在使用变压器特性综合测试仪之前,应检查使用环境是否符合以下要求: - 温度范围:5°C至40°C - 相对湿度范围:不超过80% - 没有明火、腐蚀性气体等危险物质2.2 电源连接 - 确保测试仪插头和电源插座相匹配 - 确保插头接触良好,无损坏或松动2.3 仪器连接 - 在连接或断开测试仪与被测变压器之前,应先确保测试仪和被测变压器的电源已断开 - 根据测试需要,通过正确连接测试仪的输入和输出端子2.4 操作顺序 - 严格按照测试仪的使用说明书进行操作 - 先启动测试仪,等待其自检完成后再进行后续测试操作2.5 避免过载 - 在使用过程中,应避免测试电压、电流超过测试仪的额定范围 - 不应接入大于测试仪额定电压的电源2.6 防止电击 - 使用测试仪时应保持干爽,避免手湿或汗湿的情况下进行操作 - 不要触摸测试仪的内部元件或非绝缘的导体部分 - 不要将金属物体接触测试仪的插座或其他部分3. 保养规程3.1 定期清洁 - 使用干净的软布或棉布清洁测试仪的表面 - 禁止使用带有酸、碱或其他腐蚀性成分的清洁剂3.2 定期校准 - 根据测试仪的规定,定期进行校准 - 若测试仪的显示结果与标准值存在较大偏差,应及时联系厂家进行维修或校准3.3 妥善保管 - 在使用完毕后,应将测试仪存放在干燥、通风的地方,避免阳光直射 - 长期不使用时,应将测试仪存放在对静电和湿度环境不敏感的地方4. 注意事项•遵守相关的安全操作规程,不得违反国家安全标准和规定•严禁将测试仪用于其它非指定测试范围的设备或场合•除非有专业人士指导,否则不得拆卸测试仪的外壳•在出现故障或异常情况时,应立即停止使用并联系维修人员进行检修5. 总结变压器特性综合测试仪是变压器测试中不可或缺的设备,使用时应严格遵守安全操作规程,避免危险事件的发生。
我国电力系统实行两部制电价:除了收取计量装置所计量的费用外,还要根据变压器容量收取基本电费;对于较大用户在投运变压器时还要一次性交纳增容费。
随着电力行业的发展,用电量的增大,自有变压器和私人承包变压器已渐渐占据了配变中相当的份额,随之而来的就是个人为了达到少交费、多用电的目的而采取的各种弄虚作假的手段(主要是改、换变压器铭牌);有些用户年偷电费额达数十万之多,电力部门苦于没有有效的控制手段。
有源变压器特性-容量综合测试仪是我公司针对这种问题专门开发、研制的专门用于变压器容量、损耗参数测量的高精度仪器。
它自带高效能充电电池,不用外接电源即可工作,充电一次可连续测量100台次;同时,内部数字合成三相标准正弦波信号(绝非简单的逆变交流输出,保证了非额定条件下各测试项目测试数据的准确性),经功率放大器可提供三相精密交流测试源;在测量变压器容量和变压器的短路损耗时不需要外接三相测试电源及调压器、升流等辅助设备,简化了接线,大大提高了工作效率;容量测试结果准确率达100%。
它一种设备相当于二种设备:有源变压器容量测试仪+变压器损耗参数测试仪。
它可对各种变压器的容量、空载电流、空载损耗、短路损耗、阻抗电压等一系列工频参数可进行精密的测量。
该仪器具有体积小、重量轻、测量准确度高、稳定性好、操作简便易学等优点,完全可取代以往利用多表法测量变压器损耗和容量的方法,接线简单,测试、记录方便,大大提高了工作效率。
它以大屏幕图形式液晶作为显示窗口,图形式菜单操作并配有汉字提示,集多参量于一屏的显示界面,人机对话界面友好,使用简便、快捷,是各级电力用户的首选产品。
一、功能特点1、可精确测量各种配电变压器的容量,无源测量,方便、准确。
2、内部自带电源、自动产生三相大功率测试电源。
3、可测量各种类型的变压器的空载电流、空载损耗、短路电压、短路损耗。
4、可自动进行波形畸变校正,温度校正,电压校正(非额定电压下的空载试验),电流校正(非额定电流条件下的短路试验),操作人员只需根据变压器类型输入校正指数仪器即可自动计算出校正后的结果,非常适合没有做稍大容量变压器短路试验条件的单位。
5、电压回路宽量限:电压最大可测量到750V,不用切换档位即可保证精度。
不会因电压档位选错而对仪器本身有所损坏。
6、电池剩余电量百分数指示功能,绝非简单的亏电报警。
6、大屏幕、高亮度的液晶显示,全汉字菜单及操作提示实现友好的人机对话,触摸按键使操作更简便,宽温液晶带亮度调节,可适应冬夏各季。
7、用户可随时将测试的数据通过微型打印机将结果打印出来。
8、测试结果存储功能,可存储200组容量测试数据。
二、技术指标1、输入特性有源部分:电压测量范围:0~10V电流测量范围:0~10A无源部分:电压测量范围:0~750V 宽量限。
电流测量范围:0~100A内部全部自动切换量程。
2、准确度电压、电流、频率:±0.2%功率:±0.5%(CosΦ>0.1),±1.0%(0.02<CosΦ<0.1)3、工作温度:-10℃~ +40℃4、充电电源:交流160V~260V5、绝缘:⑴、电压、电流输入端对机壳的绝缘电阻≥100MΩ。
⑵、工作电源输入端对外壳之间承受工频2KV(有效值),历时1分钟实验。
6、体积:42cm×33cm×17cm7、重量:3Kg三、结构外观仪器由主机和配件箱两部分组成,其中主机是仪器的核心,所有的电气部分都在主机内部,其主机外箱采用高强度进口防水注塑机箱,坚固耐用,配件箱用来放置测试导线及工具。
1、结构图一、主机与配件箱尺寸2、面板布置面板布置图(图二)图二、面板布置图如图二所示:最上方从左到右依次为特性测试用输入端子(Ua、Ub、Uc、Ia正负输入端子、Ib正负输入端子、Ic正负输入端子)、容量测试用端子(Ia、Ib、Ic、In、Ua、Ub、Uc、Un)、接地端子、RS232通讯接口、充电电源插座及开关、注意在操作时一定要确保所接的端子正确,否则有可能会影响测试结果甚至损坏仪器;面板左下方为液晶显示屏;液晶右侧为打印机和键盘。
3、键盘说明键盘共有8个键,分别为:、、、、确定、取消、亮加、亮减。
各键功能如下:在主界面中用来移动光标,使其指向需要进行的项目功能条(功能条反白显示)。
上下键在有源测试项目参数设置功能及无源项目的设置屏中用来移动光标,使其指向需要要更改的参数(包括:高额定电压、变压器类型、分接档位、额定电压、额定电流、电压变比、电流变比、当前温度、校正指数等)。
上下键在系数校准功能中可用来改变测量系数值,同时可用来调节当前的日期时间。
上下键在记录浏览功能屏中用来翻阅记录。
左右键在有源测试项目参数设置功能屏中用来切换可选的项目,如高额定电压选项包括:10KV、35KV、6KV、6.3KV、10.5KV、11KV、110KV、220KV、500KV可在这些档位中连续切换,选至需要的数值;在无源参数设置屏中当光标指向当前温度选项时,用来切换需要校正到的额定条件的温度数值(不同单位对额定条件温度数值的要求不同,一般分两种:75℃135℃)。
左右键在系数校准功能中用来移动光标,使其指向需要调节的系数选项,还可用来查看当前日期及时间。
,在输入参数时,作用是结束输入并使刚键入的数字有效,在有源容量功能中可进入容量测量参量设置屏。
同时,键入的参数无效;如果正在测试过程中,测试结束同时返回主界面。
液晶界面液晶显示界面主要有十二屏,包括开机界面、主菜单和十个功能界面,下面分别加以详细介绍。
1.开机界面如图三所示:图三图四在开机界面下按任意键可进入主菜单,主菜单图四所示:主菜单共有十个可选项,分别为:容量测试、参数设置、有源负载、三线空载、单相短路、三线短路、结果查询、联机通迅、系统设置。
当光标指向哪一个功能选项时,哪个图标就变为反白显示,可见图四界面中选中项为‘容量测试’功能,按上下左右键可改变光标指向的选项。
此时,按‘确定’键进入选中的功能显示屏。
2.在选中‘容量测试’功能时首先进入容量测试参量设置屏,测试完毕后显示测试结果屏,再按下确定键又恢复到容量测试参量设置屏;容量测试参量设置屏及容量测试结果屏如图五、图六所示:图五图六容量测试设置屏中可见,需设置项目有:当前温度、高额定电压、变压器类型、分接档位、被试品编号、阻抗电压、联结组别、被试品编号。
显示屏最下一行为开始测试,当手形指针指到此项目时按确定即开始测试,各项参数的含义和作用如下:当前温度:输入当前的被测变压器的本体温度(可通过红外测温仪测出),用于对测试结果做温度校正,因容量判断主要的依据为变压器的短路试验的数据包括阻抗电压和短路损耗,根据我们所测出的实际数据,按要求校正到额定条件时的短路损耗数值,在查表得到被试变压器的实际容量;首先是非额定电流的校正,同时国标要求变压器的短路损耗应在环境温度为75℃时进行,所以额定条件的数据都是在75℃时的标准数值,为了准确判断容量,必须将测试结果校正到75℃时因此当前温度的准确直接影响容量的判断结果。
高额定电压:指被试变压器施压侧的额定电压值,用于区别不同电压等级的变压器;相同容量、不同电压等级变压器的短路试验参数值是不同的;要做到准确判断,就必须输入被试变压器的高压侧额定电压。
变压器类型:指变压器的不同类型。
按铁芯能耗等级,分为JB64、SJ(73)、S7、S9(S11)、S13等标准级别,还包括非标类型,按绝缘形式又分为油浸式和干式变压器,注意在测试非标类型变压器时需要输入被测变压器的阻抗电压;不同能耗等级的变压器的短路损耗可能不一致,仪器可自动判出变压器型式是否与铭牌一致。
分接档位:指变压器分接开关当前位置;配变通常都有三个分接位置,通常在2分接测量,如果分接位置不在标准档位,而又不愿改变分接位置,必须输入当前的正确位置。
被试品编号:为了区分所测试的变压器,人为的为其编号(共6位数,可为0~9数字或26个英文字母),以便在查阅时不会将几组结果混淆。
阻抗电压:当测试非标变压器时,需输入此项参数,才可测出实际容量。
联结组别:根据变压器的内部接线方式可分为Yyn0、Dyn11和Yzn11三种情况,因不同联结组别的变压器损耗参数是不同的,因此只有明确变压器的联结组别才可准确判断出被测变压器的型式。
图六所示为容量测试判别结果,包括:当前测试条件下实测的短路损耗(负载损耗)总和数值、判定的变压器参数下国标规定的短路损耗数值、校正到额定试验条件下的短路损耗数值、校正后的短路损耗数值与国标参数下短路损耗值的百分数误差。
当前条件下实测阻抗电压数值、判定的国标阻抗电压数值、判定容量、实测容量、判定型式和变压器的实测阻抗;如果在判定容量显示为“No type”说明实测容量值在两相临容量之间,无法归档;如果判定型式显示为“no”说明变压器的型式也在两种型式之间,无法归档。
显示屏最下一行仍为提示行,图六中可见,提示行提示操作人员下一步有三种可选择的操作,可选择保存将测试结果保存到内部存储器中、打印将测试结果通过打印机打印出来,选择取消退出当前的测试界面返回到主界面;当结果中短路损耗超标时仪器会提示“损耗异常”,说明所输入的形式不正确。
3.参数设置屏如图七、图八所示:图七 图八图中可见第一行为提示行,提示行提示‘上下键移动选项,左右键改变当前选项’如图所示,此时上下按键可将手形指针指向其他选项,共六行代表六种参数,包括:变压器容量、高额定电压、低额定电压、接线方式、变压器类型、当前温度,光标指向哪一项,可对哪项进行改变,图九中选中项为变压器容量,按左右键能改变当前变压器容量数值。
图十中选中项为当前温度;按左右键可改变当前温度的数值,此时按确定键可改变调节步长,粗调步长为5℃,细调步长为1℃; 各项参数的具体说明如下:变压器容量:被测变压器的额定容量值,单位KVA ;高额定电压:被测变压器的高压侧额定电压,单位KV ;低额定电压:被测变压器的低压侧额定电压,单位KV ;接线方式:指被测变压器的内部接线方式(即联结组别),包括Y/Yn0,Dyn11/Yzn11几种方式; 当前温度:当前测试环境温度值,用于变压器短路试验(测量短路损耗)时将测试功率测试结果校正到75℃(短路试验的额定条件为75℃),不做此项校正时输入75即可(校正公式为:P K75=K ×P K ,其中K 代表电阻温度系数,其算法为K=(235+75)/(235+t),式中t 为测试时实际温度,对于阻抗电压的校正,也是根据公式用实测值进行自动校正,公式如下:)1()10/(222-+=k P U U SN KT KT K 式中U KT 代表当前温度实测阻抗电压百分比,P KT 代表当前温度下实测短路损耗,S N 表示被测变压器的额定容量; 变压器类型:指被测变压器的形式,包括:S7、S9、S11、S13、FJ 、SJ 、JB64、JB73等,在这里选择自动即可; 3.在选中‘有源负载’功能时首先进入有源负载试验(短路试验)操作提示屏,测试完毕后显示测试结果屏;有源负载试验提示屏及有源负载测试结果屏如图九、图十所示:图九图十有源负载试验提示屏显示出应进行的接线操作,应为“测试钳接在被试变压器的高压侧,低压侧要良好短接”接好线后,按开始键测试;测试完毕后结果显示在液晶屏上,图十中可见,测试结果包括:三相测试电压值(Ua、Ub、Uc)及平均值(Up)、三相测试电流值(Ia、Ib、Ic)、三相实测损耗值(Pa、Pb、Pc)、校正到额定试验条件下(额定电流、温度校正到75℃)的短路损耗数值、校正到额定条件的阻抗电压,被测变压器的高压电阻和高压电抗。