预拌混凝土出厂合格证
- 格式:doc
- 大小:183.00 KB
- 文档页数:6
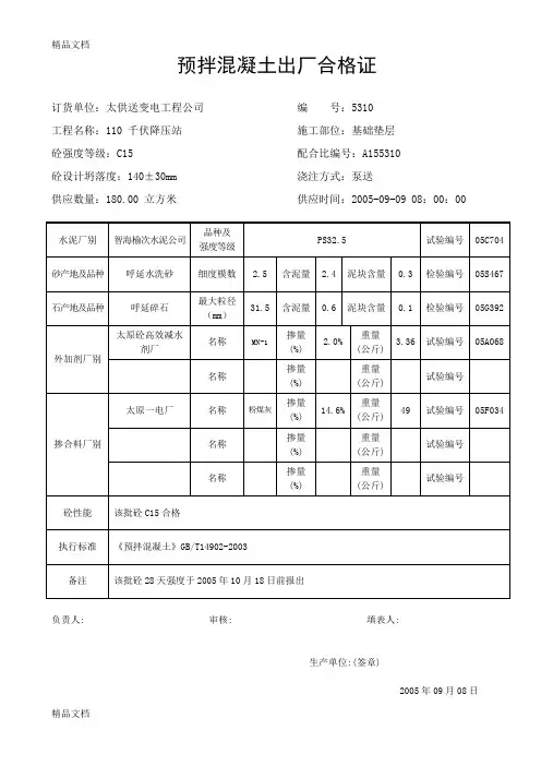
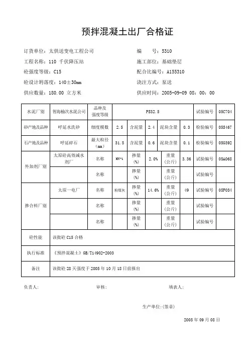
订货单位:太供送变电工程公司编号:5310工程名称:110 千伏降压站施工部位:基础垫层砼强度等级:C15 配合比编号:A155310砼设计坍落度:140±30mm 浇注方式:泵送供应数量:180.00 立方米供应时间:2005-09-09 08:00:00负责人: 审核: 填表人:生产单位:(签章)2005年09月08日订货单位:太供送变电工程公司编号:5311工程名称:110 千伏降压站施工部位:浇灌基础桩砼强度等级:C30 配合比编号:A305311砼设计坍落度:140 ±20mm 浇注方式:自卸供应数量:11.00 立方米供应时间:2005-09-10 08:00:00负责人: 审核: 填表人:生产单位:(签章)2005年09月09日预拌混凝土出厂合格证订货单位:太供送变电工程公司编号:5782工程名称: 110 千伏降压站施工部位:基础砼强度等级:C30S6 配合比编号:B305782砼设计坍落度:160 ±30mm 浇注方式:泵送供应数量:1300.00 立方米供应时间:2005-09-25 06:00:00负责人: 审核: 填表人:生产单位:(签章)订货单位:太供送变电工程公司编号:6045工程名称:110 千伏降压站施工部位:地下室柱砼强度等级:C30 配合比编号:A306045砼设计坍落度:180 ±20mm 浇注方式:泵送供应数量:180.00 立方米供应时间:2005-10-01 08:00:00负责人: 审核: 填表人:生产单位:(签章)订货单位:太供送变电工程公司编号:6046工程名称:110 千伏降压站施工部位:地下室墙砼强度等级:C30S6 配合比编号:B306046砼设计坍落度:180 ±20mm 浇注方式:泵送供应数量:300.00 立方米供应时间:2005-10-01 08:00:00负责人: 审核: 填表人:生产单位:(签章)2005年09月30日混凝土出厂合格证订货单位:太供送变电工程公司编号:7134工程名称:110 千伏降压站施工部位:梁板砼强度等级:C30 早强配合比编号:B307134砼设计坍落度:160 ±30mm 浇注方式:泵送供应数量:670.00 立方米供应时间:2005-10-30 08:00:00负责人: 审核: 填表人:生产单位:(签章)2005年10月29日混凝土出厂合格证订货单位:太供送变电工程公司编号:7530工程名称:110 千伏降压站施工部位:首层柱砼强度等级:C30 早强配合比编号:B307530砼设计坍落度:140 ±20mm 浇注方式:泵送供应数量:80.00 立方米供应时间:2005-11-08 08:00:00负责人: 审核: 填表人:生产单位:(签章)2005年11月08日混凝土出厂合格证订货单位:太供送变电工程公司编号:7872工程名称:110 千伏降压站施工部位:一层梁板砼强度等级:C30 早强配合比编号:B307872砼设计坍落度:160 ±30mm 浇注方式:泵送供应数量:400.00 立方米供应时间:2005-11-17 07:00:00负责人: 审核: 填表人:生产单位:(签章)2005年11月16日预拌砼出厂质量合格证按标准差已知法评定订货单位:太供送变电工程公司配合比编号:B307872工程名称:太钢110KV降压站供应数量:浇注部位:一层梁板供应日期:2005年11月17日强度等级:C30早强至 2005年12月07日试验汇总表负责人: 审核: 填表人:2006年01月07日预拌砼出厂质量合格证按标准差已知法评定订货单位:太供送变电工程公司配合比编号:B308259工程名称:太钢110KV降压站供应数量:浇注部位:侧墙顶板供应日期:2005年12月01日强度等级:C30S6 至 2005年12月13日试验汇总表负责人: 审核: 填表人:2006年01月16日混凝土出厂合格证订货单位:太供送变电工程公司编号:9265工程名称:110 千伏降压站施工部位:渗油井水池砼强度等级:C20S6(-20) 配合比编号:B209265砼设计坍落度:120 ±30mm 浇注方式:自卸供应数量:25.00 立方米供应时间:2005-12-30 18:00:00负责人: 审核: 填表人:生产单位:(签章)2005年12月30日预拌砼出厂质量合格证按标准差已知法评定订货单位:太供送变电工程公司配合比编号:B259364工程名称:太钢110KV降压站供应数量:浇注部位:水池供应日期:2006年01月07日强度等级:C25S6防冻(-20℃) 至 2006年01月07日试验汇总表负责人: 审核: 填表人:2006年02月11日混凝土出厂合格证订货单位:太供送变电工程公司编号:9364工程名称:110 千伏降压站施工部位:水池砼强度等级:C25S6防冻(-20℃) 配合比编号:B259364砼设计坍落度:120 ±20mm 浇注方式:自卸供应数量:9.00 立方米供应时间:2006-01-07 09:00:00负责人: 审核: 填表人:生产单位:(签章)2006年01月07日混凝土出厂合格证订货单位:太供送变电工程公司编号:10N工程名称:110 千伏降压站施工部位:避雷针基础砼强度等级:C20 配合比编号:A2010N砼设计坍落度:140 ±20mm 浇注方式:自卸供应数量:18.00 立方米供应时间:2006-05-12 09:00:00负责人: 审核: 填表人:生产单位:(签章)2006年05月12日(注:素材和资料部分来自网络,供参考。
预拌混凝土出厂合格证
嘿,你知道预拌混凝土出厂合格证有多重要吗?这可相当于预拌混凝土的“身份证”啊!它就像是给预拌混凝土盖上了一个合格的印章,让人心里踏实。
想想看,没有这个合格证,那些预拌混凝土就像没名没分的“孩子”,谁能放心用它们呀!有了这个合格证,就意味着这些预拌混凝土经过了严格的检验和测试,质量有保障。
它详细记录了预拌混凝土的各种信息,比如强度等级、配合比、原材料等等。
这就像是一份详细的“简历”,把预拌混凝土的“前世今生”都交代得清清楚楚。
这个合格证可不是随便就能拿到的哟!它背后是一系列严谨的流程和严格的标准。
生产预拌混凝土的厂家得像对待宝贝一样精心对待每一批产品,从原材料的选择到生产过程的控制,再到最后的质量检测,每一个环节都不能马虎。
这就好比一场精彩的比赛,只有各个环节都表现出色,才能赢得最终的胜利,拿到那张宝贵的合格证。
而且啊,这个合格证还能让我们消费者心里有底。
当我们看到它的时候,就知道我们使用的预拌混凝土是可靠的,是经过专业认可的。
它给我们吃了一颗定心丸,让我们可以放心地进行建筑施工。
要是没有它,那可真让人提心吊胆,不知道用的预拌混凝土质量到底咋样,会不会出问题。
所以说啊,预拌混凝土出厂合格证真的太重要啦!它是保证建筑质量的关键之一,是我们建筑行业不可或缺的一部分。
我们一定要重视它,确保每一批预拌混凝土都有这个“身份证”,这样我们的建筑才能更加坚固,我们的生活才能更加美好!难道不是吗?。
订货单位:太供送变电工程公司编号:5310工程名称:110 千伏降压站施工部位:基础垫层砼强度等级:C15 配合比编号:A155310砼设计坍落度:140±30mm 浇注方式:泵送供应数量:180.00 立方米供应时间:2005-09-09 08:00:00负责人: 审核: 填表人:生产单位:(签章)2005年09月08日订货单位:太供送变电工程公司编号:5311工程名称:110 千伏降压站施工部位:浇灌基础桩砼强度等级:C30 配合比编号:A305311砼设计坍落度:140 ±20mm 浇注方式:自卸供应数量:11.00 立方米供应时间:2005-09-10 08:00:00负责人: 审核: 填表人:生产单位:(签章)2005年09月09日预拌混凝土出厂合格证订货单位:太供送变电工程公司编号:5782工程名称: 110 千伏降压站施工部位:基础砼强度等级:C30S6 配合比编号:B305782砼设计坍落度:160 ±30mm 浇注方式:泵送供应数量:1300.00 立方米供应时间:2005-09-25 06:00:00负责人: 审核: 填表人:生产单位:(签章)预拌混凝土出厂合格证订货单位:太供送变电工程公司编号:6045工程名称:110 千伏降压站施工部位:地下室柱砼强度等级:C30 配合比编号:A306045砼设计坍落度:180 ±20mm 浇注方式:泵送供应数量:180.00 立方米供应时间:2005-10-01 08:00:00负责人: 审核: 填表人:生产单位:(签章)预拌混凝土出厂合格证订货单位:太供送变电工程公司编号:6046工程名称:110 千伏降压站施工部位:地下室墙砼强度等级:C30S6 配合比编号:B306046砼设计坍落度:180 ±20mm 浇注方式:泵送供应数量:300.00 立方米供应时间:2005-10-01 08:00:00负责人: 审核: 填表人:生产单位:(签章)2005年09月30日混凝土出厂合格证订货单位:太供送变电工程公司编号:7134工程名称:110 千伏降压站施工部位:梁板砼强度等级:C30 早强配合比编号:B307134砼设计坍落度:160 ±30mm 浇注方式:泵送供应数量:670.00 立方米供应时间:2005-10-30 08:00:00负责人: 审核: 填表人:生产单位:(签章)2005年10月29日混凝土出厂合格证订货单位:太供送变电工程公司编号:7530工程名称:110 千伏降压站施工部位:首层柱砼强度等级:C30 早强配合比编号:B307530砼设计坍落度:140 ±20mm 浇注方式:泵送供应数量:80.00 立方米供应时间:2005-11-08 08:00:00负责人: 审核: 填表人:生产单位:(签章)2005年11月08日混凝土出厂合格证订货单位:太供送变电工程公司编号:7872工程名称:110 千伏降压站施工部位:一层梁板砼强度等级:C30 早强配合比编号:B307872砼设计坍落度:160 ±30mm 浇注方式:泵送供应数量:400.00 立方米供应时间:2005-11-17 07:00:00负责人: 审核: 填表人:生产单位:(签章)2005年11月16日预拌砼出厂质量合格证按标准差已知法评定订货单位:太供送变电工程公司配合比编号:B307872工程名称:太钢110KV降压站供应数量:浇注部位:一层梁板供应日期:2005年11月17日强度等级:C30早强至 2005年12月07日试验汇总表负责人: 审核: 填表人:2006年01月07日预拌砼出厂质量合格证按标准差已知法评定订货单位:太供送变电工程公司配合比编号:B308259工程名称:太钢110KV降压站供应数量:浇注部位:侧墙顶板供应日期:2005年12月01日强度等级:C30S6 至 2005年12月13日试验汇总表负责人: 审核: 填表人:2006年01月16日混凝土出厂合格证订货单位:太供送变电工程公司编号:9265工程名称:110 千伏降压站施工部位:渗油井水池砼强度等级:C20S6(-20) 配合比编号:B209265砼设计坍落度:120 ±30mm 浇注方式:自卸供应数量:25.00 立方米供应时间:2005-12-30 18:00:00负责人: 审核: 填表人:生产单位:(签章)2005年12月30日预拌砼出厂质量合格证按标准差已知法评定订货单位:太供送变电工程公司配合比编号:B259364工程名称:太钢110KV降压站供应数量:浇注部位:水池供应日期:2006年01月07日强度等级:C25S6防冻(-20℃) 至 2006年01月07日试验汇总表负责人: 审核: 填表人:2006年02月11日混凝土出厂合格证订货单位:太供送变电工程公司编号:9364工程名称:110 千伏降压站施工部位:水池砼强度等级:C25S6防冻(-20℃) 配合比编号:B259364砼设计坍落度:120 ±20mm 浇注方式:自卸供应数量:9.00 立方米供应时间:2006-01-07 09:00:00负责人: 审核: 填表人:生产单位:(签章)2006年01月07日混凝土出厂合格证订货单位:太供送变电工程公司编号:10N工程名称:110 千伏降压站施工部位:避雷针基础砼强度等级:C20 配合比编号:A2010N砼设计坍落度:140 ±20mm 浇注方式:自卸供应数量:18.00 立方米供应时间:2006-05-12 09:00:00负责人: 审核: 填表人:生产单位:(签章)2006年05月12日。
商品混凝土出厂合格证
合同编号:LS2019-02503 任务单编号: 2019-24620
工程名称:高新热电区域清洁能源替代工程
管网7标段
委托单位: 河北金鼎建筑工程有限责任公司
使用部位:阀门井计划数量:25 m3
混凝土前度等级(标号): C30P6 供应日期:2019-10-15
使用原材料情况:
材料名称水泥砂子石1 石2 外加剂外加剂粉煤灰矿粉
品种与规格P.042.5 中砂碎石5-25mm /
RCMG-5H聚羧
酸高性能缓凝
减水剂
Ⅱ级
粉煤灰
矿粉
报告编号2019-C000562019-S00029 2019-G00043 / 2019-00039 2019-F00039 混凝土标养试验结果:
制模日期试件编号抗压强度
(Mpa)
任务单编号
达到设计等级
(%)
抗折强度
(%)
抗渗等级
待28天到期后待报
以下内容空白
生产单位(盖章)技术负责人:填表人:日期:2019-10-15
预拌混凝土运输交接记录
C5-04 共页第页
混凝土开盘鉴定
C5-05 共页第页。
预拌(商品)混凝土出厂合格证合格证编号:某某某生产厂家某某某有限责任公司使用单位某某某建筑工程公司拟浇筑部位主体1层梁板工程名称某某某工程某某楼出厂日期某年某月某日合同编号某某混凝土标记C30 供货量(m3) 59 配合比编号某某特制品说明无执行标准GB/T14902-2012原材料及配合比材料名称水泥细骨料粗骨料水掺合料、纤维外加剂备注粉煤灰原材料一经检验、试配后采用,不得擅自更换或添加新材料,不得随意调整原材料用量。
厂名、品牌某品种规格、级别材质报告编号复验报告编号试配材料用量实际材料用量计量偏差配合比调整依据检验情况性能项目抗压强度(MPa) 耐久性能、抗折强度其他性能指标早期强度28天强度坍落度mm某某设计要求-- C30检验结果某月某日某月某日质量评定暂定合格备注1、同品种、同强度等级预拌(商品)混凝土,应在第一车混凝土运抵施工现场时,将出厂合格证同时提供给需方使用单位。
合格证一式四份,生产厂家留存一份,向使用单位提交三份。
2、“混凝土标记”示例:X-X-X-CXX-XXX(X)-XX(X)-GB/T14902。
混凝土标记顺序:第一个字母为A 或B,常规品用A表示,特制品用B表示;接着标注特制品类别(常规品不标注),高强混凝土为H,自密实混凝土为S,纤维混凝土为F,轻骨料混凝土为L,重混凝土为W;字母C表示混凝土强度等级(但钢纤维混凝土为CF,轻骨料混凝土为LC),紧邻其后为强度等级值;接着标注坍落度控制目标值,后附坍落度等级代号(S1~S5)在括号中。
自密实混凝土应采用扩展度控制目标值,后附扩展度等级代号(F1~F6)在括号中;接着标注耐久性能等级代号【包括:①抗冻性能(快冻法:F50~F400,>F400;慢冻法:D50~D200,>D200)、②抗水渗透性能(P4~P12,>P12)、③抗硫酸盐侵蚀性能(KS30~KS150,>KS150)、④抗氯离子渗透性能(RCM法:RCM-Ⅰ~RCM-Ⅴ;电通量法:Q-Ⅰ~Q-Ⅴ)、⑤抗碳化性能(TⅠ~TⅤ)】。
商品混凝土出厂合格证混凝土作为建筑施工中最重要的材料之一,其质量对建筑物的安全性、稳定性有着非常重要的影响。
为了确保混凝土的质量,国家制定了一系列的混凝土标准,对于混凝土的生产、加工、运输、贮存、使用等环节进行了严格的规定,并对混凝土的质量进行了严格的把控。
混凝土出厂合格证的作用混凝土出厂合格证是对混凝土进行全过程监督和抽样检验后所颁发的一种合格证明文件。
它具有以下几个重要的作用:1. 保证混凝土的质量混凝土出厂合格证是对混凝土质量的监督和认证,证明混凝土符合国家标准和工程施工要求。
在建筑施工中,施工方在选用混凝土材料时,必须要求供货商提供出厂合格证,以保证建筑物的结构安全和稳定性。
2. 方便后期检查和维护混凝土出厂合格证是施工质量验收中的一个重要依据,有了合格证明文件,建设单位可以方便地进行现场查验和比对,判定混凝土是否符合规范要求。
同时也可以方便后期的维护和检测工作,确保建筑物的安全。
3. 便于建设单位保证工程质量建筑工程的质量保证是保障建筑物结构的安全、耐久及功能性的重要保障。
有了混凝土出厂合格证,建设单位可以对施工质量和混凝土材料的质量进行严格把控,保证工程质量。
混凝土出厂合格证的内容混凝土出厂合格证的内容包括以下几个方面:1. 混凝土的规格和名称包括混凝土的配合比、强度等级、使用部位等信息。
2. 生产和监造单位的基本情况包括生产单位(或供应商)的名称、地址、联系方式等信息,监造单位(或第三方检验评定机构)的名称、地址、联系方式等信息,以及检验人员的姓名、职称等信息。
3. 抽检、检验及合格情况包括混凝土的抽样情况、检验项目、检验结果等信息,以及合格证号、出厂日期等信息。
4. 签章合格证需要由生产单位、监造单位和第三方检验机构的相关负责人签章,以便追溯。
混凝土出厂合格证的使用混凝土出厂合格证是建筑施工中不可或缺的重要认证文件,其在施工中的使用要求如下:1. 与混凝土的配送单一起交给工地管理员混凝土出厂合格证应当与混凝土配送单一起交给工地管理员,以便于及时的查验和管理。
预拌混凝土出厂质量证明书编号:________________工程名称:________________施工单位:________________使用部位:________________混凝土强度等级及技术要求:________________供应数量(m):________________供应时间:________________一、原材料质量情况1. 水泥:生产厂家________________。
2. 砂:产地________________。
3. 石子:产地________________。
4. 外加剂:品种________________。
二、混凝土配合比根据设计要求及原材料情况,确定以下混凝土配合比:水泥:砂:石子:水:外加剂 ________________ 三、混凝土拌合物性能出厂时混凝土拌合物性能如下:坍落度(mm):________________含气量():________________泌水率():________________四、混凝土出厂检验情况根据国家标准及企业内控标准,对出厂混凝土进行了如下检验:抗压强度(MPa):________________抗折强度(MPa):________________(如有需要)其他指标:________________五、结论本批预拌混凝土原材料质量合格,配合比设计合理,混凝土拌合物性能符合设计要求,出厂检验合格,准予出厂。
六、备注________________生产厂家(盖章):________________日期:________________注:本证明书一式三份,分别由生产厂家、施工单位和监理单位保存。
预拌混凝土出厂质量证明书(1)编号:________________工程名称:________________施工单位:________________使用部位:________________混凝土强度等级:________________一、原材料情况1. 水泥:生产厂家________________。