双层石膏板吊顶
- 格式:docx
- 大小:2.25 MB
- 文档页数:3
一、施工用材及机具、作业条件1施工用材;主龙骨、次龙骨、吊件、挂件、接插件、纸面石膏板、自攻螺钉、专用补缝膏、专用补缝带2施工机具冲击电锤、手枪电钻、切割机、板锯、安全多用刀、腻子刀、铁抹子。
3作业条件主体结构完工,并通过验收。
吊顶内隐蔽的各种管线及通风管道均已安装完毕;天棚造型、周边窗帘盒等基本安装完毕;搭好吊顶施工用操作平台;作好现场劳动力的技术安全交底,以及各工种之间的配合协调交底。
二、工艺原理轻钢龙骨双层纸面石膏板吊顶施工工艺原理是通过自攻螺钉将两层纸面石膏板都与轻钢龙骨连接,使双层纸面石膏板形成一个整体,增强天棚抗裂性及防潮性能。
三、工艺流程抄平、放线→排板、分格→(吊顶造型等安装)→安装周边龙骨→吊筋安装→安装主龙骨→拉线粗平→安装次龙骨、横撑龙骨→拉线精平→(吊顶隐蔽验收全部完成后)安装第一层纸面石膏板→补板缝→安装面层纸面石膏板→(开灯孔等)→点防锈漆、补缝、粘贴专用纸带。
四、施工技术要点及注意事项1抄平、放线根据现场提供的标高控制点,按施工图纸各区域的标高,首先在墙面、柱面上弹出标高控制线,一般按±以上1.40m左右为宜,抄平最好采用水平仪等仪器,在水平仪抄出大多数点后,其余位置可采用水管抄标高。
要求水平线、标高一致、准确。
2排版、分线根据实际测到的各房间尺寸,按市场采购的板材情况,进行各房间的纸面石膏板排板(包括龙骨排板布置),绘制排板平面图,尽量保证板材少切割、龙骨易于安装。
然后依据实际排板情况,在楼板底弹出主龙骨位置线,便于吊筋安装,保证龙骨安装成直线、吊筋安装垂直。
注意事项:3龙骨排板布置应充分考虑天棚造型、灯具安装、空调孔等位置,主龙骨应尽量错开这些位置。
4二层板安装时,其长边所形成的接缝应与第一层板的长边缝错开,至少错开300mm。
其短边所形成的板缝,也要与第一层板的短边错开,相互错开的的距离至少是相邻两根次龙骨的中距。
5、大型灯盘、孔洞等周边,应重点考虑龙骨排板布置加固。
轻钢龙骨双层纸面石膏板吊顶施工要点浅析摘要:在现代建筑中,吊顶是一个非常重要的环节。
两层石膏板轻钢龙骨吊顶拥有重量轻、抗震性能好等特点,采用两层石膏板,以轻钢龙骨为基础,增加了龙骨的间隔。
对双层石膏板进行加固,使两层石膏板的弹性模量保持一致,从而保证了两层石膏板的变形极少,使施工质量得以保障。
在室内装修中,吊顶装饰是一个非常关键的环节,轻钢龙骨石膏板吊顶因其施工简便、效果好、造价低廉而被广泛采用。
关键词:双层纸面;石膏板吊顶;施工要点引言:轻钢龙骨石膏板是一种具有轻质、防尘、防震、隔音、吸声的新型建筑装饰材料。
在工厂装修工程中,轻钢龙骨纸板的施工质量主要是因为轻钢龙骨骨架不均匀,局部节点结构不合理,骨架悬挂不稳,导致局部不均匀,板缝不均匀,导致装修工程不能顺利地通过。
要求建筑单位加强对轻钢龙骨纸面石膏板的工艺管理,通过对其质量问题的分析,采取相应的质量管理措施,确保工程质量。
1轻钢龙骨石膏板工艺要点1.1施工准备纸面石膏板轻钢龙骨吊顶是由热浸锌、主龙骨、次龙骨、交叉支撑次龙骨、横梁、横梁等构成。
吊顶部件的质量对吊顶的安全、稳定有很大的影响。
纸面石膏板的质量对顶棚组装质量和接触面的视觉质量有很大的影响。
所以,在使用吊顶材料时,建筑方要加强对其质量的检验与验收,以保证轻钢结构的强度、刚度和抗腐蚀能力。
石膏板因其特殊的材质特点,在制造、运输中易发生破损、受潮,造成石膏板表面不完整、缺角、腐蚀等现象。
在进入现场检查时,必须持续减少石膏板的缺损区域。
1.2弹测吊顶控制线为确保石膏板高度均匀,不会因为安装高度的不同而影响吊顶安装的品质,在安装吊顶之前,应将吊顶安装设计在12毫米,计算吊顶安装高度,用粉笔沿墙柱弹出石膏板安装标高线,也就是吊顶次龙骨安装控制线。
同时,吊顶的安装必须离墙立柱30厘米,吊杆的定位点要每平方米松开一次。
1.3安装吊杆在吊杆位置测量完毕,确认安全后,才能进行吊杆的安装。
展厅、电梯厅等公用部位,吊杆长度为1200毫米,使用10毫米热镀锌钢管。
吊顶是现在客厅装修中最普遍的装饰方式,石膏板是客厅吊顶最为常见的材料,但本身石膏具有吸水性很容易受潮导致发霉,后期维护和修补比较麻烦,所以说现在很多厂家都推出了双层石膏板吊顶,那么双层石膏板是否真的可以起到防潮的作用呢?下面就跟小编来一探究竟。
一、什么是双层石膏板吊顶
双层石膏板吊顶从字面上可以理解为二级顶,主要是为了使吊顶更加牢固,增加防潮性,而且有些吊顶不全是用轻钢龙骨,会额外用木龙骨做造型,木龙骨容易受潮膨胀导致吊顶开裂,也会采用双层石膏板。
二、双层石膏板吊顶防水原理
双层石膏板吊顶采用了双层的石膏板结构,所以当水汽进入吊顶顶部时,会被上一层的石膏板吸收,能够很好的防止水汽扩散,使得第二层石膏板不会受潮,确实是觉有一定的防潮效果。
三、双层石膏板吊顶材料
双层石膏板吊顶也是采用石膏作为材料,当然石膏要达到比较好的防水效果也会在石膏芯材里加入定量的防水剂从而达到防水的目的,这就是市面上常见的防水石膏板。
比较好的友邦吊顶还有在石膏中加入玻璃纤维制成的石膏吊顶,质量更好,阻燃、防水和强度都更高,是作为优质石膏吊顶的不二之选。
而且友邦第三代客厅吊顶还是集成吊顶,实用性也更强。
四、总结
经过简单的介绍,相信大家对双层石膏板吊顶一定有所了解了。
事实上双层石膏板吊顶确实是比单层的石膏板吊顶要防潮一点,当然这是在材料相同的情况下得出的结论。
想要防潮更好就要选择材料更好的石膏做为吊顶材料,会更省心一些。
双层石膏板吊顶的施工工艺
双层石膏板吊顶施工工艺主要包括以下步骤:
1. 布线:根据设计要求,在天花板上标注出石膏板吊顶的边缘线、主龙骨线和副龙骨线等,用钢丝或尼龙线进行布线。
2. 石膏板切割:根据布线要求,在石膏板上标出割线,使用石膏板刀或电动工具进行切割,以得到适合尺寸的石膏板。
3. 主龙骨安装:按照布线的主龙骨线,使用开口吊顶龙骨扣件或其他固定方式将主龙骨固定在天花板上,确保主龙骨平直、垂直并牢固。
4. 副龙骨安装:按照布线的副龙骨线,使用吊顶龙骨扣件或其他固定方式将副龙骨固定在主龙骨上,确保副龙骨平行且间距均匀。
5. 吊顶防火、隔音处理:根据需要,可以在吊顶内填充防火材料或隔音材料,增加吊顶的防火性能和隔音效果。
6. 石膏板安装:将切割好的石膏板按照规格和布线要求,使用木螺钉或其他固定件固定在主、副龙骨上,注意保持石膏板之间的间隙和接缝处的平整。
7. 打磨、修补:用砂纸或石膏板专用打磨工具对石膏板表面进行打磨,使其平
滑整齐。
修补石膏板表面的缺陷和瑕疵,涂上石膏粉修补膏进行修复。
8. 扳线、开孔:按照设计要求,在石膏板上标注扳线和开孔位置,使用电动工具开出扳线孔和其它孔洞,以便后续的电线、水管等安装。
9. 涂装:根据需要,对石膏板吊顶进行上层面涂装,可以选择油漆、墙纸等装饰材料进行粉刷、贴墙纸等装饰处理。
10. 清洁、验收:清理施工现场,将施工垃圾、灰尘等清除干净,进行吊顶验收和质量检查,确保施工质量符合要求。
以上所述仅为一般的双层石膏板吊顶施工工艺步骤,具体施工工艺会根据吊顶的设计要求、环境条件等进行调整和补充。
建议在施工前咨询专业施工队或相关技术人员,以确保施工质量和安全。
吊顶双层石膏板施工工艺
吊顶双层石膏板施工工艺是一种在室内进行的居住空间装修方法,旨在提高房间的美观度和舒适度。
该工艺主要包括以下步骤: 1. 准备工作:根据房间的实际情况,量取吊顶的尺寸,并制定施工方案。
准备所需的材料和工具,包括石膏板、木龙骨、膨胀螺栓、吊钩、木梯、电钻等。
2. 安装木龙骨:将木龙骨按照预定的位置和间隔安装在原有天花板上,使用膨胀螺栓和吊钩固定。
3. 安装第一层石膏板:将第一层石膏板根据木龙骨的位置和大小进行切割,用螺丝固定在木龙骨上。
4. 安装隔音材料:在第一层石膏板上铺设隔音材料,如玻璃棉或岩棉。
5. 安装第二层石膏板:将第二层石膏板根据需要的大小进行切割,用螺丝固定在木龙骨上,与第一层石膏板错开安装。
6. 破损处理:对于石膏板的破损和缝隙进行处理,使用石膏粉和滑石粉进行填充和抹平。
7. 涂装处理:对于石膏板进行涂装处理,如喷涂或刷涂墙面漆或乳胶漆。
8. 成品验收:对于吊顶的效果进行验收,如检查石膏板的平整度、密实度和观感效果等。
总之,吊顶双层石膏板施工工艺是一种比较复杂的装修方法,需要严格按照施工方案和操作规程进行施工,以保证装修效果和施工安
全。
轻钢龙骨双层纸面石膏板吊顶施工工法1.特点和单层纸面石膏板吊顶相比较,其优点体现在以下方面:1.1. 顶的整体性加强,抗裂性增加1.1.1.接受双层纸面石膏板,吊顶轻钢龙骨基层架结构性能增加(龙骨间距较小),双层纸面石膏板固定后,石膏板之间的弹性模量一样,从而保证面层纸面石膏板变形微小,吊顶不易出现开裂,解决了带拟订工程中经常出现的开裂现象。
1.2. 防潮性、耐久性增加1.2.1.接受双层纸面石膏板,首先做好第一层纸面石膏板的板缝处理,封闭第一层纸面石膏板防止潮气进入面层纸面石膏板,从而有效的预防纸面石膏板由于潮气侵蚀产生变形,另外天棚整体性加强,结构性能优于单层吊顶,保证吊顶长期运用不变形、开裂等。
1.3. 防火、隔声效果好1.3.1.纸面石膏板自身具有确定的防火性能,接受双层后防火性能加强,吊顶的隔声效果增加。
2.适用范围2.1. 该吊顶适用于潮湿地区及温差变更较大的地区,以及防火性能要求较高或吊顶较高,不便于修理的部位。
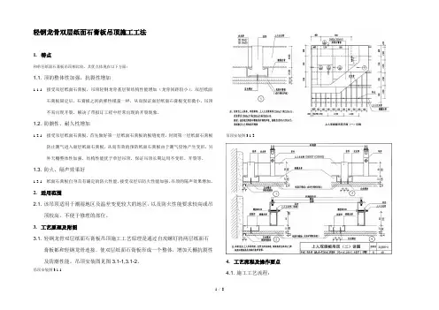
3.工艺原理及附图3.1. 轻钢龙骨双层纸面石膏板吊顶施工工艺原理是通过自攻螺钉将两层纸面石膏板都和轻钢龙骨连接,使双层纸面石膏板形成一个整体,增加天棚抗裂性及防潮性能。
吊顶安装图见图3.1-1,3.1-2。
吊顶安装图3.1-1 吊顶安装图3.1-24.工艺流程及操作要点4.1. 施工工艺流程:抄平、放线→排板、分格→(吊顶造型等安装)→安装周边龙骨→吊筋安装→安装主龙骨→拉线粗平→安装次龙骨、横撑龙骨→拉线精平→(吊顶隐藏验收全部完成后)安装第一层纸面石膏板→补板缝→安装面层纸面石膏板→(开灯孔等)→点防锈漆、补缝、粘贴专用纸带。
4.2. 操作要点4.2.1.施工准备4.2.1.1. 施工前必需编制专项施工方案,组织技术人员和技工对图纸、相关规范、图集等进行有针对性的学习,驾驭各细部做法。
4.2.1.2. 建筑外围护结构安装完成后方可进行石膏板安装。
当外墙未完成及窗户未安装完毕前,不得进行石膏板安装施工。
双层石膏板吊顶工艺流程英文回答:The process of installing a double-layer gypsum board ceiling involves several steps. First, the ceiling grid is installed to provide a stable framework for the gypsum boards. This grid consists of metal tracks and cross tees that are secured to the ceiling joists or beams. The tracks are installed around the perimeter of the room, while the cross tees are placed between the tracks to create a grid pattern.Once the grid is in place, the first layer of gypsum boards is installed. These boards are cut to size andfitted into the grid, with the edges resting on the metal tracks and cross tees. The boards are secured to the grid using screws or nails. It is important to ensure that the boards are properly aligned and level to create a smooth and even surface.After the first layer of gypsum boards is installed, any necessary electrical or plumbing work can be carried out. This may involve running wires or pipes through the ceiling and making appropriate connections. It is important to plan and coordinate these installations before proceeding to the next step.Once the electrical and plumbing work is completed, the second layer of gypsum boards can be installed. This layer is typically thinner than the first layer and is used to provide a finished surface. The boards are cut to size and fitted into the grid, similar to the first layer. They are secured to the grid using screws or nails.After the second layer of gypsum boards is installed, the joints between the boards need to be finished. This involves applying joint compound to the joints and seams, and then smoothing and sanding the compound to create a seamless finish. This process may need to be repeated multiple times to achieve a smooth and professional-looking result.Finally, the ceiling can be painted or finished according to the desired aesthetic. This may involve applying primer and paint, or using other finishing techniques such as texture or wallpaper. The choice of finish will depend on the overall design and style of the room.中文回答:双层石膏板吊顶的安装过程包括几个步骤。
轻钢龙骨双层石膏板吊顶施工方案一、前期准备1.1 施工流程概述轻钢龙骨双层石膏板吊顶的施工流程主要包括以下几个步骤:1.初步测量和设计:确定吊顶的高度、面积、风格和数量,并进行初步定位,将设计效果图转化为实际工程图纸。
2.盘线安装:根据工程图纸和吊顶高度要求,在原有结构基础上安装盘线板,取得吊顶基准线。
3.龙骨安装:按照设计要求,在吊顶基准线处安装轻钢龙骨,并进行调整。
4.支吊架安装:根据设计要求及实际需要,安装支吊架,确保吊顶结构牢固、平整。
5.石膏板安装:在龙骨之间安装石膏板,并且保证板之间的间距均匀、四角平整。
6.整体细节处理:在安装完石膏板后进行拼缝处理、角线处理、洞口和预埋盒子处理。
7.精细的涂料处理,完成整个吊顶。
1.2 设计方案选择轻钢龙骨双层石膏板吊顶的设计风格繁多,根据具体的装修风格和居家场所的实际情况,选择合适的设计方案非常重要。
一般来讲,轻钢龙骨双层石膏板吊顶的设计方案包括以下几种风格:1.平顶风格:根据自家的家具风格,进行吊顶面板的选择,可以选择整齐、简洁、明亮、舒适等一系列风格。
2.阳台点缀风格:如果需要将阳台变得更加异彩纷呈,则可以选择更为艺术、轻盈或是卡通等更个性化的设计风格。
3.极简风格:当整个居室已经布置得十分精致的情况下,使用一个宽大、白质为主色的漏斗吊顶会让整个居室显得更为高贵、优雅、简单。
4.艺术风格:可以在轻钢龙骨双层石膏板吊顶的设计中加入艺术元素,比如说使用一些多壁式、镂空式、艺术牛皮纸等元素,使其变得更加精致。
1.3 工具材料准备在施工之前,必须要进行材料和工具的准备工作,以确保施工的高质量和高效率。
一般来讲,轻钢龙骨双层石膏板吊顶的施工所需的工具和材料有:1.主骨、副骨:包括U型吊块、五角扣、平台型支架等。
2.石膏板:高质量石膏板,片数越多,效果越好。
3.电动工具:如水平仪、尺子、固定工具等。
4.罚胶:用于粘接石膏板和龙骨之间。
5.凸缝剂、缝剂、美缝干粉、化妆板(工夹板等)等。
双层石膏板吊顶施工方案及工艺流程下载温馨提示:该文档是我店铺精心编制而成,希望大家下载以后,能够帮助大家解决实际的问题。
文档下载后可定制随意修改,请根据实际需要进行相应的调整和使用,谢谢!并且,本店铺为大家提供各种各样类型的实用资料,如教育随笔、日记赏析、句子摘抄、古诗大全、经典美文、话题作文、工作总结、词语解析、文案摘录、其他资料等等,如想了解不同资料格式和写法,敬请关注!Download tips: This document is carefully compiled by the editor. I hope that after you download them, they can help yousolve practical problems. The document can be customized and modified after downloading, please adjust and use it according to actual needs, thank you!In addition, our shop provides you with various types of practical materials, such as educational essays, diary appreciation, sentence excerpts, ancient poems, classic articles, topic composition, work summary, word parsing, copy excerpts,other materials and so on, want to know different data formats and writing methods, please pay attention!双层石膏板吊顶施工是一种常见的装修方式,它可以提高室内空间的层次感,增加美观性。
双层石膏板吊顶施工工艺
双层石膏板吊顶施工工艺主要分为准备、加固、安装和检查四个
步骤。
1、准备工序:首先对施工现场进行清理,将无用的杂物处理掉,并准
备好钢筋网、水泥砂浆,二者各一吨,然后用2.5mm厚的钢板砌筑支架,保证支架的重量和强度;
2、加固工序:将墙面和支架涂以半稠及混凝土,用金属钉将墙与支架
固定,以此加固双层石膏板的位置,使石膏板能够牢固的贴吸在墙面上;
3、安装工序:之后将石膏板放在支架上,配合金属角和水泥砂浆固定,然后用专业锤子将石膏板击打成指定尺寸和形状,最后用滚涂机在石
膏板中间夹套喷涂防火涂料后进行完成;
4、检查工序:安装完毕后,应当进行检查,以保证施工质量,看其表
面是否光滑,の检查有无空鼓等缺陷,如有瑕疵的部分则要及时修补。
双层石膏板吊顶工艺流程英文回答:The process of installing a double-layer gypsum board ceiling involves several steps. First, the ceiling grid is installed, which consists of metal tracks and cross tees. These are secured to the ceiling joists or the existing ceiling using screws or nails. The grid is laid out in a pattern that matches the desired ceiling design.Next, the first layer of gypsum board is installed. This layer is attached to the ceiling grid using screws or nails. The boards are cut to size and fitted tightly together to create a smooth and even surface. Any gaps or seams between the boards are filled with joint compound and sanded down to create a seamless finish.Once the first layer is complete, the second layer of gypsum board is installed. This layer is attached directly to the first layer using screws or nails. The boards areagain cut to size and fitted tightly together. The joints between the boards on the second layer are staggered to minimize the appearance of seams.After both layers are installed, the entire ceiling is covered with joint compound. This compound is applied to the seams and screw or nail holes to create a smooth and seamless surface. The compound is then sanded down to create a smooth finish.Finally, the ceiling is ready for painting or other finishing touches. The surface can be primed and painted to match the desired color scheme, or other decorativefinishes can be applied.中文回答:双层石膏板吊顶的安装工艺包括几个步骤。
复杂环境下双层纸面石膏板快速吊顶施工工法复杂环境下双层纸面石膏板快速吊顶施工工法一、前言复杂环境下的吊顶施工一直是建筑施工中的一大难题。
传统的吊顶施工工法需要较长的施工周期和大量的劳动力,效率低下且容易出现质量问题。
为了解决这一问题,双层纸面石膏板快速吊顶施工工法应运而生。
本文将介绍该工法的特点、适应范围、工艺原理、施工工艺、劳动组织、机具设备、质量控制、安全措施、经济技术分析以及工程实例。
二、工法特点双层纸面石膏板快速吊顶施工工法具有以下几个特点:1. 快速高效:该工法采用了先进的设备和技术,能够在短时间内完成吊顶的施工,大大提高了工程进度。
2.环保节能:该工法使用的纸面石膏板材料符合环保标准,施工过程中无需使用任何有害物质,有效保护环境。
3. 高质量:双层纸面石膏板结构具有较高的强度和稳定性,能够满足复杂环境下的吊顶要求,并且具有较好的隔热和隔音效果。
4. 灵活多变:该工法可以根据实际工程要求进行各种形式的吊顶设计,满足不同的装修需求。
三、适应范围双层纸面石膏板快速吊顶施工工法适用于各种建筑类型和环境,特别适用于要求施工速度快、质量高、环保节能的商业、办公、酒店等场所。
四、工艺原理双层纸面石膏板快速吊顶施工工法的工艺原理是通过采用双层纸面石膏板结构和特殊的吊顶支撑系统,实现吊顶的快速施工和高质量完成。
具体的工艺原理如下:1.施工工法与实际工程联系:该工法的设计与实际工程要求相结合,通过对施工工艺和材料的研究,确保施工过程和施工结果与实际工程相一致。
2. 采取的技术措施:在施工过程中,采取了一系列的技术措施,如使用专用的吊顶支撑系统、精确的尺寸控制、专业的施工工艺等,以保证吊顶施工的质量和效果。
五、施工工艺双层纸面石膏板快速吊顶施工工法主要包括以下几个施工阶段:1. 确定吊顶设计方案:根据实际工程要求,确定吊顶的形式和规格,并进行详细的设计和计算。
2.准备施工材料和机具设备:根据吊顶设计方案,准备好所需的双层纸面石膏板、支撑系统、悬挂件等施工材料,同时准备好所需的施工机具设备。
双层吊顶工艺流程
双层吊顶工艺流程:
①抄平、放线:根据现场提供的标高控制点,按施工图纸各区域的标高,在墙面、柱面上弹出标高控制线。
②排版、分格:规划好石膏板的布局,考虑到天棚造型、灯具安装、空调孔等位置,以优化材料使用和视觉效果。
③龙骨布置:考虑天棚设计要求,合理规划主、次龙骨的位置,确保承载力和美观。
④安装周边龙骨:首先安装墙体周边的龙骨,作为整个吊顶的边界。
⑤吊筋安装:根据设计高度和承重要求,安装吊筋连接屋顶承重结构与龙骨系统。
⑥安装主龙骨:按照预定的间距和水平线,安装主龙骨,这是整个吊顶系统的支撑骨架。
⑦拉线粗平:使用水平线确保主龙骨的水平度,进行初次调整。
⑧安装次龙骨、横撑龙骨:在主龙骨之间安装次龙骨和横撑龙骨,增强结构稳定性和承载力。
⑨拉线精平:再次使用水平线精确调整所有龙骨的水平度,确保平整。
⑩安装第一层纸面石膏板:使用螺钉固定安装法或粘结安装法,安装第一层石膏板,注意板缝错开。
⑪补板缝:使用专用腻子填充第一层石膏板之间的缝隙,为第二层做准备。
⑫安装面层纸面石膏板:在第一层石膏板的基础上,安装第二层面层石膏板,同样注意板缝错开。
⑬开灯孔等:根据灯具和空调孔等设计要求,在合适位置开设孔洞。
⑭点防锈漆、补缝、粘贴专用纸带:处理钉眼和板缝,防止生锈,增强密封性和美观度。
⑮打磨、批灰、油漆:完成所有安装后,对整个吊顶进行打磨、批灰和最后的油漆或装饰处理。
石膏板吊顶施工方案一施工准备(一) 材料准备1. 轻钢骨架采用U型龙骨;配件有吊挂件,连接件,接插件。
2. 零配件:有吊杆.化学螺栓。
射钉。
自攻螺钉.3. 其材料品种.规格。
质量应符合设计要求。
(二)机具准备主要机具包括:电锯,无齿锯,射钉枪,手锯,手刨子,钳子,螺丝刀,扳子,方尺,钢尺,钢水平尺等。
(三)作业条件1. 安装完顶棚内的各种管线及通风道,确定好灯位,通风口及各种露明孔口位置.2。
各种材料全部配套备齐.3. 顶棚罩面板安装前应做完墙,地湿作业工程项目。
4。
搭好顶棚施工操作平台架子。
5。
轻钢骨架顶棚在大面积施工前,应做样板间,对顶棚的起拱度,灯槽,通风口的构造处理,分块及固定方法等应经试装并经鉴定认可后方可大面积施工。
二工艺流程测量定位放线→吊件加工与固定→安装主龙骨→安装次龙骨→吊顶龙骨检验→安装石膏板→板缝处理→刷乳胶漆操作工艺(1)、测量定位放线,确定吊顶标高根据设计图纸要求,按楼层+50线在墙、柱面上弹出吊顶面板的水平控制标高线.弹出吊顶主龙骨和次龙骨控制线,主龙骨间距1100mm,副龙骨间距300*600,确定龙骨及吊点位置。
(2)、安装吊杆和挂件由于吊筋长度超过1500 mm,需采用30*30*3热镀锌角钢反支撑,反支撑下部增设Φ8吊筋,端头螺纹部分不小于30 mm以便于调整,所有焊接处应补刷防锈漆。
吊杆间距为1100 mm。
转换层钢角码与楼板使用M10镀锌膨胀螺栓固定牢固。
(3)、安装主龙骨主龙骨采用根据设计要求采用U型50系列轻钢主龙骨,主龙骨用吊挂件与吊杆双螺帽连接,主龙骨间距1100mm,离墙边第一根主龙骨距离墙面不超过200㎜。
相邻的主龙骨对接接头要错开避免主龙骨向边倾斜。
主龙骨悬挑不得大于300mm。
安装主龙骨时控制好起拱高度,起拱高度为房间短向跨度1/200.主龙骨挂好后应调平。
检查评定合格后进行下道工序施工.(4)、安装次龙骨次龙骨为U50轻钢副龙骨,龙骨间距300*600mm,使用插接件进行连接。
轻钢龙骨双层石膏板吊顶施工工艺技术要点及注意事项一、施工用材及机具、作业条件1、施工用材;主龙骨、次龙骨、吊件、挂件、接插件、纸面石膏板、自攻螺钉、专用补缝膏、专用补缝带2、施工机具冲击电锤、手枪电钻、切割机、板锯、安全多用刀、腻子刀、铁抹子。
3、作业条件➢主体结构完工,并通过验收。
➢吊顶内隐蔽的各种管线及通风管道均已安装完毕;➢天棚造型、周边窗帘盒等基本安装完毕;➢搭好吊顶施工用操作平台;➢作好现场劳动力的技术安全交底,以及各工种之间的配合协调交底。
二、工艺原理轻钢龙骨双层纸面石膏板吊顶施工工艺原理是通过自攻螺钉将两层纸面石膏板都与轻钢龙骨连接,使双层纸面石膏板形成一个整体,增强天棚抗裂性及防潮性能。
1、工艺流程抄平、放线→排板、分格→(吊顶造型等安装)→安装周边龙骨→吊筋安装→安装主龙骨→拉线粗平→安装次龙骨、横撑龙骨→拉线精平→(吊顶隐蔽验收全部完成后)安装第一层纸面石膏板→补板缝→安装面层纸面石膏板→(开灯孔等)→点防锈漆、补缝、粘贴专用纸带。
2、施工技术要点及注意事项①抄平、放线根据现场提供的标高控制点,按施工图纸各区域的标高,首先在墙面、柱面上弹出标高控制线,一般按±0.000以上1.40m左右为宜,抄平最好采用水平仪等仪器,在水平仪抄出大多数点后,其余位置可采用水管抄标高。
要求水平线、标高一致、准确。
②排版、分线根据实际测到的各房间尺寸,按市场采购的板材情况,进行各房间的纸面石膏板排板(包括龙骨排板布置),绘制排板平面图,尽量保证板材少切割、龙骨易于安装。
然后依据实际排板情况,在楼板底弹出主龙骨位置线,便于吊筋安装,保证龙骨安装成直线、吊筋安装垂直。
注意事项:③龙骨排板布置应充分考虑天棚造型、灯具安装、空调孔等位置,主龙骨应尽量错开这些位置。
④二层板安装时,其长边所形成的接缝应与第一层板的长边缝错开,至少错开300mm。
其短边所形成的板缝,也要与第一层板的短边错开,相互错开的的距离至少是相邻两根次龙骨的中距。
双层石膏板吊顶施工工艺是什么导读:本文介绍在房屋装修,装修方挑选的一些知识事项,如果觉得很不错,欢迎点评和分享。
双层石膏板主要用在湿度较大的区域,例如海景房和湖景房等有较高防水要求的吊顶和墙体,是一种比较好而且具有广泛用途的板材。
下面为大家介绍一下双层石膏板吊顶的施工工艺等知识。
双层石膏板吊顶施工的注意事项:1、抄平、放线按施工图纸各区域的标高,一般按±0.000以上1.40m左右为宜,好采用水平仪,抄出大多数点后,其余位置可采用水管抄标高。
要求水平线、标高一致、准确。
2、排版、分线根据测到的尺寸,采购的板材情况,进行纸面石膏板排板,绘制排板平面图,板材尽量少切割、龙骨易于安装。
3、龙骨排板布置应考虑天棚造型、灯具安装、空调孔等位置。
4、二层板安装时,其长边所形成的接缝应与第一层板的长边缝错开。
短边形成的板缝,也要与第一层板的短边错开,相互错开的的距离至少是相邻两根次龙骨的中距。
5、大型灯盘、孔洞等周边。
根据抄出的标高控制线以及图纸标高要求,在四周墙体、柱体上铺钉边龙骨,以便控制天棚龙骨安装,边龙骨安装要求牢固、顺直、标高位置准确,安装完毕后应复核标高位置是否正确。
7、吊筋安装上人吊顶吊筋采用ф10吊筋,非上人吊顶采用ф8吊筋,吊筋间距控制在1200mm以内,吊筋下端套丝(100mm≥L50mm 为宜),吊筋焊接一般采用双面间焊,搭接长度≥8d。
吊筋与楼板底连接可采用预埋铁件、后埋铁件形式,一般现场采用角码(L40*40*4角钢L=30mm),角码采用M8*80镀锌钢膨胀与楼板连接,吊筋与角码采用双面满焊连接。
铁件及焊点均应进行防锈处理(刷防锈漆三遍)。
注意事项:①、吊筋应按现场实际测量的尺寸进行下料,盘圆钢筋应进行拉直,吊筋制作要求平直。
安装时要求按已弹好的主龙骨位置线进行,要求安装垂直。
②、吊筋布置距周边墙边、柱边的距离要求:上人型吊顶不得大于100mm,不上人型吊顶不得大于300mm。