ZJ70D钻机高压管汇技术协议
- 格式:docx
- 大小:23.40 KB
- 文档页数:7
钻机泥浆净化系统技术协议甲方:胜利油田高原石油装备有限责任公司乙方:濮阳市中原锐实达石油有限公司技术协议甲方:胜利油田高原石油装备有限责任公司乙方:濮阳市中原锐实达石油设备有限公司双方就ZJ70DB钻机泥浆净化系统设计、生产、技术配套等有关事项进行了反复的讨论和协商,并达成如下技术协议:1、总体要求:1.1、泥浆净化系统设计制造依据“安全、可靠、先进、方便、经济〞的原则,优于国内同类产品,处于先进水平。
1.2、泥浆净化系统总体技术参数符合行业标准,满足沙特钻修井工业,满足阿美公司的相关要求。
1.3、总体设计符合QHSE的要求,充分体现以人为本的精神。
1.4、除指定进口设备外,配套部件选用国内先进可靠、成熟的产品。
1.5、所有罐达到零排放要求。
1.6、所有管道、阀门的布局合理,不能相互干涉,应考虑拆卸、维修空间并尽量均布。
1.7、泥浆灌上所有的橡胶件(气胎、海底阀胶皮、蝶阀、伸缩短节橡胶件等)采用合格的耐油、耐高温、抗老化产品。
1.8、泥浆罐完工后,首先应清除罐内、所有管道内的焊渣等杂质,再进行清水试验。
1.9、泥浆灌出厂前,必须进行清水试验及试运转,不刺、不漏、不进空气,每个罐零吸入效果良好,设备运转可靠。
1.10、所有海底阀应达到同心度高、密封可靠、强度刚度好、易于维修的要求。
1.11、泥浆罐底撬用300mmH型钢制作,泥浆罐强度满足整体拖装的要求,泥浆罐强度满足2.5g/cm3泥浆不变形。
1.12、所有泥浆灌、固井罐配上机械标尺,单位BBL。
为显示准确,液面浮子和标尺坠砣应有足够重量,足以消除钢丝绳重量和滑轮阻力。
1.13、吸入管线在每个罐的端部必须有蝶阀和伸缩短节(伸缩短节距离端部不少于300mm),可以总控本罐的吸入管线开断。
1.14、泥浆枪喷嘴直径最小φ20mm。
1.15、两个水罐用12”管线相连通用海底阀。
1.16、循环系统配梯子5个,分别在1#泥浆罐头、3#泥浆罐一个、1#工业水罐1个、工业柴油罐安装一个、固井罐一个;配翻转式栏杆一套,栏杆高度1.2m。
高压软管技术协议书范本甲方(需方):_____________________乙方(供方):_____________________鉴于甲方对高压软管的特定需求,乙方作为专业生产和供应高压软管的企业,双方本着平等互利、诚实信用的原则,就高压软管的采购及技术要求达成如下协议:第一条产品规格与技术要求1.1 高压软管应符合国家及行业标准,具体技术参数如下:- 工作压力:_____________________- 工作温度:_____________________- 材质:_____________________- 长度:_____________________- 接口类型:_____________________1.2 高压软管应具备良好的耐压性、耐油性、耐化学腐蚀性,并能承受相应的工作环境。
1.3 乙方需提供详细的产品说明书和质量保证书。
第二条质量保证2.1 乙方保证所提供的高压软管符合本协议第一条所述的技术要求。
2.2 高压软管在正常使用情况下,质保期为自交货之日起____年。
2.3 在质保期内,如因乙方产品质量问题导致的损坏,乙方负责免费更换或维修。
第三条交货与验收3.1 乙方应于合同签订后____天内完成交货。
3.2 甲方在收到货物后____天内完成验收,如有异议应在验收后____天内书面通知乙方。
3.3 验收标准以本协议第一条所述技术要求为准。
第四条价格与支付4.1 高压软管的单价为____元/米,总价为____元。
4.2 甲方应在合同签订后____天内支付____%的预付款。
4.3 余款在验收合格后____天内支付。
第五条违约责任5.1 如乙方未能按时交货,每逾期一天,应向甲方支付合同总价____%的违约金。
5.2 如甲方未能按时支付货款,每逾期一天,应向乙方支付未付款项____%的违约金。
第六条争议解决6.1 本协议在履行过程中如发生争议,双方应友好协商解决。
6.2 协商不成时,任何一方均可向乙方所在地人民法院提起诉讼。
高压软管技术协议书范本甲方(供应方):_____________________乙方(需求方):_____________________鉴于甲方为专业生产高压软管的厂家,乙方因业务需要向甲方采购高压软管,双方本着平等互利的原则,就高压软管的供应事宜达成如下技术协议:一、产品规格与技术要求1. 乙方所需高压软管的规格型号、尺寸、材质、工作压力等技术参数应符合附件《高压软管技术参数表》的要求。
2. 甲方应保证所提供的高压软管符合国家相关标准及行业规范,并提供相应的质量证明文件。
二、质量保证1. 甲方应对所供高压软管的质量负责,保证其在正常使用和维护条件下,使用寿命不少于____年。
2. 高压软管在交付乙方后,若出现质量问题,甲方应在接到乙方通知后____个工作日内给予免费维修或更换。
三、交货时间与地点1. 甲方应在合同签订后____天内完成生产,并在____天内将货物送至乙方指定地点。
2. 交货地点为:_____________________。
四、验收标准与方法1. 乙方应在收到货物后____天内完成验收,验收标准按照本协议及附件《高压软管技术参数表》执行。
2. 如验收不合格,乙方有权要求甲方在____天内进行整改或更换。
五、价格与支付方式1. 高压软管的单价为:__________元/米(含税),总价根据实际采购数量计算。
2. 付款方式:乙方在合同签订后预付____%的货款,余款在验收合格后____天内一次性付清。
六、违约责任1. 如甲方未能按时交货,每逾期一天,应向乙方支付合同总金额____%的违约金。
2. 如乙方未按期支付货款,每逾期一天,应向甲方支付逾期货款____%的违约金。
七、争议解决双方因履行本协议所发生的任何争议,应首先通过友好协商解决;协商不成时,任何一方均可向甲方所在地人民法院提起诉讼。
八、其他1. 本协议自双方签字盖章之日起生效,有效期至____年____月____日。
2. 本协议一式两份,甲乙双方各执一份,具有同等法律效力。
一、安全事项1.安全预防2.安全标记和警示3.注意事项①安全规定1)各岗位工作人员必须经过培训持证上岗;2)操作人员要懂设备的操作、保养和安全规程并明白相关的注意事项;3)操作人员要具备良好的身体状况,身体不适时,不得上岗。
②安全装置1)所有电器设备、照明器具及输电线路具备防火、防爆功能;2)保护装置要拧紧、完好、有效;3)正确使用安全装置:护栏、梯子等;4)不准随意拆卸安全装置。
③个人保护用品1)操作系统设备时必须佩带劳保;2)劳保产品的防护性能要达到防护要求。
二、固控系统说明1.固控系统简介ZJ70D 钻机固控系统配备有振动筛、真空除气器、钻井液清洁器等四级净化装置以及6 个钻井液罐、1 个冷却水罐、1 个组合补给罐、1 个泥浆冷却罐。
具有高架管路(从井口至振动筛),钻井泵抽吸管路、加重泵抽吸及排出管路、清水管路、中压钻井液泥浆枪管路、罐底连通管路等各种管汇。
系统还配有钻井液补给系统、加重漏斗、加重泵、除砂供液泵、除泥供液泵、补给泵、搅拌器等辅助设备。
另外,还配有走道、梯子、栏杆等安全防护装置。
本套固控系统能够保证泥浆的净化、循环、配制、加重和储备等工作顺利进行,还具备增强了钻井液净化系统的固相控制能力,能满足7000 m钻井工艺的要求。
2.固控系统组成与结构特点本套固控系统由6 个钻井液罐组成,总容积为380 立方米3。
固控系统配四级净化装置,配1 台三联振动筛、1 台真空除气器、1 台钻井液清洁器及砂泵、混合加重装置等。
本套固控系统的设计符合总体设计要求、钻机平面布置和标准的钻井液处理工艺流程,钻井液调配方便,拆装移运简便快捷。
整个固控系统具有以下结构特点:(1)具有比较先进的工艺流程(2)各种设备阀门操作简单方便3.系统技术参数及设备技术参数(1 )系统技术参数①总容积:380m 3;②总有效容积:300m 3;③泥浆罐数量:主罐6 个,组合补给罐④系统设计最大处理量为⑤钻井液配置能力为⑥适用钻井液密度1 个,冷却水罐1 个,泥浆冷却罐1 个;360 m 3/h ;400m 3/h ;<2.5 ×103㎏/m 3;0.6MPa ;⑦水管线额定工作压力:⑩装机总功率:620KW ;1○1各主要管线规格:井口溢流管DN300(12" )罐间泥浆槽连通管DN300(12" )罐间底连通管DN250(10" )钻井泵吸入管DN300(12" )泥浆枪管线连通管DN80(3") 清水管线连通胶管DN80(3")2 )系统主要配套设备性能参数(见表1)3)钻井液罐参数及设备布置①钻井液罐参数(见表2 )②钻井液罐设备布置(见平面布置图)设备性能参数表(表 1 )钻井液罐技术参数表(表 2 )4.固控系统原理与工艺流程1)原理:配制好的泥浆在钻井泵的作用下进入井底并携带钻屑返回地面,经过井口接管和分配器进入振动筛,经过振动筛、真空除气器、钻井液清洁器器,完成钻井液的四级净化。
大港ZJ70D钻机钻井液固相控制系统使用说明书华北石油管理局固控装备制造配套中心(华北石油太行钻头厂)二000年十月二十日目录一、性能及用途 (1)二、技术规范 (1)三、主要设备技术参数 (1)四、流程及功能 (6)五、安装 (7)六、操作使用维护保养 (9)附:1.流程图2.平面布置图一、性能及用途ZJ70D钻机泥浆固相控制系统配备有振动筛、除气器、除砂清洁器、除泥清洁器、离心机等五级净化设备和6个泥浆罐、2个药品罐。
具有高架管路(从井口至振动筛),吸入管路、灌注管路、加重管路、絮凝管路、清水管路、中压泥浆枪管路、罐底连通管路剪切泵排出管路和暖气管路等10种管汇。
系统还配有泥浆补给装置、罐面加重漏斗、剪切泵(含加料漏斗)、灌注泵、加重泵、除砂泵、除泥泵、组合式旋流器、补给泵、搅拌器等辅助设备。
另外,还配有井场防爆电路和走道、梯子、栏杆等安全防护装置。
该系统可以满足钻7000米深井时用来贮存、配置、循环和净化钻井液的各种工艺要求。
它可以有效地除去泥浆中大于5-15μm的有害固相,保留有用固相,为钻井作业提供优质泥浆。
二、技术规范1.总容积:369.1m³2.有效容积:332.2m³3.泥浆罐基本尺寸:长×宽×高=12000×3000×2400mm4.泥浆罐数量:6个药品罐:2个5.装机总功率:692kw6.系统安装后最大外形尺寸:长×宽×高=57500×11500×4500mm 7.总重量:≈120吨三、主要设备技术参数1.净化设备(1)振动筛(3台)(美国)型号:DERRICK 2E48――90F-3TA功率:4kw外形尺寸:长×宽×高=2900×1900×1600mm重量:1454kg(2)除气器(1台)型号:ZCQ1/4 处理量:4m³/min 真空度:300~340mmhg 功率:真空泵3kw 主电机15kw外形尺寸:长×宽×高=1700×850×1400mm重量:1100kg(3)除砂清洁器(1台)型号:NCS300×2处理量:~200m³/h分离点:40~60μm 工作压力:0.2~0.4MPa振动筛功率:1.5kw 筛网面积:1×0.6=0.6m2外形尺寸:长×宽×高=1700×1200×2027mm重量:787kg(4)组合式旋流器(1台)包括除砂器和除泥器。
高压管道承包协议书甲方(发包方):_____________________地址:_________________________________法定代表人:_________________________联系电话:_________________________乙方(承包方):_____________________地址:_________________________________法定代表人:_________________________联系电话:_________________________鉴于甲方有高压管道安装工程需求,乙方具备相应的资质和能力,双方本着平等自愿、诚实信用的原则,经协商一致,就高压管道安装工程承包事宜达成如下协议:第一条工程概况1.1 工程名称:_______________________1.2 工程地点:_______________________1.3 工程内容:_______________________1.4 工程量:_______________________1.5 工程标准:_______________________1.6 工程期限:_______________________1.7 工程质量要求:_____________________1.8 工程验收标准:___________________第二条承包方式2.1 本工程采用_______________________2.2 乙方应按照甲方的要求,提供符合标准的服务。
第三条工程价款及支付方式3.1 工程总造价为人民币(大写):______________________元。
3.2 工程价款支付方式如下:3.2.1 预付款:合同签订后____天内支付总价款的____%。
3.2.2 进度款:工程进度达到____%时支付总价款的____%。
3.2.3 竣工验收合格后支付剩余款项。
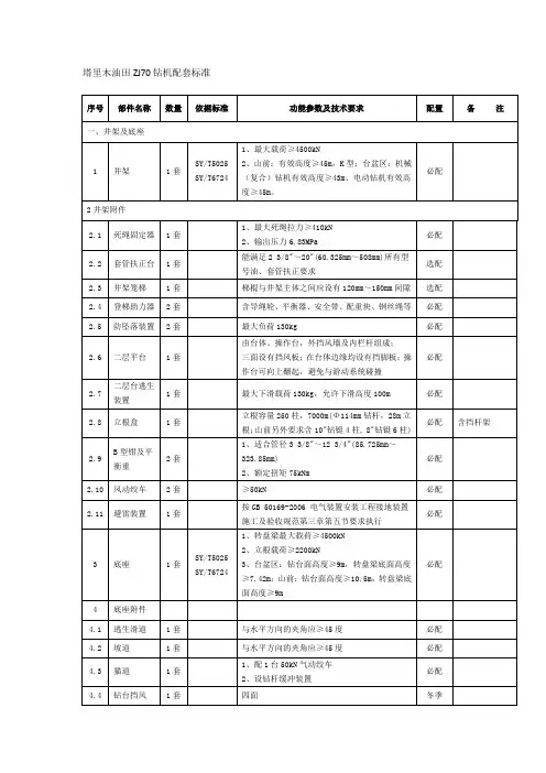
ZJ70/4500D钻机技术参数及整体配置1、整体方案1.1钻机采纳4台CAT3512B 1900KVA柴油发电机组作为主动力,发出的的600V/50Hz产流电经整流单元(SCR)别离驱动绞车、转盘、3台钻井泵的直流电动机。
绞车由两台YZ08 800KW 直流电动机驱动,经二级链轮减速后,驱动滚筒,绞车主刹车采纳液压盘式刹车,辅助刹车采纳电磁涡流制动。
转盘采纳绞车驱动和独立驱动并联方式,由1台800KW的直流电动机驱动。
3台钻井泵别离由两台YZ08(A)直流电动机驱动。
前开口井架,双升式底座,利用绞车动力起升2. ZJ70/4500DS钻机技术参数2.1钻机技术参数名义钻深范围7000mm(φ114mm钻杆)最大钩载机4500KN最大钻柱质量200T绞车额定功率1470KW绞车档位数4+4R,直流电动机驱动,无级调速提升系统绳系6×7钻井钢丝绳直径φ38mm提升系统滑轮外径φ1524mm提升部件负荷:天车、游车、大钩最大负荷4500KN水龙头最大负荷4500KN水龙头中心管通径φ75mm钻井泵的型号及台数3NB-1600泵,3台转盘开口名义直径φ转盘挡位数2+2R,无级调速井架有效高度及类型45m,“K”型底座形式双升式钻台高度钻台面积12000mm×13000mm转盘梁底面高度动力传动方式AC-DC-AC,一对一矢量操纵全数字柴油发动机组型号CAT3512B/SR4B机组台数×发电机容量4台,1900KVA柴油机输出功率1310KW柴油机转速1500r/min发电机型号及参数SR4B,1900KVA,600V/50hz,cosφ=辅助发电机组台数及参数1台,400KW,1500r/min 400v,50Hz,3相直流电动机绞车2台,800KW转盘1台,800KW直流操纵单元(SCR)一对一操纵,6套单元输入电压600V(AC)输出电压0~750V(DC)电传系统AC-DC-AC,矢量操纵全数字传动方式600V(AC)输入电压0~600V(DC)输出电压600V(3相)/400V(3相)/230V(单相),50Hz高压管汇φ103mm×35MPa,留压井管汇与固井管汇接口立管通径φ103mm×35MPa,钻台双立管,地面单管汇钻井液罐8个罐,总容量450m3,有效容量400 m3储气罐m3+4 m3气源压力MPa柴油罐两个罐,总容量100 m3,带泵组,流量计,所有阀门耐油、采纳法兰式连接工业用水罐套装水罐(60+40)m3冷却水罐25 m32.2钻机要紧部件的技术参数2.2.1TC450-10天车(符合API SPEC 8A/4F)最大钩载(6×7轮系)4500KN主滑轮数7个主滑轮直径φ1524mm钢丝绳直径φ38mm辅助滑轮数4个辅助滑轮直径φ360mm适应钢丝绳直径φ19mm2.2.2YC450游车(符合API SPEC 8A)最大钩载机4500KN主滑轮数6个主滑轮直径φ1524mm适用钢丝绳直径φ38mm2.2.3DG450大钩(符合API SPEC 8A)最大钩载机4500KN主钩口开口尺寸220mm主钩口直径180mm弹簧工作行程200mm副钩口尺寸120mm2.2.4SL450-5两用水龙头(符合API SPEC 8A)最大静负荷4500KN最高转速300r/min最高工作压力35Mpa中心管内径φ75mm接头下端螺纹 6 5/8inREG左旋鹅颈管中心线与垂线夹角1502.2.5井架(符合API SPEC 4F标准)最大钩载机4500KN有效高度(钻台面至天车梁底面)45m二层台安装高度,,26.5m二层台立根容量7280m(127mm钻杆,28m立根,260柱)10in钻铤4柱,8in钻铤6柱抗风能力停钻工况(无钩载,二层台满立根)36m/s保全工况(无钩载,二层台无立根)47.8m/s起放井架≤8.3 m/s死绳固定器安装位置司钻对侧、井架腿部(井架底座)传感器张力式最大死绳载荷410KN钢丝绳尺寸φ38mm(1 1/2in)2.2.6底座(符合API SPEC4F 标准)钻台面高度10.5m转盘梁底面高度8.92m钻台面积12000mm×13000mm转盘梁最大静载荷4500KN立根盒额定载荷2200KN立根盒容量7280m(127mm钻杆,28m立根)及10in钻铤4柱,8in钻铤6柱防喷器吊装装置:最大提升负荷2×250=500(KN)最大提升行程 3.2m最大提升速度26.3m/s最大下放速度55.8m/s最大水平移动速度(双向)55.8m/min液缸直径220mm液压系统最大工作压力16Mpa液压系统最大流量120L/min钢丝绳直径φ28mm钢丝绳规格6×37(无镀层绳式钢芯)2.2.7JC70D绞车最大输入功率1470KW(2000HP)最大快绳拉力485KN提升档位数4+4R主滚筒尺寸(直径×长度)开槽φ770mm×1361.15mm刹车盘(直径×宽度)大1600mm×76mm适用钢丝绳直径φ38mm主刹车液压盘式刹车(4常开2常闭)辅助刹车电磁刹车(DSF-70)液压盘式刹车系统油压工作介质,液压油:冬季用低温抗磨液压油L=HM20夏日N46系统单泵额定流量18L/min防爆电动机功率及转速2台,,1450r/min油箱容积80L蓄能器容量4台,6.3L油箱电加热功率1KW液压站冷却器水流量2m3/h工作钳的设计制动力矩140KN平安钳的设计制动力矩70 KN2.2.8ZP375转盘(符合API SPEC 7K标准)及转盘驱动装置最大静载荷5850KN通孔直径952.5mm最大工作扭矩最高转速300r/min齿轮传动比中心距离1353mm 2.2.9司钻操纵房钻井仪表:输入电压220V(AC),±20%频率50Hz,±30%UPS电源输出电压220V(AC),±% UPS电源输出频率50Hz,±1%不中断电源UPS1KVA外界中断供电时可持续工作时刻≥15min适应环境湿度-40~50℃相对湿度90% 2.2.10 3NB-1600机泵组最大缸套尺寸190mm最高压力冲程305mm额定冲次120冲/min 2.2.11钻井液管汇最大工作压力35Mpa公称通径φ103mm(4in)工作湿度范围-30~121℃特点钻台采纳双立管,地面采纳单管汇,配抗震压力表,采纳公、英制双表盘2.2.12固控系统ZX-60联振动筛处置量60L/S筛网面积 2.12m×1.29m=3.096m2筛网规格30~120目电动机功率2台,电动机转速1500r/minZCQ1/4真空除气器:处置量360m3/h真空度600mmHg功率3KW+30KWZQJ250×2除砂清洁器:旋流器2个,250mm处置量200m3/h工作压力~筛网目数80~120目筛网面积1000mm×600mm电动机,1400r/minZQJ125××除泥清洁器:旋流器8个,125mm处置量200m3/h工作压力~筛网目数120~200目筛网面积1300mm×600mm 激振电动机,1445r/minLW450-842N离心机:滚筒最高转速1800 r/min差速比80:1最大处置量350 m3/h主电动机功率28KW辅助电动机功率供液泵功率LW600-1019N离心机:滚筒最高转速1800 r/min差速比80:1最大处置量60m3/h主电动机功率45KW辅助电动机功率SB6in×8in-12 1/2in除砂泵、除泥泵:流量:200m3/h扬程36m转速1480r/min效率66%泵出口直径3in泵入口直径4in电动机功率55KW/50Hz SB6in×8in-12 1/2in加重泵:流量:200m3/h扬程36m转速1480r/min 效率66%泵出口直径6in泵入口直径8in电动机功率55KW/50Hz SB6in×8in-12 1/2in补给泵:流量:80m3/h扬程23m转速1480r/min 泵出口直径3in泵入口直径4in电动机功率11KWDN150喷射式混合漏斗:工作压力处置量200m3/h NJ15钻井液搅拌器:叶轮直径φ900mm 叶轮转速73r/min电动机功率15KW钻井液搅拌器:叶轮直径φ750mm,φ550mm叶轮转速73r/min电动机功率钻井液搅拌器:叶轮直径φ750mm叶轮转速73r/min电动机功率2.2.13气源及气源净扮装置紧缩机组型号SA350螺杆紧缩机组排气量 5.3 m3/min排气压力1Mpa冷却方式风冷配套电动机37KW-380V气罐容积2个,2.5 m32.2.14货物起落机TS-15额定载荷15KN提升行程10.5m提升速度~0.5m/s电动机功率11KW钻台、地面、提篮内三点都可操纵,电器防爆2.2.15水罐、油罐及供油系统冷却水箱25 m3,用于绞车刹车系统的冷却,电动离心泵两台(防爆电器)及循环管路,套装水罐,总容积100 m3钻井用水罐由两个罐组组成,总容积100 m3,配有供油泵组、过滤器与流量计。
一、ZJ50D、ZJ70D钻机主要设备安装使用技术要求Q/SH 1025 0135-20041 范围1.1 本标准规定了ZJ50D、ZJ70D钻机的安装、使用和维护保养方法。
1.2 本标准适用于钻井队ZJ50D、ZJ70D钻机的安装、使用操作及维护。
2 规范性引用文件下列文件中的条款,通过本标准的引用而成为本标准的条款。
凡是注明日期的引用文件,其随后所有的修改单(不包括勘误的内容)或修订版均不适用于本标准,然而,鼓励根据本标准达成协议的各方研究是否可使用这些文件的最新版本。
凡是不注明日期的引用文件,其最新版本适用于本标准。
SY/T 5958-94 井场布置原则和技术要求SY/T 6058-94 自升式井架起放作业规程SY/T 5957-94 井场电气安装技术要求3 安装与调试3.1 基础井场设备、设施布置执行SY/T 5958-94。
3.2 钻机主机系统3.2.1 安装底座3.2.1.1 在预先打好的基础上画出井眼中心线及下基座位置线,依次就位各部件。
3.2.1.2 先安装底层左右下座、底层片架、直梁、斜拉梁,使左右下座上的井眼中心指示标记与井眼中心线对齐。
3.2.1.3 将起升三角架的立支架、斜支架及底座的前立柱、后立柱和斜立柱,依据安装编号进行连接。
3.2.1.4 安装顶层左右上座、立根盒梁、转盘梁、绞车梁、绞车前梁、绞车后梁、拉梁、前支架、防喷器导轨和铺板支架。
3.2.1.5 安装起升装置滑车、起升大绳、平衡架和滑轮。
3.2.1.6 连接顶层与前后立柱,打上销子,穿抗剪销和别针。
3.2.1.7 将底座底层、顶层用12个D80mm销子连接。
3.2.1.8 钻台台面栏杆、偏房支架、铺板就位固定。
3.2.1.9 安装底座的液压系统。
3.2.2 安装转盘3.2.2.1 根据转盘梁的前后左右4个洋统眼指示的井眼中心位置安装转盘,并用7个调节螺杆固定。
3.2.2.2 安装转盘扭矩传感器和转速传感器。
3.2.3 安装并找正绞车3.2.3.1 绞车的安装与固定3.2.3.2 吊装绞车时,先将绞车起吊200mm,若绞车平稳不倾斜,可将绞车吊到底座上就位。
ZJ70/4500D钻机技术协议BOMCO第一部分 ZJ70D钻机总体部分一、总体技术要求1、满足7000m钻井工艺要求,适应国外钻井市场要求。
2、钻机设计、制造依据“性能先进、工作可靠、运移方便、运行经济”的原则,应符合钻机井场防爆区域划分要求。
设计和制造质量按照ISO9001、ISO14000质量控制和环境控制程序,加强设计图纸审查和制造过程质量监督,严格执行工艺纪律,提高焊接工艺标准,整机性能和质量达到同类钻机的国际水平。
3、钻机按SY/T5609-1999标准及相关标准进行设计和制造,主要部件符合API规范,打API标记(包括天车、游车滑轮外缘方便检查处)。
4、按照HSE规范的要求,将相关的设计落实到施工图纸中,并提供HSE设计报告由需方审查。
配齐标准的安全标识和警示牌。
5、采用具有国内外先进水平、经实践证明可靠的技术与设备。
国内目前还不能满足整机性能要求的零部件通过进口解决;6、在防爆、防渗漏、防腐、防沙和耐高温方面严格要求,并具有较高的适应性;7、钻机的总体布局合理,满足吊装、铁路运输和自背汽车运输的要求,所有模块均适合铁路、公路运输,不超限(绞车、电控房、柴油发电组房尽量控制在二级超限内)。
8、钻机国内配套的设备铭牌为英、西)、中文对照(英、西文优先),钻机配套的所有仪表、显示刻度、铭牌、技术文件均为公英制对照;9、钻机具有良好的可靠性,具有较强的容错能力;10、所有安全设施设计、配置要合理、可靠、齐全。
各报警、限位及互锁装置要灵敏、可靠、准确。
所有安全设备必须有合格证书及质量保证书;11、井场电气系统设计、元器件选型及安装应符合相关国内和国际标准;插接件为宝鸡友泰防爆型(按防爆分区选型),灯具为防爆、防震荧光灯、南京单脚灯管。
井场电缆选用上海南洋YCW防油耐高温重型电缆(直流电机动力电缆除外)。
12、井场内用房、泥浆罐、油水罐、等应有独立的接地保护措施(在底部焊接M14铜制螺栓接线柱并配螺母);电缆槽各段铰接处配联接电缆,并统一接地。
70D钻机技术协议一、背景介绍本技术协议旨在对70D钻机的技术规范及使用要求进行约定,以保证设备在施工过程中的安全性、可靠性和高效性。
二、技术规范1.设备参数1.1 最大钻孔直径:2000mm1.2钻孔深度:不少于30m1.3 钻孔转速范围:0-50rpm1.4钻杆合力范围:0-300kN1.5钻杆提升力范围:0-200kN1.6钻杆旋转力范围:0-400kN·m1.7钻机重量:不超过30t2.设备要求2.1动力系统:采用柴油机为动力源,保证动力输出平稳可靠。
2.2钻杆系统:钻杆材质应为高强度钢材,具有足够的承载能力和抗磨蚀性能。
2.3控制系统:采用自动化控制系统,能够实现钻杆的自动提升、旋转和合力,确保施工的准确性和稳定性。
2.4安全系统:配备触摸屏显示器,实时监测设备的工作状态,并能自动诊断故障并报警,保证施工人员的安全。
三、使用要求1.操作规范1.1操作人员应经过相关培训,熟悉设备的操作流程和安全注意事项。
1.2每次使用前,需对设备进行检查,确保设备的各项功能正常,且钻杆、过滤器等部件无异常。
1.3使用过程中,操作人员应随时监测设备的工作状态,如发现异常应立即停机检修。
1.4施工完成后,应对设备进行及时、彻底的清洁,对钻杆进行防锈处理,并妥善保管。
2.维护保养2.1设备的定期检修保养工作应按照设备制造商提供的维护手册进行,确保设备的长期可靠运行。
2.2钻杆需根据使用情况定期更换,以保证施工质量和安全性。
2.3定期对设备进行润滑和冷却系统的检查和清洗,确保设备在高温环境下正常工作。
四、技术支持及售后服务1.设备制造商应向用户提供设备的使用说明书、维护手册等技术支持文档。
2.设备制造商应提供设备的安装调试服务,并对用户的操作人员进行培训。
3.在设备投入使用后,设备制造商应确保设备的及时免费保修,提供24小时的技术支持热线。
4.若设备存在质量问题导致的故障,设备制造商应负责处理,并为客户提供免费的维修和更换服务。
ZJ50/70LDB钻机网电改造技术协议需方:供方:2023年2月15日ZJ50/70LDB钻机网电改造技术协议为了保证ZJ50/70LDB钻机网电改造的整体性能和可靠性, (需方)与(供方)就ZJ50/70LDB钻机网电改造项目的技术方案、技术参数与性能、技术服务、配套范围等问题进行了充足仔细地研究和协商, 对关键的技术和规定等方面达成了共识, 并形成如下技术协议:1.总体技术原则1.1 遵循“工作可靠, 运营经济, 性能先进, 运移方便, 满足HSE规定”的原则。
采用对的可靠的防震、防潮、防水措施, 符合安全操作规定。
井场配套的高低压电气设备、电缆及附件的设计选型、制造、测试和井场高压电缆布线严格执行国家相关电气标准和安全规程。
所有改造设备采用国内通过实践证明可靠的技术和设备, 保证产品质量。
1.2 技术方案充足考虑钻机动力系统的工作特性, 在动力机组匹配、高压变配电系统、异步电动机控制操作系统、应急动力及供电系统、机-电-液保护和安全互锁等方面满足钻机的工作性能与钻井工艺的规定。
1.3 钻机改造的总体布局合理, 满足吊装、铁路运送的规定, 所有模块均适合铁路、公路运送, 不超限。
1.4 在海拔≤1000m、环境温度-40℃-+45℃, 相对湿度≤90%(+20℃时)可正常工作。
1.5严格执行ISO9001、ISO14000质量控制和环境控制程序, 加强设计图纸审查和制造过程质量监督, 严格执行工艺纪律, 提高焊接工艺标准。
钻机改造的生产制造和厂内验收符合ISO9001的规定, 交货状态应为可正常钻井的工作状态, 改造后的钻机整机性能和质量达成同类钻机的国际水平。
1.6保证动力机组电动化改造的钻机动力及电气模块可以在ZJ50/70LDB钻机上使用, 满足上述钻机的使用规定。
1.7保证系统不采用国家明令淘汰产品。
2.系统的设计、制造符合下列电气标准:3. 技术方案概述3.1 机械部分改造3.1.1钻机的井架、底座、游吊系统、绞车、转盘、泥浆泵、固控系统、辅助发电机组、VFD系统等设备均不做改动, 仅对后台动力机组及相关电气部分进行改造。
阿联酋ZJ70D钻机防爆电路技术协议根据ZJ70D钻机总体技术协议和质量要求,胜利油田高原石油装备有限责任公司(以下简称需方)与东营高原电气有限公司(以下简称供方),就ZJ70D钻机标准化井电系统配套范围、质量控制与责任、技术文件、技术服务与衔接等问题,进行了认真、详细的协商讨论。
并达成如下协议:1.设计制造依据保准1.1 API RP 500B 《石油设备电力装置场所分类推荐作法》;1.2 GB 3836.1—2000 《爆炸性气体环境用电气设备》第一部分:通用要求 eqv IEC 60079-0:19981.3 GB 3836.2—2000 《爆炸性气体环境用电气设备》第二部分:隔爆型“d” eqv IEC 60079-0:19901.4 GB 3836.3—2000 《爆炸性气体环境用电气设备》第三部分:增安型“e” eqv IEC 60079-0:19981.5 GB 3836.8—87 《爆炸性环境用防爆电气设备》无火花性电气设备“n”1.6 GB 50058—92 《爆炸和火灾电力装置设计规范》;1.7 SY/T 5957—94 《井场电气安装技术要求》;1.8 SY 5225—94 《石油与天然气钻机,开发,储运防火防爆安全生产管理规定》;1.9 SY/T 6276—1997eqv ISO/CD 14690《石油与天然气工业,健康,安全与环境管理体系》2.基本技术参数2.1 额定电压: 460V/120V(三相四线制)2.2 额定频率: 60HZ2.3 防爆电器适用范围:1或2区场所2.4 适用环境:2.4.1 环境温度:-25°C—+50°C2.4.2相对湿度:≤90%(+25°C)2.4.3 海拔高度≤2000m,适用于野外油田恶劣工况;2.4.4绝缘强度:1000V兆欧表测量不低于2MΩ,线路1400V交流试验1分钟不击穿;2.4.5接地极接地电阻≤4Ω。
ZJ70D钻机配套钻井液循环管汇技术协议需方:北京派特罗尔钻井技术服务有限责任公司供方:盐城市双鑫石油机械厂ZJ70D钻机高压管汇技术协议北京派特罗尔钻井技术服务有限责任公司(需方)与盐城市双鑫石油机械厂(供方)就ZJ70D钻机配套的泥浆高压管汇及配套件的基本参数、技术要求、供货范围、质量控制、技术文件及售后服务等问题进行充分协商,达成如下协议:1.总体基本要求1.1 高压管汇的设计制造应符合石油行业标准SY/T 5244-2006《钻井液循环管汇》;1.2 2in-1502型符合API规范,4in-1003由壬采用Tr180×8;所有由壬本体上锻有压力级别、公称尺寸及生产厂家等标识;1.3阀门采用金属密封结构,两端连接为由壬式,有API认证标志,每个阀门须有试压记录,按照编号严格记录;1.4 管线上的所有阀门要标上开关方向;1.5 所有的软管与硬管连接部分必须有安全链;1.6 管汇的钢管采用Ф140×17无缝钢管,管线要固定可靠,做到防跳、防磨;1.7 无缝钢管的内、外表面应无裂纹、折叠、扎折、离层、结疤缺陷存在。
1.8 所有弯头、三通、四通、由壬及阀件公称通径均为φ106;管线与由壬、阀件对接时,应保证轴向对准,尽可能减少通孔错边量,错边量单边不超过1mm。
必要时采用专用工具对接,以保证错边量不超过允许值。
1.10 所有焊缝必须注明编号,并按照编号进行探伤;1.11 所有弯头、三通、四通为锻件,承35MPa工作压力。
2.基本参数最大工作压力:35MPa强度试验压力:52.5MPa公称通径:φ106钢管规格:Ф140×17无缝钢管适用温度:-29℃~121℃适用介质:清水、泥浆、原油、压裂液等闸阀驱动方式:手动34.技术要求4.1 管汇总体结构依据需方提供的布置图及井架、底座结构相关尺寸进行设计,钻井液管汇系统不得与钻机各部位发生干涉。
4.2 配0~60MPa抗震压力表,采用公、英制双刻度,对管线、高压泥浆闸阀组合等进行耐压强度试验。
ZJ70D钻机配套钻井液循环管汇
需方:
北京派特罗尔钻井技术服务有限责任公司供方:
盐技术协议
xxxx石油机械厂
ZJ70D钻机高压管汇技术协议
北京派特罗尔钻井技术服务有限责任公司(需方)与盐城市双鑫石油机械厂(供方)就ZJ70D钻机配套的泥浆高压管汇及配套件的基本参数、技术要求、供货范围、质量控制、技术文件及售后服务等问题进行充分协商,达成如下协议:
1.总体基本要求
1.1高压管汇的设计制造应符合石油行业标准SY/T 5244-2006《钻井液循环管汇》;
1.22in-1502型符合API规范,4in-1003由壬采用Tr180×8;所有由壬本体上锻有压力级别、公称尺寸及生产厂家等标识;
1.3阀门采用金属密封结构,两端连接为由壬式,有API认证标志,每个阀门须有试压记录,按照编号严格记录;
1.4管线上的所有阀门要标上开关方向;
1.5所有的软管与硬管连接部分必须有安全链;
1.6管汇的钢管采用Ф140×17无缝钢管,管线要固定可靠,做到防跳、防磨;
1.7无缝钢管的内、外表面应无裂纹、折叠、扎折、离层、结疤缺陷存在。
1.8所有弯头、三通、四通、由壬及阀件公称通径均为φ106;管线与由壬、阀件对接时,应保证轴向对准,尽可能减少通孔错边量,错边量单边不超过1mm。
必要时采用专用工具对接,以保证错边量不超过允许值。
1.10所有焊缝必须注明编号,并按照编号进行探伤;
1.11所有弯头、三通、四通为锻件,承35MPa工作压力。
2.基本参数
最大工作压力:35MPa
强度试验压力:
52.5MPa
公称通径:
φ106
钢管规格:
Ф140×17无缝钢管
适用温度:
-29℃~121℃
适用介质:
清水、泥浆、原油、压裂液等
闸阀驱动方式:
手动
3.供货范围
序号1234名称
回流胶管总成
从泥浆泵到地面阀门组
的高压管线(含高压胶管)地面阀门组
从地面高压阀门组到立
管阀门组的双管线规格
2in×8MPa×6m
4in×35MPa
4in×35MPa
4in×35MPa数量单位331
1根套套套56789
4.技术要求立管阀门组
双立管管线(含鹅颈管)立管抗震压力表
高压水龙带
高压水龙带4in×35MPa
4in×35MPa
(0-60MPa)
19米
22米11211套套只根根
4.1管汇总体结构依据需方提供的布置图及井架、底座结构相关尺寸进行设计,钻井液管汇系统不得与钻机各部位发生干涉。
4.2配0~60MPa抗震压力表,采用公、英制双刻度,对管线、高压泥浆闸阀组合等进行耐压强度试验。
4.3地面管线采用双管线形式,水平管线与立管交汇处分别设置一个立管滤清器三通。
4.4地面管汇部分,在一号泥浆泵前设置一个三进三出阀门组(7个
4in×35MPa闸阀,1个2in×35MPa闸阀),控制三泵主管线,地面阀门组与一号泥浆泵之间管线采用高压胶管相连。
4.5泥浆泵出口管汇为一个三通,一端与地面阀门组管线连接,一端设置一个2in×35MPa闸阀,连接泥浆回流管线。
4.6三台泥浆泵单独回流,回流管线采用2in×8MPa中压胶管,长度6米,一端接泵出口三通,一端接泥浆罐,配焊接由壬(3套焊接由壬发至固控厂家,在泥浆罐喷底漆之前焊好)。
4.7立管采用双立管结构,钻台阀门组设计一边五个出口,满足安装压力表、录井、固井、测井等需要,接口是2”1502由壬。
钻台闸门组为一个整体结构,便于装卸拉运(钻台阀门组包括5个4″×35MPa闸阀、两个2″×35Mpa闸阀、六套2″1502由壬接口,设置两个抗震压力表)。
4.8双立管上部鹅颈管出口至钻台面高度分别为
17.5m、
20.5m,配4″×35Mpa×19米和4″×35Mpa×22米高压水龙带各一根。
水龙带两端由壬为4″-1003(Tr180×8)一公一母,水龙带与水龙头连接采用焊接式过渡由壬。
4.9管汇中焊缝应焊透熔合,管汇焊缝按JB/T 4730-2005进行超声波和磁粉探伤,并保存记录。
4.10按SY/T 5244-2006《钻井液管汇》的要求进行各项试验。
4.11管汇流程由需方认可,确认流程及连接尺寸无误并签字后方可投产。
4.12铭牌:
铭牌采用中英文对照,标识清楚、正确。
4.13管汇系统所用高压胶管均采用河北景渤石油机械有限公司胶管。
5.质量要求
5.1严格执行石油行业标准SY/T5244-2006《钻井液循环管汇》及API相关标准。
5.2严格执行钻井液循环管汇制造工艺、焊接工艺规程、涂漆工艺规程及液压试验规程。
5.3钻井液循环管汇油漆及面漆颜色按需方ZJ70D钻机涂漆规范及技术要求执行。
6.质量控制与责任
6.1质量体系:
供方要依据ISO9000系列标准要求,建立质量体系,对产品质量进行控制,保证产品质量和外观质量,并接受需方对其产品监督、检查。
6.2供方提供的产品要符合相应的API标准和本厂的图样、技术文件的要求。
6.3供方的设计图纸须经需方审查认可后方可投产。
6.4生产期间,供方应及时向需方通知生产进度,以便需方在适当时候进行现场质量检查。
6.5质量保证期为发货后的18个月或投入使用后12个月,在此期间,由于制造原因造成的质量问题,由供方负责。
质保期后如发生非正常失效,供方仍须负责售后服务。
7、包装
7.1产品的包装满足出口的要求,装箱件在箱内应有标示,采用铁箱包装,内附装箱单。
所有的管线应具有可靠的铁架包装。
7.2所有管汇都应固定在专用的包装支架上,排列整齐,并进行标识,便于安装;支架之间焊接牢固,防止运输途中变形、散架,碰坏管汇。
吊勾焊接牢固,位置合适,便于吊装。
8、总装和服务
产品应到需方进行总体配装和试验。
供方的服务人员应根据需方的通知及时到达需方总装现场进行管汇的装配。
9、技术文件
9.1产品出厂时应提供下列文件,中英文各5套:
9.1.1产品使用说明书
9.1.2高压阀门使用说明书
9.1.3钻井液管汇零件图册
9.1.4随机附图
9.2至少提供以下质量证明文件,中英文各5套
9.2.1主要件(包括原材料、高强度标准件)质量证明书。
9.2.2主要配套件(泥浆阀、抗震压力表等)合格证。
9.2.3焊工资格证复印件。
9.2.4焊接检验报告。
9.2.5无损探伤人员资格证复印件。
9.2.6无损检测(UT、MT)报告。
9.2.7产品整机性能检测报告。
9.2.8压力试验报告。
9.2.9涂漆检验报告
9.2.10包装检验报告。
9.2.11高压管汇产品合格证。
9.2.12API 6A证书(复印件)。
以上资料按A4幅面的标准格式装订成册,并装订在两孔文件夹内。
同时须向需方提供可编辑的电子光盘一套(如中、英文DOC格式、AutoCAD格式、excel格式等)。
10.产品验收
产品交货时双方按包装发送清单对产品进行清点,确认并依据本技术协议和有关标准对产品的质量、性能及技术文件进行检查验收。
11.本技术协议作为合同的附件,经双方签字后随合同生效。
12.未尽事宜双方协商解决。
甲方:
北京派特罗尔钻井技术服务有限责任公司乙方:
xxxx石油机械厂代表:
代表:
____年__月__日。