数字电子技术练习题完整
- 格式:doc
- 大小:1.93 MB
- 文档页数:8
数字电子技术练习题及答案一、填空题1、(238)10=( 11101110 )2 =( EE )16。
(110110.01)2=( 36.4 )16=( 54.25 )10。
2、德•摩根定理表示为 B A +=( B A ⋅ ) , B A ⋅=( B A + )。
3、数字信号只有( 两 )种取值,分别表示为( 0 )和( 1 )。
4、异或门电路的表达式是( B A B A B A +=⊕ );同或门的表达式是( B A AB B A ⋅+=⊙ ) 。
5、组成逻辑函数的基本单元是( 最小项 )。
6、与最小项C AB 相邻的最小项有( C B A )、( C B A ⋅ ) 和 ( ABC ) 。
7、基本逻辑门有( 与门 )、( 或门 )和( 非门 )三种。
复合门有( 与非门 )、( 或非门 )、( 与或非门 )和( 异或门 )等。
8、9、 10、最简与或式的定义是乘积项的( 个数最少 ),每个乘积项中相乘的( 变量个数也最少)的与或表达式。
11、在正逻辑的约定下,“1”表示( 高电平 ),“0”表示( 低电平 )。
在负逻辑的约定下,“1”表示( 低电平 ),“0”表示( 高电平 )。
12、一般TTL 门电路输出端( 不能 )直接相连,实现线与。
(填写“能”或“不能”) 13、三态门的三种可能的输出状态是( 高电平 )、( 低电平 )和( 高阻态 )。
14、实现基本和常用逻辑运算的(电子电路),称为逻辑门电路,简称门电路。
15、在TTL 三态门、OC 门、与非门、异或门和或非门电路中,能实现“线与”逻辑功能的门为(OC 门),能实现总线连接方式的的门为(三态门)。
16、T TL 与非门的多余输入端不能接( 低 )电平。
17、18、真值表是将输入逻辑变量的( 所有可能取值 )与相应的( 输出变量函数值 )排列在一起而组成的表格。
19、组合逻辑电路是指任何时刻电路的稳定输出,仅仅只决定于(该时刻各个输入变量的取值)。
数字电子技术基础试题及答案一、单项选择题(每题2分,共20分)1. 在数字电路中,最基本的逻辑门是()。
A. 与门B. 或门C. 非门D. 异或门答案:C2. 下列哪个不是TTL逻辑门的类型?()A. 与非门B. 或非门C. 同或门D. 非门答案:C3. 一个D触发器的初始状态为1,当输入D=0时,时钟脉冲上升沿到达后,输出Q的状态为()。
A. 0B. 1C. 不确定D. 无变化答案:A4. 以下哪个逻辑表达式是正确的?()A. A+A=AB. A·A=AC. A+A=0D. A·A=0答案:B5. 一个4位二进制计数器,从0000开始计数,当计数到1111时,下一个状态是()。
A. 0000B. 1000C. 10000D. 0111答案:A6. 在数字电路中,若要实现一个逻辑函数,下列哪种方法最为经济?()A. 使用与非门B. 使用或非门C. 使用与门D. 使用或门答案:A7. 一个三态输出门,当控制端为高电平时,输出状态为()。
A. 高阻态B. 低电平C. 高电平D. 低阻态答案:C8. 以下哪个是BCD码的特点?()A. 每个十进制数字对应一个唯一的二进制代码B. 每个二进制数字对应一个唯一的十进制数字C. 每个二进制数字对应一个唯一的十六进制数字D. 每个十进制数字对应多个二进制代码答案:A9. 在数字电路中,一个反相器的逻辑功能是()。
A. 与B. 或C. 非D. 异或答案:C10. 一个JK触发器在时钟脉冲上升沿到达时,如果J=1,K=0,则触发器的状态()。
A. 保持不变B. 翻转C. 置0D. 置1答案:D二、填空题(每题2分,共20分)1. 一个2输入的与门,当两个输入都为1时,输出为______。
答案:12. 在数字电路中,一个D触发器的D端输入为0,时钟脉冲上升沿到达后,输出Q的状态为______。
答案:03. 一个4位二进制计数器,如果初始状态为0101,下一个状态为______。
数字电子技术考试题及答案一、选择题(每题2分,共20分)1. 以下哪个不是数字电子技术中的基本逻辑门?A. 与门(AND)B. 或门(OR)C. 非门(NOT)D. 异或门(XOR)答案:C2. 在数字电路中,一个触发器的稳定状态是指:A. 触发器输出为高电平B. 触发器输出为低电平C. 触发器输出不随输入变化而变化D. 触发器输出随输入变化而变化答案:C3. 以下哪个不是数字电子技术中的计数器类型?A. 二进制计数器B. 十进制计数器C. 十六进制计数器D. 以上都是答案:D4. 在数字电路设计中,以下哪个不是常用的时序逻辑元件?A. 寄存器B. 计数器C. 译码器D. 触发器答案:C5. 以下哪个不是数字电路的分类?A. 组合逻辑电路B. 时序逻辑电路C. 模拟电路D. 混合电路答案:C6. 一个简单的数字电子系统通常包括哪些基本部分?A. 输入、处理、输出B. 电源、输入、输出C. 输入、存储、输出D. 电源、输入、处理、输出答案:D7. 以下哪个不是数字电子技术中常用的存储元件?A. 触发器B. 寄存器C. 锁存器D. 放大器答案:D8. 在数字电子技术中,一个信号的上升时间是指:A. 信号从0%到90%的最大值所需的时间B. 信号从10%到90%的最大值所需的时间C. 信号从0%到100%的最大值所需的时间D. 信号从10%到100%的最大值所需的时间答案:A9. 以下哪个是数字电子技术中的同步电路的特点?A. 所有触发器的时钟信号是独立的B. 所有触发器的时钟信号是同步的C. 电路中没有时钟信号D. 电路中只有一个触发器答案:B10. 在数字电子技术中,以下哪个不是布尔代数的基本运算?A. 与(AND)B. 或(OR)C. 非(NOT)D. 除(DIV)答案:D二、填空题(每空2分,共20分)11. 在数字电路中,逻辑“1”通常表示电压为______,逻辑“0”通常表示电压为______。
习题一、填空题1.( 2分) 一个10位地址码、8位输出的ROM ,其存储容量为 。
2.( 2分) 如果对键盘上108个符号进行二进制编码,则至少要 位二进制数码。
3.( 2分) 在下列JK 触发器、RS 触发器、D 触发器 和T 触发器四种触发器中,具有保持、置1、置0和翻转功能的触发器是 。
4.( 2分)为了暂存四位数据信号可用 个触发器构成数据寄存器。
5.( 2分) C A AB Y +=,Y 的最简与或式为 。
6.( 2分) 电路如图1,电路的逻辑表达式F 。
图 1 图 27.(2分) 由555定时器组成的电路如图2,回差电压是 V 。
8.( 2分)设逐次比较型A/D 转换器的参考电压U REF =8V , 输入模拟电压3.5V 。
如果用6位逐次比较型A/D 转换器来实现,则转换器输出的6位码是 。
9.(2分) 四输入TTL 或非门,在逻辑电路中使用时,有2个输入端是多余的,应将多余端接 。
10.( 2分)若每输入1000个脉冲分频器能输出一个脉冲,则由二进制加法计数器构成的分频器需要 个触发器。
11. 在TTL 、CMOS 逻辑族中,在电源电压值相同时,噪声容限大的是_______________.12.F=A B +BD+CDE+A D 最简的与或式是_______________.13.试将函数F A B C AC BC AC A B AB (,,)()=++++,简化成与或表达式F =_____________.14.若某二进制DAC 的最大输出电压是8V ,能分辨的最小输出电压是8mV ,则该转换器输入数字的位数N 至少为 。
15.请写出下图S 的表达式 。
CO 的表达式 。
二、选择题1、是8421BCD 码的是( )。
A 、1010B 、0101C 、1100D 、11012、和逻辑式BC A A + 相等的是( )。
A 、ABCB 、1+BC C 、AD 、BC A +3、二输入端的或非门,其输入端为A 、B ,输出端为Y ,则其表达式Y= ( )。
可编辑修改精选全文完整版附录D 模拟试卷及参考答案D.1 模拟试卷一、填空(共10小题,每空2分,共40分)1、(8C.4)16 = ( )10 =( )8=( )2421BCD 。
2、将160个字符用二进制编码,至少需要( )位二进制码。
3、已知F =A(B +C)+A +C ,则其对偶式为( );其反函数为( )。
(直接用对偶规则和反演规则)。
4、已知TTL 与非门参数V CC =+5V ,U OH =3.6V ,U OL =0.4V ,U OFF =1.1V ,U ON =1.4V ,高电平输入时的抗干扰容限U NH 为( )。
5、连续异或1999个“1”的结果是( )。
6、如图D.1所示电路的输出函数F 为( )。
(化成最简“与或”式)F图D.1 题一(6)图7、图D.2为三态非门构成的电路,试根据输入条件填写表中的F 栏。
图D.2 题一(7)图表D.1题一(7)真值表D 1EN 1D 2EN 2F8、设计模值为61的自然二进制码计数器、十进制计数器和余3 BCD码计数器分别需要()级、()级和()级触发器。
一个五位二进制加法计数器,由00000状态开始,问经过109个输入脉冲后,此计数器的状态为()。
9、用()片1024×4位的RAM可组成8K×8位的RAM,需要增加()条地址线、()条数据线。
10、在10位的倒T型电阻网络D/A转换器中,若U REF = ─10V,该D/A转换器能分辨的最小输出电压U LSB=()mV。
二、选择题(共10小题,每小题2分,共20分)1、有符号位二进制数的补码为(10011),则对应的十进制数为()。
A、-29B、+13C、-13D、-32、下列说法正确的是()。
A、n个变量所构成的全部最小项之和恒等于0B、n个变量所构成的全部最大项之和恒等于0C、n个变量所构成的全部最小项之积恒等于1D、n个变量所构成的全部最大项之积恒等于03、下列说法正确的是()。
注意:红色字体部分为简略参考答案,解题过程不全一、填空题。
面、不详细。
1.基本的逻辑门电路有,,S , %。
1 ---------------2.基本逻辑运算有与、或、非3种。
3.描述逻辑函数各个变量取值组合与函数值对应关系的表格叫里值表。
4.十进制数72用二进制数表示为1001000,用8421BCD码表示为皿10010。
二进制数111101用十进制数表示为_6L5.数制转换:(8F)16 = ( 143 )10= ( 10001111)2= (217 )8;(3EC)H = ( 1004 )D;(2003) D = (11111010011)B= ( 3723)O。
6.有一数码10010011,作为自然二进制数时,它相当于十进制数14L,作为8421BCD码时,它相当于十进制数93 _。
7. (35.75)10=( 100011.11 )2 = ( 00110101.01110101 )8421BCD。
8.在8421BCD码中,用工位二进制数表示一位十进制数。
9.在逻辑运算中,1+1=」;十进制运算中1+1= / ;二进制运算中1+1= 1010、表示逻辑函数功能的常用方法有逻辑表达式、逻辑真值表、卡诺图等。
11.将2004个“1”异或得到的结果是(0 )。
12. TTL门电路中,输出端能并联使用的有OC门和三态门。
13.在TTL与非门电路的一个输入端与地之间接一个10K Q电阻,则相当于在该输入端输入_高电平。
14. TTL与非门多余输入端的处理方法通常有接至正电源,接至固定高电平,接至使用端。
15. COM逻辑门是上极型门电路,而TTL逻辑门是辿极型门电路。
16.与TTL电路相比,COM电路具有功耗加、抗干扰能力出、便于大规模集成等优点。
17. TTL门电路的电源电压一般为 5 V, CMOS电路的电源电压为3-18 V。
18. OC门的输出端可并联使用,实现线与功能;三态门可用来实现数据的双向传递、总线结构等19.三态门输出的三态为1、0、高阳态。
数字电⼦技术习题库及参考答案数字电⼦技术习题库⼀、填空题(每空1分,共20分)1. 有⼀数码10010011,作为⾃然⼆进制数时,它相当于⼗进制数(),作为8421BCD 码时,它相当于⼗进制数()。
2.三态门电路的输出有⾼电平、低电平和()3种状态。
3.TTL 与⾮门多余的输⼊端应接()。
4.TTL 集成JK 触发器正常⼯作时,其和端应接()电平。
5. 已知某函数,该函数的反函数()。
6. 如果对键盘上108个符号进⾏⼆进制编码,则⾄少要()位⼆进制数码。
7. 典型的TTL 与⾮门电路使⽤的电路为电源电压为()V ,其输出⾼电平为()V ,输出低电平为()V , CMOS 电路的电源电压为() V 。
8.74LS138是3线—8线译码器,译码为输出低电平有效,若输⼊为A 2A 1A 0 110时,输出应为()。
9.将⼀个包含有32768个基本存储单元的存储电路设计16位为⼀个字节的ROM 。
该ROM 有()根地址线,有()根数据读出线。
10. 两⽚中规模集成电路10进制计数器串联后,最⼤计数容量为()位。
11. 下图所⽰电路中, Y 1=();Y 3 =()。
12. 某计数器的输出波形如图1所⽰,该计数器是()进制计数器。
13.驱动共阳极七段数码管的译码器的输出电平为()有效。
d R d S ??? ??+??? ??++=D C AB D C A B F F 01234567Y Y Y Y Y Y Y YABY 1 Y 2 Y 3⼆、单项选择题(本⼤题共15⼩题,每⼩题2分,共30分)(在每⼩题列出的四个备选项中只有⼀个是最符合题⽬要求的,请将其代码填写在题后的括号内。
错选、多选或未选均⽆分。
)1. 函数F(A,B,C) AB+BC+AC 的最⼩项表达式为( ) 。
A .F(A,B,C) ∑m (0,2,4) B. (A,B,C) ∑m (3,5,6,7) C .F(A,B,C) ∑m (0,2,3,4) D. F(A,B,C) ∑m(2,4,6,7)2.8线—3线优先编码器的输⼊为I 0—I 7 ,当优先级别最⾼的I 7有效时,其输出的值是()。
第一章 数字逻辑基础1-1. 将下列的二进制数转换成十进制数(1)、1011,(2)、10101,(3)、11111,(4)、1000011-2. 将下列的十进制数转换成二进制数(1)、8,(2)、27,(3)、31,(4)、1001-3. 完成下列的数制转换(1)、(255)10=( )2=( )16=( )8421BCD(2)、(11010)2=( )16=( )10=( )8421BCD(3)、(3FF )16=( )2=( )10=( )8421BCD(4)、(1000 0011 0111)8421BCD =()10=()2=()161-4. 完成下列二进制的算术运算(1)、1011+111,(2)、1000-11,(3)、1101×101,(4)、1100÷100 1-5. 设:AB Y 1=,B A Y 1+=,B A Y 1⊕=。
已知A 、B 的波形如图题1-5所示。
试画出Y 1、Y 2、Y 3对应A 、B 的波形。
图题1-51-6选择题1.以下代码中为无权码的为 。
A . 8421BCD 码B . 5421BCD 码C . 余三码D . 格雷码2.以下代码中为恒权码的为 。
A .8421BCD 码B . 5421BCD 码C . 余三码D . 格雷码3.一位十六进制数可以用 位二进制数来表示。
A . 1B . 2C . 4D . 164.十进制数25用8421BCD码表示为。
A.10 101B.0010 0101C.100101D.101015.在一个8位的存储单元中,能够存储的最大无符号整数是。
A.(256)10B.(127)10C.(FF)16D.(255)106.与十进制数(53.5)10等值的数或代码为。
A.(0101 0011.0101)8421BCDB.(35.8)16C.(110101.1)2D.(65.4)87.矩形脉冲信号的参数有。
A.周期B.占空比C.脉宽D.扫描期8.与八进制数(47.3)8等值的数为:A. (100111.011)2B.(27.6)16C.(27.3 )16D. (100111.11)29. 常用的BCD码有。
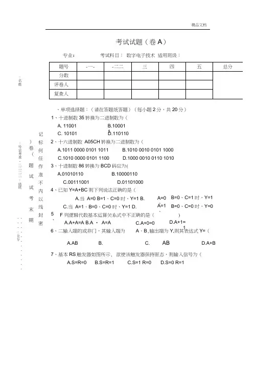
精品文档:名姓考试试题(卷A )专业: 考试科目: 数字电子技术 适用班级:、单项选择题:(请在答题纸答题)(每小题2分,共20分)1、十进制数35转换为二进制数为( A. 11001B.100011 :号证考准-二二二二:级班---------------:业专) 卷 (题 试 试考 末 期记 标何 任 作 准不 内 以 线封 密C. 10101D.1101102、十六进制数 A05CH 转换为二进制数为( A.1011 0000 0101 1011 B.1010 0010 0101 1000 C.1010 0000 0101 1100 D.1000 0010 0110 10103、十进制数86转换为BCD 码应为(A.01010110B.10000110C.00111001D.011010004、已知Y=A+BC 则下列说法正确的是(A.当 A=0 B=1、C=0 时,Y=1B.C.当 A=1、B=0、C=0 时,Y=1D.5、A=0、 A=1、B=0、C=1 时,Y=1 B=0、C=0 时,Y=0 F 列逻辑代数基本运算关系式中不正确的是( A.A+A=A B.A • A=A 6、二输入端的或非门,其输入端为A.ABB.C.A+0=0 )D.A+1=1A 、B ,输出端为Y,则其表达式Y=(C.ABD.A+B7、基本RS 触发器如图所示, A.S=R=0B.S=R=1欲使该触发器保持原态,则输入信号为(C.S=1 R=0D.S=0 R=1&要使JK触发器处于计数状态,则必须使()D.J=1 ,K=0A.J=K=1B.J=K=0C.J=0,K=19、下列触发器中没有计数功能的是()A.RS触发器B.T触发器C.JK触发器D.T /触发器10、组合电路中的冒险,偏“0”冒险Y =( )A. AAB. A AC.A+OD.A+1二、填空题:(请在答题纸答题)(每空2分,共30分)1、逻辑函数的表示方法有___________ 、_____________ 、____________________________________ 、___________ 、___________ 五种形式。
数字电子技术基础知识单选题100道(含答案)一、数字逻辑基础1. 以下不属于数字信号特点的是()。
A. 时间上离散B. 数值上离散C. 抗干扰能力强D. 信号幅度连续答案:D。
数字信号在时间和数值上都是离散的,且抗干扰能力强,而模拟信号幅度是连续的。
2. 十进制数15 对应的二进制数是()。
A. 1111B. 1101C. 1011D. 1001答案:A。
15=8+4+2+1,对应的二进制为1111。
3. 二进制数1010 对应的十进制数是()。
A. 8B. 9C. 10D. 11答案:C。
1010=2³+2¹=8+2=10。
4. 8421BCD 码1001 表示的十进制数是()。
A. 9B. 11C. 13D. 15答案:A。
8421BCD 码中1001 对应9。
5. 逻辑函数的最小项之和表达式是()。
A. 唯一的B. 不唯一的C. 有时唯一有时不唯一D. 不确定答案:A。
逻辑函数的最小项之和表达式是唯一的。
二、逻辑门电路6. 以下不属于基本逻辑门的是()。
A. 与门B. 或门C. 非门D. 与非门答案:D。
与非门是由与门和非门组合而成,不属于基本逻辑门。
7. 三输入端与门的输出为0,当且仅当()。
A. 三个输入全为0B. 三个输入全为1C. 至少一个输入为0D. 至少一个输入为1答案:A。
与门只有当所有输入都为1 时输出才为1,否则输出为0。
8. 三输入端或门的输出为1,当且仅当()。
A. 三个输入全为0B. 三个输入全为1C. 至少一个输入为0D. 至少一个输入为1答案:D。
或门只要有一个输入为1 时输出就为1。
9. 非门的逻辑功能是()。
A. 有0 出1,有1 出0B. 全0 出1,全1 出0C. 相同出0,不同出1D. 不同出0,相同出1答案:A。
非门对输入信号取反。
10. 与非门的逻辑功能是()。
A. 有0 出1,全1 出0B. 全0 出1,有1 出0C. 相同出0,不同出1D. 不同出0,相同出1答案:A。
《数字电子技术基础》试卷一一、 填空题(22分每空2分)1、=⊕0A , =⊕1A 。
2、JK 触发器的特性方程为: 。
3、单稳态触发器中,两个状态一个为态,另一个为态.多谐振荡器两个状态都为态, 施密特触发器两个状态都为态.4、组合逻辑电路的输出仅仅只与该时刻的有关,而与无关。
5、某数/模转换器的输入为8位二进制数字信号(D 7~D 0),输出为0~25.5V 的模拟电压。
若数字信号的最低位是“1”其余各位是“0”,则输出的模拟电压为。
6、一个四选一数据选择器,其地址输入端有个。
二、化简题(15分每小题5分)用卡诺图化简逻辑函数,必须在卡诺图上画出卡诺圈1)Y (A,B,C,D )=∑m (0,1,2,3,4,5,6,7,13,15) 2)∑∑+=)11,10,9,3,2,1()15,14,13,0(),,,(d m D C B A L利用代数法化简逻辑函数,必须写出化简过程3)__________________________________________________)(),,(B A B A ABC B A C B A F +++=三、画图题(10分每题5分)据输入波形画输出波形或状态端波形(触发器的初始状态为0). 1、2、四、分析题(17分)1、分析下图,并写出输出逻辑关系表达式,要有分析过程(6分)2、电路如图所示,分析该电路,画出完全的时序图,并说明电路的逻辑功能,要有分析过程(11分)五、设计题(28分)1、用红、黄、绿三个指示灯表示三台设备的工作情况:绿灯亮表示全部正常;红灯亮表示有一台不正常;黄灯亮表示两台不正常;红、黄灯全亮表示三台都不正常。
列出控制电路真值表,要求用74LS138和适当的与非门实现此电路(20分)2、中规模同步四位二进制计数器74LS161的功能表见附表所示;请用反馈预置回零法设计一个六进制加法计数器。
(8分)六、分析画图题(8分)V作用下,输出电压的波形和电压传输特性画出下图所示电路在i74LS138功能表如下:74LS161功能表《数字电子技术基础》试卷一答案一、填空题(22分每空2分) 1、A ,A 2、n n n Q K Q J Q +=+13、稳态,暂稳态,暂稳态,稳态4、输入,电路原先状态5、0.1V6、两二、化简题(15分 每小题5分)1)Y (A,B,C,D )=∑m (0,1,2,3,4,5,6,7,13,15)=BD A +2)AC AD B A d m D C B A L++=+=∑∑)11,10,9,3,2,1()15,14,13,0(),,,(3))(),,(__________________________________________________________________________________=+++=++++=+++=A BC B A B A AB BC B A B A B A ABC B A C B A F三、画图题(10分 每题5分) 1、 2、四、分析题(17分) 1、(6分)B A L ⊕=2、(11分)五进制计数器五、设计题(28分) 1、(20分)1)根据题意,列出真值表由题意可知,令输入为A 、B 、C 表示三台设备的工作情况,“1”表示正常,“0”表示不正常,令输出为R ,Y ,G 表示红、黄、A B C R Y G 0 0 0 00 1 0 1 0 0 1 1 1 0 0 1 0 1 1 1 0 1 1 11 1 0 0 1 0 0 1 0 1 0 0 0 1 0 1 0 0 1 0 0 0 0 11 ×11 ×××××AB CD 00 0001 01 10 1011 11 1绿三个批示灯的 状态,“1”表示亮,“0”表示灭。
《数字电子技术》试卷一一、 填空(每空1分,共25分)1、(10110)2=( )10=( )16(28)10=( )2=( )16 (56)10=( )8421BCD2、最基本的门电路是: 、 、 。
3、有N 个变量组成的最小项有 个。
4、基本RS 触发器的特征方程为_______ ,约束条件是 __.5、若存储器的容量是256×4RAM,该RAM 有 ___存储单元,有 字,字长_____位,地址线 根。
6、用N 位移位寄存器构成的扭环形计数器的模是________.7、若令JK 触发器的J=K=T 则构成的触发器为_______.8、如图所示,Y= 。
9、如图所示逻辑电路的输出Y= 。
10、已知Y=D AC BC B A ++,则Y = ,Y/= 。
11、组合逻辑电路的特点是_________、___________;与组合逻辑电路相比,时序逻辑电路的输出不仅仅取决于此刻的_______;还与电路 有关。
二、 化简(每小题5分,共20分)1、公式法化简(1)Y=ABC ABC BC BC A ++++=+++(2)Y ABC A B C2、用卡诺图法化简下列逻辑函数=+++(1)Y BCD BC ACD ABDY=∑+∑(2)(1,3,4,9,11,12,14,15)(5,6,7,13)m d三、设下列各触发器初始状态为0,试画出在CP作用下触发器的输出波形(10分)四、用74LS161四位二进制计数器实现十进制计数器(15分)五、某汽车驾驶员培训班结业考试,有三名评判员,其中A 为主评判员,B 、C 为副评判员,评判时,按照少数服从多数原则,但若主评判员认为合格也可以通过。
试用74LS138和与非门实现此功能的逻辑电路。
(15分)P Q A Q B Q C Q D C T 74LS161 LD CPQ A 、Q B 、Q C 、Q D :数据输出端; A 、B 、C 、D :数据输入端; P 、T :计数选通端;r C :异步复位端;CP :时钟控制输入端;D L :同步并置数控制端;六、试分析如图电路的逻辑功能,设各触发器的初始状态为0(15分)《数字电子技术》试卷一参考答案一、填空(每空1分,共25分)1、10(22)、16(16);2(11100)、16(1)C ;8421(01010110)BCD 。
数字电子技术试题及答案一、单项选择题(每题2分,共20分)1. 在数字电路中,最基本的逻辑关系是:A. 与逻辑B. 或逻辑C. 非逻辑D. 异或逻辑2. 下列哪个不是数字电路的特点:A. 抗干扰能力强B. 集成度高C. 功耗高D. 可靠性高3. 一个3输入的与门,当所有输入都为高电平时,输出为:A. 低电平B. 高电平C. 悬空D. 随机状态4. 在数字电路设计中,以下哪个不是常用的逻辑门:A. NAND门B. NOR门C. XOR门D. AND-OR-NOT门5. 一个D触发器的初始状态为0,当输入D=1时,时钟信号上升沿触发后,Q端的输出状态为:A. 0B. 1C. 保持不变D. 翻转6. 在数字电路中,计数器的主要功能是:A. 放大信号B. 存储信息C. 计数和分频D. 逻辑判断7. 下列哪个不是触发器的类型:A. SR触发器B. JK触发器C. D触发器D. 三态触发器8. 在数字电路中,一个4位二进制计数器最多可以计数到:A. 4B. 8C. 16D. 329. 一个简单的数字钟电路至少需要多少个计数器:A. 1B. 2C. 3D. 410. 在数字电路中,以下哪个不是同步计数器的特点:A. 所有触发器的时钟信号同步B. 计数速度快C. 结构复杂D. 计数精度高答案:1-5 B A B B B;6-10 C D C B C二、多项选择题(每题3分,共15分)1. 数字电路中常用的逻辑门包括:A. 与门B. 或门C. 非门D. 异或门E. 同或门2. 下列哪些是数字电路的优点:A. 集成度高B. 功耗低C. 抗干扰能力强D. 易于实现大规模集成E. 易于设计和测试3. 触发器的类型包括:A. SR触发器B. JK触发器C. D触发器D. T触发器E. 三态触发器4. 计数器的计数方式包括:A. 同步计数B. 异步计数C. 双向计数D. 递增计数E. 递减计数5. 以下哪些是数字电路设计中常用的优化方法:A. 逻辑简化B. 门电路优化C. 布局优化D. 时序优化E. 电源管理优化答案:1 ABCDE;2 ABCDE;3 ABCD;4 ABCE;5 ABCDE三、填空题(每空1分,共10分)1. 在数字电路中,最基本的逻辑关系包括______、______和非逻辑。
一、选择题1.十进制数1的余3码是_____C___。
A .1011B .1010C .0100D .10012.格雷码的特点是相邻码组中有___C____位码相异。
A .三位 B.两位 C.一位 D.四位3. n 个变量的最小项是 A 。
A. n 个变量的积项,它包含全部n 个变量,每个变量可用元变量或非变量。
B. n 个变量的和项,它包含全部n 个变量,每个变量可用元变量或非变量。
C. n 个变量的积项,它包含全部n 个变量,每个变量仅为元变量。
D. n 个变量的和项,它包含全部n 个变量,每个变量仅为元变量。
4.下述BCD 码中,属于有权码的是__D____。
A.余3码B.循环码C.格雷码D.8421码 5. 最小项ABCD 的逻辑相邻项是_____C___。
A .ABCD B. ABCD C.ABCD D. ABCD 6. 时序电路中对于自启动能力的描述是 B 。
A. 无效状态自动进入有效循环,称为具有自启动能力。
B. 无效状态在时钟脉冲作用下进入有效循环,称为具有自启动能力。
C. 有效状态在时钟脉冲作用下进入有效循环,称为具有自启动能力。
D. 有效状态自动进入有效循环,称为具有自启动能力。
7.用四选一数据选择器实现函数0101A A A A Y +=,应使___A_____。
( )A .D 0=D 2=0,D 1=D 3=1 B. D 0=D 2=1,D 1=D 3=0 C.D 0=D 1=0,D 2=D 3=1 D. D 0=D 1=1,D 2=D 3=0 8. 全加器中向高位的进位1+i C 为__B ___。
A.ii i C B A ⊕⊕ B .i i i i i C B A B A )(⊕+C.ii i C B A ++ D.ii i B C A )(⊕9.能实现从多个输入端中选出一路作为输出的电路称为__C______。
A.触发器B.计数器 C .数据选择器 D.译码器 10.用3个JK 触发器最多可以设计模 D 的计数器。
数字电子技术试题及答案一、选择题(每题2分,共20分)1. 在数字电路中,逻辑“与”门的输出为高电平的条件是:A. 所有输入均为高电平B. 至少有一个输入为高电平C. 所有输入均为低电平D. 至少有一个输入为低电平答案:A2. 下列哪个不是组合逻辑电路的特点?A. 输出只依赖于当前的输入B. 输出与输入之间存在时间延迟C. 没有存储功能D. 电路结构简单答案:B3. 在数字电路中,一个D触发器的初始状态为Q=0,当输入D=1时,触发器的输出Q变为:A. 0B. 1C. 保持不变D. 无法确定答案:B4. 以下哪个不是数字电路中常用的逻辑门?A. 与门B. 或门C. 非门D. 异或门答案:D5. 在数字电路中,一个JK触发器的J=0,K=1时,触发器的状态会发生:A. 保持不变B. 翻转C. 置0D. 置1答案:B6. 下列哪个不是数字电路中的编码方式?A. 二进制编码B. 格雷码C. 十进制编码D. 奇偶校验码答案:C7. 在数字电路中,一个计数器的计数范围是2^n,那么该计数器的位数是:A. nB. n-1C. n+1D. 2n答案:A8. 一个4位的二进制计数器,从0000开始计数,当计数到1111时,下一个状态是:A. 0000B. 1000C. 0001答案:A9. 在数字电路中,一个移位寄存器的移位方向是:A. 左移B. 右移C. 双向移位D. 随机移位答案:C10. 以下哪个不是数字电路中的触发器类型?A. SR触发器B. JK触发器C. D触发器D. 与非门答案:D二、填空题(每题2分,共20分)1. 在数字电路中,一个3输入的或门,当输入为100时,输出为________。
答案:12. 如果一个触发器的Q输出为0,那么它的非Q输出为________。
答案:13. 在数字电路中,一个T触发器的T输入为1时,触发器的状态会________。
答案:翻转4. 在数字电路中,一个同步计数器的计数速度比异步计数器的计数速度________。