小型农田水利工程项目划分核定表
- 格式:xls
- 大小:34.00 KB
- 文档页数:63
四川省小(微)型农田水利工程表2.1 基础开挖与处理(岩基)单元工程质量评定表
四川省小(微)型农田水利工程
表2.2 基础开挖与处理(软基)单元工程质量评定表
表2.3 坡面清理及开挖单元工程质量评定表
表2.4 填方单元工程质量评定表
四川省小(微)型农田水利工程表2.5 浆砌石单元工程质量评定表
四川省小(微)型农田水利工程表2.5-1 浆砌石层面处理工序质量评定表
表2.5-2 浆砌石砌筑工序质量评定表
表2.5-3 浆砌石勾缝工序质量评定表
表2.8 砌砖单元工程质量评定表。
质量评定表编制说明本套小农水项目工程质量评定表根据水利水电工程的建设的相关规定以及相关小农水项目质量评定并参照相关省市和市质量中心站编制的评定表格,结合北碚区小农水项目实际编制而成。
有的表格名称及内容尚待修正。
是否需要项目划分,如需要,建议以镇为单位划分小农水单位工程,以村为单位划分分部工程,以独立的山坪塘或渠道、蓄水池划分单元工程。
以上是形成的初步意见,请唐局及北碚区水利工程质量监督站、水利站的同仁审阅修订。
水利水电工程山坪塘外观质量评定表注:量大时,标准分采用括号内数值。
水利水电工程明(暗)渠工程外观质量评定表水利水电工程泵站房屋安装工程观感质量评定表水利水电工程引(供)水管道(塑性管)工序质量评定表水利水电工程引(供)水管道(金属管)工序质量评定表水利水电工程工艺管道和阀门安装工序质量评定表山坪塘工程整治单元工程质量评定表项目名称:合同编号:No.:山坪塘工程坝基清理工序质量评定表项目名称:合同编号:No.:山坪塘工程土料碾压工序质量评定表项目名称:合同编号:No.:注:表中“△”项为主要检查(测)项目。
山坪塘工程混凝土预制块护坡工序质量评定表山坪塘工程浆砌石护坡(壁)工序质量评定表山坪塘工程干砌石护坡工序质量评定表山坪塘工程坝坡修整工序质量评定表蓄水池单元工程质量评定表水池滤料填放工序质量评定表注:标注△者为关键部位。
泵站机泵安装工序质量评定表注:标注△者为关键部位。
泵站泵房单元质量评定表注:标注△者为关键部位。
道路工序质量评定表排水沟工序质量评定表钢涵闸(洞)工序质量评定表水稻育秧(蔬菜)大棚高台单元工程质量评定表泥结碎石路面工序质量评定表渠道整修单元工程质量评定表输电线安装工序质量评定表房屋基础工序质量评定表墙体工序质量评定表门窗工序质量评定表屋面工序质量评定表水利水电工程表7.22 浆砌石墩(墙)砌筑工序质量评定表水利水电工程表7.23 石料质量评定表水利水电工程表1.18砂料质量评定表水利水电工程表1.19粗骨料质量评定表水利水电工程表1.20-1 混凝土拌和物质量评定表表G-2水利水电工程单位工程施工质量评定表水利水电工程水利水电工程表G-1 分部工程施工质量评定表。
小型农田水利工程开工报告审批表小型农田水利工程开工报告单工程名称:川海灌区配套工程第五节小型农田水利工程项目划分核定表工程项目划分表工程项目名称:川海灌区配套工程填表日期:2007年5月23日NO 01项目法人负责人:xxx总监理工程师:xxx设计代表:xxx施工单位负责人: xxx排水沟分部工程验收鉴定书川海县节水灌溉单位工程验收鉴定书验收委员会成员签字表工程质量评定常用表式目录表1.1 单位工程质量评定表表1.2 单位工程施工质量检验资料核查表表2.1分部工程质量评定表表2.2重要隐蔽单元工程(关键部位单元工程)质量等级签证表注:重要隐蔽单元工程验收时,设计单位应同时派地质工程师参加。
备查资料清单中凡涉及到的项目应在“□”内打“√”,如有其他资料应在括号内注明资料的名称。
表3.1 施工放样报验单(承包〔〕放样号)说明:本表一式份,由承包人填写,监理机构审签后,承包人份,监理机构、发包人各份。
表3.2 排水沟单元工程质量评定表表3.3 渠道单元工程质量评定表表3.4 堤基清理单元工程质量评定表表3.5 土料碾压筑堤单元工程质量评定表表3.6 软基和岸坡开挖单元工程质量评定表注:“+”为超挖,“−”为欠挖。
表3.7 混凝土单元工程质量评定表表3.7.1 基础面或混凝土施工缝处理工序质量评定表表3.7.2 混凝土模板工序质量评定表小型农田水利工程表3.7.3 混凝土钢筋工序质量评定表表3.7.3 混凝土钢筋工序质量评定表续表表3.7.4 混凝土止水、伸缩缝和排水管安装工序质量评定表表3.7.5 混凝土浇筑工序质量评定表表3.8 反滤工程单元工程质量评定表表3.9 垫层工程单元工程质量评定表表3.10 水泥砂浆砌石体单元工程质量评定表小型农田水利工程表3.10.1 水泥砂浆砌石体浆砌石体面层处理工序程质量评定表小型农田水利工程表3.10.2 水泥砂浆砌石体砌筑工序质量评定表表3.11 干砌石护坡单元工程质量评定表表3.12 浆砌石护坡单元工程质量评定表表3.13 混凝土预制块护坡单元工程质量评定表表3.14 混凝土预制构件制作质量评定表。
永寿县2012年度小型农田水利重点县建设工程项目划分表咸阳广誉建设监理有限公司永寿县小型农田水利重点县工程项目监理部2013年5月20日工程项目名称: 永寿县2012年度小型农田水利重点县建设项目填表日期:2013年5月20 日No_01永寿县2012年度小型农田水利重点县建设工程项目划分表工程项目名称:永寿县2012年度小型农田水利重点县建设项目填表日期:2013年5月20 日No_2项目法人负责人:总监理工程师:设计代表:施工单位负责人:工程项目名称:永寿县2012年度小型农田水利重点县建设项目填表日期:2013年5月20 日No_3永寿县2012年度小型农田水利重点县建设工程项目划分表工程项目名称:永寿县2012年度小型农田水利重点县建设项目填表日期:2013年5月20 日No_4项目法人负责人:总监理工程师:设计代表:施工单位负责人:工程项目名称:永寿县2012年度小型农田水利重点县建设项目填表日期:2013年5月20 日No_5永寿县2012年度小型农田水利重点县建设工程项目划分表工程项目名称:永寿县2012年度小型农田水利重点县建设项目填表日期:2013年5月20 日No_6项目法人负责人:总监理工程师:设计代表:施工单位负责人:工程项目名称:永寿县2012年度小型农田水利重点县建设项目填表日期:2013年5月20 日No_7永寿县2012年度小型农田水利重点县建设工程项目划分表工程项目名称:永寿县2012年度小型农田水利重点县建设项目填表日期:2013年5月20 日No_8项目法人负责人: 总监理工程师: 设计代表: 施工单位负责人:永寿县2012年度小型农田水利重点县建设工程项目划分表工程项目名称:永寿县2012年度小型农田水利重点县建设项目填表日期:2013年5月20 日No_9永寿县2012年度小型农田水利重点县建设工程项目划分表工程项目名称:永寿县2012年度小型农田水利重点县建设项目填表日期:2013年5月20 日No_10项目法人负责人: 总监理工程师: 设计代表: 施工单位负责人:永寿县2012年度小型农田水利重点县建设工程项目划分表工程项目名称:永寿县2012年度小型农田水利重点县建设项目填表日期:2013年5月20 日No_11项目法人负责人: 总监理工程师: 设计代表: 施工单位负责人:永寿县2012年度小型农田水利重点县建设工程项目划分表工程项目名称:永寿县2012年度小型农田水利重点县建设项目填表日期:2013年5月20 日No_12项目法人负责人: 总监理工程师: 设计代表: 施工单位负责人:永寿县2012年度小型农田水利重点县建设工程项目划分表工程项目名称:永寿县2012年度小型农田水利重点县建设项目填表日期:2013年5月20 日No_13项目法人负责人: 总监理工程师: 设计代表: 施工单位负责人:永寿县2012年度小型农田水利重点县建设工程项目划分表工程项目名称:永寿县2012年度小型农田水利重点县建设项目填表日期:2013年5月20 日No_14永寿县2012年度小型农田水利重点县建设工程项目划分表工程项目名称:永寿县2012年度小型农田水利重点县建设项目填表日期:2013年5月20 日No_15项目法人负责人: 总监理工程师: 设计代表: 施工单位负责人:永寿县2012年度小型农田水利重点县建设工程项目划分表工程项目名称:永寿县2012年度小型农田水利重点县建设项目填表日期:2013年5月20 日No_16项目法人负责人:总监理工程师:设计代表:施工单位负责人:工程项目名称:永寿县2012年度小型农田水利重点县建设项目填表日期:2013年5月20 日No_17永寿县2012年度小型农田水利重点县建设工程项目划分表工程项目名称:永寿县2012年度小型农田水利重点县建设项目填表日期:2013年5月20 日No_18项目法人负责人: 总监理工程师: 设计代表: 施工单位负责人:永寿县2012年度小型农田水利重点县建设工程项目划分表工程项目名称:永寿县2012年度小型农田水利重点县建设项目填表日期:2013年5月20 日No_19永寿县2012年度小型农田水利重点县建设工程项目划分表工程项目名称:永寿县2012年度小型农田水利重点县建设项目填表日期:2013年5月20 日No_20项目法人负责人: 总监理工程师: 设计代表: 施工单位负责人:永寿县2012年度小型农田水利重点县建设工程项目划分表工程项目名称:永寿县2012年度小型农田水利重点县建设项目填表日期:2013年5月20 日No_21永寿县2012年度小型农田水利重点县建设工程项目划分表工程项目名称:永寿县2012年度小型农田水利重点县建设项目填表日期:2013年5月20 日No_22项目法人负责人:总监理工程师:设计代表:施工单位负责人:工程项目名称:永寿县2012年度小型农田水利重点县建设项目填表日期:2013年5月20 日No_23永寿县2012年度小型农田水利重点县建设工程项目划分表工程项目名称:永寿县2012年度小型农田水利重点县建设项目填表日期:2013年5月20 日No_24项目法人负责人: 总监理工程师: 设计代表: 施工单位负责人:永寿县2012年度小型农田水利重点县建设工程项目划分表工程项目名称:永寿县2012年度小型农田水利重点县建设项目填表日期:2013年5月20 日No_25项目法人负责人: 总监理工程师: 设计代表: 施工单位负责人:永寿县2012年度小型农田水利重点县建设工程项目划分表工程项目名称:永寿县2012年度小型农田水利重点县建设项目填表日期:2013年5月20 日No_26永寿县2012年度小型农田水利重点县建设工程项目划分表工程项目名称:永寿县2012年度小型农田水利重点县建设项目填表日期:2013年5月20 日No_27项目法人负责人: 总监理工程师: 设计代表: 施工单位负责人:永寿县2012年度小型农田水利重点县建设工程项目划分表工程项目名称:永寿县2012年度小型农田水利重点县建设项目填表日期:2013年5月20 日No_28项目法人负责人: 总监理工程师: 设计代表: 施工单位负责人:永寿县2012年度小型农田水利重点县建设工程项目划分表工程项目名称:永寿县2012年度小型农田水利重点县建设项目填表日期:2013年5月20 日No_29项目法人负责人: 总监理工程师: 设计代表: 施工单位负责人:永寿县2012年度小型农田水利重点县建设工程项目划分表工程项目名称:永寿县2012年度小型农田水利重点县建设项目填表日期:2013年5月20 日No_30项目法人负责人: 总监理工程师: 设计代表: 施工单位负责人:永寿县2012年度小型农田水利重点县建设工程项目划分表工程项目名称:永寿县2012年度小型农田水利重点县建设项目填表日期:2013年5月20 日No_31项目法人负责人: 总监理工程师: 设计代表: 施工单位负责人:永寿县2012年度小型农田水利重点县建设工程项目划分表工程项目名称:永寿县2012年度小型农田水利重点县建设项目填表日期:2013年5月20 日No_32项目法人负责人: 总监理工程师: 设计代表: 施工单位负责人:永寿县2012年度小型农田水利重点县建设工程项目划分表工程项目名称:永寿县2012年度小型农田水利重点县建设项目填表日期:2013年5月20 日No_33项目法人负责人: 总监理工程师: 设计代表: 施工单位负责人:永寿县2012年度小型农田水利重点县建设工程项目划分表工程项目名称:永寿县2012年度小型农田水利重点县建设项目填表日期:2013年5月20 日No_34项目法人负责人: 总监理工程师: 设计代表: 施工单位负责人:永寿县2012年度小型农田水利重点县建设工程项目划分表工程项目名称:永寿县2012年度小型农田水利重点县建设项目填表日期:2013年5月20 日No_35项目法人负责人: 总监理工程师: 设计代表: 施工单位负责人:。
工程项目名称:2013年xx市小型农田水利重点县工程x标段
工程项目名称:2013年xx市小型农田水利重点县工程x标段
工程项目名称:2013年xx市小型农田水利重点县工程x标段
工程项目名称:2013年xx市小型农田水利重点县工程x标段
合同编号:ZHZB-2013-xx9-xx
工程项目划分表
工程项目名称:2013年xx市小型农田水利重点县工程x标段
工程项目名称:2013年xx市小型农田水利重点县工程x标段
工程项目名称:2013年xx市小型农田水利重点县工程x标段
工程项目名称:2013年xx市小型农田水利重点县工程x标段
工程项目名称:2013年xx市小型农田水利重点县工程x标段
工程项目名称:2013年xx市小型农田水利重点县工程x标段
工程项目名称:2013年xx市小型农田水利重点县工程x标段
工程项目名称:2013年xx市小型农田水利重点县工程x标段
工程项目名称:2013年xx市小型农田水利重点县工程x标段。
XXXX年度小型农田水利工程项目划分表工程项目划分表咸阳广誉建设监理有限公司永寿县小型农田水利重点县工程项目监理部2013年5月20日永寿县2012年度小型农田水利重点县建设工程项目划分表工程项目名称:永寿县2012年度小型农田水利重点县建设项目填表日期:2013年 5 月20 日No 01永寿县2012年度小型农田水利重点县建设工程项目划分表工程项目名称:永寿县2012年度小型农田水利重点县建设项目填表日期:2013年 5 月20 日No 02永寿县2012年度小型农田水利重点县建设工程项目划分表工程项目名称:永寿县2012年度小型农田水利重点县建设项目填表日期:2013年 5 月20 日No 03永寿县2012年度小型农田水利重点县建设工程项目划分表工程项目名称:永寿县2012年度小型农田水利重点县建设项目填表日期:2013年 5 月20 日No 04永寿县2012年度小型农田水利重点县建设工程项目划分表工程项目名称:永寿县2012年度小型农田水利重点县建设项目填表日期:2013年 5 月20 日No 05永寿县2012年度小型农田水利重点县建设工程项目划分表工程项目名称:永寿县2012年度小型农田水利重点县建设项目填表日期:2013年 5 月20 日No 06永寿县2012年度小型农田水利重点县建设工程项目划分表工程项目名称:永寿县2012年度小型农田水利重点县建设项目填表日期:2013年 5 月20 日No 07永寿县2012年度小型农田水利重点县建设工程项目划分表工程项目名称:永寿县2012年度小型农田水利重点县建设项目填表日期:2013年 5 月20 日No 08永寿县2012年度小型农田水利重点县建设工程项目划分表工程项目名称:永寿县2012年度小型农田水利重点县建设项目填表日期:2013年 5 月20 日No 09永寿县2012年度小型农田水利重点县建设工程项目划分表工程项目名称:永寿县2012年度小型农田水利重点县建设项目填表日期:2013年 5 月20 日No 10永寿县2012年度小型农田水利重点县建设工程项目划分表工程项目名称:永寿县2012年度小型农田水利重点县建设项目填表日期:2013年 5 月20 日No 11永寿县2012年度小型农田水利重点县建设工程项目划分表工程项目名称:永寿县2012年度小型农田水利重点县建设项目填表日期:2013年 5 月20 日No 12永寿县2012年度小型农田水利重点县建设工程项目划分表工程项目名称:永寿县2012年度小型农田水利重点县建设项目填表日期:2013年 5 月20 日No 13永寿县2012年度小型农田水利重点县建设工程项目划分表工程项目名称:永寿县2012年度小型农田水利重点县建设项目填表日期:2013年 5 月20 日No 14永寿县2012年度小型农田水利重点县建设工程项目划分表工程项目名称:永寿县2012年度小型农田水利重点县建设项目填表日期:2013年 5 月20 日No 15永寿县2012年度小型农田水利重点县建设工程项目划分表工程项目名称:永寿县2012年度小型农田水利重点县建设项目填表日期:2013年 5 月20 日No 16永寿县2012年度小型农田水利重点县建设工程项目划分表工程项目名称:永寿县2012年度小型农田水利重点县建设项目填表日期:2013年 5 月20 日No 17永寿县2012年度小型农田水利重点县建设工程项目划分表工程项目名称:永寿县2012年度小型农田水利重点县建设项目填表日期:2013年 5 月20 日No 18永寿县2012年度小型农田水利重点县建设工程项目划分表工程项目名称:永寿县2012年度小型农田水利重点县建设项目填表日期:2013年 5 月20 日No 19永寿县2012年度小型农田水利重点县建设工程项目划分表工程项目名称:永寿县2012年度小型农田水利重点县建设项目填表日期:2013年 5 月20 日No 20永寿县2012年度小型农田水利重点县建设工程项目划分表工程项目名称:永寿县2012年度小型农田水利重点县建设项目填表日期:2013年 5 月20 日No 21永寿县2012年度小型农田水利重点县建设工程项目划分表工程项目名称:永寿县2012年度小型农田水利重点县建设项目填表日期:2013年 5 月20 日No 22永寿县2012年度小型农田水利重点县建设工程项目划分表工程项目名称:永寿县2012年度小型农田水利重点县建设项目填表日期:2013年 5 月20 日No 23永寿县2012年度小型农田水利重点县建设工程项目划分表工程项目名称:永寿县2012年度小型农田水利重点县建设项目填表日期:2013年 5 月20 日No 24永寿县2012年度小型农田水利重点县建设工程项目划分表工程项目名称:永寿县2012年度小型农田水利重点县建设项目填表日期:2013年 5 月20 日No 25永寿县2012年度小型农田水利重点县建设工程项目划分表工程项目名称:永寿县2012年度小型农田水利重点县建设项目填表日期:2013年 5 月20 日No 26永寿县2012年度小型农田水利重点县建设工程项目划分表工程项目名称:永寿县2012年度小型农田水利重点县建设项目填表日期:2013年 5 月20 日No 27永寿县2012年度小型农田水利重点县建设工程项目划分表工程项目名称:永寿县2012年度小型农田水利重点县建设项目填表日期:2013年 5 月20 日No 28永寿县2012年度小型农田水利重点县建设工程项目划分表工程项目名称:永寿县2012年度小型农田水利重点县建设项目填表日期:2013年 5 月20 日No 29。
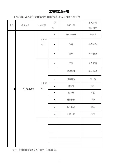
工程项目划分表
工程名称:浦东新区大团镇邵宅海潮村高标准农田水利专项工程
备注:根据项目划分情况进行调整,不够可附页。
工程项目划分表
工程名称:浦东新区大团镇邵宅海潮村高标准农田水利专项工程
备注:根据项目划分情况进行调整,不够可附页。
工程项目划分表
工程名称:浦东新区大团镇邵宅海潮村高标准农田水利专项工程
备注:根据项目划分情况进行调整,不够可附页。
工程项目划分表
工程名称:浦东新区大团镇邵宅海潮村高标准农田水利专项工程
备注:根据项目划分情况进行调整,不够可附页。
工程项目划分表
工程名称:浦东新区大团镇邵宅海潮村高标准农田水利专项工程
油打气。
目录第一章工程开工手续及项目划分第一节小型农田水利工程开工报告审批表第二节小型农田水利工程开工报告单第三节协议书格式第四节质量监督书格式第五节小型农田水利工程项目划分核定表第六节项目划分一般规定第二章工程验收鉴定书格式第一节分部工程验收鉴定书格式第二节单位工程验收鉴定书格式第三节竣工验收鉴定书格式第四节工程建设工作报告编制大纲第五节质量评定报告第三章工程质量评定常用表式第一节单位工程质量评定表第二节单位工程施工质量检验资料核查表第三节分部工程质量评定表第四节重要隐蔽单元工程(关键部位单元工程)质量等级签证表第五节施工放样报验单.第六节排水沟单元工程质量评定表第七节渠道单元工程质量评定表第八节堤基清理单元工程质量评定表第九节土料碾压筑堤单元工程质量评定表第十节软基和岸坡开挖单元工程质量评定表第十一节混凝土单元工程质量评定表第十二节基础面或混凝土施工缝处理工序质量评定表第十三节混凝土模板工序质量评定表第十四节混凝土钢筋工序质量评定表第十五节混凝土止水、伸缩缝和排水管安装工序质量评定表第十六节混凝土浇筑工序质量评定表第十七节反滤工程单元工程质量评定表第十八节垫层工程单元工程质量评定表第十九节水泥砂浆砌石体单元工程质量评定表..第二十节水泥砂浆砌石体浆砌石体面层处理工序质量评定表第二十一节水泥砂浆砌石体砌筑工序质量评定表第二十二节干砌石护坡单元工程质量评定表第二十三节浆砌石护坡单元工程质量评定表第二十四节混凝土预制块护坡单元工程质量评定表第二十五节混凝土预制构件制作质量评定表第二十六节混凝土预制构件安装单元工程质量评定表第二十七节造孔灌注桩基础单元工程质量评定表第二十八节闸门安装单元工程质量评定表第二十九节螺杆式启闭机安装单元工程质量评定表第三十节拦污栅安装单元工程质量评定表第三十一节水泵安装单元工程质量评定表第三十二节涵闸单元工程质量评定表第三十三节混凝土挡土墙圆涵单元工程质量评定表第三十四节浆砌石挡土墙圆涵单元工程质量评定表第三十五节浆砌石盖板涵单元工程质量评定表第三十六节装配式圆涵单元工程质量评定表第三十七节梯田工程单元工程质量评定表第三十八节沟头防护工程单元工程质量评定表第三十九节小块水地单元工程质量评定表第四十节人工种草单元工程质量评定表第四十一节育苗单元工程质量评定表第四十二节坝坡修整单元工程质量评定表第四十三节谷坊单元工程质量评定表第四十四节造林单元工程质量评定表第四十五节果园单元工程质量评定表第四十六节现浇混凝土单元工程质量评定表第四十七节水源井凿井工程单元工程质量评定表第四十八节水源井钻孔工序质量评定表第四十九节水源井管材及制作工序质量评定表第五十节水源井下管工序质量评定表第五十一节水源井滤料填放工序质量评定表第五十二节水源井封井工序质量评定表第五十三节水源井机泵安装工序质量评定表第五十四节水源井洗井及抽水试验工序质量评定表第五十五节水源井泵房单元工程质量评定表第五十六节基础工序质量评定表第五十七节墙体工序质量评定表第五十八节门窗工序质量评定表第五十九节屋面工序质量评定表第六十节输电线路安装单元工程质量评定表第六十一节土地平整单元工程质量评定表第六十二节钢(铁)涵闸单元工程质量评定表第六十三节钢(铁)涵洞单元工程质量评定表第六十四节晒水池单元工程质量评定表第六十五节水稻育秧大棚高台单元工程质量评定表第六十六节泥结碎石路面单元工程质量评定表第六十七节道路单元工程质量评定表第六十八节暗管、鼠洞单元工程质量评定表第六十九节混凝土预制块衬砌单元工程质量评定表第七十节暗管检修井单元工程质量评定表第四章工程资料归档要求及装订样式第一节工程资料整编内容及归档要求第二节单位工程资料总目录样式第三节档案封皮样式第四节档案盒正面样式第五节档案盒侧面样式第六节竣工图章及竣工图确认章样式附小型农田水利工程验收管理手册条文说明...第一章工程开工手续及项目划分开工管理是基本建设程序的主要环节,是加强建设管理工作的有效手段。
目录第一章工程开工手续及项目划分第一节小型农田水利工程开工报告审批表第二节小型农田水利工程开工报告单第三节协议书格式第四节质量监督书格式第五节小型农田水利工程项目划分核定表第六节项目划分一般规定第二章工程验收鉴定书格式第一节分部工程验收鉴定书格式第二节单位工程验收鉴定书格式第三节竣工验收鉴定书格式第四节工程建设工作报告编制大纲第五节质量评定报告第三章工程质量评定常用表式第一节单位工程质量评定表第二节单位工程施工质量检验资料核查表第三节分部工程质量评定表第四节重要隐蔽单元工程(关键部位单元工程)质量等级签证表第五节施工放样报验单.第六节排水沟单元工程质量评定表第七节渠道单元工程质量评定表第八节堤基清理单元工程质量评定表第九节土料碾压筑堤单元工程质量评定表第十节软基和岸坡开挖单元工程质量评定表第十一节混凝土单元工程质量评定表第十二节基础面或混凝土施工缝处理工序质量评定表第十三节混凝土模板工序质量评定表第十四节混凝土钢筋工序质量评定表第十五节混凝土止水、伸缩缝和排水管安装工序质量评定表第十六节混凝土浇筑工序质量评定表第十七节反滤工程单元工程质量评定表第十八节垫层工程单元工程质量评定表第十九节水泥砂浆砌石体单元工程质量评定表..第二十节水泥砂浆砌石体浆砌石体面层处理工序质量评定表第二十一节水泥砂浆砌石体砌筑工序质量评定表第二十二节干砌石护坡单元工程质量评定表第二十三节浆砌石护坡单元工程质量评定表第二十四节混凝土预制块护坡单元工程质量评定表第二十五节混凝土预制构件制作质量评定表第二十六节混凝土预制构件安装单元工程质量评定表第二十七节造孔灌注桩基础单元工程质量评定表第二十八节闸门安装单元工程质量评定表第二十九节螺杆式启闭机安装单元工程质量评定表第三十节拦污栅安装单元工程质量评定表第三十一节水泵安装单元工程质量评定表第三十二节涵闸单元工程质量评定表第三十三节混凝土挡土墙圆涵单元工程质量评定表第三十四节浆砌石挡土墙圆涵单元工程质量评定表第三十五节浆砌石盖板涵单元工程质量评定表第三十六节装配式圆涵单元工程质量评定表第三十七节梯田工程单元工程质量评定表第三十八节沟头防护工程单元工程质量评定表第三十九节小块水地单元工程质量评定表第四十节人工种草单元工程质量评定表第四十一节育苗单元工程质量评定表第四十二节坝坡修整单元工程质量评定表第四十三节谷坊单元工程质量评定表第四十四节造林单元工程质量评定表第四十五节果园单元工程质量评定表第四十六节现浇混凝土单元工程质量评定表第四十七节水源井凿井工程单元工程质量评定表第四十八节水源井钻孔工序质量评定表第四十九节水源井管材及制作工序质量评定表第五十节水源井下管工序质量评定表第五十一节水源井滤料填放工序质量评定表第五十二节水源井封井工序质量评定表第五十三节水源井机泵安装工序质量评定表第五十四节水源井洗井及抽水试验工序质量评定表第五十五节水源井泵房单元工程质量评定表第五十六节基础工序质量评定表第五十七节墙体工序质量评定表第五十八节门窗工序质量评定表第五十九节屋面工序质量评定表第六十节输电线路安装单元工程质量评定表第六十一节土地平整单元工程质量评定表第六十二节钢(铁)涵闸单元工程质量评定表第六十三节钢(铁)涵洞单元工程质量评定表第六十四节晒水池单元工程质量评定表第六十五节水稻育秧大棚高台单元工程质量评定表第六十六节泥结碎石路面单元工程质量评定表第六十七节道路单元工程质量评定表第六十八节暗管、鼠洞单元工程质量评定表第六十九节混凝土预制块衬砌单元工程质量评定表第七十节暗管检修井单元工程质量评定表第四章工程资料归档要求及装订样式第一节工程资料整编内容及归档要求第二节单位工程资料总目录样式第三节档案封皮样式第四节档案盒正面样式第五节档案盒侧面样式第六节竣工图章及竣工图确认章样式附小型农田水利工程验收管理手册条文说明...《(第一章 工程开工手续及项目划分开工管理是基本建设程序的主要环节,是加强建设管理工作的有效手段。
小型农田水利工程开工报告审批表小型农田水利工程开工报告单工程名称:合同编号:协议书格式质量监督书格式小型农田水利工程项目划分核定表小型农田水利工程表1.1 单位工程施工质量评定表小型农田水利工程表1.2 单位工程施工质量检验资料核查表(续)小型农田水利工程表2.1 分部工程施工质量评定表小型农田水利工程表2.2重要隐蔽单元工程(关键部位单元工程)质量等级签证表注:重要隐蔽单元工程验收时,设计单位应同时派地质工程师参加。
备查资料清单中凡涉及到的项目应在“□”内打“√”如有其他资料应在括号内注明资料的名称。
小型农田水利工程表3 .1 施工放样报验单说明:本表一式份,有承包人填写,监理机构复核后,承包人份,监理机构、发包人各份。
小型农田水利工程表3.2 排水沟单元工程质量评定表小型农田水利工程渠道单元工程质量评定表表3.3小型农田水利工程表3.4堤基清理单元工程质量评定表表3.5土料碾压筑堤单元工程质量评定表(相同堤防工程)小型农田水利工程表3.6 软基和岸坡开挖单元工程质量评定表注::“+”为超深“–”,为欠挖3.7 混凝土单元工程质量评定表(相同水工建筑)小型水利水电工程小型水利水电工程小型农田水利工程表3.10 水泥砂浆砌石体单元质量评定表小型农田水利工程表3.10.1水泥砂浆砌石体浆砌石体面层处理工序质量评定表优良小型农田水利工程表3.10.2水泥砂浆砌石体砌筑工序质量评定表3.11干砌石护坡单元工程质量评定表(相同堤防工程但无表下批注)3.12浆砌石护坡单元工程质量评定表(相同堤防工程但无表下批注)3.13混凝土预制块护坡单元工程质量评定表(相同堤防工程但无表下批注)小型农田水利工程表3.14 混凝土预制构件制作单元质量评定表续表小型水利水电工水利水电工程表3.16 造孔灌注桩基础单元工程质量评定表评定意见小型农田水利工程表3.17 闸门安装单元工程评定表小型农田水利工程表3.18 丝杠式启闭机安装单元工程质量评定表小型农田水利工程表3.19 拦污栅安装单元工程质量评定表小型农田水利工程表3.20 水泵安装单元工程质量评定表小型农田水利工程表3.21 涵闸单元工程质量评定表小型农田水利工程表3.22 混凝土挡土墙园涵单元工程质量评定表小型农田水利工程表3.23 浆砌石挡土墙园涵单元工程质量评定表小型农田水利工程表3-24 浆砌石盖板涵单元工程质量评定表小型农田水利工程表3.25 装配式园涵单元工程质量评定表。
工程项目划分表
工程名称:浦东新区大团镇邵宅海潮村高标准农田水利专项工程
备注:根据项目划分情况进行调整,不够可附页。
工程项目划分表
工程名称:浦东新区大团镇邵宅海潮村高标准农田水利专项工程
备注:根据项目划分情况进行调整,不够可附页。
工程项目划分表
工程名称:浦东新区大团镇邵宅海潮村高标准农田水利专项工程
备注:根据项目划分情况进行调整,不够可附页。
工程项目划分表
工程名称:浦东新区大团镇邵宅海潮村高标准农田水利专项工程
备注:根据项目划分情况进行调整,不够可附页。
工程项目划分表
工程名称:浦东新区大团镇邵宅海潮村高标准农田水利专项工程。
工程项目划分表
工程项目名称:定南县2011年小型农田水利重点县建设工程(老城镇灌区)填表日期 2011年1月10日NO 004
项目法人:总监理工程师:设计代表:施工单位负责人:
工程项目划分表
工程项目名称:定南县2011年小型农田水利重点县建设工程(老城镇灌区)填表日期 2011年1月10日NO 005
项目法人:总监理工程师:设计代表:施工单位负责人:
工程项目划分表
工程项目名称:定南县2011年小型农田水利重点县建设工程(老城镇灌区)填表日期 2011年1月10日NO 006
项目法人:总监理工程师:设计代表:施工单位负责人:
项目法人:总监理工程师:设计施工单位负责人:
项目法人:总监理工程师:设计施工单位负责人:
项目法人:总监理工程师:设计施工单位负责人:
项目法人: 总监理施工单位负责人:
程师: 设计代表:
项目法人: 总监理工程师: 设计代表:施工单位负责人:
项目法人: 总监理施工单位负责人:
程师: 设计代表:
项目法人: 总监理工程师: 设计代表:施工单位负责人:
项目法人: 总监理施工单位负责人:
程师: 设计代表:
项目法人: 总监理工程师: 设计代表:施工单位负责人:
总监理工程师:设计代表:位负责人:项目法人:总监理工程师:设计代表:施工单位负责人:
总监理工程师:设计代表:位负责人:项目法人:总监理工程师:设计代表:施工单位负责人:
总监理工程师:设计代表:位负责人:项目法人:总监理工程师:设计代表:施工单位负责人:
设计代表:项目法人:总监理工程师:设计代表:施工单位负责人:项目法人:总监理工程师:施工单位负责人:
设计代表:项目法人:总监理工程师:设计代表:施工单位负责人:项目法人:总监理工程师:施工单位负责人:
设计代表:项目法人:总监理工程师:设计代表:施工单位负责人:项目法人:总监理工程师:施工单位负责人:
总监理工程师:设计代表:项目法人:总监理工程师:设计代表:
施工单位负责人:项目法人:
施工单位负责人:
总监理工程师:设计代表:项目法人:总监理工程师:设计代表:
施工单位负责人:项目法人:
施工单位负责人:
总监理工程师:设计代表:项目法人:总监理工程师:设计代表:
施工单位负责人:项目法人:
施工单位负责人:
法人:总监理工程师:设计代表:施工单位负责人:项目法人:总监理工程师:设计代表:施工单位负责人:
法人:总监理工程师:设计代表:施工单位负责人:项目法人:总监理工程师:设计代表:施工单位负责人:
法人:总监理工程师:设计代表:施工单位负责人:项目法人:总监理工程师:设计代表:施工单位负责人:
项目法人: 总监理工程师:施工单位负责人: 设计代表:项目法人:
总监理工程师:
设计代表:施工单位负责人:
项目法人: 总监理工程师:施工单位负责人: 设计代表:项目法人:
总监理工程师:
设计代表:施工单位负责人:
项目法人: 总监理工程师:施工单位负责人: 设计代表:项目法人:
总监理工程师:
设计代表:施工单位负责人:
总监理工程师:设计代表::项目法人:总监理工程师:设计代表:施工单位负责人:
总监理工程师:设计代表::项目法人:总监理工程师:设计代表:施工单位负责人:
总监理工程师:设计代表::项目法人:总监理工程师:设计代表:施工单位负责人:
项目法人:总监理工程师:设计代表:施工单位负责人:项目法人:总监理工程师:设计施工单位负责人:
项目法人:总监理工程师:设计代表:施工单位负责人:项目法人:总监理工程师:设计施工单位负责人:
项目法人:总监理工程师:设计代表:施工单位负责人:项目法人:总监理工程师:设计施工单位负责人:
程师:设计代表:项目法人:总监理工程师:设计代表:
施工单位负责人:项目法人:总监理施工单位负责人:
程师:设计代表:项目法人:总监理工程师:设计代表:
施工单位负责人:项目法人:总监理施工单位负责人:
程师:设计代表:项目法人:总监理工程师:设计代表:
施工单位负责人:项目法人:总监理施工单位负责人:
总监理工程师:设计代表:位负责人:项目法人:总监理工程师:设计代表:施工单位负责人:
总监理工程师:设计代表:位负责人:项目法人:总监理工程师:设计代表:施工单位负责人:
总监理工程师:设计代表:位负责人:项目法人:总监理工程师:设计代表:施工单位负责人:
项目法人: 总监理工程师:
施工单位负责人: 设计代表:项目法人:
总监理工程师: 设计代表:施工单位负责人:
项目法人: 总监理工程师:
施工单位负责人: 设计代表:项目法人:
总监理工程师: 设计代表:施工单位负责人:
项目法人: 总监理工程师:
施工单位负责人: 设计代表:项目法人:
总监理工程师: 设计代表:施工单位负责人:
总监理工程师:设计代表:项目法人:总监理工程师:设计代表:
施工单位负责人:项目法人:
施工单位负责人:
总监理工程师:设计代表:项目法人:总监理工程师:设计代表:
施工单位负责人:项目法人:
施工单位负责人:
总监理工程师:设计代表:项目法人:总监理工程师:设计代表:
施工单位负责人:项目法人:
施工单位负责人:
法人:总监理工程师:设计代表:施工单位负责人:项目法人:总监理工程师:设计代表:施工单位负责人:
法人:总监理工程师:设计代表:施工单位负责人:项目法人:总监理工程师:设计代表:施工单位负责人:
法人:总监理工程师:设计代表:施工单位负责人:项目法人:总监理工程师:设计代表:施工单位负责人:
设计代表:项目法人:总监理工程师:设计代表:施工单位负责人:项目法人:总监理工程师:施工单位负责人:
设计代表:项目法人:总监理工程师:设计代表:施工单位负责人:项目法人:总监理工程师:施工单位负责人:
设计代表:项目法人:总监理工程师:设计代表:施工单位负责人:项目法人:总监理工程师:施工单位负责人:
总监理工程师:设计代表::项目法人:总监理工程师:设计代表:施工单位负责人:
总监理工程师:设计代表::项目法人:总监理工程师:设计代表:施工单位负责人:。