浆砌石坝水泥砂浆勾缝单元工程质量评定表
- 格式:xlsx
- 大小:12.74 KB
- 文档页数:1
浆砌石护坡单元工程施工质量验收评定表
水泥砂浆砌石体层面处理工序施工质量验收评定表
水泥砂浆砌石体砌筑工序施工质量验收评定表
水泥砂浆砌石体砌筑工序施工质量验收评定表(续)
水泥砂浆砌石体伸缩缝工序施工质量验收评定表
表7.3.4-2 水泥砂浆砌体表面砌缝宽度控制标准
表7.3.4-3 浆砌石坝体外轮廓尺寸偏差控制标准
表7.3.4-4 浆砌石墩、墙砌体位置、尺寸偏差控制标准
表7.3.4-5 浆砌石溢洪道溢流面砌筑结构尺寸偏差控制标准
项次
类别
项目允许偏差(mm)检验方法及数量
1 砌缝类别平缝宽
15mm
±2
测量。
每100m²抽查1处,每处10m²,
每个单元不少于3处
竖缝宽
15~20mm
±2
2 平面控制
堰顶±10
经纬仪、水准仪测量,每100m²抽查20
个点
轮廓线±20
3 竖向控制
堰顶±10
其他位置±20
4 表面平整度20 2m靠尺检查,每100m²抽查20个点。
隧洞工程浆砌石护坡单元工程指令评定表单元工程施工质量验收评定表(划分工序)单位工程名称单元工程量分部工程名称施工单位单元工程名称、部位施工日期年月日~年月日项次工序编号工序质量验收评定等级123456施工单位自评意见各工序施工质量全部合格,其中优良工序占 %,且主要工序达到等级。
单元质量等级评定为:(签字,加盖公章)年月日监理单位复核意见经抽查并查验相关检验报告和检验资料,各工序施工质量全部合格,其中优良工序占 %,且主要工序达到等级。
单元质量等级评定为:(签字,加盖公章)年月日注1:对重要隐蔽单元工程和关键部位单元工程的施工质量验收评定应有设计、建设等单位的代表签字,具体要求应满足SL176的规定。
注2:本表所填“单元工程量”不作为施工单位工程量结算计量的依据。
表土及土质岸坡清理施工质量验收评定表单位工程名称工序编号分部工程名称施工单位单元工程名称、部位施工日期年月日~年月日项次检验项目质量标准检查(测)记录合格数合格率主控项目1 表土清理树木、草皮、树根、乱石、坟墓以及各种建筑物全部清除;水井、泉眼、地道、坑窖等洞穴的处理符合设计要求2不良土质的处理淤泥、腐殖质土、泥炭土全部清除;对风化岩石、坡积物、残积物、滑坡体、粉土、细砂等处理符合设计要求3地质坑、孔处理构筑物基础区范围内的地质探孔、竖井、试坑的处理符合设计要求;回填材料质量满足设计要求一般项目1 清理范围满足设计要求。
长、宽边线允许偏差:人工施工0~50cm,机械施工0~100cm 2土质岸边坡度不陡于设计边坡施工单位自评意见主控项目检验点100%合格,一般项目逐项检验点的合格率 %,且不合格点不集中分布。
工序质量等级评定为:年月日监理单位复核意见经复核,主控项目检验点100%合格,一般项目逐项检验点的合格率 %,且不合格点不集中分布。
工序质量等级评定为:年月日岩石岸坡开挖施工质量验收评定表单位工程名称工序编号分部工程名称施工单位单元工程名称、部位施工日期年月日~年月日项次检验项目质量标准检查(测)记录合格数合格率主控项目1保护层开挖浅孔、密孔、少药量、控制爆破2 开挖坡面稳定且无松动岩块、悬挂体和尖角3岩体的完整性爆破未损害岩体的完整性,开挖面无明显爆破裂隙,声波降低率小于10%或满足设计要求一般项目1 平均坡度开挖坡面不陡于设计坡度,台阶(平台、马道)符合设计要求2 坡角标高±20cm3坡面局部超欠挖允许偏差:欠挖不大于20cm,超挖不大于30cm4炮孔痕迹保存率节理裂隙不发育的岩体>80%节理裂隙发育的岩体>50%节理裂隙极发育的岩体>20%施工单位自评意见主控项目检验点100%合格,一般项目逐项检验点的合格率 %,且不合格点不集中分布。
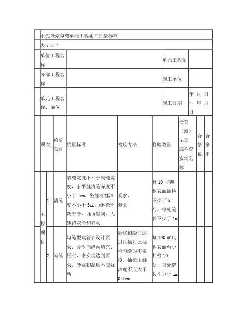
b 水泥砂浆勾缝单元工程施工质量验收评定表及填表说明1水泥砂浆勾缝单元工程施工质量验收评定表填表说明填表时必须遵守“填表基本规定” ,并符合以下要求。
1.本表适用于浆砌石体迎水面水泥砂浆防渗砌体勾缝,其他部位的水泥砂浆勾缝可参照执行。
勾缝采用的水泥砂浆应单独拌制,不应与砌筑砂浆混用。
2.单元工程划分:以水泥砂浆勾缝的砌体面积或相应的砌体分段、分块划分。
3.单元工程量:填写本单元工程水泥砂浆勾缝面积( m3)。
4.检验(测)方法及数量。
5.单元工程施工质量验收评定应包括下列资料。
(1)施工单位应提交单元工程中所含工序 (或检验项目) 验收评定的检验资料;原材料、拌和物与各项实体检验项目的检验记录资料。
(2)监理单位应提交对单元工程施工质量的平行检测资料。
6.单元工程质量标准。
(1)合格标准。
1)主控项目,检验结果应全部符合SL631—2012 的要求。
2)一般项目,逐项应有70%及以上的检验点合格,且不合格点不应集中。
3)各项报验资料应符合SL631—2012 的要求。
(2)优良标准。
1)主控项目,检验结果应全部符合SL631—2012 的要求。
2)一般项目,逐项应有90%及以上的检验点合格,且不合格点不应集中。
3)各项报验资料应符合SL631—2012 的要求。
水利水电工程水泥砂浆勾缝单元工程施工质量验收评定表下面的是2016 年经典励志语录,需要的朋友可以欣赏,不需要的朋友下载后可以编辑删除!!谢谢!!1、有来路,没退路;留退路,是绝路。
2、为目标,晚卧夜半,梦别星辰,脚踏实地,凌云舍我其谁!3、做一题会一题,一题决定命运。
4、静下来,铸我实力; 拼上去,亮我风采。
5、拼一载春秋,搏一生无悔。
6、狠抓基础是成功的基础,持之以恒是胜利的保证。
7、把汗水变成珍珠,把梦想变成现实!8、拧成一股绳,搏尽一份力,狠下一条心,共圆一个梦。
9、每天都是一个起点,每天都有一点进步,每天都有一点收获!10、22.对命运承诺,对承诺负责11、我自信,故我成功,我行,我一定能行。
水利水电工程浆砌石体基础面单元工程质量评定表表编号:单位工程名称分部工程名称 单元工程名称、部位项保证项目次坝基及基岩面 1清理2 垫层混泥土单元工程量施工单位中水十四局关河牛栏沟水电站总承包工程项目经理部评定日期年月日质 量 标 准检 验 纪 录尖角、松动岩块和杂物已除去, 泥垢、油污冲刷干净,地下水、地表积水已 除去或封堵抗压强度未达到前, 不得在其面层上进行上层砌石的准备工作项基本项目次1铺浆混泥土垫层浇 2筑质 量 标 准质量等级检 验 纪 录合 格优 良合格 优异铺浆厚度不大于铺浆厚度 3~5cm 铺浆较平均,基 4cm ,铺浆均本无空白区匀,无空白区基本吻合规定要求 吻合规定要求坝体与岸坡连吻合规定的要 基本吻合规定的要3 接部位的垫层求与程序求与程序混泥土施工评 定 意 见 单元工程质量等级保证项目所有吻合质量标准;基本项目所有吻合 标准,此中 %项达到优异标准施建设工(监理 )单 位单位年月 日年月 日水利水电工程水泥沙浆砌石体单元工程质量评定表表编号:单位工程名称单元工程量中水十四局关河牛栏沟水电站分部工程名称施工单位总承包工程项目经理部单元工程名称、部评定日期年月日位项次工序名称工序质量等级1浆砌石体层面办理2△砌筑评定意见单元工程质量等级两个工序质量达到合格标准,此中砌筑工序质量施建设工(监理 )单位单位年月日年月日水利水电工程水泥沙浆砌石体浆砌石体层面办理工序质量评定表表单位工程名称分部工程名称单元工程名称、部位项保证项目次前一层砌体1表面项基本项目次前一层砌体1表面局部圆滑的2沙浆表面编号:单元工程量中水十四局关河牛栏沟水电站施工单位总承包工程项目经理部检验日期年月日质量标准检验纪录吻合设计与《规定》要求,无松动石块质量标准质量等级检验纪录合优合格优良格良浮渣基本除去浮渣所有除去干净,无积水干净,无积水和积渣和积渣凿毛面大于等凿毛面大于等于 80%于90%评定意见工序质量等级保证项目吻合设计规定质量标准,基本项目所有吻合质量标准,此中项优异施建设工(监理 )单位单位年月日年月日表单位工程名称分部工程名称单元工程名称、部位项保证项目次水泥沙浆的标号、配1合比2石料规格3铺浆4砌缝灌浆砌石体的密度、空隙5率、吸水率项基本项目次1沙浆沉入度水利水电工程水泥沙浆砌石体砌筑工序质量评定表编号:单元工程量施工单位中水十四局关河牛栏沟水电站总承包工程项目经理部评定日期年月日质量标准检验纪录吻合设计要乞降规范规定吻合规范要求;砌筑时石块表面洁净湿润平均,无裸露石块饱满密实,无架空吻合设计规定质量标准质量等级检验纪录合格优良合格优异总检测次数中大总检测次数中于等于70%吻合大于等于90%质量要求吻合质量要求2粗料石:15~20mm平预制块:砌缝10~15mm块石:缝20~25mm粗料石:宽20~30mm度竖预制块:缝15~20mm块石:20~40mm总检测点数中大总检测点数中于等于70%吻合大于等于90%质量要求吻合质量要求项赞同误差项目次1 轮平面2 廓高重力坝设计赞同偏测合格合格值实值率 (%)差( cm )数(点 )±4±3线程拱坝、支撑±23 坝评定建议工序质量等级保证项目吻合设计规定质量标准,基本项目所有吻合质量标准,此中项达优异标准;赞同误差实测点合格率为%施建设工(监理 )单位年月日单位年月日水利水电工程浆砌石墩(墙)单元工程质量评定表表编号:单位工程名称单元工程量分部工程名称施工单位中水十四局关河牛栏沟水电站总承包工程项目经理部单元工程名称、部评定日期年月日位项次质量标准检验纪录1浆砌石层面办理(质量标准同表)2△墩(墙)砌筑评定意见单元工程质量等级两个工序质量所有合格。
浆砌石坝混凝土面板单元工程质量评定表(例表)
填表说明
填表时必须遵守“填表基本规定”,并符合以下要求。
1.单元工程划分:按混凝土浇筑块划分单元工程。
2.单元工程量:填写本单元工程混凝土浇筑量(m2)。
3.本表是在表7.18—1、表7.18—2、表7.18—3,钢筋止水及伸缩缝安装等工序质量评定后,由施工单位按照建设监理复核的工序质量结果填写(从表头至评定意见),单元工程质量等级由建设监理复核评定。
4.单元工程质量标准。
合格:项次1~6工序全部合格。
优良:除项次6面板混凝土浇筑质量必须优良外,其他5项中必须有3项为优良,余2项合格(优良)。