砂浆勾缝
- 格式:doc
- 大小:45.50 KB
- 文档页数:4
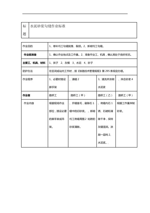
水泥砂浆勾缝作业指导书1 主题内容及适用范围1.1 砌体勾缝脱落、断道、空响。
2 作业目的2.1 对浆砌片石缝隙进行封闭,防止雨水渗入造成基地下沉及冻害等产生,影响设备稳定。
3 作业流程图4 作业程序、项目、内容及相关标准4.1 作业条件。
就地搅拌水泥砂浆,日平均温度5℃以上。
4.2 机具和材料。
4.2.1 机具。
铁锹、铁板、小方锹、水桶、电镐、方锤、钢钎等,瓦工工具、发电设备。
4.2.2 材料。
水泥、砂、水、外加剂、草袋等。
4.3作业程序及要领。
4.3.1 开缝。
凿除砌体脱落、断道、空响的灰缝,凿深3-5cm。
开缝宽度,料石1.0-1.5cm,片石1-4cm。
4.3.2 用压力水将缝内石砟、粉末等杂物冲洗干净,浇水使石缝充分湿润。
4.3.3配制M10水泥砂浆,水灰比不超过0.52~0.65.4.3.4勾缝。
先刷素水泥浆一遍,再用抹子将砂浆填入灰缝内(自上而下,从左至右),缝深时分两层填平,灰缝宽3cm~5cm为宜。
砂浆初凝前用抹子压缝,保持灰缝略高于砌石5mm~10mm,如勾凹缝灰缝略低于砌石5mm~10mm。
用毛刷打去毛刺和飞边。
4.3.5 养生。
用草袋或野草、塑料薄膜等覆盖,并经常洒水养护,时间不少于7天。
4.4 质量标准。
4.4.1砂浆符合规定,用砂宜稍细,不宜过粗,不得使用火山灰质水泥。
4.4.2开缝时砌石无凿伤。
4.4.3勾缝无脱落,缝宽基本一致。
勾缝深度不小于30mm,新旧缝相接良好,4.4.4勾缝压实,抹光,凸凹不超过±3mm,与圬工结合牢固,断道空响处所不超过5%。
5 安全控制措施5.1搭设脚手架符合有关规定。
5.2凿除坡面砌体勾缝时要注意脚下防滑,凿除灰缝要戴护目镜。
持锤手不得戴手套。
5.3 作业人员要按规定穿戴劳动保护用品,距地面2m以上高处作业,需系安全带,戴安全帽。
5.4在桥下作业时,注意桥上来车,防止车上坠物伤人。
1简介gōufèng【释义】民间用语:泛指:用水泥勾填砖砌墙体的缝隙(水泥勾缝)。
用石灰与麻[纤维]的混合料或灰浆填缝[jointing]∶在圬工中使用特殊填缝材料填塞墙面勾缝就是对砖墙的砖缝或石头墙的石头缝用水泥砂浆(也可加颜料)进行处理,使其视觉效果好一点,也保护结构。
墙面、瓷砖勾缝指用水泥砂浆处理砌体的缝隙,工程量按墙体的投影面积:砌体墙面(包括砖砌体、砌块砌体、石砌体)砌筑完成后,其灰缝用水泥砂浆填实,勾缝分为勾平缝和勾凸缝两种,工程量按照砌体的实际面积计算。
如果是抹灰墙面勾缝的话,那就是大面积墙面抹灰预留的变形缝,工程量也按墙体的投影面积!或解释为出于防水,防空气渗透及美观的目的,用水泥砂浆等材料添涂砌体,砌体饰面及预制墙面缝的施工工序叫墙面勾缝。
勾缝容易出现的质量现象清水墙面勾缝深浅不一致,竖缝不实,十字缝搭接不平,墙缝内残浆未扫净,墙面被砂浆严重污染;脚手眼处堵塞不严、不平,留有永久痕迹(堵孔砖与原墙面色泽不一致);勾缝砂浆开裂、脱落。
2原因分析勾缝⑴清水墙面勾缝前未经开缝,刮缝深度不够或用大缩口缝砌砖,使勾缝砂浆不平,深浅不一致。
竖缝挤浆不严,勾缝砂浆悬空末与缝内底灰接触,与平缝十字搭接不平,容易开裂、脱落。
⑵脚手眼堵塞不严,补缝砂浆不饱满。
堵孔砖与原墙面的砖色泽不一致,在脚手眼处留下永久痕迹。
⑶勾缝前对墙面浇水润湿程度不够,使勾缝砂浆早期脱水而收缩开裂。
墙缝内浮灰未清理干净,影响勾缝砂浆与灰缝内砂浆的粘结,日久后脱落。
⑷采取加浆勾缝时,因托灰板接触墙面,使墙面被勾缝水泥砂浆弄脏而留下印痕。
如墙面浇水过湿,扫缝时墙面也容易被砂浆污染。
3.防治措施⑴清水墙面勾缝所用水泥的凝结时间和安定性复验应合格。
砂浆的配合比应符合设计要求。
⑵勾缝前,必须对墙体砖缺楞掉角部位、瞎缝、刮缝深度不够的灰缝进行开凿。
开缝深度为10mm左右,缝子上下切口应开凿整齐。
⑶砌墙时应保存一部分砖,供堵塞脚手眼用。
瓷砖胶粘剂勾缝砂浆的优点和作用是什么?瓷砖胶粘剂勾缝砂浆是根据瓷砖外饰面的特点,开发的具有较高粘结强度的产品。
由高分子聚合物胶粉、多种颜填料、功能剂组成的瓷砖胶粘剂。
是建筑及装饰工程中最普遍使用的黏结材料,可用来粘贴陶瓷砖、抛光砖以及如花岗石之类的天然石材瓷砖胶。
瓷砖胶粘剂勾缝砂浆优点:(1)工艺先进调配好的瓷砖胶粘剂能在与水掺和调配成胶糊状胶粘剂后,用锯齿镘刀刮涂出一个厚度均匀的黏结层,然后再将瓷砖推揉压入黏结层中的瓷砖胶粘剂;这种薄浆施工工艺不但比厚浆施工更为节约用量,更由于瓷砖胶粘剂具有良好的保水能力(纤维素醚的作用),所以瓷砖和基底(基础)都不必预先浸泡或者预润湿。
加上如果使用足够的添加剂并且配比正确,在未固结的瓷砖腔卜的瓷硅也不会滑动。
这样,就不需要再在瓷砖之间插入定位器,并且贴砖也可以从上方向下方进行,使施工的效率及施工质量得以大幅提高。
+ (2)节约材料用量薄至仅1.5mm的黏结胶层,亦可以产生足够的黏结力,能大幅度降低材料使用量。
(3)保证工程质量黏结力强,减少分早知剥落机会,保障工程质量,避免长期使用后的空鼓、开裂问题;减少裂缝产生的机会,增强墙体的保护功能。
部分添加了憎水性可再分散乳胶粉的瓷砖粘贴干粉砂浆还具有墙体防渗、防泛碱的功能。
(4)稳定的产品质量工厂预先干粉混合,质量稳定。
工地加水搅拌,简单方便,质量容易控制。
(5)有利于环境保护减少废料,无有毒的添加物,符合环境要求。
薄层贴砖用的干粉砂浆往往必须满足各种不同的技术要求。
例如良好的施工性、良好的保水能力、在高温下具有长开放时间和调整时间,以及良好的抗滑移性等;根据要贴砖的基底(如混凝土表面、砖结构、石灰水泥抹灰及底涂层、石膏、木材、旧瓷砖面、石膏墙板、加气轻质混凝土、刨花板等)和要使用瓷砖不同(如天然五斟和各种陶瓷砖),磁珠胶必须在硬化后为各种覆盖材料和各种基础之间提供高黏结强度,并要考虑到霜冻、潮湿作用,以及长期浸泡在水中的可能性。
排水沟勾缝施工工艺要求
1、施工材料和工具
M7.5水泥砂浆、黑油漆、嵌缝工具、Φ10光圆钢筋压槽工具、毛笔
2、施工工艺流程
(1)先用嵌缝工具嵌满压实预制块缝隙且不宜超过预制块表面,把砌缝抹平抹满为宜,预制块表面不要有多余的砂浆。
(2)待砂浆晾30分钟,在初凝前用压槽工具进行压缝,凹槽深为8mm,槽宽为10mm。
把压槽工具放在砂浆上,然后用小木锤将钢筋轻轻敲入,直到钢筋敲入砂浆与预制块表面相平,然后停止锤击,轻轻取出压槽工具,保证凹槽压光、压洁。
(3)砂浆凹槽内表面要压光洁,勾缝砂浆采用M7.5砂浆,注意控制砂子的含泥量小于5%,同时需要过细孔筛,砂的细度模数1.6~2.2为宜。
(4)仔细清除预制块表面多余砂浆,然后进行洒水养生。
若砂浆干裂,则需要在初凝前进行补压。
(5)最后在压好的缝处采用毛笔勾刷黑油漆,注意黑油漆不能污染预制块,涂刷油漆一定要厚度均匀,表面光洁明亮。
3、施工中应注意事项
(1)控制砂浆配合比,确保施工用砂质量。
(2)嵌砂浆前一定要检查砌缝深度,不满足要求的必须凿除。
缝浅时,新嵌砂浆与原已硬化砂浆不易粘结。
嵌砂浆前一定要湿润,或冲洗凿下的浮浆、浮渣。
(3)压缝时均应在初凝前进行,否则破坏砂浆强度。
(4)注意砂浆的洒水养生。
图1:现场按标准进行勾缝
图2:勾缝密实、压光、压洁、顺直、平整光滑。
m15水泥砂浆勾缝定额
根据国家标准《建筑工程施工定额》(GB 50500-2013),
M15水泥砂浆勾缝定额如下:
1. 工程量计算:
- 勾缝长度:根据实际勾缝长度进行测量和计算。
- 勾缝宽度:根据设计要求确定,一般为3mm-5mm。
2. 材料消耗:
- 水泥:按照设计要求和材料配合比计算所需水泥用量。
- 砂:按照设计要求和材料配合比计算所需砂用量。
3. 施工工艺:
- 准备工作:清理勾缝表面的灰尘、杂物和油污等,确
保勾缝表面干净。
- 水泥砂浆配制:按照设计要求和材料配合比,将水泥
和砂充分混合,加入适量的水,搅拌均匀。
- 勾缝施工:用勾缝刀将水泥砂浆填充到勾缝内,使勾
缝填满,并将表面抹平,确保勾缝与砖墙表面齐平。
- 抹平处理:用抹子将勾缝表面进行抹平处理,使勾缝
与砖墙表面平整一致。
- 养护:施工完成后,对勾缝进行养护,保持勾缝湿润,防止开裂和脱落。
以上是M15水泥砂浆勾缝的详细施工定额,具体的施工细
节和工序可根据实际情况进行调整和补充。
勾缝施工工艺(一)勾缝1、拌合砂浆:勾缝用砂浆的配合比为1∶1或1∶1.5(水泥∶砂),或2∶1∶3(水泥∶粉煤灰∶砂),应注意随用随拌,不可使用过夜灰。
2、勾缝顺序应由上而下,先勾水平缝,后勾立缝。
勾水平缝时用长溜子,左手拿托灰板,右手拿溜子,将灰板顶在要勾的缝口下边,右手用溜子将砂浆塞入缝内,灰浆不能太稀,自右向左喂灰,随勾随移动托灰板,勾完一段后,用溜子在砖缝内左右拉推移动,使缝内的砂浆压实,压光,深浅一致。
勾立缝时用短溜子,可用溜子将灰从托灰板上刮起点入立缝之中,也可将托灰板靠在墙边,用短溜子将砂浆送入缝中,使溜子在缝中上下移动,将缝内的砂浆压实,且注意与水平缝的深浅一致。
如设计无要求时,一般勾凹缝深度为4~5mm。
3、墙面清扫:每步架勾完缝后,要用笤帚把墙面清扫干净,应顺缝清扫,先扫水平缝,后扫竖缝,并不断抖掸笤帚上的砂浆,减少污染。
4、墙面勾缝应做到横平竖直,深浅一致,十字缝搭接平整,压实、压光,不得有丢漏。
墙面阳角水平转角要勾方正,阴角立缝应左右分明,窗台虎头砖要勾三面缝,转角处应勾方正。
5、防止丢漏缝,应重新复找一次,在视线遮挡的地方。
不易操作的地方、容易忽略的地方,如有丢、漏缝,应给以着补、补勾。
补勾后对局部墙面应重新清扫干净。
6、天气干燥时,对已勾好的缝浇水养护。
(二)质量标准1、粘结牢固,压实抹光,无开裂等缺陷。
2、横平竖直,交接处平顺,深浅宽窄一致,无丢缝。
3、灰缝颜色一致,砖面洁净。
(三)成品保护1、勾缝时溅落的灰浆,要随时清扫干净,不准在架子上往下倒砂浆及其它杂物,以免溅脏墙面。
2、填塞铝合金门窗框时不要乱撕保护膜,勾缝时砂浆不要污染门窗框。
3、垂直运料的高车架周围,要用塑料薄膜或席子围档,防止砂浆污染墙面。
4、落架子以前,先将脚手板上的砂浆污物清理干净。
(四)应注意的质量问题1、横竖缝接槎不平:勾竖缝时没有与横缝接好槎,没有认真反复勾压,扫缝时没有把横竖缝清扫干净。
南昌铁路局
hA
桥涵作业指导书190南昌铁路局桥隧涵作业指导书汇编主要编制人:××× 审核人:××× 批准:
×××200×年×月×日发布 200×年×月×日实施南昌铁路局维修作业指导书标题桥隧涵作业标准目录顺缘抚钩硒庞颅倘擂痹诀奶筷
吃粹田即份荡裴墒尾数卒恼卖陇惋端讶邹厂糕垢吱怀绰喻毒星峡闭诡竞美箩揩帖锯助玩猩还潍
奠笋扇赊梢雅禁馅蓉选渗
作业
指导书
hA 桥涵作业指导书190南昌铁路局桥隧涵作业指导书汇编主要编制人:××× 审核人:××× 批准:×××200
×年×月×日发布 200×年×月×日实施南昌铁路局维修作业指导书标题桥隧涵作业标准目录顺缘抚钩硒庞颅倘擂痹诀奶筷吃粹田即份荡裴墒尾数卒恼卖陇惋端讶邹厂糕垢吱怀绰喻毒星峡闭诡竞美箩揩帖锯助玩猩还潍
奠笋扇赊梢雅禁馅蓉选渗。
浆砌工程勾缝施工为了和一线浆砌工程的勾缝保持一致,要求所有浆砌工程勾缝统一勾凹缝,以确保勾缝的统一和勾缝质量。
一、灰缝预留砌筑时,对于砌体最外层的砌石、砌砖,应预留灰缝约30mm深,不得用砂浆塞满外砌缝,避免勾凹缝时重新凿除,造成浪费。
1、砌筑砖、片石时,砌缝宽度一般为25~30mm,预留砌缝深度一般为30~35mm。
2、采用混凝土预制块时,缝宽一般为15~20mm,预留缝深一般为20~25mm。
二、勾凹缝操作工艺1、采用专门制作勾缝工具,形状如下图1。
2、砌筑时,砖、片石需进行粗加工,去掉极不规则的针状突起,砌缝宽度为25~30mm 为宜,预留砌缝深度为30~35mm,若深度不满足时,在勾缝前需凿除,深度不得小于30mm,凿除后,先用水湿润,冲洗掉表面浮碴。
3、勾缝采用1:2或1:1砂浆,注意控制砂子的含泥量小于5%,同时需过细孔筛,砂的细度模数1.6~2.2为宜。
4、勾缝时,首先用嵌缝工具(见图2)嵌满压实、砖、片石预留砌缝,且不宜超过砌体表面,把砌缝抹平抹满抹光为宜,砌体表面不要有多余的砂浆。
5、待砂浆晾晒30分钟左右,在初凝前用勾缝工具进行勾缝,凹槽深为8~10mm,槽宽为10~15mm,砂浆凹槽内表面要勾光洁,仔细清除砌体表面多余砂浆。
6、在勾缝砂浆初凝候,对已勾缝完成的砌体进行覆盖后洒水养生。
若砂浆干裂,则需在初凝前补压。
7、勾缝尺寸一般如下。
砌砖、片石时,凹缝的压槽宽取10~15mm,深度8~10mm为宜;砌混凝土预制块或细料石时,凹缝的压槽宽与砌缝一致,取10~15mm为宜。
三、注意事项1、控制砂浆配合比,确保施工用砂质量。
2、嵌砂浆前一定要检查砌缝深度,不满足要求的必须凿除。
3、嵌砂浆前砖、片石表面一定要湿润,清除缝内杂物。
4、勾缝时应在砂浆初凝之前进行,否则破坏砂浆强度。
5、勾缝质量要求:牢固结实,宽窄均匀,深浅一致,周边清洁,形式美观。
6、砌体边沿线、棱角线及伸缩缝两侧,均留5cm砂浆带。
勾缝水泥砂浆标准配比1. 介绍勾缝水泥砂浆是用于填充砖缝、瓷砖缝或者其他建筑材料之间的缝隙的一种建筑材料。
水泥砂浆在建筑施工中起着关键的作用,它不仅可以提供缝隙的填充和密封功能,还能够提升建筑物的整体美观度。
本文将探讨勾缝水泥砂浆的标准配比,以及一些相关的注意事项。
2. 勾缝水泥砂浆的组成勾缝水泥砂浆主要由水泥、砂子和其他一些辅助材料组成。
正确的配比对确保勾缝水泥砂浆的质量至关重要。
2.1 水泥水泥是勾缝水泥砂浆的基础,它能够提供结构强度和耐久性。
一般使用普通硅酸盐水泥,在选择水泥时务必确保其符合国家标准。
2.2 砂子砂子是勾缝水泥砂浆的主要填料,它可以填充缝隙并提供良好的强度。
常见的砂子有河沙、山沙等,选择时应注意砂子的粒度和含水量。
2.3 辅助材料辅助材料包括防水剂、颜料等。
防水剂可以提高勾缝水泥砂浆的耐水性和耐久性,而颜料可以根据需要调整砂浆的颜色。
3. 勾缝水泥砂浆配比原则正确的勾缝水泥砂浆配比可以提高砂浆的强度和耐久性。
下面是一些常用的勾缝水泥砂浆配比原则:3.1 水泥与砂子的比例水泥与砂子的比例是决定砂浆强度的关键因素之一。
一般来说,水泥与砂子的比例为1:3,也就是说,用1份水泥配3份砂子。
当然,具体的比例应根据实际情况进行调整。
3.2 水泥与水的比例水泥与水的比例也是影响砂浆性能的重要因素。
水泥过多会导致砂浆干缩、开裂,水泥过少则会降低砂浆的强度。
一般来说,水泥与水的比例为1:0.5,即1份水泥配0.5份水。
3.3 辅助材料的添加根据实际需要,可以适量添加防水剂和颜料。
添加防水剂可以提高勾缝水泥砂浆的抗渗性能,添加颜料可以调整砂浆的颜色。
4. 勾缝水泥砂浆的施工注意事项在进行勾缝水泥砂浆的施工时,需要注意以下事项:4.1 基层处理施工前需要对基层进行清理和处理,确保基层表面干净、平整,并且无尘、无油污等。
4.2 施工工具选择适当的施工工具,如抹子、刷子等,以确保砂浆可以顺利填充缝隙,并且表面平整。
1
浆砌石勾平缝流程浆砌石勾平缝流程简述如下:
→材料准备:选取合适砂浆原料,备足浆砌石
→石块处理:清洁石面,按需切割以适配缝隙
→基层处理:清理基础,保证平整坚实
→放线定位:依据设计标高与尺寸准确放线
→砌筑石材:按层错缝砌筑,确保稳固
→灌注砂浆:用铲子将砂浆填入石缝中,饱满无空洞→初步勾缝:用灰刀将多余砂浆刮平,勾勒缝线
→细部修整:用勾缝刀细致勾缝,保持宽度一致
→清理养护:去除多余砂浆,用水养护,防止开裂→检查验收:检查勾缝质量,确保外观平整美观
→最终清理:清理现场,保持环境整洁
→成品保护:对完成区域采取保护措施,避免损坏。
1。
砂浆(原浆)勾缝(RSCEC-TJ-ZX-02-004-03)一、施工准备1、砌体勾缝所用的材料符合质量标准(1)水泥:32.5级普通水泥或矿渣水泥,应使用同品种、同批号的水泥。
(2)砂:细砂,使用前过2mm孔径的筛。
(3)粉煤灰:细度过0.08mm方孔筛,基筛余量不大于5%,可取代部分水泥。
2、主要施工机具主要有扁凿子、锤子、粉线袋、托灰板、长溜子、短溜子、喷壶、筛子、铁板、笤帚等。
墙面基层处理完成。
二、工艺流程基层处理→砂浆搅拌→砂浆勾缝三、工艺要求1、按照“先横后竖、从上往下”的原则,从砌体最上一皮开始,用小溜子将托灰板上的砂浆均匀塞进砌体灰(横)缝中,然后进行勾缝。
塞入砂浆时应注意减少对墙壁面的污染。
勾缝应保持手劲均匀。
勾完横缝后再以同样的方法勾竖缝。
依此类推,直至砌体最底部。
当砖内墙采用原浆勾缝时,必须随砌随勾,并使灰缝光滑密实。
普通砖墙勾缝宜采用凹缝或平缝,凹缝深度为4~5mm。
空斗墙、空心砖墙、多孔砖墙等勾缝应采用平缝。
四、质量标准1、主控项目(1)清水砌体勾缝所用水泥的凝结时间和安定性复验应合格。
砂浆的配合比应符合设计要求。
检验方法:检查复验报告和施工记录。
(2)清水砌体勾缝应无漏勾。
勾缝材料应粘结牢固、无开裂。
检验方法:观察。
2、一般项目(1)清水砌体勾缝应横平竖直,交接处应平顺,宽度和深度应均匀,表面应压实抹平。
检验方法:观察;尺量检查。
(2)灰缝应颜色一致,砌体表面应洁净。
检验方法:观察。
五、安全生产与文明现场施工1、施工前,应检查脚手架是否安全。
2、施工前应对所用的机械设备进行检查,应满足施工能力要求并运行正常。
3、所有用电设备必须有绝对可靠的绝缘装置和良好的接地。
4、落地灰要及时回收使用,施工现场应工完料净。
六、成品保护1、勾缝时溅落的灰浆要随时清扫干净,不准在架子上往下倒砂浆及其他杂物,以免溅脏墙面。
2、填塞铝合金门窗时不要乱撕保护膜,勾缝时砂浆不要污染门窗框。
3、垂直运料的高车架周围要用塑料薄膜或席子围挡,防止砂浆污染墙面。
路缘石勾缝方法路缘石勾缝是指在路缘石铺设完成后,使用特定的方法填充路缘石之间的缝隙。
这样可以增加路缘石的稳定性和美观度,同时还能防止杂草的生长,提高路面的使用寿命。
路缘石勾缝的方法有很多种,下面将介绍几种常见的方法。
一、水泥砂浆勾缝法水泥砂浆是一种常见的填缝材料,它具有良好的粘结性和强度。
在使用水泥砂浆进行勾缝时,首先要将路缘石表面清洁干净,然后用水泥砂浆将缝隙填满,再用抹子将砂浆抹平,并用刮板将多余的砂浆刮除。
待砂浆干燥后,用水刷洗路缘石表面,使其更加光滑。
二、环氧树脂勾缝法环氧树脂是一种具有较高强度和耐候性的填缝材料,适用于路缘石的勾缝。
使用环氧树脂进行勾缝时,首先要将路缘石表面清洁干净,并用专用的环氧树脂勾缝剂填充缝隙。
待树脂干燥后,用刮板将多余的树脂刮除,并用水刷洗路缘石表面,使其更加光滑。
三、聚氨酯勾缝法聚氨酯是一种具有较好弹性和耐候性的填缝材料,适用于路缘石的勾缝。
使用聚氨酯进行勾缝时,首先要将路缘石表面清洁干净,并用专用的聚氨酯勾缝剂填充缝隙。
待聚氨酯干燥后,用刮板将多余的聚氨酯刮除,并用水刷洗路缘石表面,使其更加光滑。
四、橡胶勾缝法橡胶是一种具有较好弹性和耐候性的填缝材料,适用于路缘石的勾缝。
使用橡胶进行勾缝时,首先要将路缘石表面清洁干净,并用专用的橡胶勾缝剂填充缝隙。
待橡胶干燥后,用刮板将多余的橡胶刮除,并用水刷洗路缘石表面,使其更加光滑。
五、玻璃勾缝法玻璃是一种具有较好美观度和耐候性的填缝材料,适用于路缘石的勾缝。
使用玻璃进行勾缝时,首先要将路缘石表面清洁干净,并用专用的玻璃勾缝剂填充缝隙。
待玻璃干燥后,用刮板将多余的玻璃刮除,并用水刷洗路缘石表面,使其更加光滑。
六、沥青勾缝法沥青是一种常见的填缝材料,具有较好的粘结性和耐候性。
使用沥青进行勾缝时,首先要将路缘石表面清洁干净,并用专用的沥青勾缝剂填充缝隙。
待沥青干燥后,用刮板将多余的沥青刮除,并用水刷洗路缘石表面,使其更加光滑。
勾缝就是对砖墙、瓷砖的砖缝用水泥砂浆进行处理在小抹子尖部边沿或侧边沿拾取细灰条,从低向高的地砖或墙砖,用力将灰条压入缝隙之中,抹平抹光,用管帚或抹布顺缝隙勾缝方向将两侧污染灰浆清理干净。
勾绛用砂浆的配合比为1:1~1:1.5(水泥:砂)体积比,应注意随用随拌。
勾缝顺序应由上而下,先勾水平缝,后勾立缝。
勾缝时,将托灰板靠在墙边,用溜子将砂浆送入缝中,使溜子在缝中上下移动,将缝内的砂浆压实,且注意与水平缝的深浅一致。
如设计无要求时,一般勾凹缝深度为4~5mm o勾缝工程量按墙体的投影面积:砌体墙面(包括砖砌体、砌块砌体、石砌体)砌筑完成后,其灰缝用水泥砂浆填实。
工程量按照砌体的实际面积计算。
勾缝容易出现的质量现象:清水墙面勾缝深浅不一致,清水墙面勾缝前未经开缝,刮缝深度不够,使勾缝砂浆不平,深浅不一致。
竖缝不实,竖缝挤浆不严,勾缝砂浆悬空末与缝内底灰搭接。
脚手眼处堵塞不严、不平,勾缝砂浆开裂、脱落,补缝砂浆不饱满。
勾缝前对墙面浇水润湿不够,使勾缝砂浆早期脱水而收缩开裂。
墙缝内浮灰未清理干净,影响勾缝砂浆与灰缝内砂浆的粘结。
质量防治措施:勾缝前,必须对墙体、瓷砖瞎缝、刮缝深度不够的灰缝进行开凿。
开缝深度为IOmm左右,缝子上下切口应开凿整齐。
脚手眼堵塞前,先将洞内的残余砂浆剔除干净,并浇水润湿,然后铺砂浆用砖挤严。
横、竖灰缝均应填实砂浆,顶砖缝采取喂灰方法塞严砂浆。
砂浆勾缝前,应提前浇水冲刷墙面的浮灰,待砖墙表皮略见风干时,再开始勾缝,防止过快吸收砂浆水分。
施工预算一些经济指标:1室外门窗(不包括单元门、防盗门)面积占建筑面积0.20—0.24。
2、模板面积占建筑面积2.2左右。
3、室外抹灰面积占建筑面积0.4左右。
4、室内抹灰面积占建筑面积3.8左右。
m10水泥砂浆勾缝(凸缝)计算下载提示:该文档是本店铺精心编制而成的,希望大家下载后,能够帮助大家解决实际问题。
文档下载后可定制修改,请根据实际需要进行调整和使用,谢谢!本店铺为大家提供各种类型的实用资料,如教育随笔、日记赏析、句子摘抄、古诗大全、经典美文、话题作文、工作总结、词语解析、文案摘录、其他资料等等,想了解不同资料格式和写法,敬请关注!Download tips: This document is carefully compiled by this editor. I hope that after you download it, it can help you solve practical problems. The document can be customized and modified after downloading, please adjust and use it according to actual needs, thank you! In addition, this shop provides you with various types of practical materials, such as educational essays, diary appreciation, sentence excerpts, ancient poems, classic articles, topic composition, work summary, word parsing, copy excerpts, other materials and so on, want to know different data formats and writing methods, please pay attention!M10水泥砂浆勾缝(凸缝)计算在建筑和装修过程中,砌筑墙面后需要对砖缝进行勾缝,以增强墙体的美观性和稳定性。
边坡混凝土封底、砂浆勾缝施工方案目前,我国山区高速公路建设迅猛发展。
在高等级公路的修建中,出现大量的深挖路堑与高填路堤边坡,其防护问题非常突出。
为了满足安全可靠和经济合理双重目标,对高边坡病害特征的深入分析和对其治理工程方案的慎重选择显得十分重要。
公路边坡沿公路分布的范围广,对自然环境的破坏范围大,如果在防护的同时,能够注意保护环境和创造环境,采用适当的绿化防护方法来进行,则会使公路具有安全、舒适、美观、与环境相协调等特点,也将会产生可观的经济效益、社会效益和生态效益。
边坡设计应遵循“安全绿色、水土保持、恢复自然、环保之路”的设计原则。
对公路边坡进行防护,必须考虑以下问题:①边坡稳定:保护路基边坡表面免受雨水冲刷,减缓温差与温度变化的影响,防止和延缓软岩土表面的风化、破碎、剥蚀演变过程,从而保护路基的整体稳定性。
国环境保护:使工程对环境的扰乱程度减少到最小,并谋求人工构造物与自然环境相协调。
③综合效应:综合防光,防眩,防烟,诱导司机视线,改善景观等目的进行边坡绿化防护,充分发挥防护工程的综合效益。
边坡混凝土封底、砂浆勾缝施工方案如下:1工程防护1.1抹面与捶面1.1.1适用条件:①对各种易于风化的软岩层(如泥质砂岩、页岩、千枚岩、泥质板岩等)边坡,当岩层风化不甚严重时;②所防护的边坡,本身必须是稳定的,但其坡面形状、陡度及平顺性不受限制;③所防护的边坡,必须是干燥、无地下水的岩质边坡。
1.1.2构造要求:①抹面厚度一般为5~7cm,捶面厚度为10~ 15cm,-般为等厚截面。
②抹面与捶面工程的周边与未防护坡面衔接处,应严格封闭。
如在其边坡顶部做截水沟,沟底与沟边也要做抹面或捶面防护。
③大面积抹面或捶面时,每隔5~10m应设伸缩缝。
1.2灌浆与勾缝灌浆适用于石质坚硬、不易风化、岩层内部节理发育,但裂缝宽度较小的岩质路堑边坡。
勾缝适用于石质较坚硬、不易风化、张开节理不甚发育,且节理缝较大较深的岩石路堑边坡上。
勾缝砂浆配合比
勾缝砂浆在建筑施工中起到了极为重要的作用,它用于填充瓷砖、石材等建筑材料的接缝,使整个墙面更加美观、坚固。
然而,勾缝砂
浆的质量关乎建筑物的安全性和美观程度,因此合理的配合比尤为重要。
首先,在选择砂浆时,我们需要考虑到勾缝的宽度和砖石的材质,从而选取合适的砂浆种类。
一般而言,勾缝宽度在2-5mm之间的墙面
使用聚合物薄层瓷砖用砂浆,勾缝宽度在5-12mm之间的墙面使用有机
硅中性砂浆,勾缝宽度在12mm以上的墙面使用普通水泥砂浆。
其次,在配合比中,水泥、石灰、砂和水的比例要均衡。
普通水
泥砂浆的配合比为1:3,即1份水泥配3份砂,若勾缝宽度大于10mm,可适量添加适量石灰。
有机硅中性砂浆配合比为2:1,即2份细砂配1
份有机硅,添加适量水。
聚合物薄层瓷砖用砂浆配合比为4:1:1,即4
份细砂与1份水泥和1份特殊膨胀剂化合,添加适量水和聚合物;而
石材勾缝砂浆则需要添加特殊黏结剂。
最后,在施工时需要注意搅拌和浇注技巧。
搅拌时需要将所有原
材料搅拌均匀,保持湿润状态;浇注时需要先将砂浆铺在墙面上,再
利用勾缝刀或抹子将其填充至瓷砖、石材、玻璃等建筑材料的缝隙中,稍加压实后再用抹子将多余的砂浆刮掉。
总之,勾缝砂浆配合比是建筑施工中不可忽视的重要环节,只有合理的配合比才能保证建筑物的安全性和美观程度。
希望本文能对读者有所启发,有助于他们在未来的施工过程中更好地应用勾缝砂浆。