钢筋代号及型号
- 格式:docx
- 大小:43.78 KB
- 文档页数:9
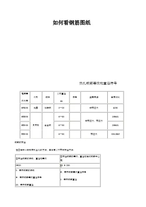
如何看钢筋图纸热扎钢筋等级和直径符号强度等公称直径外形主要用途常用材料钢种符号级代号mm光圆低碳钢非预应力Q235HPB2358--20 HRB3356--5020MnSi非预应力、预应力月牙肋6--50HRB40025MnSi合金钢预应力40Si2MnV6--50RRB400钢筋的标注在图样中一般采用引出线的方法,具体有以下两种标注方法:②标注钢筋的等级、直径和相邻钢筋中心①标注钢筋的根数、直径和等级距3Ф20:Ф8 @ 200:Ф:表示钢筋等级直径符号3:表示钢筋的根数8:表示钢筋直径Ф:表示钢筋等级直径符号@:相等中心距符号20:表示钢筋直径200:相邻钢筋的中心距(≤200mm)一般钢筋的表示方法名称图例名称图例名称图例半圆形弯钩钢筋带直钩的断面钢筋端部的钢筋塔接半直钩的无弯钩的带丝扣钢筋端部钢筋端部钢筋端部无弯钩的半圆形弯钩套管接头的钢筋端部钢筋塔接常用构件的代号序号名称代号序号名称代号序号名称代号1板B15吊车梁DL29基础J2屋面板WB16圈梁QL30设备基础SJ 3空心板KB17过梁GL31桩ZH4槽形板CB18连系梁LL32柱间支撑ZC5折板ZB19基础梁JL33垂直支撑CC6密筋板MB20楼梯梁TL34水平支撑SC7楼梯板TB21懔条LT35梯T8盖板或沟盖板GB22屋架WJ36雨蓬YP9挡雨板或口板檐板YB23托架TJ37阳台YT 10吊车安全走道板DB24天窗架CJ38梁垫LD11墙板QB25框架KJ39预埋件M12天沟板TGB26钢架GJ40天窗端壁TD13梁L27支架ZJ41钢筋网W14屋面梁WL28柱Z42钢筋骨架G一、梁上主筋和梁下主筋同时表示方法:⑴3Φ22,3Φ20表示上部钢筋为3Φ22,下部钢筋为3Φ20。
⑵2φ12,3Φ18 表示上部钢筋为2φ12, 下部钢筋为3Φ18。
⑶4Φ25,4Φ25 表示上部钢筋为4Φ25, 下部钢筋为4Φ25。
⑷3Φ25,5Φ25 表示上部钢筋为3Φ25, 下部钢筋为5Φ25。
HPB235 (Hot Rolled Plain Steel Bar),热轧光面钢筋,也叫Q235 HRB335 (Hot Rolled Ribbed Steel Bar ),热轧带肋钢筋,也叫20MnSiHRB400 (Hot Rolled Ribbed Steel Bar ),热轧带肋钢筋RRB400 (Remained heat treatment Ribbed Steel Bar ),余热处理钢筋HPB235级:质量稳定,塑性好易成型,但屈服强度较低,不宜用于结构中的受力钢筋;HRB335级:带肋钢筋,有利于与混凝土之间的粘结,强度和塑性均较好,是目前主要应用的钢筋品种之一;HRB400级:带肋钢筋,有利于与混凝土之间的粘结,强度和塑性均较好,是今后主要应用的钢筋品种之一;RRB400级:是HRB335钢筋热轧后快速冷却,利用钢筋内温度自行回火而成,淬火钢筋强度提高,但塑性降低,余热处理后塑性有所改善。
生产条件限制,目前产量有限。
钢筋按加工方法不同可分为热轧、冷拉、冷轧、热处理H代表热轧,P代表光圆,B表示钢筋,R表示带肋,RRB中第一个R表示余热处理。
热轧钢筋级别,一级~四级强度越高,塑性越差,一级,即HPB235,多为盘圆,二级~四级分别是HRB335,HRB400,HRB540,都为直条。
热处理钢筋是将四级热轧钢筋经过加热、淬火、回火等调质处理后得到的钢筋,强度比四级钢筋高很多,塑性却降低不多,用于大型预应力混凝土构件。
至于钢筋价格一直随市场波动,而且现在钢筋也作为期货挂牌交易了。
现在的二级钢筋3900元每吨,一级比他贵100元,余热处理钢筋比二级钢筋贵1000多元,现在建筑市场逐渐回暖,钢筋价格当上扬。
非国家特殊工程都用一级二级和部分预应力冷拔丝钢筋,对于我们搞工程的大多数人来说,RRB基本存在于书本中。
现浇钢筋混凝土板设计为HPB235@150,现场采购钢筋为HRB335,请问按等强度代换,应如何计算?谢谢了!答:N*210=M*310N为设计根数。
HPB235 (Hot Rolled Plain Steel Bar),热轧光面钢筋,也叫Q235 HRB335 (Hot Rolled Ribbed Steel Bar ),热轧带肋钢筋,也叫20MnSi HRB400 (Hot Rolled Ribbed Steel Bar ),热轧带肋钢筋RRB400 (Remained heat treatment Ribbed Steel Bar ),余热处理钢筋HPB235级:质量稳定,塑性好易成型,但屈服强度较低,不宜用于结构中的受力钢筋;HRB335级:带肋钢筋,有利于与混凝土之间的粘结,强度与塑性均较好,就是目前主要应用的钢筋品种之一;HRB400级:带肋钢筋,有利于与混凝土之间的粘结,强度与塑性均较好,就是今后主要应用的钢筋品种之一;RRB400级:就是HRB335钢筋热轧后快速冷却,利用钢筋内温度自行回火而成,淬火钢筋强度提高,但塑性降低,余热处理后塑性有所改善。
生产条件限制,目前产量有限。
钢筋按加工方法不同可分为热轧、冷拉、冷轧、热处理H代表热轧,P代表光圆,B表示钢筋,R表示带肋,RRB中第一个R表示余热处理。
热轧钢筋级别,一级~四级强度越高,塑性越差,一级,即HPB235,多为盘圆,二级~四级分别就是HRB335,HRB400,HRB540,都为直条。
热处理钢筋就是将四级热轧钢筋经过加热、淬火、回火等调质处理后得到的钢筋,强度比四级钢筋高很多,塑性却降低不多,用于大型预应力混凝土构件。
至于钢筋价格一直随市场波动,而且现在钢筋也作为期货挂牌交易了。
现在的二级钢筋3900元每吨,一级比她贵100元,余热处理钢筋比二级钢筋贵1000多元,现在建筑市场逐渐回暖,钢筋价格当上扬。
非国家特殊工程都用一级二级与部分预应力冷拔丝钢筋,对于我们搞工程的大多数人来说,RRB基本存在于书本中。
现浇钢筋混凝土板设计为HPB235@150,现场采购钢筋为HRB335,请问按等强度代换,应如何计算?谢谢了!答:N*210=M*310N为设计根数。
钢筋型大全文档编制序号:[KK8UY-LL9IO69-TTO6M3-MTOL89-FTT688]一,钢筋1,等级:R235(Q235),HRB335,HRB400及KL400钢筋.R235为光圆钢筋强度等级代号,其牌号为Q235,相当于原标准Ⅰ级钢筋,公称直径mm,以偶数2mm递增;HRB335,HRB400为钢筋牌号,其中尾部数字为强度等级,HRB335相当于原标准Ⅱ级钢筋;HRB400相当于原标准Ⅲ级钢筋,该钢筋公称直径mm,其中22mm以下(包括22mm,最小为6mm)以2mm递减,22mm以上为25,28,32,36,40,50mm(最大为50mm);KL400为余热处理钢筋的强度等级代号,钢筋级别相当于原标准的Ⅲ级钢筋,公称直径mm,尺寸进级情况与HRB相同.R235和Q235都是热轧光圆钢筋,屈服强度都为235MPa。
所不同的是R235是指热轧直条光圆钢筋,而Q235是指热轧圆盘光圆钢筋。
也就是说它们只是外观形态有所区别。
详细请查阅GB/T221-2000《钢铁牌号标示方法》及GB13013-91《钢筋混凝土用热轧光圆钢筋》(一)低碳钢热轧圆盘条中铁十八局集团祝勇热轧盘条是热轧型钢中截面尺寸最小的一种(其直径为5-30mm),大多通过卷线机卷成盘卷供应,故称盘条、盘圆或线材。
1 分类及代号①供拉丝用盘条,其代号为L;②供建筑和其他一般用途用盘条,其代号为J。
2 牌号表示方法低碳钢热轧圆盘条的牌号表示方法与碳素结构钢基本相同。
3 尺寸、外形及允许偏差盘条直径允许偏差和不圆度4 标记示例用Q235AF钢轧成的直径为6.5mm,A级精度,盘重大于或等于2000kg/盘的低碳钢热轧圆盘条,其标记为:低碳钢热轧圆盘条6.5-A-V-GB/T701-1997Q235AF-GB700-88(二)低碳钢无扭控冷热轧盘条无扭控冷热轧盘条是在现代高速无扭机组,如45轧机、Y型轧机上用先进生产工艺生产出来的盘条,尺寸精度高。
HPB235(Hot Rolled Plain Steel Bar ),热轧光面钢筋,也叫 Q235 HRB335(Hot Rolled Ribbed Steel Bar),热轧带肋钢筋,也叫20MnSiHRB400(Hot Rolled Ribbed Steel Bar),热轧带肋钢筋RRB400(Remained heat treatment Ribbed Steel Bar),余热处理钢筋HPB235 级:质量稳定,塑性好易成型,但屈服强度较低,不宜用于结构中的受力钢筋;HRB335 级:带肋钢筋,有利于与混凝土之间的粘结,强度和塑性均较好,是目前主要应用的钢筋品种之一;HRB400 级:带肋钢筋,有利于与混凝土之间的粘结,强度和塑性均较好,是今后主要应用的钢筋品种之一;RRB400 级:是 HRB335 钢筋热轧后快速冷却,利用钢筋内温度自行回火而成,淬火钢筋强度提高,但塑性降低,余热处理后塑性有所改善。
生产条件限制,目前产量有限。
钢筋按加工方法不同可分为热轧、冷拉、冷轧、热处理H 代表热轧, P 代表光圆, B 表示钢筋, R 表示带肋, RRB 中第一个R表示余热处理。
热轧钢筋级别,一级~四级强度越高,塑性越差,一级,即HPB235, 多为盘圆,二级 ~四级分别是 HRB335,HRB400,HRB540, 都为直条。
热处理钢筋是将四级热轧钢筋经过加热、淬火、回火等调质处理后得到的钢筋,强度比四级钢筋高很多,塑性却降低不多,用于大型预应力混凝土构件。
至于钢筋价格一直随市场波动,而且现在钢筋也作为期货挂牌交易了。
现在的二级钢筋 3900 元每吨,一级比他贵 100 元,余热处理钢筋比二级钢筋贵 1000 多元,现在建筑市场逐渐回暖,钢筋价格当上扬。
非国家特殊工程都用一级二级和部分预应力冷拔丝钢筋,对于我们搞工程的大多数人来说, RRB 基本存在于书本中。
现浇钢筋混凝土板设计为 HPB235@150, 现场采购钢筋为 HRB335 ,请问按等强度代换,应如何计算?谢谢了!答: N*210=M*310N为设计根数。
2021年整理一二三级钢筋符号.doc
一级钢筋符号
一级钢筋主要按照钢筋的规格不同包括:圆钢筋、普通六角形钢筋、高强度六角钢筋,都是表示钢筋的名称,因此一般情况下,钢筋用“R”来表示。
其记号一般由三部分组成:材料代号、等级分类、直径或边长。
1. 圆钢筋:此类钢筋钢筋采用碳素钢材料,型号以”RE“开头,其中第一个字母”R”表示钢筋,后面的”E”代表为碳钢;第二个字母表示品种,一般分为普通型强度(HP)和
高强度(HR);最后一个字母代表等级,分为A、B、C、D等,表示抗拉强度依次递增。
例如,REB A235,表示碳素钢圆钢筋,高强度,A等级,钢筋直径235mm。
二级钢筋符号
二级钢筋分为螺旋钢筋和弯钢筋两种,其常用记号分别为SR和WB。
三级钢筋符号
三级钢筋主要有拉拔钢筋,扭转钢筋,弹性钢筋以及混合钢筋等,其常用记号分别为TRL、TRT、AST 和 ABM。
1. 拉拔钢筋:其记号以”TRL“开头,其中T表示拉拔钢筋;R表示碳素钢;L表示
抗拉强度等级,分为A、B、C、D等,表示抗拉强度依次递增。
例如,TRLA1010,表示拉
拔钢筋,碳素钢,A等级,按照要求规定的尺寸10x10mm。
一,钢筋1,等级:R235(Q235),HRB335,HRB400及KL400钢筋.R235为光圆钢筋强度等级代号,其牌号为Q235,相当于原标准Ⅰ级钢筋,公称直径mm,以偶数2mm递增;HRB335,HRB400为钢筋牌号,其中尾部数字为强度等级,HRB335相当于原标准Ⅱ级钢筋;HRB400相当于原标准Ⅲ级钢筋,该钢筋公称直径mm,其中22mm以下(包括22mm,最小为6mm)以2mm递减,22mm以上为25,28,32,36,40,50mm(最大为50mm);KL400为余热处理钢筋的强度等级代号,钢筋级别相当于原标准的Ⅲ级钢筋,公称直径mm,尺寸进级情况与HRB相同.R235和Q235都是热轧光圆钢筋,屈服强度都为235MPa.所不同的是R235是指热轧直条光圆钢筋,而Q235是指热轧圆盘光圆钢筋.也就是说它们只是外观形态有所区别.详细请查阅GB/T221-2000钢铁牌号标示方法及GB13013-91钢筋混凝土用热轧光圆钢筋(一)低碳钢热轧圆盘条中铁十八局集团祝勇热轧盘条是热轧型钢中截面尺寸最小的一种(其直径为5-30mm),大多通过卷线机卷成盘卷供应,故称盘条、盘圆或线材.1分类及代号①供拉丝用盘条,其代号为L;②供建筑和其他一般用途用盘条,其代号为J.2牌号表示方法低碳钢热轧圆盘条的牌号表示方法与碳素结构钢基本相同.3尺寸、外形及允许偏差盘条直径允许偏差和不圆度4标记示例用Q235AF钢轧成的直径为6.5mm,A级精度,盘重大于或等于2000kg/盘的低碳钢热轧圆盘条,其标记为:低碳钢热轧圆盘条6.5-A-V-GB/T701-1997Q235AF-GB700-88(二)低碳钢无扭控冷热轧盘条无扭控冷热轧盘条是在现代高速无扭机组,如45轧机、Y型轧机上用先进生产工艺生产出来的盘条,尺寸精度高.1分类及代号①供建筑和其他用途盘条,其代号为J;②供拉丝用盘条,其代号为L.2按尺寸精度分类,分为A、B、C三级①A、B、C级精度适用于供拉丝、建筑、包装、焊条等用途的盘条.②B、C级精度适用于供制螺栓、螺帽和铆钉用盘条.3其牌号表示方法同低碳钢热轧圆盘条,只是不分质量等级,故不标注其符号.如:Q235F-J4尺寸、外形及理论重量其尺寸,外形及理论笪量与低碳钢热轧圆盘条相近.盘条直径为5.5-22mm.5标记示例用Q235钢轧成的直径为6.5mm,允许偏差为A级精度,盘重≥2000kg/盘的低碳钢无扭控冷热轧盘条,其标记为:低碳钢无扭控冷热轧盘条6.5-A-Ⅳ-2BH44001-88Q235-YB4027-91 (三)钢筋混凝土用热轧光圆钢筋中铁十八局集团祝勇钢筋混凝土用热轧光圆钢筋是横截面通常为圆形,且表面为光滑的钢筋混凝土配筋用钢材,热轧光圆钢筋是经热轧成型并自然冷却的成品光圆钢筋.钢筋的公称直径范围为8-20mm,推荐的钢筋公称直径为8、10、12、16、20mm.热轧直条光圆钢筋级别为Ⅰ级,强度等级代号为R235.(四)钢筋混凝土用热轧带肋钢筋钢筋混凝土用热轧带肋钢筋是横截面通常为圆形,且表面通常带有两条纵肋和沿长度方向均匀分布的横肋的钢筋.牌号举例:HRB335其中:HRB—热轧、带肋、钢筋三个词的英文首位字母335—屈服点不小于335MPa钢筋的规格用公称直径也称计算直径,旧标准曾叫型号的毫米数表示,钢筋的公称直径范围为6-50mm,推荐的钢筋公称直径为6、8、10、12、16、20、25、32、40和50mm.五冷轧带肋钢筋冷轧带肋钢筋是国外70年代初开发的一种新型高效钢材.广泛用于高速公路、飞机场、水电输送及市政建设等工程中.我国从1986年开始引进,很快在国内得到推广和应用.它是以热轧圆盘条为原料,经冷轧或冷拔减径后在其表面冷轧成三面有肋的钢筋.六热轧工字钢房山商务网热轧工字钢也称钢梁,是截面为工字形、腿部内侧有斜度的窄边热轧长条钢材,广泛用于各种建筑结构、桥梁、车辆、支架、机械等.1.规格表示方法工字钢的规格可用其截面的主要轮廓尺寸mm来表示,即以腰高h×腿宽b×腰厚d的毫米数表示,如I160×88×6,即表示腰高为160mm,腿宽为88mm,腰厚为6mm的工字钢.工字钢规格也可用型号号数表示,型号表示腰高的厘米数,如腰高160mm的工字钢型号为Ⅰ16.腰高相同的工字钢,如有几种不同的腿宽和腰厚,需在型号右边加标码也称角码a或b或c予以区别,如32a、32b、32c等.2.有关型号的说明工字钢在型号前面可加符号“I”,型号后边历上角可加符号“”,如I32c.标记示例碳素结构钢Q235-AF,尺寸为400mm×144mm×12.5mm的热轧工字钢标记如下:热轧工字钢400×144×12.5-GB706-88Q235-AF-GB700-88七热轧轻型工字钢热轧轻型工字钢属于轻型钢材,在建筑、桥梁、车辆、船舶、农机具及设备制造等方面有着广泛的用途.规格表示方法:同热轧工字钢相似,但其型号无a、b、c之分,故其型号右边没有标码.热轧轻型工字钢的规格范围为10-63.八热轧槽钢热轧槽钢是截面为凹槽形、腿内侧有斜度的热轧长条钢材.主要用于建筑结构、车辆制造和其他工业结构,14以下多用于建筑工程作檩条;16以上多用作车辆底盘、机械结构的框架;30以上可用于桥梁结构作受拉力的杆件,也可用作工业厂房的梁、柱等构件,槽钢还常常和工字钢配合使用.槽钢规格表示方法同工字钢相似.用其截面的主要轮廓尺寸mm来表示,即以腰高h×腿宽b×腰厚d的毫米数表示,如120×53×5,表示腰高为120mm、腿宽为53mm、腰厚为5mm的槽钢.槽钢规格也可用型号号数表示,型号表示腰高的厘米数,腰高相同的槽钢,如有几种不同的腿宽和腰厚,也需在型号右边加标码也称角码a或b或c予以区别,如25a、25b、25c等,按照标码a、b、c的顺序,同一型号槽钢的腿宽、腰厚尺寸依次增加.1.槽钢型号前面可加符号“[”,型号后边右上角可加符号“”,如[32c.2.在普通槽钢中,16-22的槽钢,如型号右边没有标码,可视为b型槽钢.3.槽钢分普通型和轻型,与同一型号的普通槽钢相比,轻型槽钢的腰厚尺寸较小、重量较轻.4.槽钢规格范围为5-40.标记示例碳素结构钢Q235-A镇静钢,尺寸为180mm×68mm×7mm的热轧槽钢标记如下:热轧槽钢180×68×7-GB702-88Q235-A-GB700-88九热轧等边角钢角钢俗称角铁,热轧等边角钢是两边长相等且互相垂直成角形的热轧长条钢材.等边角钢的规格以边宽×边宽×边厚的毫米数表示.如:30×30×3,即表示边宽为30mm、边厚为3mm的等边角钢.也可用型号号数表示,型号是边宽的厘米数.角钢型号前面可加符号“∠”,型号后边右上角可加符号“”,如:∠30.热轧等边角钢的规格范围为2-20.标记示例碳素结构钢Q235号B级镇静钢,尺寸为160mm×160mm×16mm的热轧等边角钢标记如下:热轧等边角钢160×160×16-GB9787-88Q235-B-GB700-88十热轧不等边角钢热轧不等边角钢是横截面如字母L,两边互相垂直成角形且宽度不等的热轧长条钢材.其规格以长边宽×短边宽×边厚的毫米数表示,如“L30×20×3”,即表示长边宽30mm、短边宽20mm、边厚为3mm的不等边角钢.也可以用型号号数表示,型号用一分数表示,分子为长边宽的厘米数,分母为短边宽的厘米数,如“L3/2”,3表示长边的厘米数,2表示短边的厘米数.热轧不等边角钢的规格范围为2.5/1.6-20/12.5。
钢筋符号对照表
钢筋符号对照表如下:
1.Ф:表示钢筋等级直径符号,用于标识钢筋的等级和直
径。
2.Ф8@200:表示钢筋直径为8,相邻钢筋中心距为200mm。
3.3Ф20:表示钢筋的根数为3,钢筋等级为Ф,直径为20mm。
4.Ф8:表示钢筋等级直径符号,用于标识钢筋的直径。
5.Ф8@200:表示钢筋直径为8,相邻钢筋中心距为200mm。
6.3Ф20:表示钢筋的根数为3,钢筋等级为Ф,直径为20mm。
7.Ф8@200:表示钢筋直径为8,相邻钢筋中心距为200mm。
8.Ф12@100:表示钢筋直径为12,相邻钢筋中心距为100mm。
9.Ф14@150:表示钢筋直径为14,相邻钢筋中心距为150mm。
10.Ф16@200:表示钢筋直径为16,相邻钢筋中心距为200mm。
需要注意的是,不同的国家和地区可能有不同的钢筋符号标识方式,因此在实际应用中需要根据当地的规范和标准进行识别和标注。
HPB235 (Hot Rolled Plain Steel Bar),热轧光面钢筋,也叫Q235HRB335 (Hot Rolled Ribbed Steel Bar ),热轧带肋钢筋,也叫20MnSi HRB400 (Hot Rolled Ribbed Steel Bar ),热轧带肋钢筋RRB400 (Remained heat treatment Ribbed Steel Bar ),余热处理钢筋HPB235级:质量稳定,塑性好易成型,但屈服强度较低,不宜用于结构中的受力钢筋;HRB335级:带肋钢筋,有利于与混凝土之间的粘结,强度和塑性均较好,是目前主要应用的钢筋品种之一;HRB400级:带肋钢筋,有利于与混凝土之间的粘结,强度和塑性均较好,是今后主要应用的钢筋品种之一;RRB400级:是HRB335钢筋热轧后快速冷却,利用钢筋内温度自行回火而成,淬火钢筋强度提高,但塑性降低,余热处理后塑性有所改善。
生产条件限制,目前产量有限。
钢筋按加工方法不同可分为热轧、冷拉、冷轧、热处理H代表热轧,P代表光圆,B表示钢筋,R表示带肋,RRB中第一个R表示余热处理。
热轧钢筋级别,一级~四级强度越高,塑性越差,一级,即HPB235,多为盘圆,二级~四级分别是HRB335,HRB400,HRB540,都为直条。
热处理钢筋是将四级热轧钢筋经过加热、淬火、回火等调质处理后得到的钢筋,强度比四级钢筋高很多,塑性却降低不多,用于大型预应力混凝土构件。
至于钢筋价格一直随市场波动,而且现在钢筋也作为期货挂牌交易了。
现在的二级钢筋3900元每吨,一级比他贵100元,余热处理钢筋比二级钢筋贵1000多元,现在建筑市场逐渐回暖,钢筋价格当上扬。
非国家特殊工程都用一级二级和部分预应力冷拔丝钢筋,对于我们搞工程的大多数人来说,RRB 基本存在于书本中。
现浇钢筋混凝土板设计为HPB235@150,现场采购钢筋为HRB335,请问按等强度代换,应如何计算?谢谢了!答:N*210=M*310N为设计根数。
如何看钢筋图纸热扎钢筋等级和直径符号钢筋的标注在图样中一般采用引出线的方法,具体有以下两种标注方法:一般钢筋的表示方法常用构件的代号一、梁上主筋和梁下主筋同时表示方法:⑴3Φ22,3Φ20 表示上部钢筋为3Φ22, 下部钢筋为3Φ20。
⑵2φ12,3Φ18 表示上部钢筋为2φ12, 下部钢筋为3Φ18。
⑶4Φ25,4Φ25 表示上部钢筋为4Φ25, 下部钢筋为4Φ25。
⑷3Φ25,5Φ25 表示上部钢筋为3Φ25, 下部钢筋为5Φ25。
二、梁上部钢筋表示方法:(标在梁上支座处)⑴2Φ20 表示两根Φ20的钢筋,通长布置,用于双肢箍。
⑵2Φ22+(4Φ12)表示2Φ22 为通长,4φ12架立筋,用于六肢箍。
⑶6Φ25 4/2 表示上部钢筋上排为4Φ25,下排为2Φ25。
⑷2Φ22+ 2Φ22 表示只有一排钢筋,两根在角部,两根在中部,均匀布置。
三、梁腰中钢筋表示方法:⑴G2φ12 表示梁两侧的构造钢筋,每侧一根φ12。
⑵G4Φ14 表示梁两侧的构造钢筋,每侧两根Φ14。
⑶N2Φ22 表示梁两侧的抗扭钢筋,每侧一根Φ22。
⑷N4Φ18 表示梁两侧的抗扭钢筋,每侧两根Φ18。
四、梁下部钢筋表示方法:(标在梁的下部)⑴4Φ25 表示只有一排主筋,4Φ25 全部伸入支座内。
⑵6Φ25 2/4 表示有两排钢筋,上排筋为2Φ25,下排筋4Φ25。
⑶6Φ25 (-2 )/4 表示有两排钢筋,上排筋为2Φ25,不伸入支座,下排筋4Φ25,全部伸入支座。
⑷2Φ25 + 3Φ22(-3)/ 5Φ25 表示有两排筋,上排筋为5根。
2Φ25伸入支座,3Φ22,不伸入支座。
下排筋5Φ25,通长布置。
一、箍筋表示方法:⑴φ10@100/200(2) 表示箍筋为φ10 ,加密区间距100,非加密区间距200,全为双肢箍。
⑵φ10@100/200(4) 表示箍筋为φ10 ,加密区间距100,非加密区间距200,全为四肢箍。
⑶φ8@200(2) 表示箍筋为φ8,间距为200,双肢箍。
如何看钢筋图纸热扎钢筋等级和直径符号强度等级代号外形钢种公称直径mm符号主要用途常用材料HPB235 光圆低碳钢8--20 非预应力Q235HRB335月牙肋合金钢6--50非预应力、预应力20MnSiHRB400 6--50 25MnSi RRB400 6--50 预应力40Si2MnV钢筋的标注在图样中一般采用引出线的方法,具体有以下两种标注方法:①标注钢筋的根数、直径和等级②标注钢筋的等级、直径和相邻钢筋中心距3Ф20:Ф8 @ 200:3:表示钢筋的根数Ф:表示钢筋等级直径符号20:表示钢筋直径Ф:表示钢筋等级直径符号8:表示钢筋直径@:相等中心距符号200:相邻钢筋的中心距(≤200mm)一般钢筋的表示方法名称图例名称图例名称图例钢筋断面带直钩的钢筋端部半圆形弯钩的钢筋塔接无弯钩的钢筋端部带丝扣钢筋端部半直钩的钢筋端部半圆形弯钩的钢筋端部无弯钩的钢筋塔接套管接头常用构件的代号序号名称代号序号名称代号序号名称代号1板B15吊车梁DL29基础J 2屋面板WB16圈梁QL30设备基础SJ 3空心板KB17过梁GL31桩ZH 4槽形板CB18连系梁LL32柱间支撑ZC5折板ZB19基础梁JL33垂直支撑CC 6密筋板MB20楼梯梁TL34水平支撑SC 7楼梯板TB21懔条LT35梯T 8盖板或沟盖板GB22屋架WJ36雨蓬YP 9挡雨板或口板檐板YB23托架TJ37阳台YT 10吊车安全走道板DB24天窗架CJ38梁垫LD 11墙板QB25框架KJ39预埋件M 12天沟板TGB26钢架GJ40天窗端壁TD 13梁L27支架ZJ41钢筋网W 14屋面梁WL28柱Z42钢筋骨架G一、梁上主筋和梁下主筋同时表示方法:⑴ 3Φ22,3Φ20表示上部钢筋为3Φ22,下部钢筋为3Φ20。
⑵ 2φ12,3Φ18表示上部钢筋为2φ12,下部钢筋为3Φ18。
⑶ 4Φ25,4Φ25表示上部钢筋为4Φ25,下部钢筋为4Φ25。
钢筋型号大全文件编码(GHTU-UITID-GGBKT-POIU-WUUI-8968)一,钢筋1,等级:R235(Q235),HRB335,HRB400及KL400钢筋.R235为光圆钢筋强度等级代号,其牌号为Q235,相当于原标准Ⅰ级钢筋,公称直径mm,以偶数2mm递增;HRB335,HRB400为钢筋牌号,其中尾部数字为强度等级,HRB335相当于原标准Ⅱ级钢筋;HRB400相当于原标准Ⅲ级钢筋,该钢筋公称直径mm,其中22mm以下(包括22mm,最小为6mm)以2mm递减,22mm以上为25,28,32,36,40,50mm(最大为50mm);KL400为余热处理钢筋的强度等级代号,钢筋级别相当于原标准的Ⅲ级钢筋,公称直径mm,尺寸进级情况与HRB相同.R235和Q235都是热轧光圆钢筋,屈服强度都为235MPa。
所不同的是R235是指热轧直条光圆钢筋,而Q235是指热轧圆盘光圆钢筋。
也就是说它们只是外观形态有所区别。
详细请查阅GB/T221-2000《钢铁牌号标示方法》及GB13013-91《钢筋混凝土用热轧光圆钢筋》(一)低碳钢热轧圆盘条中铁十八局集团祝勇热轧盘条是热轧型钢中截面尺寸最小的一种(其直径为5-30mm),大多通过卷线机卷成盘卷供应,故称盘条、盘圆或线材。
1分类及代号①供拉丝用盘条,其代号为L;②供建筑和其他一般用途用盘条,其代号为J。
2牌号表示方法低碳钢热轧圆盘条的牌号表示方法与碳素结构钢基本相同。
3尺寸、外形及允许偏差盘条直径允许偏差和不圆度4标记示例用Q235AF钢轧成的直径为6.5mm,A级精度,盘重大于或等于2000kg/盘的低碳钢热轧圆盘条,其标记为:低碳钢热轧圆盘条6.5-A-V-GB/T701-1997Q235AF-GB700-88(二)低碳钢无扭控冷热轧盘条无扭控冷热轧盘条是在现代高速无扭机组,如45轧机、Y型轧机上用先进生产工艺生产出来的盘条,尺寸精度高。
一,钢筋 1,等级:R235(Q235),HRB335,HRB400及KL400钢筋.R235为光圆钢筋强度等级代号,其牌号为Q235,相当于原标准Ⅰ级钢筋,公称直径mm,以偶数2mm递增;HRB335,HRB400为钢筋牌号,其中尾部数字为强度等级,HRB335相当于原标准Ⅱ级钢筋;HRB400相当于原标准Ⅲ级钢筋,该钢筋公称直径mm,其中mm以下以2mm递减,mm以上为25,28,32,36,40,50mm;KL400为余热处理钢筋的强度等级代号,钢筋级别相当于原标准的Ⅲ级钢筋,公称直径mm,尺寸进级情况与HRB相同. R235和Q235都是热轧光圆钢筋,屈服强度都为235MPa。
所不同的是R235是指热轧直条光圆钢筋,而Q235是指热轧圆盘光圆钢筋。
也就是说它们只是外观形态有所区别。
详细请查阅GB/T221-2000《钢铁牌号标示方法》及GB13013-91《钢筋混凝土用热轧光圆钢筋》 (一)低碳钢热轧圆盘条中铁十八局集团祝勇 热轧盘条是热轧型钢中截面尺寸最小的一种(其直径为5-30mm),大多通过卷线机 卷成盘卷供应,故称盘条、盘圆或线材。
1 分类及代号 ①供拉丝用盘条,其代号为L;②供建筑和其他一般用途用盘条,其代号为J。
2 牌号表示方法 低碳钢热轧圆盘条的牌号表示方法与碳素结构钢基本相同。
3 尺寸、外形及允许偏差 盘条直径允许偏差和不圆度 4 标记示例 用Q235AF钢轧成的直径为6.5mm,A级精度,盘重大于或等于2000kg/盘的低碳钢 热轧圆盘条,其标记为:低碳钢热轧圆盘条6.5-A-V-GB/T701-1997 Q235AF-GB700-88 (二)低碳钢无扭控冷热轧盘条 无扭控冷热轧盘条是在现代高速无扭机组,如45轧机、Y型轧机上用先进生产工 艺生产出来的盘条,尺寸精度高。
1 分类及代号 ①供建筑和其他用途盘条,其代号为J; ②供拉丝用盘条,其代号为L。
2 按尺寸精度分类,分为A、B、C三级 ①A、B、C级精度适用于供拉丝、建筑、包装、焊条等用途的盘条。
钢筋工程常用符号、代号
钢筋工程常用的符号和代号如下:
1. φ:表示钢筋直径
2. F:表示受力(通常与钢筋直径一起使用,如F12代表直径为12mm的钢筋)
3. S:表示间距(通常与钢筋直径一起使用,如S200代表钢筋间距为200mm)
4. c:表示混凝土保护层厚度
5. L:表示钢筋长度
6. Lc:表示悬挑长度
7. H:表示柱高
8. Ld:表示支座间距
9. d:表示柱径
10. B:表示柱宽
11. a:表示钢筋到柱边缘的距离
12. b:表示距受力点的距离
13. e:表示距支点的距离
14. e1:表示离柱端最近钢筋的距离
15. e2:表示离柱端最远钢筋的距离
16. fy:表示钢筋的屈服强度
17. fck:表示混凝土的标准强度
18. fcu:表示混凝土的立方体抗压强度
19. As:表示钢筋的截面积
20. Ast:表示受拉区域的钢筋总面积
21. Asc:表示受压区域的钢筋总面积
22. q:表示载荷
23. M:表示弯矩
24. P:表示轴力
25. N:表示受拉力
26. T:表示剪力
27. ρ:表示配筋率
28. α:表示配箍间距与柱截面尺寸之比
这些符号和代号在钢筋工程设计、施工和标准中常常使用,用于表示相关的尺寸、位置、强度等信息。
钢筋的种类和代号:
钢筋按力学性能分:I级(即Q235光圆钢筋)、II级(335/510级为16锰人字纹钢筋)、III级(370/570级为25锰硅人字纹钢筋)、IV级(540/835 圆或螺纹钢筋)、V级(螺纹钢筋)。
钢筋按生产工艺分:热轧、冷轧、冷拉的钢筋,还有发IV级钢筋经热处理而成的热处理钢筋,强度比前者现高。
按在结构中的作用分:受压钢筋、受拉钢筋、架产钢筋、分布钢筋、箍筋等。
配置在钢筋混凝土结构中的钢筋,按其作用可分为下列几种:
1、受力筋:主要承受拉应力(通常称为主筋)作用在受弯与偏心受压构件区域分直筋和弯筋。
2、箍筋:固定受力筋拉置,承受一部分斜拉应力,用于梁和柱内。
3、架力筋:固定梁内箍筋位置,构成梁内钢筋骨架,设上部、蜈蚣筋。
4、分布筋:用于板(屋面、楼板)与板的受力筋垂直布置,将承受的重量均匀地传给受力筋,固定受力筋位置,并承担垂直于板跨方向的收缩及温度应力。
其他:构造筋、腰筋、预埋锚固筋、吊筋等,钢筋的弯钩、半园钩、直弯钩,。
钢筋代号及型号标准化工作室编码[XX968T-XX89628-XJ668-XT689N]HPB235 (Hot Rolled Plain Steel Bar),热轧光面钢筋,也叫Q235 HRB335 (Hot Rolled Ribbed Steel Bar ),热轧带肋钢筋,也叫20MnSi HRB400 (Hot Rolled Ribbed Steel Bar ),热轧带肋钢筋RRB400 (Remained heat treatment Ribbed Steel Bar ),余热处理钢筋HPB235级:质量稳定,塑性好易成型,但屈服强度较低,不宜用于结构中的受力钢筋;HRB335级:带肋钢筋,有利于与混凝土之间的粘结,强度和塑性均较好,是目前主要应用的钢筋品种之一;HRB400级:带肋钢筋,有利于与混凝土之间的粘结,强度和塑性均较好,是今后主要应用的钢筋品种之一;RRB400级:是HRB335钢筋热轧后快速冷却,利用钢筋内温度自行回火而成,淬火钢筋强度提高,但塑性降低,余热处理后塑性有所改善。
生产条件限制,目前产量有限。
钢筋按加工方法不同可分为热轧、冷拉、冷轧、热处理H代表热轧,P代表光圆,B表示钢筋,R表示带肋,RRB中第一个R表示余热处理。
热轧钢筋级别,一级~四级强度越高,塑性越差,一级,即HPB235,多为盘圆,二级~四级分别是HRB335,HRB400,HRB540,都为直条。
热处理钢筋是将四级热轧钢筋经过加热、淬火、回火等调质处理后得到的钢筋,强度比四级钢筋高很多,塑性却降低不多,用于大型预应力混凝土构件。
至于钢筋价格一直随市场波动,而且现在钢筋也作为期货挂牌交易了。
现在的二级钢筋3900元每吨,一级比他贵100元,余热处理钢筋比二级钢筋贵1000多元,现在建筑市场逐渐回暖,钢筋价格当上扬。
非国家特殊工程都用一级二级和部分预应力冷拔丝钢筋,对于我们搞工程的大多数人来说,RRB基本存在于书本中。
现浇钢筋混凝土板设计为HPB235@150,现场采购钢筋为HRB335,请问按等强度代换,应如何计算?谢谢了!答:N*210=M*310N为设计根数。
M为代换根数筏板基础底板现在一般用HRB400钢筋的多,以前多用HRB335,HPB235一般大多是用在条基,结构配筋的原则是经济、适用、合理。
钢框架结构和钢筋混凝土结构有什么区别,哪个比抗震能力强?1)钢框架结构是以钢材制作为主的结构,是主要的建筑结构类型之一。
具有以下特点:自重较轻,工作的可靠性较高,抗振(震)性、抗冲击性好,工业化程度较高,容易做成密封结构,易腐蚀,耐火性差等特点。
(2)钢筋混凝土结构是用钢筋和混凝土建造的一种结构,钢筋承受拉力,混凝土承受压力。
具有坚固、耐久、防火性能好、比钢结构节省钢材和成本低等优点。
由于钢材塑性、韧性好,可有较大变形,能很好地承受动力荷载,其次钢材匀质性和各向同性好,属理想弹性体,最符合一般工程力学的基本假定,因此,钢结构的抗震性能比钢筋混凝土结构的抗震性能好。
钢框架结构主要材料是钢,各方面性能都比钢筋混凝土结构强(钢筋混凝土抗拉能力很差,),当然是前者抗震能力强。
除了以上说的,补充,钢结构自重小,刚度小,这样在计算水平地震作用的时候,往往地震力就会比混凝土结构小,而且其塑性能力强,在地震时可以吸收大量能量,所以钢结构要好,但是钢结构太柔,容易产生较大的水平位移,而且防火性能差,这些都是比混凝土结构差的方面。
一级钢筋一级钢筋:旧钢筋规范里的称谓,通常称HPB300为一级钢筋,H(Hot-rolled )意思为热轧,P(Plain)为光面,B( Bar)为条状物,这里指钢筋,300表示屈服强度为300兆帕。
按轧制外形分(一)按轧制外形分(1)光面钢筋:Ⅰ级钢筋(Q235钢钢筋)均轧制为光面圆形截面,供应形式有盘圆,直径不大于10mm,长度为6m~12m。
(2)带肋钢筋:有螺旋形、人字形和月牙形三种,一般Ⅱ、Ⅲ级钢筋轧制成人字形,Ⅳ级钢筋轧制成螺旋形及月牙形。
(3)钢线(分低碳钢丝和碳素钢丝两种)及钢绞线。
(4)冷轧扭钢筋:经冷轧并冷扭成型。
(二)按直径大小分钢丝(直径3~5mm)、细钢筋(直径6~10mm)、粗钢筋(直径大于22mm)。
(三)按力学性能分Ⅰ级钢筋(300/420级);Ⅱ级钢筋(335/455级);Ⅲ级钢筋(400/540)和Ⅳ级钢筋(500/630)(四)按生产工艺分热轧、冷轧、冷拉的钢筋,还有以Ⅳ级钢筋经热处理而成的热处理钢筋,强度比前者更高。
(五)按在结构中的作用分:受压钢筋、受拉钢筋、架立钢筋、分布钢筋、箍筋等配置在中的钢筋,按其作用可分为下列几种:1.受力筋——承受拉、压应力的钢筋。
2.箍筋——承受一部分斜拉应力,并固定受力筋的位置,多用于梁和柱内。
3.架立筋——用以固定梁内钢箍的位置,构成梁内的钢筋骨架。
4.分布筋——用于屋面板、楼板内,与板的受力筋垂直布置,将承受的重量均匀地传给受力筋,并固定受力筋的位置,以及抵抗热胀冷缩所引起的温度变形。
5.其它——因构件构造要求或施工安装需要而配置的构造筋。
如腰筋、预埋锚固筋、环等。
扩展阅读:1钢筋常用的分类2钢筋种类很多,通常按化学成分、生产工艺、轧制外形、供应形式、直径大小,以及在结构中的用途进行分类:3(一)按轧制外形分4(1)光面钢筋:I级钢筋(Q235钢钢筋)均轧制为光面圆形截面,供应形式有盘圆,直径不大于10mm,长度为6m~12m。
5(2)带肋钢筋:有螺旋形、人字形和月牙形三种,一般Ⅱ、Ⅲ级钢筋轧制成人字形,Ⅳ级钢筋轧制成螺旋形及月牙形。
6(3)钢线(分低碳钢丝和碳素钢丝两种)及钢绞线。
7(4)冷轧扭钢筋:经冷轧并冷扭成型。
(二)按直径大小分9钢丝(直径3~5mm)、细钢筋(直径6~10mm)、粗钢筋(直径大于22mm)。
10(三)按力学性能分11Ⅰ级钢筋(235/370级);Ⅱ级钢筋(335/510级);Ⅲ级钢筋(370/570)和Ⅳ级钢筋(540/835)12(四)按生产工艺分13热轧、冷轧、冷拉的钢筋,还有以Ⅳ级钢筋经热处理而成的热处理钢筋,强度比前者更高。
14(五)按在结构中的作用分:受压钢筋、受拉钢筋、架立钢筋、分布钢筋、箍筋等15配置在钢筋混凝土结构中的钢筋,按其作用可分为下列几种:161.受力筋——承受拉、压应力的钢筋。
172.箍筋——承受一部分斜拉应力,并固定受力筋的位置,多用于梁和柱内。
183.架立筋——用以固定梁内钢箍的位置,构成梁内的钢筋骨架。
4.分布筋——用于屋面板、楼板内,与板的受力筋垂直布置,将承受的重量均匀地传给受力筋,并固定受力筋的位置,以及抵抗热胀冷缩所引起的温度变形。
205.其它——因构件构造要求或施工安装需要而配置的构造筋。
如腰筋、预埋锚固筋、环等。
二级螺纹钢目录展开简介即新标准名称为HRB335的,二级为旧称,为的一种。
二级螺纹钢为旧称,螺纹钢在建筑业中,Ⅱ级螺纹钢和Ⅲ级螺纹钢是过去的叫法,新标准中,Ⅱ级螺纹钢称为HRB335,Ⅲ级螺纹钢称为HRB400。
广泛用于房屋、桥梁、道路等土建工程建设。
解释热轧带肋钢筋的牌号由HRB和牌号的屈服点最小值构成。
H、R、BH、R、B分别为热轧(Hotrolled)、带肋(Ribbbed)、钢筋(Bars)三个词的英文首位字母。
热轧带肋钢筋热轧带肋钢筋分为HRB335(老牌号为20MnSi)、HRB400(牌号为20MnSiV、20MnSiNb、20MnTi)图纸图例二级钢筋,图纸上用希腊字母Φ 表示一般钢筋出厂时,都有标牌,标牌上都有标记(厂名)、规格、等级;一般表示为:等级\标记\规格。
建筑上使用的钢筋主要是按照抗拉伸强度分的。
抗拉强度2400kg/cm平方称1级钢筋,图纸上用φ表示;抗拉强度2800kg/cm平方也属一级钢筋,图纸上用希腊字母φ表示;抗拉强度3400kg/cm平方的16Mn钢属二级钢筋,图纸上希腊字母Φ表示;抗拉强度3800kg/cm平方的25MnSi钢属三级钢筋,图纸上用D表示。
二级螺纹钢国家标准负偏差1.热轧带肋钢筋尺寸、外形、重量和允许偏差:1)公称直径范围直径钢筋的公称直径范围为6~25mm,标准的钢筋公称直径为6、8、10、12、14、16、18、20、22、25、32、40、50mm;内径为5.8、7.7、9.6、11.5、13.4、15.4、17.3、19.3、21.3、24.2、31.0、38.7、48.52)带肋钢盘的表面形状尺寸允许偏差、带肋钢筋横肋应符合下列基本规定:横肋与钢盘轴线的夹角β不应小于45度,当该夹角不大于70度时,钢筋相对两面上横肋的方向应相反;横肋与间距l不得大于钢筋公称直径的0.7;倍横肋侧面与钢筋表面的夹角α不得小于45度;钢筋相对两面上横肋末端之间的间隙(包括纵肋宽度)总和不应大于钢筋公称周长的20%;当钢筋公称直径不大于12mm时,相对肋面积不应小于0.055;•公称直径为14mm和16mm,相对肋面积不应小于0.060;公称直径大于16mm时,相对肋面积不应小于0.065。
3)长度及允许偏差:钢筋按定尺交货时的长度允许偏差不得大于+50mm。
4)重量允许偏差:直径6~12mm为±7%,14~20mm为±5%,22~50mm为±4%。
2.热轧光圆钢筋尺寸、外形:1). 钢筋的直径允许偏差:A级精度+0.40mm B级精度+0.30mm C级精度+0.15mm2). 通常长度:钢筋按直条交货时,其通常长度为3.5m~12mm,其中长度为3.5m至小于6m 之间的钢3). 定尺、倍尺长度:钢筋按定尺或倍尺长度交货时,应在合同中注明。
其长度允许偏差不得大于+50mm.4). 不圆度: A级精度:≤0.50mm B级精度:≤0.40mm C级精度:≤0.24mm5). 弯曲度:钢筋每米弯曲度应不大于4mm,总弯曲度不大于钢筋总长度的0.4%。
6)表面质量:钢筋表面不得有裂纹、结疤和折叠。
钢筋表面凸块和其他缺陷的深度和高度不得大于所在部位尺寸的允许偏差。
3.冷轧带肋钢筋1) 钢筋的公称直径范围为4~12mm,标准推荐的钢筋公称直径为4、5、6、7、8、9、10、12;不允许有负偏差2)带肋钢盘的表面形状(见附图)及尺寸允许偏差、 a 肋呈月牙型,三面肋沿钢筋横截面周围上均匀分布,其中有一面必须与另两面反向。
肋中心线和钢筋轴线夹角β为40°~60°。
肋两侧面和钢筋表面斜角α不得小于45°。
肋间隙的总和应不大于公称周长的20%当钢筋公称直径不大于12mm时,相对肋面积不应小于0.055;•公称直径为14mm和16mm,相对肋面积不应小于0.060;公称直径大于16mm时,相对肋面积不应小于0.065。