BRW400/315乳化液泵使用说明书要点
- 格式:doc
- 大小:976.50 KB
- 文档页数:18
BRW400/31.5型乳化液泵使用说明书SHI YONG SHUO MING SHU浙江博超矿用设备有限公司安全警示1.严格按照本说明书进行操作,务必注意安全。
操作人员必须经过培训方可上岗。
2.使用前应检查各联接部位及高压密封部位,确保联接可靠、密封安全。
3.蓄能器为高压容器,应按要求充规定压力的氮气。
对蓄能器进行任何一种维修,必须在维修前先卸掉蓄能器中的液体,再用充气工具排尽胶囊中的气体,最后方能拆卸蓄能器各零件,以免伤人。
4.警示及使用要点标牌固定在曲轴箱上面,务必遵守执行。
目录一、概述 (1)二、主要技术参数 (1)三、工作原理与结构简介 (2)四、泵的使用 (5)五、泵的维护和保养 (6)六、泵的故障与排除方法 (8)七、随机备件和随机工具 (9)八、附图 (10)一、概述BRW400/31.5型乳化液泵与RX400/25乳化液箱组成乳化液泵站,主要为中厚煤层综合机械化采煤液压支架提供动力源,也可用于地面其它液压设备,该泵站一般由二泵一箱组成。
本泵为兖矿集团东滩矿的专用配套设备,在泵上配置了必要的传感器如图1所示,有曲轴箱油温传感器(开关量)和齿轮油泵油压传感器(开关量)及泵站高压出口压力传感器等。
本产品符合《MT/T188.2-2000煤矿用乳化液泵站乳化液泵》标准。
泵型号说明:工厂产品特征代号主参数公称压力(兆帕)主参数公称流量(升/分)第二特征代号(“W”表示卧式结构)第一特征代号(“R”表示乳化液)泵(“B”表示泵)卸载阀出厂调定压力31.5 MPa卸载阀恢复工作压力卸载阀调定压力的80%~90%润滑油泵工作压力≮0.1MPa工作液含3%~5%乳化油的中性水混合液配套液箱RX400/25三、工作原理与结构简介卧式五柱塞往复泵选用四极防爆电机驱动,经一级齿轮减速,带动五曲拐曲轴旋转,再经连杆、滑块带动柱塞作往复运动,使工作液在泵头中经吸排液阀吸入和排出,从而使电能转换成液压能,输出高压液体供液压支架工作时使用。
工作面BRW400/31.5乳化液泵站BPW315/10喷雾泵站技术协议甲方:河南神火煤业有限公司乙方:平顶山市巨鹰科技有限公司2009年6月6-7日,河南神火鑫隆煤业有限公司泉店煤矿、平顶山市巨鹰科技有限公司在泉店煤矿就BRW400/31.5、BPW315/10进行协商,达成如下技术协议1、概述BRW400/31.5乳化液泵站由两台BRW400型乳化液泵和一台RX3000型乳化液箱组成,乳化液泵站主要为煤矿综采、普采等设备提供动力源,也可用于地面工作液相同的其它液压设备。
目前我厂生产的乳化液泵站已经形成系列化,系列中的各种产品见附表。
此型泵站的主要特点是:(1) 自动卸载阀采用液控内卸载系统,液控内卸载系统卸载时无冲击,无噪音,稳定可靠,卸载方式与流量大小无关;(2) 连杆与滑块采用球头连接,转动灵活;(3) 阀体为分体结构,维修方便;(4) 乳化液箱采用筒形结构,井下运输方便。
2、结构特征与工作原理2.1总体结构及其工作原理、工作特性乳化液泵组主要由矿用防爆电机、护罩、轮胎式联轴器、乳化液泵和底座等组成。
根据不同的流量和压力,选配不同功率的电机。
电机通过轮胎式联轴器驱动乳化液泵旋转。
此系列乳化液泵是卧式五柱塞往复液压泵,由防爆电机驱动小齿轮轴、曲轴旋转,通过连杆机构把曲线运动变为往复直线运动,然后连杆带动滑块、柱塞作往复运动,使工作液在阀组件内通过吸、排液阀吸入、排出。
柱塞每一次往复运动,就完成一次吸排液过程。
如此循环往复,乳化液泵就实现了连续供液,使电能转换成液压能,供系统使用。
2.2主要零部件结构及其工作原理2.2.1 乳化液泵乳化液泵主要由泵壳、配液板组件、阀体组件、连杆组件、曲轴组件、齿轮轴组件、缸套组件、卸载阀组件、安全阀组件、柱塞腔盖组件、其他密封以及液压辅助元件组成。
按部件的功能分为机械传动系统,液压执行系统,液压控制系统以及管路辅件四大部分。
其中泵壳、连杆组件、曲轴组件、齿轮轴组件属于机械传动系统;配液板组件、缸套组件、阀体组件属于液压执行系统;卸载阀组件、安全阀组件属于液压控制系统。
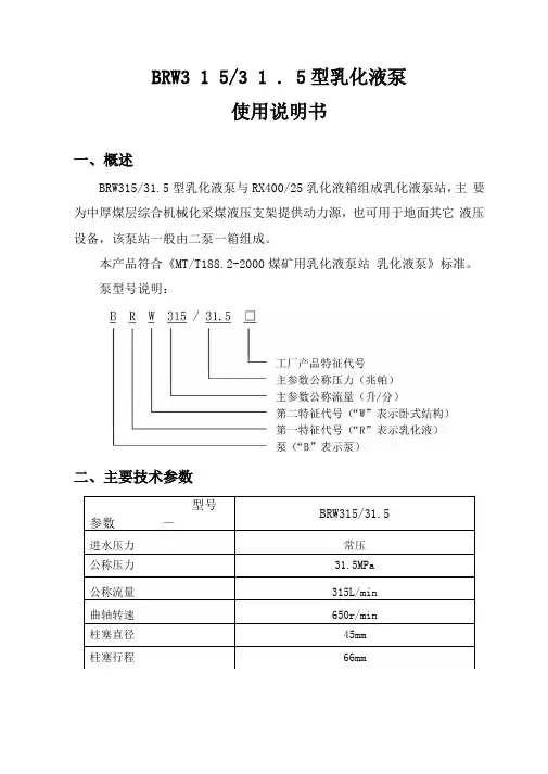
BRW3 1 5/3 1 . 5型乳化液泵使用说明书一、概述BRW315/31.5型乳化液泵与RX400/25乳化液箱组成乳化液泵站,主要为中厚煤层综合机械化采煤液压支架提供动力源,也可用于地面其它液压设备,该泵站一般由二泵一箱组成。
本产品符合《MT/T188.2-2000煤矿用乳化液泵站乳化液泵》标准。
泵型号说明:二、主要技术参数三、工作原理与结构简介卧式五柱塞往复泵选用四极防爆电机驱动,经一级齿轮减速,带动五曲拐曲轴旋转,再经连杆、滑块带动柱塞作往复运动,使工作液在泵头中经吸排液阀吸入和排出,从而使电能转换成液压能,输出高压液体供液压支架工作时使用。
其液压原理图如下:液压系统原理图乳化液泵、电动机、蓄能器、卸载阀等固定于滑撬式底拖上组成乳化液泵总成(图1)。
1、乳化液泵(图2)乳化液泵主要由曲轴箱、高压钢套、泵头等组件组成。
泵的液力端采用五个分立的泵头组成,泵头下部安装吸液阀,上部安装排液阀,排液腔由一个高压集液块与五个分立的泵头高压出口相连,高压集液块一侧装有安全阀,另一侧装有卸载阀。
曲轴箱设有冷却润滑系统,安装在齿轮箱上的齿轮油泵经箱体下方的网式滤油器吸油,排出压力油经过设在泵吸液腔的油冷却器冷却后到中空曲轴润滑连杆大头。
在箱体曲轴下方设有磁性过滤器,以吸附润滑油中的铁磁性杂质。
在进液腔盖上方设有放气孔,以放尽该腔内空气。
在进液腔盖下方设有防冻放液孔,可放尽进液腔内液体。
齿轮油泵显示的油压是变化的,当冷油时(刚开泵时)油压较高,有时可>1MPa,随着油温升高,油粘度下降,油压也下降,但只要*0.1MPa 即为正常。
2、安全阀(图3)安全阀是泵的过载保护元件,为二级卸压直动式锥阀。
调定工作压力为泵公称压力的110%〜115%。
3、卸载阀(图4)卸载阀主要由两套并联的单向阀、主阀及一个先导阀组成。
工作原理:泵输出的高压乳化液进入卸载阀后,分成四条液路。
第一条:冲开单向阀向支架系统供液。
第二条:冲开单向阀的高压乳化液经控制液路到达先导阀滑套下腔,给先导阀杆一个向上的推力。
旨口1、泵站操作人员必须经过专业培训后方可上岗。
2、严格按照《使用说明书》要求进行操作。
3、使用前应检查各联接部位及高压密封部位,确保联接可靠、密封安全。
3、严禁液压系统在泄漏状态下工作,对泄漏物要及时清理4、设备维修前要将压力卸掉,确认设备内无压力后再实施维修5、畜能器为高压容器,拆装、检修务必小心以免伤人。
6、蓄能器充入气体为氮气,不可充装氧气、压缩空气或其它可燃性气体7、在充装氮气时应缓慢进行,以防冲破胶囊。
泵站使用要点1、旋向:电动机转向应与所示箭头方向一致。
2、排气:首次安装或检修泵阀后,拧下放气螺堵,放尽进液腔空气。
3、保持润滑油池油量,延长柱塞及密封圈的使用寿命。
4、每班检查滑块锁紧螺套,发现松动应及时拧紧,确保柱塞和滑块紧密联接。
5、使用扳手经常检查并用力拧紧吸排液阀压紧螺堵。
6、日常观察进排液阀的节奏声,卸载阀动作情况,压力表的读数及曲轴箱的油温、油位变化(油位在游标红线以上,绿线以下)7、各类过滤器每月清洗一次,以免堵塞。
8、当环境温度W 0°C时,停泵后应放尽进液腔内的液体,以免冻坏箱体。
一、概述BRW400/31. 5型乳化液泵是由通用的五柱塞曲轴箱为基础配以250kW 三相异步电动机使用螺栓固定在底托上(与RX400/25型乳化液箱及W10FX 型辅助液箱组成乳化液泵站)。
BRW400/31. 5型乳化液泵在曲轴箱上增加了一台齿轮油泵,油泵的一端与曲轴相连,此时曲轴旋转带动齿轮油泵,润滑油在齿轮油泵的作用力下将曲轴箱内的润滑油经过冷却器(冷却器安装在泵进液腔内)将其压入曲轴中,然后通过曲轴中心与各曲拐相通的孔完成对各连杆轴瓦的润滑。
型号含意: B R W 400/31. 5公称压力(MPa)公称流量(L/min)卧式乳化液泵执行标准:BRW400/31. 5乳化液泵执行:MT/T188. 2-2000安标配套件明细表:主要技术参数工作原理及工作简介BRW400/31. 5乳化液泵为卧式五柱塞往复泵,选用四极防爆电机驱动,经一级齿轮减速,带动五曲拐曲轴旋转,再经连杆、滑块带动柱塞往复运动,使工作液在泵头中经吸排液阀吸入和排出,从而使电能转换成液压能,输出高压液体。
BRW400/31.5型乳化液泵使用说明书SHI YONG SHUO MING SHU浙江博超矿用设备有限公司安全警示1.严格按照本说明书进行操作,务必注意安全。
操作人员必须经过培训方可上岗。
2.使用前应检查各联接部位及高压密封部位,确保联接可靠、密封安全。
3.蓄能器为高压容器,应按要求充规定压力的氮气。
对蓄能器进行任何一种维修,必须在维修前先卸掉蓄能器中的液体,再用充气工具排尽胶囊中的气体,最后方能拆卸蓄能器各零件,以免伤人。
4.警示及使用要点标牌固定在曲轴箱上面,务必遵守执行。
目录一、概述 (1)二、主要技术参数 (1)三、工作原理与结构简介 (2)四、泵的使用 (5)五、泵的维护和保养 (6)六、泵的故障与排除方法 (8)七、随机备件和随机工具 (9)八、附图 (10)一、概述BRW400/31.5型乳化液泵与RX400/25乳化液箱组成乳化液泵站,主要为中厚煤层综合机械化采煤液压支架提供动力源,也可用于地面其它液压设备,该泵站一般由二泵一箱组成。
本泵为兖矿集团东滩矿的专用配套设备,在泵上配置了必要的传感器如图1所示,有曲轴箱油温传感器(开关量)和齿轮油泵油压传感器(开关量)及泵站高压出口压力传感器等。
本产品符合《MT/T188.2-2000煤矿用乳化液泵站乳化液泵》标准。
泵型号说明:工厂产品特征代号主参数公称压力(兆帕)主参数公称流量(升/分)第二特征代号(“W”表示卧式结构)第一特征代号(“R”表示乳化液)泵(“B”表示泵)卸载阀出厂调定压力31.5 MPa卸载阀恢复工作压力卸载阀调定压力的80%~90%润滑油泵工作压力≮0.1MPa工作液含3%~5%乳化油的中性水混合液配套液箱RX400/25三、工作原理与结构简介卧式五柱塞往复泵选用四极防爆电机驱动,经一级齿轮减速,带动五曲拐曲轴旋转,再经连杆、滑块带动柱塞作往复运动,使工作液在泵头中经吸排液阀吸入和排出,从而使电能转换成液压能,输出高压液体供液压支架工作时使用。
B R W400/31[1].5乳化泵说明书-CAL-FENGHAI.-(YICAI)-Company One1使用说明书SHI YONG SHUO MING SHU(二○○七年元月版)·五柱塞:运转平稳·乳化液及清水均可使用·压力润滑、强制冷却润滑油·新型卸载阀:可靠、大流量·高压力、大流量、大功率无锡煤矿机械厂有限公司地址:江苏省无锡市中南路28号邮编:214024电话:05 传真:05销售处电话:05 传真:05E-mail:2安全警示1.严格按照本说明书进行操作,务必注意安全。
操作人员必须经过培训方可上岗。
2.使用前应检查各联接部位及高压密封部位,确保联接可靠、密封安全。
3.蓄能器为高压容器,应按要求充规定压力的氮气。
对蓄能器进行任何一种维修,必须在维修前先卸掉蓄能器中的液体,再用充气工具排尽胶囊中的气体,最后方能拆卸蓄能器各零件,以免伤人。
4.警示及使用要点标牌固定在曲轴箱上面,务必遵守执行。
3目录一、概述 (1)二、主要技术参数 (1)三、工作原理与结构简介 (2)四、泵的使用 (5)五、泵的维护和保养 (6)六、泵的故障与排除方法 (8)七、随机备件和随机工具 (9)八、附图 (10)45一、概述BRW400/型乳化液泵与RX400/25乳化液箱组成乳化液泵站,主要为中厚煤层综合机械化采煤液压支架提供动力源,也可用于地面其它液压设备,该泵站一般由二泵一箱组成。
本泵为兖矿集团东滩矿的专用配套设备,在泵上配置了必要的传感器如图1所示,有曲轴箱油温传感器(开关量)和齿轮油泵油压传感器(开关量)及泵站高压出口压力传感器等。
本产品符合《MT/煤矿用乳化液泵站 乳化液泵》标准。
泵型号说明:工厂产品特征代号 主参数公称压力(兆帕) 主参数公称流量(升/分)第二特征代号(“W ”表示卧式结构) 第一特征代号(“R ”表示乳化液) 泵(“B ”表示泵)柱塞数目5电机功率250kW外型尺寸(长×宽×高)3380×1235×1360总重量4500kg安全阀出厂调定压力~卸载阀出厂调定压力 MPa卸载阀恢复工作压力卸载阀调定压力的80%~90%润滑油泵工作压力≮工作液含3%~5%乳化油的中性水混合液配套液箱RX400/25三、工作原理与结构简介卧式五柱塞往复泵选用四极防爆电机驱动,经一级齿轮减速,带动五曲拐曲轴旋转,再经连杆、滑块带动柱塞作往复运动,使工作液在泵头中经吸排液阀吸入和排出,从而使电能转换成液压能,输出高压液体供液压支架工作时使用。
乳化泵使用说明书一、泵的使用1、使用单位必须指定经专门培训的泵站司机操作管理。
2、安装时泵应水平放置,以保持良好的润滑条件。
3、在使用泵站前,首先应仔细检查润滑油的油位是否符合规定,油位在泵运转时,不应低于油标玻璃板上的红线或超过绿线,已中位为宜。
4、注意检查润滑油油尺油量,是否有足量的润滑油。
5、检查:各部位机件有无损坏;各紧固件不应松动;各连接管道不应有渗漏现象;吸、排液软管不应有折叠与死弯。
6、在确认无故障后,将吸液腔的放气螺堵拧松,将吸液腔的空气放出,待有液体流出后拧紧。
接通电源,点动电源开关,观察电动转向与箭头与所示方向是否相同,若方向不符,应在纠正电机接线后,方可重新启动。
7、泵启动后,应密切注意它的运转情况,先空载运行5~10分钟,泵应没有异常噪音、抖动、管路泄漏等现象,检查泵头吸、排液阀的压紧螺堵,泵头与曲轴箱连接螺钉等是否拧紧,确认无松动现象后方可投入使用。
8、投入工作初期,要注意曲轴箱的温度不宜过高,油温应低于80℃。
开泵的前与后,注意油位的变化,油位不得低于油标的红线,但也不得高于油标的绿线,齿轮油泵的油压≥0.1MPa。
乳化液箱的液位不得过低,以免吸空气,液温不得超过40℃。
9、在工作中要注意柱塞密封是否正常,柱塞上有少量水珠是正常现象,如发现柱塞密封处漏液过多,要及时更换和处理。
适度压紧柱塞密封圈,能改善漏液状态,但不能压得太紧,一般压紧后退后1/6圈,已不泄漏为宜,这可延长柱塞密封圈的使用寿命。
二、泵的维护和保养(一)润滑油1、用N68机械油(也可用N100机械油代),不应使用更低粘度的润滑油,以免影响润滑泵在运行150小时后,应第一次更换曲轴箱内的润滑油,同时清洗油池,加油必须在滤池网口加入,正常运行中作适应补充,严防煤粉、矸石进入曲轴箱内。
以后应每运行1000小时后更换一次润滑油;在每次换油时,应将油池底部清洗干净。
(二)日常维护保养1、检查各连接运动部件、紧固件是否松动,各高、低压接头处是否泄漏。
使用说明书SHI YONG SHUO MING SHU(二○○七年元月版)·五柱塞:运转平稳·乳化液及清水均可使用·压力润滑、强制冷却润滑油·新型卸载阀:可靠、大流量·高压力、大流量、大功率无锡煤矿机械厂有限公司地址:江苏省无锡市中南路28号邮编:214024电话:05 传真:05销售处电话:05 传真:05E-mail安全警示1.严格按照本说明书进行操作,务必注意安全。
操作人员必须经过培训方可上岗。
2.使用前应检查各联接部位及高压密封部位,确保联接可靠、密封安全。
3.蓄能器为高压容器,应按要求充规定压力的氮气。
对蓄能器进行任何一种维修,必须在维修前先卸掉蓄能器中的液体,再用充气工具排尽胶囊中的气体,最后方能拆卸蓄能器各零件,以免伤人。
4.警示及使用要点标牌固定在曲轴箱上面,务必遵守执行。
目录一、概述 (1)二、主要技术参数 (1)三、工作原理与结构简介 (2)四、泵的使用 (5)五、泵的维护和保养 (6)六、泵的故障与排除方法 (8)七、随机备件和随机工具 (9)八、附图 (10)一、概述BRW400/型乳化液泵与RX400/25乳化液箱组成乳化液泵站,主要为中厚煤层综合机械化采煤液压支架提供动力源,也可用于地面其它液压设备,该泵站一般由二泵一箱组成。
本泵为兖矿集团东滩矿的专用配套设备,在泵上配置了必要的传感器如图1所示,有曲轴箱油温传感器(开关量)和齿轮油泵油压传感器(开关量)及泵站高压出口压力传感器等。
本产品符合《MT/煤矿用乳化液泵站乳化液泵》标准。
泵型号说明:工厂产品特征代号主参数公称压力(兆帕)主参数公称流量(升/分)第二特征代号(“W”表示卧式结构)第一特征代号(“R”表示乳化液)泵(“B”表示泵)柱塞数目5电机功率250kW外型尺寸(长×宽×高)3380×1235×1360总重量4500kg安全阀出厂调定压力~卸载阀出厂调定压力MPa卸载阀恢复工作压力卸载阀调定压力的80%~90%润滑油泵工作压力≮工作液含3%~5%乳化油的中性水混合液配套液箱RX400/25三、工作原理与结构简介卧式五柱塞往复泵选用四极防爆电机驱动,经一级齿轮减速,带动五曲拐曲轴旋转,再经连杆、滑块带动柱塞作往复运动,使工作液在泵头中经吸排液阀吸入和排出,从而使电能转换成液压能,输出高压液体供液压支架工作时使用。
BRW400/31.5型乳化液泵使用说明书安装、使用前请阅读使用说明书执行标准:MT/T188.2-2000浙江众博矿业机械有限公司二零零九年版产品优点·五柱塞:运转平稳、脉冲击小·乳化液及清水均可使用·压力润滑、强制冷却润滑油·新型卸载阀:可靠、大流量·高压力、大流量、大功率警告1、泵站操作人员必须经过专业培训后方可上岗。
2、严格按照《使用说明书》要求进行操作。
3、使用前应检查各联接部位及高压密封部位,确保联接可靠、密封安全。
3、严禁液压系统在泄漏状态下工作,对泄漏物要及时清理4、设备维修前要将压力卸掉,确认设备内无压力后再实施维修5、畜能器为高压容器,拆装、检修务必小心以免伤人。
6、蓄能器充入气体为氮气,不可充装氧气、压缩空气或其它可燃性气体7、在充装氮气时应缓慢进行,以防冲破胶囊。
泵站使用要点1、旋向:电动机转向应与所示箭头方向一致。
2、排气:首次安装或检修泵阀后,拧下放气螺堵,放尽进液腔空气。
3、保持润滑油池油量,延长柱塞及密封圈的使用寿命。
4、每班检查滑块锁紧螺套,发现松动应及时拧紧,确保柱塞和滑块紧密联接。
5、使用扳手经常检查并用力拧紧吸排液阀压紧螺堵。
6、日常观察进排液阀的节奏声,卸载阀动作情况,压力表的读数及曲轴箱的油温、油位变化(油位在游标红线以上,绿线以下)。
7、各类过滤器每月清洗一次,以免堵塞。
8、当环境温度≤0℃时,停泵后应放尽进液腔内的液体,以免冻坏箱体。
目录一、概述 (4)二、主要技术参数 (5)三、工作原理与结构简介 (5)四、泵的使用 (14)五、泵的维修和保养 (15)六、泵的故障与排除方法 (17)七、随机备件明细表 (18)八、随机工具及使用方法 (20)九、包装、运输 (21)一、概述BRW400/31.5型乳化液泵是由通用的五柱塞曲轴箱为基础配以250kW三相异步电动机使用螺栓固定在底托上(与RX400/25型乳化液箱及W10FX型辅助液箱组成乳化液泵站)。
B R W315/31.5型乳化液泵使用说明书一、概述BRW315/31.5型乳化液泵与RX400/25乳化液箱组成乳化液泵站,主要为中厚煤层综合机械化采煤液压支架提供动力源,也可用于地面其它液压设备,该泵站一般由二泵一箱组成。
本产品符合《MT/T188.2-2000煤矿用乳化液泵站乳化液泵》标准。
泵型号说明:B R W 315 / 31.5 □工厂产品特征代号主参数公称压力(兆帕)主参数公称流量(升/分)第二特征代号(“W”表示卧式结构)第一特征代号(“R”表示乳化液)泵(“B”表示泵)二、主要技术参数三、工作原理与结构简介卧式五柱塞往复泵选用四极防爆电机驱动,经一级齿轮减速,带动五曲拐曲轴旋转,再经连杆、滑块带动柱塞作往复运动,使工作液在泵头中经吸排液阀吸入和排出,从而使电能转换成液压能,输出高压液体供液压支架工作时使用。
其液压原理图如下:液压系统原理图乳化液泵、电动机、蓄能器、卸载阀等固定于滑撬式底拖上组成乳化液泵总成(图1)。
1、乳化液泵(图2)乳化液泵主要由曲轴箱、高压钢套、泵头等组件组成。
泵的液力端采用五个分立的泵头组成,泵头下部安装吸液阀,上部安装排液阀,排液腔由一个高压集液块与五个分立的泵头高压出口相连,高压集液块一侧装有安全阀,另一侧装有卸载阀。
曲轴箱设有冷却润滑系统,安装在齿轮箱上的齿轮油泵经箱体下方的网式滤油器吸油,排出压力油经过设在泵吸液腔的油冷却器冷却后到中空曲轴润滑连杆大头。
在箱体曲轴下方设有磁性过滤器,以吸附润滑油中的铁磁性杂质。
在进液腔盖上方设有放气孔,以放尽该腔内空气。
在进液腔盖下方设有防冻放液孔,可放尽进液腔内液体。
齿轮油泵显示的油压是变化的,当冷油时(刚开泵时)油压较高,有时可>1MPa,随着油温升高,油粘度下降,油压也下降,但只要≮0.1MPa 即为正常。
2、安全阀(图3)安全阀是泵的过载保护元件,为二级卸压直动式锥阀。
调定工作压力为泵公称压力的110%~115%。
乳化液泵B R W315-31.5使用说明书-CAL-FENGHAI.-(YICAI)-Company One1B R W315/型乳化液泵使用说明书一、概述BRW315/型乳化液泵与RX400/25乳化液箱组成乳化液泵站,主要为中厚煤层综合机械化采煤液压支架提供动力源,也可用于地面其它液压设备,该泵站一般由二泵一箱组成。
本产品符合《MT/煤矿用乳化液泵站乳化液泵》标准。
泵型号说明:B R W 315 / □工厂产品特征代号主参数公称压力(兆帕)主参数公称流量(升/分)第二特征代号(“W”表示卧式结构)第一特征代号(“R”表示乳化液)泵(“B”表示泵)二、主要技术参数2三、工作原理与结构简介卧式五柱塞往复泵选用四极防爆电机驱动,经一级齿轮减速,带动五曲拐曲轴旋转,再经连杆、滑块带动柱塞作往复运动,使工作液在泵头中经吸排液阀吸入和排出,从而使电能转换成液压能,输出高压液体供液压支架工作时使用。
其液压原理图如下:3液压系统原理图乳化液泵、电动机、蓄能器、卸载阀等固定于滑撬式底拖上组成乳化液泵总成(图1)。
1、乳化液泵(图2)乳化液泵主要由曲轴箱、高压钢套、泵头等组件组成。
泵的液力端采用五个分立的泵头组成,泵头下部安装吸液阀,上部安装排液阀,排液腔由一个高压集液块与五个分立的泵头高压出口相连,高压集液块一侧装有安全阀,另一侧装有卸载阀。
曲轴箱设有冷却润滑系统,安装在齿轮箱上的齿轮油泵经箱体下方的网式滤油器吸油,排出压力油经过设在泵吸液腔的油冷却器冷却后到中空曲轴润滑连杆大头。
在箱体曲轴下方设有磁性过滤器,以吸附润滑油中的铁磁性杂质。
在进液腔盖上方设有放气孔,以放尽该腔内空气。
在进液腔盖下方设有防冻放液孔,可放尽进液腔内液体。
4齿轮油泵显示的油压是变化的,当冷油时(刚开泵时)油压较高,有时可>1MPa,随着油温升高,油粘度下降,油压也下降,但只要≮即为正常。
2、安全阀(图3)安全阀是泵的过载保护元件,为二级卸压直动式锥阀。
乳化泵的使用方法、维护及基本知识一、乳化泵的使用方法:1.开泵前的准备工作与检查①观察曲轴箱油位是否正常。
②柱塞腔的滴油槽应每班加满油。
③检查柱塞与滑块的连接压套是否松动,应及时拧紧。
④检查各重要连接位置(如柱塞与滑块的连接压套)是否松动,紧固螺钉是否松动,如发现应及时拧紧。
⑤检查管路连接是否正确可靠,紧固螺钉是否松动。
⑥检查压力表是否损坏失灵。
⑦打开供液阀门。
2.启动点动电机,观察电机转向是否与泵上的箭头所指方向一致。
3.正常运转中的注意事项及检查工作①曲轴箱中的油位在泵箱体的油标处检查,油位不得低于油标下红线(运转时),不够应及时补充,充油必须灌到油位上绿线。
过低或过高会烧坏轴瓦或引起油温异常升高。
②应特别注意柱塞密封的工作状态,打开中间隔腔的盖板,观察各柱塞密封的漏液情况,密封填料处允许有液体滴落,但如果漏液过多,必须更换密封。
③检查卸载阀工作是否正常,开启压力是否正确,压力表是否失灵。
④随时注意泵在运转中的声音、温度,观察工作状况,如遇反常声响,温度过高(超过80℃)或急剧升高、剧烈抖动等异常情况,应立即停泵检查。
⑤在正常使用时,泵的上盖不应打开,防止煤尘进入泵内,柱塞腔盖板应盖好,防止杂物进入冲坏滑块。
在泵站工作时,液箱盖严禁打开,严防杂物落进液箱。
⑥随时注意各元件及接头处是否有漏液及损坏,并及时处理发现的问题。
⑦在发现高压胶管有反常抖动时,应检查供液压力和供液过滤器是否堵塞,并进行清洗干净。
各组吸、排液阀是否损坏,阀的抬高量是否太大等。
二、乳化泵的维护1.泵站使用的润滑油本泵站采用的润滑油为L-AN68全损耗系统用(GB443-89),润滑油应在开始运转200小时后,进行第一次更换。
以后每运行1000小时后,更换一次润滑油。
在每次换油时,泵底部油池内要清洗干净。
正常使用过程中,要不断检查其油位。
在补充加油时应经过滤,并要特别注意防止脏物进入泵的曲轴箱内。
2.连杆轴瓦的调整:在1500小时运行及每次换油后要进行调整。
BRW315/31.5 、BRW400/31.5型乳化液泵站使用说明书(安装、使用产品前请阅读说明书)制造厂家:平顶山市巨鹰科技有限公司联系地址:河南省平顶山市南环西路2号邮 编:467001联系电话:(0375)49159554915951传 真:(0375)4915951日 期:2010年1月17日平顶山市巨鹰科技有限公司安全警示1.安装、使用、维修前需详细阅读本说明书,请注意有关说明,遵守操作指导;2.对影响安全的任何改装需得到本厂家的许可;3.使用单位必须指定专门人员操作管理,操作人员必须认真负责并经过专门培训;4.属安全标志控制的配套产品,必须选用有安全标志的产品,严禁配用非安标的产品;5.电机禁止带负荷启动;6.维修时禁止带电作业;7.安装乳化液泵时应尽量水平放置,以保证良好的润滑条件。
若倾斜,则倾角必须小于10°;8.蓄能器必须使用充气工具进行充气,充装氮气时应缓慢进行,不允许充装其他气体;9.卸下蓄能器时,必须卸掉管路负载;10.严禁液压系统在泄漏状态下工作,防止系统工作不正常或者伤人;11.环境温度0C°以下不使用泵时,必须放净吸排液腔的水,以防冻裂箱体;12.电动机转向应与标示箭头方向一致;13.滑块与柱塞的连接处,不允许有松动现象;14.联轴器处的护罩应安装牢固,严禁松动或者无护罩使用;15.经常检查安全阀、调压阀、蓄能器与其他重要连接部位,如有异常应及时处理;16.泵站系统经常维护可以提高其使用寿命。
目录安全警示前言1概述2结构特征与工作原理2.1总体结构及其工作原理、工作特性2.2主要部件结构及其工作原理3泵站技术特性4泵的使用、操作4.1准备和检查4.2启动、运行和停机程序及相关注意事项5故障分析与排除6日常及运行时保养与维修7其他事项8所附图纸表格等1乳化液泵和乳化液箱型号说明乳化液泵站的型号命名原则上按MT/T188的命名规定,在乳化液泵型号命名的后面加“泵站”两字。
BRW315/31.5型乳化液泵使用说明书SHI YONG SHUO MING SHU浙江博超矿用设备有限公司安全警示1.严格按照本说明书进行操作,务必注意安全。
操作人员必须经过培训方可上岗。
2.使用前应检查各联接部位及高压密封部位,确保联接可靠、密封安全。
3.蓄能器为高压容器,应按要求充规定压力的氮气。
对蓄能器进行任何一种维修,必须在维修前先卸掉蓄能器中的液体,再用充气工具排尽胶囊中的气体,最后方能拆卸蓄能器各零件,以免伤人。
4.警示及使用要点标牌固定在曲轴箱上面,务必遵守执行。
目录一、概述 (1)二、主要技术参数 (1)三、工作原理与结构简介 (2)四、泵的使用 (5)五、泵的维护和保养 (6)六、泵的故障与排除方法 (8)七、随机备件和随机工具 (9)八、附图 (10)一、概述BRW400/31.5型乳化液泵与RX400/25乳化液箱组成乳化液泵站,主要为中厚煤层综合机械化采煤液压支架提供动力源,也可用于地面其它液压设备,该泵站一般由二泵一箱组成。
本泵为兖矿集团东滩矿的专用配套设备,在泵上配置了必要的传感器如图1所示,有曲轴箱油温传感器(开关量)和齿轮油泵油压传感器(开关量)及泵站高压出口压力传感器等。
本产品符合《MT/T188.2-2000煤矿用乳化液泵站乳化液泵》标准。
泵型号说明:工厂产品特征代号主参数公称压力(兆帕)主参数公称流量(升/分)第二特征代号(“W”表示卧式结构)第一特征代号(“R”表示乳化液)泵(“B”表示泵)卸载阀出厂调定压力31.5 MPa卸载阀恢复工作压力卸载阀调定压力的80%~90%润滑油泵工作压力≮0.1MPa工作液含3%~5%乳化油的中性水混合液配套液箱RX400/25三、工作原理与结构简介卧式五柱塞往复泵选用四极防爆电机驱动,经一级齿轮减速,带动五曲拐曲轴旋转,再经连杆、滑块带动柱塞作往复运动,使工作液在泵头中经吸排液阀吸入和排出,从而使电能转换成液压能,输出高压液体供液压支架工作时使用。
乳化液泵B R W315-31.5使用说明书(总15页)--本页仅作为文档封面,使用时请直接删除即可----内页可以根据需求调整合适字体及大小--B R W315/型乳化液泵使用说明书一、概述BRW315/型乳化液泵与RX400/25乳化液箱组成乳化液泵站,主要为中厚煤层综合机械化采煤液压支架提供动力源,也可用于地面其它液压设备,该泵站一般由二泵一箱组成。
本产品符合《MT/煤矿用乳化液泵站乳化液泵》标准。
泵型号说明:B R W 315 / □工厂产品特征代号主参数公称压力(兆帕)主参数公称流量(升/分)第二特征代号(“W”表示卧式结构)第一特征代号(“R”表示乳化液)泵(“B”表示泵)二、主要技术参数22三、工作原理与结构简介卧式五柱塞往复泵选用四极防爆电机驱动,经一级齿轮减速,带动五曲拐曲轴旋转,再经连杆、滑块带动柱塞作往复运动,使工作液在泵头中经吸排液阀吸入和排出,从而使电能转换成液压能,输出高压液体供液压支架工作时使用。
其液压原理图如下:33液压系统原理图乳化液泵、电动机、蓄能器、卸载阀等固定于滑撬式底拖上组成乳化液泵总成(图1)。
1、乳化液泵(图2)乳化液泵主要由曲轴箱、高压钢套、泵头等组件组成。
泵的液力端采用五个分立的泵头组成,泵头下部安装吸液阀,上部安装排液阀,排液腔由一个高压集液块与五个分立的泵头高压出口相连,高压集液块一侧装有安全阀,另一侧装有卸载阀。
曲轴箱设有冷却润滑系统,安装在齿轮箱上的齿轮油泵经箱体下方的网式滤油器吸油,排出压力油经过设在泵吸液腔的油冷却器冷却后到中空曲轴润滑连杆大头。
在箱体曲轴下方设有磁性过滤器,以吸附润滑油中的铁磁性杂质。
在进液腔盖上方设有放气孔,以放尽该腔内空气。
在进液腔盖下方设有防冻放液孔,可放尽进液腔内液体。
44齿轮油泵显示的油压是变化的,当冷油时(刚开泵时)油压较高,有时可>1MPa,随着油温升高,油粘度下降,油压也下降,但只要≮即为正常。
B R W400/31[1].5乳化泵说明书(总22页)--本页仅作为文档封面,使用时请直接删除即可----内页可以根据需求调整合适字体及大小--使用说明书SHI YONG SHUO MING SHU(二○○七年元月版)·五柱塞:运转平稳·乳化液及清水均可使用·压力润滑、强制冷却润滑油·新型卸载阀:可靠、大流量·高压力、大流量、大功率无锡煤矿机械厂有限公司地址:江苏省无锡市中南路28号邮编:214024电话:05 传真:05销售处电话:05 传真:05E-mail:2安全警示1.严格按照本说明书进行操作,务必注意安全。
操作人员必须经过培训方可上岗。
2.使用前应检查各联接部位及高压密封部位,确保联接可靠、密封安全。
3.蓄能器为高压容器,应按要求充规定压力的氮气。
对蓄能器进行任何一种维修,必须在维修前先卸掉蓄能器中的液体,再用充气工具排尽胶囊中的气体,最后方能拆卸蓄能器各零件,以免伤人。
4.警示及使用要点标牌固定在曲轴箱上面,务必遵守执行。
3目录一、概述 (1)二、主要技术参数 (1)三、工作原理与结构简介 (2)四、泵的使用 (5)五、泵的维护和保养 (6)六、泵的故障与排除方法 (8)七、随机备件和随机工具 (9)八、附图 (10)45一、概述BRW400/型乳化液泵与RX400/25乳化液箱组成乳化液泵站,主要为中厚煤层综合机械化采煤液压支架提供动力源,也可用于地面其它液压设备,该泵站一般由二泵一箱组成。
本泵为兖矿集团东滩矿的专用配套设备,在泵上配置了必要的传感器如图1所示,有曲轴箱油温传感器(开关量)和齿轮油泵油压传感器(开关量)及泵站高压出口压力传感器等。
本产品符合《MT/煤矿用乳化液泵站 乳化液泵》标准。
泵型号说明:工厂产品特征代号 主参数公称压力(兆帕) 主参数公称流量(升/分)第二特征代号(“W ”表示卧式结构) 第一特征代号(“R ”表示乳化液) 泵(“B ”表示泵)柱塞数目5电机功率250kW外型尺寸(长×宽×高)3380×1235×1360总重量4500kg安全阀出厂调定压力~卸载阀出厂调定压力 MPa卸载阀恢复工作压力卸载阀调定压力的80%~90%润滑油泵工作压力≮工作液含3%~5%乳化油的中性水混合液配套液箱RX400/25三、工作原理与结构简介卧式五柱塞往复泵选用四极防爆电机驱动,经一级齿轮减速,带动五曲拐曲轴旋转,再经连杆、滑块带动柱塞作往复运动,使工作液在泵头中经吸排液阀吸入和排出,从而使电能转换成液压能,输出高压液体供液压支架工作时使用。
警告
1、泵站操作人员必须经过专业培训后方可上岗。
2、严格按照《使用说明书》要求进行操作。
3、使用前应检查各联接部位及高压密封部位,确保联接可靠、
密封安全。
3、严禁液压系统在泄漏状态下工作,对泄漏物要及时清理
4、设备维修前要将压力卸掉,确认设备内无压力后再实施维修
5、畜能器为高压容器,拆装、检修务必小心以免伤人。
6、蓄能器充入气体为氮气,不可充装氧气、压缩空气或其它可燃
性气体
7、在充装氮气时应缓慢进行,以防冲破胶囊。
泵站使用要点
1、旋向:电动机转向应与所示箭头方向一致。
2、排气:首次安装或检修泵阀后,拧下放气螺堵,放尽进液腔空气。
3、保持润滑油池油量,延长柱塞及密封圈的使用寿命。
4、每班检查滑块锁紧螺套,发现松动应及时拧紧,确保柱塞和滑块紧密联接。
5、使用扳手经常检查并用力拧紧吸排液阀压紧螺堵。
6、日常观察进排液阀的节奏声,卸载阀动作情况,压力表的读数及曲轴箱的油温、油位变化(油位在游标红线以上,绿线以下)。
7、各类过滤器每月清洗一次,以免堵塞。
8、当环境温度≤0℃时,停泵后应放尽进液腔内的液体,以免冻坏箱体。
一、概述
BRW400/31.5型乳化液泵是由通用的五柱塞曲轴箱为基础配以250kW三相异步电动机使用螺栓固定在底托上(与RX400/25型乳化液箱及W10FX型辅助液箱组成乳化液泵站)。
BRW400/31.5型乳化液泵在曲轴箱上增加了一台齿轮油泵,油泵的一端与曲轴相连,此时曲轴旋转带动齿轮油泵,润滑油在齿轮油泵的作用力下将曲轴箱内的润滑油经过冷却器(冷却器安装在泵进液腔内)将其压入曲轴中,然后通过曲轴中心与各曲拐相通的孔完成对各连杆轴瓦的润滑。
型号含意:B R W 400/31.5
公称压力(MPa)
公称流量(L/min)
卧式
乳化液
泵
执行标准:BRW400/31.5乳化液泵执行:MT/T188.2-2000
二、主要技术参数
工作原理及工作简介
BRW400/31.5乳化液泵为卧式五柱塞往复泵,选用四极防爆电机驱动,经一级齿轮减速,带动五曲拐曲轴旋转,再经连杆、滑块带动柱塞往复运动,使工作液在泵头中经吸排液阀吸入和排出,从而使电能转换成液压能,输出高压液体。
五柱塞泵(如图一所示)、电动机、连轴器组件(如图二所示)、蓄能器等固定于滑撬式底拖上组成五柱塞泵总成。
图一BRW400/31.5乳化液泵总成
图二连轴器组件
1、五柱塞泵
五柱塞泵(见图三所示)主要由曲轴箱、曲轴组件(见图四)、小齿轮箱组件(见图五)、高压钢套组件(见图六)、连杆组件(见图七)泵头组件(见图八)等组成。
泵的液力端采用五个分立的泵头组成,泵头下部安装吸液阀,上部安装排液阀,排液腔由一高压集液块与五个分立的泵头高压出口相连而成,一侧装有安全阀,另一侧装有卸载阀。
曲轴箱设有冷却润滑系统,安装在齿轮箱上的齿轮油泵经箱体下方的网式滤油器吸油,排出压力油经过设在泵吸液腔的油冷却器冷却后到曲轴润滑连杆大头。
在箱体下方设有磁性过滤器,以吸附润滑油中的铁磁性杂质。
在进液腔盖的上方设有放气孔,以放尽腔内空气。
齿轮油泵显示的油压是变化的,当冷却时(刚开泵时)油压较高,有时可大于1MPa,随着油温升高,油粘度下降,油压也下降,但只有
≮0.1MPa即为工作正常。
图三BRW400/31.5乳化液泵
图四QZX250 07曲轴组件
图五小齿轮箱组件
图六高压钢套组件
图七连杆组件
图八泵头组件
2、安全阀
安全阀(见图九)是泵的过载保护元件,为二级卸压直动式锥阀。
调定压力为泵公称压力的110%~115%。
图九WAF315/40安全阀
3、卸载阀(见图十)
卸载阀主要由两套并联的单向阀、主阀和一个先导阀组成。
工作原理:泵输出的高压液体进入卸载阀后,分成四条液路。
第一条:冲开单向阀向支架系统供液。
第二条:冲开单向阀的高压液体经控制液路到达先导阀滑套下腔,给阀杆一个向上的推力。
第三条:来自泵的高压乳化液经中间的控制液路和先导阀杆下腔作用在主阀推力活塞下腔,使主阀关闭。
第四条:经主阀阀口,是高压乳化液的卸载回液液路。
当支架停止用液或系统压力升高到先导阀的调定压力时,作用于先导阀的高压液体开启先导阀,使作用于主阀推力活塞下腔的高压液体卸载归零,主阀因失去依托而打开,此时液体经主阀回液箱,同时单向阀在乳化液压力作用下关闭。
单向阀后腔为高压密封腔,从而维护阀的持续开启,
图十卸载阀
实现阀稳定卸载状态,泵处于低压运行。
当支架重新用液或系统漏损,单向阀后高压腔压力下降至卸载阀的恢复压力时,先导阀在弹簧力和液压力的作用下关闭,主阀下推力活塞下腔重新建立起压力,主阀关闭,泵站恢复供液状态。
调节卸载阀的工作压力时,需调节先导阀调整螺套,即调节先导阀碟形弹簧作用力,其调定压力出厂时为泵的公称压力。
4、蓄能器
本泵采用公称容量为NXQ-L25/320-A型皮囊式蓄能器,其主要作用是补充高压系统中的漏损,从而减少卸载阀的动作次数,延长液压系统中的液压元件的使用寿命,同时还能吸收高压系统中的压力动脉。
蓄能器在安装前必须在胶囊内充足氮气。
注意蓄能器内禁止充氧气和压缩空气,以免引起爆炸。
蓄能器充气方法有三种:即氮气瓶直接过气法;蓄能器增压法;使用专用充氮机等方法。
在充气时不管采用何种方法,都必须遵守下列程序:⑴取下充气阀的保护帽;⑵装上带压力表的充气工具,并与
充气管连通;⑶操作人员在启闭氮气瓶气阀时,应站在充气阀的侧面,徐徐开启氮气瓶气阀;⑷通过充气工具的手柄,徐徐打开压下气门芯,缓缓地充入氮气,代气囊膨胀至菌形阀门闭,充气速度方可加快,并达到所需的充气压力;⑸充气完毕将氮气瓶开关关闭,放尽充气工具及管内残余气体,方能拆卸充气工具,然后将保护帽牢固旋紧。
泵站工作压力(卸载压力)与蓄能器气体压力对照表:
泵站在使用中蓄能器的气体压力应定期检查,如发现蓄能器内剩余气体压力低于对照表中气体最低压力值,应及时给蓄能器补充气体,为延长蓄能器的使用时间,充气一般尽量至接近对照表中蓄能器气体最高压力值。
三、泵的使用
1、使用单位必须指定经专门培训的泵站司机操作管理,操作管理人员必须认真负责。
2、安装时泵应水平放置,以保持良好的润滑条件。
3、在使用泵站前,首先应仔细检查润滑油的油位是否符合规定,
油位在泵运转时不能低于游标玻璃的下限或超过上限,以中位偏下为宜。
各部位机件有无损坏,各紧固件不应松动。
各连接管道是否有渗漏现象,吸排液软管是否有折叠。
4、在确认无故障后,接通电源,将吸液腔的放气堵拧松,把吸液腔空气彻底放尽,代出液后拧紧。
点动电源开关,观察电机转向与所示箭头方向是否相同,如方向不符,应纠正电机接线后,方可启动。
5、泵启动后,拧紧泵头高压腔放气螺钉,放尽高压腔内的空气(出液后即拧紧),应密切注意它的运转情况,先空载运转5-10分钟,泵应没有异常噪声、抖动、管路泄漏等现象。
检查泵头吸排液阀压紧螺堵,泵头与箱体连接螺钉等应无松动现象方可投入使用。
6、投入工作初期,要注意箱体温度不宜过高,油温应低于85℃,注意油位的变化,油位不得低于下限,油压≮0.1MPa。
液箱的油位不得过低,以免吸空,液温不得超过40℃。
7、在工作中要注意柱塞密封是否正常,柱塞上有水珠是正常现象。
如发现柱塞密封处漏液过多,要及时更换和处理。
四、泵的维护和保养
1、润滑油
用N68#机械油,不应使用更低粘度的润滑油,以免影响润滑。
润滑油在运行150小时后换第一次换油,同时清洗油池,加油必须在滤网口加入,正常运行中作适当补充,严防煤粉矸石进入箱体内。
2、日常维护保养
⑴检查各连接运动部件、紧固件是否松动,各连接接头是否渗漏。
拧紧柱塞滑块连接处锁紧螺套,消除柱塞滑块间轴向间隙。
⑵要求用扳手经常进行检查吸排液阀压紧螺堵是否松动。
并用力拧紧至拧不动为止。
此项检查每周不得少于一次。
⑶检查吸排液阀的性能,平时应观察阀组动作的节凑声和压力表的跳动情况,如发现不正常及时处理。
⑷泵启动后,应经常检查齿轮油泵的工作油压,若低于0.1MPa 应及时停泵处理。
⑸检查各部位的密封是否可靠,主要是滑块密封和柱塞密封。
⑹检查曲轴箱的油位和润滑油池的油量,必要时加以补充。
⑺每月检查一次蓄能器内的氮气压力,充分发挥蓄能器的作用。
⑻当使用泵的环境温度≤0℃时,停泵后必须将吸液胶管取下放掉泵吸液腔内液体,以免冻坏箱体。
⑼每班检查吸液螺堵是否松动,必要时拧紧。
3、密封圈更换方法
拆下泵头,用两只M12的螺栓拧入高压钢套上,抽出高压钢套组件更换密封圈,柱塞密封为四道矩形密封结构,装配时,四道矩形圈的接口位置应相互错开。
4、升井维修
泵在长期运行中,由于磨损和锈蚀等原因,失去了原有的精度和性能,此时应及时进行升井检修,根据实际情况,更换必须的易损零件,使泵基本恢复原来的性能。
五、泵的故障与排除方法
六、随机件明细表
1.专用件
2.O型密封圈、挡圈随机数量及安装位置
3.标准件
七、随机工具及使用方法。