电加热器设备产品图片和样本
- 格式:pdf
- 大小:7.51 MB
- 文档页数:24
PTC电加热器
节能、安全、环保,可自动调节室温,达到设定需求
结构紧凑、体积小、安装方便
适用于电动车、混合动力车等各种车型
可按客户要求订做
适用于纯电动汽车、电动卡车、低压代步车
一、分档PTC加热器
1、型号:PFJ-4/350
2、额定热流量: 4KW
3、额定电压: DC 350V
4、外形尺寸: 262X172X47.5mm
5、重量: 1.8Kg
二、PWM控制加热器(整车输入控制信号)
1、型号:PFJ-4/350WZ
2、额定热流量: 4KW(全功率)
3、额定电压: DC 350V
4、单机质量: 1.4Kg
5、外形尺寸: 265X172X47.5
专利号:201210053827.X
适用于电动
客车、无轨电
车、电动卡车
1、型号:PFJ-5C/380(600)
2、电机额定电压:DC24V
3、电机功率:180W
4、发热体额定电压:380V
5、额定电功率:5KW
6、外形尺寸:418X170X300
7、重量:6.5Kg。
三相10KW、15KW高性能数字电磁加热控制板控制器介绍说明10KW、15KW/380V数字电磁加热控制板(控制器),为江信电子新一代基于AVR控制的数字高性能电磁加热节能产品。
本产品主要采用全数字锁相跟踪,驱动部分采用高速光藕驱动以及世界名牌英飞凌IGBT模块。
具有性能稳定,故障率、低安装方便,调试简单的特点。
本电磁加热控制板(控制器)可广泛应用于塑料机械(如注塑机、拉丝机、造粒机、挤出机的节能改造工程中)食品机械、原油输送等类似加热行业。
一、技术参数:●额定功率:10KW、15KW;●额定电压:300~450V;●额定电流:10KW:15A;15KW:20-22A;●工作频率:10~40kHz;●谐振模式:串联半桥;●线圈电感量:10KW:160-200μH,横截面10mm2,约30-35米●15KW:120-150μH,横截面16mm2,约28-30米●保温棉厚度:15-25mm;●产品尺寸:长220*宽220*高110。
●控制器尺寸:长290*宽250*高167。
二、产品主要特性:●基于AVR微控制器的数字锁相自动跟踪控制,提供强大的数字计算能力,能实现用户直接对话,能与触摸屏工业计算机连接;●采用高速光藕隔离驱动IGBT;●世界世牌英飞凌IGBT模块●强大的开放式应用平台,用户可以设置各种应用参数达到控制目的;●数字化无级调节功率,功率调节范围:20-100%;●支持0-5V或4-20mA输入做PID调节功率;●支持0-100℃负载温度检测(精度达±1℃);●启动时间〈1S,瞬间过流保护时间≤2uS;●软开关技术,多方面选择面板加热模式和外部端子加热模式,能实现PID闭环控制;●采用工业元器件,100%经高温老化测试,确保长期在50℃工业环境中24小时可靠工作;●高效节能:热效率高达95%以上,同等条件下,比电阻式加热方式节电30%-80%,预热时间缩一半以上;三、安装注意事项:●安装固定控制板时,散热器是带电的,手和其它导电物体千万不要碰到。
风道式工业加热器使用说明书目录一、公司介绍 (3)二、产品概述 (3)2.1产品特点 (3)2.2产品参数 (3)三、产品结构及组成 (4)3.1产品的结构 (4)3.2产品的组成 (4)四、产品的安装及调试 (4)4.1设备安装 (4)4.2各部件结构及接线方式 (5)4.3设备调试 (7)五、产品的注意事项 (9)六、常见故障的诊断及排除 (9)七、售后服务体制 (10)7.1设备维护和保养 (10)八、附件 (10)一、公司介绍江苏中热机械设备有限公司坐落在东方湿地之都盐城,是以各类电加热器、搅拌装置、污水处理装置的设计研发、制造安装及销售为一体的生产型企业。
产品广泛应用于机械、电厂、化工、科研等领域。
我们以新颖的生产理念,引高端生产技术,创一流的生产品质。
产品可根据客户的使用需求,进行人性化设计,以满足不同客户的多元化使用需求。
我们的产品凭借优质独特的设计,卓越可靠的质量,闻名遐迩,并受到客户的一致好评!二、产品概述风道式工业电加热器主要用于风道中的空气加热,规格分低温、中温、高温三种形式,在结构上的共同之处是采用了用钢板支撑电热管以减少风机停止时电热管的振动,在接线盒中都装有超温控制装置。
低温型可直接安装在风道上,而中温型、高温型由于结构上的不同,在通道外壁至加热器接线盒夹有100mm 厚的保温材料,一方面减少整个通道的对外散热,另一方面也减少了接线腔内的温度。
2.1产品特点1.电加热管采用外绕波纹式不锈钢带,增加了散热面积,大大提高了热交换效率。
2.加热器设计合理,风阻小,加热均匀,无高、低温死角。
3.双重保护,安全性能好。
在加热器上安装了温控器、熔断器,可以用来控制风道空气温度超温和无无风的情况下工作,确保万无一失。
2.2产品参数电压380三、产品结构及组成本公司竭诚向你提供成套的搅拌设备,也可分开订制。
有关设备的型号、规格、数量,请按供货合同和随机出厂技术文件资料逐一查收,并请熟悉他们的结构及工作原理3.1产品的结构3.2产品的组成风道式工业电加热器是由翅片多支管状电加热元件、箱体、控制系统等几部分组成,翅片式管状电热元件是在金属管内放入高温电阻丝,在空隙部分紧密地填入具有良好绝缘性和导热性能的结晶氧化镁粉,采用管状电热元件做发热体,具有结构先进,热效率高,空气在流通时受热均匀。
SRY6-5型带护套型电加热器结构
一、SRY6-5型带护套型电加热器用途:
主要用于液压润装置加热液压油,也可用于加热无腐蚀性的气体。
二、SRY6-5型带护套型电加热器结构:
SRY6-5型电加热器护套管直径为108mm,壁厚为5mm无缝钢管,加热芯子采用三支电热管为一个加热体,接线装置护罩采用不锈钢保护,能有效地保护接线装置的安全。
三、特点:
本电加热器加装护套后其加热面积大,传热快,能有效的防止被加热介质的碳化,因电加热器与箱体采用法兰对接,加热器与加热介质隔离,在维护时比较方便,修理时仅需抽出加热芯子,更换一个新的加热器即可。
四、SRY6-5型带护套型电加热器主要技术参数:
额定电压:单相220V 三相380V
表面发热功率: 4型5型≤1.8W 6型7型≤0.7W
传热温度:≤300℃
工作介质:矿物油
工作压力:≤0.8Mpa
注:选用时应根据加热介质的实际情况及设备的安装尺寸,表面发热功率尽可能选用每平方厘米≤0.7W。
接线时配电控制箱至电加热器应用合适的高温导线连接。
SRY6-5型带护套型电加热器技术指标:
尊敬的客户:
感谢您关注我们的产品,本公司除了有此产品介绍以外,还有高压核相仪,耐电压测试仪,高压绝缘垫,真空度测试仪,大电流发生器,三相大电流发生器,变频串联谐振试验装置,无线高压核相仪等等的介绍,您如果对我们的产品有兴趣,欢迎来电咨询。
谢谢!。
挥发性有机化合物简称为VOCs,这类物质是较为常见的大气污染物。
它含有多种有害物质,如果不经处理排出会造成大气污染,影响生态环境。
而目前来说电蓄热式RTO在此类废气处理中占有重要的地位。
本文主要对电加热RTO装置在处理VOCs废气中的应用做出介绍。
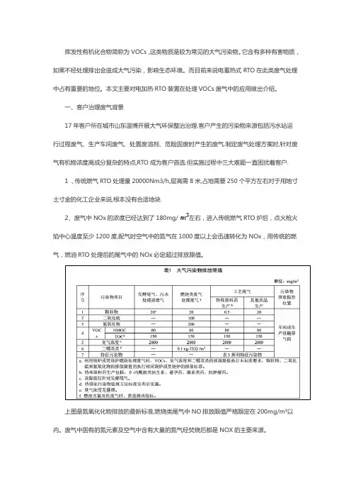
一、客户治理废气背景17年客户所在城市山东淄博开展大气环保整治治理.客户产生的污染物来源包括污水站运行过程废气、生产车间废气、处置废溶剂、危险固废时产生的废气.制定废气处理方案时,针对废气有机物浓度高成分复杂的特点,RTO成为客户首选.但实施过程中三大难题一直困扰着客户.1 、传统燃气RTO处理量20000Nm3/h,层高需8米,占地需要250个平方左右对于用地寸土寸金的化工企业来说,根本没有合适地块.2、废气中NOx的浓度已经达到了180mg/ 左右,进入传统燃气RTO炉后,点火枪火焰中心温度至少1200度,配气时空气中的氮气在1000度以上会迅速转化为NOx,用传统的燃气,燃油RTO处理后的尾气中的NOx必定超过排放限值。
上图是氮氧化化物排放的最新标准,燃烧类尾气中NO排放限值严格限定在200mg/m³以内。
废气中固有的氮元素及空气中含有大量的氮气经焚烧后都是NOX的主要来源。
从上图可以看出燃烧温度一旦超过1000℃空气中的氮遇氧的转化速度的斜率不断增大。
3、虽说是丙类区域,但由于空地有限,RTO与其他设备的间距非常小,RTO设备不能有明火,对于RTO设备的安全性要求高。
二、电加热RTO在废气处理中的应用考虑到设备的占地面积、安全性要求高,以及排放标准严格。
这里就必须使用电加热进行废气的处理了。
电加热RTO的主设备是一个集装箱式的钢制腔体结构,内部是蓄热材料组成的陶瓷床,电加热原件位于陶瓷床中央,腔体侧是气动切换装置,用来改变进气和出气的方向。
废气经提升阀进入陶瓷床的上部腔室预热,在温度为750-950度的加热中心区域至少停留1-2秒,废气中的有机物被充分氧化,并排出。
YBX3系列高效率隔爆型三相异步电动机(机座号80~355)产品样本佳木斯电机股份有限公司发布YBX3系列高效率隔爆型三相异步电动机(机座号80~355)样本1 概述YBX3系列高效率隔爆型三相异步电动机是我公司自主开发设计的全封闭式高效率隔爆型三相异步电动机。
效率指标符合GB 18613-2012《中小型三相异步电动机能效限定值及能效等级》中2级电动机节能评价值的规定。
本系列电动机符合国家标准GB 3836.1《爆炸性环境第1部分:通用要求》和GB 3836.2《爆炸性环境第2部分:由隔爆外壳“d”保护的设备》的规定。
本系列电动机制成隔爆型,适用于爆炸性气体环境中机械设备的电力驱动。
防爆标志为ExdⅠMb,ExdIIAT(1-4) Gb,ExdIIBT(1-4)Gb,ExdIICT(1-4)Gb ,温度组别为T1、T2、T3、T4。
本系列电动机机座号范围为80~355,功率等级和安装尺寸符合GB/T4772.1/IEC 60072-1和GB/T4772.2/ IEC 60072-2标准的规定。
2 产品特点YBX3系列电动机整体外观(见图1)。
图1 整体外观图产品主要有以下特点:a) 电动机主接线盒位于机座的顶部,可以左右旋转满足用户不同出线方式的要求。
b)机座号H160及以上电机,可以根据用户需要提供定子测温装置(可选PTC或PT100)、轴承测温装置(PT100)、加热器、不停机注排油装置。
c) 机座号H225及以上电机,可根据用户需要提供底脚调整螺栓孔。
d) 接线盒、机座、端盖和风罩的外形美观、样式新颖,并且有利于降噪和通风。
e) 电动机采用热分级为155级(可选180级)绝缘系统,从而延长电机的使用寿命。
f) 电动机工作制为S1,冷却方式为IC411,外壳防护等级为IP55。
g) 适用于各种应用场合,如:“W”、“TH”、“WTH”、“F1”、“F2”、“WF1”及“WF2”,其中:W为户外防轻腐蚀型;TH为湿热带;WTH为户外湿热带;F1为户内防中等防腐型;F2为户内防强腐蚀型;WF1为户外防中等腐蚀型;WF2为户外防强腐蚀型。
目录 CONTENT一、 前言 FORWARD 二、 电伴热产品 Introduction1. RDP2-J3 单相恒功率电热带 Single phase constant watt heating cable 2. RDP3-J3 三相恒功率电热带 Three phase constant watt heating cable 3. RDP2-J4 高温恒功率电热带 Hi-temp constant watt heating cable 4. CRH 船用电热带 Marine constant heating cable 5. RDL-J6 变功率电热带 Power limiting heating cable 6. LT、HT 自限式电热带 Self-regulating heating cable 7. RDC 串联电热带 Series resistance heating cable 8. 集肤电伴热系统 Skin effect heating system 9. LDB 挠性电热板 Flexipanel 10. 短路加热法 Impedance heating system 11. 融雪电缆 Snow and ice melting 12. MI 电缆 Mineral cable 5 7 9 10 11 12 14 16 18 20 23 25 2三、 电伴热产品附件 Accessories1. 通用隔爆型接线盒 General Ex-proof power connection box 2. 通用增安型接线盒 General Increased-Safety Power connection box 3. 防爆温度控制器 Ex-proof temp-controller 4. 增安型电源接线盒 Increased-safety power connection box 5. 增安型中间接线盒 Increased-safety splice connection kit 6. 防爆终端接线盒 Ex-proof end termination kit 7. 铝胶带 Aluminum tape 8. 耐热压敏胶粘带 Hi-temp fiberglass tape 9. 喉卡 Pipe clamp 10. 示警铭牌 Alarm nameplate 11. 船用附件 Marine accessories 12. 配电箱 Power panal 27 29 31 33 35 37 38 38 39 39 39 40四、 安装 Installation1. 安装总则 General installation guide 2. 电热带的安装 Installation of heating cable 3. 故障检修 Troubleshoot 4. 挠性电热板的安装 Flexipanel installation 41 42 45 46五、 产品选型设计及计算方法 Design and selection1. 管道及附件散热量的计算 Heat loss of pipe & accessories 2. 罐体容器散热量的计算 Heat loss of vessel 3. 有关公式介绍 Formula 4. 选型方法 Slelection of heating cable 5. 特殊情况的设计与计算 Design and calculation in special condition 47 51 53 53 54 56 57附录一、 对电热带常见问题的回答 Frequent queries and answer 附录二、电伴热咨询表 Information sheet1前言 FORWARD(一) 电伴热概念电伴热是用电热来补充被伴热物体在工艺过程中所散失的热量, 以维持介质温度在某一范围内。
取暖器石墨烯冬天来临时,北方人有暖气来御寒,南方的大多数家庭都会选择电热器取暖。
但面对市场上种类繁多的电加热器产品,消费者应该爱谁呢?大多数消费者对电加热器的类型和性能知之甚少。
因此,让我们来看看六个电加热器的优缺点,以便用户能适应这种情况,知道什么样的电加热器是最好的。
石英管电暖器石英管电加热器是市场上最常见的产品,也称为卤素管电加热器。
该产品主要由密封电热件、抛物面或弧面反射器、保护条、功率调节开关等组成,电热件采用石英辐射管,采用远红外加热节能技术,使远红外辐射件发射的远红外被物体吸收,直接转化为热能,达到加热的目的。
同时,远红外线可以对人体产生物理作用。
加热器配有2~4根石英管,部分或全部通过电源开关投入。
取暖器石墨烯石英管电暖器优点:加热件为电加热丝,穿在石英管内,起到支撑、保护和加热的作用。
石英管电加热器采用远红外石英管加热。
传热方式为辐射传热,穿透力强,加热方向好。
具有体积小、外形美观、传热快、移动方便、价格低廉等特点。
取暖器石墨烯缺点:取暖范围小,适合面积约10平方米的小房间。
取暖时会产生光线,不适合在卧室使用。
此外,由于电加热线容易氧化,石英管加热器在市场上很少见。
由于辐射加热,传热距离近,电加热丝容易变形,石英管不小心容易折断。
油汀式电取暖器电油加热器也称为充油加热器。
主要由密封电加热件、金属散热管或散热片、温控件、指示灯等组成,加热器将电加热管安装在腔体下方,腔体内有许多散热片,并在电加热管周围注入导热油。
当电源接通时,电热管周围的导热油被加热并上升到腔体的上部,沿散热管或散热片进行对流,并通过腔体壁表面散热,从而加热空间环境。
由空气冷却的导热油滴在电热管周围,并再次加热以开始新的循环。
这种加热器一般配有双金属温度控制件。
当油温达到设定温度时,温度控制件将自行断开电源。
油汀式电取暖器优点:1.高热:Youting电加热器散发大量热量。
即使在突然停电的情况下,它也会长时间保持一定的温度。
不同加热管说明一:铁氟龙电加热管是一种新型耐强腐蚀的电加热管,用于各类腐蚀性液体的加热。
具有优良抗老化性和较好的绕曲性能,采用低表面负荷设计。
接头采用全封闭式防酸碱,不发热段及过热安全保护系统完全按照客户的需求订做。
完好的保证了加热器不易烧毁、使用寿命长、全密封、不腐蚀、不漏电、带接地保护、安全可靠。
适用温度在110℃以下。
(在很稠的液体内加热,必须配置搅拌)蚊香型-铁氟龙电加热管具有热效率高,节能省电,性价比高的优势,可设计多种结构形式,如螺旋型、L型、U型、W型、蚊香型、组合型等。
已被多家上市公司所认可,并作为其蚊香型铁氟龙电加热器的长期供应商。
我们可承接非标产品,在电压、功率、规格大小和产品形状,以及接线方式,可按照客户的需求让工程师设计,欢迎来图来样定做生产。
“L”型-铁氟龙电加热管产品:1)铁氟龙电加热器选用优质的不锈钢(sus316或sus304)电热管内芯,外套铁氟龙管(PTFE)制作,耐腐蚀性强,适用于各类腐蚀性强的液体加热。
2)加热器采用低表面功率设计(1.5w/c㎡),确保产品的使用寿命。
3)电热器的安装位置需注意防止溶液中固体沉积于电加热器表面,或液体太浓稠、液面过低都会因表面散热不良而烧坏铁氟(PTFE)。
4)电加热器的尺寸不可随便改小,及改小表面积,否则会使电加热器的表面功率过大,影响电加热器的使用寿命。
5)所有电加热器均可配过温保护或PT-100感温探头,确保产品使用寿命及设别安全。
6)接头采用全封闭式防酸碱,不发热段及过热安全保护系统完全按照客户的需求订做。
螺旋型-铁氟龙电加热管,适用于各种带腐蚀性的液体加热,是电镀、电解、除油、酸洗、化学镀镍磷、阳极氧化、铝泊、冶炼、化工、医药等加热设备的最佳选择!二:硅橡胶加热器产品特点:硅橡胶加热器的绝缘层是由硅橡胶与玻璃纤维布复合而成的薄片状(标准厚度为1.5mm),硅胶加热片具有很好的柔软性,可以与被加热物体紧密接触;发热元件用镍合金的合金箔进行加工而成的,加热功率可达到1.2W/CM2,加热更加均匀。
安装、使用产品前,请仔细阅读使用说明书RJD-25/1140(660)制氮装置用隔爆兼增安型电加热器使用说明书煤科集团研究院有限公司前言本说明书是使用说明书。
本说明书对于初次使用RJD-25/1140(660)型制氮装置用隔爆兼增安型电加热器的用户很有必要,对于具有使用经验的用户,也可使其进一步加深理解,这一点也是编者的宗旨。
希望用户仔细阅读本说明书,完全理解后在付诸实践。
另外,设备在正常运转开始后,设备操作员与维修人员须将此说明书就近保管好,以便需要时参阅。
本说明书的主要容包括RJD-25/1140(660)型制氮装置用隔爆兼增安型电加热器的结构特征与工作原理、技术特征、安装调试使用操作以及维护保养等容。
由于RJD-25/1140(660)型制氮装置用隔爆兼增安型电加热器的研究与改进在不断进行,因此本说明书的容有可能与购买产品的具体情况有不符之处,如对购买产品或本说明书有疑问,请与下述部门联系:TEL:-56626032警告!先启动制氮机,工作稳定后再启动电加热器1.概述1.1主要用途及使用围●该电加热器专门用于矿用井下移动式制氮装置的配套,安装在矿用井下移动式制氮装置。
用于井底车场、总进风巷和主要进风巷,翻车机硐室,采区进风巷。
●品种、规格●RJD-25/1140(660)1.2执行标准及特征1.2.1 型号的组成及其代表意义R J D -25/1140(660)电压等级额定功率制氮装置用隔爆兼增安加热器1.2.2 执行标准执行标准为Q/SMY2222-2015;GB3836-2010。
1.2.3防爆形式矿用隔爆型“ExdeⅠMb”。
1.3基本参数1.4使用环境条件●隔爆型电控制箱能够在下列环境条件下正常工作:➢环境温度:0~40℃;➢相对湿度:≤95%(25℃时);1.5工作条件●电加热器应安置在矿用井下移动式制氮装置。
工作环境的有害气体、瓦斯、煤尘含量和通风量应符合《煤矿安全规程》的规定,具有完整的供电系统,●额定工作电压:1140/660V(AC)●额定的功率:25KW●额定的工作制:长期工作制●制氮机工作稳定后再启动电加热器!!!1.6安全●电加热器的维护和保养工作必须在断电的情况下才能进行。
•GeneralThis proposal covers the necessary requirements for technical terms concerning the design, material, procurement, fabrication, testing, and final report preparation for item mentioned in below table:Material Summary ListDesign设计The materials, design, Pre-fabrication, fabrication and painting, marking, packing and shipping of the Vessel shallconform to ASME Sec.VIII Div.1. All mechanical calculation and fabrication drawings which prepared based on data sheet will be prepared and forwarded to client for approval.容器的材料,设计,制造前准备,制造,喷漆,标记,包装,运输都应当符合ASME Sec.VIII Div.1.标准。
所有基于订单的机械计算,制造图纸都应当交友客户批准。
Design Specification for 2323-V-101/2013.8 Construction Specification for 2323-V-101/2014Erection Weight建筑重量27020 KgItem Qty.Size/Sch/Thk mm Rating Type Service Remark N1/N2240”/-/13mm150W.N.-R.F Inlet入口N3140”/-/13mm150W.N.-R.F Gas Outlet出口气体出口N413”/80/-150W.N.-R.F Liquid Outlet出口With Vortex BreakerN5/N623”/80/-300W.N.-R.F Level Bridle(Control)液位计(控制)N7/N822”/160/-300W.N.-R.F LI(Trips) N9/N1022”/160/-300W.N.-R.F LI(Trips)N1112”/160/-300W.N.-R.F Pressure Instrument 压力表N1212”/160/-300W.N.-R.F TI(Trips)N1312”/160/-300W.N.-R.F TIN14/N1523”/80/-150W.N.-R.F Drain排净口N16/N1722”/160/-150W.N.-R.F Utility Connection公用接头With BlindN1812”/160/-150W.N.-R.F Vent出口N19/N2022”/160/300W.N.-R.F LI(Trips) N21/N2222”/160/300W.N.-R.F LI(Trips)N231-150W.N.-R.F Electrical Heater电加热器电加热器Finalized by Heater Vendor由供应商敲定M1124”/-/10mm150W.N.-R.F Manway走道Design Specification for 2323-V-102/202Construction Specification for 2323-V-102/202Item Description Thickness 1Shell壳体11 mm2Head封头8 mm3Fabrication Weight制造重量6135 Kg4Erection Weight建筑重量9935 KgItem Qty.Size/Sch/Thk mm Rating Type Service RemarkN1/N2224”/20/-150W.N.-R.F Inlet入口N3124”/20/-150W.N.-R.F Gas Outlet出口气体出口N413”/80/-150W.N.-R.F Liquid Outlet出口With Vortex Breaker带防涡器N5/N623”/80/-300W.N.-R.F Level Bridle(Control)液位计(控制)N7/N822”/160/-300W.N.-R.F LI(Trips) N9/N1022”/160/-300W.N.-R.F LI(Trips)N1112”/160/-300W.N.-R.F Pressure Instrument压力表N1212”/160/-300W.N.-R.F TI(Trips) N1312”/160/-300W.N.-R.F TIN14/N1522”/160/-150W.N.-R.F Utility Connection公用接头With Blind带栅板N1612”/160/-150W.N.-R.F Vent出口N17/N1822”/160/-150W.N.-R.F Drain排净口N19/N2022”/160/300W.N.-R.F LI(Trips)N21/N2222”/160/300W.N.-R.F LI(Trips)Design Specification for 2423-V-10122Lethal Service No 23Ladder &Platform扶梯/平台Yes 24Code Stamping签章NoConstruction Specification for 2423-V-101Item Description Thickness 1Shell壳体14 mm2Head封头10 mm3Fabrication Weight制造重量6670 Kg4Erection Weight建筑重量10080 KgItem Qty.Size/Sch/Thk mm Rating Type Service Remark N1130”/-/12mm150W.N.-R.F Inlet入口N2124”/-/10mm150W.N.-R.F Gas Outlet出口气体出口N313”/80/-150W.N.-R.F Liquid Outlet出口With Vortex Breaker带防涡器N4/N523”/80/-300W.N.-R.F LI(Trips)N6/N722”/160/-300W.N.-R.F LI(Trips)N8/N922”/160/-300W.N.-R.F LI(Trips)N10/N1122”/160/-300W.N.-R.F LI(Trips)Design Specification for 2423-V-201(最小/大)20Capacity容积m32121Shop Test Pressure (Horizontal)车间测试压力(水平)barg 4.5522Lethal Service No 23Ladder &Platform扶梯/平台Yes 24Code Stamping签章NoConstruction Specification for 2423-V-201Item Description Thickness 1Shell壳体14 mm2Head封头10 mm3Fabrication Weight制造重量6670 Kg4Erection Weight建筑重量10080 KgItem Qty.Size/Sch/Thk mm Rating Type Service RemarkDesign Specification for High Pressure Flare Drum Electrical Heater电加热器Design Specification for Low Pressure Dry Flare Drum Electrical Heater电加热器Design Specification for Storage Flare Drum Electrical Heater电加热器电加热器Design Specification for Storage Flare Drum Electrical Heater电加热器电加热器。
一、非标法兰电热管的报价非标法兰电热管的报价可以咨询我们,顶峰电热管给你满意的产品和适中的价格,稳定的质量!顶峰电热管供应非标法兰式电热管,法兰式电热管,这里云集了众多的非标法兰电热管供应商,非标法兰电热管采购商,非标法兰电热管制造商。
这是供应非标法兰式电热管的详细页面。
型号:客户要求。
顶峰电热管专业生产法兰式电热管和法兰电热管,可生产圆形、方形、非标法兰电热管,常用管径Φ8-Φ30,表面常用材质为304不锈钢、铁、铜、310S等,可按客户图纸非标生产非标法兰电热管。
二、非标法兰式电加热器产品概述:通过强迫对流或自然对流的方式对各种流动或静止的液体和气体进行加热。
非标法兰式电加热器是由多支加热管焊接在法兰上集中加热,主要用于敞开式、封闭式的溶液箱和循环系统中加热用。
三、非标法兰式电加热器实物展示图片四、非标法兰式电加热器产品5大特点:1. 体积小、加热功率大;表面功率大,是空气加热表面负荷的2 ~4倍。
2. 可在各种场合对各种介质进行加热,如防爆场合等;高度密集式、结构紧凑。
由于整体短而密集,故稳定性好,安装无需支架3. 选择进口及国内优质材料,科学的生产工艺,严格的质量管理,保证电热管优越的电气性能。
加热温度一般可达720℃4. 加热系统可以全自动化控制,包括通过DCS系统对电加热系统进行控制;5. 使用寿命长,具有多重的保护系统,安全可靠。
组合式大多采用氩弧焊接方式使电热管与法兰连接,也可利用紧固装置的形式,即每支电热管上焊有紧固件,然后与法兰盖采用螺母锁紧,管子与紧固件采用氩弧焊接,永不泄漏。
紧固件密封处采取科学的工艺,单支更换极为方便,大大节约以后的维修成本。
五、非标法兰式电加热器产品应用:适用于对各种容器、罐体、溶液槽的液体进行加热电除尘用电热管特点:1、电气性能稳定2、热效率高,比一般金属发热体节能30%以上,升温速度极快。
3、工作过程中光通量远远小于金属发热体的电热管,电热转换效率高达95%以上。