电加热器电流计算
- 格式:doc
- 大小:198.50 KB
- 文档页数:5
电加热器设计功率计算公式与方法电加热器是一种利用电能将电能转化为热能的装置。
它通常由发热体和电源组成,通过通过加热体产生的热量加热工作介质。
电加热器的设计功率计算是设计电加热器的重要一环,它直接影响到电加热器的运行效果和工作效率。
电加热器的设计功率一般可按下述几种方法进行计算:1.频率法:根据工作介质流经电加热器时的流速和流量、加热温度、环境温度等参数,通过基本热传导公式计算电加热器的设计功率。
2.温差法:通过测量工作介质的进口温度和出口温度,并考虑流速、流量等参数,使用热传导公式计算电加热器的设计功率。
3.能量平衡法:根据电加热器的工作原理,将能量平衡作为基本原理,通过计算电加热器的输入功率和输出功率之间的差值,确定电加热器的设计功率。
在进行电加热器设计功率计算时,还需要考虑一些其他的因素,如工作介质的性质(比如流量、温度、粘度等)、加热材料的选择和使用条件等。
此外,还应考虑到安全因素,如电压、电流、电阻等参数的选择和合理的配电系统设计等。
电加热器的设计功率计算考虑了各种因素,确保电加热器能够满足工作介质的加热需求。
当设计功率计算得到后,还需要进行电加热器的结构设计和选型,选择适量直径、长度和材料等。
在实际的电加热器设计中,可以使用计算机辅助设计(CAD)软件来进行功率计算。
通过输入相关参数,软件可以快速准确地计算出电加热器的设计功率,并进行其他设计。
总之,电加热器的设计功率计算是设计电加热器过程中的重要环节。
通过合理的计算方法和准确的参数,可以确保电加热器能够满足工作要求,并提高电加热器的效率和安全性。
按功率计算电流的口诀1.用途:这是根据用电设备的功率(千瓦或千伏安)算出电流(安)的口诀。
电流的大小直接与功率有关,也与电压,相别,力率(又称功率因数)等有关。
一般有公式可供计算,由于工厂常用的都是380/220 伏三相四线系统,因此,可以根据功率的大小直接算出电流。
2.口诀:低压380/220 伏系统每KW 的电流,安。
千瓦,电流,如何计算?电力加倍,电热加半。
单相千瓦,4 . 5 安。
单相380 ,电流两安半。
3.说明:口诀是以380/220V 三相四线系统中的三相设备为准,计算每千瓦的安数。
对于某些单相或电压不同的单相设备,其每千瓦的安数.口诀中另外作了说明。
①这两句口诀中,电力专指电动机.在380V 三相时(力率 0.8 左右),电动机每千瓦的电流约为2 安.即将“千瓦数加一倍”( 乘2)就是电流, 安。
这电流也称电动机的额定电流.【例1 】5.5 千瓦电动机按“电力加倍”算得电流为11 安。
【例2 】4 0 千瓦水泵电动机按“电力加倍”算得电流为8 0安。
电热是指用电阻加热的电阻炉等。
三相380 伏的电热设备,每千瓦的电流为1.5安。
即将“千瓦数加一半”(乘1.5),就是电流,安。
【例1】3 千瓦电加热器按“电热加半”算得电流为4.5 安。
【例2】1 5 千瓦电阻炉按“电热加半”算得电流为2 3 安。
这口诀并不专指电热,对于照明也适用.虽然照明的灯泡是单相而不是三相,但对照明供电的三相四线干线仍属三相。
只要三相大体平衡也可以这样计算。
此外,以千伏安为单位的电器(如变压器或整流器)和以千乏为单位的移相电容器(提高力率用)也都适用。
即是说,这后半句虽然说的是电热,但包括所有以千伏安、千乏为单位的用电设备,以及以千瓦为单位的电热和照明设备。
【例1 】1 2 千瓦的三相( 平衡时) 照明干线按“电热加半”算得电流为1 8 安。
【例2】30 千伏安的整流器按“电热加半”算得电流为45 安。
(指380 伏三相交流侧)【例3 】3 2 0 千伏安的配电变压器按“电热加半”算得电流为480 安(指380/220 伏低压侧)。
用电设备负荷电流估算黄天伟电流的大小直接与功率有关,也与电压、相别、力率(又称功率因数)等有关。
一般有公式可供计算。
由于工厂常用的都是380/220伏三相四线系统,因此,可以根据功率的大小直接算出电流。
估算口诀千瓦、电流,如何计算?电力加倍,电热加半。
单相千瓦,4.5安。
单相380说明:这是根据用电设备的功率(千瓦或千伏安)算出电流(安)的口诀。
口诀是以380/220伏三相四线系统中的三相设备为准,计算每千瓦的安数。
对于某些单相或电压不同的单相设备,其每千瓦的安数,口诀另外作了说明。
1、在这两句口诀中,电力专指电动机。
在380伏三相时(力率0.8左右),电动机每千瓦的电流约为2安。
即将”千瓦数加一倍”(乘2)就是电流,安。
此电流也称电动机的额定电流。
【例1】5.5千瓦电动机按“电力加倍”算得电流为11安。
【例2】40千瓦水泵电动机按“电力加倍”算得电流为80安。
2、电热是指用电阻加热的电阻炉等。
三相380伏的电热设备,每千瓦的电流为1.5安。
即将“千瓦数加一半”(乘1.5)就是电流,安。
【例1】3千瓦电加热器按“电热加半”算得电流为4.5安。
【例2】15千瓦电阻炉按“电热加半”算得电流为23安。
3、这句口诀不专指电热,对于照明也适用。
虽然照明的灯泡是单相而不是三相,但对照明供电的三相四线干线仍属三相。
只要三相大体平衡也可这样计算。
(此外,以千伏安为单位的电器(如变压器或整流器)和以千乏为单位的移相电容器(提高力率用)也都适用。
即时说,这后半句虽然说的是电热,但包括所有以千伏安、千乏为单位的用电设备,以及以千瓦为单位的电热和照明设备。
)【例1】12千瓦的三相(平衡时)照明干线按“电热加半”算得电流为18安。
【例2】30千伏安的整流器按“电热加半”算得电流为45安(指380伏三相交流侧)。
【例3】320千伏安的配电变压器按“电热加半”算得电流为480安(指380/220伏低压侧)。
【例4】100千乏的移相电容器(380伏三相)按“电热加半”算得电流为150安。
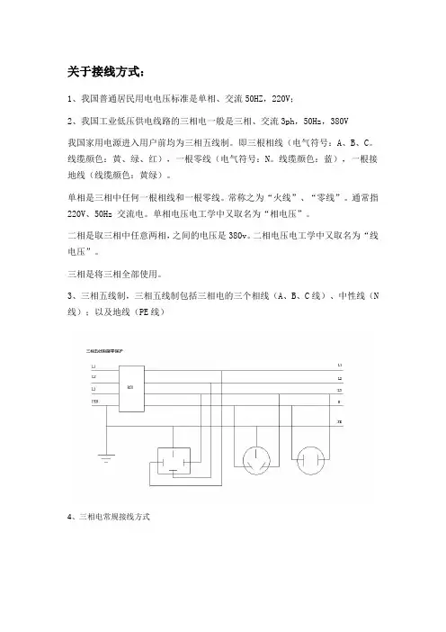
关于接线方式:1、我国普通居民用电电压标准是单相、交流50HZ,220V;2、我国工业低压供电线路的三相电一般是三相、交流3ph,50Hz,380V我国家用电源进入用户前均为三相五线制。
即三根相线(电气符号:A、B、C。
线缆颜色:黄、绿、红),一根零线(电气符号:N。
线缆颜色:蓝),一根接地线(线缆颜色:黄绿)。
单相是三相中任何一根相线和一根零线。
常称之为“火线”、“零线”。
通常指220V、50Hz 交流电。
单相电压电工学中又取名为“相电压”。
二相是取三相中任意两相,之间的电压是380v。
二相电压电工学中又取名为“线电压”。
三相是将三相全部使用。
3、三相五线制,三相五线制包括三相电的三个相线(A、B、C线)、中性线(N 线);以及地线(PE线)4、三相电常规接线方式三角形接法:三角形接法是将各相绕组依次首尾相连,并将每个相连的点引出,作为三相电的三个相线。
三角形接法时相电压等于线电压;线电流等于根号3倍的相电流。
星形接法:星形接法是将各相绕组的一端都接在一点上,而它们的另一端作为引出线,分别为三个相线。
星形接时,线电压是相电压的根号3倍,而线电流等于相电流。
5、关于电流大小及电缆线规格的选择:电流计算方法:220V单相供电:1000W的电流为4.5A(公式:功率(W)/220(V))380V三相供电:1000W的电流为1.5A (公式:功率(W)/[1.732*380(V)])6、关于加热器所需要知道的参数:设计温度,电压(单相/两相/三相),功率,设计压力,加热介质,客户的特殊要求,使用材质,客户的使用环境等。
风道加热器:功率,电压,风量,温度,风机,控制柜,保温,翅片,分组等管道加热器:功率,电压,流量,温度,介质,控制柜,保温,分组等。
先估算负荷电流1.用途这是根据用电设备的功率(千瓦或千伏安)算出电流(安)的口诀。
电流的大小直接与功率有关,也与电压、相别、力率(又称功率因数)等有关。
一般有公式可供计算。
由于工厂常用的都是380/220伏三相四线系统,因此,可以根据功率的大小直接算出电流。
2 .口诀低压380/220伏系统每千瓦的电流,安。
千瓦、电流,如何计算?电力加倍,电热加半。
①单相千瓦,4.5安。
②单相380,电流两安半。
③3 .说明口诀是以380/220伏三相四线系统中的三相设备为准,计算每千瓦的安数。
对于某些单相或电压不同的单相设备,其每千瓦的安数,口诀另外作了说明。
① 这两句口诀中,电力专指电动机。
在380伏三相时(力率0.8左右),电动机每千瓦的电流约为2安.即将”千瓦数加一倍”(乘2)就是电流,安。
这电流也称电动机的额定电流。
【例1】 5.5千瓦电动机按“电力加倍”算得电流为11安。
【例2】40千瓦水泵电动机按“电力加倍”算得电流为80安。
电热是指用电阻加热的电阻炉等。
三相380伏的电热设备,每千瓦的电流为1.5安。
即将“千瓦数加一半” (乘1.5)就是电流,安。
【例1】3千瓦电加热器按“电热加半”算得电流为4.5安。
【例2】15千瓦电阻炉按“电热加半”算得电流为23安。
这句口诀不专指电热,对于照明也适用。
虽然照明的灯泡是单相而不是三相,但对照明供电的三相四线干线仍属三相。
只要三相大体平衡也可这样计算。
此外,以千伏安为单位的电器(如变压器或整流器)和以千乏为单位的移相电容器(提高力率用)也都适用。
即时说,这后半句虽然说的是电热,但包括所有以千伏安、千乏为单位的用电设备,以及以千瓦为单位的电热和照明设备。
【例1】12千瓦的三相(平衡时)照明干线按“电热加半”算得电流为18安。
【例2】30千伏安的整流器按“电热加半”算得电流为45安(指380伏三相交流侧)。
【例3】320千伏安的配电变压器按“电热加半”算得电流为480安(指380/220伏低压侧)。
电流(diànliú)计算公式电流(diànliú)计算公式第一章电流(diànliú)计算一、按功率(gōnglǜ)计算电流的口诀之一1、用途(yòngtú)这是根据(gēnjù)用电设备的功率(千瓦或千伏安)算出电流(安)的口诀。
电流的大小直接与功率有关,也与电压、相别、功率因数(又称力率)等有关。
一般有公式可供计算。
由于工厂常用的都是380/220伏三相四线系统(xìtǒng),因此,可以根据功率的大小直接算出电流。
2、口诀低压380/220系统每千瓦的电流,安。
电力加倍,电热加半。
《1》单相千瓦,4.5安。
《2》单相380,电流两安半。
《3》3、说明口诀是以380/220伏三相四线系统中的设备为准,计算每千瓦的安数。
对于某些单相或电压不同的单相设备,其每千瓦的安数,口诀另外作了说明。
《1》这句口诀中,电力专指电动机。
在380伏三相时(功率因数0.8左右),电动机每千瓦的电流约为2安。
将“千瓦数加一倍”(乘2)就是电流,安。
这电流也称电动机的额定电流。
[例1]5.5千瓦(qiānwǎ)电动机按“电力(diànlì)加倍”算得电流(diànliú)为11安。
[例2]40千瓦(qiānwǎ)水泵电动机按“电力(diànlì)加倍”算得电流为80安。
电热是指用电阻加热的电阻炉等。
三相380伏的电热设备,每千瓦的电流为1.5安。
即将“千瓦数加一半”(乘1.5)就是电流,安。
[例3]3千瓦电加热器按“电热加半”算得电流为4.5安。
[例4]15千瓦电阻炉按“电热加半”算得电流为23安。
这口诀并不专指电热,对于以白炽灯为主的照明(简称照明,以下同)也适用。
虽然照明的灯泡是单相而不是三相,但对照明供电的三相四线干线仍属三相。
只要三相大体平衡也可这样计算。
常用电流计算口诀一·功率计算电流的口诀之一1·用途这是根据用电设备的功率(kW或kVA)算出电流(A)的口诀电流的大小直接与功率有关,也与电压、相别、功率因数等有关。
一般有公式可供计算。
2·口诀低压380/220V系统每kW的电流A电动机加倍,电热加半。
单相千瓦,4.5安单相380,电流两安半。
3.说明口诀是以380/220三相四线系统中的三相设备为准,计算每kW的A数。
对于某些单相或电压不同的单相设备,其每kW的A数,口诀另作了说明。
口诀中,在380V三相时(功率因数0.8左右),电动机每kW的电流约为2A..即将“kW数加一倍”(乘2)就是电流。
这电流也称电动机的额定电流。
例·5.5kW电动机按“电力加倍算得电流为11A”例·40kW水泵电动机按“电力加倍“算得电流为80A电热是指用电阻加热的电阻炉等。
三相380V的电热设备,每kW的电流为1.5A.即将“kW数加一半”(乘1.5)就是电流A。
例·30kW电加热器按“电热加半”算得电流为45A。
例·15kW电阻炉按“电热加半”算得电流为23A.这口诀并不专指电热,对于以白炽灯为主的照明也适用。
虽然照明的灯泡是单相而不是三相,但对照明供电的三相四线干线仍属三相。
只要三相大体平衡也可这样计算。
此外,以kVA为单位的电器(如变压器或整流器)和以Kvar为单位的移相电容器(提高功率因数用)也都适用。
即是说,这后半句虽然说的是电热,但包括所有以kVA、kvar 为单位的用电设备,以及以kW为单位的电热和照明设备。
例·12kW的三相(平衡时)照明干线“电热加半”算得电流为18A。
例·30kVA的整流器按“电热加半”处得电流为45A(指380V三相交流侧)。
例·320kVA的配电变压器按“电热加半”算得电流为480A(指380/220V低压侧) 例·100kvar的移相电容器(380V三相)按“电热加半”算得电流为150A。
如何根据功率配电线
首先,要知道电器的使用电压和电器的额定功率,
其次,根据电压和功率,计算出电器正常使用时的工作电流,
最后根据导线的载流值表,选择对应线径的导线。
例如:一台加热器的额定功率是2.2kw,使用电压是220v,
那么这个加热器的正常工作电流=功率/电压=2200/220=10A,
这时,应该选用1.5平方或者1.5平方以上的铜芯线。
单相电路(家庭用电220v)的电流=负载功率/使用电压
比如一个电暖器功率是3000w,全开时的工作电流=3000/220=13.6A左右
三相电路(工业电380v)的电流=功率/电压/电压相位角1.732/负载功率因数
比如一台电动机7.5kw,功率因数0.75,
电流=7500/380/1.732/0.75,正常工作电流约为15.2A 左右
知道电流后,根据铜芯线的最大载流,可以选用合适
线径的导线,但是需要考虑长时间安全工作导线不发热,留有余量,空开的选择也是一样,需要留有余量。
电线。
电加热器中电流计算公式电加热器是一种利用电能将电能转化为热能的设备,广泛应用于工业生产、家庭供暖和加热等领域。
在电加热器中,电流是一个重要的参数,它直接影响着加热器的工作效率和能耗。
因此,了解电加热器中电流的计算公式对于合理选择和使用电加热器具有重要意义。
电加热器中电流的计算公式可以通过欧姆定律来得到。
欧姆定律是电学中的基本定律,它描述了电流、电压和电阻之间的关系。
根据欧姆定律,电流(I)等于电压(U)除以电阻(R),即I=U/R。
在电加热器中,电压通常是已知的,而电阻可以通过加热器的材料、长度、截面积和温度来计算。
因此,我们可以通过欧姆定律来计算电加热器中的电流。
首先,我们需要了解电加热器的电阻计算公式。
电加热器的电阻(R)可以通过以下公式来计算:R = ρ L / A。
其中,ρ是电阻率,它是材料本身的特性,单位是Ω·m;L是电阻器的长度,单位是m;A是电阻器的截面积,单位是m²。
根据这个公式,我们可以看到电阻与材料的电阻率成正比,与长度成正比,与截面积成反比。
因此,我们可以通过选择合适的材料、长度和截面积来控制电加热器的电阻。
在了解了电阻的计算公式之后,我们可以通过欧姆定律来计算电加热器中的电流。
电流(I)等于电压(U)除以电阻(R),即I=U/R。
在电加热器中,电压通常是已知的,而电阻可以通过上面的公式来计算。
因此,我们可以通过这个公式来计算电加热器中的电流。
除了通过欧姆定律来计算电流之外,我们还可以通过功率和电压来计算电流。
功率(P)等于电流(I)乘以电压(U),即P=IU。
在电加热器中,功率通常是已知的,而电压也是已知的,因此我们可以通过这个公式来计算电流。
在实际应用中,我们需要根据具体的情况来选择合适的计算方法。
如果我们已经知道了电加热器的电阻和电压,那么我们可以直接使用欧姆定律来计算电流。
如果我们已经知道了电加热器的功率和电压,那么我们可以通过功率和电压的关系来计算电流。
常用电流计算口诀一·功率计算电流的口诀之一1·用途这是根据用电设备的功率(kW或kVA)算出电流(A)的口诀电流的大小直接与功率有关,也与电压、相别、功率因数等有关。
一般有公式可供计算。
2·口诀低压380/220V系统每kW的电流A电动机加倍,电热加半。
单相千瓦,4.5安单相380,电流两安半。
3.说明口诀是以380/220三相四线系统中的三相设备为准,计算每kW的A数。
对于某些单相或电压不同的单相设备,其每kW的A数,口诀另作了说明。
口诀中,在380V三相时(功率因数0.8左右),电动机每kW的电流约为2A..即将“kW数加一倍”(乘2)就是电流。
这电流也称电动机的额定电流。
例·5.5kW电动机按“电力加倍算得电流为11A”例·40kW水泵电动机按“电力加倍“算得电流为80A电热是指用电阻加热的电阻炉等。
三相380V的电热设备,每kW的电流为1.5A.即将“kW数加一半”(乘1.5)就是电流A。
例·30kW电加热器按“电热加半”算得电流为45A。
例·15kW电阻炉按“电热加半”算得电流为23A.这口诀并不专指电热,对于以白炽灯为主的照明也适用。
虽然照明的灯泡是单相而不是三相,但对照明供电的三相四线干线仍属三相。
只要三相大体平衡也可这样计算。
此外,以kVA为单位的电器(如变压器或整流器)和以Kvar为单位的移相电容器(提高功率因数用)也都适用。
即是说,这后半句虽然说的是电热,但包括所有以kVA、kvar 为单位的用电设备,以及以kW为单位的电热和照明设备。
例·12kW的三相(平衡时)照明干线“电热加半”算得电流为18A。
例·30kVA的整流器按“电热加半”处得电流为45A(指380V三相交流侧)。
例·320kVA的配电变压器按“电热加半”算得电流为480A(指380/220V低压侧) 例·100kvar的移相电容器(380V三相)按“电热加半”算得电流为150A。
三相角接电阻加热器功率计算电阻加热器是一种常用的加热设备,广泛应用于工业生产和家庭生活中。
在使用电阻加热器时,我们需要计算其功率,以确保其正常工作和使用安全。
电阻加热器通常由一个或多个电阻元件组成,它们通过电流流过电阻元件时产生热量,从而加热周围的物体。
对于三相角接电阻加热器,其电源为三相交流电,电阻元件通过连接在三相电源上的三个相线来工作。
要计算三相角接电阻加热器的功率,我们需要知道以下几个参数:线电压(U)和电流(I),电阻元件的阻值(R)。
在计算功率之前,我们首先需要计算每相电流(I_phase)。
对于三相角接电阻加热器,每相电流(I_phase)可以通过以下公式计算:I_phase = I / √3其中,I为电阻加热器的电流。
接下来,我们可以计算每相的功率(P_phase)。
每相功率可以通过以下公式计算:P_phase = U * I_phase其中,U为电阻加热器的线电压。
我们可以计算三相角接电阻加热器的总功率(P_total)。
总功率可以通过以下公式计算:P_total = 3 * P_phase三相角接电阻加热器的功率计算可以通过以上公式进行。
下面我们通过一个具体的例子来演示功率计算的步骤。
假设一个三相角接电阻加热器的线电压为400V,电流为20A,电阻元件的阻值为30Ω。
首先,我们可以计算每相电流:I_phase = 20A / √3 ≈ 11.54A接下来,我们计算每相的功率:P_phase = 400V * 11.54A ≈ 4616W我们计算总功率:P_total = 3 * 4616W = 13848W因此,这个三相角接电阻加热器的功率为13848W。
需要注意的是,上述计算中假设电阻元件的阻值为常数。
实际情况中,电阻元件的阻值可能会随着温度的变化而变化,因此在实际应用中需要考虑这一因素。
电阻加热器的功率计算还需要注意电阻元件的额定功率和电源的额定功率之间的匹配。
如果电阻加热器的功率超过电源的额定功率,可能会导致电源过载,甚至损坏设备。
新能源汽车ptc加热能力计算随着环境保护意识的增强和对传统燃油车辆排放问题的关注,新能源汽车的发展迅速。
其中一项重要的技术是PTC加热器技术。
PTC加热器是一种利用正温度系数(PTC)的半导体材料特性进行加热的装置。
在新能源汽车中,PTC加热器被广泛应用于电池加热、驾驶室加热等领域。
PTC加热器的加热能力是指其在一定时间内向特定介质传递热能的能力,通常用单位时间内传递的热量或功率来表示。
下面将介绍PTC 加热器加热能力的计算方法。
首先,我们需要了解PTC加热器的基本参数。
常见的PTC加热器参数包括:电压、电流、电阻、温度系数、表面积和热容。
其中,温度系数是PTC材料的一个重要特性,它表示了材料电阻随温度的变化关系。
通常,温度系数越大,PTC加热器的加热能力越强。
其次,需要考虑PTC加热器的工作环境和要求。
比如,在电池加热领域,需要计算PTC加热器对电池的加热能力。
首先确定电池的工作温度范围和目标温度,然后根据目标温度和环境温度的差值,以及电池的质量和热容,计算出所需的加热能力。
这样,就可以根据PTC加热器的参数和工作条件,计算出所需的电流和电压。
最后,通过计算PTC加热器的电流和电压,可以得到加热功率。
加热功率是指单位时间内传递给介质的热量。
一般来说,加热功率越大,PTC加热器的加热速度越快。
通过加热功率和加热时间,可以计算出PTC加热器加热能力的大小。
除了电流和电压,PTC加热器的表面积也是影响加热能力的重要参数。
增大表面积可以增加PTC加热器与介质的接触面积,提高加热效率。
因此,在设计过程中,需要考虑PTC加热器的表面积与加热需求的匹配。
综上所述,PTC加热器的加热能力计算涉及到多个参数和条件的综合考虑。
设计人员需要根据具体的应用需求和工作环境,通过计算电流、电压、表面积和加热时间等参数,来确定PTC加热器的加热能力。
这样可以保证PTC加热器在新能源汽车中的有效应用,提供舒适和安全的驾驶环境,同时满足节能减排的要求。
加热器星接电流计算公式英语Current Calculation Formula for Star-Connected Heaters.In a star-connected heater circuit, the current flowing through each heater element is the same as the current flowing through the neutral wire. The total current flowing through the circuit is the sum of the currents flowing through each heater element.The current flowing through each heater element can be calculated using the following formula:I = V / R.where:I is the current in amperes.V is the voltage in volts.R is the resistance in ohms.The total current flowing through the circuit can be calculated using the following formula:I = V / (R / 3)。
where:I is the current in amperes.V is the voltage in volts.R is the total resistance of the circuit in ohms.Example.Consider a star-connected heater circuit with three heater elements, each with a resistance of 10 ohms. The voltage applied to the circuit is 240 volts.The current flowing through each heater element is:I = V / R = 240 / 10 = 24 amps.The total current flowing through the circuit is:I = V / (R / 3) = 240 / (10 / 3) = 72 amps.Power Dissipation.The power dissipated by each heater element can be calculated using the following formula:P = V I.where:P is the power in watts.V is the voltage in volts.I is the current in amperes.The total power dissipated by the circuit can be calculated using the following formula:P = 3 V I.where:P is the total power in watts.V is the voltage in volts.I is the current in amperes.Efficiency.The efficiency of a star-connected heater circuit is the ratio of the power dissipated by the heater elements to the total power supplied to the circuit. The efficiency can be calculated using the following formula:η = P / (V I)。
一、按功率计算电流的口诀之一1、用途这是根据用电设备的功率(千瓦或千伏安)算出电流(安)的口诀。
电流的大小直接与功率有关,也与电压、相别、力率(又称功率因数)等有关。
一般有公式可供计算。
由于工厂常用的都是380/220伏三相四线系统,因此,可以根据功率的大小直接算出电流。
2、口诀低压380/220伏系统每千瓦的电流,安。
千瓦、电流,如何计算?电力加倍,电热加半。
①单相千瓦, 4.5安(1/0.22kv)。
②单相380,电流两安半2.5(1/0.38kv)。
③3、说明口诀是以380/220伏三相四线系统中的三相设备为准,计算每千瓦的安数。
对于某些单相或电压不同的单相设备,其每千瓦的安数,口诀另外作了说明。
①这两句口诀中,电力专指电动机。
在380伏三相时(力率0.8左右),电动机每千瓦的电流约为2安。
即将“千瓦数加一倍”(乘2)就是电流,安。
这电流也称电动机的额定电流。
[例1] 5.5千瓦电动机按“电力加倍”算得电流为11安。
①[例2] 40千瓦水泵电动机按“电力加倍”算得电流为80安。
电热是指用电阻加热的电阻炉等。
三相380伏的电热设备,每千瓦的电流为1.5安。
即将“千瓦数加一半”(乘1.5)就是电流,安。
[例1] 3千瓦电加热器“电热加半”算得电流为4.5安。
[例2] 15千瓦电阻炉按“电热加半”算得电流为23安。
②这口诀并不专指电热,对于照明也适用。
虽然照明的灯泡是单相而不是三相,但对照明供电的三相四线干线仍属三相。
只要三相大体平衡也可这样计算。
此外,以千伏为单位的电器(如变压器或整流器)和以千乏为单位的移相电容器(提高力率用)也都适用。
即是说,这后半句虽然说的是电热,但包括所有以千伏安、千乏为单位的用电设备,以及以千瓦为单位的电热和照明设备。
[例1] 12千瓦的三相(平衡时)照明干线按“电热加半”算得电流为18安。
[例2] 30千伏安的整流器按“电热加半”算得电流为45安(指380伏三相交流侧)。
三相加热器三角形接法电流英文回答:Three-phase Heater Delta Connection Current.In a three-phase heater delta connection, the currentin each phase is equal to the line current divided by the square root of 3. The line current is the current flowingin the line conductors that connect the heater to the power source. The phase current is the current flowing in each of the three phases of the heater.The following equation can be used to calculate the phase current:Ip = Il / √3。
Where:Ip is the phase current.Il is the line current.For example, if the line current is 10 amps, then the phase current in each phase will be 5.77 amps.中文回答:三相加热器三角形接法电流。
在三相加热器三角形接法中,每相电流等于线电流除以根号 3。
线电流是连接加热器和电源的线导体中流动的电流。
相电流是流经加热器三个相位中的每相的电流。
可以使用以下方程式计算相电流:Ip = Il / √3。
其中:Ip 是相电流。
Il 是线电流。
例如,如果线电流为 10 安培,则每相的相电流为 5.77 安培。