(上海市新版)分部工程质量验收记录
- 格式:xlsx
- 大小:12.54 KB
- 文档页数:1
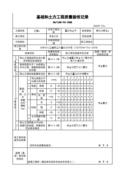
上海新版2022年土建检验批质量验收记录全套及范例篇一:上海建筑工程资料全套范本已整理归类表格上海市建筑安装工程质量竣工资料A册施工组织设计、质量计划资料1、A-0目录2、A-1施工组织设计(质量计划)审批表3、A-2施工组织设计修改审批表4、A-3施工组织设计施工组织设计(总文档)工程概况质量、安全、文明所确定工作目标现场管理人员组织架构及人员组成工程难点、关键工序的确定及相应技术保证措施工程施工总进度计划表分部分项工程施工方案质量保证措施安全保证措施文明保证措施季节施工措施模板及支架设计书(包括脚手架)施工现场临时用电用水计算书工程技术复核计划表隐蔽工程验收计划表混凝土、砂浆试块制作计划表主要机械设备计划表原材料、成品、半成品设备检验计划质量检测计量器具配备一览表工程质量验收计划各施工阶段劳动组织表施工预算表施工总平面图(包括场地、道路)5、A-4其他规范、规定要求的施组内容B册质量管理资料1、B-0目录2、B-1建筑工程施工图设计文件审图备案证书3、B-2建设工程质量人员从业资格审查表4、B-3建筑工程特殊工种人员上岗证审查表5、B-4工程地质勘探报告6、B-5建设工程开工报告7、B-6建设工程复工报告8、B–7建设工程竣工报告9、B-8图纸会审设计交底纪要10、B-9技术核定单11、B-10设计变更通知12、B-11地基验槽记录13、B-12技术质量交底记录14、B-13建(构)筑测量复核单15、B-14建(构)筑物沉降观测成果16、B-14-2建筑工程沉降观测点、基准点、专用水准点平面位置布置图17、B15垂直测量成果表18、B-16隐蔽工程验收单19、B-17工程技术复核单20、B-18施工现场质量管理检查记录21、B-19混凝土浇灌令22、B-20泼水检验记录表23、B-21楼地面管道盛水记录表24、B-22屋面天沟蓄水、四周淋水试验检记录表25、B-23住宅垂直集中排烟气系统检查表26、B-24工程质量一般事故报告表27、B-25工程质量重大事故报告表28、B-26工程质量保修书29、B-27施工日记30、B-28竣工图(含设计修改通知)31、B-29其它资料(附:1、工程规划许可证、2、工程施工许可证、3、施工中标通知书、4、建设工程开工安全受监报、5、挖土工程申请书、6、挖土工程开工令、7报验申请表)四、1、C册质量保证资料1、C-0目录2、C-0目录(续一)3、C-0目录(续二)4、C-1砂浆试块抗压报告汇总表5、C-2砂浆试块抗压强度试验报告6、C-3砂浆试块抗压强度统计评定表7、C-4商品砂浆质量说明书8、C-5混凝土试块抗压报告汇总表9、C-6混凝土试块抗压强度试验报告10、C–7混凝土试块数量统计评定表11、C-8混凝土试块非数量统计评定表12、C-9混凝土同条件养护试块抗压报告汇总表13、C-10混凝土同条件养护试块抗压强度试验报告14、C-11混凝土同条件养护试数理统计评定15、C-12混凝土同条件养护试块非数理统计评定表16、C-13混凝土抗渗试验报告汇总表17、C-14混凝土抗渗试验报告18、C-15混凝土非破损检测报告(一)(二)19、C-16混凝土配合比通知汇总表20、C-17混凝土配比通知21、C-18混凝土质量证明书汇总表22、C-19混凝土质量证明书(含准用证)23、C-20混凝土坍落度测定记录24、C-21混凝土构件质量证明书汇总表25、C-22混凝土构件质量证明书26、C-23砂垫层环刀测定报告27、C-24回填土击实试验测定报告28、C-25钢材质量证明书、复试报告汇总表29、C-26钢材质量证明书(含准用证)30、C-27钢材试验报告31、C-28钢材化学分析试验报告32、C-29钢筋焊接试验报告汇总表33、C-30钢筋焊接试验报告34、C-31钢筋机械连接拧紧扭矩值测定记录35、C-32水泥质量证明书、复试报告汇总表36、C-33水泥质量证明书(含准用证)37、C-34水泥检验报告38、C-35砌体证明书、复试报告汇总表39、C-36砌体材料质量证明书、复试报告汇总表40、C-37砌体材料检验报告41、C-38粗骨料质量证明书、复试报告汇总表42、C-39粗骨料质量证明书(含准用证)43、C-40粗骨料检验报告44、C-41细骨料质量证明书、复试报告汇总表45、C-42细骨料质量证明书(含准用证)46、C-43细骨料检验报告47、C-44木制品质量证明书48、C-45门窗质量证明书49、C-46门窗性能检测试验报告50、C-47金属构件质量证明书汇总表51、C-48金属构件质量证明书52、C-49防水材料质量证明书、复试报告汇总表53、C-50防水材料质量证明书(含准用证)54、C-51防水材料检验报告55、C-52烟道质量证明书汇总表56、C-53烟道质量证明书57、C-54焊接材料质量证明书汇总表58、C-55焊接材料质量证明书59、C-56玻璃质量证明书汇总表60、C-57玻璃质量证明书61、C-58饰面材料和质量证明书汇总表62、C-59饰面材料质量证明书63、C-60饰面材料检验报告64、C-61预应力钢材质量证明书、复试报告汇总表65、C-62预应力钢材质量证明书66、C-63预应力钢材质量复试报告67、C-64预应力钢筋锚具、夹具质量证明书、复试报告汇总表68、C-65预应力钢筋锚具、夹具质量证明书69、C-66预应力钢筋锚具、夹具质量复试报告70、C-67施工现场预应力张拉记录71、C-68外墙屋面保温隔热材料质量证明书汇总表72、C-69外墙屋面保温隔热材料质量证明书(含准用证)73、C-70室内环境检测报告74、C-71其它资料D册质量验收资料1、D-0目录2、D-1单位(子单位)工程质量竣工验收记录3、D-2单位(子单位)工程质量控制资料核查记录4、D-3单位(子单位)工程安全和功能检验资料核查及主要功能抽查记录5、D-4单位(子单位)工程观感质量检查记录6、D-5分项分部工程质量验收证明书7、D-6地基与基础分部子分部工程质量验收记录8、D-7主体结构分部9、D-8建筑装饰装修分部10、D-9建筑屋面分部11、D-10分项工程质量验收记录12、D-11检验批质量验收记录13、D-11-6地基与基础分部010101-土方开挖工程检验批质量验收记录表010102-土方回填工程检验批质量验收记录表010201-1排桩墙支护工程检验批质量验收记录表(重复使用钢板桩)010201-2排桩墙支护工程检验批质量验收记录表(混凝土板桩)010202-降水与排水工程检验批质量验收记录表010203-1-混凝土灌注(钢筋笼)工程检验批质量验收记录表010203-2地下连续墙工程检验批质量验收记录表010204-锚杆及土钉墙支护工程检验批质量验收记录表010205-加筋水泥土桩墙支护工程检验批质量验收记录表010206-沉井沉箱工程检验批质量验收记录表010207-钢或混凝土支撑工程检验批质量验收记录表010301-灰土地基工程检验批质量验收记录表010302-砂和砂石地基检验批质量验收记录表010303-土工合成材料地基工程检验批质量验收记录表010304-粉煤灰地基工程检验批质量验收记录表010305-强夯地工程检验批质量验收记录表010306-振冲地基工程检验批质量验收记录表010307-砂桩地基工程检验批质量验收记录表010308-预压地基工程检验批质量验收记录表010309-高压喷射注浆地基工程检验批质量验收记录表010310-土和灰土挤密桩复合地基检验批质量验收记录表010311-注浆地基检验批质量验收记录表010312-水泥粉煤灰碎石桩复合地基工程检验批质量验收记录表010313-夯实水泥土桩复合地基工程检验批质量验收记录表010314-水泥土搅拌桩地基工程检验批质量验收记录表010401-静力压桩工程检验批质量验收记录表010402-预应力管桩工程检验批质量验收记录表010403-1混凝土预制桩(钢筋骨架)工程检验批质量验收记录表010403-2混凝土预制桩工程检验批质量验收记录表010404-1钢桩(成品)工程检验批质量验收记录表010404-2钢桩施工检验批质量验收记录表010405-1混凝土灌注(钢筋笼)工程检验批质量验收记录表010405-2混凝土灌注桩工程检验批质量验收记录表010501-防水混凝土检验批质量验收记录表010502-水泥砂浆防水层检验批质量验收记录表010503-卷材防水层检验批质量验收记录表010504-涂料防水层检验批质量验收记录表010505-金属板防水层检验批质量验收记录表010506-塑料板防水层检验批质量验收记录表010507-细部构造检验批质量验收记录表010508-锚喷支护检验批质量验收记录表010509-复合式衬砌检验批质量验收记录表010510-地下连续墙检验批质量验收记录表010511-盾构法隧道检验批质量验收记录表010512-渗排水、肓沟排水检验批质量验收记录表010513-隧道、坑道排水检验批质量验收记录表010514-预注浆、后注浆检验批质量验收记录表010515-衬砌裂缝注浆检验批质量验收记录表010601-1模板安装工程检验批质量验收记录表010601-2预制构件模板工程检验批质量验收记录表010601-3模板拆除工程检验批质量验收记录表010602-1钢筋加工检验批质量验收记录表010602-2钢筋安装工程检验批质量验收记录表010603-1混凝土原材料及配合比设计检验质量验收记录表010603-2混凝土施工检验批质量验收记录表010603-3现浇结构外观及尺寸偏差检验批质量验收记录表010603-4混凝土设备基础外观及尺寸偏差检验批质量验收记录表14、D-11-7主体结构分部020221-1-模板安装工程检验批质量验收记录表020221-2-预制构件模板工程检验批质量验收记录表020221-3-模板拆散除工程检验批质量验收记录表020222-1-钢筋加工检验批质量验收记录表020222-2-钢筋安装工程检验批质量验收记录表020223-1-混凝土原材料及配合比设计检验批质量验收记录表020223-2-混凝土施工检验批质量验收记录表020224-1-预应力原材料检验批质量验收记录表020224-2-预应力制作与安装检验批质量验收记录表020224-3-预应力张拉、放张、灌浆及封锚检验批质量验收记录表020225-1-现浇结构外观及尺寸允许偏差检验批质量验收记录表020225-2-混凝土设备基础外观及尺寸偏差检验批质量验收记录表020226-1-预制构件检验批质量验收记录表020226-2-装配式结构施工检验批质量验收记录表0201-1-混凝土结构子分部工程(结构实体砼强度)验收记录0201-2-混凝土结构子分部工程结构实体钢筋保护层验收记录020301-砖砌体工程检验批质量验收记录表020302-混凝土小型空心砌块体工程检验批质量验收记录表020303-石砌体工程检验批质量验收记录表020304-填充墙砌体工程检验批质量验收记录表020305-配筋砌体工程检验批质量验收记录表020501-木屋盖工程检验批质量验收记录表020502-胶合木工程检验批质量验收记录表020503-轻型木结构(规格材、钉连接)工程检验批质量验收记录表020504-木结构防传腐、防虫、防火工程检验批质量验收记录表15、D-11-8建筑装饰装修分部030101-1-基土垫层检验批质量验收记录表030101-2-灰土垫层检验批质量验收记录表030101-3-砂垫层和砂石垫层检验批质量验收记录表030101-4-碎石垫层和和碎砖垫层检验批质量验收记录表030101-5-三合土垫层检验批质量验收记录表030101-6-炉渣垫层检验批质量验收记录表030101-7-水泥混凝土垫层检验批质量验收记录表篇二:上海建筑工程资料全套范本上海市建筑安装工程质量竣工资料A册施工组织设计、质量资料1、A-0目录2、A-1施工组织设计(质量计划)审批表3、A-2施工组织设计修改审批表4、A-3施工组织设计施工组织设计(总文档)工程概况质量、安全、文明所确定工作目标现场管理人员组织架构及人员组成工程难点、关键工序的确定及相应技术保证措施工程施工总进度计划表分部分项工程施工方案质量保证措施安全保证措施文明保证措施季节施工措施模板及支架设计书(包括脚手架)施工现场临时用电用水计算书工程技术复核计划表隐蔽工程验收计划表混凝土、砂浆试块制作计划表主要机械设备计划表原材料、成品、半成品设备检验计划质量检测计量器具配备一览表工程质量验收计划各施工阶段劳动组织表施工预算表施工总平面图(包括场地、道路情况)5、A-4其他规范、规定要求的施组内容B册质量管理资料1、B-0目录2、B-1建筑工程施工图设计文件审图备案证书3、B-2建设工程质量人员从业资格审查表4、B-3建筑工程特殊工种人员上岗证审查表5、B-4工程地质勘探报告6、B-5建设工程开工报告7、B-6建设工程复工报告8、B–7建设工程竣工报告9、B-8图纸会审设计交底纪要10、B-9技术核定单11、B-10设计变更通知12、B-11地基验槽记录13、B-12技术质量交底记录14、B-13建(构)筑测量复核单15、B-14建(构)筑物沉降观测成果16、B-14-2建筑工程沉降观测点、基准点、专用水准点平面位置布置图17、B15垂直测量成果表18、B-16隐蔽工程验收单19、B-17工程技术复核单20、B-18施工现场质量管理检查记录21、B-19混凝土浇灌令22、B-20泼水检验记录表23、B-21楼地面管道盛水记录表24、B-22屋面天沟蓄水、四周淋水试验检记录表25、B-23住宅垂直集中排烟气系统检查表26、B-24工程质量一般事故报告表27、B-25工程质量重大事故报告表28、B-26工程质量保修书29、B-27施工日记30、B-28竣工图(含设计修改通知)31、B-29其它资料(附:1、工程规划许可证、2、工程施工许可证、3、施工中标通知书、4、建设工程开工安全受监报、5、挖土工程申请书、6、挖土工程开工令、7报验申请表)四、1、C册质量保证资料1、C-0目录2、C-0目录(续一)3、C-0目录(续二)4、C-1砂浆试块抗压报告汇总表5、C-2砂浆试块抗压强度试验报告6、C-3砂浆试块抗压强度统计评定表7、C-4商品砂浆质量说明书8、C-5混凝土试块抗压报告汇总表9、C-6混凝土试块抗压强度试验报告10、C–7混凝土试块数量统计评定表11、C-8混凝土试块非数量统计评定表12、C-9混凝土同条件养护试块抗压报告汇总表13、C-10混凝土同条件养护试块抗压强度试验报告14、C-11混凝土同条件养护试数理统计评定15、C-12混凝土同条件养护试块非数理统计评定表16、C-13混凝土抗渗试验报告汇总表17、C-14混凝土抗渗试验报告18、C-15混凝土非破损检测报告(一)(二)19、C-16混凝土配合比通知汇总表20、C-17混凝土配比通知21、C-18混凝土质量证明书汇总表22、C-19混凝土质量证明书(含准用证)23、C-20混凝土坍落度测定记录24、C-21混凝土构件质量证明书汇总表25、C-22混凝土构件质量证明书26、C-23砂垫层环刀测定报告27、C-24回填土击实试验测定报告28、C-25钢材质量证明书、复试报告汇总表29、C-26钢材质量证明书(含准用证)30、C-27钢材试验报告31、C-28钢材化学分析试验报告32、C-29钢筋焊接试验报告汇总表33、C-30钢筋焊接试验报告34、C-31钢筋机械连接拧紧扭矩值测定记录35、C-32水泥质量证明书、复试报告汇总表36、C-33水泥质量证明书(含准用证)37、C-34水泥检验报告38、C-35砌体证明书、复试报告汇总表39、C-36砌体材料质量证明书、复试报告汇总表40、C-37砌体材料检验报告41、C-38粗骨料质量证明书、复试报告汇总表42、C-39粗骨料质量证明书(含准用证)43、C-40粗骨料检验报告44、C-41细骨料质量证明书、复试报告汇总表45、C-42细骨料质量证明书(含准用证)46、C-43细骨料检验报告47、C-44木制品质量证明书48、C-45门窗质量证明书49、C-46门窗性能检测试验报告50、C-47金属构件质量证明书汇总表51、C-48金属构件质量证明书52、C-49防水材料质量证明书、复试报告汇总表53、C-50防水材料质量证明书(含准用证)54、C-51防水材料检验报告55、C-52烟道质量证明书汇总表56、C-53烟道质量证明书57、C-54焊接材料质量证明书汇总表58、C-55焊接材料质量证明书59、C-56玻璃质量证明书汇总表60、C-57玻璃质量证明书61、C-58饰面材料和质量证明书汇总表62、C-59饰面材料质量证明书63、C-60饰面材料检验报告64、C-61预应力钢材质量证明书、复试报告汇总表65、C-62预应力钢材质量证明书66、C-63预应力钢材质量复试报告67、C-64预应力钢筋锚具、夹具质量证明书、复试报告汇总表68、C-65预应力钢筋锚具、夹具质量证明书69、C-66预应力钢筋锚具、夹具质量复试报告70、C-67施工现场预应力张拉记录71、C-68外墙屋面保温隔热材料质量证明书汇总表72、C-69外墙屋面保温隔热材料质量证明书(含准用证)73、C-70室内环境检测报告74、C-71其它资料D册质量验收资料1、D-0目录2、D-1单位(子单位)工程质量竣工验收记录3、D-2单位(子单位)工程质量控制资料核查记录4、D-3单位(子单位)工程安全和功能检验资料核查及主要功能抽查记录5、D-4单位(子单位)工程观感质量检查记录6、D-5分项分部工程质量验收证明书7、D-6地基与基础分部子分部工程质量验收记录8、D-7主体结构分部9、D-8建筑装饰装修分部10、D-9建筑屋面分部11、D-10分项工程质量验收记录12、D-11检验批质量验收记录13、D-11-6地基与基础分部010101-土方开挖工程检验批质量验收记录表010102-土方回填工程检验批质量验收记录表010201-1排桩墙支护工程检验批质量验收记录表(重复使用钢板桩)010201-2排桩墙支护工程检验批质量验收记录表(混凝土板桩)010202-降水与排水工程检验批质量验收记录表010203-1-混凝土灌注(钢筋笼)工程检验批质量验收记录表010203-2地下连续墙工程检验批质量验收记录表010204-锚杆及土钉墙支护工程检验批质量验收记录表010205-加筋水泥土桩墙支护工程检验批质量验收记录表010206-沉井沉箱工程检验批质量验收记录表010207-钢或混凝土支撑工程检验批质量验收记录表010301-灰土地基工程检验批质量验收记录表010302-砂和砂石地基检验批质量验收记录表010303-土工合成材料地基工程检验批质量验收记录表010304-粉煤灰地基工程检验批质量验收记录表010305-强夯地工程检验批质量验收记录表010306-振冲地基工程检验批质量验收记录表010307-砂桩地基工程检验批质量验收记录表010308-预压地基工程检验批质量验收记录表010309-高压喷射注浆地基工程检验批质量验收记录表010310-土和灰土挤密桩复合地基检验批质量验收记录表010311-注浆地基检验批质量验收记录表010312-水泥粉煤灰碎石桩复合地基工程检验批质量验收记录表010313-夯实水泥土桩复合地基工程检验批质量验收记录表010314-水泥土搅拌桩地基工程检验批质量验收记录表010401-静力压桩工程检验批质量验收记录表010402-预应力管桩工程检验批质量验收记录表010403-1混凝土预制桩(钢筋骨架)工程检验批质量验收记录表010403-2混凝土预制桩工程检验批质量验收记录表010404-1钢桩(成品)工程检验批质量验收记录表010404-2钢桩施工检验批质量验收记录表010405-1混凝土灌注(钢筋笼)工程检验批质量验收记录表010405-2混凝土灌注桩工程检验批质量验收记录表010501-防水混凝土检验批质量验收记录表010502-水泥砂浆防水层检验批质量验收记录表010503-卷材防水层检验批质量验收记录表010504-涂料防水层检验批质量验收记录表010505-金属板防水层检验批质量验收记录表010506-塑料板防水层检验批质量验收记录表010507-细部构造检验批质量验收记录表010508-锚喷支护检验批质量验收记录表010509-复合式衬砌检验批质量验收记录表010510-地下连续墙检验批质量验收记录表010511-盾构法隧道检验批质量验收记录表010512-渗排水、肓沟排水检验批质量验收记录表010513-隧道、坑道排水检验批质量验收记录表010514-预注浆、后注浆检验批质量验收记录表010515-衬砌裂缝注浆检验批质量验收记录表010601-1模板安装工程检验批质量验收记录表010601-2预制构件模板工程检验批质量验收记录表010601-3模板拆除工程检验批质量验收记录表010602-1钢筋加工检验批质量验收记录表010602-2钢筋安装工程检验批质量验收记录表010603-1混凝土原材料及配合比设计检验质量验收记录表010603-2混凝土施工检验批质量验收记录表010603-3现浇结构外观及尺寸偏差检验批质量验收记录表010603-4混凝土设备基础外观及尺寸偏差检验批质量验收记录表14、D-11-7主体结构分部020221-1-模板安装工程检验批质量验收记录表020221-2-预制构件模板工程检验批质量验收记录表020221-3-模板拆散除工程检验批质量验收记录表020222-1-钢筋加工检验批质量验收记录表020222-2-钢筋安装工程检验批质量验收记录表020223-1-混凝土原材料及配合比设计检验批质量验收记录表020223-2-混凝土施工检验批质量验收记录表020224-1-预应力原材料检验批质量验收记录表020224-2-预应力制作与安装检验批质量验收记录表020224-3-预应力张拉、放张、灌浆及封锚检验批质量验收记录表020225-1-现浇结构外观及尺寸允许偏差检验批质量验收记录表020225-2-混凝土设备基础外观及尺寸偏差检验批质量验收记录表020226-1-预制构件检验批质量验收记录表020226-2-装配式结构施工检验批质量验收记录表0201-1-混凝土结构子分部工程(结构实体砼强度)验收记录0201-2-混凝土结构子分部工程结构实体钢筋保护层验收记录020301-砖砌体工程检验批质量验收记录表020302-混凝土小型空心砌块体工程检验批质量验收记录表020303-石砌体工程检验批质量验收记录表020304-填充墙砌体工程检验批质量验收记录表020305-配筋砌体工程检验批质量验收记录表020501-木屋盖工程检验批质量验收记录表020502-胶合木工程检验批质量验收记录表020503-轻型木结构(规格材、钉连接)工程检验批质量验收记录表020504-木结构防传腐、防虫、防火工程检验批质量验收记录表15、D-11-8建筑装饰装修分部030101-1-基土垫层检验批质量验收记录表030101-2-灰土垫层检验批质量验收记录表030101-3-砂垫层和砂石垫层检验批质量验收记录表030101-4-碎石垫层和和碎砖垫层检验批质量验收记录表030101-5-三合土垫层检验批质量验收记录表030101-6-炉渣垫层检验批质量验收记录表030101-7-水泥混凝土垫层检验批质量验收记录表030101-8-找平层检验批质量验收记录表030101-9-隔离层检验批质量验收记录表030101-10-填充层检验批质量验收记录表030102-水泥混凝土面层检验批质量验收记录表030103-水磨石面层检验批质量验收记录表030104-水泥钢屑检验批质量验收记录表030105-防油渗面层检验批质量验收记录表030106-不发火(防爆)面层工程检验批质量验收记录表030107-砖面层检验批质量质量验收记录表030108-大理石和花岗石面层工程检验批质量验收记录表030109-预制板块面层检验批质量验收记录表篇三:建筑工程施工质量验收规范检验批填写全套表格+示范填写与说明第一章建筑工程施工质量验收规范检验批检查用表填写说明建设部颁布的新版《建筑工程施工质量验收规范》定于2003年1月1日起执行。