补偿器预拉伸(预压缩)记录.doc
- 格式:doc
- 大小:51.00 KB
- 文档页数:2
《室外供热管道及配件安装工程检验批质量验收记录》填写说明与体据一、总说明(1)适用范围:适用于厂区及民用建筑群(住宅小区)的饱和燕汽压力不大于0.7MPa 热水温度不超过130C的室外供热管网安装工程的质业检验与验收。
(2)检验批的划分:室外供热管道及配件安装分项工程应按系统、区域、施工段或楼层等划分。
分项工程应划分成若干检验批进行验收。
(3)验收人员:由监理工程师(建设单位项目专业技术负责人)组织施工单位项目经理和有关勘察,设计单位项目负责人等进行验收。
二、表格项目填写说明1.主控项目(1)平衡阀与调节阀安装位置及调试1)规范要求,平衡陶及调节阀型号、规格及公称压力应符合设计要求。
安装后应根据系统要求进行调试,并作出标志。
2)检查方法:对照设计图纸及产品合格证,并现场观察调试结果。
检查数量:按不同规格、型号抽查10%,且不少于10个。
(2)直埋无补偿供热管道预热伸长及三通加固1)规范要求:直埋无补偿供热管道预热伸长及三通加固应符合设计要求。
回填前应注意检查预制保温层外壳及接口的完好性。
回填应按设计要求进行。
2)检查方法:回填前现场验核和观察。
检查数量:抽查不少于10 个三通。
(3)补偿器位置、预拉伸,支架位置和构造1)规范要求:补偿器的位置必须符合设计要求,并应按设计要求或产品说明书进行预拉伸管道固定支架的位置和构造必须符合设计要求。
2)检查方法:对照图纸,并查验预拉伸记录。
检查数量:全数检查。
3)填写说明与依据:从干管直接引出分支管时,在分支管上应高固定墩或轴向补偿器或弯管补偿器,并应符合下列规定:分支点至支线上固定墩的距离不宜大于9m;分支点至轴向补偿器或弯管的距离不宜大于20m,分支点有干线轴向位移时,轴向位移量不宜大于50mm,分支点至固定墩或弯管补偿器的最小距离应符合下式计算“L”型管段臂长的规定,分支点至轴向补偿器的距离不应小于12m。
轴向补偿器和管道轴线应一致,距补偿器12m 范围内管段不应有变坡和转角。
方形补偿器预拉伸(旁站)1、拉伸目的及原理:1.1、目的:为了减少方形补偿器在运行中的变形和承受的膨胀应力:提高补偿能力,在方形补偿器安装时应进行预拉伸1.2、原理:方形补偿器安装在管段的两个固定中间位置(图2---70),因热媒通过使管道因温度变化而伸长.热伸长会产生对两侧固定支架水平推力。
为了保持力的平衡,反作用力使方形补偿器产生压缩变形。
以补偿因热膨胀而对固定支架产生的应力。
2、拉伸准备:2.1、拉伸专项方案、安全交底、技术交底、补偿器检验记录、补偿器预拉伸记录、补偿器安装记录;2.2、合格的特种作业人员(持证上岗)2.3、准备切割、焊接设备,落实安全设施(脚手架稳固、安全带无破损)2.4、预拉伸区域内固定支架间所有焊缝(预拉口除外)焊接完毕,需热处理的焊缝热处理后经检验合格。
2.5、预拉伸区域内的支架安装完毕,管子与固定支架已妥善固定,预拉口附近的支架已预留足够的调整裕度,支架已按设计要求临时固定,不使支架承受管道的载荷。
3、拉伸阶段3.1、准备工作完毕后,施工单位按照施工方案进行拉伸试验。
3.2、管道的预拉伸必须符合设计规定,并记录变形量。
3.3、需特殊热处理的管道,无特殊情况不允许在管道焊口以外施焊,如需焊接则必须进行相应热处理。
3.4、补偿器的预拉伸或预压缩值必须符合设计的规定,允许偏差为±10mm。
4、安装阶段4.1、制作好的补偿器经过检验合格后才能允许安装;4.2、方形补偿器通常成水平安装,平行臂应与管线坡度及坡向相同,垂直臂应水平。
4.3、方形补偿器的安装距离必须在三个活动支架以上,当其安装在有坡度的管线上时,补偿器的两侧垂直臂应以水平仪测量其安装水平度;补偿器的中间水平臂及与管道段连接的端点允许有坡度。
4.4、在设置固定支架时,还必须考虑到支管的安装位移,一般不得使支管的位移超过50毫米。
4.5、安装补偿器应当在两个固定支架之间的管道安装完毕后进行。
5、其他要求:5.1、管道切口必须采用自动坡口机按规范打破口。
建设工程单位工程资料管理工程竣工验收及备案资料1. 甬统表A06﹣1《工程项目概况表》2. 甬统表A06﹣2《工程材料、设备试验报告(由建设单位负责部分)汇总表》3. 甬统表A06﹣3《单位(子单位)工程质量竣工验收记录》工程资料移交资料1。
甬统表A08﹣1《工程资料》封面2. 甬统表A08﹣2《工程资料卷内目录(总目录)》3. 甬统表A08﹣3《分项目录(主要材料、设备材料)》4。
甬统表A08﹣4《分项目录(施工记录资料)》5。
甬统表A08﹣5《混凝土(砂浆)抗压强度报告目录》6。
甬统表A08﹣6《施工试验及检测资料目录》7。
甬统表A08﹣7《工程安全和功能检测资料目录》8。
甬统表A08﹣8《工程资料备考表》9。
甬统表A08﹣9《工程资料移交书》10。
甬统表A08﹣10《工程资料移交目录》11. 甬统表A08﹣11《城市建设档案》封面12。
甬统表A08﹣12《城建档案卷内目录(总目录)》13. 甬统表A08﹣13《城建档案案卷审核备考表》14。
甬统表A08﹣14《城市建设档案移交目录》15. 甬统表A08﹣15《城市建设档案移交书》监理单位工程资料管理监理日常管理资料的管理1。
甬统表B01﹣1《项目监理机构组建报告》2. 甬统表B01﹣2《总监理工程师授权书》3. 甬统表B01﹣3《专业监理工程师授权书》4。
甬统表B01﹣4《总监理工程师更换通知》5. 甬统表B01﹣5《监理月报》6。
甬统表B01﹣10《会议纪要》7. 甬统表B01﹣6《监理工程师通知单》8. 甬统表B01﹣9《监理工作联系单》9. 甬统表B01﹣11《工程变更单》10. 甬统表B01﹣13《监理工作总结报告》11。
甬统表B01﹣12《工程竣工移交证书》12. 甬统表B01﹣8《工程监理档案移交目录》13. 甬统表B01﹣7《工程监理档案》甬统表B01﹣7﹣1《工程监理档案卷内目录》甬统表B01﹣7﹣2《工程监理档案卷内备考表》监理工程质量控制资料管理1. 甬统表B02﹣1《工程暂停令》2。
1.目的:通过对管道安装检验作业施工质量的有效控制,保证压力管道的施工质量。
2.适用范围:本公司压力管道的安装检验作业。
3.职责3.1 管道安装检验作业由检验质量控制责任工程师主控。
3.2 班组自检,施工队复检,检验员验收,项目部对进行质量初评,质量技术处抽检后进行综合评定。
4 检验仪器设备工具电动试压泵、量具:压力表、钢卷尺、盘尺、直角尺、钢板尺、水平尺、水平磁力线坠、量角规、划规、焊接检验尺、水准仪、外卡钳、测厚仪等。
5工程划分、质量检验评定程序及质量等级划分5.1质量检验评定按照《工业金属管道工程质量检验评定标准》进行综合质量评定。
5.2 标准5.2.1工程划分5.2.1.1分项工程应为分部工程的组成部分。
同一分部工程中,相同工作介质、管道类别的管道系统应划为一个分项工程。
该管道系统应根据设计、生产工艺的具体情况划分。
在分部工程中,对工程质量起决定作用的分项工程应划分为主要分项工程。
Ⅰ、Ⅱ类管道及有毒、甲、乙类火灾危险介质的管道均应为主要分项工程。
Ⅰ、Ⅱ类管道及有毒、、甲、乙类火灾危险介质的管道分类应符合现行国家标准《工业管道工程施工及验收规范》的规定。
5.2.1.2分部工程应为单位工程的组成部分,应按单位工程中的专业进行划分,同一单位工程中的管道工程,应为一个分部工程。
5.2.1.3一个单位工程中,当仅有管道分部工程时,该分部工程应为单位工程。
5.2.2质量检验评程序5.2.2.1质量检验评定工作应按分项工程、分部工程、单位工程的顺序逐级进行。
5.2.2.2分项工程的质量评定工作应在其质量检验工作完毕后进行。
当有一个分项工程的质量评定结果这不合格时,不得进行分部工程的质量评定。
5.2.2.3分部工程、单位工程的质量评定工作应在分项工程质量评定完毕后依次进行。
5.2.2.4当单位工程由几个分包单位施工时,其总承包单位应对工程质量全面负责;各分包单位应按本标准的规定对其承建的分项、分部工程质量进行检验评定,并应将有关资料及评定结果交总承包单位。
甬统表 A B C 类表(全版)目录A类表A06﹣1《工程项目概况表》A06﹣2《工程材料、设备试验报告(由建设单位负责部分)汇总表》A06﹣3《单位(子单位)工程质量竣工验收记录》A08﹣1《工程资料》封面A08﹣2《工程资料卷内目录(总目录)》A08﹣3《分项目录(主要材料、设备材料)》A08﹣4《分项目录(施工记录资料)》A08﹣5《混凝土(砂浆)抗压强度报告目录》A08﹣6《施工试验及检测资料目录》A08﹣7《工程安全和功能检测资料目录》A08﹣8《工程资料备考表》A08﹣9《工程资料移交书》A08﹣10《工程资料移交目录》A08﹣11《城市建设档案》封面A08﹣12《城建档案卷内目录(总目录)》A08﹣13《城建档案案卷审核备考表》A08﹣14《城市建设档案移交目录》A08﹣15《城市建设档案移交书》B类表B01﹣1《项目监理机构组建报告》B01﹣2《总监理工程师授权书》B01﹣3《专业监理工程师授权书》B01﹣4《总监理工程师更换通知》B01﹣5《监理月报》B01﹣6《监理工程师通知单》B01﹣7﹣1《工程监理档案卷内目录》B01﹣7﹣2《工程监理档案卷内备考表》B01﹣7《工程监理档案》B01﹣8《工程监理档案移交目录》B01﹣9《监理工作联系单》B01﹣10《会议纪要》B01﹣11《工程变更单》B01﹣12《工程竣工移交证书》B01﹣13《监理工作总结报告》B02﹣1《工程暂停令》B02﹣2《监理抽查记录表》B02﹣3《不合格项处置记录表》B02﹣4《监理日记》B02﹣6《平行检验监理记录(通用)》B02﹣7《沉管灌注桩施工旁站监理记录附表》B02﹣8《锤击静压桩施工旁站监理记录附表》B02﹣9《钻孔灌注桩成孔旁站监理记录附表》B02﹣10《钻孔灌注桩混凝土灌注旁站监理记录附表》B02﹣11《混凝土强度回弹平行检验监理记录》B02﹣12《钢管承重支模系统平行检验监理记录》B02﹣13《工程材料构配件设备报审台账》B02﹣14《施工试验报审台账》B02﹣15《工程验收汇总台账》B02﹣16《工程质量评估报告》B03﹣1《工程款支付证书》B03﹣2《费用索赔审批书》B03﹣3《工程临时延期审批表》B03﹣4《工程最终延期审批表》C类表C01﹣1《工程概况表》C01﹣2《施工现场质量管理检查记录》C01﹣3《技术交底记录》C01﹣4《图纸会审记录》C01﹣5《设计变更通知单》C01﹣7《见证取样送检记录》C01﹣8《施工日志》C01﹣9《工程定位测量记录》C01﹣10《基槽验线记录》C01﹣11《楼层平面放线记录》C01﹣12《工程沉降测观记录》C01﹣13《工序质量检查表(施工检查记录)》C01﹣14《隐蔽工程验收记录》C01﹣15《交接检记录》C01﹣16《预检记录》C01﹣17《楼层标高抄测记录》C01﹣18《建筑物标高、垂直度(全高)测量记录》C01﹣19《施工组织设计(方案)报审表》C01﹣20《分包单位资格报审表》C01﹣21《工程材料构配件设备供应单位资格报审表》C01﹣22《试验单位资格报审表》C01﹣23《工程材料构配件设备报审表》C01﹣24《主要施工机械、设备报审表》C01﹣25《施工测量放线报验表》C01﹣26《检验批、分项、子分部(分部)工程质量报验表》C01﹣27《建筑施工安全检查报验表》C01﹣28《工程质量安全问题(事故)报告》C01﹣29《工程质量安全问题(事故)技术处理方案报审表》C01﹣30《监理工程师通知回复单》C01﹣31《工程竣工报验单》C01﹣32《______报验申请表》C01﹣33《工程开工报审表》C01﹣34《工程临时最终延期申请表》C01﹣35《工程复工报审表》C01﹣36《施工进度计划报审表》C01﹣37《工程变更、洽商费用报审表》C01﹣38《费用索赔申请表》C01﹣39《工程款支付申请表》C01﹣40《单位工程(工程项目)竣工报告》C02﹣1《材料、构配件进场验收记录》C02﹣2《设备开箱检验记录表》C02﹣3《钢材力学、工艺性能检测复试报告》C02﹣4《钢筋焊接复试检测报告》C02﹣5《水泥物理力学性能检测报告》C02﹣6《建筑用砂检测报告》C02﹣7《建筑用碎(卵)石检测报告》C02﹣8《混凝土外加剂试验报告》C02﹣9《粉煤灰试验报告》C02﹣10《轻骨料试验报告》C02﹣11《烧结普通砖强度检测报告》C02﹣12《烧结多孔砖强度检测报告》C02﹣13《烧结空心砖和空心砌块抗压强度检测报告》C02﹣14《混凝土普通砖强度检测报告》C02﹣15《混凝土多孔砖强度检测报告》C02﹣16《混凝土小型空心砌块抗压强度检测报告》C02﹣17《预应力钢绞线复试报告》C02﹣18《建筑防水涂料物理性能复试报告》C02﹣19《防水卷材物理性能复试报告》C02﹣20《高分子防水卷材物理性能复试报告》C02﹣21《焊条、焊剂试验报告》C02﹣22《基坑支护变形监测记录》C02﹣23《地基验槽记录》C02﹣24《地基处理记录》C02﹣25《地基钎探记录》C02﹣26《灌注桩基施工记录》C02﹣27《人工挖孔桩施工记录》C02﹣28《钻孔施工记录表》C02﹣29《钻孔灌注桩清孔记录表》C02﹣30《灌注桩施工记录表》C02﹣31《扩头灌注桩施工记录表》C02﹣32《钻孔灌注桩水下混凝土灌注记录表》C02﹣33《振动灌注桩施工记录表》C02﹣34《高压喷射注浆地基施工记录》C02﹣35《深层水泥搅拌桩施工记录》C02﹣36《重锤夯实施工记录》C02﹣37《重锤夯实试夯记录》C02﹣38《强夯施工记录表》C02﹣39《强夯原始记录》C02﹣40《振冲地基施工记录》C02﹣41《锤击钢筋混凝土预制桩施工记录》C02﹣42《静压预应力管桩(预制桩)施工记录》C02﹣43《试打桩记录》C02﹣44《桩基工程质量验收记录》C02﹣45《混凝土浇灌申请书》C02﹣46《预拌混凝土运输单》C02﹣47《预拌混凝土现场坍落度测试记录》C02﹣48《混凝土开盘鉴定》C02﹣49《混凝土施工记录》C02﹣50﹣1《大体积混凝土测温记录》C02﹣50《混凝土养护测温记录》C02﹣51《混凝土拆模申请表》C02﹣52《结构吊装记录》C02﹣53《地下工程防水效果检查记录》C02﹣54﹣1《预应力筋张拉记录(二)》C02﹣54《预应力筋张拉记录(一)》C02﹣55《有粘结预应力灌浆记录》C02﹣56﹣1《钢结构高强度螺栓连接施工记录》C02﹣56《钢结构安装施工记录》C02﹣57《网架(索膜)施工记录》C02﹣58《幕墙注胶检查记录》C02﹣59《锚杆、土钉抗拔力试验报告》C02﹣60《地基承载力试验报告》C02﹣61《单桩竖向抗压静载检测报告》C02﹣62《单桩竖向抗压静载试验报告》C02﹣63《单桩水平静载检测报告》C02﹣64《单桩水平静载试验报告》C02﹣65《单桩竖向抗拔静载检测报告》C02﹣66《钻芯法检测现场操作记录》C02﹣67《钻芯法检测芯样综合柱状图》C02﹣68《基桩低应变法检测报告》C02﹣69《基桩高应变法检测报告》C02﹣70《基桩高应变法检测现场记录》C02﹣71《土工击实试验报告》C02﹣72《回填土试验报告》C02﹣73《砂浆配合比试验通知单》C02﹣74《砌筑砂浆强度检测报告》C02﹣75《砌筑砂浆试块强度统计、评定记录》C02﹣76《混凝土配合比试验通知单》C02﹣77《混凝土试块抗压强度检测报告》C02﹣78《混凝土试块抗折强度检测报告》C02﹣79《混凝土试块抗渗检测报告》C02﹣80﹣1《结构实体同条件养护、混凝土试块强度统计、评定记录》C02﹣80《混凝土试块强度统计、评定记录》C02﹣81《结构混凝土实体钢筋保护层厚度检测报告》C02﹣82《混凝土芯样检测报告》C02﹣83《混凝土回弹检测报告》C02﹣84《现浇混凝土楼板厚度检测报告》C02﹣85《现浇结构楼层标高检测报告》C02﹣86《现浇结构轴线位置检测报告》C02﹣87《植筋抗拉拔检测报告》C02﹣88《钢筋混凝土实体结构检测报告》C02﹣89《钢结构焊缝超声波检测报告》C02﹣90《金属表面磁粉探伤检测报告》C02﹣91《高强度螺栓连接副预拉力检测报告》C02﹣92《螺栓连接副拉力荷载检测报告》C02﹣93《螺栓连接副施工扭矩检测报告》C02﹣94《高强度大六角螺栓连接副扭矩系数检测报告》C02﹣95《高强度螺栓连接摩擦面抗滑移系数检测报告》C02﹣96《高强度螺栓表面硬度检测报告》C02﹣97《钢网架球节点螺栓螺纹拉力荷载检测报告》C02﹣98《钢网架球节点杆件拉力荷载检测报告》C02﹣99《钢结构焊钉弯曲试验报告》C02﹣100《钢结构主体结构整体垂直度检测报告》C02﹣101《钢结构主体结构整体平面弯曲检测报告》C02﹣102《钢结构涂层厚度检测报告》C02﹣103《砂浆和砌体强度原位检测报告》C02﹣104《砌筑砂浆贯入法检测报告》C02﹣105《防水工程试水检查记录》C02﹣106《检测报告(外窗三性)》C02﹣107《烟道、风道、垃圾道检查记录》C02﹣108《外墙饰面砖粘结强度试验报告》C02﹣109《室内空气质量检测报告》C02﹣110《土壤氡浓度检测报告》C02﹣111《溶剂型涂料环境指标检测报告》C02﹣112《溶剂型胶粘剂环境指标检测报告》C02﹣113《水性涂料环境指标检测报告》C02﹣114《水性胶粘剂环境指标检测报告》C02﹣115《水性处理剂环境指标检测报告》C02﹣116《人造板游离甲醛含量检测报告(环境测试舱法)》C02﹣117《人造板游离甲醛含量检测报告(穿孔法)》C02﹣118《饰面人造板、人造板游离甲醛含量检测报告(干燥器法)》C02﹣119《建筑材料放射性核素限量检测报告》C02﹣120《绝热制品物理性能检测报告》C02﹣121《脚手架用钢管力学、工艺性能及外径和壁厚检测报告》C02﹣122《钢管脚手架扣件检测报告》C02﹣123《______检验批质量验收记录》C02﹣124《______分项工程质量验收记录》C02﹣125《______分部(子分部)工程验收记录》C02﹣126《单位(子单位)工程质量竣工验收记录》C02﹣127《单位(子单位)工程质量控制资料核查记录》C02﹣128《单位(子单位)工程安全和功能检验资料核查及主要功能抽查记录》C02﹣129《单位(子单位)工程观感质量检查记录》C03﹣1《排水管道灌水(通水)试验记录》C03﹣2《给水管道通水试验记录》C03﹣3《卫生器具满水、通水试验记录》C03﹣4《管道(设备)强度(严密性)试验记录》C03﹣6《排水管道通球试验记录》C03﹣7《室内消火栓试射试验记录》C03﹣8《补偿器预拉伸(预压缩)记录》C03﹣9《水泵试运转记录》C03﹣10《锅炉烘炉、煮炉和试运行记录》C03﹣11《采暖系统试运行调试记录》C03﹣12《锅炉报警及连锁保护装置试验记录》C04﹣1《高压电气设备及布线系统交接试验记录》C04﹣2《低压电气动力设备试运行记录》C04﹣3《双电源自动切换试验记录》C04﹣4《漏电保护器模拟动作试验记录》C04﹣5《电气接地电阻测试记录》C04﹣6《电气接地装置隐蔽记录》C04﹣7《线路绝缘电阻测试记录》C04﹣8《电缆敷设绝缘电阻测试记录》C04﹣9《线路、插座、开关接线检查记录》C04﹣10《建筑物照明全负荷通电试运行记录》C04﹣11《大型照明灯具吊环承载力试验记录》C04﹣12《漏电开关模拟试验记录》C04﹣13《大容量电器线路结点温度测量记录》C05﹣1《风管漏光检测记录》C05﹣3《洁净室测试记录》C05﹣4《现场组装除尘器、空调机漏风检测记录》C05﹣5《风机试运转记录》C05﹣6《房间室内风量温度测量记录》C05﹣7《管网风量平衡调试记录》C05﹣8《管道(设备)强度、严密性试验记录》C05﹣9《管道(设备)吹污冲洗试验记录》C05﹣10《管道(设备)真空试验记录》C05﹣11《空调制冷系统试运转调试记录》C05﹣12《空调水系统试运转调试记录》C05﹣13《制冷系统气密性试验记录》C05﹣14《防排烟系统联合试运行记录》C05﹣15《氨制冷剂系统、燃气管道焊缝检查记录》C05﹣16《阀门强度和严密性试验记录》C05﹣17《水泵试运转记录》C05﹣18《绝热材料点燃试验记录》C05﹣19《制冷机组、单元式空调机组试运转记录》C05﹣20《通风空调系统无生产负荷联合试运转记录》C06﹣1《电梯机房、井道建筑、安装交接检记录》C06﹣2《自动扶梯、自动人行道建筑安装交接检记录》C06﹣3《电梯承重梁、起重吊环埋设检查记录》C06﹣4《轿厢平层准确度测量记录》C06﹣5《电梯层门安全装置检验记录》C06﹣6《电梯噪声测试记录》C06﹣7﹣1《电梯运行试验曲线图》C06﹣7《电梯运行试验记录》C06﹣8《自动扶梯、自动人行道整机运行试验记录》C06﹣9《电梯验收整体功能检验记录》C06﹣10《自动扶梯、自动人行道验收整体功能检验记录》C07﹣3《智能系统工序交接检查记录表》C07﹣4《智能系统施工现场质量管理检查记录表》C07﹣5《智能系统隐蔽工程(随工检查)记录》C07﹣6《智能系统工程安装观感功能验收记录》C07﹣7《智能系统试运行记录》C07﹣8《智能系统分项工程质量检测记录表》C07﹣9《智能系统子系统检测记录表》C07﹣10《智能系统强制性条文检测记录表》C07﹣11《智能系统(分部工程)检测汇总表》C07﹣12《智能系统竣工验收汇总》C07﹣13《火灾自动报警系统调试记录表》C07﹣14《火灾自动报警系统竣工验收记录表》C07﹣15《火灾自动报警系统运行日登记表》C08﹣1《宁波市建筑工程质量监督登记表》C08﹣2《建设单位质量行为监督检查记录表》C08﹣3《勘察设计单位质量行为监督检查记录表》C08﹣4《施工单位质量行为监督检查记录表》C08﹣5《监理单位质量行为监督检查记录表》C08﹣6《检测单位质量行为监督检查记录表》C08﹣7《地基与基础工程质量监督检查记录表》C08﹣8《主体结构 1. 混凝土结构工程质量监督检查记录表》C08﹣9《主体结构 2. 砌体结构工程质量监督检查记录表》C08﹣10《主体结构 3. 钢结构工程监督检查记录表》C08﹣11《给水、排水及采暖工程质量监督检查记录表》C08﹣12《电气工程质量监督检查记录表》C08﹣13《通风、空调工程质量监督检查记录表》C08﹣14《电梯工程质量监督检查记录表》C08﹣15《智能建筑工程质量监督检查记录表》C08﹣16《建筑装饰装修工程质量监督检查记录表》C08﹣17《使用功能和室内环境质量监督检查记录表》C08﹣18《建筑屋面工程质量监督检查记录表》C08﹣19《监督抽样检测记录表》C08﹣20《建筑工程质量整改通知书》C08﹣21《建筑工程质量监督检查记录》C08﹣22《建筑工程项目质量问题(事故)报告表》C08﹣23《建筑工程质量问题(事故)整改报告表》C08﹣24《工程竣工验收监督记录表》C08﹣25《工程项目违反强制性条文登记台账》C08﹣26《参建各方和有关机构不良行为记录台账》C08﹣27《监督执法处罚台账》C08﹣28《工程质量投诉受理、处理台账》甬统表A06-1工程项目概况表编号:本表由建设单位填写并保存。
压力管道管理规定第一章总则第一条为了加强我公司压力管道的管理,确保压力管道的安全运行,根据《特种设备安全监察条例》(国务院令第373号)和《压力管道使用登记管理规则》(2009版)结合我公司实际情况,制定本规定。
第二条本规定中所称压力管道,是指利用一定的压力,用于输送气体或者液体的管状设备,其范围规定为最高工作压力大于或者等于0.1MPa(表压)的气体、液化气体、蒸汽介质或者可燃、易爆、有毒、有腐蚀性、最高工作温度高于或者等于标准沸点的液体介质,且公称直径大于25mm的管道。
第三条压力管道按其用途划分为长输管道(GA类)、公用管道(GB类)和工业管道(GC类)。
第四条本规定管理范围内的工业管道《在用工业管道定期检验规程(试行)》(国质检锅[2003]108号),可划分为GC1级、GC2级和GC3级。
(一)符合下列条件之一的工业管道,为GC1级:1、输送现行国家标准《职业接触毒物危害程度分级》(GB5044)中规定毒性程度为极度危害介质的管道。
2、输送现行国家标准《石油化工企业设计防火规范》(GB50160)和《建筑防火规范》(GBJ16)中规定的火灾危险性为甲、乙类可燃气体或甲类可燃液体,并且设计压力≥4.0MPa的管道。
3、输送可燃流体介质、有毒流体介质,设计压力≥4.0MPa,并且设计温度≥400℃的管道。
4、输送流体介质并且设计压力≥10.0MPa的管道。
(二)符合下列条件之一的工业管道,为GC2级:1、输送现行国家标准《石油化工企业设计防火规范》(GB50160)和《建筑防火规范》(GBJ16)中规定的火灾危险性为甲、乙类可燃气体或甲类可燃液体,并且设计压力<4.0MPa的管道。
2、输送可燃流体介质、有毒流体介质,设计压力<4.0MPa,并且设计温度≥400℃的管道。
3、输送非可燃流体介质、无毒流体介质,设计压力<10.0MPa,并且设计温度≥400℃的管道。
4、输送流体介质,设计压力<10.0MPA,并且设计温度<400℃的管道。
电气设备安装工程实体质量检查表
综合评价:意见和建议(工程亮点、存在问题、改正方法、提高方向、评价等级)
检查人年月日注:评价为六个等级,A、B、C、D、E、F (上好、好、较好、良好受控、受控、基本受控)
电气设备安装工程资料检查表
工程名称:施工单位:
综合评价:意见和建议(工程亮点、存在问题、改正方法、提高方向、评价等级)
检查人
年月日
注:评价为六个等级,A、B、C、D、E、F (上好、好、较好、良好受控、受控、基本受控)
表3-1(设)
水暖通设备安装工程实体质量检查表
工程名称:施工单位:
检查人
年月日注:评价为六个等级,A、B、C、D、E、F (上好、好、较好、良好受控、受控、基本受控)
工程名称:施工单位:
工程名称:施工单位:
综合评价:意见和建议(工程亮点、存在问题、改正方法、提高方向、评价等级)
检查人
年月日注:评价为六个等级,A、B、C、D、E、F (上好、好、较好、良好受控、受控、基本受控)。
水电全套资料表格甬统表C03-1排水管道灌水(通水)试验记录本表由施工单位填写并保存。
甬统表C03-2给水管道通水试验记录本表由施工单位填写并保存。
甬统表C03-3卫生器具满水、通水试验记录工程名称: 编号:本表由施工单位填写并保存。
甬统表C03-4管道(设备)强度(严密性)试验记录工程名称: 编号:本表由施工单位填写并保存。
甬统表C03-5管道系统冲洗记录工程名称: 编号:本表由施工单位填写并保存。
甬统表C03-6排水管道通球试验记录工程名称: 编号:本表由施工单位填写并保存。
甬统表C03-7室编号:本表由施工单位填写并保存。
甬统表C03-8补偿器预拉伸(预压缩)记录甬统表C03-9水泵试运转记录甬统表C03-10锅炉烘炉、煮炉和试运行记录甬统表C03-11采暖系统试运行调试记录甬统表C03-12锅炉报警及连锁保护装置试验记录甬统表C04-1高压电气设备及布线系统交接试验记录甬统表C04-2低压电气动力设备试运行记录甬统表C04-3双电源自动切换试验记录甬统表C04-4漏电保护器模拟动作试验记录甬统表C04-5电气接地电阻测试记录工程名称: 编号:本表由施工单位填写并保存。
甬统表C04-6电气接地装置隐蔽记录工程名称: 编号:本表由施工单位填写并保存。
甬统表C04-7线路绝缘电阻测试记录工程名称: 编号:本表由施工单位填写并保存。
甬统表C04-8电缆敷设绝缘电阻测试记录工程名称: 编号:本表由施工单位填写并保存。
甬统表C04-9线路、插座、开关接线检查记录工程名称: 编号:本表由施工单位填写并保存。
甬统表C04-10建筑物照明全负荷通电试运行记录工程名称: 编号:本表由施工单位填写并保存。
甬统表C04-11大型照明灯具吊环承载力试验记录甬统表C04-12漏电开关模拟试验记录工程名称: 编号:甬统表C04-13大容量电器线路结点温度测量记录工程名称: 编号:本表由施工单位填写并保存。
甬统表C05-1风管漏光检测记录工程名称: 编号:甬统表C05-2风管漏风检测记录工程名称: 编号:甬统表C05-3洁净室测试记录工程名称: 编号:甬统表C05-4现场组装除尘器、空调机漏风检测记录工程名称: 编号:本表由施工单位填写并保存。
一、热力管道补偿器预拉伸施工技术现有热力管道预拉,一般在管道补偿胀力两侧采用锚点、倒链进行预拉达到预拉值,当条件限制,锚点无法设置时,预拉工作比较困难;而且在补偿胀力两侧预拉需要两组人同时作业,人力投入多,拉力容易跑偏不均匀。
本技术可以节约人力,而且能使热力管道补偿器的两臂受力均匀。
本技术方案包括如下步骤:(一)取两个千斤顶,分别在两个千斤顶的顶杆上焊接一根撑杆,取两个圆弧形瓦块,瓦块的圆弧所在圆的直径在与热力管道补偿器外壁所在圆的直径一致;(二)分别在撑杆的另一端焊接上一个圆弧形瓦块,并保持焊接点位于瓦块的中心,焊接点位于瓦块的凸面上;(三)将焊接好的两个千斤顶的底部相互背对并接触,放入热力管道补偿器的两臂之间,并同时操作两个千斤顶,使两端的瓦块充分贴合热力管道补偿器的管壁,并保持两个千斤顶本体不发生位移;(四)同时操作两个千斤顶,使撑杆撑起热力管道补偿器的两臂,当热力管道补偿器的与热力管道之间的间隙距离等于预拉值时,停止操作千斤顶,并保持千斤顶不动;(五)将热力管道补偿器与热力管道焊接起来;(六)撤销两个千斤顶。
在将两个千斤顶放入热力管道补偿器两臂之间前,在热力管道补偿器两臂之间先焊接一个用于支撑千斤顶的固定支架,该固定支架与地面固定。
将两个千斤顶放在热力管道补偿器的两臂之间,利用千斤顶的顶力使热力管道补偿器的两臂撑开,达到热力管道补偿器的预拉值即可,该方法只需一人同时操作即可,节约的人力,并且将撑杆连接到瓦块的中心,使瓦块受到千斤顶的顶力均匀分散到热力管道补偿器的两臂上,避免了热力管道补偿器跑偏位移。
二、泥水平衡钢管顶管注浆孔翼环结构及施工工艺泥水平衡顶管是一种以全断面切削土体,以泥水压力来平衡土压力和地下水压力,又以泥水作为输送弃土介质的机械自动化顶管施工法。
泥水平衡顶管系统主要由顶管机头、地面操作台及其他辅助设备组成,机头内部有PLC控制箱,地面操作台队机头给出动作信号控制机头的动作。
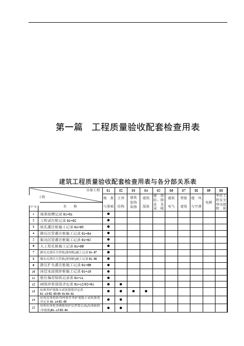
第一篇工程质量验收配套检查用表建筑工程质量验收配套检查用表与各分部关系表注:本表有 ●符号者为该分部工程所含的分项工程。
第一章 地基与基础分部地 基 验 槽 记 录编号:01-01 □□□《建筑地基基础施工质量验收规范》GB50202 20023 基本规定3.0.1地基基础工程施工前,必须具备完备的地质勘察资料及工程附近管线、建筑物、构筑物和其他公共设施的构造情况,必要时应作施工勘察和调查以确保工程质量及临近建筑的安全。
施工勘察要点详见附录A。
附录A 地基与基础施工勘察要点A.1 一般规定A.1.1所有建(构)筑物均应进行施工验槽。
遇到下列情况之一时,应进行专门的施工勘察。
1、工程地质条件复杂,详勘阶段难以查清时;2、开挖基槽发现土质、土层结构与勘察资料不符时;3、施工中边坡失稳,需查明原因,进行观察处理时;4、施工中,地基土受扰动,需查明其性状及工程性质时;5、为地基处理,需进一步提供勘察资料时;6、建(构)筑物有特殊要求,或在施工时出现新的岩土工程地质问题时。
A.1.2施工勘察应针对需要解决的岩土工程问题布置工作量,勘察方法可根据具体情况选用施工验槽、钻探取样和原位测试等。
A.2 天然地基基础基槽检验要点A.2.1基槽开挖后,应检验下列内容:1、核对基坑的位置、平面尺寸、坑底标高;2、核对基坑土质和地下水情况;3、空穴、古墓、古井、防空掩体及地下埋设物的位置、深度、性状。
A.2.2在进行直接观察时,可用袖珍式贯入仪作为辅助手段。
A.2.3遇到下列情况之一时,应在基坑底普遍进行轻型动力触探:1、持力层明显不均匀;2、浅部有软弱下卧层;3、有浅埋的坑穴、古墓、古井等,直接观察难以发现时;4、勘察报告或设计文件规定应进行轻型动力触探时。
A.2.4采用轻型动力触探进行基槽检验时,检验深度及间距按表A.2.4执行:A.2.5遇到下列情况之一时,可不进行轻型动力触探:1、基坑不深处有承压水层,触探可造成冒水涌砂时;2、持力层为砾石层或卵石层,且其厚度符合设计要求时。
热力管道安装及补偿器的预拉伸【摘要】随着国家不断加大对能源领域的投资力度,全国各地不断上马的大型化工项目越来越多,我单位在国内外承接了煤化工、石油化工等领域的多个大型化工项目,其中有装置工程也有系统管廊工程。
系统管廊工程在整个化工项目中主要负责各装置间物料介质及公用工程介质的传送。
输送蒸汽等高温媒介的管道通常被称作热力管道,热力管道内的媒介温度一般都比较高,最低的操作温度也能达到200℃,开车运行后会引起管道的热膨胀。
管内媒介的温度越高,管道的热膨胀量就越大,热位移就越大。
因此,热力管道的施工要求往往比较严格。
那么施工单位如何才能以超高的水平完成热力管道的施工,一是要理解和掌握热力管道安装中应注意的问题,采取措施解决好施工技术要求;二是要充分考虑热力管道的热膨胀因素,依据设计文件和施工规范对热力管道上的补偿装置进行安装和预拉伸。
【关键词】热力管道安装补偿器预拉伸1 热力管道安装应注意哪些问题(1)热力管道在预制时,要充分考虑预制管段的预留位置和预制管段的吊装措施,热力管道上的放净、放空开孔均应在地面预制时完成。
管线在吊装之前应完成管托的安装,预留焊口位置不得刷油。
由于热力管道对管内清洁度要求较高,所以上管前作业组需利用吊车将管段倾斜45~60度左右用木方轻轻敲打一端管口,使管内杂物尘土等倒出,对特殊管道的重要部位用抹布进行清理,且对接焊缝底层采用氩弧焊打底。
(2)热力管道的支架必须严格按照设计规定的位置进行安装,两个膨胀节之间必须设置一个固定支架,固定支架应焊接牢固。
导向支架或滑动支架的滑动面应洁净平整,不得有歪斜和卡涩现象,滑动底板和钢结构之间要焊死,防止底板发生位移;导向支架或滑动支架的安装位置应从支撑面中心向位移反方向偏移,偏移量应为位移值的1/2。
(3)蒸汽热力管道安装时的坡度值应符合设计要求,当设计未规定时,取0.002~0.003之间,坡度应流向管道的疏水点。
(4)蒸汽系统管道应在低点加置放净阀或疏水阀,吹扫时应对所有的疏水器性能进行检验,疏水器的疏水性能应良好。
补偿器技术条件符合性本工程适用性及安装要求第一节补偿器安装要求<1.1>有补偿器装置的管段,在补偿器安装前,管道和固定支架之间不得进行固定。
<1.2>L形,Z形,Ⅱ形补偿器一般在施工现场制作,制作应采用优质碳素钢无缝钢管。
通常Ⅱ形补偿器应水平安装,平行臂应与管线坡度及坡向相同,垂直臂应星水平。
垂直安装时,不得在弯瞥上开孔安装放风管和排水管。
<1.3>在直管段中设置补偿器的最大距离和补偿器弯头的弯曲半径应符合设计要求。
在靠近补偿器的两端,至少应各设有一个导向支架,保证运行时自由伸缩,不偏离中心。
<1.4>做好施工准备,可以保证安装工作有计划、有步骤地进行,减少施工中的混乱,对实现均衡施工,缩短工期,确保工程质量和安全生产,将起到重要作用。
<1.5>熟悉和审查图纸资料,在施工前解决好图纸资料方面存在的问题。
做法是各专业施工人员(包括管道、电气、通风和机械设备安装)在熟悉图纸资料了解设计意图的基础上,从施工角度各自提出图纸资料存在的问题,一式两份,分别报送建设单位和设计单位,最后由建设单位召开多方图纸会审会议,逐一解决提出的所有问题。
<1.6>根据合同工期和建设单位要求,结合现场条件、设备材料准备情况以及土建进度计划,编制设备安装进度网络计划。
<1.7>提出预制加工件,绘制加工图,事先安排预制加工。
包括通风管、给排水管、暖气管、消防喷淋管道、支吊架、非标准构件和非标准设备的预制加工。
<1.8>明确安装技术要求和执行的施工验收规范、标准。
<1.9>确定施工力量,层层进行技术交底,使广大施工人员心中有底。
第二节补偿器安装通用工艺1.适用范围。
本工艺适用于燃气管道、热力管道和工业管道补偿器的安装。
2.引用标准。
SY0401—98S《输油输气管道线路工程施工及验收规范》CJJ28—2004《城镇供热管网工程施工及验收规范》GB50235—97《工业金属管道工程施工及验收规范》3.补偿器安装前的检验补偿器安装前,须检验下列项目:3.1使用的补偿器是否符合国家现行相关标准的规定。
建设工程单位工程资料管理工程竣工验收及备案资料1. 甬统表A06﹣1《工程项目概况表》2. 甬统表A06﹣2《工程材料、设备试验报告(由建设单位负责部分)汇总表》3. 甬统表A06﹣3《单位(子单位)工程质量竣工验收记录》工程资料移交资料1. 甬统表A08﹣1《工程资料》封面2. 甬统表A08﹣2《工程资料卷内目录(总目录)》3. 甬统表A08﹣3《分项目录(主要材料、设备材料)》4. 甬统表A08﹣4《分项目录(施工记录资料)》5. 甬统表A08﹣5《混凝土(砂浆)抗压强度报告目录》6. 甬统表A08﹣6《施工试验及检测资料目录》7. 甬统表A08﹣7《工程安全和功能检测资料目录》8. 甬统表A08﹣8《工程资料备考表》9. 甬统表A08﹣9《工程资料移交书》10. 甬统表A08﹣10《工程资料移交目录》11. 甬统表A08﹣11《城市建设档案》封面12. 甬统表A08﹣12《城建档案卷内目录(总目录)》13. 甬统表A08﹣13《城建档案案卷审核备考表》14. 甬统表A08﹣14《城市建设档案移交目录》15. 甬统表A08﹣15《城市建设档案移交书》监理单位工程资料管理监理日常管理资料的管理1. 甬统表B01﹣1《项目监理机构组建报告》2. 甬统表B01﹣2《总监理工程师授权书》3. 甬统表B01﹣3《专业监理工程师授权书》4. 甬统表B01﹣4《总监理工程师更换通知》5. 甬统表B01﹣5《监理月报》6. 甬统表B01﹣10《会议纪要》7. 甬统表B01﹣6《监理工程师通知单》8. 甬统表B01﹣9《监理工作联系单》9. 甬统表B01﹣11《工程变更单》10. 甬统表B01﹣13《监理工作总结报告》11. 甬统表B01﹣12《工程竣工移交证书》12. 甬统表B01﹣8《工程监理档案移交目录》13. 甬统表B01﹣7《工程监理档案》甬统表B01﹣7﹣1《工程监理档案卷内目录》甬统表B01﹣7﹣2《工程监理档案卷内备考表》监理工程质量控制资料管理1. 甬统表B02﹣1《工程暂停令》2. 甬统表B02﹣2《监理抽查记录表》3. 甬统表B02﹣3《不合格项处置记录表》4. 甬统表B02﹣4《监理日记》5. 甬统表B02﹣5《旁站监理记录》6. 甬统表B02﹣6《平行检验监理记录(通用)》7. 甬统表B02﹣7《沉管灌注桩施工旁站监理记录附表》8. 甬统表B02﹣8《锤击静压桩施工旁站监理记录附表》9. 甬统表B02﹣9《钻孔灌注桩成孔旁站监理记录附表》10. 甬统表B02﹣10《钻孔灌注桩混凝土灌注旁站监理记录附表》11. 甬统表B02﹣11《混凝土强度回弹平行检验监理记录》12. 甬统表B02﹣12《钢管承重支模系统平行检验监理记录》13. 甬统表B02﹣13《工程材料/构配件/设备报审台账》14. 甬统表B02﹣14《施工试验报审台账》15. 甬统表B02﹣15《工程验收汇总台账》16. 甬统表B02﹣16《工程质量评估报告》监理工程进度造价控制资料管理1. 甬统表B03﹣1《工程款支付证书》2. 甬统表B03﹣2《费用索赔审批书》3. 甬统表B03﹣3《工程临时延期审批表》4. 甬统表B03﹣4《工程最终延期审批表》施工资料管理施工技术管理资料的管理1. 甬统表C01﹣1《工程概况表》2. 甬统表C01﹣2《施工现场质量管理检查记录》3. 甬统表C01﹣3《技术交底记录》4. 甬统表C01﹣4《图纸会审记录》5. 甬统表C01﹣5《设计变更通知单》6. 甬统表C01﹣6《工程洽商记录》7. 甬统表C01﹣7《见证取样送检记录》8. 甬统表C01﹣8《施工日志》9. 甬统表C01﹣9《工程定位测量记录》10. 甬统表C01﹣10《基槽验线记录》11. 甬统表C01﹣11《楼层平面放线记录》12. 甬统表C01﹣12《工程沉降测观记录》13. 甬统表C01﹣13《工序质量检查表(施工检查记录)》14. 甬统表C01﹣14《隐蔽工程验收记录》15. 甬统表C01﹣15《交接检记录》16. 甬统表C01﹣16《预检记录》17. 甬统表C01﹣17《楼层标高抄测记录》18. 甬统表C01﹣18《建筑物标高、垂直度(全高)测量记录》19. 甬统表C01﹣19《施工组织设计(方案)报审表》20. 甬统表C01﹣20《分包单位资格报审表》21. 甬统表C01﹣21《工程材料/构配件/设备供应单位资格报审表》22. 甬统表C01﹣22《试验单位资格报审表》23. 甬统表C01﹣23《工程材料/构配件/设备报审表》24. 甬统表C01﹣24《主要施工机械、设备报审表》25. 甬统表C01﹣25《施工测量放线报验表》26. 甬统表C01﹣26《检验批、分项、子分部(分部)工程质量报验表》27. 甬统表C01﹣27《建筑施工安全检查报验表》28. 甬统表C01﹣28《工程质量/安全问题(事故)报告》29. 甬统表C01﹣29《工程质量/安全问题(事故)技术处理方案报审表》30. 甬统表C01﹣30《监理工程师通知回复单》31. 甬统表C01﹣31《工程竣工报验单》32. 甬统表C01﹣32《报验申请表》33. 甬统表C01﹣33《工程开工报审表》34. 甬统表C01﹣34《工程临时/最终延期申请表》35. 甬统表C01﹣35《工程复工报审表》36. 甬统表C01﹣36《施工进度计划报审表》37. 甬统表C01﹣37《工程变更、洽商费用报审表》38. 甬统表C01﹣38《费用索赔申请表》39. 甬统表C01﹣39《工程款支付申请表》40. 甬统表C01﹣40《单位工程(工程项目)竣工报告》建筑与结构工程资料的管理1. 甬统表C02﹣1《材料、构配件进场验收记录》2. 甬统表C02﹣2《设备开箱检验记录表》3. 甬统表C02﹣3《钢材力学、工艺性能检测复试报告》4. 甬统表C02﹣4《钢筋焊接复试检测报告》5. 甬统表C02﹣5《水泥物理力学性能检测报告》6. 甬统表C02﹣6《建筑用砂检测报告》7. 甬统表C02﹣7《建筑用碎(卵)石检测报告》8. 甬统表C02﹣8《混凝土外加剂试验报告》9. 甬统表C02﹣9《粉煤灰试验报告》10. 甬统表C02﹣10《轻骨料试验报告》11. 甬统表C02﹣11《烧结普通砖强度检测报告》12. 甬统表C02﹣12《烧结多孔砖强度检测报告》13. 甬统表C02﹣13《烧结空心砖和空心砌块抗压强度检测报告》14. 甬统表C02﹣14《混凝土普通砖强度检测报告》15. 甬统表C02﹣15《混凝土多孔砖强度检测报告》16. 甬统表C02﹣16《混凝土小型空心砌块抗压强度检测报告》17. 甬统表C02﹣17《预应力钢绞线复试报告》18. 甬统表C02﹣18《建筑防水涂料物理性能复试报告》19. 甬统表C02﹣19《防水卷材物理性能复试报告》20. 甬统表C02﹣20《高分子防水卷材物理性能复试报告》21. 甬统表C02﹣21《焊条、焊剂试验报告》22. 甬统表C02﹣22《基坑支护变形监测记录》23. 甬统表C02﹣23《地基验槽记录》24. 甬统表C02﹣24《地基处理记录》25. 甬统表C02﹣25《地基钎探记录》26. 甬统表C02﹣26《灌注桩基施工记录》27. 甬统表C02﹣27《人工挖孔桩施工记录》28. 甬统表C02﹣28《钻孔施工记录表》29. 甬统表C02﹣29《钻孔灌注桩清孔记录表》30. 甬统表C02﹣30《灌注桩施工记录表》31. 甬统表C02﹣31《扩头灌注桩施工记录表》32. 甬统表C02﹣32《钻孔灌注桩水下混凝土灌注记录表》33. 甬统表C02﹣33《振动灌注桩施工记录表》34. 甬统表C02﹣34《高压喷射注浆地基施工记录》35. 甬统表C02﹣35《深层水泥搅拌桩施工记录》36. 甬统表C02﹣36《重锤夯实施工记录》37. 甬统表C02﹣37《重锤夯实试夯记录》38. 甬统表C02﹣38《强夯施工记录表》39. 甬统表C02﹣39《强夯原始记录》40. 甬统表C02﹣40《振冲地基施工记录》41. 甬统表C02﹣41《锤击钢筋混凝土预制桩施工记录》42. 甬统表C02﹣42《静压预应力管桩(预制桩)施工记录》43. 甬统表C02﹣43《试打桩记录》44. 甬统表C02﹣44《桩基工程质量验收记录》45. 甬统表C02﹣45《混凝土浇灌申请书》46. 甬统表C02﹣46《预拌混凝土运输单》47. 甬统表C02﹣47《预拌混凝土现场坍落度测试记录》48. 甬统表C02﹣48《混凝土开盘鉴定》49. 甬统表C02﹣49《混凝土施工记录》50. 甬统表C02﹣50《混凝土养护测温记录》甬统表C02﹣50﹣1《大体积混凝土测温记录》51. 甬统表C02﹣51《混凝土拆模申请表》52. 甬统表C02﹣52《结构吊装记录》53. 甬统表C02﹣53《地下工程防水效果检查记录》54. 甬统表C02﹣54《预应力筋张拉记录(一)》甬统表C02﹣54﹣1《预应力筋张拉记录(二)》55. 甬统表C02﹣55《有粘结预应力灌浆记录》56. 甬统表C02﹣56《钢结构安装施工记录》甬统表C02﹣56﹣1《钢结构高强度螺栓连接施工记录》57. 甬统表C02﹣57《网架(索膜)施工记录》58. 甬统表C02﹣58《幕墙注胶检查记录》59. 甬统表C02﹣59《锚杆、土钉抗拔力试验报告》60. 甬统表C02﹣60《地基承载力试验报告》61. 甬统表C02﹣61《单桩竖向抗压静载检测报告》62. 甬统表C02﹣62《单桩竖向抗压静载试验报告》63. 甬统表C02﹣63《单桩水平静载检测报告》64. 甬统表C02﹣64《单桩水平静载试验报告》65. 甬统表C02﹣65《单桩竖向抗拔静载检测报告》66. 甬统表C02﹣66《钻芯法检测现场操作记录》67. 甬统表C02﹣67《钻芯法检测芯样综合柱状图》68. 甬统表C02﹣68《基桩低应变法检测报告》69. 甬统表C02﹣69《基桩高应变法检测报告》70. 甬统表C02﹣70《基桩高应变法检测现场记录》71. 甬统表C02﹣71《土工击实试验报告》72. 甬统表C02﹣72《回填土试验报告》73. 甬统表C02﹣73《砂浆配合比试验通知单》74. 甬统表C02﹣74《砌筑砂浆强度检测报告》75. 甬统表C02﹣75《砌筑砂浆试块强度统计、评定记录》76. 甬统表C02﹣76《混凝土配合比试验通知单》77. 甬统表C02﹣77《混凝土试块抗压强度检测报告》78. 甬统表C02﹣78《混凝土试块抗折强度检测报告》79. 甬统表C02﹣79《混凝土试块抗渗检测报告》80. 甬统表C02﹣80《混凝土试块强度统计、评定记录》甬统表C02﹣80﹣1《结构实体同条件养护、混凝土试块强度统计、评定记录》81. 甬统表C02﹣81《结构混凝土实体钢筋保护层厚度检测报告》82. 甬统表C02﹣82《混凝土芯样检测报告》83. 甬统表C02﹣83《混凝土回弹检测报告》84. 甬统表C02﹣84《现浇混凝土楼板厚度检测报告》85. 甬统表C02﹣85《现浇结构楼层标高检测报告》86. 甬统表C02﹣86《现浇结构轴线位置检测报告》87. 甬统表C02﹣87《植筋抗拉拔检测报告》88. 甬统表C02﹣88《钢筋混凝土实体结构检测报告》89. 甬统表C02﹣89《钢结构焊缝超声波检测报告》90. 甬统表C02﹣90《金属表面磁粉探伤检测报告》91. 甬统表C02﹣91《高强度螺栓连接副预拉力检测报告》92. 甬统表C02﹣92《螺栓连接副拉力荷载检测报告》93. 甬统表C02﹣93《螺栓连接副施工扭矩检测报告》94. 甬统表C02﹣94《高强度大六角螺栓连接副扭矩系数检测报告》95. 甬统表C02﹣95《高强度螺栓连接摩擦面抗滑移系数检测报告》96. 甬统表C02﹣96《高强度螺栓表面硬度检测报告》97. 甬统表C02﹣97《钢网架球节点螺栓螺纹拉力荷载检测报告》98. 甬统表C02﹣98《钢网架球节点杆件拉力荷载检测报告》99. 甬统表C02﹣99《钢结构焊钉弯曲试验报告》100. 甬统表C02﹣100《钢结构主体结构整体垂直度检测报告》101. 甬统表C02﹣101《钢结构主体结构整体平面弯曲检测报告》102. 甬统表C02﹣102《钢结构涂层厚度检测报告》103. 甬统表C02﹣103《砂浆和砌体强度原位检测报告》104. 甬统表C02﹣104《砌筑砂浆贯入法检测报告》105. 甬统表C02﹣105《防水工程试水检查记录》106. 甬统表C02﹣106《检测报告(外窗三性)》107. 甬统表C02﹣107《烟道、风道、垃圾道检查记录》108. 甬统表C02﹣108《外墙饰面砖粘结强度试验报告》109. 甬统表C02﹣109《室内空气质量检测报告》110. 甬统表C02﹣110《土壤氡浓度检测报告》111. 甬统表C02﹣111《溶剂型涂料环境指标检测报告》112. 甬统表C02﹣112《溶剂型胶粘剂环境指标检测报告》113. 甬统表C02﹣113《水性涂料环境指标检测报告》114. 甬统表C02﹣114《水性胶粘剂环境指标检测报告》115. 甬统表C02﹣115《水性处理剂环境指标检测报告》116. 甬统表C02﹣116《人造板游离甲醛含量检测报告(环境测试舱法)》117. 甬统表C02﹣117《人造板游离甲醛含量检测报告(穿孔法)》118. 甬统表C02﹣118《饰面人造板、人造板游离甲醛含量检测报告(干燥器法)》119. 甬统表C02﹣119《建筑材料放射性核素限量检测报告》120. 甬统表C02﹣120《绝热制品物理性能检测报告》121. 甬统表C02﹣121《脚手架用钢管力学、工艺性能及外径和壁厚检测报告》122. 甬统表C02﹣122《钢管脚手架扣件检测报告》123. 甬统表C02﹣123《检验批质量验收记录》124. 甬统表C02﹣124《分项工程质量验收记录》125. 甬统表C02﹣125《分部(子分部)工程验收记录》126. 甬统表C02﹣126《单位(子单位)工程质量竣工验收记录》127. 甬统表C02﹣127《单位(子单位)工程质量控制资料核查记录》128. 甬统表C02﹣128《单位(子单位)工程安全和功能检验资料核查及主要功能抽查记录》129. 甬统表C02﹣129《单位(子单位)工程观感质量检查记录》建筑给水排水及采暖工程资料管理1. 甬统表C03﹣1《排水管道灌水(通水)试验记录》2. 甬统表C03﹣2《给水管道通水试验记录》3. 甬统表C03﹣3《卫生器具满水、通水试验记录》4. 甬统表C03﹣4《管道(设备)强度(严密性)试验记录》5. 甬统表C03﹣5《管道系统冲洗记录》6. 甬统表C03﹣6《排水管道通球试验记录》7. 甬统表C03﹣7《室内消火栓试射试验记录》8. 甬统表C03﹣8《补偿器预拉伸(预压缩)记录》9. 甬统表C03﹣9《水泵试运转记录》10. 甬统表C03﹣10《锅炉烘炉、煮炉和试运行记录》11. 甬统表C03﹣11《采暖系统试运行调试记录》12. 甬统表C03﹣12《锅炉报警及连锁保护装置试验记录》电气安装工程资料管理1. 甬统表C04﹣1《高压电气设备及布线系统交接试验记录》2. 甬统表C04﹣2《低压电气动力设备试运行记录》3. 甬统表C04﹣3《双电源自动切换试验记录》4. 甬统表C04﹣4《漏电保护器模拟动作试验记录》5. 甬统表C04﹣12《漏电开关模拟试验记录》6. 甬统表C04﹣5《电气接地电阻测试记录》7. 甬统表C04﹣6《电气接地装置隐蔽记录》8. 甬统表C04﹣7《线路绝缘电阻测试记录》9. 甬统表C04﹣8《电缆敷设绝缘电阻测试记录》10. 甬统表C04﹣9《线路、插座、开关接线检查记录》11. 甬统表C04﹣10《建筑物照明全负荷通电试运行记录》12. 甬统表C04﹣11《大型照明灯具吊环承载力试验记录》13. 甬统表C04﹣13《大容量电器线路结点温度测量记录》通风与空调工程资料管理1. 甬统表C05﹣1《风管漏光检测记录》2. 甬统表C05﹣2《风管漏风检测记录》3. 甬统表C05﹣3《洁净室测试记录》4. 甬统表C05﹣4《现场组装除尘器、空调机漏风检测记录》5. 甬统表C05﹣5《风机试运转记录》6. 甬统表C05﹣6《房间室内风量温度测量记录》7. 甬统表C05﹣7《管网风量平衡调试记录》8. 甬统表C05﹣8《管道(设备)强度、严密性试验记录》9. 甬统表C05﹣9《管道(设备)吹污冲洗试验记录》10. 甬统表C05﹣10《管道(设备)真空试验记录》11. 甬统表C05﹣11《空调制冷系统试运转调试记录》12. 甬统表C05﹣12《空调水系统试运转调试记录》13. 甬统表C05﹣13《制冷系统气密性试验记录》14. 甬统表C05﹣14《防排烟系统联合试运行记录》15. 甬统表C05﹣15《氨制冷剂系统、燃气管道焊缝检查记录》16. 甬统表C05﹣16《阀门强度和严密性试验记录》17. 甬统表C05﹣17《水泵试运转记录》18. 甬统表C05﹣18《绝热材料点燃试验记录》19. 甬统表C05﹣19《制冷机组、单元式空调机组试运转记录》20. 甬统表C05﹣20《通风空调系统无生产负荷联合试运转记录》电梯安装工程资料管理1. 甬统表C06﹣1《电梯机房、井道建筑、安装交接检记录》2. 甬统表C06﹣2《自动扶梯、自动人行道建筑安装交接检记录》3. 甬统表C06﹣3《电梯承重梁、起重吊环埋设检查记录》4. 甬统表C06﹣4《轿厢平层准确度测量记录》5. 甬统表C06﹣5《电梯层门安全装置检验记录》6. 甬统表C06﹣6《电梯噪声测试记录》7. 甬统表C06﹣7《电梯运行试验记录》甬统表C06﹣7﹣1《电梯运行试验曲线图》8. 甬统表C06﹣8《自动扶梯、自动人行道整机运行试验记录》9. 甬统表C06﹣9《电梯验收整体功能检验记录》10. 甬统表C06﹣10《自动扶梯、自动人行道验收整体功能检验记录》智能建筑工程资料管理1. 甬统表C07﹣3《智能系统工序交接检查记录表》2. 甬统表C07﹣4《智能系统施工现场质量管理检查记录表》3. 甬统表C07﹣5《智能系统隐蔽工程(随工检查)记录》4. 甬统表C07﹣6《智能系统工程安装观感功能验收记录》5. 甬统表C07﹣7《智能系统试运行记录》6. 甬统表C07﹣8《智能系统分项工程质量检测记录表》7. 甬统表C07﹣9《智能系统子系统检测记录表》8. 甬统表C07﹣10《智能系统强制性条文检测记录表》9. 甬统表C07﹣11《智能系统(分部工程)检测汇总表》10. 甬统表C07﹣12《智能系统竣工验收汇总》11. 甬统表C07﹣13《火灾自动报警系统调试记录表》12. 甬统表C07﹣14《火灾自动报警系统竣工验收记录表》13. 甬统表C07﹣15《火灾自动报警系统运行日登记表》监督管理工程资料管理监督管理资料管理1. 甬统表C08﹣1《宁波市建筑工程质量监督登记表》2. 甬统表C08﹣20《建筑工程质量整改通知书》3. 甬统表C08﹣22《建筑工程项目质量问题(事故)报告表》4. 甬统表C08﹣23《建筑工程质量问题(事故)整改报告表》5. 甬统表C08﹣24《工程竣工验收监督记录表》质量行为监督检查记录资料管理1. 甬统表C08﹣2《建设单位质量行为监督检查记录表》2. 甬统表C08﹣3《勘察设计单位质量行为监督检查记录表》3. 甬统表C08﹣4《施工单位质量行为监督检查记录表》4. 甬统表C08﹣5《监理单位质量行为监督检查记录表》5. 甬统表C08﹣6《检测单位质量行为监督检查记录表》工程质量监督检查记录资料管理1. 甬统表C08﹣7《地基与基础工程质量监督检查记录表》2. 甬统表C08﹣8《主体结构 1. 混凝土结构工程质量监督检查记录表》3. 甬统表C08﹣9《主体结构 2. 砌体结构工程质量监督检查记录表》4. 甬统表C08﹣10《主体结构 3. 钢结构工程监督检查记录表》5. 甬统表C08﹣11《给水、排水及采暖工程质量监督检查记录表》6. 甬统表C08﹣12《电气工程质量监督检查记录表》7. 甬统表C08﹣13《通风、空调工程质量监督检查记录表》8. 甬统表C08﹣14《电梯工程质量监督检查记录表》9. 甬统表C08﹣15《智能建筑工程质量监督检查记录表》10. 甬统表C08﹣16《建筑装饰装修工程质量监督检查记录表》11. 甬统表C08﹣17《使用功能和室内环境质量监督检查记录表》12. 甬统表C08﹣18《建筑屋面工程质量监督检查记录表》13. 甬统表C08﹣19《监督抽样检测记录表》14. 甬统表C08﹣21《建筑工程质量监督检查记录》工程质量监督情况汇总分析资料1. 文本建筑工程质量监督报告2. 文本建筑工程质量监督档案3. 文本房屋建筑工程竣工验收备案表4. 甬统表C08﹣25《工程项目违反强制性条文登记台账》5. 甬统表C08﹣26《参建各方和有关机构不良行为记录台账》6. 甬统表C08﹣27《监督执法处罚台账》7. 甬统表C08﹣28《工程质量投诉受理、处理台账》文本房屋建筑工程竣工验收备案表工程名称:建设单位:公章年月日中华人民共和国建设部制房屋建筑工程竣工验收备案表文本编号:建筑工程质量监督报告工程名称:建筑工程质量监督站二○○年月日工程基本情况工程质量监督情况工程质量监督结论质量监督归档文件工程名称:监督编号:续表监督工程师:制表:日期:年月日卷内备考表甬统表A06-1工程项目概况表本表由建设单位填写并保存。
通风与空调分部资料填写范例记录编号:08-01项目名称:(未给出)分项工程名称:通风与空调施工执行标准:通风与空调工程施工质量验收规范(GB-2002)风管级别:未给出施工图号(系统名称):未给出风管与配件制作:未给出分部工程名称:未给出项目经理:未给出检测日期:未给出低压光源功率:150W检测标准:低压系统风管以每10m接缝,漏光点不大于2处,且100m接缝平均不大于16处为合格;中压系统风管每10m接缝,漏光点不大于1处,且100m接缝平均不大于8处为合格。
实测记录:部位接缝长度(m) 检测结果一层送风系统第一段 8.4 漏光点数为一层送风系统第二段 8.84 漏光点数为一层送风系统第三段 6.88 漏光点数为一层送风系统第四段 6.88 漏光点数为一层送风系统第五段 6.88 漏光点数为验收结论:未给出记录编号:08-02项目名称:(未给出)分项工程名称:通风与空调施工执行标准:通风与空调工程施工质量验收规范(GB-2002)风管级别:未给出施工图号(系统名称):未给出风管与配件制作:未给出分部工程名称:未给出项目经理:未给出试验总面积(m2):232.9试验日期:未给出试验压力(Pa):800允许单位面积漏风量(m3/m2·h):5.99 系统总面积(m2):185.2系统测定分数段:未给出实测单位面积漏风量(m3/m2·h):未给出分段实测数值:未给出分段表面积(m2):98、87.2工作压力(Pa):800试验压力(Pa):2.4、1.96实测漏风量(m3/h):未给出检测结果:各段用漏风检测仪所测量楼风量低于规范要求,检测评定合格。
验收结论:未给出记录编号:08-03项目名称:(未给出)分项工程名称:洁净室施工执行标准:GB-2002洁净室级别:未给出施工图号:未给出检测内容:洁净室风量或风速的检测,系统调试检测经过及采用仪器:设测点8个,实际风量合格。
验收结论:未给出通风与空调系统的净化空调系统进行了检测,结果符合设计和规范要求。
浅谈管道补偿器的使用说明由于工作介质及环境温度的变化导致管道长度发生变化,并产生拉(压)应力,当超过管道本身的抗拉强度时,会使管道变形或破坏。
为此,在管道局部架空地段应设置补偿器,即膨胀节。
使由温度变化而引起管道长度的伸缩加以调节得到补偿一、波纹膨胀节的形式波纹管配备相应的构件,形成具有各种不同补偿功能的波纹膨胀节。
按补偿形式分为轴向型、横向型、角向型及压力平衡型。
轴向型普通轴向型、抗弯型、外压型、直埋型、直管力平衡型、一次性直埋型。
横向型单向横向型、万向铰链横向型、大拉杆横向型、小拉杆横向型。
角向型单向角向型、万向角向型。
以上是基本分类,每类都具备共同的功能。
在一些特定情况还可以有特殊功能,如耐腐蚀型、耐高温型。
按特定场合的不同,分为催化裂化装置用、高炉烟道用。
按用于不同介质分为:热风用、烟气用、蒸汽用等。
二、波纹膨胀节的结构1.轴向型波纹膨胀节普通抽向型是最基本的轴向膨胀节结构。
其中支撑螺母和预拉杆的作用是支撑膨胀节达到最大额定拉伸长度和到现场安装时调整安装长度(冷紧)。
如果补偿量较大,可用两节,甚至三节波纹管。
使用多节时,要增加抗失稳的导向限位杆。
抗弯型增加了外抗弯套筒,使整体具有抗弯能力。
这样可以不受支座的设置必须受4D、14D的约束,支架的设置可以将这段按刚性管道考虑。
外压型这种结构使波纹管外部受压,内部通大气。
外壳必须是密闭的容器,它的特点是:1)波纹管受外压不发生柱失稳,可以用多波,实现大补偿量。
2)波纹内不含杂污物及水,停汽时冷凝水不存波纹内可从排污阀排掉,不怕冷冻。
3)结构稍改进也具有抗弯能力。
直埋型它的外壳起到井的作用,把膨胀节保护起来.密封结构防止土及水进入。
实际产品分防土型和防土防水型。
对膨胀节的特殊要求是必须与管道同寿命。
一次性直理型它的使用是装在管线上后整个管线加热升温到管线的设计温度范围的中间温度,管线伸长,波纹管被压缩,两个套筒滑动靠近,然后把它们焊死,再由检压孔打压检验焊缝不漏即可。