实验室卫生检查表
- 格式:docx
- 大小:9.71 KB
- 文档页数:4
实验室卫生与环境检查表1. 实验室整体卫生状况- 实验室地面是否清洁、干燥并无杂物堆积?- 实验室工作台面是否整洁,并且无化学品或实验物品残留?- 实验室墙壁、天花板及门窗是否清洁,无污渍或霉菌?- 实验室垃圾桶是否及时清理、废弃物分类、垃圾袋是否定期更换?- 实验室废液、废气等是否得到妥善处理?- 通风设备是否运作正常,室内气味是否清新?- 实验室应急救援设施是否齐备、位置明确?2. 个人卫生- 实验室工作人员是否按要求穿戴实验服和个人防护设备?- 实验人员是否洗手并采取必要的个人卫生措施进入实验室?- 实验结束后,实验人员是否及时洗手清洗个人防护用品?3. 试剂使用与储存- 试剂柜内试剂是否分类储存,并按规定位置标注?- 试剂瓶上标签信息是否清晰、准确?- 过期试剂是否及时清理、报废?- 输液管道是否整洁,无试剂残留?4. 实验设备与器械- 实验室设备是否定期维护并及时修理?- 实验设备表面是否清洁,无污渍堆积?- 实验仪器、设备是否摆放整齐,通道是否畅通?- 电源插座、电线是否正常使用,存在安全隐患?5. 实验室消防设备- 灭火器是否摆放在易达位置,使用期限是否在有效期内?- 消防栓、喷淋系统是否畅通、无损坏?- 疏散标志、安全出口是否清晰明确?6. 仪器废弃物及废液处理- 废弃试剂和废液是否正确分离、分类储存?- 实验废弃物处理是否符合环保要求?以上检查表可用于经常进行实验室卫生与环境检查,并及时记录问题和整改情况,以确保实验室的卫生与环境符合安全规范。
请实验室相关人员按照检查表执行,保持实验室整洁、安全,减少实验风险,提升工作效率。
参考。
化材系實驗室每日安全衛生自動檢查檢點記錄表※檢查項目若無則免填該項檢查月份:年月1.本表檢查結果缺失須修繕者,應於提出本表時同時提修繕單申請修繕。
其餘缺失請自行改善。
2.本檢查表應保存三年備查。
3.修繕記錄:□本表檢查不合格項目需修繕者,已提修繕改善。
修繕單編號:。
實驗室負責人簽章:單位主管簽章:安衛督導人員簽章:化材系單元操作實驗室每日安全衛生自動檢查檢點記錄表※檢查項目若無則免填該項檢查月份:年月1.本表檢查結果缺失須修繕者,應於提出本表時同時提修繕單申請修繕。
其餘缺失請自行改善。
2.本檢查表應保存三年備查。
3.修繕記錄:□本表檢查不合格項目需修繕者,已提修繕改善。
修繕單編號:。
實驗室負責人簽章:單位主管簽章:安衛督導人員簽章:化材系實驗室每週安全衛生自動檢查檢點記錄表※檢查項目若無則免填該項檢查月份:年月1.本表檢查結果缺失須修繕者,應於提出本表時同時提修繕單申請修繕。
其餘缺失請自行改善。
2.本檢查表應保存三年備查。
3.修繕記錄:□本表檢查不合格項目需修繕者,已提修繕改善。
修繕單編號:。
實驗室負責人簽章:單位主管簽章:安衛督導人員簽章:化材系實驗室每週有機溶劑作業檢點記錄表※檢查項目若無則免填該項檢查月份:年月1.本表檢查結果缺失須修繕者,應於提出本表時同時提修繕單申請修繕。
其餘缺失請自行改善。
2.本檢查表應保存三年備查。
3.修繕記錄:□本表檢查不合格項目需修繕者,已提修繕改善。
修繕單編號:。
實驗室負責人簽章:單位主管簽章:安衛督導人員簽章:化材系實驗室每月安全衛生自動檢查檢點記錄表※檢查項目若無則免填該項檢查月份:年月1.本表檢查結果缺失須修繕者,應於提出本表時同時提修繕單申請修繕。
其餘缺失請自行改善。
2.本檢查表應保存三年備查。
3.修繕記錄:□本表檢查不合格項目需修繕者,已提修繕改善。
修繕單編號:。
實驗室負責人簽章:單位主管簽章:安衛督導人員簽章:化材系每學期安全衛生檢查檢點記錄表※檢查項目若無則免填該項檢查年度與學期:年度學期1.本檢查表應保存三年備查。
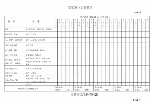
项目标准着装蓝 / 白大褂、布鞋洁净、着装规范标准装置、设备洁净、无污迹内、外窗台、门窗玻璃洁净、无杂物、洁净光明实验室过道玻璃洁净光明室内墙面、顶棚洁净齐整无蜘网、无污迹已检、待检设备定置摆放,手摸无尘室内地面、工作台面、地面无灰尘、脏污、水渍、凹陷或损坏 ??洁净齐整、无杂物、无桌面、柜子、仪器架积尘空调及通风设备无灰尘、脏污或损坏实验室专用水池洁净、无积水消防器材圆满、洁净、无污迹门窗圆满、洁净、无污迹;下班治安、防盗、消防关灯、关电源、关窗、锁门责任人实验所负责人督查检查记录实验室卫生检查表2016 年推行记录(切合打√,不切合打×)月月月月月月月月月月月月月日月日月日月日月日月日月日月日月日月日月日月日日日日日日日日日日日日日检查情况:检查情况:检查情况:检查情况:检查情况:检查人:日期:检查人:日期:检查人:日期:检查人:日期:检查人:日期:实验室卫生检查标准2016 年项目标准标准执行着装蓝 / 白大褂、工作鞋洁净、着装规范标准装置、设备洁净、无污迹内、外窗台、门窗玻璃洁净、无杂物、洁净光明实验室过道玻璃洁净光明室内墙面、顶棚洁净齐整无蜘网、无污迹已检、待检设备定置摆放,手摸无尘室内地面、工作台面、桌面、地面无灰尘、脏污、水渍、凹陷或损坏 ??洁净整柜子、仪器架洁、无杂物、无积尘空调及通风设备无灰尘、脏污或损坏实验室专用水池洁净、无积水消防器材圆满、洁净、无污迹治安、防盗、消防门窗圆满、洁净、无污迹;下班关灯、关电源、关窗、锁门责任人检查情况:检查情况:检查情况:检查情况:检查情况:实验所负责人督查检查记录检查人:日检查人:日检查人:日检查人:日检查人:日期:期:期:期:期:。
实验室环境卫生检查表
一、实验室整体环境评估
1. 实验室地面
•清洁程度:()良好()一般()较差
•有无杂物堆放:()有()无
•地面是否平整:()是()否
2. 实验室墙面
•清洁程度:()良好()一般()较差
•有无明显损坏:()有()无
•墙角是否清洁:()是()否
3. 实验室天花板
•清洁程度:()良好()一般()较差
•有无漏水痕迹:()有()无
•是否有死角未清洁:()是()否
二、实验室设备及工具清洁状况
1. 仪器设备
•设备外观清洁度:()良好()一般()较差•有无损坏:()有()无
•设备周围是否有杂物:()是()否
2. 常用工具
•工具清洁度:()良好()一般()较差
•工具摆放整齐:()是()否
•有无需要维修或更换的工具:()有()无
三、实验室通风及照明
1. 实验室通风
•通风情况:()良好()一般()较差
•通风设备是否正常运行:()是()否
•实验室是否存在异味:()是()否
2. 实验室照明
•照明情况:()良好()一般()较差
•是否有暗区:()是()否
•灯泡是否需要更换:()是()否
四、实验室废物处理
1. 废物分类
•废物分类情况:()良好()一般()较差
•是否正确分类废物:()是()否
•废物投放是否及时:()是()否
2. 废物处理设施
•废物容器清洁程度:()良好()一般()较差
•废物处理设施是否正常使用:()是()否
•废物处理设施是否有异味或漏液:()是()否
以上为实验室环境卫生检查表,对实验室环境进行全面评估,及时发现问题并进行整改,确保实验室环境整洁、安全。
化材系實驗室每日安全衛生自動檢查檢點記錄表※檢查項目若無則免填該項檢查月份:年月1.本表檢查結果缺失須修繕者,應於提出本表時同時提修繕單申請修繕。
其餘缺失請自行改善。
3.修繕記錄:□本表檢查不合格項目需修繕者,已提修繕改善。
修繕單編號:。
實驗室負責人簽章:單位主管簽章:安衛督導人員簽章:化材系單元操作實驗室每日安全衛生自動檢查檢點記錄表※檢查項目若無則免填該項檢查月份:年月1.本表檢查結果缺失須修繕者,應於提出本表時同時提修繕單申請修繕。
其餘缺失請自行改善。
2.本檢查表應保存三年備查。
3.修繕記錄:□本表檢查不合格項目需修繕者,已提修繕改善。
修繕單編號:。
實驗室負責人簽章:單位主管簽章:安衛督導人員簽章:化材系實驗室每週安全衛生自動檢查檢點記錄表※檢查項目若無則免填該項檢查月份:年月1.本表檢查結果缺失須修繕者,應於提出本表時同時提修繕單申請修繕。
其餘缺失請自行改善。
2.本檢查表應保存三年備查。
3.修繕記錄:□本表檢查不合格項目需修繕者,已提修繕改善。
修繕單編號:。
實驗室負責人簽章:單位主管簽章:安衛督導人員簽章:化材系實驗室每週有機溶劑作業檢點記錄表※檢查項目若無則免填該項檢查月份:年月1.本表檢查結果缺失須修繕者,應於提出本表時同時提修繕單申請修繕。
其餘缺失請自行改善。
2.本檢查表應保存三年備查。
3.修繕記錄:□本表檢查不合格項目需修繕者,已提修繕改善。
修繕單編號:。
實驗室負責人簽章:單位主管簽章:安衛督導人員簽章:化材系實驗室每月安全衛生自動檢查檢點記錄表※檢查項目若無則免填該項檢查月份:年月1.本表檢查結果缺失須修繕者,應於提出本表時同時提修繕單申請修繕。
其餘缺失請自行改善。
2.本檢查表應保存三年備查。
3.修繕記錄:□本表檢查不合格項目需修繕者,已提修繕改善。
修繕單編號:。
實驗室負責人簽章:單位主管簽章:安衛督導人員簽章:化材系每學期安全衛生檢查檢點記錄表※檢查項目若無則免填該項檢查年度與學期:年度學期1.本檢查表應保存三年備查。
实验室卫生清扫表2021年资源综合利用研究所实验室清扫点检表月份周次日期及检查结果点检人月份周次日期及检查结果点检人1月1.01-1.077月7.02-7.081.08-1.147.09-7.151.15-1.217.16-7.221.22-1.287.23-7.292月8月7.30-8.05 2.05-2.11 8.06-8.12 2.12-2.18 8.13-8.19 2.19-2.25 8.20-8.26 2.26-3.04 8.27-9.02 3月3.05-3.11 9月9.03-9.09 3.12-3.18 9.10-9.16 3.19-3.25 9.17-9.23 3.26-4.01 9.24-9.30 4月10月10.01-10.07 4.09-4.15 10.08-10.14 4.16-4.22 10.15-10.21 4.23-4.29 10.22-10.28 5月4.30-5.06 10.29-11.04 5.07-5.13 11月11.05-11.11 5.14-5.20 11.12-11.18 5.21-5.27 11.19-11.25 5.28-6.03 11.26-12.02 6月12月12.03-12.096.11-6.1712.10-12.166.18-6.2412.17-12.236.25-7.0112.24-12.30一、卫生要求:仪器设备干净、标牌清晰、无灰尘、无油污、无杂物、无腐蚀。
墙面、地面、门窗、玻璃、试验台、实验柜保持清洁、无积尘、无积料、无积水、无杂物、无油污、无果皮纸屑、无烟头等杂物无卫生死角。
设备维护要求:仪器设备应认真维护保养、每周检查一次。
发现故障及时报修确保仪器设备状态良好。
三、检查时间:每周一清扫责任区卫生及仪器设备维护每周五下午所内检查。