摆线针轮减速机样本
- 格式:pdf
- 大小:14.91 MB
- 文档页数:11
摆线针轮减速机原理图 Document number:NOCG-YUNOO-BUYTT-UU986-1986UT摆线针轮减速机原理图、结构图、性能及型号表示法原理/结构原理行星全部传动装置可分为三部分:输入部分、部分、输出部分。
?在输入轴上装有一个错位180°的双偏心套,在偏心套上装有两个滚柱轴承,形成H机构,两个轮的中心孔即为偏心套上转臂轴承的滚道,并由轮与针上一组环形排列的针相啮合,以组成少齿差内啮合减速机构,(为了减少摩擦,在速比小的中,针齿上带有针齿套)。
当输入轴带着偏心套转动一周时,由于轮上齿廊曲线的特点及其受针上针齿限制之故,轮的运动成为即有公转又有自转的平面运动,在输入轴正转一周时,偏心套亦转动一周,轮于相反方向上转过一个齿差从而得到,再借助W输出机构,将轮的低速自转运动通过销轴,传递给输出轴,从而获得较低的输出转速。
?武英牌原理/行星结构、参数、性能及表示法一、行星/是一种比较新型的传动机构,其独特的平稳结构在许多情况下可替代普通圆柱及蜗轮蜗杆,因为具有:1、传动比大:一级时传动比为1:7到1:87;两级时转动比为121~7569,用户也可以根据自己的实际需要选用比更大的三级减速!?2、传动效率高:?由于该机啮合部位采用了滚动啮合,一般效率为可达90%以上。
?3、保养方便(润滑方式):?#6125以下使用不要保养的専用高级油脂;?4、体积小,重量轻:?采用行星传动原理,输入轴和输出轴在同一轴线上而且有与电动机直联呈一体的独特之处,因而本身具有结构紧凑,体积小、重量轻的特点。
用它代替两级普通圆柱齿轮减速器,体积可减少1/2~2/3;重量约减轻1/3~1/2。
?5、拆装方便,容易维修:?由于结构设计合理、拆装简单便于维修,使用零件个数少以及润滑简单。
?6、使用可靠、故障少、寿命长:?主要传动啮合件使用耐磨耗及耐疲劳性能良好的高炭铬轴承钢制造,经淬火处理(HRC58-62)获得高强度,因此机械性能好,耐磨性能好;运转接触采用滚动磨擦,基本上无磨损,故故障少、寿命长,其寿命较普通器可提高2-3倍。
无级变速摆线针轮减速器PZ型无级变速摆线针轮减速器(JB/T 7254—1994)是由多盘式无级变速器和单级摆线针轮减速器串联组成的无级变速摆线针轮减速器,普通型(恒功率型代号G),恒转矩无代号;大变速范围型(代号S)。
安装型式:双轴型卧式安装(代号W);电机直联型卧式安装(代号WD);电机直联型立式安装(代号LD)。
PZ型减速器传递功率大,寿命长,结构紧凑,速度稳定,运转平稳。
适用于需要无级变速的机械传动中,例如冶金、矿山、石油、化工、轻工、食品、纺织等行业。
工作条件:工作环境温度为-10~40℃,可正、反双向运转。
型号与标记1.型号(1)PZW型—普通型卧式双轴型无级变速摆线针轮减速器;(2)PZWD型—普通型卧式电动机直联型无级变速摆线针轮减速器;(3)PZLD型—普通型立式无级变速摆线针轮减速器;(4)PZS型—大变速范围型无级变速摆线针轮减速器。
2.标记PZW普通型(卧式双轴型)变减速器主要尺寸PZW型(卧式双轴型)变减速器主要尺寸/mm规格代号减速器型号 F E G n d D b h l D1b1h1l1J H M N R C L1 A型1165 85 86 4 1125 8 3516 5 30 150 240 113 190 18 1003682 25 8 34 368 B型 2 30 8 35 3732 A型3 250 100 1514 16 35 10 5520 6 40 168285 150 290 20 140 4354 290 145 169 4 16 45 14 74 295 195 330 22 150 483 B型3 240 110 1254 13 35 10 56 265 160 280 15 120 4364 280 150 144 4 13 45 14 71 285 200 320 20 140 4893 A型5 370 150 206 4 16 55 16 9125 8 50 235352 260 420 25 160 6646 380 275 125 4 22 65 18 89 392 335 430 30 200 706 B型5 340 200 158 4 17 55 16 80 352 250 390 25 160 6496 340 320 155 4 22 70 20 102 392 380 400 25 200 7134 A型6 380 275 125 4 22 65 18 8928 8 50 295426 335 430 30 200 7587 420 320 145 4 22 80 22 109 446 380 470 30 220 796 B型 6 340 320 155 4 22 70 20 102 426 380 400 25 200 7655 A型7 420 320 145 4 22 80 22 10935 10 55 208492 380 470 30 220 9548 480 380 155 4 22 90 25 120 522 440 530 35 250 1012 B型8 420 380 159 4 22 90 24 120 512 440 470 32 240 9946 A型9 560 480 186 4 26 100 28 14148 14 90 285628 560 620 40 290 112410 630 500 230 4 30 110 28 150 663 600 690 45 325 1159 B型9 500 440 200 4 26 100 28 140 618 520 560 35 280 1100注:机型号大于10的减速器与变速器一般不采用直联型式,二者间推荐采用联轴器联接。
1.它的原理像两个银币,一个静止另一个靠在它的边上转,当转动的币从一个点转回原来的点时它已经转了两转不是一转。
2.示意图不好画,我讲解一下。
它里面是齿轮组成的,动静齿轮的结合不是像银币那样外边接合。
而是一个外边和另一个内边啮合构成一组,这样可以节省空间,即使多组结合也可以叠在一个圆筒内。
圆筒的输入和输出轴是在同一个圆心上的,但是内部的齿轮并不同心,主动轮比从动轮小沿轴摆动,同时沿边滚动。
带动从动轮滚动;从动轮又带动下一主动轮沿轴摆动···如此直到输出轴。
每组齿数和齿轮组数决定变速比。
3。
日常只要保证机油的正常就可以了。
4. 容易发生密封圈漏油现象,换密封圈就好了。
换时只要拆电机螺丝,不要拆减速机螺丝。
拆完再拆电机风叶罩。
转动风叶同时拔出电机。
换好后装电机时也要转动风叶。
还有油泵也容易出问题。
透明油管容易漏油。
拆解减速机时一定要记住每个齿轮的方向标记,以便装回。
5.适用垂直安装的任何机械。
如搅拌桨,耙泥机。
摆线针轮减速机原理图、结构图、性能及型号表示法摆线针轮减速机原理/摆线减速机结构原理行星摆线针轮减速机全部传动装置可分为三部分:输入部分、减速部分、输出部分。
在输入轴上装有一个错位180°的双偏心套,在偏心套上装有两个滚柱轴承,形成H机构,两个摆线轮的中心孔即为偏心套上转臂轴承的滚道,并由摆线轮与针齿轮上一组环形排列的针齿轮相啮合,以组成少齿差内啮合减速机构,(为了减少摩擦,在速比小的减速机中,针齿上带有针齿套)。
当输入轴带着偏心套转动一周时,由于摆线轮上齿廊曲线的特点及其受针齿轮上针齿限制之故,摆线轮的运动成为即有公转又有自转的平面运动,在输入轴正转一周时,偏心套亦转动一周,摆线轮于相反方向上转过一个齿差从而得到减速,再借助W输出机构,将摆线轮的低速自转运动通过销轴,传递给输出轴,从而获得较低的输出转速。
武英牌摆线减速机原理/行星摆线针轮减速机结构、参数、性能及表示法一、行星摆线针轮减速机/摆线减速机是一种比较新型的传动机构,其独特的平稳结构在许多情况下可替代普通圆柱齿轮减速机及蜗轮蜗杆减速机,因为摆线针轮减速机具有:1、传动比大:摆线针轮减速机一级减速时传动比为1:7到1:87;两级减速时转动比为121~7569,用户也可以根据自己的实际需要选用减速比更大的三级减速!2、传动效率高:摆线针轮减速机由于该机啮合部位采用了滚动啮合,一般效率为可达90%以上。
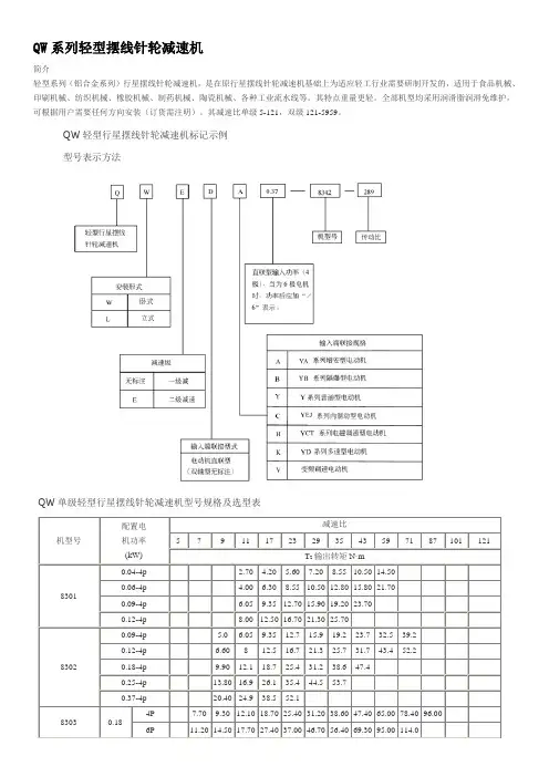
QW系列轻型摆线针轮减速机
简介
轻型系列(铝合金系列)行星摆线针轮减速机,是在原行星摆线针轮减速机基础上为适应轻工行业需要研制开发的,适用于食品机械、印刷机械、纺织机械、橡胶机械、制药机械、陶瓷机械、各种工业流水线等。
其特点重量更轻。
全部机型均采用润滑脂润滑免维护,可根据用户需要任何方向安装(订货需注明)。
其减速比单级5-121,双级121-5959。
QW轻型行星摆线针轮减速机标记示例
型号表示方法
QW单级轻型行星摆线针轮减速机型号规格及选型表
双级减速机型号规格及选型表
注:粗线下的T2输出转矩数值(N·m)大于该机型的许用转矩,请您设安全装置。
减速机低速轴许用转矩极限值T2与最大许用径向力极限值P r2
表内许用径向力P r2(N)值是指在低速轴轴伸中点上的计算值。
当径向力作用在轴伸中点以外时,请接洽。
QW单级卧式轻型摆线针轮减速机外形及安装尺寸
单级卧式安装尺寸表
减速机常用电机及电机外形尺寸一览表
QW型单级立式行星摆线针轮减速机外形及安装尺寸
单级立式安装尺寸表
减速机常用电机及电机外形尺寸一览表
QW双级卧式轻型行星摆线针轮减速机外形及安装尺寸
双级卧式安装尺寸表
减速机常用电机及电机外形尺寸一览表
QW双级立式轻型行星摆线针轮减速机外形及安装尺寸
双级立式安装尺寸表
减速机常用电机及电机外形尺寸一览表。
3TS03CSA今天日期12014-1-221H大的冲击#REF!1.60THHM T1HM 脚座安装HM 脚座安装HM 脚座安装H 脚座安装H 脚座安装H 脚座安装标准配置马达直结标准配置双轴型12请咨询345请咨询6VM 法兰安装VM 法兰安装VM 法兰安装V 法兰安装V 法兰安装V 法兰安装标准配置标准配置马达直结双轴型78请咨询91011请咨询12HXM 脚座安装VXM 法兰安装注:示图13~16HX 脚座安装VX 法兰安装马达短法兰空心入轴马达短法兰适用框号范围610~622马达短法兰空心入轴马达短法兰空心入轴马达功率4P 0.2~15kW空心入轴13141516HCM 脚座安装VCM 法兰安装注:示图17~20HC 脚座安装VC 法兰安装马达长法兰配联轴器马达长法兰适用框号范围609~626马达长法兰配联轴器马达长法兰配联轴器马达功率4P 0.2~45kW配联轴器1718马达功率6P 15~30kW 1920HSM 脚座安装HTM 脚座安装注:示图21~22HS 脚座安装HT 脚座安装铲型托架配联轴器顶部配马达适用框号范围609~626铲型托架自配联轴器顶部自配马达注:示图23~2421配皮带轮23适用框号范围611~62722自配皮带轮24代号:代号:代号:111500r/min 42.86r/min35电源频率50Hz 马达极数4P 7.500kW 12.000kW 7.5kW 157.8kgf.m 252.5kgf.m 10HP1548N.m2477N.m 1.045263.0kgf.m 617OK !OK !2580N.m特别强调:210mm 1.00 1.000.80140mm 90mm2255kgf 2055kgf 审核结论:P'r 小于Pro 22118N 20155NOK !1813kgf 17783N6确认安全系数SF G 锁定许用输出转矩T 2及减速机框号 = ?P 1 × S.FT L × S.F5/1输入功率P 1 =5/2输出转矩T L =4/2输出转速n 2 =n 1 / i与输入转速方向相反5确认需用输入功率P 1或输出转矩T L = ?4/1输入转速n 1 =计算当量功率P s =减速比 i =出力轴垂直向下 D 3/3轴端尺寸规格?传仕减速机框号:单级传动马达容量(马力)代号:祝您成功!选型通过。
摆线针轮减速机编辑词条编辑摘要摘要摆线针轮减速机是一种应用行星式传动原理,采用摆线针齿啮合的新颖传动装置。
摆线针轮减速机全部传动装置可分为三部分:输入部分、减速部分、输出部分。
在输入轴上装有一个错位180°的双偏心套,在偏心套上装有两个称为转臂的滚柱轴承,形成H机构、两个摆线轮的中心孔即为偏心套上转臂轴承的滚道,并由摆线轮与针齿轮上一组环形排列的针齿相啮合,以组成齿差为一齿的内啮合减速机构,(为了减小摩擦,在速比小的减速机中,针齿上带有针齿套)。
目录1介绍2特点与型号2.1用途2.2使用条件2.3润滑2.4安装目录1介绍2特点与型号2.1用途2.2使用条件2.3润滑2.4安装收起编辑本段介绍摆线针轮减速机原理:摆线针轮减速机是一种应用行星式传动原理,采用摆线针齿啮合的新颖传动装置。
摆线针轮减速机全部传动装置可分为三部分:输入部分、减速部分、输出部分。
在输入轴上装有一个错位180°的双偏心套,在偏心套上装有两个称为转臂的滚柱轴承,形成H机构、两个摆线轮的中心孔即为偏心套上转臂轴承的滚道,并由摆线轮与针齿轮上一组环形排列的针齿相啮合,以组成齿差为一齿的内啮合减速机构,(为了减小摩擦,在速比小的减速机中,针齿上带有针齿套)。
当输入轴带着偏心套转动一周时,由于摆线轮上齿廓曲线的特点及其受针齿轮上针齿限制之故,摆线轮的运动成为既有公转又有自转的平面运动,在输入轴正转周时,偏心套亦转动一周,摆线轮于相反方向转过一个齿从而得到减速,再借助W输出机构,将摆线轮的低速自转运动通过销轴,传递给输出轴,从而获得较低的输出转速。
编辑本段特点与型号摆线针轮减速机特点:〇高速比和高效率单级传动,就能达到1:87的减速比,效率在90%以上,如果采用多级传动,减速比更大。
〇结构紧凑体积小由于采用了行星传动原理,输入轴输出轴在同一轴心线上,使其机型获得尽可能小的尺寸。
〇运转平稳噪声低摆线针齿啮合齿数较多,重叠系数大以及具有机件平衡的机理,使振动和嗓声限制在最小程度。
摆线针减速机内部构造摆线针减速机是一种常用的传动装置,其内部构造相对复杂。
本文将从整体结构、工作原理、关键部件等方面进行介绍,以便读者对摆线针减速机的内部构造有更深入的了解。
一、整体结构摆线针减速机由外壳、摆线针轮、针齿等部件组成。
外壳起到保护内部零件的作用,同时也是固定各个部件的基础。
摆线针轮是摆线针减速机的核心部件,它通过与针齿的啮合来实现传动。
针齿则被安装在摆线针轮上,起到传递动力的作用。
二、工作原理摆线针减速机的工作原理基于摆线原理。
当输入轴带动摆线针轮旋转时,摆线针轮上的针齿与固定在外壳上的摆线针齿啮合,从而实现动力的传递。
在啮合过程中,摆线针轮的转速被减速,从而实现减速的效果。
通过合理设计摆线针轮的齿数、针齿的形状等参数,可以实现不同的减速比。
三、关键部件1. 摆线针轮:摆线针轮是摆线针减速机的核心部件,其齿数和齿形的设计直接影响到减速效果。
通常情况下,摆线针轮采用齿数较多的设计,以提高减速比。
同时,摆线针轮的齿形也需要考虑到与针齿的啮合性能,以确保传动的平稳性和高效性。
2. 针齿:针齿是摆线针减速机中的动力传递部件,其形状和材料的选择直接影响到传动的可靠性和效率。
针齿通常采用硬度较高的合金材料制造,以提高其耐磨性和传动效率。
3. 外壳:外壳是摆线针减速机的保护罩,起到保护内部零件的作用。
外壳通常采用铸铁或钢板制造,具有足够的强度和刚性,以承受传动时的载荷和振动。
四、结构特点摆线针减速机的内部构造具有以下几个特点:1. 紧凑:摆线针减速机的各个部件紧密配合,结构紧凑,占用空间小,适用于有限空间的安装。
2. 高效:摆线针减速机采用摆线原理,传动效率高,能够实现较大的速比范围。
3. 平稳:摆线针减速机的传动过程平稳,没有冲击和噪声,适用于对传动平稳性要求较高的场合。
4. 可靠:摆线针减速机的关键部件采用高强度、高硬度材料制造,具有较高的耐磨性和使用寿命。
5. 维护方便:摆线针减速机的外壳采用拆卸式设计,便于维护和更换关键部件。