【精选】北师大版八年级物理上册 物态变化实验专题练习(word版
- 格式:doc
- 大小:872.00 KB
- 文档页数:9
一、初二物理物态变化实验易错压轴题(难)1.在“探究晶体熔化和凝固规律”的实验中,绘制出了如图所示的图像.(1)图中,海波的熔化过程是________段(用图中字母表示),此过程中海波________热(选填“吸”或“放”).(2)图中,海波在D点是________态,在G点是________态(均选填“固”或“液”). (3)为了探究不同晶体熔化时吸收的热量是否相同,在相同的烧杯中分别装上80 g的冰和萘,用________的酒精灯加热(选填“相同”或“不同”),测出它们熔化过程所用的时间如表.由此可知,质量相同的不同晶体熔化时吸收的热量是________的(选填“相同”或“不同”).【答案】BC 吸液固相同不同【解析】(1)图中BC段表示温度不变,即表示海波的熔化过程,此过程中海波处于固液共存态. (2)由图象可知,AB段表示海波还没有熔化处于固态,BC段是海波的熔化过程,CD段表示海波已经熔化完毕,故D点处于液态,EF段表示凝固过程,在F点已经凝固完毕,故G点处于固态. (3)在相同的烧杯中分别装上了80g的冰和萘,用同样的酒精灯加热,保证吸收相同的热量,根据图表示物质熔化的时间可以看出:质量相同的不同晶体熔化成液体时吸收的热量是不同的.点睛:根据控制变量的思想,相同质量的冰和萘完全熔化所需的时间不同,而加热装置相同,这就说明了两者完全熔化时,吸收的热量是不同的,可据此进行分析.2.在探究冰的熔化规律的实验中,烧杯中有适量的水,大试管中有碎冰,实验装置如图甲所示。
(1)待温度升高至-5℃,每隔大约______(填“1min”或“5min”)记录一次温度;(2)实验中某次温度计的计数如图乙,示数是________;(3)第9min时,试管内的物质处于_______(选填“固”、“液”或“固液共存”) 态,冰在第9min时具有的内能________(选填“大于”、“小于”或“等于”)在第6min时具有的内能;(4)在不改变装置情况下,小瑜将冰全部熔化成水后继续用酒精灯不断地加热,大致绘制出了图丙的温度随加热时间关系图,他在DF阶段能否在小试管中________看到大量气泡上升变大。
一、初二物理物态变化实验易错压轴题(难)1.做“观察水的沸腾”实验时:(1)实验使用的温度计是根据液体的________规律制成的.(2)如图甲为某同学实验时测沸水温度的情形.他的错误之处是________.(3)纠正错误后,他观察到从开始加热至水沸腾,所用时间过长,造成这种现象的原因可能是________.(4)他对实验进行了改进之后,每隔1min记录温度计示数(见下表),直到水沸腾一段时间后停止读数,根据表中的数据在图乙中画出水温随时间变化的图象.(_____________)时间t/min0123456789温度T/℃90929496989999999999(5)他们观察到水沸腾时的现象应该是丙图中的________图.从实验可得出,液体在沸腾过程中要________热,但温度________;实验测出水的沸点为________℃.【答案】热胀冷缩温度计的玻璃泡碰到了烧杯底水太多(或水的初温较低)a吸保持不变99【解析】【分析】【详解】(1)实验室中常用的液体温度计是根据液体的热胀冷缩规律制成的.(2)在甲图中,温度计的玻璃泡接触了烧杯的底部,会导致测量结果偏大;(3)水加热时间过长可能是水的初温太低,可以用初温较高的水开始加热;也可能是水量太多,可以减小水量;也可能是酒精灯火焰太小,可以增大火焰,也可能使烧杯未加盖等;(4) 根据表中的数据描点,并用平滑的曲线连接起来,如图所示:(5) a图中气泡在上升过程中体积不断变大,所以a图是沸腾时的情况;b图中气泡在上升过程中体积不断减小,所以b图是沸腾前的情况.从实验可得出,液体在沸腾过程中仍要加热,还在不断吸热,从表中数据来看,沸腾后温度不变,实验测出水的沸点为99℃.故答案为热胀冷缩;温度计的玻璃泡接触了容器底;水太多(或水的初温较低);图见详解;a;吸;保持不变;99.2.某一小组用图甲所示装置“比较不同液体吸热升温特点”.在两个相同烧杯中分别加入质量、初温相同的水和食盐水,用相同酒精灯加热直到沸腾.(1)分别测量出水和食盐水的沸点,发现食盐水的沸点比水高.其中水沸腾时温度计的局部放大图如乙图所示,水的沸点为_______℃.(2)实验中加热食盐水到沸腾需要的时间长,说明食盐水吸收的热量比水_______(选填“多”或“少”).(3)能否仅由“加热食盐水到沸腾需要的时间长”得出食盐水比热容大的结论?答:_________;其原因是:_____________________.【答案】98多不能实验中没有保持二者质量和升高的温度相同【解析】【分析】(1)根据图中所示温度计示数为98℃;(2)在相同的酒精灯下,向相同的烧杯加热,要比较吸收热量的多少,就得比较加热时间的多少,而实验中加热食盐水所用时间多,则其吸收的热量也多;(3)要比较比热容的大小,必须得控制其他物理量不变,保证质量不变,还有一个因素,得使两者的温度差相同,才可以比较比热容的大小。
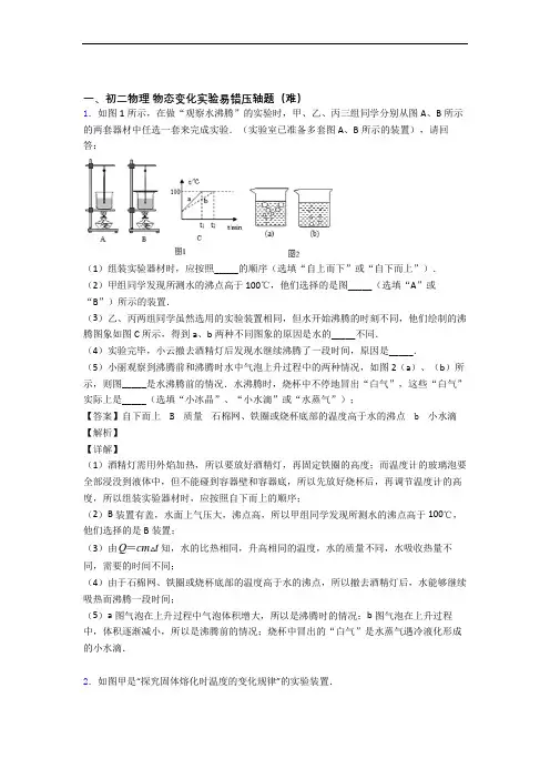
一、初二物理物态变化实验易错压轴题(难)1.如图1所示,在做“观察水沸腾”的实验时,甲、乙、丙三组同学分别从图A、B所示的两套器材中任选一套来完成实验.(实验室已准备多套图A、B所示的装置),请回答:(1)组装实验器材时,应按照_____的顺序(选填“自上而下”或“自下而上”).(2)甲组同学发现所测水的沸点高于100℃,他们选择的是图_____(选填“A”或“B”)所示的装置.(3)乙、丙两组同学虽然选用的实验装置相同,但水开始沸腾的时刻不同,他们绘制的沸腾图象如图C所示,得到a、b两种不同图象的原因是水的_____不同.(4)实验完毕,小云撤去酒精灯后发现水继续沸腾了一段时间,原因是_____.(5)小丽观察到沸腾前和沸腾时水中气泡上升过程中的两种情况,如图2(a)、(b)所示,则图_____是水沸腾前的情况.水沸腾时,烧杯中不停地冒出“白气”,这些“白气”实际上是_____(选填“小冰晶”、“小水滴”或“水蒸气”);【答案】自下而上B质量石棉网、铁圈或烧杯底部的温度高于水的沸点b小水滴【解析】【详解】(1)酒精灯需用外焰加热,所以要放好酒精灯,再固定铁圈的高度;而温度计的玻璃泡要全部浸没到液体中,但不能碰到容器壁和容器底,所以先放好烧杯后,再调节温度计的高度,所以组装实验器材时,应按照自下而上的顺序;(2)B装置有盖,水面上气压大,沸点高,所以甲组同学发现所测水的沸点高于100℃,他们选择的是B装置;=知,水的比热相同,升高相同的温度,水的质量不同,水吸收热量不(3)由Q cm t同,需要的时间不同;(4)由于石棉网、铁圈或烧杯底部的温度高于水的沸点,所以撤去酒精灯后,水能够继续吸热而沸腾一段时间;(5)a图气泡在上升过程中气泡体积增大,所以是沸腾时的情况;b图气泡在上升过程中,体积逐渐减小,所以是沸腾前的情况;烧杯中冒出的“白气”是水蒸气遇冷液化形成的小水滴.2.如图甲是“探究固体熔化时温度的变化规律”的实验装置.(1)图甲的实验装置中还缺少的一件测量器材是________,实验时把石棉网垫在烧杯下,并将试管放在水中加热,是为了使固体粉末受热________(均匀/不均匀).(2)若某时刻温度计的示数如图乙所示,则此时温度计的读数为________℃.(3)下表是实验中记录的数据.根据表中数据可知,该物质是________(晶体/非晶体).(4)能反映上述固体熔化时温度变化规律的是图丙中的________(a/b).【答案】秒表均匀 46 晶体 a【解析】(1)本实验中需要的测量仪器有温度计和秒表,由图知该实验缺少的器材为秒表;实验时把石棉网垫在烧杯下,并将试管放在水中加热,是为了使固体粉末受热均匀.(2)由图知,该温度计的每一小格表示1℃,故该温度计的示数为46℃.(3)由表格中的数据可以看出,从第4min到第8min,该物质的温度保持在48℃不变,故该物质为晶体.(4)a图中有一段图像温度保持不变,所以a为晶体的熔化图像,b图中的图线温度不断升高,为非晶体的熔化图像,故能反映上述固体熔化时温度变化规律的是a图.故答案为(1)秒表;均匀 (2)46 (3)晶体 (4)a.3.在做“观察水沸腾”的实验时。
一、初二物理物态变化实验易错压轴题(难)1.在做“观察水沸腾”的实验时。
(1)A 组同学用的是如图甲所示装置,他们测出的水温将偏______选填“高”或“低”)。
(2)图乙是B 组同学在实验某时刻温度计的示数,此时水的温度是_____℃。
(3)B、C 两组同学虽然选用的实验装置相同,但将水加热到沸腾用的时间不同,他们绘制的温度随时间变化的图像如图丙所示。
分析图像可知:水的沸点是_____℃;B、C 组得到b、c 两种不同图像的原因可能是水的_____不同;从图像中还可以得出水沸腾时的特点是_________。
【答案】高9298质量温度不变【解析】【详解】解:(1)由图甲知,温度计的玻璃泡碰到了容器底,受容器底部温度的影响,测量值将偏高;(2)由图乙知,温度计的分度值为1℃,所以示数为92℃.(3)由图丙知,时间不同的原因可能是水的质量不同导致的,水在沸腾过程中温度保持98℃不变,所以水的沸点是98℃,从图像中还可以得出水沸腾时的特点是温度不变。
故答案为:(1)高;(2)92;(3)98;质量;温度不变【点睛】在使用温度计时,温度计的玻璃泡要完全浸没在水中,不能碰到容器底或容器壁,否则温度计的示数会受烧杯底部的影响;认清温度计的分度值,然后读数;根据温度随时间变化的图象判断出时间不同的原因;根据水沸腾的条件进行分析:达到沸点并要继续吸热.探究水的沸腾实验中,考查温度计的使用及读数也要掌握;学会从图象上分析水的沸点,并掌握影响加热时间的因素,能够应用进行分析.2.在做“观察水沸腾的实验”时,甲乙两同学所选用的器材和规格完全相同。
(1)安装好器材后,甲按如图所示进行读数,这样读数的结果会比真实值__(选填“偏大”“偏小”或“相等”)。
(2)若甲乙两同学所选水的质量分别是m1和m2,将水加热至沸腾所用的时间分别为t1和t2,他们绘制的温度随时间变化的图像如图丙所示,分析图像可知,水的沸点是__,当时的大气压__(选填“高于”“低于”或“等于”)标准大气压,m1__m2(选填“大于”“小于”或“等于”)。
一、初二物理物态变化实验易错压轴题(难)1.在“探究固体熔化时温度的变化规律”的实验中,小明将质量相同的A、B两种不同的粉末分别装在两个相同的试管中,同时放在一个装有水的烧杯中加热,实验装置如图甲所示。
实验过程中,当温度升至40℃时,她每隔1min记录一次A、B的温度和状态,并根据实验数据绘制了如图乙所示的图像:(1)根据图乙的温度曲线判断,____(选填“A或B”)是一种晶体;(2)B液体的沸点是100℃,如果持续加热,B ____(选填“会”或“不会”)沸腾;(3)当它们都成液态后,从第10min加热到第12min,吸收的热量_____(选填“A”“B”或“一样”)多。
他发现B升温更慢,这是由于_________。
【答案】A 不会一样 B的比热容大(或吸热能力强)【解析】【分析】【详解】(1)[1]由图乙知,A在熔化过程温度保持不变,而B的温度一直在上升,所以A是一种晶体。
(2)[2]装有AB的两个试管都放在水中,B的沸点是100℃,给烧杯中的水加热,其温度上升,然后通过热传递,把热量传给试管中的B,当烧杯中的水温度升高到沸点100℃时,开始沸腾,温度保持不变,而B在温度未达到100℃前,可以继续吸热,但温度达到100℃时,便不能继续吸热了,所以不会沸腾。
(3)[3][4]装有AB的试管都放在水中,所以在相同的时间内吸收的热量相同,而B升温慢,这是由于B的比热容大。
2.图甲是小强在标准大气压下用 50g 冰做“探究冰熔化时温度的变化规律”的实验装置,图乙是他根据记录的数据绘制的温度随时间变化规律的图像。
[c 水=4.2×103J/(kg·℃)](1)实验中,冰熔化的时间为___________min。
(2)由图乙可知,冰在熔化过程中吸收热量,温度不变,内能____(选填“增大”、“减小”或“不变”),冰在熔化过程吸收的热量为_________J。
(3)试管中的冰完全熔化后,若持续加热,当烧杯中的水沸腾时,试管中的液体_________选填“会”或“不会”)沸腾。
一、初二物理物态变化实验易错压轴题(难)1.在探究冰的熔化规律的实验中,烧杯中有适量的水,大试管中有碎冰,实验装置如图甲所示。
(1)待温度升高至-5℃,每隔大约______(填“1min”或“5min”)记录一次温度;(2)实验中某次温度计的计数如图乙,示数是________;(3)第9min时,试管内的物质处于_______(选填“固”、“液”或“固液共存”) 态,冰在第9min时具有的内能________(选填“大于”、“小于”或“等于”)在第6min时具有的内能;(4)在不改变装置情况下,小瑜将冰全部熔化成水后继续用酒精灯不断地加热,大致绘制出了图丙的温度随加热时间关系图,他在DF阶段能否在小试管中________看到大量气泡上升变大。
(选填“能”或“不能”)【答案】1min -4℃固液共存小于不能【解析】【分析】【详解】(1)[1]在实验过程中,大约每隔1min便记录一次温度,而隔5min才记录温度的话,时间间隔太长,不容易观察实验现象。
(2)[2]由图乙知,温度计示数为-4℃。
(3)[3]由图丙知,第9min试管内的物质处于熔化状态,所以是固液共存态。
[4]冰在第9min的内能小于第6min的内能,因为这两个时间段冰都处于熔化阶段,其温度保持不变,固态的冰质量越来越少,其内能越来越小。
(4)[5]由丙图知,在DF段,水的温度达到沸点,烧杯中的水由于不断吸热,所以开始沸腾,而试管中的水虽然温度达到沸点,但不能继续吸热,因为烧杯中的水沸腾时,温度保持不变,所以试管中的水不能沸腾,无法看到大量气泡上升。
2.图甲是小强在标准大气压下用 50g 冰做“探究冰熔化时温度的变化规律”的实验装置,图乙是他根据记录的数据绘制的温度随时间变化规律的图像。
[c 水=4.2×103J/(kg·℃)](1)实验中,冰熔化的时间为___________min。
(2)由图乙可知,冰在熔化过程中吸收热量,温度不变,内能____(选填“增大”、“减小”或“不变”),冰在熔化过程吸收的热量为_________J。
一、初二物理物态变化实验易错压轴题(难)1.如图甲是“探究固体熔化时温度的变化规律”的实验装置.(1)图甲的实验装置中还缺少的一件测量器材是________,实验时把石棉网垫在烧杯下,并将试管放在水中加热,是为了使固体粉末受热________(均匀/不均匀).(2)若某时刻温度计的示数如图乙所示,则此时温度计的读数为________℃.(3)下表是实验中记录的数据.根据表中数据可知,该物质是________(晶体/非晶体).(4)能反映上述固体熔化时温度变化规律的是图丙中的________(a/b).【答案】秒表均匀 46 晶体 a【解析】(1)本实验中需要的测量仪器有温度计和秒表,由图知该实验缺少的器材为秒表;实验时把石棉网垫在烧杯下,并将试管放在水中加热,是为了使固体粉末受热均匀.(2)由图知,该温度计的每一小格表示1℃,故该温度计的示数为46℃.(3)由表格中的数据可以看出,从第4min到第8min,该物质的温度保持在48℃不变,故该物质为晶体.(4)a图中有一段图像温度保持不变,所以a为晶体的熔化图像,b图中的图线温度不断升高,为非晶体的熔化图像,故能反映上述固体熔化时温度变化规律的是a图.故答案为(1)秒表;均匀 (2)46 (3)晶体 (4)a.2.在做“观察水沸腾”的实验时。
(1)A 组同学用的是如图甲所示装置,他们测出的水温将偏______选填“高”或“低”)。
(2)图乙是B 组同学在实验某时刻温度计的示数,此时水的温度是_____℃。
(3)B、C 两组同学虽然选用的实验装置相同,但将水加热到沸腾用的时间不同,他们绘制的温度随时间变化的图像如图丙所示。
分析图像可知:水的沸点是_____℃;B、C 组得到b、c 两种不同图像的原因可能是水的_____不同;从图像中还可以得出水沸腾时的特点是_________。
【答案】高9298质量温度不变【解析】【详解】解:(1)由图甲知,温度计的玻璃泡碰到了容器底,受容器底部温度的影响,测量值将偏高;(2)由图乙知,温度计的分度值为1℃,所以示数为92℃.(3)由图丙知,时间不同的原因可能是水的质量不同导致的,水在沸腾过程中温度保持98℃不变,所以水的沸点是98℃,从图像中还可以得出水沸腾时的特点是温度不变。
一、初二物理物态变化实验易错压轴题(难)1.做“观察水的沸腾”实验时:(1)实验使用的温度计是根据液体的________规律制成的.(2)如图甲为某同学实验时测沸水温度的情形.他的错误之处是________.(3)纠正错误后,他观察到从开始加热至水沸腾,所用时间过长,造成这种现象的原因可能是________.(4)他对实验进行了改进之后,每隔1min记录温度计示数(见下表),直到水沸腾一段时间后停止读数,根据表中的数据在图乙中画出水温随时间变化的图象.(_____________)时间t/min0123456789温度T/℃90929496989999999999(5)他们观察到水沸腾时的现象应该是丙图中的________图.从实验可得出,液体在沸腾过程中要________热,但温度________;实验测出水的沸点为________℃.【答案】热胀冷缩温度计的玻璃泡碰到了烧杯底水太多(或水的初温较低)a吸保持不变99【解析】【分析】【详解】(1)实验室中常用的液体温度计是根据液体的热胀冷缩规律制成的.(2)在甲图中,温度计的玻璃泡接触了烧杯的底部,会导致测量结果偏大;(3)水加热时间过长可能是水的初温太低,可以用初温较高的水开始加热;也可能是水量太多,可以减小水量;也可能是酒精灯火焰太小,可以增大火焰,也可能使烧杯未加盖等;(4) 根据表中的数据描点,并用平滑的曲线连接起来,如图所示:(5) a图中气泡在上升过程中体积不断变大,所以a图是沸腾时的情况;b图中气泡在上升过程中体积不断减小,所以b图是沸腾前的情况.从实验可得出,液体在沸腾过程中仍要加热,还在不断吸热,从表中数据来看,沸腾后温度不变,实验测出水的沸点为99℃.故答案为热胀冷缩;温度计的玻璃泡接触了容器底;水太多(或水的初温较低);图见详解;a;吸;保持不变;99.2.在探究冰的熔化规律的实验中,烧杯中有适量的水,大试管中有碎冰,实验装置如图甲所示。
一、初二物理物态变化实验易错压轴题(难)1.在“探究晶体熔化和凝固规律”的实验中,绘制出了如图所示的图像.(1)图中,海波的熔化过程是________段(用图中字母表示),此过程中海波________热(选填“吸”或“放”).(2)图中,海波在D点是________态,在G点是________态(均选填“固”或“液”). (3)为了探究不同晶体熔化时吸收的热量是否相同,在相同的烧杯中分别装上80 g的冰和萘,用________的酒精灯加热(选填“相同”或“不同”),测出它们熔化过程所用的时间如表.由此可知,质量相同的不同晶体熔化时吸收的热量是________的(选填“相同”或“不同”).【答案】BC 吸液固相同不同【解析】(1)图中BC段表示温度不变,即表示海波的熔化过程,此过程中海波处于固液共存态. (2)由图象可知,AB段表示海波还没有熔化处于固态,BC段是海波的熔化过程,CD段表示海波已经熔化完毕,故D点处于液态,EF段表示凝固过程,在F点已经凝固完毕,故G点处于固态. (3)在相同的烧杯中分别装上了80g的冰和萘,用同样的酒精灯加热,保证吸收相同的热量,根据图表示物质熔化的时间可以看出:质量相同的不同晶体熔化成液体时吸收的热量是不同的.点睛:根据控制变量的思想,相同质量的冰和萘完全熔化所需的时间不同,而加热装置相同,这就说明了两者完全熔化时,吸收的热量是不同的,可据此进行分析.2.做“观察水的沸腾”实验时:(1)实验使用的温度计是根据液体的________规律制成的.(2)如图甲为某同学实验时测沸水温度的情形.他的错误之处是________.(3)纠正错误后,他观察到从开始加热至水沸腾,所用时间过长,造成这种现象的原因可能是________.(4)他对实验进行了改进之后,每隔1min记录温度计示数(见下表),直到水沸腾一段时间后停止读数,根据表中的数据在图乙中画出水温随时间变化的图象.(_____________)时间t/min0123456789温度T/℃90929496989999999999(5)他们观察到水沸腾时的现象应该是丙图中的________图.从实验可得出,液体在沸腾过程中要________热,但温度________;实验测出水的沸点为________℃.【答案】热胀冷缩温度计的玻璃泡碰到了烧杯底水太多(或水的初温较低)a吸保持不变99【解析】【分析】【详解】(1)实验室中常用的液体温度计是根据液体的热胀冷缩规律制成的.(2)在甲图中,温度计的玻璃泡接触了烧杯的底部,会导致测量结果偏大;(3)水加热时间过长可能是水的初温太低,可以用初温较高的水开始加热;也可能是水量太多,可以减小水量;也可能是酒精灯火焰太小,可以增大火焰,也可能使烧杯未加盖等;(4) 根据表中的数据描点,并用平滑的曲线连接起来,如图所示:(5) a图中气泡在上升过程中体积不断变大,所以a图是沸腾时的情况;b图中气泡在上升过程中体积不断减小,所以b图是沸腾前的情况.从实验可得出,液体在沸腾过程中仍要加热,还在不断吸热,从表中数据来看,沸腾后温度不变,实验测出水的沸点为99℃.故答案为热胀冷缩;温度计的玻璃泡接触了容器底;水太多(或水的初温较低);图见详解;a;吸;保持不变;99.3.在探究固体熔化时温度的变化规律中,小亮将质量相同的冰和固态食用油(用肉炼制的)分别装在两个相同的试管中,放在一个装有适量水的大烧杯中进行加热,如图甲所示,图乙中的A和B分别是根据实验数据绘制的冰和食用油温度随时间变化的图像。
一、初二物理物态变化实验易错压轴题(难)1.在探究热现象的实验中,小明将质量均为100g的冰和石蜡分别装在两个相同的试管中,并放在一个装有水的大烧杯中进行加热,如图甲所示,根据实验数据绘制的温度随时间变化的图像,如图乙所示,请回答下列问题:(1)将两试管放在同一个装有水的大烧杯中进行加热,目的是____;(2)由图乙可知,____是冰,该物质在第4min时的状态为____,当冰全部熔化后,继续加热使烧杯中的水沸腾并持续一段时间,发现试管中的水始终不会沸腾,其原因可能是____;(3)加热1min,冰、石蜡均为固态,由图乙可知,此时____(冰/石蜡)的比热容较大;(4)冰熔化时吸收了____J的热量。
[c冰=2.1⨯103J/(kg⋅℃)]。
【答案】使物质受热均匀 A 固液共存达到沸点不能继续吸热石蜡 8.4×103【解析】【分析】【详解】(1)[1]将两试管放在同一个装有水的大烧杯中进行加热,目的是使物质受热均匀。
(2)[2][3]冰是晶体,熔化过程中会有温度不变的阶段,故由图乙可知A是冰,该物质在第4min时处于熔化阶段,其状态为固液共存状态。
[4]沸腾的条件是达到沸点,能继续从外界吸热;当冰全部熔化后,继续加热使烧杯中的水沸腾并持续一段时间,发现试管中的水始终不会沸腾,其原因可能是达到沸点不能继续吸热。
=∆,可知在吸收相同热量条件下,比热容越大则温度变化量越(3)[5]由吸热公式Q cm t小,则;加热1min,冰、石蜡均为固态,由图乙可知,加热相同时间时石蜡温度变化量较小,此时石蜡的比热容较大。
(4)[6]冰是晶体,晶体熔化时温度不变,因此冰熔化时间为t=6min-2min=4min此过程温度保持不变,但内能增加;当加热2min时冰开始熔化,由于加热过程每分钟吸收的热量相同,故冰熔化时吸收的热量为33℃℃==∆=⨯⨯⋅⨯⨯=⨯Q Q c m t22 2.110J/(kg)0.1kg208.410J冰冰2.在“探究固体熔化时温度的变化规律”的实验中,小明将质量相同的A、B两种不同的粉末分别装在两个相同的试管中,同时放在一个装有水的烧杯中加热,实验装置如图甲所示。
一、初二物理物态变化实验易错压轴题(难)1.探究水沸腾时温度变化的特点:(1)如图甲、乙所示,是小明同学在实验中,用数码相机拍摄的水沸腾前和沸腾时的两张照片,其中_____是水沸腾时的情况;(2)实验前,向烧杯中倒入热水而不是冷水,这样做是为了_____;(3)由实验数据绘制出温度随时间变化的图像,如图丙所示。
根据记录的数据,水的沸点是_____℃;可得出水沸腾时温度变化的特点:不断吸热,温度_____。
【答案】甲缩短实验加热时间 98 不变【解析】【分析】【详解】(1)[1]水沸腾时,烧杯中水的温度是均匀的,气泡上升时,受到水的压强越来越小,那么气泡体积会变大,从甲、乙两图可以看到,甲是水沸腾时的情况。
(2)[2]实验前,向烧杯中倒入热水而不是冷水,因为冷水加热,需要更长时间才能达到想要的温度,用热水会缩短实验加热时间。
(3)[3]从图丙可以看到,第4min开始,水的温度保持在98℃不变,可以推测水的沸点是98℃。
[4]可得出水沸腾时温度变化的特点:不断吸热,但是温度保持不变。
2.如图甲是“探究海波熔化时温度的变化规律”的实验装置。
(1)如图乙所示温度计的示数为_________℃;(2)如图丙所示是根据实验数据描绘出的海波温度随时间变化的图像。
海波熔化过程对应图像中的__________段(选填“AB”或“BC”),其熔点为_______℃;(3)用质量为m1的海波做实验,绘制出海波的温度随时间变化的图像如图丁中的a所示。
若用相同的热源,用质量为m2(m2>m1)的海波做这个实验,得到的图像可能是图丁中的_______(选填“b”“c”或“d”);(4)利用上述实验中的器材来“探究水的沸腾”,还需要一个中间有孔的硬纸板,它的作用是_________。
若正确操作实验,根据实验数据绘出水的温度随时间变化的图像如图戊所示。
分析图像可获得的信息是_________________________(写出一条即可)。
一、初二物理物态变化实验易错压轴题(难)1.用图甲所示的装置“探究水的沸腾”实验(1)除了装置图中所示的器材,还需要一个重要的测量仪器是____________。
安装该实验装置时,应该先固定A、B两铁圈中的_______(填A或B)。
(2)实验中,每隔1min记录一次数据,第3min时温度计示数如图,此时温度t=_______℃,直到沸腾一段时间后停止加热,记录的数据如下表。
根据表中的数据,水的沸点为________℃。
(3)根据表格中的实验数据,在图乙中画出水的温度随时间变化的图像________。
由图像可知,水在沸腾过程中,温度________________。
【答案】秒表 A 94 98 保持不变【解析】【分析】【详解】(1)[1]在实验中,还需要用秒表记录时间,所以除了需要温度计外,还需秒表;[2]由于实验中要用酒精灯的外焰加热,如果先固定B铁圈的位置,再固定A的位置,酒精灯的火焰位置可能不合适,所以需要先固定A铁圈。
(2)[3][4]由图可知,温度计的分度值为1℃,实验中,每隔1min记录一次数据,第3min时温度计示数如图所示,此时温度是94℃;水沸腾时,不断吸收热量,温度保持不变,这个不变的温度是水的沸点,表格中所示水的沸点是98℃;(3)[5]根据表格中数据描点,并用平滑的曲线连接起来。
如图所示:[6]水在沸腾过程中吸收热量,温度不变。
【点睛】此题是探究水的沸腾实验,考查了温度计的读数问题,在进行读数时,一定要注意温度计的分度值。
同时考查了水沸腾图象的画法及沸点的概念。
2.图甲是小强在标准大气压下用 50g 冰做“探究冰熔化时温度的变化规律”的实验装置,图乙是他根据记录的数据绘制的温度随时间变化规律的图像。
[c 水=4.2×103J/(kg·℃)](1)实验中,冰熔化的时间为___________min。
(2)由图乙可知,冰在熔化过程中吸收热量,温度不变,内能____(选填“增大”、“减小”或“不变”),冰在熔化过程吸收的热量为_________J。
一、初二物理物态变化实验易错压轴题(难)1.在观察水的沸腾实验中:(1)实验装置如图所示,装置中存在的明显错误是_______;(2)纠正错误后,继续实验,当观察到烧杯内产生大量气泡,气泡上升变大且杯口有大量的“白气”形成,表明水在沸腾。
杯内气泡中的气体主要是_______(选填“空气”或“水蒸气”),杯口的“白气”是_______(选填“液态”或“气态”);(3)如图所示,是小明实验时,根据记录的数据绘出的水温度随加热时间变化的图像。
根据图像可知:水的沸点是_______℃,水面上的气压_______(选填“大于”或“小于”)1标准大气压。
仔细观察图像还发现:加热5min后到水沸腾前,水的温度升高得慢一些,水温升得慢的主要原因是_______。
【答案】温度计玻璃泡碰到了容器底水蒸气液态 99 小于水与空气的温差大,散热快【解析】【分析】【详解】(1)[1]由实验装置图知,温度计的玻璃泡碰到了容器底。
(2)[2]杯内气泡中的气体主要是水蒸气,虽然水中溶解了一些其它气体,但在水沸腾时,这些气体基本上都逸出了。
[3]杯口的白气是水蒸气遇到冷的空气液化成小水珠形成的,所以是液态。
(3)[4][5]由实验图象知,水的沸点是99℃,则此时水面上的气压低于1标准大气压。
[6]开始加热时,水与空气温度相近,水吸热的热量向外散失少,而随着水的温度升高,与空气温度相差越大,则向外散失的热量就越多,那么水升温会变慢,即是水与空气的温差越大,散热越快。
2.探究水沸腾时温度变化的特点:(1)如图甲、乙所示,是小明同学在实验中,用数码相机拍摄的水沸腾前和沸腾时的两张照片,其中_____是水沸腾时的情况;(2)实验前,向烧杯中倒入热水而不是冷水,这样做是为了_____;(3)由实验数据绘制出温度随时间变化的图像,如图丙所示。
根据记录的数据,水的沸点是_____℃;可得出水沸腾时温度变化的特点:不断吸热,温度_____。
【答案】甲缩短实验加热时间 98 不变【解析】【分析】【详解】(1)[1]水沸腾时,烧杯中水的温度是均匀的,气泡上升时,受到水的压强越来越小,那么气泡体积会变大,从甲、乙两图可以看到,甲是水沸腾时的情况。
一、初二物理物态变化实验易错压轴题(难)1.在探究固体熔化时温度的变化规律中,小亮将质量相同的冰和固态食用油(用肉炼制的)分别装在两个相同的试管中,放在一个装有适量水的大烧杯中进行加热,如图甲所示,图乙中的A和B分别是根据实验数据绘制的冰和食用油温度随时间变化的图像。
(1)由图像可知,物质______(填“冰”或“食用油”)是晶体;(2)大烧杯中装有适量的水,其中的“适量”指的是______;(3)两种物质全部熔化后,继续对烧杯中的水加热至沸腾并持续一段时间,发现两个试管中的液体都不会沸腾,试管中的水不能沸腾的原因是______,食用油不能沸腾的原因是温度无法达到______。
【答案】A 既可以浸没试管中的晶体,又能放入试管后水不溢出不能持续吸热沸点【解析】【分析】本题考查晶体熔化的特点及液体沸腾的条件。
【详解】(1)[1]由图象可知,冰是晶体,因为冰熔化过程中温度保持不变。
(2)[2]适量指可以浸没试管中的晶体,这样才能让试管中的晶体受热均匀,但水不能太多,否则试管放入后水会溢出,会影响实验的探究效果。
(3)[3][4]试管中水不能沸腾的原因是,当试管内外的水的温度达到100℃时,试管中的水不能继续吸热,所以不能沸腾;试管中的食用油温度达到100℃后,也不能继续吸热,温度不能再升高,而食用油沸点的温度比100℃要高,故食用油也不能沸腾。
【点睛】液体沸腾的条件有:温度达到沸点和继续吸热。
2.探究蒸发快慢影响因素的实验中,在四块相同的玻璃板上各滴上等量的水,如图所示.(1)选择A、B两图进行实验探究,可以探究蒸发快慢与液体的_____是否有关.(2)选择_____两图进行实验探究,可以探究蒸发快慢与液体的温度是否有关.(3)通过A、D两图的对比,可以探究水蒸发快慢与水表面的空气流速是否有关,实验中如果利用电吹风来改变空气流速,_____(应该/不应该)使用热风.(4)以上实验体现了_____法.(填物理实验方法)(5)某同学猜想水蒸发快慢还可能与水的多少有关,于是继续进行了如下探究:在相同环境下的两块相同的玻璃板上分别滴上一滴和两滴水,结果发现甲图中水先蒸发完,他依据“谁先蒸发完,谁蒸发的快”,得出结论:“水蒸发快慢与水的量有关,水越少蒸发越快”.他的依据和结论_____.(选填“正确”或“不正确”).【答案】表面积 AC 不应该控制变量不正确【解析】【分析】【详解】(1)比较A、B两图看出是水的温度和水上方空气流动速度相同,不同的是水的表面积,所以可以得出水蒸发快慢与水的表面积有关.(2)要研究水蒸发的快慢与水的温度的关系,应控制水的表面积和水上方空气流动速度,所以选择AC两图是正确的.(3) 通过A、D两图的对比要想研究水蒸发的快慢与液体上方的空气流动情况有关,即需控制相同的表面积、相同的温度,不同的空气流动情况,不应该使用热风.(4)以上实验体现了控制变量法.(4)该同学的验证过程是错误的,因为从设计的环节看他没控制水的表面积相同,因为只有在水的表面积相同时,先蒸发完的蒸发的才快. 因此他的依据和结论不正确.【点睛】(1)影响蒸发快慢的因素有:液体温度的高低、液体表面积的大小、液体上方空气流动的速度;(2)在探究一个物理量与多个因素的关系时,采用控制变量法的思想.3.小明在做“观察水的沸腾”实验时,用到的器材如下:铁架台、烧杯、温度计、秒表、硬纸板、石棉网等:(1)组装器材时,应该观察_____的高度,据此在铁架台上固定铁圈(石棉网)的高度;(2)实验时用温度计测出不同时刻水的温度,并记录在表中,其中第3min时温度计的示数如图甲所示,示数为_____℃;时间/min01234567温度/℃80848896989898(3)某时刻观察到烧杯中出现图乙所示的现象,表明水_____(选填“已经”或“尚未”)沸腾;(4)实验需要测量水温随时间变化的多组数据,这是为了_____(填序号);①发现变化规律②减小实验误差(5)在评估交流时,有同学提出从开始加热到沸腾,所用时间过长。
一、初二物理物态变化实验易错压轴题(难)1.小明探究水沸腾时温度变化的特点,实验装置如图甲所示。
(1)加热一定时间后,温度计的示数如图所示,此时水的温度是_____℃。
(2)水在沸腾过程中虽然温度不再升高,但酒精灯要持续加热,这说明液体在沸腾过程中要_____;(3)图乙中能正确表示实验过程中水温度变化的图象是_____(填“A”“B”“C”或“D”)。
(4)如图丙所示,温度计的正确读法是_____。
(5)当水沸腾时,若水中有一个气泡从A位置(体积为V A)上升至B位置(体积为V B),则V A_____V B,(选填“>”“<”或“=”下同)。
气泡在A、B两位置受到水的压强分别为p A和p B,则p A_____p B。
(6)以下表格中的内容是小明记录的实验数据,则水的沸点是___℃.时间/min012345678温度/℃909294969898989898(7)完成实验后,烧杯内水的质量与实验前相比_____(选填“变大”“不变”或“变小”).【答案】89吸热A乙<>98变小【解析】【详解】(1)温度计的每一个大格表示10℃,每一个小格表示1℃,所以温度计的示数为89℃;(2)水在沸腾过程中虽然温度不再升高,但水在各个部位都要汽化,需要不断的吸热,所以酒精灯要持续加热;(3)水在沸腾前,温度不断升高,沸腾后继续吸热但温度不变,所以A图能正确表示实验过程中水温度的变化;(4)温度计的正确读法是视线垂直刻度线读数,所以乙的读数方法正确;(5)当水沸腾时,水在各个部位汽化,因此大量气泡会在上升过程中逐渐得到补充,并且越往水面水的压强越小,因此气泡会越变越大,所以<A B V V ,>A B p p ;(6)观察表中数据,可以看出,水的沸点是98℃;(7)烧杯瓶口敞开,在烧水的过程中,水不断蒸发,所以完成实验后,烧杯内水的质量与实验前相比变小。
答案:89;吸热;A ;乙;<;>;98;变小。
一、初二物理物态变化实验易错压轴题(难)1.在探究冰的熔化规律的实验中,烧杯中有适量的水,大试管中有碎冰,实验装置如图甲所示。
(1)待温度升高至-5℃,每隔大约______(填“1min”或“5min”)记录一次温度;(2)实验中某次温度计的计数如图乙,示数是________;(3)第9min时,试管内的物质处于_______(选填“固”、“液”或“固液共存”) 态,冰在第9min时具有的内能________(选填“大于”、“小于”或“等于”)在第6min时具有的内能;(4)在不改变装置情况下,小瑜将冰全部熔化成水后继续用酒精灯不断地加热,大致绘制出了图丙的温度随加热时间关系图,他在DF阶段能否在小试管中________看到大量气泡上升变大。
(选填“能”或“不能”)【答案】1min -4℃固液共存小于不能【解析】【分析】【详解】(1)[1]在实验过程中,大约每隔1min便记录一次温度,而隔5min才记录温度的话,时间间隔太长,不容易观察实验现象。
(2)[2]由图乙知,温度计示数为-4℃。
(3)[3]由图丙知,第9min试管内的物质处于熔化状态,所以是固液共存态。
[4]冰在第9min的内能小于第6min的内能,因为这两个时间段冰都处于熔化阶段,其温度保持不变,固态的冰质量越来越少,其内能越来越小。
(4)[5]由丙图知,在DF段,水的温度达到沸点,烧杯中的水由于不断吸热,所以开始沸腾,而试管中的水虽然温度达到沸点,但不能继续吸热,因为烧杯中的水沸腾时,温度保持不变,所以试管中的水不能沸腾,无法看到大量气泡上升。
2.在探究热现象的实验中,小明将质量均为100g的冰和石蜡分别装在两个相同的试管中,并放在一个装有水的大烧杯中进行加热,如图甲所示,根据实验数据绘制的温度随时间变化的图像,如图乙所示,请回答下列问题:(1)将两试管放在同一个装有水的大烧杯中进行加热,目的是____;(2)由图乙可知,____是冰,该物质在第4min时的状态为____,当冰全部熔化后,继续加热使烧杯中的水沸腾并持续一段时间,发现试管中的水始终不会沸腾,其原因可能是____;(3)加热1min,冰、石蜡均为固态,由图乙可知,此时____(冰/石蜡)的比热容较大;(4)冰熔化时吸收了____J的热量。
一、初二物理物态变化实验易错压轴题(难)1.下雨前的空气湿度一般比较大,所以空气湿度情况是进行天气预报的一项重要依据。
如图所示是一种反映空气中水蒸气含量的装置,叫做干湿泡温度计。
它由两个相同的温度计并列组成,其中一个温度计用湿布包起来。
(1)干泡温度计的示数为100℃,表示当时的气温__________(>/=/<)100C。
一般情况下,湿泡温度计的示数__________(>/=/<)干泡温度计的示数,原因是_______________。
干湿泡温度计的示数差越大,空气湿度越_________(大/小)。
(2)炎热的夏天,下雨前人会感到特别闷热,原因是___________________【答案】 = < 液体蒸发时吸热小空气湿度大,人的汗液很难蒸发【解析】(1)干湿泡温度计测空气中水蒸气含量的原理:干泡温度计放置在空气中,显示的是空气的正常温度;湿泡温度计下端包着湿布,湿布上的水分蒸发吸热,因此湿泡温度计的示数比干泡温度计的示数低;在一定温度下,两个温度计读数的差别越小,表示空气中的水蒸气越多,两个温度计读数的差别越大,表示空气中的水蒸气含量越小;(2)炎热的夏天,下雨前空气湿度大,汗液蒸发慢,所以人会感到特别闷热。
因此,本题正确答案是:(1). = (2). < (3). 液体蒸发时吸热 (4). 小 (5). 空气湿度大,人的汗液很难蒸发【点睛】(1)蒸发是在任何温度下都能够进行的汽化现象,汽化要吸热;(2)影响蒸发快慢的因素:液体的温度、液体表面积、液体上方空气流动速度;蒸发的快慢还与液体的种类和空气湿度有关。
2.某一小组用图甲所示装置“比较不同液体吸热升温特点”.在两个相同烧杯中分别加入质量、初温相同的水和食盐水,用相同酒精灯加热直到沸腾.(1)分别测量出水和食盐水的沸点,发现食盐水的沸点比水高.其中水沸腾时温度计的局部放大图如乙图所示,水的沸点为_______℃.(2)实验中加热食盐水到沸腾需要的时间长,说明食盐水吸收的热量比水_______(选填“多”或“少”).(3)能否仅由“加热食盐水到沸腾需要的时间长”得出食盐水比热容大的结论?答:_________;其原因是:_____________________.【答案】98多不能实验中没有保持二者质量和升高的温度相同【解析】【分析】(1)根据图中所示温度计示数为98℃;(2)在相同的酒精灯下,向相同的烧杯加热,要比较吸收热量的多少,就得比较加热时间的多少,而实验中加热食盐水所用时间多,则其吸收的热量也多;(3)要比较比热容的大小,必须得控制其他物理量不变,保证质量不变,还有一个因素,得使两者的温度差相同,才可以比较比热容的大小。
【详解】(1)根据图中所示,温度计示数为98℃,所以水的沸点为98℃;(2)我们知道要比较物质吸收热量的多少,就得比较加热时间的多少;(3)要比较其中一个物理量的大小,就得控制其他物理量不变,所以在其他物理量不变的情况下才能比较,而实验中没有保持二者质量和升高的温度相同。
故答案为:(1)98;(2)多;(3)不能;实验中没有保持二者质量和升高的温度相同。
3.在“探究水的沸腾”实验中,小华使用的装置如图甲所示,根据实验数据做出的“温度-时间”图像如图乙所示。
(1)从图乙中可知实验测得的水的沸点是___℃,说明此时实验室中的大气压_______(选填“小于”“大于”或“等于”)1 标准大气压。
(2)水在沸腾过程中,要持续_______(“吸热”或“放热”)温度保持不变。
(3)学习了“探究水的沸腾”实验后,在实验条件相同的情况下,小华又利用图甲装置进行了“探究酒精的沸腾”实验,并根据实验数据做出“温度-时间”图像如图丙所示。
水和酒精的比热容(c水>c 酒精),分析乙、丙两图可知,实验过程中水的质量_______酒精的质量(选填“大于”“等于”或“小于”)。
【答案】98小于吸热小于【解析】【详解】(1)由图象分析可知:水在第4分钟开始沸腾,温度保持不变,此时温度为98℃,水沸点为98℃;1标准大气压下水的沸点为100℃,由此可知当时气压小于1标准大气压;(2)水沸腾时,持续吸收热量但温度保持不变;(3)由图乙、丙可以看出,水和酒精加热相同的时间,升高相同的温度,则有c m t c m t=水水酒精酒精,因为c c>水酒精,可得m m<水酒精。
4.三个实验小组同时分别探究“蜡熔化时温度的变化规律”、“海波熔化时温度的变化规律”与“水的沸腾”,记录数据如下表:(1)在三个探究实验中,除秒表、酒精灯、打火机和铁架台外,都用到的主要实验器材还有______________.(2)根据记录表,请你判断下列说法正确的是(_______)A.甲是蜡,乙是海波,丙是水 B.甲是水,乙是蜡,丙是海波C.甲是海波,乙是蜡,丙是水 D.甲是水,乙是海波,丙是蜡(3)为减小误差,探究“海波熔化时温度的变化规律”实验过程中试管中的固体颗粒______________(大/小)一点的好,用如图甲的方式对海波进行加热,而不是用酒精灯直接对试管加热,这样做不但能使试管______________,而且海波的温度上升速度较________(快/慢),便于及时记录各个时刻的温度.(4)实验小组又探究某种液态物质凝固过程中温度随时间变化规律的实验装置,依据实验数据描绘出了该液态物质在凝固过程中温度随时间变化的图像(如图乙),由图像可知,该物质是_______(选填“晶体”或“非晶体”),该物质从开始凝固到完全凝固所用的时间是_________min,此时物质处于___________态,这个过程要_______(吸/放)热.9min末温度计的示数如图丙所示,温度计的示数是______________℃,,此时物质处于______________态.【答案】温度计 B 小受热均匀慢晶体 5 固液共存态放 73 固【解析】(1)这三个实验都需要测量温度,都要用到温度计. (2)由表格中数据知,甲开始吸热升温,当温度达到98℃后,因为温度保持不变,所以达到了沸点,但还在继续吸热,所以甲是水.乙在整个过程中温度不断升高,所以乙是非晶体即蜡.丙开始温度升高,当温度达到48℃时,温度保持不变,一段时间后温度又升高.所以丙是晶体即为海波. (3)探究“海波熔化时温度的变化规律”实验过程中试管中的固体颗粒要小一些,这样能均匀受热;将装有固体的试管放入水中加热,这是水浴法,采用水浴法,固体的温度变化比较均匀,并且变化比较慢,便于记录实验温度; (4)此凝固图象中,有一段时间此物质温度是不变的,故此物质是晶体,这段温度不变的过程就是晶体在凝固;从图象上可以看出,物质从第3min 开始凝固,到第8min凝固结束,凝固过程持续了8min-3min 5min;温度计的分度值是1℃,第9min时,温度计的读数是73℃,此时凝固过程已经结束,因此物质处于固态.点睛:实验难度不大,只要抓住液体沸腾的特点、晶体和非晶体熔化和凝固的特点即可.5.小明、小华和小红在课堂上做“探究水沸腾时温度变化的特点”实验中,当水温接近90℃时,每隔1分钟记录一次温度。
结果小明、小华测得的水的沸点都是100℃,唯有小红误将盐水倒入烧杯中加热,她测得的实验数据记录如下表所示:时间/min012345678温度/℃88919497100103103103103(1)小红烧杯中的盐水沸腾时,其沸点为103℃,物理老师认为小红的实验很有意义,还可以继续深入研究。
请你提出一个值得深入探究的问题:____________。
(2)下列图像中,能反映小红的实验中盐水在加热时沸腾过程的是___________。
A.B.C. D.(3)小明和小华分别利用图甲所示的装置探究水沸腾时温度变化的特点,并绘制出了如图乙所示的水温与时间关系的图像。
分析图乙可知,小华将水加热至沸腾的时间明显较长,可能的原因是______(写出一个即可)。
(4)小明在第9分钟撤掉酒精灯后,发现有一段时间水依然在沸腾。
如图乙所示,这段时间内烧杯底部的温度______________(填“高于”“等于”或“低于”)杯内水的温度。
【答案】水的沸点与含盐量的多少有什么关系 D 水的质量较大高于【解析】【详解】(1)[1]盐水的沸点是103℃,比普通水的沸点高出3℃,因水中含有盐的成份,那么可以考虑盐的含量增加或减小时,水的沸点又如何,可提出一个值得深入探究的问题:水的沸点与含盐量的多少有什么关系;(2)[2]从表中数据可以看到,随着时间的流动,盐水的温度在升高,当到了103℃后,温度不再变化,故选D;(3)[3]分析图乙可知,小华将水加热至沸腾的时间明显较长,可能的原因是小华的烧杯中水可知,比热容和温度的变化量相同,水的质量如果较大,那的质量较大,根据Q cmΔt么吸收的热量较多,加热的时间较长;(4)[4]由于水依然在沸腾,那么水还在吸收热量,这段时间内烧杯底部的温度应该高于杯内水的温度,这样存在温度差,才会发生热传递,水才能吸收热量。
6.在做“探究水的沸腾”实验中:(1)实验装置如图甲所示,在组装过程中需要先调整的是_________(A/B)部分.(2)当水的温度加热到90℃时,每隔1min记录一次温度,直到水沸腾后几分钟为止.记录数据如下表:第1min温度计的示数如图乙所示,水的温度是_______℃,分析表格中的数据可知水的沸点是___________℃.(3)撤掉酒精灯后,水不会立刻停止沸腾,小明由此得出结论:水的沸腾不需要吸热,你认为他的结论是__________(错误、正确)的,水还继续沸腾的原因是__________________________________.(4)某实验小组观察到沸腾前和沸腾时水中气泡上升过程中的两种情况,如图丙中的(a)、(b)所示,则图________是水在沸腾前的情况.(5)为了减少从开始加热到沸腾时的时间,可以采取的措施是_____________________________.【答案】B 92 98 错误石棉网的温度较高,把热量传递给水 b 减小水的质量、用初温较高的水实验、用火力更大的酒精灯加热等【解析】(1)由于要用酒精灯的外焰加热,所以需先根据酒精灯固定B的高度;(2)温度计的分度值是1℃,示数为92℃;由表格中数据知,水在沸腾过程中保持98℃不变,所以水的沸点是98℃. (3) 结论错误,撤掉酒精灯后,石棉网有余热温度高于水的沸点,对水继续加热.(4) b图气泡在上升过程中体积逐渐减小,所以是沸腾前得现象.(5)实验中为了减少从开始加热到沸腾所用的时间,可以采取的措施是减少水的质量、用初温较高的水实验、用火力更大的酒精灯加热等.点睛:掌握水沸腾前和沸腾时的现象区别:沸腾前气泡在上升过程中体积逐渐减小;沸腾时气泡在上升过程中体积逐渐增大;减少从开始加热到沸腾所用的时间,可以减少水的质量或提高水的初温;水沸腾的特点:吸热但温度保持不变.7.物理兴趣小组进行“探究水沸腾时温度变化的特点”的实验。